Проектирование нефтепровода
Федеральное
государственное бюджетное общеобразовательное учреждение
Высшего
профессионального образования
«Новосибирский
государственный технический университет»
Кафедра
«Электротехнические комплексы»
Расчетно-графическая
работа
Оборудование
нефтегазовых производств
Факультет: МА
Группа: ЭМА-02
Студент: Семин А.О.
Преподаватель:
Бирюков В.В.
Новосибирск
2014г.
ОГЛАВЛЕНИЕ
1. ЗАДАНИЕ НА РАСЧЁТНО-ГРАФИЧЕСКУЮ
РАБОТУ
. ОСНОВНЫЕ РАСЧЕТЫ
.1 Определение физических
характеристик нефтепродуктов
.2 Расчёт резервуарных парков
нефтепродуктов
.3 Расчёт параметров и выбор типа
насоса
.4 Расчёт трубопровода
ЛИТЕРАТУРА
1.
ЗАДАНИЕ НА РАСЧЕТНО - ГРАФИЧЕСКУЮ РАБОТУ
Цель: Расчетно-графическая работа (РГР)
предназначена для ознакомления студентов с методикой расчета параметров и
выбора оборудования транспортировки нефти от месторождения до потребителя
(нефтебазы).
В задачу технологического расчета трубопровода
входят определение оптимальных параметров трубопровода (диаметр трубопровода,
давление нагнетания насосных станций, толщина стенки трубы, количество насосных
станций); расположение перекачивающих станций по трассе трубопровода расчет
режимов эксплуатации трубопровода.
Поскольку для транспортировки нефти используется
различное оборудование (резервуары, насосы, трубопроводы и т.д.), работающее в
различных условиях и отвечающее своим специфическим требованиям, расчет
параметров и выбор каждого элемента оборудования может рассматриваться как
технологически независимые, но одновременно и взаимосвязанные задачи. На рис. 1
показана структурная схема нефтепродуктопровода.
Исходными данными для расчета нефтепровода
являются:
годовой объем перекачки нефтепродуктов и их
состав;
свойства перекачиваемых нефти и нефтепродуктов;
температура грунта на глубине заложения
нефтепровода;
характеристики труб и насосного оборудования;
сжатый профиль трассы нефтепровода.
Таблица 1.
|
№
варианта
|
Длина
трубопровода
|
Годовой
объем транспортировки Q,
мдн.т.
|
Нефтепродукт
|
Регион
|
Категория
трубопровода
|
Разность
нивелирных отметок, Δz,
м
|
Минимальная
температура грунта, Т, 0К
|
|
4
|
628
|
3.4
|
Реакт.
Топливо
|
Дальний
Восток
|
IV
|
98
|
273
|
2.
ОСНОВНЫЕ РАСЧЕТЫ
.1
ОПРЕДЕЛЕНИЕ ФИЗИЧЕСКИХ ХАРАКТЕРИСТИК НЕФТЕПРОДУКТОВ
Одним из наиболее важных показателей перекачиваемых
жидкостей являются такие её физические характеристики, как плотность ρ
и
вязкость ν, определяющие в
конечном итоге энергетические затраты и производительность трубопроводов.
Известно, что на плотность и вязкость
существенно влияет температура перекачиваемого нефтепродукта.
Поэтому при расчете и выборе оборудования
необходимо руководствоваться теми параметрами жидкостей, которые соответствуют
температурному режиму нефтепродукта.
Плотность нефти находится в пределах 700...1100
кг/м3, а изменение её величины с температурой определяется,
например, по формуле Менделеева:
, (2.1)
где ρТ и ρ293 - плотность
нефтепродуктов соответственно при температурах Т и 293 К;
βр -
коэффициент объемного расширения, либо по формуле
ρТ = ρ293+ξ(293 - Т). (2.2)
Рассчитаем кинематическую вязкость и
плотность дизельного топлива - ДА при температуре Т=2700К.
Поскольку расчетная температура
выходит за пределы температурного интервала, в котором известна вязкость
дизельного топлива - ДА, то для расчета выбираем формулу Вальтера:
lglg(ν+0.8)=a+blgТ, (2.3)
где эмпирические коэффициенты a и b
определяются по формулам:
Для реактивного топлива - ТС-1 при Т1
= 2330К, ν1=8мм2/с,
а при Т2 = 2930К, ν1=1.25мм2/с.
Тогда величины эмпирических коэффициентов:
А кинематическая вязкость
реактивного топлива - ТС-1 при температуре Т=2730К после
преобразования формулы (2.3):
Плотность топлива при этой
температуре согласно формуле (2.1)
Где
=780
кг/м3; βр=0,001010
1/0К.
2.3
РАСЧЕТ РЕЗЕРВУАРНЫХ ПАРКОВ НЕФТЕПРОДУКТОВ
Резервуарные парки, входящие в систему
магистральных нефте- и нефтепродуктопроводов, а также нефтебаз, играют очень
важную роль. Основное их назначение - выполнение роли буфера между поставщиком
и получателем, компенсирующего неравномерности поставок и потребления нефти и
нефтепродуктов. К числу других функций резервуарных парков относятся: создание
запасов на случай возникновении сбоев в транспортной цепи, доведение качества
нефти и нефтепродуктов до требуемого уровня, их замер и учет.
На магистральных нефтепроводах резервуарные
парки размещаются:
на головной насосной станции;
на границах эксплуатационных участков;
в местах подкачки нефти с близлежащих
месторождений или сброса нефти попутным потребителям.
Полезный суммарный объем резервуарных парков
зависит от диаметра труб и протяженности нефтепроводов (табл. 1).
Таблица 1
|
Протяженность
нефтепровода, км
|
Диаметр
трубы, мм
|
|
630
и менее
|
|
Свыше
600 до 800
|
3,5
|
Эти величины следует применять когда не менее
30% от протяженности трубопровода проходит в сложных условиях (заболоченные и
горные участки).
При протяженности нефтепровода более 1000 км к
размеру емкости по табл.1 добавляется объем резервуарного парка,
соответствующего длине остатка.
Суммарный полезный объем резервуарных парков на
головной и промежуточных насосных станциях (ПНС) нефтепровода ориентировочно (в
частях) распределяется следующим образом:
головная насосная станция (ГНС) -2…3;
ПНС на границе эксплуатационных участков -
0,3…0,5;
то же, при проведении на ПНС приемосдаточных
операций - 1…1,5.
Общий объем резервуарных парков определяется на
основе полезного с учетом коэффициенты использования емкости ηр,
определяемого по табл. 2.
Суммарный объем резервуарных парков Vp
в
системе магистрального нефтепровода определяется через суточный расход Vсут:
, (2.4)
Где
-
количество эксплуатационных участков (протяженностью Lэ
=400..600 км);
- количество
насосных станций на границах эксплуатационных участков ( где выполняется
приемосдаточные операции).
Таблица 2
|
Емкость
резервуара, м3
|
Коэффициенты
использования емкости ηp
|
|
Без
понтона
|
С
понтоном
|
С
плавающей крышкой
|
|
До5000
включительно От 10 000 до 30 000
|
0,85
0,88
|
0,81
0,84
|
0,80
0,83
|
Рассчитываем объем резервуарных парков в системе
магистрального нефтепродукта протяженностью Lм
= 628 км, расположенного на Дальнем Востоке. Для длины нефтепродуктопровода,
проходящей в сложных условиях, составляет 40%. На границе эксплуатационных
участков не производятся приемо-сдаточные операции.
Количество эксплуатационных участков
нефтепровода такой протяженности
Поскольку на границе эксплуатационных участков
не производятся приемо-сдаточные операции, то
=
0, задаваясь верхними пределами рекомендуемых объемов резервуарных парков, по
формуле (2.4) определяется их суммарный объем
=
=3.5
Найденная величина
не
должна быть меньше трехсуточного объема перекачки нефти по трубопроводу.
Найдем суточную пропускную способность:
Вместимость резервуарного парка нефтебазы находится
как
(2.5)
Где
-
годовой расход нефти;
- коэффициент
неравномерности потребления нефти, выбираемый согласно таблице 4;
-
величина страхового запаса i-го
нефтепродукта в % выражении, выбираемая по таблице 3.
Таблица 3
|
Тип
нефтебазы
|
Месторасположение
нефтебазы
|
Норма
страхового запаса, %
|
|
Железнодорожные,
водные (речные)
|
Севернее
600 северной широты в европейской части страны, в Сибири, на Урале
и Дальнем Востоке
|
До
50
|
Таблица 4
|
Характеристика
районов потребления
|
|
|
Сельскохозяйственные
районы
|
Все
виды топлива
|
|
1.7
|
Определим необходимый полезный объем
резервуарных парков головной насосной станции и конечного пункта магистрального
нефтепровода для перекачки 3,4 млн. т нефтепродукта (реактивное топливо - ТС-1)
в год. Плотность нефтепродукта при расчётной температуре t
=2730К
равна
кг/м3.
Годовой объем перекачиваемого при расчетной
температуре нефтепродукта составляет
Необходимая вместимость
резервуарного
парка головной насосной станции (ГНС) вычисляется по формуле и должна
составлять 3
Необходимая вместимость
резервуарного
парка промежуточной насосной станции (ПНС) равна
Принимаем для хранения реактивного топлива -
ТС-1 резервуары типа РВС-5000 (ηр=0,85)
со щитовой кровлей с фактическим объемом 4832
.
Внутренний диаметр нижнего пояса 22790 мм, высота корпуса 11845 мм.
Таким образом, на ГНС необходимо установить не
менее восьми резервуаров вместимостью по 5000 м3, а на ПНС - не
менее двух.
Определим вместимость резервуарного парка
нефтебазы по реактивному топливу - ТС-1.
Величина страхового запаса дизельного топлива -
ДА согласно таблице 3,
Тогда полезный объём резервуаров в соответствии
с формулой (2.5)
Требуемый общий объём резервуаров :
2.4
РАСЧЁТ ПАРАМЕТРОВ И ВЫБОР ТИПА НАСОСА
Для перекачки нефти и нефтепродуктов в основном
используются центробежные и шестерёнчатые насосы.
Их характеристики - зависимости напора Нн,
мощности Nн,
КПД ηн
в функции расхода Q
насоса - приводятся в справочной литературе. Важным показателем свойств
жидкости является кавитационный запас Δhдоп,
определяющий ограничение зоны рабочих режимов насоса.
Иногда удобно пользоваться аналитическими
выражениями этих зависимостей, полученных эмпирическим путём.
Так, в частности, аналитические зависимости
напора, кавитационного запаса и КПД центробежных насосов можно представить в
виде:
. (2.6)
Для шестеренчатых насосов эти зависимости
. (2.7)
где Qш
и рш - расход и давление, создаваемые шестерёнчатым насосом.
Необходимо помнить, что в области малых давлений
(р<рш) зависимость Q(р)
носит линейный характер (bш=1),
а при р<рш - криволинейный (bш
>1).
При транспортировке маловязких нефтей и
нефтепродуктов характеристики центробежных насосов изменений не претерпевают.
Однако с ростом вязкости перекачиваемой жидкости они ухудшаются.
Определим тип и количество насосов ГНС
трубопровода длиной Lтр=
=628 км для перекачки 3.4 млн. т нефти в год (плотность ρн=796,081
кг/м3).
Исходной величиной при выборе диаметра
трубопровода является годовой план перекачки. В табл. 5 приведены основные
рекомендуемые параметры магистральных трубопроводов при изотермической
перекачке. Верхние пределы пропускной способности соответствуют меньшей
кинематической вязкости, а рабочее давление определяется характеристикой
насосов, их количеством и способом соединения. Высоковязкие нефтепродукты перед
перекачкой необходимо предварительно подогревать.
Расчётное количество рабочих дней в году для
магистральных трубопроводов приводится в табл. 6.
По табл. 5 выбираем диаметр трубы нефтепровода,
равный 426 мм. Для нефтепровода протяжённостью 628 км с трубой данного диаметра
расчётное количество дней работы в году в соответствии с табл. 6 равно 352.
Таблица 5
|
Нефтепроводы
|
Нефтепродуктопроводы
|
|
Нагруженный
диаметр и толщина стенки, мм
|
Рабочее
давление, МПа
|
Пропускная
способность, млн т/год
|
Нагруженный
диаметр и толщина стенки, мм
|
Рабочее
давление, МПа
|
Пропускная
способность, млн т/год
|
|
529(4…10)
630(5…12)
720(…)
820(…)
920(…) 1020(…)
1220(…)
|
5,4…6,5
5,2…6,2 5…6
4,8…5,8 4,6…5,6
4,6…5,6 4,4…5,4
|
6…8
10…12 14…18
22…26 32…36
42…50 70…78
|
219(4…7)
273(4…8)
325(4…8)
377(4…9)
426(4…9)
529(4…10)
|
9…10
7,5…8,5 6,7…7,5
5,5…6,5 5,5…6,5
5,5…6,5
|
0,7…0,9
1,3…1,6 1,8…2,2
2,5…3,2 3,5…4,8
6,5…8,5
|
|
Протяженность,
км
|
Диаметр
нефтепровода, мм
|
|
До
820 включительно
|
Свыше
820
|
|
До
250 Свыше 250 до 500 Свыше 500 до 700 Свыше700
|
357
356/355 354/352 352/350
|
355 353/351 351/349 349/350
|
Часовая пропускная способность трубопровода
определяется по формуле
В соответствии с найденной производительностью
выбираем насосы для оснащения насосных станций:
основные - НМ 710 - 280
подпорные - НПВ 600 - 60.
Напор этих насосов при расчетной часовой подаче
в соответствии с формулой (2.6) составляет:
Рабочее давление pГНС
на выходе головной насосной станции
Где
-
принятое количество основных насосов на станции.
Запорная арматура на нефтепроводах рассчитана на
давление (5,5…6,5 МПа). Условие непревышения давления, создаваемого насосами
над допустимым давление запорной арматуры (
),
выполняется.
Определим величины коэффициентов в формулах
пересчёта (2.6)-(2.7) при перекачке реактивного топлива - ТС-1, имеющего
кинематическую вязкость ν= 1.947 мм2/с,
насосом НМ 710-280.
Так как в насосе НМ 710-280 колесо имеет двусторонний
вход жидкости, то число Рейнольдса в насосе вычисляем по формуле:
Переходное и граничное числа Рейнольдса, а также
коэффициент аη
рассчитываются по формулам:
Так как Re>Reп
и Re>Reгр,
то пересчёт напора, расхода и КПД с воды на нефть не нужен.
Для нормальной работы насоса необходимо, чтобы
минимальное давление рвх на входе в него превышало давление рп,
при котором происходит парообразование перекачиваемой жидкости, на величину,
соответствующую разности допустимого кавитационного запаса Δhдоп
и скоростного напора на входе в насос:
(2.8)
Где
-
скорость жидкости во всасывающем патрубке насоса.
где Ткип - температура начала
кипения (парообразования) жидкости, 0К.
(2,9)
где Ткип - температура начала
кипения (парообразования) жидкости, 0К.
Допустимый кавитационный запас насоса при
перекачке нефти и нефтепродуктов
Δhдоп
н=
Δhдоп
в-
kh(Δht-Δhν),
(2.10)
где kh=1,1…1,15
- коэффициент запаса; Δht
и Δhν
- поправки на температуру и вязкость жидкости, определяемые согласно
;
; (2.11)
hп
- напор, соответствующий давлению насыщенных паров жидкости; ξвх
- коэффициент сопротивления на входе в насос, вычисляемый при 565 < Reн
≤
9330 по формуле
ξвх=16
- 13,1(lgReн
- 2,75)0,354,
а при Reн
>
9330 принимается равным ξвх=0.
Рассчитаем необходимое давление на входе в насос
НПВ 600-60 при перекачке дизельного топлива - ДА, имеющего температуру начала
кипения Ткип=4230К. Перекачка ведётся при
температуре t
=
2730К, расход составляет Q=
505.554м3/ч, плотность бензина ρ=796.081
кг/м3, вязкость ν=1.947
мм2/с, диаметр входного патрубка dвх
=0,408 м, кавитационный запас по воде Δhдоп
в
=4 м.
Давление насыщенных паров при температуре
перекачки по формуле (2.9)
рп
=65000·exp[-
0,0303·(423 -
270)]= 690.311 Па.
Соответствующий этому давлению напор столба
нефтепродукта
Поправка на температуру по кавитационному запасу
согласно (2.11)
Δht
= 0,471·
0,45
=
0.158 м.
Скорость дизельного топлива - ДА и число
Рейнольдса во входном патрубке насоса согласно (2.8) и (2.15)
,
Так как
,
то
ξвх=
Определим поправки на температуру и вязкость
жидкости по формуле (2.11)
Давление с учётом кавитационного запаса на входе
согласно (2.8)
Определим количество насосных станций на
нефтетрубопроводе, если трубопровод относится к IV
категории, в вязкость реактивного топлива - ТС-1 ν=1.947∙10-6
м2/с.
Полагая что для нефтепровода использованы трубы
из стали К55 по таблице Приложения 10находим, что для труб σвр=650
МПа; σт=380
МПа; коэффициент надежности по материалу k1=1,47;
а трубы диаметра 377 мм выпускаются с толщинами стенок δ=4;4,5;5;5,5;6;7
и
8 мм.
Коэффициент надежности по назначению
трубопровода k2=1
(при Dнар ≤ 1000 мм k2=1,
для Dнар = 1200 мм k2=1,05),
а поскольку трубопровод относится к IV
категории, то согласно табл. 8 Приложения коэффициент условий работы m0=0,9.
Величина расчётного напряжения σ,
возникающего
в металле трубы при перекачке определяется как:
(2.11)
Расчетную толщину стенки трубопровода определяют
по формуле:
(2.12)
Где p
- рабочее (избыточное) давление;
-
наружный диаметр трубы;
- коэффициент
надежности по нагрузке (
= 1,15 для нефте- и
нефтепродуктопроводов, работающих по системе «из насоса в насос»,
=
1,1 во всех остальных случаях).
Принимаем окончательную толщину стенки
=4
мм. Тогда внутренний диаметр трубы нефтепровода
Для выяснения характера протекания нефти в
трубопроводе необходимо рассчитать число Рейнольдса по формуле:
Поскольку
>2320,
течение - турбулентное.
Для определения гидравлического сопротивления
трубы нефтепровода необходимо определить первое переходное число Рейнольдса,
для чего предварительно необходимо рассчитать относительную шероховатость
Где
-
эквивалентная шероховатость (таблица П11 приложения).
Первое переходное число Рейнольдса:
Так как
,
то течение нефти происходит в зоне гидравлически гладких треб. Поэтому
коэффициент гидравлического сопротивления вычисляется по формуле:
Поскольку потери напора вследствие наличия
гидравлического сопротивления принято заменять условным гидравлическим уклоном i,
его значение в зависимости от характера протекания нефти можно рассчитывать по
формуле:
(2.13)
Где
м/с
- скорость перемещения нефти в трубе.
Полные потери в трубопроводе рассчитываются по
формуле:
Где
=
1,02 - коэффициент учета местных сопротивлений в трубопроводе;
=
98 разность нивелирных отметок конечной и начальной точек трассы нефтепровода;
=
30 м - величина напора в конечной точке трассы нефтепровода.
Расчетное количество насосных станций на
трубопроводе определяется по формуле
Принимаем
=23.
Поскольку принятое количество станций превышает
расчетное значение, целесообразно определить количество основных насосов на них
с целью корректировки комплектации ими насосных станций. Для этого необходимо
построить зависимости
и
,
точка пересечения которых и определит оптимальное суммарное количество насосов.
Результаты расчетов для построения характеристик
нефтепровода и насосных станций сведены в табл. 6
Табл. 6
|
Q,
|
,
м
|
,
м при
|
|
|
44
|
45
|
46
|
47
|
|
100
|
13438.1
|
13741.8
|
14045.5
|
14349.2
|
|
200
|
2019.217
|
13200.5
|
13498.8
|
13797.1
|
14095.4
|
|
300
|
4345.737
|
12804.5
|
13093.8
|
13383.1
|
13672.4
|
|
400
|
7602.867
|
12250.1
|
12526.8
|
12803.5
|
13080.2
|
|
500
|
11790.604
|
11537.3
|
11797.8
|
12058.3
|
12318.8
|
|
600
|
16908.95
|
10666.1
|
10906.8
|
11147.5
|
11388.2
|
На рис. 2 приведена совмещенная
характеристика нефтепровода и насосных станций при общем количестве работающих
насосов 
= 44, 45, 46, и 47. Видно, что при
данном количестве работающих насосов производительность нефтепровода составляет
соответственно 490, 500, 510 и 515 
. Таким образом, проектная
производительность нефтепровода обеспечивается при работе на станциях 46
насосов.
При распределении этого количества
насосов по станциям необходимо руководствоваться следующим:
большее их число должно быть
установлено на станциях, расположенных в начале трубопровода, а меньшее - на
его конце;
для удобства обслуживания линейной
части четвертый и пятый перегоны между станциями должны быть примерно
одинаковой длины.
Исходя из сказанного выбираем следующую
схему комплектования насосных станций магистральными насосами:
2-2-2-2-2-2-2-2-2-2-2-2-2-2-2-2-2-2-2-2-2-2-2.
Рис. 2
Выполним расстановку насосных
станций по трассе нефтепровода с учетом того, что разность нивелирных отметок
концы и начала трубы ∆Z=98 м, перевальная точка
отсутствует.
Вычисляем длину первого перегона, на
который хватило бы напора магистральных насосов головной станции
при
условии, что нефтепровод был бы горизонтальным, по формуле
Дальнейшие расчеты целесообразно произвести
графическим путем, для чего обратимся к рис. 3. В начале нефтепровода (точка
А1) по оси ординат откладывается отрезок А1-Б1, пропорциональный напору магистральных
насосов головной станции
а по оси абсцисс в
некотором масштабе - отрезок А1-А2, пропорциональный длине первого перегона
Линия
Б1-А2 и есть гидравлический уклон нефтепровода с учетом местных сопротивлений.
Рис 3.
В точке пересечения линии гидравлического уклона
с профилем трассы (точка А2) располагается промежуточная насосная станция НС2.
Восстанавливая из этой точки перпендикуляр и откладывая на нем отрезок А2-Б2,
пропорционально напору магистральных насосов этой станции
получают
точку Б2, из которой проводится прямая А3-Б2 гидравлического уклона
нефтепровода, параллельная прямой А2-Б1. В точке пересечения прямой с трассой
трубопровода находится промежуточная насосная станция НС3. Положение
промежуточных станций НС4 и НС5 определяется аналогично, т.е.
.
Определим возможность использования первого по
ходу (подпорного) насоса для схемы перекачивающей станции, приведенной на рис.
3. Перекачивается реактивное топливо - ТС-1, имеющее плотность ρн=796.081
кг/м3 и кинематическую вязкость ν=1.947·10-6
м2/с, с расходом Q=505.554
м3/ч насосами НПВ 600-60. Принять, что наиболее удаленный резервуар
находится на расстоянии Lc=597
м от подпорного насоса, а остальные величины: zр=5
м, zпн=-1,5
м, kэ=0,014
мм. реактивное топливо - ТС-1 с температурой начала кипения Ткип=4230К
перекачивается при температуре Т=2730К.
Как известно, для нормальной работы насоса
необходимо, чтобы минимальное давление рвх на входе в него
превышало давление рп, при котором происходит парообразование
нефти, на величину, соответствующую разности допустимого кавитационного запаса Δhдоп
и скоростного напора её на входе в насос согласно формуле (2.8). Поэтому
следует проверить, обладает ли установленный подпорный насос необходимой
всасывающей способностью в условиях преодоления потоком дизельного топлива - ДА
местных сопротивлений трубопроводной сети станции.
Величина давления на входе насоса связана с
потерями напора в элементах сети соотношением
где zр=5
м и zпн=-1,5
м - геодезические высоты соответственно днища резервуара и оси входного
патрубка насоса; Нвзл=0,3 м - высота взлива (уровень)
дизельного топлива - ДА в резервуаре; vвх-
скорость дизельного топлива - ДА на входе в насос; D1=0,408
м - диаметр входного отверстия насоса; Σhт
- потери от действия сил трения в трубопроводе; Σhмс
- потери от действия местных сопротивлений в трубопроводе.
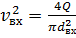
Для определения скорости дизельного топлива - ДА
на входе в насос воспользуемся правилом неразрывности потока, в соответствии с
которым
Где
скорость
дизельного топлива - ДА в трубопроводе.
Потери, обусловленные гидравлическим уклоном i,
определяются коэффициентом гидравлического сопротивления λ,
зависящим
от числа Рейнольдса
где число Рейнольдса для трубопровода равно:
Величина гидравлического уклона согласно (2.13)
а потери напора - Σhт=iLc=5,8·10-3·597=3.454м.
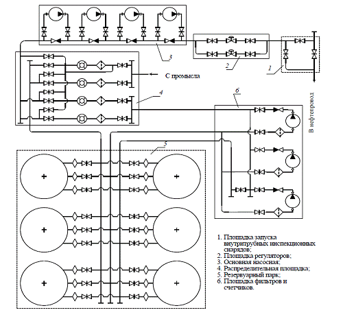
Согласно технологической схеме (см. рис. 4) на
пути реактивного топлива - ТС-1 от резервуара до насоса местные сопротивления
возникают в следующих элементах сети:
на выходе нефти из резервуара;
в однолинзовом компенсаторе;
в шести задвижках;
в четырёх тройниках с поворотом;
в двух отводах на 900;
в двух фильтрах;
на входе в вертикальный насос.
Величины местных сопротивлений являются функцией
числа Рейнольдса и вычисляются через коэффициенты ξ:
- для выхода из резервуара ξрез=0,92;
для однолинзового компенсатора
ξкомп1=0,153+5964/Re=0.153+5964/(160200.407)=0,19;
для полностью открытой задвижки ξзадв=0,15;
для тройника:
- с поворотом ξтр
пов=1,3;
на проход ξтр
пр=1,1;
на слияние ξтр
пр=3;
для отвода на 900
ξ90=0,35+3,58·10-3exp[3,56·10-5(150000-Re)=
=0,35+3,58·10-3exp[3,56·10-5(150000-160200.407)=0,352;
для фильтра:
светлых нефтепродуктов ξтр
пр=1,7;
тёмных нефтепродуктов ξтр
пр=2,2;
на входе в вертикальный насос двустороннего
всасывания
для диффузоров
для конфузоров ориентировочно можно принять
ξконф=
0,5ξдиф.
Для рассчитываемого варианта
ξдиф=0,147Re/(Re-16700)=0,174·160200.407/(160200.407-
16700)=0,144
и ξконф=
0,5ξдиф=0,5·0,144=0,072.
Таким образом, сумма величин местных
сопротивлений
Σξ=0,92+0,19+6·0,15+3+4·1,3+2·0,352+2·1,7+0,072+5=19,387
а суммарные потери от местных сопротивлений
Величина давления на входе в насос по условию парообразования
согласно (2.8)
А соответствующий ему напор
Допустимый кавитационный запас согласно (2.10) и
(2.11)
Δhдоп
н=Δhдоп
в-
kh(Δht-Δhν)=4-1,1·(0,158
- 0,059)=3.891 м,
где Δhдоп
в=4
м - допустимый кавитационный запас по воде (см. табл. 5 Приложения);
где ξ=1, т.к.
согласно (2.15)
Так как величина входного давления,
рассчитанного по формуле (2.14) превышает величину давления по парообразованию
(2.15), всасывающая способность подпорного насоса обеспечивается.
Рис 4.
2.5
РАСЧЁТ ТРУБОПРОВОДА
В задачу технологического расчета трубопроводов
входит определение оптимальных параметров трубопровода (диаметр трубопровода,
давление нагнетания насосных станций, толщина стенки трубы, количество насосных
станций); расположение перекачивающих станций по трассе трубопровода; расчет
режимов эксплуатации трубопровода.
Расчетную толщину стенки трубопровода определяют
по формуле
, (2.16)
где
, (2.17)
где
- напряжения в трубе от продольных
усилий, обусловленных перепадом температур; α=12·10-6 град-1;
Е=2,06·105 МПа - модуль упругости стали; ΔТ - расчётный
температурный перепад; dвн -
внутренний диаметр трубы.
Абсолютные значения величин
положительного и отрицательного перепада определяются по формулам
(2,18)
где μ=0,3 - коэффициент
Пуассона.
Полученное расчётное значение
толщины трубы округляется до ближайшего большего стандартного значения.
Определим толщину стенки
нефтепродуктопровода диаметром 377 мм и длиной 628 км без промежуточных
насосных станций, рассчитанного на рабочее давление р=4.551 МПа.
Температура перекачиваемого нефтепродукта Тн=273 0К.
По табл. 7 Приложения находим, что
для нефтепровода можно использовать бесшовную трубу, изготовленную из стали
марки К55 (σвр=650 МПа, σт=380 МПа).
При этом способе изготовления
согласно таблице k1=1,47. Для
диаметра трубопровода 377 мм k2= 1, а
коэффициент условий работы т0=0,9.
Расчётное сопротивление металла для
стали К55
где k2=1
- коэффициент надёжности по назначению нефтепровода (для труб с Dн≤1000
мм k2=1, при Dн>1000
мм k2=1,05).
Поскольку в нефтепроводе нет промежуточных
перекачивающих насосных станций, то коэффициент надёжности по нагрузке kнагр
=1,15.
Тогда по формуле (2.16), полагая ψ=1, определяется
предварительное расчётное значение толщины стенки трубопровода
Полученное расчётное значение толщины стенки
округляется до ближайшего большего по сортаменту равного, например, δ=0,004
м.
Значения максимального положительного и
максимального отрицательного температурных перепадов по формуле (2.17):
В дальнейшем расчете используется бóльшая
из величин ΔТ=
112.691 град.
Величина продольных осевых сжимающих напряжений
определяется:
Знак минус указывает на наличие напряжений от
осевых сжимающих усилий. Поэтому необходимо скорректировать принятое ранее
значение коэффициента ψ по формуле
(2.17):
Тогда в соответствии с формулой (2.16) расчётная
величина толщины стенки трубопровода:
Таким образом, толщина стенки δ=0,004
м может быть принята как окончательный результат.
нефть резервуарный насос трубопровод
ЛИТЕРАТУРА
1.
Бирюков В.В. Оборудование нефтегазовых производств. Методическое руководство. /
В.В. Бирюков, Н.И. Горлов. - Новосибирск: НГТУ, 2009- 54 с.