Проектирование ЛПДС 'Нурлино' по нефтепроводу 'Нижневартовск-Курган-Куйбышев'
Введение
ЛПДС "Нурлино", входящая в состав
Черкасского НУ, является одной из самых больших нефтеперекачивающих станций в
ОАО "Уралсибнефтепровод им. Д.А. Черняева".
На территории ЛПДС "Нурлино" размещены НПС
нефтепроводов Усть-Балык-Курган-Уфа-Альметьевск (УБКУА),
Нижневартовск-Курган-Куйбышев (НКК) (проектировка которой представлена в данной
курсовой работе), Туймазы-Омск-Новосибирск-1(ТОН-1), предназначенные для приема
и дальнейшей перекачки западносибирских нефтей по магистральным нефтепроводам
УБКУА, НКК и башкирских нефтей по магистральному нефтепроводу ТОН-1.
Нефтепровод "Нижневартовск-Курган-Куйбышев"
Ду1200. Участок обслуживается Черкасским НУ протяженностью 248,2 км, граничит с
Челябинским и Туймазинским НУ, в эксплуатации с 1973 года. Протяженность
трубопровода между ЛПДС "Нурлино" и следующей за ней ЛПДС
"Субхангулово", где размещена промежуточная НПС нефтепровода НКК
составляет 167 км, геометрическая высота нагнетания -28,05 м. Перекачиваемая
нефть - вязкостью от 11,45 до 25,87 сСт, плотностью от 855,0 до 875,3 кг/ м3
. Трасса нефтепровода проходит по пересеченной местности. Нефтепровод
пересекает 24 дорог (авто и железные дороги) и 27 рек и ручьев, в том числе р.
Уфа шириной 180 м, р. Белая шириной 335 м.
На ЛПДС "Нурлино" осуществляются следующие
технологические операции:
прием, учет, перекачка, определение качества
перекачиваемой нефти по нефтепроводам УБКУА, НКК, ТОН - 1, ТОН - 3, ТУ - 1, ТУ
- 3;
компаундирование высокосернистых башкирских нефтей с
западносибирскими.
1. Разработка технологической схемы
ЛПДС "Нурлино" по нефтепроводу НКК
Нефтеперекачивающая станция "Нурлино"
является головной на эксплуатационном участке "Нурлино - Самара"
магистрального нефтепровода НКК и в соответствии с этим выполняет все присущие
ей операции: прием и учет нефти, хранение нефти в резервуарах, перекачка нефти,
внутристанционные перекачки нефти (из резервуара в резервуар), пуск в
магистральный трубопровод очистных и диагностических устройств и их прием с
предшествующих станций.
Для перекачки нефти по нефтепроводу НКК станция
оснащена:
магистральной насосной, оборудованной четырьмя
центробежными насосами НМ 10000-210 с приводом от синхронных электродвигателей
СТДП 8000;
- подпорной насосной с четырьмя вертикальными насосами НПВ 5000-120 с
приводом от электродвигателя BAOB-800L-4У1, находящимися на открытой
площадке;
- резервуарным парком, состоящим из двенадцати резервуаров с понтонами
РВСП-20000. Резервуарный парк служит для обеспечения основного технологического
процесса - надежной и бесперебойной перекачки нефти по магистральному
нефтепроводу;
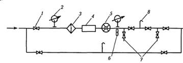
СИКН №20. С помощью СИКН №20 ведется коммерческий учет нефти. СИКН №20
состоит из семи турбинных счетчиков типа МИГ-400 (1000-3300 м3/час,
погрешность измерений 0,15%) и двух турбинных счетчиков RQ-2 (1200-3000 м3/час, погрешность
измерений 0,15%), фильтров тонкой очистки, струевыпрямителей, запорной
арматуры, контрольно - измерительных приборов, установки для поверки счетчиков
- контрольного счетчика. СИКН №20 состоит из девяти линий узла учета нефти.
Полная схема одной из линий узла учета нефти приведена на рисунке 1.1;
-отсекающие задвижки; 2-манометр; 3-фильтр тонкой очистки;
4-струевыпрямитель; 5-турбинный счетчик; 6-термометр; 7-отвод к контрольному
счетчику; 8-контрольный пробоотборник
Рисунок 1.1 - Схема основной и резервной линии узла учета нефти
узлом пуска и приема очистных и диагностических устройств. Схема УППСОД и
узла подключения станции к магистральному нефтепроводу приведена на рисунке
1.2;
1-камера пуска; 2-концевые затворы; 3-камера приема; 4-сигнализаторы;
5-трубопровод для отвода нефти в дренажную емкость; 6-дренажная емкость
Рисунок 1.2 - Схема УППСОД и узла подключения станции к магистральному
нефтепроводу
узлом предохранительных устройств. Принцип работы узла основывается на
сбросе части нефти в резервуары РВСП-20000 №13, 15. Он предназначен для защиты
от повышения давления технологических трубопроводов и арматуры. В состав узла
предохранительных устройств входит одиннадцать предохранительных клапанов типа
СППК 4-250;
камерой регулирующих заслонок. В узле регулирования давления установлены
две регулирующие заслонки "Wanessa"
с Ру=6,3 МПа на суммарную производительность Q=12500 м3/ч, которые обеспечивают необходимое
выходное давление;
- фильтрами-грязеуловителями. Узел фильтров-грязеуловителей необходим для
очистки нефти от механических примесей, грязи и т.д. В состав узла
фильтров-грязеуловителей входит три фильтра-грязеуловителя Ду 700 мм, Ру=4 МПа;
фильтрами-решетками;
технологическими трубопроводами;
- нефтяной лабораторией. Лаборатория осуществляет контроль за качеством
нефти при приёме, хранении и перекачке, то есть там определяют массовую долю
воды, серы в нефти, содержание хлористых солей, механических примесей,
определяют плотность, вязкость и упругость насыщенных паров;
операторной для выполнения задачи управления, регулирования, измерения и
сигнализации;
котельной;
- системой водоснабжения, теплоснабжения, вентиляции,
канализации, пожаротушения, электроснабжения;
ремонтно-механической службой;
корпусом подсобных и вспомогательных помещений с пожарным депо;
корпусом аварийно-ремонтной службы;
складом с площадью для труб;
центральным ремонтно-эксплуатационный блоком.
Технологическая схема ЛПДС "Нурлино" по
нефтепроводу НКК показана в приложении А.
Рассмотрим технологическую схему ЛПДС
"Нурлино" по нефтепроводу НКК.
Нефть с НПС "Черкассы" через узел приема-пуска средств очистки
и диагностики (УППСОД) поступает на блок предохранительных клапанов,
предназначенных для защиты от повышенного давления как трубопровода, так и
объектов станции, затем проходит очистку от механических примесей в блоке
фильтров-грязеуловителей. Очищенная от механических примесей нефть поступает в
подводящий трубопровод. Нефть может быть принята в любой резервуар РВСП-20000
готовый к приему нефти.
Откачка нефти из резервуаров и подача ее в магистральный нефтепровод
осуществляется следующим образом. Нефть из резервуара по технологическому
нефтепроводу поступает в приемный коллектор подпорных насосных агрегатов. Далее
нефть подпорными агрегатами через выкидной коллектор подается на приемные
коллектора узла учета нефти СИКН № 20. Каждая из замерных ниток по ходу
движения нефти имеет отсекающую задвижку на входе, фильтр, счетчик и
отключающую задвижку на выходе. Далее нефть из узла учета поступает в приемный
коллектор магистральной нефтяной насосной станции.
Для того чтобы рабочее давление не превышало допустимое давление, перед
выходом нефти в магистральный нефтепровод установлен узел регуляторов давления.
После узла регуляторов давления нефть направляется в УППСОД и далее в
магистральный нефтепровод.
На ЛПДС "Нурлино" могут быть использованы
следующие системы перекачки нефти: постанционная и с "подключенным
резервуаром". При постанционной системе перекачки нефть принимают
поочередно в один из резервуаров станции, для закачки же в трубопровод в это
время используют нефть из другого резервуара. При этой системе перекачки
возможен порезервуарный учет количества перекаченной нефти. В системе перекачки
с "подключенным резервуаром" предусматривается, что основное
количество нефти проходит по трубопроводу, минуя резервуар. Преимуществом
системы перекачки с "подключенным резервуаром" является уменьшение
потерь нефти от "больших дыханий" резервуара.
2. Компоновка насосного цеха
2.1 Основная насосная
Помещение магистральных насосных агрегатов предназначается для размещения
основного технологического оборудования и создания нормальных условий для его
работы.
Насосный цех стационарного типа сооружен из огнестойких материалов
(кирпич, бетон, железобетон). Фундамент насосного цеха выполнен в виде
одиночных ленточных (сплошных) железобетонных фундаментов. По конструкции
фундаменты под основные насосные агрегаты и электродвигатели массивные.
Фундамент под основной насос и электродвигатель общий и не соединен с
фундаментом здания.
Компоновка насосного цеха приведена в приложении Б.
Насосный зал относится к взрывоопасным помещениям класса В-1А категории,
где установлены четыре основных насоса марки НМ 10000-210 с приводом от электродвигателя
СТДП - 8000 (во взрывобезопасном исполнении), система вентиляции, блок откачки
утечек, мостовой кран во взрывобезопасном исполнении грузоподъемностью 20 тонн,
а так же блок централизованной маслосистемы с аккумулирующим баком.
Насосные агрегаты обвязываются трубопроводами-отводами изогнутой формы,
которые соединяют их приёмные и напорные патрубки с общим коллектором. В
технологической обвязке насосов применяют трубы Dу=1220-12 мм. В общем здании насосного цеха уложены
трубопроводные коммуникации вспомогательных систем, а также сооружены площадки
для обслуживания оборудования с соответствующими ограждениями и лестницами. При
прохождении трубопроводов через разделительную стенку смонтированы специальные
герметизирующие фрамуги.
Компоновка оборудования и технологическая обвязка в цехе и вне его
обеспечивает:
самотечное отведение утечек от торцевых уплотнений насосов в
резервуар-сборник нефти ЕП-40;
- подачу нефти погружными насосами на всасывающую линию магистральных
насосов из емкости сбора утечек ЕП-40;
- подачу под напором масла к насосным агрегатам и самотечное отведение
его в масляные баки, установленные на глубине 1,7 м в специальном приемнике.
2.2 Характеристика вспомогательных систем насосного цеха
Для обеспечения нормальных условий работы магистральных насосов и
электродвигателей по действующим стандартам предусмотрены следующие
вспомогательные системы:
система сбора и откачки утечек от торцевых уплотнений;
централизованная система смазки и охлаждения подшипников магистральных
насосных агрегатов;
аппараты воздушного охлаждения масла;
- аппараты воздушного охлаждения электродвигателей;
система подготовки и подачи сжатого воздуха;
система контроля и защиты насосных агрегатов;
система вентиляции;
система пожаротушения.
.2.1 Система сбора утечек насосного цеха
Система сбора утечек предусматривается для
приема капельных утечек от торцов, возникающих в процессе эксплуатации, а также
на случай возникновения на насосах аварийных ситуаций: образования щелей или
полного раскрытия их торцов. Отвод утечек осуществляется в специальный сборник,
размещаемый вне помещения насосов. В этом сборнике должен постоянно сохраняться
незаполненный объем емкости, достаточный для приема максимальных утечек,
образующихся при раскрытии торцов за время закрытия задвижек на основных
трубопроводах-отводах насоса, на котором возникла неисправность торцов. Отвод
утечек нефти осуществляется в подземные емкости объемом 40 м3. Для
дренажа магистральных насосов применяется дренажный поддон конструкции
"Гипротрубопровода". Поддон предназначен для сбора нефти при проливах
с последующим отводом собранной нефти в коллектор утечек.
.2.2 Система разгрузки торцовых уплотнений
Система разгрузки торцов насосов осуществляется
путем отвода части перекачиваемой нефти после лабиринтных уплотнений валов в
приемный коллектор ЛПДС или в отдельно стоящий сборник нефти ударной волны и
разгрузки. Отвод разгрузочной нефти от торцовых уплотнений насосов в сборник
нефти ударной волны и разгрузки по защитному контуру производится при
срабатывании предохранительного клапана лишь в отдельных случаях, когда
давление в приемном коллекторе ЛПДС поднимается выше 2,5 МПа допустимого по
прочности торцов. Отвод нефти из разгрузочных устройств предусмотрен во
всасывающий трубопровод насосной. В случае повышения давления в трубопроводе
насосной нефть направляется в подземную емкость.
.2.3 Система маслоснабжения
Маслосистема предназначена для смазки и охлаждения
подшипников основных насосных агрегатов по перекачке нефти (насос НМ 10000-210,
электродвигатель СТДП-8000).
Перед пуском насосных агрегатов необходимо осуществить
подачу масла на подшипники скольжения и проконтролировать поступление масла
визуально через смотровые окна в линии слива с целью предотвращения
"сухого" запуска агрегатов, что может привести к выплавлению
баббитовых вкладышей подшипников и выходу насосных агрегатов из строя.
Подача масла на подшипники осуществляется насосами
РЗ-30, Ш-40, связанных по системе АВР, то есть при аварийном отключении одного
из насосов, автоматически включается другой. Забор масла производится из двух
маслобаков, емкостью по 2,0 м3 каждый. Во время эксплуатации из двух
емкостей одна рабочая, другая резервная, что обеспечивает быстрый ввод другого
бака в работу без заполнения ее свежим маслом. Насос РЗ-30, Ш-40 подает масло на
сетчатый фильтр, который может работать, как параллельно, так и в случае
ремонта или промывки одного из них, одним элементом. После фильтра масло
поступает в установку маслоохлаждения состоящую из трех воздушных
маслоохладителей (секций АВОМ) работающих по одному, по две и по три в
зависимости от температуры наружного воздуха и от температуры масла на выходе
из воздушных холодильников. После маслоохладителей масло поступает на
подшипники насосных агрегатов. Необходимо следить, чтобы вентили на входе масла
к подшипникам действующих насосов и электродвигателей были полностью открыты, а
ремонтируемые закрыты. Масло с подшипников самотеком по линии слива
возвращается обратно в масляные баки емкостью 2,0 м3. Задвижки
рабочего бака сливной трубы должны быть открыты, а резервные закрыты для
аварийной подачи масла в случае отключения электроэнергии служит аккумулирующий
бак емкостью 0,5 м3, который расположен под потолком. С
аккумулирующего бака лишнее масло по линии перетока перетекает обратно в
рабочий бак. Этим в аккумулирующем баке все время поддерживается атмосферное
давление, а при остановке и включении в работу аккумулирующего бака играет роль
воздушника.
При работе маслосистемы происходит потери масла,
которые восполняются насосом РЗ-4,5А из бака хранения масла емкостью 5 м3,
расположенного за пределами зала. Кроме того имеется вывод для наполнения 2 м3
емкости из бочек или автоцистерны при помощи гибкого рукава. При работе
агрегатов необходимо помнить, что в маслосистеме находится около 2 м3
масла и пополнение масляных баков производить из расчета, чтобы масло в случае
остановки насосов смогло перелиться в приямок, то есть в масляном баке не
должно быть масла более 2 м3 при работающих агрегатах.
.2.4 Система вентиляции помещений насосной станции
В общественных зданиях применяется приточно-вытяжная
вентиляция с приточной камерой расположенной в подвале, и вытяжной камерой
расположенной на чердаке.
Приточные системы механической вентиляции состоят из
следующих конструктивных элементов:
воздухоприемного устройства, через которое наружный
воздух поступает в приточную камеру;
приточной камеры с оборудованием для обработки воздуха
и подачи его в помещения;
сети каналов и воздуховодов, по которым воздух
вентилятором распределяется по отдельным вентилируемым помещениям;
приточных отверстий с решетками;
регулирующих устройств в виде дроссель-клапанов,
устанавливаемых в воздухоприемных устройствах, на ответвлениях воздуховодов и в
каналах.
Вытяжные системы механической вентиляции состоят из
следующих элементов:
жалюзийных решеток и специальных насадков, через
которые воздух из помещений поступает в вытяжные каналы;
вытяжных каналов, по которым воздух, извлекаемый из
помещений, транспортируется в сборный воздуховод;
сборных воздуховодов, соединенных с вытяжной камерой;
вытяжной камеры, в которой установлен вентилятор с
электродвигателем;
оборудования для очистки воздуха, если удаляемый
воздух сильно загрязнен;
вытяжной шахты, служащей для отвода в атмосферу
воздуха, извлекаемого из помещений;
регулирующих устройств (дроссель-клапанов ).
Блок приточных и подпорных вентиляторов обеспечивает
подачу воздуха в нефтенасосную и корпуса электродвигателей.
В блоке установлены:
два приточных вентилятора для обеспечения
воздухообмена и обогрева помещения нефтенасосной;
два подпорных вентилятора для создания избыточного
давления воздуха в корпусе электродвигателя;
водяные калориферы на каждый вентилятор, через которые
засасывается воздух из вентиляционных камер, для подогрева воздуха;
тепловой узел для распределения тепла.
На ЛПДС "Нурлино" вентиляционная система
включает по два радиальных вентилятора типа Ц 4-70, рабочий и резервный.
Оборудование вентиляционных систем работает
автоматически. В случае аварийной остановки включается резервный вентилятор.
При остановке обоих подпорных или приточных вентиляторов аварийно отключается
вся станция.
Для очистки воздуха от пыли при его запыленности более
0,2 мг/м3 установлены фильтры ячейковые типа ФЯВ. Подаваемый воздух
подогревается до 10°С (в холодный период года) в калориферных установках.
Создание необходимых режимов работы системы
обеспечивается воздушной регулировочной заслонкой с электроприводом,
установленной на воздухозаборе. Частично закрытое положение заслонки
соответствует режиму "продувка", полностью открытая - режимам "закрытие
клапана" и "подпитка".
В настоящее время на нефтеперекачивающей станции
Нурлино в общественных и производственных зданиях устраивают механическую
вентиляцию, в которой воздух перемещается по сети воздуховодов и другим
элементам системы с помощью центробежных и осевых вентиляторов, приводимых в
действие электродвигателями.
2.2 Подпорная насосная
Для нормальных условий эксплуатации магистральных центробежных насосов
абсолютное давление перекачивающей жидкости на входе должно превышать давление
насыщенных паров. При нарушении этого условия перекачка жидкости прекращается.
Если же это произойдет внутри рабочих органов насоса, то возникает явление
кавитации, приводящее к разрушению лопаток насоса. Поэтому для надежной и
безотказной работы магистральных центробежных насосов требуется обеспечение
необходимого подпора, который создается вспомогательными подпорными насосами.
Чтобы обеспечить заполнение насосов нефтью и увеличить величину напора во
всасывающей линии, подпорные насосы заглубляют.
На подпорной насосной станции НКК используются насосы типа НПВ 5000-120,
техническая характеристика которых приведена в таблице 3.2.
Подпорные агрегаты смонтированы на открытой части площадки по типу
"погружные", не имеют капитального здания и не требуют
вспомогательных систем (приточно-вытяжной вентиляции, принудительной системы
смазки) кроме системы сбора утечек.
Подпорными насосными агрегатами нефть откачивается из резервуаров
подаётся на приём магистральной насосной.
3. Расчет и регулирование режимов работы НПС
.1 Гидравлический расчет трубопровода и построение его характеристики
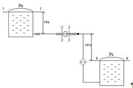
3.1.1 Гидравлический расчет трубопровода
Находим потребный напор:
, (1.1)
где
Eн -
энергия на нагнетании насоса;
Eв - энергия на входе в насос;
z2,z3 -
нивелирные высоты соответственно в 2-2 и 3-3 сечениях;
p2, p3 -
давления в 2-2 и 3-3 сечениях;
ρ - плотность перекачиваемой жидкости;
g - ускорение
свободного падения;
α2,α3 -
коэффициенты Кориолиса в 2-2 и 3-3 сечениях;
v2,v3 -
скорости жидкости в 2-2 и 3-3 сечениях.
Уравнение
Бернулли для сечений 1-1 и 2-2
. (1.2)
Уравнение
Бернулли для сечений 3-3 и 4-4
. (1.3)
Из уравнений (1.1), (1.2), (1.3) получим:
где
Нгн - геометрическая высота нагнетания;
Нгв
- геометрическая высота всасывания;
- потери
напора во всасывающем и нагнетательном трубопроводе;к - давление на
входе в промежуточную станцию;н -давление на выходе из резервуара.
Рисунок 1 - Схема перекачки
.1.2 Гидравлический расчет всасывающей линии
Характеристика всасывающего трубопровода:
Dв=1220х12 мм;
lв=600м;
Q=9500м3/ч.
Определяем скорость движения жидкости в трубопроводе
(1.5)
Находим
число Рейнольдса:
(1.6)
режим
течения турбулентный, т.к. Reв>2320
следовательно коэффициент Кориолиса α = 1.
Находим
критические значения числа Рейнольдса
Выбираем
коэффициент шероховатости для сварных стальных труб после нескольких лет эксплуатации
кэ =
,м.[1,табл 5.2]
; (1.7)
. (1.8)
Так
как Re <Re1 - зона
гидравлически гладких труб.
Коэффициент
гидравлического сопротивления трубопровода:
(1.9)
Потери
напора во всасывающем трубопроводе:
, (1.10)
где
-потери на местных сопротивлениях;
-потери
на трение в трубе;
- длина
трубы.
Находим
сумму местных сопротивлений
, (1.11)
где
- для полностью открытой задвижки. [1, 154]
для
отвода 90о. [1, 153]
- фильтр
для темных нефтепродуктов. [1, 154]
-
тройник с поворотом. [1, 154]
- тройник
на слияние. [1, 154]
для
двухлинзового компенсатора. [1, 153]
для
конического диффузора. [1, 154]
- для
конфузорa. [1, 154]
- для
выхода из резервуара с хлопушкой, [1, 154]
- для
входа в насос двухстороннего всасывания. [1, 154]
По
формуле (1.11) находим сумму местных сопротивлений
По
формуле (1.10) рассчитываем потери в трубе
.
Аналогично
для 6 точек расхода находим v, Re, λ, h1-2
(таблица 1.1).
Таблица
1.1 - Гидравлический расчет всасывающего трубопровода
|
Q, м3/ч
|
V,м/с
|
Re
|
Re1
|
Re11
|
Режим/ зона трения
|
λ
|
h1-2,м
|
|
0
|
0
|
0
|
80533
|
4026667
|
-
|
0
|
0
|
|
2000
|
0,485
|
12205
|
|
|
Гидравлически гладкие трубы
|
0,0301
|
1,103
|
|
4000
|
0,970
|
24411
|
|
|
Гидравлически гладкие трубы
|
0,0253
|
4,094
|
|
6000
|
1,455
|
36616
|
|
|
Гидравлически гладкие трубы
|
0,0229
|
8,807
|
|
8000
|
1,940
|
48821
|
|
|
Гидравлически гладкие трубы
|
0,0213
|
15,197
|
|
9500
|
2,304
|
57975
|
|
|
Гидравлически гладкие трубы
|
0,0204
|
21,089
|
|
10000
|
2,425
|
61027
|
|
|
Гидравлически гладкие трубы
|
0,0201
|
23,263
|
|
12000
|
2,910
|
73232
|
|
|
Гидравлически гладкие трубы
|
0,0192
|
33,016
|
3.1.3 Гидравлический расчет нагнетательной линии
Характеристика нагнетательного трубопровода:
Dн=1220х15,2 мм;
Lн=148м;
Q=9500м3/ч.
(1.14)
Находим
число Рейнольдса
(1,15)
режим течения турбулентный, т.к. Reн>2320, следовательно коэффициент Кориолиса α
= 1.
Находим критические числа Рейнольдса
Выбираем
коэффициент шероховатости для сварных стальных труб после нескольких лет эксплуатации
кэ =
, м. [1,табл 5.2]
; (1,16)
. (1,17)
Так
как Re <Re1 - зона
гидравлически гладких труб.
Коэффициент
гидравлического сопротивления
(1,18)
Потери
напора на трение на нагнетательном трубопроводе
(1,19)
Суммарные
потери напора на нагнетательном трубопроводе с учетом местных сопротивлений
. (1,20)
Аналогично
для 6 точек расхода находим v, Re, λ, hтр, h3-4 (таблица
1.2).
Таблица 1.2 - Гидравлический расчет нагнетательного трубопровода
|
Q, м3/ч
|
V,м/с
|
Re
|
Re1
|
Re11
|
Режим/ зона трения
|
λ
|
hтр.,м
|
h3-4,м
|
|
0
|
0
|
0
|
80320
|
4016000
|
-
|
0
|
0
|
0
|
|
2000
|
0,488
|
12237,75
|
|
|
Гидравлически гладкие трубы
|
0,0301
|
44,77284
|
45,6683
|
|
4000
|
0,975
|
24475,5
|
|
|
Гидравлически гладкие трубы
|
0,0253
|
150,5973
|
153,6092
|
|
6000
|
1,463
|
36713,26
|
|
|
Гидравлически гладкие трубы
|
0,0229
|
306,18
|
312,3036
|
|
8000
|
1,950
|
48951,01
|
|
|
Гидравлически гладкие трубы
|
0,0213
|
506,5469
|
516,6778
|
|
9500
|
2,316
|
58129,32
|
|
|
Гидравлически гладкие трубы
|
0,0204
|
684,2715
|
697,957
|
|
10000
|
2,438
|
61188,76
|
|
|
Гидравлически гладкие трубы
|
0,0201
|
748,5351
|
763,5058
|
|
12000
|
2,925
|
73426,51
|
|
|
Гидравлически гладкие трубы
|
0,0192
|
1029,863
|
1050,46
|
1.4. Определение потребного напора
По формуле (1.4) определяем потребный напор
Таблица
1.3 - Зависимость потребного напора от расхода
|
Q, м3/ч
|
0
|
2000
|
4000
|
6000
|
8000
|
9500
|
10000
|
10000
|
|
H, м
|
-27,400
|
19,371
|
130,303
|
293,711
|
504,475
|
691,646
|
759,369
|
1056,076
|
Аналогично для 6 точек расхода находим потребный напор Н и заносим в
таблицу 1.3 затем строим характеристику трубопровода (рис. 1.2).
3.2 Проверка всасывающей способности
3.2.1 Проверка всасывающей способности
насоса НМ 10000-210
Центробежные насосы обеспечивают широкую область подач и давлений;
соотношение между основными параметрами весьма разнообразны. Однако по условиям
работы насоса, на стороне всасывания могут быть установлены ограничения. Это
обусловлено возможностью возникновения в некоторых зонах всасывающего тракта
насоса особого явления называемого кавитацией.
Сущность кавитации заключается в образовании разрывов в сплошности
(каверн) в тех местах потока, где давление снижается до величины,
соответствующей давлению насыщенного пара при данной температуре жидкости.
Кавитация вредна не только потому, что она влечет за собой разрушение металла,
но также и потому, что у машины в режиме кавитации резко снижается к.п.д.
Надежность работы насоса может быть обеспечена только при допустимой
высоте всасывания.
Расчет бескавитационных условий всасывания центробежного насоса НМ
10000-210 осуществляется по следующей методике:
Составим уравнение Бернулли на всасывающий
трубопровод и определим сумму гидравлического и скоростного напора на
всасывание.
Определим
кавитационный запас

РН.П. - давление насыщенных паров;
- потери
напора на всасывающем трубопроводе.
Проверим всасывающую способность насоса
- для НМ-10000-210,
так
как
м< 65 м, то располагаемый кавитационный запас
меньше допустимого, который определяется по характеристике насоса, для
безкавитационной работы насоса необходимо установить подпорный насос, на данной
насосной станции установлены параллельно три подпорных насоса НПВ 5000-120.
.2.2 Проверим
всасывающую способность насоса НПВ 5000-120
- для НПВ 5000-120.
Так
как
м> 5м, то располагаемый кавитационный запас, больше
допустимого, который определяется по характеристике насоса, всасывание насоса
обеспечивается.
3.3
Пересчет характеристики насосов с воды на перекачиваемый продукт
.3.1
Пересчет характеристики насоса НМ 10000-210
По
рис 3.2 находим характеристики насоса: Hв, ηв, Nв, и заносим в таблицу 3.4.
Рисунок 3.2 - Характеристика насоса НМ 10000-210
Таблица 3.4 - Характеристики насоса при
работе на воде
|
МН 10000-210
|
|
Qв, м3/ч
|
Hв, м
|
ηв, %
|
Nв, кВт
|
|
0
|
338
|
0
|
4000
|
|
2000
|
318
|
40
|
4300
|
|
4000
|
287
|
62
|
4875
|
|
6000
|
266
|
80
|
5625
|
|
8000
|
249
|
87
|
6200
|
|
10000
|
215
|
89
|
6400
|
|
11500
|
183
|
90
|
6350
|
Коэффициент быстроходности насоса
где
Qв.опт., Н
в.опт - подача и напор насоса при работе на воде с максимальным КПД;
i - число сторон
всасывания;
j - число
ступеней насоса.
Определим
число Рейнольдса для насоса НМ 1000-210
,
где
n - число оборотов ротора в сек.
Определим
переходное число Рейнольдса
Сравним
и
:
>
(
>59857), следовательно пересчет напора и подачи
требуется.
3.3.2 Пересчет характеристики насоса НПВ 5000-120
По рис 3.3 находим характеристики насоса: Hв,
ηв, Nв, и заносим в таблицу 3.5.
Рисунок 3.3 - Характеристика насоса НПВ 5000-120
Таблица 3.5 Характеристики насоса при
работе на воде
|
НПВ 5000-120
|
|
Qв, м3/ч
|
Hв, м
|
ηв, %
|
Nв, кВт
|
|
0
|
112
|
0
|
1000
|
|
1000
|
114
|
45
|
1080
|
|
2000
|
115
|
60
|
1300
|
|
3000
|
112
|
77
|
1500
|
|
4000
|
104
|
82
|
1710
|
|
5000
|
92
|
83
|
1910
|
|
5200
|
87
|
82
|
2000
|
Коэффициент быстроходности насоса
где
Qв.опт., Н
в.опт - подача и напор насоса при работе на воде с максимальным КПД;
i - число сторон
всасывания;
j - число
ступеней насоса.
Определим
число Рейнольдса для насоса НМ 5000-120
,
где
n - число оборотов ротора в сек.
Определим
переходное число Рейнольдса
Сравним
и
:
>
(
>72317), следовательно пересчет напора и подачи
требуется.
.4 Расчет совмещенной характеристики трубопровода и насосов
Совмещенная характеристика
трубопровода и насосов (рисунок 3.4) представляет собой пересечение графика зависимости напора
насоса от подачи Н= f(Q) и графика зависимости потребного напора трубопровода от расхода
Нпотр = f(Q).
Рисунок 3.4 - Совмещенная характеристика трубопровода и насосов
3.5 Возможные
варианты регулирования подачи, расчет, графические построения
В данном пункте подача будет регулироваться четырьмя способами:
путем дросселирования;
путем байпасирования;
- путем
изменения числа оборотов вала насоса;
- путем
изменения диаметра рабочего колеса (обточка рабочего колеса).
3.5.1 Регулирование путем дросселирования
Регулирование дросселированем в напорном трубопроводе
производиться путем частичного закрытия задвижки выкидной линии. Изменяя
положение шибера задвижки, можно получить любую подачу от 0 до подачи,
соответствующей максимальному значению КПД (или близкому к максимальному) QА . Следовательно снижение подачи менее QА уменьшает КПД агрегата, поэтому при регулировании
дросселированием необхдимо учитывать его экономичность. Несмотря на его низкую
экономичность, этот метод регулирования широко применяется на практике, т.к. он
весьма прост и надежен. Введение дополнительного сопротивления в нагнетательный
трубопровод увеличивает крутизну характеристики трубопровода, при этом рабочая
точка из т. А перемещается в т. N. Подача при
этом снижается. Однако сопротивление самой трубы остается неизменным и поэтому
для перекачки заданного количества жидкости достаточно иметь напор HМ . Избыточный напор, развиваемый насосами при данной подаче:
, (где HN и HМ напоры в
рабочей и режимной, режимной точках N и М
соответственно), расходуется на дроссельном устройстве. Эта энергия переходит в
тепло и рассеивается в окружающую среду. Для оценки этого способа регулирования
вводится понятие КПД дросселирования как отношение потребного напора при
расходе QМ к напору насоса при этой же подаче, т.е :
.
Полный КПД этого способа
,
где
- КПД насоса в режимной точке.
Отсюда следует весьма низкая экономичность
этого метода регулирования, поэтому его рекомендуется принимать лишь тогда,
когда потери энергии на дросселирование не превышают 2% затрат энергии на
перекачку. Для насосов такое регулирование можно производить задвижкой только
на нагнетательной линии, так как закрытие задвижки всасывающей линии может
привести к кавитации.
КПД этого способа регулирования:
HN и HМ напоры в рабочей и
режимной, режимной точках N и М соответственно, определяем по совмещенной характеристике
группы насосов и трубопровода (Приложение Г):
КПД этого способа регулирования
НПОТР=691,646;
Нм =780м.
>Δηдоп=2%,
следовательно
применение дросселирования нецелесообразно.
Способ регулирования путем дросселирования представлен на рисунке
3.5.
.5.2 Регулирование путем байпасирования
Данный метод регулирования заключается в перепуске части
жидкости через байпас обратно во всасывающую линию насоса.
Открытие задвижки на байпасе снижает внешнее сопротивление и
характеристика трубопроводной системы изобразиться кривой с рабочей точкой N, подачей QN и развиваемый напором HN. Так как сама труба не
изменилась, то при данном напоре она будет пропускать жидкость в количестве QN. Разность равная ∆Qб, будет циркулировать
через байпас. Отсюда следует весьма низкая эффективность данного метода
регулирования, так как на перекачку жидкости в объеме ∆Qб бесполезно затрачивается
большое количество электроэнергии. В практике регулирования применяется весьма
редко.
КПД байпасирования
, т.к
.
Полный КПД этого способа
,
где
- КПД насоса при подаче QN;
Снижение КПД
КПД этого способа регулирования:
QN и QМ рабочая
и режимная, режимная подачи в точках N и М
соответственно, определяем по совмещенной характеристике группы насосов и
трубопровода:
QН =10500 м3/ч;
QПОТР=9600
м3/ч.
КПД этого способа регулирования.
>Δηдоп=2%,
следовательно
применение байпасирования нецелесообразно.
Регулирование
путем байпасирования представлен на рисунке 3.6.
Рисунок 3.6 - Регулирование путем байпасирования
3.5.3 Регулирование изменением числа оборотов вала насоса
Изменение частоты вращения вала - прогрессивный и экономичный метод
регулирования, позволяющий полностью исключить обточку рабочих колес.
Согласно теории подобия центробежных насосов параметры их работы при
измени частоты вращения вала связаны соотношениями:
Строим параболу подобия Н=СQ2
|
Q, м3/ч
|
0
|
3000
|
6000
|
9000
|
12000
|
|
Н, м
|
0
|
19,446
|
77,784
|
175,014
|
311,136
|
Парабола
пересекает напорную характеристику насоса в точке B,
при n
=3000 об/мин, Q
при n
.
Из
выражений приведённых выше найдём число оборотов вала центробежного насоса в
минуту n
.
n
=
По
формулам
и
пересчитаем
напорную характеристику НМ при числе оборотов в минуту n
=3000 об/мин на число оборотов n2=2864,32 об/мин.
Пересчет
точку E,
Аналогично
4 точки. Результаты расчетов занесены в таблицу
|
Q, м3/ч
|
Н, м
|
|
0
|
308,118
|
|
2864,32
|
278,036
|
|
5728,64
|
242,484
|
|
8592,96
|
198,727
|
|
10979,89
|
166,821
|
Данный метод регулирования является самым эффективным, так как при
изменении числа оборотов вала насоса, КПД насоса при этом не меняется.
График регулирования путем изменения числа оборотов представлен на
рисунке 3.7.
.5.4 Регулирование обточкой рабочего колеса
Применение обточки рабочего колеса получило широкое распространение. При
этом способе регулирования в насосах, имеющих направляющие аппараты, срезают
только лопатки, а в насосах спирального типа обтачивают на меньший диаметр как
диски, так и лопатки. Уменьшение диаметра рабочего колеса дает новый
треугольник скоростей на выходе, в котором направления абсолютной и
относительной скоростей сохраняются, а величины уменьшаются соответственно
отношению диаметров рабочих колес D21/D22. Экспериментально установлены
следующие соотношения параметров:
,
где Q1, H1- подача и напор с не обточенным
диаметром рабочего колеса D21;
Q2, H2- подача и напор с обточенным диаметром рабочего колеса D22.
В
пересчете характеристики, аналогично предыдущему методу вводиться понятие
параболы обточки, для всех точек которой справедливы вышеизложенные
экспериментальные формулы.
-
коэффициент параболы обточки.
-
парабола обточки, которая пересекает характеристику с не обточенным рабочим
колесом. Существует допускаемый процент обточки рабочего колеса. Он называется
- допускаемая степень обточки δ:
.
Допускаемая
степень обточки зависит от коэффициента быстроходности ns:
при
60< ns <120 δдоп=20%;
при
120< ns <200 δдоп=15%;
при
200< ns <300 δдоп=10%.
При
пересчете характеристик с одного диаметра рабочего колеса на другой считается,
что КПД агрегата уменьшается на 1% на каждые 7…10% обточки при быстроходности ns =60…120 и
на 1% на каждые 4% обточки при
ns =200…300,
т.е. во всех случаях обточки КПД падает не более чем на 3%.
При обточке рабочих колёс нарушается геометрическое подобие, в результате
чего масштабный коэффициент kl не равняется единице и изменяются углы α, β. экспериментально установлено
соотношение параметров:
Строим параболу обточки Н=СQ2
|
Q, м3/ч
|
0
|
3000
|
6000
|
9000
|
12000
|
|
Н, м
|
0
|
19,446
|
77,784
|
175,014
|
311,136
|
Парабола пересекает напорную характеристику насоса в точке B,
Q
при D21=495мм, Q
при D22.
Из
выражений приведённых выше найдём новый диаметр рабочего колеса центробежного
насоса D22, мм.
D22 =
По
формулам
и
пересчитаем
напорную характеристику НМ с диаметром рабочего колеса D21=495мм на диаметр рабочего колеса D21= 472,613м.
Пересчет
точку E,
Аналогично
4 точки. Результаты расчетов занесены в таблицу
|
Q, м3/ч
|
Н, м
|
|
0
|
308,118
|
|
2864,32
|
278,036
|
|
5728,64
|
242,484
|
|
8592,96
|
198,727
|
|
10979,89
|
166,821
|
Существует допущение процента обточки колеса. Допустимая степень обточки δ
зависит от коэффициента
быстроходности: для магистральных насосов с 60<nS<120,
δ=20%; для насосов
с 120<nS<200,
δ=15%; для насосов
с nS>200,
δ=10%.
Определим степень обточки рабочего колеса δ
Для
насоса НМ 10000-210 nS=233,929 об/мин, Это соответствует
120<233,929<200, δ=15%.
Сравниваем реальную степень обточки с
допустимой: 4,523<15, следовательно, применение этого метода регулирования
возможно.
Регулирование
обточкой рабочего колеса представлено на рисунке 3.8.
4. Эксплуатация насосных агрегатов
Агрегаты нефтяные электронасосные центробежные магистральные типа
"НМ" на подачи 1250-12500 м3/час предназначены для
транспортирования по магистральным трубопроводам нефти с температурой от -5 0С
до + 80 0С, с кинематической вязкостью не более 3 см2/с,
с содержанием механических примесей по объему не более 0,05% и размером не
более 0,2 мм.
Насосы изготовлены по I
группе надежности ГОСТ 6134-87 в климатическом исполнении УХЛ, категории
размещения 4 ГОСТ 15150-69.
В условном обозначение электронасосных агрегатов, например НМ 10000-210
цифры и буквы обозначают:
"НМ" - насос магистральный;
- подача, м3/час;
- напор, м.
Основные технические параметры насосов приведены в приложение М.
По согласованию с заказчиком могут поставляться со сменными роторами со
следующими параметрами (таблица 4.1).
Таблица 4.1 - Характеристика сменных роторов на магистральные насосы
|
Обозначение типоразмеров
|
Подача, % от номинальной
|
|
50
|
70
|
125
|
|
Частичные подачи, м3/час
|
|
НМ 1250-260
|
-
|
900
|
1565
|
|
НМ 2500-230
|
1250
|
1800
|
3150
|
|
НМ 3600-230
|
1800
|
2500
|
4500
|
|
НМ 5000-210
|
2500
|
3500
|
-
|
|
НМ 7000-210
|
3500
|
5000
|
8750
|
|
НМ 10000-210
|
5000
|
7000
|
12500
|
4.1 Устройство и принцип работы
Электронасосный агрегат состоит из насоса и приводного двигателя. С 4
насосными агрегатами поставляемыми на одну насосную станцию комплектно
отправляются маслоустановка, насосы откачки утечек, автоматика и КИП.
.1.1 Насос центробежный нефтяной магистральный
Принцип действия насоса заключается в преобразовании механической энергии
в гидравлическую за счет взаимодействия жидкости с рабочими органами.
Насос центробежный горизонтальный, одноступенчатый, спирального типа, с
рабочим колесом двухстороннего входа, с подшипниками скольжения с
принудительной смазкой. Базовой деталью насоса является корпус. С
горизонтальной плоскостью разъема и лапами, расположенными в нижней части.
Нижняя и верхняя части соединяются шпильками с колпачковыми гайками.
Горизонтальный разъем корпуса уплотняется паронитовой прокладкой и по контуру
закрывается щитками. Входной и напорный патрубки расположены в нижней части
корпуса и направлены в противоположные стороны. Ротор насоса состоит из вала, с
насаженными на него рабочим колесом, защитными втулками, дистанционными
кольцами и крепежными деталями. Правильная установка ротора в корпус в осевом
направлении достигается подгонкой толщины дистанционного кольца. Направление
вращения ротора - по часовой стрелке если смотреть со стороны привода. Опорами
ротора служат подшипники скольжения. Центровка ротора насоса в корпусе
производится перемещением корпусов подшипников с помощью регулировочных винтов,
после чего корпуса подшипников штифтуются. При перезаливке или замене
вкладышей, следует центровку ротора произвести заново.
Смазка подшипников - принудительная. Количество масла, подводимое к
подшипникам, регулируется с помощью дроссельных шайб, устанавливаемых на
подводе масла к подшипникам. В случае аварийного отключения электроэнергии для
подачи масла к шейкам вала предусмотрены смазочные кольца. Осевое усилие ротора
воспринимают два радиально-упорных подшипника. Концевые уплотнения ротора -
механические, торцовые, гидравлически разгруженные. Конструкция торцевого
уплотнения допускает разборку и сборку насоса без демонтажа крышки и корпусов подшипников.
Герметизация торцовых уплотнений обеспечивается действием пружин, создающим
плотный контакт неподвижного и вращающихся колец. В насосе предусмотрена
система охлаждения концевых уплотнений за счет прокачивания жидкости импеллером
через камеру торцового уплотнения. Жидкость забирается из подвода через
отверстие в корпусе насоса и сбрасывается в подвод в сторону рабочего колеса.
Импеллерные втулки имеют различную винтовую нарезку: левую - со стороны
двигателя и правую - со стороны опорно-упорного подшипника. Разрез и
характеристика насоса представлена на рисунке 4.1.
Рисунок 4.1 - Разрез и характеристика насоса НМ 10000-210
.1.2 Двигатель
В качестве привода насоса, по требованию заказчика, могут быть применены
двигатели:
синхронный, в обычном исполнении типа СТД-2;
синхронный, во взрывозащищенном исполнении типа АТД-4 (4АЗМП или 4АРМП);
синхронный, во взрывозащищенном исполнении типа СТДП;
асинхронный, во взрывозащищенном исполненииа типа АТД-4 (4АЗМП или
4АРМП);
асинхронный типа 2АЗМВ1.
Технические характеристики двигателей указаны в таблице 4.3.
Таблица 4.3 - Технические характеристики двигателей
|
Насосный агрегат
|
Расход смазки для зубчатой муфты (на одну заправку), л
|
|
НМ 1250-260
|
1.8
|
|
НМ 2500-230
|
1.8
|
|
НМ 3600-230
|
1.8
|
|
НМ 5000-210
|
2.4
|
|
НМ 7000-210
|
2.4
|
|
НМ 10000-210 с ротором Q=12500 м3/ч
|
3.4
|
|
Периодичность смены смазки для зубчатой муфты - 3000 ч
|
Первую замену смазки рекомендуется произвести через 200-300 часов
эксплуатации зубчатой муфты. При применении в качестве привода, двигателя в
обычном исполнении, насос и двигатель устанавливаются в изолированных друг от
друга помещениях. Изолирование помещений осуществляется с помощью воздушной
завесы, образующейся в щелевом зазоре между зубчатой втулкой электродвигателя и
воздушной камерой при подаче в камеру сжатого воздуха. Минимальный перепад
давления между воздушной камерой и помещением насосной - 0,02 м.
4.2 Указание мер безопасности
К монтажу и эксплуатации насосов должны допускаться только
квалифицированные механики и слесари, знающие конструкцию насосов, обладающие
определенным опытом по эксплуатации, обслуживанию и ремонту насосов, сдавшие
экзамен на право монтажа и обслуживания насосного оборудования и ознакомленные
с настоящей инструкцией.
Установка и эксплуатация оборудования должны соответствовать требованиям
ПУЭ гл. VII-3 и эксплуатироваться в соответствии
с "Правилами технической эксплуатации электроустановок потребителей".
При проведении ремонтных работ двигатель должен полностью отключен от
источников электрического тока. Во время эксплуатации с целью предотвращения взрывоопасности
необходимо следить:
за исправностью уплотнений стенных проемов, не допуская попадания паров
нефти в помещения с электрооборудованием (в случае установки насосов и
электродвигателей в отдельных залах);
чтобы разъемы корпусов и сливные полости насосов были закрыты кожухами;
чтобы нефть не попадала в смазку подшипников;
чтобы после ремонтных работ замена деталей уплотнений валов, сообщающихся
с атмосферой (пары: кольца уплотнительные - маслоотражатели) была произведена
на детали из материалов не дающих искрообразования, в соответствии с
технической документацией завода-изготовителя.
.3 Подготовка к монтажу
Предварительно необходимо отцентровать двигатель с насосом с точностью до
0,03 мм с помощью приспособления и набора строганных металлических прокладок.
При центровке применять индикаторы часового типа ГОСТ 577-68.
Следует обеспечить прилегание лап насоса и двигателя к рамам фундаментным
и металлическим прокладкам на площади не менее 75% (щуп 0,05 мм должен
"закусываться"). Произвести предварительную затяжку фундаментных
шпилек моментом 90 кгс/м.
Залить бетоном рамы фундаментные, согласно монтажному чертежу. После
затвердевания следует окончательно затянуть фундаментные шпильки моментом 120
кгс/м. проверить горизонтальность насоса по осям в плане, при отклонениях -
устранить с помощью подкладок. Проверьте вращение ротора насоса. Ротор должен
легко проворачиваться от руки. Произведите внешний осмотр агрегата, затяжку
гаек, фланцевых и штуцерных соединений.
4.4 Пуск, опробование и регулирование
Приоткрыть задвижку на напорном трубопроводе на 1/10 часть и произвести
пуск агрегата. Пуск агрегата возможен и на закрытую задвижку.
Внимание! Работа агрегата на закрытую задвижку допускается не более 2-х
минут. Установить номинальный режим. Произвести обкатку агрегата на номинальном
режиме до тех пор, пока не установится температура подшипников, но не менее 2-х
часов. При этом необходимо следить за температурой подшиников и вибрацией. При
необходимости отрегулировать работу маслосистемы. Осмотреть весь агрегат,
убедиться в герметичности всех коммуникаций. Проверить вибрацию (не должна
привышать 0,05 мм). Замерить время выбега ротора после отключения агрегата
(должно быть не менее 1 минуты).
.5.1 Пуск агрегата
Следует убедиться в включении в работу маслонасоса и в подаче сжатого
воздуха в воздушные камеры всех агрегатов, установленных на станции. После
пуска необходимо прослушать агрегат на предмет отсутствия посторонних шумов,
проверить показания КИП и занести данные в журнал.
Необходимо периодически проверять и следить за:
герметичностью всех соединений;
исправностью контрольно-измерительной аппаратуры;
качеством и количеством масла (система должна быть герметична);
наличием напряжения на двигателе резервного маслонасоса.
.5.2 Остановка агрегата
Остановка агрегата может производиться, как и пуск, из операторной НПС,
местного или центрального диспетчерского пунктов, а также предусмотренная
системой КИП и А автоматическая остановка при аварийном отклонении технических
параметров.
Кроме того агрегат следует остановить в аварийном порядке в следующих
случаях:
при появлении дыма из подшипников или торцовых уплотнений;
при появлении дыма, искр из двигателя или сильного запаха горящей
изоляции;
при несчастном случае.
После остановки агрегата необходимо закрыть задвижки на всасывающем и
нагнетательном трубопроводах.
.5.3 Агрегат в резерве
Агрегат считается в резерве, если он подготовлен к пуску.
При содержании агрегата в резерве:
держите открытыми все вентили и краны;
следите за непрерывностью подачи масла к подшипникам;
не реже 1 раз в месяц производите пробный пуск;
при пробном пуске следите за работой измерительных приборов и датчиков,
установленных на агрегате.
.5.4 Агрегат выведен из резерва
Для производства периодических осмотров, ремонта и устранения
обнаруженных дефектов агрегат выводится из резерва.
При этом выполняется следующее:
перекройте все вентили, задвижки и краны на трубопроводах нефти и масла;
выпустите нефть из насоса;
устранить все дефекты, обнаруженные во время работы агрегата;
вскрыть подшипники и смазать шейки вала тонким слоем консервирующей
смазки;
покрыть тонким слоем консервирующей смазки все обработанные неокрашенные
поверхности;
при выводе агрегата или какой-либо его части из числа действующих
механизмов со снятием с фундамента, оборудование должно быть законсервировано.
4.6 Техническое обслуживание
.6.1 Измерение параметров
Измерение параметров агрегата производится при его работе. В ходе работы
через равные промежутки времени в журнал записываются следующие параметры:
давление на входе в насос;
давление на выходе из насоса;
температура подшипников;
давление масла в маслосистеме;
мощность, потребляемую двигателем;
силу тока двигателя;
температуру нефти на выходе из насоса.
.6.2 Порядок разборки и сборки насоса
При разборке насоса необходимо следить за состоянием посадочных и
уплотнительных поверхностей, тщательно оберегать их от забоин и повреждений
сборочные единицы и детали, снятые с насоса, протрите насухо и положите на
подстилку из плотного картона или древесины. При разборке следует помечать
взаимное расположение деталей менять их местами запрещается, а также две
стороны симметричные деталей. Сборочные операции с деталями из нержавеющих
сталей требуют соблюдения строгой чистоты, во избежание заеданий деталей по
посадкам. При замене деталей запчастями, проверьте соответствие заменяемой и
новой детали по посадочным поверхностям и местам сопряжений.
Категорически запрещается:
применять ударные приспособления вместо специального инструмента;
наносить метки на посадочные, стыковые и уплотнительные поверхности;
Разберите электрическую схему двигателя. Закройте задвижки на входном и
напорном трубопроводе, слейте нефть из насоса. Закройте все вентили и задвижки
на вспомогательных трубопроводах. Снимите с насоса все контрольно-измерительные
приборы и датчики. Отсоедините от насоса все трубопроводы, снимите их слейте
остатки жидкости, закройте отверстия паронитовыми или картонными заглушками.
Снимите ограждение муфты, рассоедините и снимите обоймы зубчатой муфты.
Разборку производите на месте установки.
снимите кожухи уплотнений;
снимите торцовую крышку опорно-упорного подшипника;
снимите крышки подшипников, выньте вкладыши;
свинтите гайки нажимных фланцев торцовых уплотнений, отодвиньте фланцы и
выньте разъемные кольца;
свинтите все колпачковые гайки по разъему корпуса;
поднимите крышку насоса "подрыв" крышки производите отжимными
винтами. Снимите ротор и установите его на козлы;
снимите втулку зубчатой муфты;
снимите с помощью приспособления подшипники качения.
Дальнейшая разборка ротора и корпуса пояснений не требует и при
необходимости разборку производите согласно сборочных чертежей. Все детали и
сборочные единицы снятые с насоса промойте и вытрите. Обработанные неокрашенные
поверхности смажьте антикоррозионной смазкой.
Перед сборкой насоса очистите и протрите дочиста все детали. Дефектные
детали отремонтируйте или замените новыми. При изготовлении запасных деталей на
месте эксплуатации допускается замена материалов, указанных в чертежах, материалами
других марок, не ухудшающих качества и надежности.
Подготовьте необходимые прокладки, резиновые кольца. Вторичное
использование уплотнительных деталей не допускается.
Перед установкой деталей на место проверьте отсутствие на них забоин,
заусенцев и рисок. При необходимости поврежденные места пришабрите или
протрите. Для предотвращения заедания, при сборке насоса, смажьте тонким слоем
пасты ВНИИНП-232 по ГОСТ 14068-79 все посадочные диаметры и резьбы вала,
боковые стенки шпонок и шпоночных пазов, уплотнительные поверхности рабочих
колес, втулок ротора, которые образуют с деталями насоса дросселирующие щели.
Соберите ротор, предварительно надев на него кольца, нажимные фланцы, торцовые
уплотнения, маслоотражатели, смазочные и уплотнительные кольца подшипников.
Установите на вал зубчатую полумуфту и подшипники качения с дистанционным
кольцом. Перед установкой радиально-упорные подшипники необходимо подвергнуть
тарировке (определить толщину комплектовочной шайбы, находящиеся между
наружными кольцами шарикоподшипников). Усилие при тарировке - 60-90 кг. После
этого измеренную при тарировке толщину наружной комплектовочной шайбы усилить
на 0,05-0,1 мм для создания в подшипниках необходимой толщины осевого зазора
("осевой игры"). Установите ротор в корпус насоса. Застопорите
уплотнительные кольца от проворота шпонками. Заведите в корпуса подшипников
нижние половины вкладышей. Установите нажимные фланцы с разъемными кольцами на
шпильки в корпусе насоса. При этом контролируйте размеры L и L1 согласно сборочному чертежу насоса. При необходимости
обеспечьте путем подрезки дистанционного кольца. Проверьте центральное
положение рабочего колеса относительно спирали корпуса. Установите
маслоотражатели, выдержав зазоры согласно сборочному чертежу, заверните винты.
Если в результате замены деталей насоса или перезаливке вкладышей нарушена
центровка ротора со статором произведите перецентровку, для чего выньте
конические штифты, фиксирующие положение корпусов подшипников и произведите
центровку путем одновременного перемещения нижних половин обоих корпусов
подшипников с помощью отжимных винтов. При этом гайки, крепящие корпуса
подшипников, должны быть отпущены так, чтобы щуп 0,03 мм между сопрягаемыми
деталями "закусывал". После центровки корпуса подшипников заштифтуйте
заново. Проверните ротор от руки. Вращение должно быть свободным, без заеданий.
Установите верхние половины вкладышей. Проверьте прилегание шеек вала по
вкладышам и зазоры. Контакт вкладыша должен быть обеспечен на угле охвата 60-800.
Установите и закрепите крышки подшипников. Зазор по разъему вкладышей и между
крышкой и корпусом не допускается. Установите торцовую крышку подшипника, зазор
А должен быть в пределах 0,5..2,0 мм и равномерным по периметру. Равномерность
зазора А обеспечьте, поочередно затягивая диаметрально-противоположные гайки
крепления торцовой крышки в 4-5 приемов. Прокрутите ротор. Убедитесь в
отсутствии заеданий при вращении ротора. Положите по разъему прокладку из
паронита, проверив толщину в соответствии с требованиями сборочного чертежа.
Установите крышку насоса и произведите затяжку колпачковых гаек. Затяжку гаек
производите равномерно, поочередно затягивая диаметрально-противоположные
шпильки в 4-5 приемов. Закрепите нажимные фланцы торцовых уплотнений.
Прокрутите ротор. Убедитесь в отсутствии заедания при вращении ротора.
Проверьте с помощью приспособления центровку агрегата. При необходимости
подцентрируйте двигатель к насосу. Соедините насос и двигатель зубчатой муфтой
и закройте ее ограждением. Установите кожухи уплотнений. Подсоедините к насосу
контрольно измерительные приборы, датчики и все трубопроводы.
4.6.3 Замена торцовых уплотнений может производиться без снятия крышки
насоса
Снимите кожухи уплотнений. Снимите крышки подшипников, выньте вкладыши.
Снимите втулку зубчатой муфты и опорно-упорный подшипник. Снимите маслоотбойные
кольца. Свинтите гайки нажимных фланцев торцовых уплотнений, отодвиньте фланцы
и выньте разъемные кольца. Установите на шпильки фланцы торцовых уплотнений.
Снимите торцовые уплотнения. Установите новые или отремонтированные уплотнения
в обратном порядке.
.6.4 Характерные неисправности и методы их устранения
|
Наименование неисправности внешнее и дополнительные
признаки
|
Вероятная причина
|
Метод устранения
|
|
1. Насос не создает необходимого напора и подачи
|
а) Насос не заполнен нефтью; б) Обратное направление
вращения ротора; в) Повреждено рабочее колесо или уплотнительные кольца; г)
Рабочее колесо установлено в направлении, обратном вращению ротора.
|
а) Заполните насос нефтью; б) Обеспечьте правильное
направление вращения насоса; в) Замените или отремонтируйте поврежденные
детали; г) Переустановите рабочее колесо. Ротор отбалансируйте заново.
|
|
. Вибрация насоса
|
а) Ротор насоса не отбалансирован при замене запчастями; б)
Агрегат расцентрирован в) Увеличение масляных зазоров во вкладышах
подшипников; г) попадание посторонних предметов в проточную часть; д)
Вибрация трубопровода.
|
а) Отбалансируйте ротор; б) Отцентруйте агрегат; в)
Перезалейте вкладыши или замените запасными; г) Прочистите проточную часть;
д) Устраните вибрации трубопроводов.
|
|
3. Повышение температуры подшипников
|
а) Недостаточное поступление масла к подшипникам; б)
Грязное масло; в) Расцентровка роторов; г) Малы масляные зазоры, не
обеспечено прилегание вала по вкладышу.
|
а) Увеличьте отверстие дроссельной шайбы на входе масла в
подшипник; б) Прочистите маслотрубопроводы. Замените масло. Прочистите
маслосистему. в) Отцентрируйте агрегат; г) Увеличьте зазоры. Пришабрите
вкладыш по валу.
|
4.7 Характеристика насоса типа НПВ
В целях уменьшения капитальных затрат на
строительство зданий подпорных насосных станций (цехов) в последнее время
устанавливают вертикальные подпорные насосы в открытом исполнении.
Конструктивно этот насос расположенный в нижней части стакана, сходен с насосом
НМЛ. Он также имеет рабочее колесо, прёдвключенные колеса, вал, спиральный
корпус, нагнетательные патрубки, подводы.
На верхний фланец фонаря устанавливается
электродвигатель, соединяемый с помощью муфты с валом насоса.
Нефть входит в стакан по всасывающему
патрубку, выходит по напорным патрубкам. Весь вал вращается на подшипниках
скольжения, опираясь на крестовины. Напорные патрубки конструктивно переходят в
напорную крышку.
Подшипник радиально-упорный. Он
воспринимает нагрузку от вала двигателя. В месте выхода вала из напорной крышки
устанавливается торцевое уплотнение.
Рисунок 4.2 - Разрез и характеристика насоса НПВ 5000-120
Стакан герметичный, он эксплуатируется под абсолютным
давлением (0,05...0,1)МПа. Он опускается в колодец глубиной 3-4 м. Это
позволяет увеличить подпор на входе насоса НПВ.
Марка насоса читается так: "НПВ
1250-60" - насос магистральный подпорный вертикальный на оптимальную
подачу 1250 м3/ч и напор H0 = 60 м Насосы НПВ изготовляют на подачи от 150
до 5000 м3/ч и напором от 60 до 120 м. Эти насосы допускают как
последовательную, так и параллельную схему (чаще параллельно). Кавитационный
запас насосов НПВ в пределах 2...5 м.
Техническая характеристика насоса типа НПВ приводится в таблице 3.3.
Таблица 3.3 Техническая характеристика насоса типа НПВ
|
Показатель
|
Марка насоса
|
|
НПВ 5000-120
|
НПВ 3600-90
|
НПВ 2500-80
|
НПВ 1250-60
|
|
Код ОКП: насоса агрегата
|
36 3141 2030 07 36 3141 2031 06
|
36 3141 2020 09 36 3141 2021 08
|
36 3141 2010 00 36 3141 2011 10
|
36 3141 2000 02 36 3141 2001 01
|
|
Подача, м3/ч.
|
5000
|
3600
|
2500
|
1250
|
|
Напор, м
|
120
|
90
|
80
|
60
|
|
Допускаемый кавитационный запас, м, не более
|
5
|
4.8
|
3.2
|
2.2
|
|
Скорость вращения, об/мин
|
1500
|
|
Предельное давление, МПа
|
1.6
|
|
КПД, %, не менее: насоса агрегата
|
85 81
|
84 80
|
82 77
|
76 70
|
|
Тип электродвигателя
|
BAOB-800L-4У1
|
BAOB-710L-4У1
|
BAOB-630L-4У1
|
BAOB-560M-4У1
|
Заключение
В данном курсовом проекте спроектирована ЛПДС "Нурлино" по
нефтепроводу НКК:
разработана технологическая схема;
спроектирована компоновка насосного цеха;
произведен расчет и регулирование работы станции (путем дросселирования,
байпасирования, изменением числа оборотов вала насоса, обточкой рабочего
колеса). Наиболее эффективным является регулирование путем изменения числа
оборотов вала и обточкой рабочего колеса;
приведена характеристика насосных агрегатов.
Графическая часть состоит из:
технологическая схема ЛПДС "Нурлино" по нефтепроводу НКК;
план (разрез) насосного цеха;
характеристика трубопровода;
совмещенная характеристика трубопровода и насосов;
графики регулирования.
нефтепровод насосный гидравлический магистральный
Список используемой литературы
1. Башта
Т.М., Руднев С.С., Некрвсов Б.Б. Гидравлика, гидромашины и гидроприводы: - М.:
Машиностроение, 1982. 423 с.,ил.
. Колпаков
Л.Г. Центробежные насосы магистральных нефтепроводов.-М.: Недра, 1985-184с.
. Коршак
А.А., Шаммазов А.М. Основы нефтегазового дела: - Уфа.:
ООО"ДизайнПолиграфСервис", 2002 - 544с.: ил.
. Нечваль
А.М. Основные задачи при проектировании и эксплуатации магистральных
нефтепроводов: - Уфа.:изд-во УГНТУ, 2005.-81с.
5.Тугунов П.И., Новоселов., Коршак А.А., Шамазов А.М:
Типовые расчеты при проектировании и эксплуатации нефтебаз и
нефтепроводов.Уфа: ООО "Дизайн-ПолиграфСервис",2002.-658 с.
6.Каталог
Центробежные нефтяные насосы для магистральных трубопроводов: Москва 1989,
ЦИНТИХИМНЕФТЕМАШ.
. ГОСТ
2-105-95.