Проектирование сварных подкрановых балок

  • Вид работы:
    Контрольная работа
  • Предмет:
    Строительство
  • Язык:
    Русский
    ,
    Формат файла:
    MS Word
    351,13 Кб
  • Опубликовано:
    2015-05-08
Вы можете узнать стоимость помощи в написании студенческой работы.
Помощь в написании работы, которую точно примут!

Проектирование сварных подкрановых балок














Проектирование сварных подкрановых балок

 


Задание на проектирование

Рассчитать и спроектировать сварную подкрановую балку, схема которой показана на рисунке 1.

Рис. 1. Расчетная схема балки

Дано:

. Интенсивность распределенной нагрузки …………………q = 20кН/м

. Величина сосредоточенной подвижной нагрузки………….p = 50кН

. Расстояние между подвижными грузами (колесами тележки)d = 2 м

. Длина балки ……………………………………………………. l = 12 м

. Норма жесткости балки от распределенной и сосредоточенной нагрузок:

- для балок длиной до 14 м -

Введение

опора балка сечение

Балки - конструктивные элементы сплошного или сварного сечения, работающие на изгиб. Балки - входят в состав конструкций машин и сооружений. Они представляют собой основные элементы рам различного назначения, например рамы перекрытия и мостов. Большие применение имеют балки кранов, вагонов, станин, а так же металлических каркасов зданий, двутавровые балки и коробчатые с измененным поперечным сечением. Сварочные двутавры целесообразны и экономичны. Они позволяют изготовить профили с различными отношениями Jх/JУ, с разной шириной и толщиной вертикальных листов, а так же горизонтальных. Стойкость сварного двутавра высокого номера. При проектирование конструкций сварных балок учитывают следующие требования: Жесткость конструкции при условии наименьшего условия балки. Расчетные напряжения в балке не должны превышать допускаемых значений. Вес балки, удовлетворяющие всем требованиям эксплуатации, тем более рационально спроектирована конструкция. Устойчивость. Местную для отдельных частей балки, а так же для всей конструкции в целом. Рациональность сварных изделии. Соединения балок должны быть технологичными в изготовке, то и есть простыми и экономичными в изготовлении. Соответствии требованиям общей компоновке всего сооружения и машины, в состав которых в качестве элемента входит рассматриваемая балка. Балки применяются для конструкций большой грузоподъемности.

1. Выбор материала подкрановой балки

Выбор материала подкрановой балки производится в зависимости от расчетной температуры эксплуатации и в соответствии с указаниями СНиП по применению сталей для стальных конструкций.

Для изготовления двутавровой балки выбираем сталь 09Г2С по ГОСТ 19282-73. Сталь 09Г2С конструкционная низколегированная для сварных конструкций.

Таблица 1. Химический состав стали 09Г2С по ГОСТ 19282-73

Марка

С%

Si%

Mn%

Ni%

S%

P%

Cr%

N%

Cu%

As%

Fe%

09Г2С

До 0,12

0,5-0,8

1,3-1,7

До 0,3

До 0,04

До 0,035

До 0,3

До 0,008

До 0,3

До 0,08

̴ 96-97


Таблица 2. Механические свойства стали 09Г2С по ГОСТ 19282-73

Марка

Толщина проката, мм

Расчетн. сопр. при растяжении, МПа

Предел текучести, МПа

Предел прочности, МПа

09Г2С

21-32

290

305

460

 

. Определение расчетных нагрузок и построение линий влияния реакций опор, изгибающих моментов и поперечных сил


Так как на балке имеется подвижный груз, то для определения расчетных нагрузок производится построение линий влияния реакций опор, изгибающих моментов и поперечных сил в характерных сечениях балки.


 

 


 

 


 

 


 

 


 

 


Линии влияния реакций опор поперечных сил


Определяем опорные реакции:

кН.

Характ. сечения

Изгибающий момент

Поперечная сила

  Уmax    Мр = = PΣyi, кН∙мм           Mq= = qw кН∙мм               

кНУmaxQр =

= PΣyi

кНQq= = qw, кНQ= Q, кН





 

0


0

0

0

1

92

120

212

0,1l

-1,08

-97

-130

-227

0,9

91

96

187

0,2l

-1,92

-172

-230

-402

0,8

90

72

162

0,3l

-2,52

-222

-302

-524

0,7

88

48

136

0,4l

-2,88

-248

-346

-594

0,6

86

24

110

0,5l

-3

-250

-360

-610

0,5

83

0

83


3. Определение размеров поперечного сечения балки


Подбор сечения балки производится из условия ее прочности при работе на поперечный изгиб по максимальному моменту M и максимальной поперечной нагрузке Q в зависимости от допускаемого напряжения [σp] или расчетного сопротивления R. Однако вначале выбирается высота сечения балки h.

Высота сечения балки определяется из двух условий:

жесткости; hж

экономичности, т.е. из условия наименьшей затраты материала при обеспечении прочности. hэ



Высота балки из условия жесткости определяется по формуле:


Величины  можно определить из системы уравнений:


Основное допускаемое напряжение для материала балки:


Кн - коэффициент перегрузки (согласно СНиП, для подкрановых балок Кн=1,15);





Отсюда высота из условия жесткости равна:

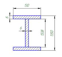
Принимаем толщину стенки =6 мм.

Высота двутавровой балки из условия экономичности определяется по формуле:

Принимаем высоту балки h=1350 мм.

мм;

Принимаем высоту стенки 1338 мм.

Принимаем толщину полки =6 мм.

Требуемый момент инерции сечения балки, определяется по формуле:


Момент инерции стенки балки относительно центральной оси:


Момент инерции полок балки относительно центральной оси:


Размеры сечения пояса выбираются по требуемому моменту сопротивления сечения , в соответствии с выражением:


Ширина полки:

;

Принимаем bn=130 мм.

Момент инерции:


Максимальный прогиб в середине балки:



.

 

. Проверка напряжений в подобранном сечении



Нормальное напряжение в точке 1:


Нормальное напряжение в точке 2:


Касательное напряжение в точке 1.

Касательное напряжение в точке 2:


Sn-статический момент площади сечения;

Касательное напряжение в точке 3:


Эквивалентное напряжение в сечении балки:



Условия выполняются следовательно сечения считается подобранным верно.

5. Проверка общей устойчивости балки


Расчет общей устойчивости балки производится в следующей последовательности.

Определяется коэффициент уменьшения допускаемых напряжений в балках с учетом обеспечения их устойчивости - , по формуле:


где x J и y J - моменты инерции относительно осей X и Y;- высота балки;

 - пролет балки или расстояние между связями, препятствующими

перемещениям в горизонтальной плоскости, принимаем 6 м.;

Ψ - коэффициент, определяемый по графику, в зависимости от



Момент инерции относительно оси Х:


Момент инерции относительно оси У:



По графику находим Ψ=1,74 умножаем на отношение 210/R, где R - расчетное сопротивление стали.

Напряжения в изгибаемой балке проверяют с учетом требований обеспечения общей устойчивости, в соответствии с формулой:


МПа;


6. Проверка местной устойчивости элементов балки


Местная устойчивость сжатых поясов балок обеспечивается следующим условием:


Устойчивость вертикального листа стенки, в балках из низкоуглеродистой стали, при наличии на ней сосредоточенных перемещающихся нагрузок, обеспечивается соблюдением следующего условия:

где - предел текучести материала балки, МПа,

Если последнее условие не выполняется, то необходима установка вертикальных ребер жесткости.

Ширину ребра, выраженную в миллиметрах, принимают равной:


а толщину:

Критерием для определения расстояния а, между вертикальными ребрами жесткости, является безразмерный параметр D. Для подкрановых балок данный параметр определяется по формуле:


где -напряжение под сосредоточенной силой на верхней кромки стенки, определяющееся по формуле:


z - расчетная длина распределения сосредоточенного груза в вертикальном листе:


-нормальные напряжения на верхней кромке вертикального листа в месте контакта полки и стенки балки, определяется из выражения:


- среднее касательное напряжение в стенке, определяющееся по формуле:


- условная (критическая) величина нормального напряжения на врхней кромке вертикального листа:

МПа;

- условные (критические) нормальные местные напряжения под сосредоточенной силой, от силы Р, на верхней кромке вертикального листа (стенки), определяются по формуле:


К1-коэффициент определяемый по графику.



Условные (критические) касательные напряжения на вертикальной стенки балки определяются по формуле:


Горизонтальные ребра жесткости устанавливаются в том случае, если условная гибкость стенки Ку больше критической:


Так как условная гибкость стенки больше критической, то в данном случае необходима установка горизонтальных ребер жесткости.

Ребра устанавливаются в сжатой зоне стенки на расстоянии С=0,2*h=0,27 м от верхней поверхности пояса. Размеры сечения ребра выбираются так же, как для вертикальных ребер:

Торцевые поверхности опорных ребер проверяют на смятие. Проверка проводится в соответствии с выражением:


а толщину:

Торцевые поверхности опорных ребер проверяют на смятие, условно считая, что через ребра передается половина опорной реакции. Проверка проводится в соответствии с выражением.


-допускаемое напряжение при смятии, определяется по формуле:

 

. Конструирование и расчет соединений балки


Стыковые швы рассчитываются на поперечный изгиб



;




где Jх - момент инерции сечения балки в месте расположения сварного шва;х и Q - изгибающий момент и поперечная нагрузка в этом сечении;- координата сечения, в которой определяются напряжения;

 - толщина в месте отсечения;


Катет поясных швов балки выбирается наибольшим из двух, получнных по металлу шва в зоне сплавления:


где Кш, Ксп - катет поясного шва, рассчитанный по металлу шва и зоне сплавления соответственно;

 - коэффициенты расчетной толщины шва;

 - расчетные сопротивления;- максимальная поперечная нагрузка в сечениях балки;- величина сосредоточенной нагрузки;

n - коэффициент, принимается равным;



Расчетные сопротивления:


Катеты поясных швов:

Швы приваривающие ребра жесткости, как правило, расчетом на прочность не проверяются. Они выполняются угловыми, с катетом К=(0,3-0,6)


8. Конструирование и расчет опорных плит балок


Опорные части балок служат для передачи опорной нагрузки на фундамент. Чтобы обеспечить шарнирность опирания, они конструируются в форме выпуклых плит.


Основные размеры выпуклой плиты назначаются в следующих пределах:

r=1 м;


Принимаем




где Мпл-изгибающий момент по оси плиты, определяемый по формуле



Принимаем

Каждая опора снабжена двумя штырями


Размер прорези определяется по следующей формуле:


Принимаем С=20 мм.

где  - усредненные напряжения в поясе балки на участке между опорами, определяющиеся по формуле

l - длина балки между опорами;

α - коэффициент линейного расширения для материала балки ()

ΔT - максимальное изменение температуры, при которой эксплуатируется балка (нижний предел задан проектом, а верхний равен +25 ˚С); =10 мм - добавка к длине овального отверстия.

Похожие работы на - Проектирование сварных подкрановых балок

 

Не нашли материал для своей работы?
Поможем написать уникальную работу
Без плагиата!
Без нейросетей!