Проектирование промышленных зданий
Содержание
Введение
1 Архитектурно-планировочная часть
1.1 Объемно-планировочное решение
1.2 Фундаменты
1.3 Фундаментные балки
1.4 Колонны
1.5 Подкрановые балки
1.6 Стропильные конструкции
1.7 Ограждающие конструкции
1.7.1 Стеновые панели
1.7.2 Остекление
1.8 Крыша
1.9 Связи
1.10 Ворота
2. Расчетно-конструктивная часть
2.1 Сбор нагрузок
2.2 Расчет стропильной балки
2.3 Расчет колонны
3. Организационно-технологическая часть
3.1 Разработка технологической карты
3.1.1 Определение объемов и трудоемкости работ
3.1.2 Описание технологии производства
3.1.3 Выбор захватных приспособлений
3.1.4 Выбор машин и механизмов
3.1.5 Ведомость инструментов и приспособлений для выполнения работ
по заданной технологической карте
3.1.6 Контроль качества и приемка работ
3.2 Разработка строительного генерального плана
3.2.1 Обоснование потребности строительства в складах
3.2.2 Обоснование потребности строительства во временных зданиях
3.2.3 Обоснование потребности строительства в воде
3.2.4 Обоснование потребности строительства в электроэнергии
3.2.5 Временное теплоснабжение строительства
3.2.6 Технико-экономические показатели строительного генерального
плана
3.3 Разработка календарного плана
3.3.1 Ведомость подсчета объемов работ.
4. Экономическая часть
4.1 Особенности ценообразования в строительстве
4.2 Локальная смета №1
4.3 Сводный сметный расчет стоимости строительства
4.4 Основные технико-экономические показатели проекта (ТЭП)
5. Охрана труда
Библиографический список
Введение
Здания и сооружения играют важную роль в жизни современного
общества. Можно утверждать, что уровень цивилизации, развитие науки, культуры и
производства в значительной мере определяются количеством и качеством
построенных зданий и сооружений.
Каждое здание или сооружение представляет собой сложный и
дорогостоящий объект, состоящий из многих конструктивных элементов, систем
инженерного оборудования, выполняющих вполне определенные функции и обладающих
установленными эксплуатационными качествами.
Проектируемые и возводимые здания, согласно определяющим эксплуатационным
требованиям, должны:
обладать высокой надежностью, т.е. выполнять заданные им
функции в определенных условиях эксплуатации в течение заданного времени, при
сохранении значений своих основных параметров в установленных пределах;
быть удобными и безопасными в эксплуатации, что достигается
рациональными планировкой помещений и расположением входов, лестниц, лифтов,
средств пожаротушения, причем для ремонта и замены крупногабаритного
технологического оборудования в зданиях должны быть предусмотрены люки, проемы
и крепления;
быть удобными и простыми в техническом обслуживании и
ремонте, т.е. позволять осуществлять его на возможно большем числе участков,
иметь удобные подходы к конструкциям, вводам инженерных сетей без демонтажа и
разборки для осмотров и обслуживания с предельно низкими затратами на
вспомогательные операции, должны позволять применять передовые методы труда,
современные средства автоматизации и механизации, сборно-разборные устройства
для обслуживания труднодоступных конструкций, а также иметь приспособления для
крепления люлек, источники тока и др.;
быть ремонтопригодными, т.е. их конструкции должны быть
приспособлены
к выполнению всех видов технического обслуживания и ремонта
без разрушения смежных элементов и с минимальными затратами труда, времени,
материалов;
иметь максимально возможный и близкий эквивалентный для всех
конструкций межремонтный срок службы;
быть экономичными в процессе эксплуатации, что достигается
применением материалов и конструкций с повышенным сроком службы, а также
минимальными затратами на отопление, вентиляцию, кондиционирование, освещение и
водоснабжение;
Промышленные здания - универсальные
конструкции, основным несущим элементом которых является высокопрочный каркас.
Промышленные здания предназначены для размещения заводских и служебных
помещений, обеспечивающих необходимые условия труда и эксплуатацию
оборудования. Основное их преимущество - возможность использования там, где
нельзя строить постоянные объекты. Они могут эксплуатироваться как отдельно,
так и в сочетании с несколькими зданиями, создавая при этом комплекс.
Промышленные здания могут быть изготовлены по схемам заказчика и комплектоваться
дополнительным оборудованием. Стоимость каждого промышленного здания
рассчитывается индивидуально, в зависимости от комплектации здания инженерными
коммуникациями, вида наружной и внутренней отделки, количества внутренних
перегородок, площади остекления и т.д. Современные промышленные здания
независимо от их этажности, как правило, являются зданиями каркасного типа с железобетонным, стальным или смешанным несущим каркасом.
Выбор типа каркаса определяется условиями производства и соображениями
экономии основных строительных материалов, а также классом капитальности
здания.
1
Архитектурно-планировочная часть
1.1
Объемно-планировочное решение
Данный объект относится к одноэтажным промышленным зданиям
для предприятий машиностроения и имеет следующие параметры:
а) длина здания 60000 мм;
б) шаг колонн 6000 мм;
в) 2 пролета шириной 30000, 18000 (мм)
г) высота здания 10800, 7200 (мм);
д) максимальная высотная отметка 13700 мм;
е) навесное оборудование: 1 мостовой кран грузоподъемностью
25т, 1 подвесной кран грузоподъемностью 5т.
Данное здание состоит из следующих конструктивных элементов:
Столбчатые, монолитные фундаментные блоки, железобетонные фундаментные балки,
стальные колонны сварные, стальные подкрановые балки сварные, стропильные
балки, стальные фермы, стеновые панели из керамзитобетона, панели остекления.
Так как грузоподъемность мостового крана меньше 50т. привязка
колонн принимается нулевая. В торцах здания через каждые 6000 мм. расположены
фахверковые колонны для крепления стеновых панелей. Высота фахверковой колонны
принимается на 100 мм меньше высоты остальных колонн. В углах здания основные
колонны сдвигаются на 500 мм для пропуска фахверковых колонн. В торцах каждого
из пролетов устанавливаются противопожарные ворота размерами 3600х4200 (мм).
Территориальная принадлежность - г. Челябинск, Челябинской
области.
Районирование территории по расчетному значению веса
снегового покрова земли - II. Климатические условия: в летний период
застройки - благоприятные. Средняя температура +20оС. В зимний
период средняя температура - 15оС.
Районирование территории России по давлению ветра - 3.
Районирование территории России по расчетному весу снегового
покрова земли - 3.
Районирование территории России по средней скорости ветра,
м/с, за зимний период 3 м/с, за летний период 5 м/с.
1.2
Фундаменты
Фундаменты - это подземная часть здания, которая воспринимает
все нагрузки от здания и передает их на основание.
Классификация фундаментов:
а) фундаменты по способу возведения подразделяются на:
сборные;
монолитные.
б) по материалу:
бутовые;
бетонные;
бутобетонные;
железобетонные.
в) по конструкции:
ленточные;
столбчатые;
свайные;
сплошные.
Глубина заложения фундамента - это расстояние от
планировочной отметки земли до подошвы фундамента.
В данном проекте используются монолитные железобетонные
столбчатые фундаменты.
Правила конструирования столбчатого фундамента:
а) Размеры банкета принимаются на 600мм больше сечения
колонны;
б) Размеры ступеней принимаются 600мм;
в) Верх фундамента принимается на отметке - 0.150.
Фундаменты по оси А (Ф-1):
Размеры подошвы фундамента 2000х2200 (мм), Размеры банкета
1000х800 (мм), ширина ступеней 600мм. Верх фундамента на отм. - 0.150. Высота
фундамента 2000 мм. Высота ступени фундамента 600 мм. В верхней части
фундамента, по углам расположены четыре монтажных болта для крепления колонны.
Под фундаменты устраивается песчаное основание. (рисунок 1.2.1).
Рисунок 1.2.1 - Фундаменты по оси А (Ф-1)
Фундаменты по оси В (Ф-2):
Размеры подошвы фундамента 2400х2100 (мм).
Размеры банкета 1200х900 (мм), ширина ступеней 600мм.
Верх фундамента на отм. - 0.150. Высота фундамента 2000 мм.
Высота ступени фундамента 600 мм. В верхней части фундамента,
по углам расположены четыре монтажных болта для крепления колонны.
Под фундаменты устраивается песчаное основание (рисунок
1.2.2).
Рисунок 1.2.2 - Фундаменты по оси В (Ф-2)
Фундаменты по оси Б (Ф-3):
Размеры подошвы фундамента 2800х2100 (мм), Размеры банкета
1600х900 (мм), ширина ступеней 600мм. Верх фундамента на отм. - 0.150. Высота
фундамента 2000 мм. Высота ступени фундамента 600 мм. В верхней части
фундамента, по углам расположены четыре монтажных болта для крепления колонны. Под фундаменты
устраивается песчаное основание (рисунок 1.2.3).
промышленное здание строительный фундамент
Рисунок 1.2.3 - Фундаменты по оси Б (Ф-3)
Фундаменты под фахверковые колонны (Ф-4):
Размеры подошвы фундамента 2100х1950 (мм), Размеры банкета
900х750 (мм), ширина ступеней 600мм. Верх фундамента на отм. - 0.150. Высота
фундамента 2000 мм Высота ступени фундамента 600 мм. В верхней части
фундамента, по углам расположены четыре монтажных болта для крепления колонны. Под фундаменты
устраивается песчаное основание (рисунок 1.2.4).
Рисунок 1.2.4 - Фундаменты под фахверковые колонны (Ф-4)
Фундаменты в осях А1, А11 (Ф-5):
Размеры подошвы фундамента 2300х2200 (мм), Размеры банкета
1100х1000 (мм), ширина ступеней 600мм. Верх фундамента на отм. - 0.150. Высота
фундамента 2000 мм Высота ступени фундамента 600 мм. В верхней части
фундамента, по углам расположены четыре монтажных болта для крепления колонны. Под фундаменты
устраивается песчаное основание (рисунок 1.2.5).
Рисунок 1.2.5 - Фундаменты в осях А1, А11 (Ф-5)
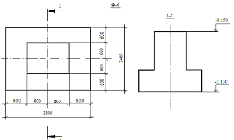
Фундаменты в осях Б1, Б11 (Ф-6):
Размеры подошвы фундамента 2800х2400 (мм), Размеры банкета
1600х1200 (мм), ширина ступеней 600мм. Верх фундамента на отм. - 0.150. Высота
фундамента 2000 мм Высота ступени фундамента 600 мм. В верхней части
фундамента, по углам расположены четыре монтажных болта для крепления колонны. Под фундаменты
устраивается песчаное основание (рисунок 1.2.6).
Рисунок 1.2.6 - Фундаменты в осях Б1, Б11 (Ф-6)
Фундаменты в осях В1, В11 (Ф-7):
Размеры подошвы фундамента 2400х2400 (мм), Размеры банкета
1200х1200 (мм), ширина ступеней 600мм. Верх фундамента на отм. - 0.150. Высота
фундамента 2000 мм Высота ступени фундамента 600 мм. В верхней части
фундамента, по углам расположены четыре монтажных болта для крепления колонны. Под фундаменты
устраивается песчаное основание (рисунок 1.2.7).
Рисунок 1.2.7 - Фундаменты в осях В1, В11 (Ф-7)
1.3
Фундаментные балки
Фундаментные балки ставятся для опирания стеновых панелей.
Они укладываются между столбчатыми фундаментами.
По форме поперечного сечения фундаментные балки могут быть:
а) прямоугольные;
б) трапециевидные;
в) тавровые;
В данном проекте применяются сборные железобетонные
фундаментные балки трапециевидного сечения. Верх фундаментной балки устраивают
на отметке - 0.30. Фундаментные балки опираются на фундамент через бетонный
столбик. По верху бетонного столбика устраивают цементную подливку для
выравнивания поверхности.
По осям 1 и 11 устанавливаются железобетонные балки длиной
4750мм (ФБ6-3)
По осям А и В устанавливаются железобетонные балки длиной
4300мм (ФБ6-2)
1.4
Колонны
Колонны служат для опирания ферм, стропильных балок,
подкрановых балок, крепления стеновых панелей.
В зданиях без мостовых кранов устанавливают колонны без
консолей, а в зданиях с мостовыми кранами - колонны с консолями, на которые
опирают подкрановые балки. Привязка колонны к осям здания зависит от
грузоподъемности крана.
По расположению различают колонны крайних рядов, средних
рядов, фахверковые (торцевые).
По конструкции стальные колонны подразделяются на:
сплошные;
сквозные;
постоянного сечения;
ступенчатые;
консольные.
В данном проекте применяются стальные колонны сварного
сечения.
По оси Б, В - колонны сквозные ступенчатые состоящие из
прокатного швеллера и двутавра соединенных решеткой из прокатного уголка.
Высота колонны 10800 Сечение надкрановой части 300х150 (мм), подкрановой
600х300 (мм). (рисунок 1.4.9).
Рисунок 1.4.9 - Колонна крайнего ряда К-2
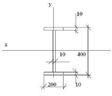
По оси А, Б применяются сплошные колонны из сварного двутавра.
Высота колонны 7200 мм, Сечение 400х200 (мм). (рисунок 1.4.10).
Рисунок 1.4.10 - Колонна крайнего ряда К-1
Фахверковые колонны - сплошные колонны из сварного двутавра.
Высота колонны 10800; 7200 (мм), Сечение 300х150 (мм). (рисунок 1.4.11).
Рисунок 1.4.11 - Фахверковая колонна К-3, К-4
1.5
Подкрановые балки
Стальные подкрановые балки служат для крепления к ним
кранового рельса, по которому вдоль пролета движется мостовой кран. Опираются
подкрановые балки на уступы или консоли подкрановой части колонны. Длина
подкрановых балок 6000мм; 12000 мм. Чаще всего подкрановые балки выполняются из
сварного двутавра. Для увеличения жесткости балки ставятся ребра жесткости
через 1,2-1,5 (м). Ребра жесткости имеют выемки для пропуска сварного шва.
В данном проекте используются стальные подкрановые балки из
сварного двутавра. Балки имеют следующие параметры: высота балки 600 мм; ширина
балки 300 мм; длина балки 6000 мм.
К колоннам балки крепятся сваркой и болтами. По всей длине
балки в ее верхней части расположены отверстия для последующего крепления
кранового рельса. Во избежание ударов о колонны таврового фахверка здания, на
концах подкрановых путей устанавливаются стальные упоры с амортизаторами -
буферами из деревянного бруса (рисунок 1.5.12).
Рисунок 1.5.12 - Подкрановая балка ПБ-1
1.6
Стропильные конструкции
Стропильные конструкции служат для опирания конструкций
покрытия. При небольших пролетах (12-18м) ставятся стропильные балки, при
больших пролетах (18-42м) ставятся фермы.
Стропильные фермы
По очертанию поясов они бывают:
с параллельными поясами;
полигональные;
треугольные.
Расстояние между опорами фермы называется пролетом фермы.
Расстояние между узлами ферм называется панель и принимается
равной 3м.
Основные элементы ферм: элемент ограничивающий ферму сверху
называется верхний пояс, элемент ограничивающий ферму снизу называется нижний
пояс, вертикальные элементы ферм называются стойки, наклонные элементы ферм
называются раскосами.
В данном проекте применяются полигональные стальные фермы
пролетом 30 м, высотой 3м. (рисунок 1.6.13).
Рисунок 1.6.13 - стальная ферма
Балки стропильные применяют для устройства покрытий в зданиях
при пролетах 6000, 9000, 12000,18000 (мм). Необходимость балочных покрытий при
пролетах 6000,9000,12000 (мм) возникает в случае подвески к несущим
конструкциям монорельсов или кранов.
В данном проекте применяются стальные стропильные балки из
сварного двутавра. Пролет балки 18м, высота 1000 мм (рисунок 1.6.14).
Рисунок 1.6.14 - стальная стропильная балка СБ-1
1.7
Ограждающие конструкции
1.7.1
Стеновые панели
Стены производственных зданий по конструктивным схемам
подразделяются на несущие, самонесущие, ненесущие (навесные).
Несущие стены возводят в небольших зданиях, бескаркасных и с
неполным каркасом. Выполняя одновременно и несущую и ограждающую функции, такие
стены воспринимают вес перекрытия и покрытия, ветровые усилия, а иногда
нагрузки подъемно транспортного оборудования. Устойчивость и прочность несущих
стен можно повысить устройством пилястр с наружной и внутренней стороны.
Самонесущие стены несут соответствующую массу в пределах всей
высоты здания и передают ее на фундаментные балки. Ненесущие стены выполняют в
основном ограждающие функции, масса их полностью передается на колонны каркаса.
По расположению в здании различают следующие типы панелей:
а) рядовые;
б) простеночные;
в) перемычечные;
г) угловые;
д) цокольные;
е) парапетные.
Количество панелей по высоте определяется исходя из набора
высоты колонны + высоты фермы или балки на опоре + высоты плит покрытия +
кровли + парапета. Вся эта сумма делится на высоту панели (12000 или 18000 мм).
В данном проекте используются стеновые панели из легкого
бетона плотностью 1000 кг/м3. Длина панели 6000 мм., высота 1200 и
1800 (мм), толщина 300 мм. Панели с внутренней и наружной стороны покрываются
цементно-песчаным раствором толщиной 20 мм. По краям стеновой панели с
внутренней стороны расположены закладные детали для крепления панелей к
колоннам. (рисунок 1.7.15).
Рисунок 1.7.15 - Стеновые панели СП-1, СП-2
1.7.2
Остекление
В качестве окон в промышленных зданиях чаще всего используют
ленточное остекление.
Длина панелей остекления составляет 6000, 12000 (мм). Высота
1200; 1800 (мм). Крепятся панели к колоннам, располагаются 1,2,3 ряда, таким
образом, чтобы не попасть на уровень подкрановой балки. Переплеты панелей
остекления могут быть глухие и открывающиеся.
По материалу переплеты могут быть: деревянные, стальные или
алюминиевые.
В данном проекте применяются алюминиевые панели остекления с
глухими и открывающимися переплетами. Длина панели 6000 мм, высота 1200 мм
(рисунок 1.7.16).
Рисунок 1.7.16 - Ленточное остекление
1.8
Крыша
Кровля - это часть здания, которая служит для защиты его от
атмосферных воздействий.
По виду материала кровли бывают:
а) рулонные;
б) мастичные;
в) асбестоцементные;
г) металлические.
В данном проекте используется кровля из стальных
профилированных листов (рисунок 1.8.17).
При покрытии здания с применением профилированного листа на
стропильные конструкции через каждые 3 метра укладываются стальные прогоны из
прокатного швеллера №16. На прогоны укладываются стальные кровельные листы
Рисунок 1.8.17 - Разрез кровли
1.9
Связи
Для придания жесткости каркасу промышленного здания между
колоннами и фермами ставятся связи.
Связи бывают горизонтальные и вертикальные. Между колоннами
ставятся вертикальные связи.
Выполняются связи из прокатного уголка, при шаге колонн 6000
мм ставятся крестовые связи, при шаге колонн 12000 мм портальные связи.
В данном проекте предусмотрены крестовые связи.
Изготовлены связи из металлических прокатных уголков 50х50
(мм) и закреплены к колоннам болтами и монтажной сваркой (рисунок 1.9.18).
Рисунок 1.9.18 - Крестовые связи
1.10
Ворота
В производственных зданиях применяются металлические,
деревянные и клеефанерные ворота.
Ворота подразделяют на распашные, раздвижные, подъемные,
подъемно-поворотные и откатные. Чаще всего делают раздвижные и распашные
ворота, простые в устройстве и надежные в эксплуатации. Проемы ворот должны
превышать размеры габаритов транспортных средств в груженом состоянии по ширине
не менее чем на 600 мм и по высоте - на 200 мм.
Щель у порога закрывается гибким фартуком из резины,
прикрепленной к полотну при помощи металлических накладок.
В помещениях с пожароопасными и взрывоопасными производствами
в наружных стенах применяются специальные ворота.
В данном проекте применяются распашные ворота в количестве 4
шт., размером 3600х4200 (мм). Полотна ворот состоят из стального каркаса с
обшивками с двух сторон. Полотна ворот навешиваются на петли и оборудуются
комплектом приборов для ручного открывания (рисунок 1.10.19).
Рисунок 1.10.19 - Распашные металлические ворота
2.
Расчетно-конструктивная часть
2.1
Сбор нагрузок
Нагрузки и воздействия
Нагрузки делятся на 2 основных вида:
а) нормативные нагрузки;
б) расчетные нагрузки.
Нормативная нагрузка - это нагрузка установленная нормами в
качестве основной характеристики внешних воздействий для нормальной
эксплуатации, принимаются по СНиП.
Расчетная нагрузка - это нагрузка, вводимая в расчет,
определяется произведением нормативной нагрузки на коэффициент перегрузки:
Nр=Nн х к, (1)
где Nр - расчетная нагрузка кг/м2;
Nн - нормативная нагрузка кг/м2;
к - коэффициент перегрузки.
По времени действия нагрузки делятся на постоянные, временные
и особые:
) постоянные нагрузки - нагрузки, которые действуют в течение
всего периода эксплуатации конструкции (собственный вес конструкции, давление
грунта);
) временная нагрузка - нагрузки, которые в процессе
эксплуатации могут меняться по направлению и значению.
Различают кратковременные и длительно-временные нагрузки:
а) кратковременные нагрузки - это снеговые, ветровые,
гололедные, нагрузки от людей, мебели, легкого оборудования, временные нагрузки,
возникающие при монтаже строительной конструкции или при переходном режиме,
нагрузки от кранов, тельферов;
б) длительно-временные нагрузки - относятся нагрузки от
частей здания и сооружения, положения которых при эксплуатации может меняться
(временные перегородки), длительные воздействия стационарного оборудования,
давление газов, жидкостей в емкостях и трубопроводах;
3) особые нагрузки - это сейсмические и взрывные воздействия,
нагрузи и воздействия, вызываемые резким нарушением технологического процесса
Таблица 2.1.1 - Коэффициенты перегрузки
|
№ п/п
|
Виды нагрузок
|
Коэффициент
перегрузки
|
|
1
|
Материалы и
конструкции за исключение теплоизоляционных а так железобетонных с объемным
весом γ≥
1800 кг/м3
|
1,1
|
|
2
|
Теплоизоляционные
материалы засыпки, выравнивающие слои а также бетоны γ≤1800 кг/м3
|
1,2
|
|
3
|
Временные
нагрузки на перекрытия
|
1,2-1,4
|
|
4
|
Ветровые
нагрузки
|
1,2
|
|
5
|
Снеговые
нагрузки
|
1,4
|
|
6
|
Вес
стационарного оборудования
|
1,3
|
|
7
|
Грунт в
природном залегании
|
1,1
|
|
8
|
Насыпные грунты
|
1,2
|
Таблица 2.1.2 - Нормативные нагрузки на
перекрытия
|
№ п/п
|
Назначение
зданий и сооружений
|
Нормативная
нагрузка кг/м2
|
Коэффициент
перегрузки
|
|
1
|
Жилые квартиры,
детские ясли, палаты больниц, санаторий
|
150
|
1,4
|
|
2
|
Комнаты
общежитий, гостинец, научных и административных помещений
|
200
|
1,4
|
|
3
|
Залы кино,
ресторанов, учебных заведений
|
400
|
1,3
|
|
4
|
Торговые залы
магазинов, выставочных павильонов
|
По
действительной нагрузки но не менее 400
|
1,3
|
|
5
|
Книгохранилища,
архивы
|
По
действительной нагрузки но не менее 500
|
1,2
|
|
|
|
|
|
Снеговая нагрузка
Снеговая нагрузка зависит от района строительства и уклона
кровли.
Определяется снеговая нагрузка на 1 м2 покрытия по
формуле:
Nн=No х C, (2)
где No - нормативная снеговая нагрузка на поверхности
земли;
Nн - нормативная снеговая нагрузка на покрытии;
C - коэффициент перехода от веса снегового покрова земли к
весу на покрытие.
No принимается по снеговой
карте для Российской Федерации.
I район - Pн =50 кг/м2;
II район Pн = 70 кг/м2;
III район Pн = 100 кг/м2;
IV район Pн = 150 кг/м2;
V район Pн = 200 кг/м2;
VI район Pн = 250 кг/м2.
Для кровли с уклоном больше 600 считается что снег
не задерживается на крыши.
Для кровли с уклоном меньше 450 расчет ведется как
для плоской крыши.
Рисунок 2.1.1 - Разрез кровли
Схема здания
Рисунок 2.1.2 - Схема здания
Рисунок 2.1.3 - Поперечный разрез здания
Таблица 2.1.3 - Сбор нагрузок на покрытие здания
|
№ п/п
|
Элемент
покрытия
|
Нормативная
нагрузка
|
Коэф.
перегрузки
|
Расчетная
нагрузка
|
|
1
|
Кровля из
профилированного листа
|
15 кг/м2
|
1,1
|
16,5
|
|
2
|
Прогоны
стальные
|
10 кг/м2
|
1,1
|
11
|
|
3
|
Снеговая
нагрузка
|
100 кг/м2
|
4
|
400
|
|
Итого
|
|
|
427,5 кг/м2
|
Сбор нагрузок на 1п. м. стропильной балки
Шаг балок 6м. Нагрузка на 1м2 427,5кг
,5кг х 6м = 2565 кг/м (3)
Определяем полную нагрузку от собственного веса балки
Сварной двутавр пролетом 18м
По каталогу вес балки 2025 кг
Определяем погонную нагрузку от собственного веса балки
кг/18м=162кг/м (4)
Определяем нагрузку от кранового оборудования
Грузоподъемность крана 5 т
Коэффициент перегрузки - 1,3
кг х 1,3 = 6500кг (5)
Определяем погонную нагрузку на подкрановую балку
Длина балки 18м
кг/18м = 361,1кг/м (6)
Определяем нагрузку от монорельса
Двутавр №30 Вес 1п. м. = 36,5кг
Определяем полную погонную нагрузку на стропильную балку
кг/м + 162кг/м + 361,1кг/м + 219кг/м = 3307,1кг/м
q = 3307,1кг/м
Определяем опорные реакции балки
,1х18=59527,8=59,53т, 59,53т/2 = 29,8т
P1 - нагрузка от покрытия и стропильной балки = 29,8т
P2 - нагрузка от стеновых панелей
P3 - собственный вес колонны
Определяем нагрузку от веса стеновых панелей.
В соответствии с архитектурными чертежами количество панелей 7шт.
На колонну действует нагрузка от 6 панелей
шт панелей СП-2 размерами 6х1,2х0,3 (м) Вес 1,8т
Полная нагрузка Р2 = 1,8х6 = 10,8т.
Определяем нагрузку от собственного веса колонны
Колонна высотой 7,2м. Вес колонны 0,76т
Р3 = 0,76т х 1,2 = 0,91т (8)
Определяем полную нагрузку на колонну
Р4 = Р1+Р2+Р3 = 29,8т+10,8т+0,91т = 41,5т. (9)
Сбор нагрузок на фундамент
На фундамент передается нагрузка от колонны и фундаментной балки
Р4 - Нагрузка передающаяся от колонны = 41,5т
P5 - Нагрузка передающаяся от фундаментной балки
Определяем нагрузку передающуюся от фундаментной балки
По расчетам считается, что последняя стеновая панель передает свою
нагрузку на фундаментную балку
q = 2,6т
4,3м
По каталогу вес фундаментной балки 1,1т
Вес стеновой панели 2,6т
Полная нагрузка = 2,6т+1,1т = 3,7т
Определяем погонную нагрузку на фундаментную балку
,7х1,2/4,3 = 1,03т/м (10)
,2 - коэффициент перегрузки
Определяем опорные реакции фундаментной балки
Р5 = 1,03т/м х 4,3м = 2,2т (11)
Полная нагрузка на фундамент складывается из нагрузок
приходящихся от колонны, фундаментных балок и собственного веса фундамента.
Р6 - Нагрузка от собственного веса фундамента
Р6 = 3,8м3 х 2,5 = 9,5т (12)
,5 - объемный вес 1м3 железобетона
Р7 = 41,5т+2,2т+9,5т = 53,2т. (13)
Полная нагрузка на фундамент = 53,2т
2.2
Расчет стропильной балки
Общие сведения о балках
Балки являются одними из наиболее применяемых в строительстве
конструкций. Они применяются в покрытиях, междуэтажных перекрытиях, рабочих
площадках цехов. Обычно балками перекрывают небольшие пролеты.
Типы балок:
Встречаются два основных типа балок:
прокатные;
сварные.
Расчет балок
Расчет балок ведется в 2 стадии:
) Подбор сечения балки из условий прочности;
) Проверка подобранного сечения на прогиб.
Расчет на прочность
Ведется из условия, чтобы максимальный изгибающий момент
возникающий в балке от действия внешних нагрузок не превышал внутреннего
момента сопротивления.
Основная формула расчета:
Δ = Ммахх. /W≤R, (14)
где:
δ - напряжение - нагрузка
приходящаяся на площади;
Ммахх - максимальный изгибающий момент принимается
по эпюре изгибающих моментов:
W - Момент сопротивления сечения (принимается по сортаменту)
R - расчетное сопротивление стали (2100кг/см2)
Проверка балок на прогиб
Кроме расчета балок на прочность их необходимо проверять на
прогиб.
Максимальный прогиб в центре балки.
Q
f
L
q - интенсивность нагрузки, f - фактический прогиб, L - пролет балки
На практике при расчетах пользуются не фактическим прогибом а
относительным, т.е. отнесенным к длине балки. [f / L]
Проверка балки на прогиб производится из условия, чтобы
относительный прогиб не превышал допустимого.
F / L ≤ [f / L] (15)
[f / L] - допустимый прогиб
Допустимый прогиб зависит от типа балки и определяется по
таблицам СНиПа, для главных балок [f / L] ≤ 1/400, для второстепенных балок [f / L] ≤ 1/250.
Относительный прогиб определяется в зависимости от схемы балки по следующим
формулам:
f/L = (5 х q х L3) / (384E х Iх) f/L = (PL2) / (48E х Iх)
q - интенсивность нагрузки
Е - модуль упругости стали = 2 х 106
Iх - момент
инерции сечения
Если в результате расчета относительный прогиб окажется меньше
допустимого, то подобранная на прочность балка проходит на прогиб, если больше,
то балка на прогиб не проходит, необходимо принять большее сечение.
Расчет балок сварного составного сечения
При расчете балок составного сечения необходимо определять
геометрические характеристики сварного сечения.
К геометрическим характеристикам относятся:
) Статический момент сечения SХ; SУ
) Координаты центра тяжести сечения хс; ус
3) Момент сопротивления сечения Wх; Wу
) Момент инерции сечения Iх; Iу
) Радиус инерции сечения iх; iу
Определение момента инерции сечения
Iх, у =
bh3/12+a2F (16)
у
х
b - сторона, параллельная оси, относительно которой
определяется момент инерции
h - сторона, перпендикулярная оси, относительно которой
определяется момент инерции
а - расстояние от центра тяжести сечения до центра данной
фигуры.
F - площадь сечения
Момент инерции сложной фигуры определяется путем сложения
моментов инерции простейших фигур
Алгоритм расчета сварных балок
) Определение расчетной нагрузки
) Вычерчивание расчетной схемы
) Построение эпюры изгибающих моментов и определение
максимального изгибающего момента.
) Из основной формулы расчета балок на прогиб определяем
требуемый момент сопротивления сечения.
Wтр = Mmax/R (17)
R - расчетное сопротивление стали = 2100кг/см2
) Подбираем сечение сварной балки так, чтобы
W > Wтр (18)
а) назначаем высоту балки не менее 1/10 пролета
б) назначаем размеры сечения
в) определяем момент инерции сечения относительно оси х
Iх = bh3/12+a2F (19)
г) определяем момент сопротивления сечения
Wх=Iх / у (20)
) Сравниваем Wх и Wтр. Если Wх > Wтр, то сечение на прочность выдерживает, Если Wх < Wтр, то сечение необходимо
усилить.
) Проверяем подобранное сечение на прогиб, определяем
относительный прогиб и сравниваем с допустимым прогибом (см. расчет балок).
) Конструирование балки
) Спецификация стали на 1 элемент.
Расчет стропильной балки сварного сечения
В данном проекте применяются сварные балки из листовой стали
в форме двутавра.
Исходные данные:
Пролет балки 18 000 мм, высота 1000 мм, ширина 300 мм
Расчет балки:
) Определяем расчетную нагрузку. Расчетная нагрузка = 3,3т/м
(см. сбор нагрузок)
) Вычерчивание расчетной схемы
q = 3,3т/м
18000
ЭМ
Ммах= q x L2/8 (21)
) Построение эпюры изгибающих моментов и определение
максимального изгибающего момента
Ммах = q х L2/8, (22)
где: Ммах - максимальный изгибающий момент
q - интенсивность нагрузки
L - пролет балки
Ммах = q х L2/8 = 3,3т/м х 18м2/8 = 133т х м (23)
) Из основной формулы расчета балок на изгиб определяем
требуемый момент сопротивления сечения.
Wтр = Mmax/R, (24)
где: Wтр - требуемый момент сопротивления сечения
Ммах - максимальный изгибающий момент
R - расчетное сопротивление стали = 2100кг/см2
Wтр = Mmax/R = 13300000кг х см/2100кг/см2=6333,3см3
(25)
. Подбираем сечение сварной балки так чтобы W>WТР
а) Назначаем высоту балки.
Б) Назначаем размеры сечения.
в) Определяем момент инерции сечения относительно оси.
Iх = вh3/12+а2F, (26)
где: в - сторона параллельная оси, относительно которой
определяется момент инерции.
h - сторона перпендикулярная оси, относительно которой
определяется момент инерции
а - расстояние от общего центра тяжести сечения до центра
данной фигуры
F - площадь сечения.
Iх = вh3/12+а2F = (30х23/12+412х30х2)
х2+2х1003/12=201760+166666,6=368426,66см4
г) определяем момент сопротивления сечения.
Wх= Iх /у, где (27)
Wх - момент сопротивления сечения.
Iх - момент инерции сечения относительно оси х
у - расстояние от центра тяжести сечения до наиболее
удаленной точки сечения.
Wх= 274922,6см4/40=6873,06см3 (28)
сравниваем WТР=6333,3см3
Wх>WТР = 6873,06>6333,3, по этому сечение на
прочность выдерживает.
. Проверяем подобранное сечение на прогиб, определяем
относительный прогиб и сравниваем его с допустимым.
По CНиПу для данной балки допускаемый прогиб = 1/400 [f/] =1/400
f/L= 5 х q х l3/384Е х Iх, (29)
где: q - интенсивность нагрузки
Е - модуль упругости стали = 2х106т/см2
Iх - момент инерции сечения f/e= 5 х q х l3/384 Е х Iх = (5х33кг/смх183х106)
/ (384х2х106кг/см2 х 274922,6см4) =
962280/282951674,8=1/519
/419< [1/400], следовательно балка на прогиб проходит
Таблица 2.2.4 - Спецификация стали на 1 элемент
|
Спецификация
стали на 1 элемент
|
|
Марка элемента
|
Марка детали
|
Сечение
|
Длинна, мм
|
Кол-во
|
Масса, кг
|
|
|
|
|
т
|
н
|
детали
|
общая
|
элемент
|
|
Б-1
|
1
|
300х20
|
18000
|
1
|
1
|
842,4
|
1684,8
|
4972
|
|
2
|
1000х20
|
18000
|
1
|
|
2808
|
2808
|
|
|
3
|
140х20
|
960
|
11
|
11
|
21,84
|
480,5
|
|
2.3 Расчет колонны
Колонна-это вертикальный стержень работающий на сжатие с
продольным изгибом и передающий давление на фундамент.
Состоит стальная колонна из трех частей: база (башмак), ствол
(стержень), оголовок.
Возникновение продольного изгиба зависит от гибкости колонны,
гибкость колонны зависит от размеров сечения колонны и расчетной длины колонны,
расчетная длина колонны зависит от условий крепления концов колонны.
Порядок расчета
) Определяем расчетную схему и вычисляем расчетную длину
) Предварительный подбор сечения колонны
) Окончательный подбор сечения колонны
) Конструирование башмака и оголовка колонны
) Заполнение спецификации
Расчет колонн заключается в подборе сечения колонны таким
образом, чтобы площадь поперечного сечения была больше требуемой. Требуемая
площадь сечения определяется из основной формулы расчета элемента на продольное
сжатие
δ= N/φ х F ≤ R, (30)
где: δ - напряжение от действия
внешних усилий
N - расчетная нагрузка
F - площадь сечения
φ - коэффициент
продольного изгиба принимается по таблице в зависимости от гибкости элемента
R - расчетное сопротивление стали = 2100кг/см2
При предварительном расчете гибкость принимается в пределах
от 60 до 100. Гибкость определяется отношением расчетной длины колонны к
минимальному радиусу инерции сечения
Λ=lo/i min (31)
Алгоритм расчета центрально сжатой колонны сварного сечения.
. Расчетная нагрузка 41,5т
. Определяем расчетную длину колоны l=H=7,2м
. Задаемся гибкостью в пределах от 60 до 100, принимаем 2/100
По таблице определяем коэффициент продольного изгиба f=0,58
. Определяем требуемую площадь сечения колонны.
FТР=41500кг/0,58*2100=34,1см2
. F= (20смх1) х2+38х1см=78см2
. Определяем геометрические характеристики сечения.
а) Момент инерции сечения
I= вh3/12+а2 х F, где
в - сторона параллельная оси, h - сторона
перпендикулярная оси
а) - расстояние от центра тяжести всего сечения до центра
тяжести данной фигуры.
Iх= (20х113/12+19,52 х 20х1см) х2+1х383/12
= 15213,3+4572,66=19785,9см4
Iу= (1х383/12) х2+38см х1см3/12=9145,3+3,16=9148,4см4
б) Определяем радиусы инерции сечения.
iх= √ Iх /F, (32)
где: Iх - момент инерции сечения относительно оси х, F - площадь сечения
iх= √ Iх/F= √19785,9см4/78см2=
253,66см
iу= √ Iy /F, (33)
где: Iу - момент инерции сечения относительно оси y
F - площадь поперечного сечения
iу = √Iy /F = √9148,4/78см2=117,3см
. Проверка общей устойчивости производится исходя из i min=117,3см
. Проверяем подобранное сечение по основной формуле
δ= N/φ х F ≤ R
δ - напряжение от действия
внешних усилий
N - расчетная нагрузка = 41,5т=41500кг
F - площадь сечения = 78см2
φ - коэффициент продольного
изгиба
R - расчетное сопротивление стали = 2100кг/см2
а) Определяем гибкость по минимальному размеру инерции
сечения.
λ=lo/i min=720/117720/117,3см= 6,13
б) зная λ по таблице определяем
коэффициент продольного изгиба φ=1
δ= 41500кг/1 х78см2=532кг/см2<2100кг/см2
следовательно общая устойчивость обеспечена.
Таблица 2.3.5 - Спецификация стали на 1 элемент
|
Спецификация
стали на 1 элемент
|
|
Марка элемента
|
Марка детали
|
Сечение
|
Длина, мм
|
Кол-во
|
Масса, кг
|
|
|
|
|
т
|
н
|
Детали
|
Общая
|
Элемента
|
|
К-1
|
1
|
- 200х10
|
7200
|
1
|
1
|
112,32
|
224,64
|
559,8
|
|
2
|
- 400х10
|
7200
|
1
|
-
|
224,64
|
224,64
|
|
|
3
|
- 300х10
|
500
|
1
|
-
|
11,7
|
11,7
|
|
|
4
|
- 100х10
|
200
|
1
|
1
|
1,56
|
3,12
|
|
|
5
|
- 600х20
|
800
|
1
|
-
|
74,88
|
74,88
|
|
|
6
|
- 300х10
|
400
|
1
|
1
|
10,48
|
20,96
|
|
|
|
|
|
|
|
|
|
|
|
3. Организационно-технологическая часть
3.1
Разработка технологической карты
Основным документом на строительной площадке для производства
любых работ, является технологическая карта. Она является составляющей проекта
производства работ и ее состав определяется в соответствии со СНиП 3.0101-85
"Организация строительного производства". Технологическая карта
должна содержать следующие разделы: область применения, организация и
технология строительного производства; калькуляция затрат труда и машинного
времени и заработной платы; график производства работ; требования к качеству и
приемке работ; материально-технические ресурсы; мероприятия по ТБ; ТЭП.
В пояснительной части к графику приводятся расчеты
продолжительности производства работ и описание графика, в котором выделяются
особенности выполнения и увязки основных, подготовительных и сопутствующих
работ. Порядок разработки технологической карты не регламентируется нормативной
литературой. Он в каждом случае индивидуален и очень трудоемок, поскольку в
процессе разработки технологической карты после выполнения нескольких этапов,
при изменении хотя бы одного технологического параметра приходится возвращаться
к первым расчетам и вносить коррективы. Однако на основании существующего опыта
проектирования были определены общие принципы по разработке технологической
документации, не зависящие от вида строительной деятельности, особенностей
зданий и сооружений, состава технологических процессов и операций. На
первоначальном этапе необходимо внимательно проанализировать исходные данные.
Указать особенности возводимого здания и местные условия, влияющих на
технологию производства работ.
3.1.1
Определение объемов и трудоемкости работ
Объемы работ по монтажу конструкций подсчитываются на
основании рабочих чертежей объекта по единицам измерений, принятых в
соответствующих параграфах ЕНиР и СНиП. На здание или сооружение составляется
одна ведомость объемов работ.
Определение трудоемкости и затрат машинного времени
производится по ЕНиР.
График производства работ состоит из 2 частей: описательной
части (разрабатывается на основе ведомостей объемов работ и калькуляции
трудозатрат) и, графической части (может быть представлена в виде циклограммы
или линейного графика).
Основная задача при разработке графика производства работ -
это определение продолжительности выполнения различных работ,
последовательности их выполнения и взаимной увязки работ по захватам и во
времени.
Определение трудоемкости и затрат машинного времени
производится по ЕНиР. Результаты расчетов рекомендуется свести в табличную
форму. Для определения полной трудоемкости и необходимого срока производства
работ к трудоемкости, определенной для монтажных процессов, добавляется
трудоемкость следующих работ: обустройство конструкций до монтажа, укрупнение и
усиление, монтаж и демонтаж крана, окончательное закрепление конструкций с
помощью сварки и замоноличивание стыков. Затраты труда на эти работы
подсчитываются по соответствующим разделам ЕНиР. При заполнении таблиц в них не
должно оставаться пустых ячеек.
Таблица 3.1.1.6 - Ведомость объемов работ
|
. № п/п
|
Наименование
работ
|
Формула
подсчета
|
Ед. изм.
|
Объем работ
|
|
1
|
Предварительная
планировка грунта
|
К габаритам
здания прибавляем по 10м с каждой стороны Fпл= (10+L+10) x
(10+B+10) = (10+60+10) x (10+48+10) =5440м2
|
м2
|
5440
|
|
2
|
Срезка
растительного слоя
|
Согласно СНиП
плодородный слой почвы составляет 150мм, его необходимо срезать и уложить в
отвал Fср = Fпл V = Fср x hср=5440x0,15=816м3
|
м3
|
816
|
|
3
|
Разработка
котлована экскаватором
|
Котлован
представляет собой усеченную перевернутую пирамиду Определяем длину котлована
по нижнему основанию Lk = Lзд + Lф + 0,6м =
60м+2м+0,6м = 62,6м Определяем ширину котлована по нижнему основанию Вk =
Взд + Lф + 0,6м = 48м+2м+0.6м Глубина заложения = 2м
Отм. Земли - 0,150; В=1,85 Грунт - суглинок 1: 0,5 1,85х2=3,6 Определяем
длину котлована по верху Lвв=Lh+2хВ=60+2х3,6=67,2м
|
|
|
|
|
Определяем
ширину котлована по верху Ввв=Вh+2хВ=48+2х3,6=55,2м
V=h/4 (Bk+BkB)
(Lk + LkB), Где h - глубина котлована; Bk
- ширина котлована по низу, BkB - по верху; Lk
- длина котлована по низу, LkB - по верху. V=2/4
(62,6м+67,2м) х (50,6м+55,2м) =6859,93м3
|
м3
|
6859,9
|
|
4
|
Ручная доборка
грунта
|
Rгр=Vх0,07
= 6859,9х0,07 = 480,2м2
|
м2
|
480,2
|
Уплотнение
грунта
|
Fу= Bk
x Lk=62,6м х 50,6м=3167,5м2
|
м2
|
3167,5
|
|
6
|
Устройство
песчаного основания
|
Vп. о = F у х
0,15м = 475,12м3
|
м3
|
475,12
|
|
7
|
Монтаж
фундаментов Ф-1 Ф-2 Ф-3 Ф-4 Ф-5
|
V=5,06х46=230
|
штук м3
|
1 8 9 8 4 2
230
|
|
7
|
Монтаж
фундаментных балок
|
Vb=0,45х0,3х4,8=0,64
V=0,64х28=18
|
штук м3
|
28 18
|
|
8
|
Обратная
засыпка
|
Vобр. засыпка.
=Vк- (Vф+Vб) Vобр. засыпка=5200- (230+18) =4952
|
м3
|
4950
|
|
9
|
Монтаж колонн
К-1 К-2 К-3
|
|
штук
|
22 11 14
|
|
10
|
Монтаж
стропильных ферм
|
|
штук
|
11
|
|
11
|
Монтаж
стропильных балок
|
|
штук
|
11
|
|
12
|
Монтаж
подкрановых балок
|
|
штук
|
40
|
|
13
|
Монтаж стеновых
панелей СП-1 СП-2
|
6х1,2хКоличество
стеновых панелей 204х6х1,2=1468 36х6х1,8=388
|
штук м2
|
204 36 1470
390
|
|
14
|
Монтаж прогонов
|
LxB=48х60=2880
|
п. м. м2
|
1140 2880
|
|
15
|
Устройство
кровли
|
LxB=48х60=2880
|
м2
|
2880
|
|
16
|
Монтаж оконных
блоков
|
1,2х1,6хКоличество
блоков 1,2х6х48=3456
|
штук м2
|
48 3460
|
|
17
|
Монтаж ворот
|
F=LxhхКоличество=4,2х3,6х4=6
|
штук м2
|
4 60
|
|
18
|
Устройство
бетонного пола
|
LxB=48х60=2880
|
м2
|
2880
|
|
19
|
Оштукатуривание
стен простое
|
F= (60м+60м)
х10,8м+ (36мх60м) х7,2м = 1987,2м2 Fошт = F - Fворот
- Fост = 1987,2м2 - 460,6м2 - 60,6м2
= 1465,9м2
|
м2
|
1465,9
|
|
20
|
Окрашивание
стен известковым составом
|
|
м2
|
1465,9
|
|
21
|
Окрашивание
колонн, ферм и балок масляными составами
|
F=536,9м2+495м2+435,6м2=1467,5м2
|
м2
|
1467,5
|
|
22
|
Окрашивание
оконных рам и ворот
|
7,2м2
х 2,1 = 15,12м2 х 64шт = 967,7м2
|
м2
|
967,7
|
|
23
|
Устройство
основания под отмостку
|
F=2
(L+B=2a) a= 2 (60м+48м+2м)
1м = 112м2 V=112м2
х 0,1м = 11,2м3
|
м2
м3
|
112 11,2
|
|
24
|
Устройство
отмостки
|
|
м2
|
112
|
|
25
|
Сварка стальных
конструкций
|
L = Кол-во х
0,8/10=110х0,8/10= 8,8п. м
|
п. м
|
8,8
|
3.1.2 Описание технологии производства
При монтаже фундаментных балок запрещается выполнять работы,
связанные с нахождением людей на участке, над которым производится перемещение
и установка сборных конструкций.
Не допускается нахождение людей под монтируемыми элементами
конструкций до установки их в проектное положение.
Элементы монтируемых конструкций во время перемещения должны
удерживаться от раскачивания и вращения гибкими оттяжками.
Строповку конструкций необходимо производить средствами,
удовлетворяющими требованиям СНиП 12-03-2001 и обеспечивающими возможность
дистанционной расстроповки с рабочего горизонта в случаях, когда высота до
замка грузозахватного средства превышает 2м.
До начала выполнения монтажных работ необходимо установить
порядок обмена сигналами между лицом, руководящим монтажом, и машинистом. Все
сигналы подаются только одним лицом, кроме сигнала "Стоп", который
может быть подан любым работником, заметившим явную опасность.
Строповку монтируемых элементов следует производить в местах,
указанных в рабочих чертежах, и обеспечить их подъем и подачу к месту установки
в положении, близком к проектному. Запрещается подъем элементов строительных
конструкций, не имеющих монтажных петель, отверстий или маркировки и меток,
обеспечивающих их правильную строповку и монтаж.
Очистку подлежащих монтажу элементов строительных конструкций
от грязи и наледи необходимо производить до их подъема.
Монтируемые элементы следует поднимать плавно, без рывков,
раскачивания и вращения.
Поднимать конструкции следует в два приема: сначала на высоту
20-30см, затем, после проверки надежности строповки производить дальнейший
подъем.
При перемещении конструкций расстояние между ними и
выступающими частями других конструкций должно быть по горизонтали не менее 1м,
по вертикали - не менее 0,5м.
Во время перерывов в работе не допускается оставлять поднятые
элементы конструкций на весу.
Установленные в проектное положение элементы конструкций
должны быть закреплены так, чтобы обеспечивалась их устойчивость и
геометрическая неизменяемость.
Расстроповку элементов конструкций, установленных в проектное
положение, следует производить после постоянного или временного их закрепления
согласно проекту. Перемещать установленные элементы конструкций после их
расстроповки, за исключением случаев использования монтажной оснастки,
предусмотренных ППР, не допускается.
До окончания выверки и надежного закрепления установленных
элементов не допускается опирание на них вышерасположенных конструкций, если
это не предусмотрено ППР.
Запрещается выполнять монтажные работы при гололеде, грозе
или тумане, исключающем видимость в пределах фронта работ.
В состав работ по монтажу фундаментных балок входят:
· разбивка места установки
фундаментов на подготовленном основании;
· разметка осей
фундаментных балок;
· строповка и подача
фундаментных балок к месту установки;
· установка фундаментных
балок в проектное положение и их расстроповка;
· проверка положения балок
в плане.
Фундаментные балки монтируют согласно разбивочным осям,
закрепленным на обносках у верхней бровки котлована или в котловане вдоль его
нижней бровки.
Требуемая точность установки фундаментных балок в проектное
положение должна обеспечиваться детальными разбивочными работами и постоянным
геодезическим (инструментальным) контролем точности выполнения монтажных
операций, которые входят в технологический процесс монтажа фундаментных балок.
Для разбивки мест установки фундаментных балок, монтируемых
по периметру здания (сооружения), от основных осей путем отмера проектных
расстояний разбивают установочные оси, параллельные основным. Положение осей фиксируется
рисками и окрашивается краской на гранях бетонных столбиков, служащих
основанием для фундаментных балок. Осями для фундаментных балок, монтируемых
между колоннами, служат оси для установки колонн.
Перед монтажом на торцевые стороны фундаментных балок наносят
и окрашивают масляной краской установочные риски, фиксирующие середину сторон.
3.1.3
Выбор захватных приспособлений
Таблица 3.1.3.7 - Ведомость захватных приспособлений
|
№ п/п
|
Наименование
приспособлений
|
Назначение
|
Эскиз
|
Грузо-
Подъемность, т
|
Масса, кг
|
Расчетная
высота, м
|
|
1
|
Траверсы для
подъема колонн,
|
Для строповки
колонны
|
|
16
|
338
|
1,6
|
|
2
|
Штырево-строповные
грузоподъемные устройства
|
Для строповки
фундаментных балок
|
|
2,5
|
182
|
3,2
|
|
3
|
Траверсы для
подъема балок
|
Для строповки
стропиль-ныхбалок
|
|
9
|
386
|
3,5
|
|
4
|
Канатные стропы
четырехветвевые типа 4СК
|
Для строповки
стеновых панелей, панели остекления
|
|
20
|
147, 8
|
4,5
|
3.1.4 Выбор машин и механизмов
Выбор бульдозера
Исходные данные:
Размер здания: 48х60м;кот=2 м;
Грунт-суглинок;кот=6859,93м3.
а) определяем площадь предварительной планировки
участка:
Fп= (а+20) (b+20), (34)
где Fп - предварительная планировка участка, м2;
а - длина здания-60м;
b - ширина здания-48м;
Fп= (а+20) (b+20) = (60м+20) (48м+20)
=5440 м2
б) определяем, сколько проходок сделает бульдозер:
n= а/ bотв
, (35)
где n - количество проходок,
а - ширина участка - 68 м;
bот -
ширина отвала - 2,5 м;
n=
68м/2,5м
= 27 проходок
Выбираем бульдозер ДЗ-35 шириной отвала 2560 мм, скорость
7,4….16,18 км/ч, мощность двигателя 56кВт. Он сделает 27 проходок.
Выбор экскаватора
Для выбора ковша экскаватора используем таблицу из
справочника, где выбираем рекомендуемый объем ковша (q) в зависимости от группы
грунта, в нашем случае II гр., в зависимости от глубины котлована, в нашем
случае - 2 м и в зависимости от объема котлована, в нашем случае - 6859,9 м3,
соответственно рекомендуемый объем ковша 0,8 м3.
На основании выбранной емкости выбираем два экскаватора марок
ЭО-4322 (1 м3) и ЭО-5111Б (1 м3) сравниваем их
характеристики и выбираем подходящий.
а) Определяем техническую
производительность экскаваторов:
) экскаватор ЭО-4322:
Пт=q nт кр (36)
где Пт - техническая производительность, м3/ч;
q-геометрическая вместимость ковша - 1м3;
nт - наибольшие возможное число циклов в минуту при
данных условиях работы, с.
Кр - коэффициент влияния грунта, равный кн/кр=1,08/1,2=0,9
кн - коэффициент наполнения;
кр - коэффициент разрыхления.
Пт=q nт кр = 1м3 х
3х0.9=2,7х60=162м3/ч (37)
2) экскаватор ЭО-5111Б:
Пт=q nт кр (38)
где Пт - техническая производительность, м3/ч;
q-геометрическая вместимость ковша - 1м3;
nт - наибольшие возможное число циклов в минуту при
данных условиях работы, с.
Кр - коэффициент влияния грунта, равный
кн/кр=1,08/1,2=0,9 (39)
кн - коэффициент наполнения;
кр - коэффициент разрыхления.
Пт=q nт кр =
140,4м3/ч (40)
б) Определяем эксплуатационную
производительность:
) экскаватор ЭО-4322:
Пэ=Пт кв км
(41)
где Пэ - эксплуатационная производительность, м3/ч;
Пт - техническая производительность - 2,26 м3/ч;
кв - коэффициент, учитывающий использования
экскаватора по времени - 0,8;
км - коэффициент, учитывающий квалификацию
машиниста-0,86;
Пэ= Пт кв км=162м3/ч
х 0,8 х 0,86=111,45 м3/ч (41)
) экскаватор ЭО-5111Б:
Пэ=Пт кв км (42)
где Пэ - эксплуатационная производительность, м3/ч;
Пт - техническая производительность - 2,16 м3/ч;
кв - коэффициент, учитывающий использования
экскаватора по времени - 0,8;
км - коэффициент, учитывающий квалификацию
машиниста-0,86;
Пэ= Пт кв км=140,4м3/ч
х 0,8 х 0,86=96,59 м3/ч (42)
Вывод: Для работы выбираем ЭО-4322, потому что он более
производителен, чем ЭО-5111Б.
Выбор автотранспорта
При выборе автотранспорта необходимо соблюдать условие:
емкость кузова машины должна быть кратной емкости целого числа ковшей экскаватора
и должны вмещать не менее 3 ковшей
а) выбираем число автомобилей:
) определяем число ковшей
m= Q1/ (q х
кр), (43)
где m - число ковшей;
Q1 -
емкость кузова автомашины, 6,032м3;
q - геометрическая вместимость ковша-1м3,кe - коэффициент наполнения ковша-0,8.
m= Q1/ (q х
кр) = 6,032м3/ (1х1,2) =2,51 (43)
б) определяем грузоподъемность машины:
Pтр ≥
Q2, (44)
где Pтр - грузоподъемность машины, т;
Q2-объем
грунта погруженного в автомашину;
Q2=m Кр q, (45)
где
m - число ковшей-4,76;
Кр - коэффициент - 1,2;
q - геометрическая вместимость ковша-1м3;
Q2=m Кр q
=2,5х1,2х1=3м3 (45)

- вес 1м3 грунта-1,2т;
Pтр>Q2
=8>3,6 т
в) определяем число автомобилей:
N=
Tц / tпогр (46)
где N - число автомобилей,
Тц - продолжительность одного цикла работы, мин;
Тпогр - продолжительность погрузки самосвала или
автомашины, мин;
а) Определяем продолжительность погрузки самосвала или
автомашины:
Тпогр=t1+t2 (47)
где t1-время постановки машины под погрузку
(принимается 1 мин),
t2 - время стоянки автомашины под погрузкой,
Тпогр= t1+t2=1+1,94мин=2,94мин
(48)
б) Определяем продолжительность одного цикла работы:
Tц=t1+t2+t3+t4+t5+t6, (49)
где t3-время хода автомашины под погрузку (мин);
t4-время погрузки автомашины (принимается 1 мин);
t5 - время затраченное на перестановку автомашины
под разгрузку (принимается 1 мин);
t6-время хода автомашины от места погрузки к месту
работы экскаватора (мин);
t7 - время на передвижку автомашины в процессе
погрузки (принимается 1-2 мин);
Тц= t1+t2+t3+t4+t5+t6=1мин+
2,9 мин+0,42мин+1мин+1мин+0,42мин=6,74мин
в) Определяем время стоянки автомашины под погрузкой:
t2=Q2/Пээ
+t7 = 3,6/1,85+1=2,94мин (50)
где
t2 - время
стоянки автомашины под погрузкой, мин;
Q2-объем
грунта погруженного в автомашину-3,6 м3;
Пээ - производительность экскаватора эксплуатационная
t7 - время
на передвижку автомашины в процессе погрузки (принимается 1-2 мин);
г) Определяем время хода автомашины под погрузку:
T3=t6=60х L/Vср
, (51)
где L - дальность перевозок в один конец - 0,25
км;
Vcp - средняя скорость автотранспорта - 35 км/час.
T3=t6=60х L/Vср
=0,8 мин = 60х0,25км/35км/ч = 0,42мин
N=
Tц / tпогр =
6,74/2,9=3шт (52)
Выбираем автомобиль КамАЗ 5320, грузоподъемностью 8т в
составе 3 машин.
Выбор монтажного крана
Требуется подобрать кран для монтажа
сборных конструкций каркаса промышленного здания высотой 10,8м с размерами в
осях 48х60 (м). Ширина пролетов 30, 18 (м)
Выбор монтажного крана производим в
следующей последовательности:
1) Грузоподъемность
крана:
Qк=qэ+qт, (53)
где Qк - грузоподъемность
крана;
q - вес наиболее тяжелой
конструкции - стропильной фермы;
qT - вec стропа для монтажа фермы
Q= q,+qT
=2,67т+0,62т= 3,28 т (53)
2) высота подъема
стрелы:
Hc = Hm + hэ+1+hт+h0+2, (54)
где Hc - высота подъема;
Hm + hэ - высота здания;
hт - длинна стропа = 1,9м
Hc = Hm + hэ+1+hт+h0+2 = 14м+1м+3м+2м = 20м.
(54)
3) вылет стрелы:
Lс=В+f+1+Rэ. г (55)
где Lс - вылет стрелы;
В - ширина пролета в осях;
f - расстояние от оси до
выступающей части здания, равное толщине стеновой панели
Rэ. г - задний габарит крана
Lс=В+f+1+Rэ. г = 16+0,3+1+4=20,3м. (55)
Требуемая грузоподъемность крана 3,28 т;
Высота подъема стрелы 20м;
Вылет стрелы 20,3м.
Выбираем гусеничный кран МКГ-16М,
грузоподъемностью16 т, вылетом стрелы 22 метра, высота подъема крюка 26 метров.
3.1.5
Ведомость инструментов и приспособлений для выполнения работ по заданной
технологической карте
Таблица 3.1.5.8 - Ведомость инструментов и приспособлений
|
№ п/п
|
Наименование инструмента, приспособления
ления, основные параметры
|
ГОСТ № чертежа
|
Кол-во
|
|
1
|
Лом монтажный
|
ГОСТ 4405-72
|
2
|
|
2
|
Щетка стальная
|
Каталог
справочника
|
1
|
|
3
|
Кувалда
|
ГОСТ 11402-65
|
2
|
|
4
|
Лопата
|
ГОСТ 3620-63
|
2
|
|
5
|
Молоток
слесарный
|
ГОСТ 2310-70
|
2
|
|
6
|
Зубило
|
ГОСТ 7211-72
|
2
|
|
7
|
Скребок для
очистки заклеенных деталей
|
Каталог справочника
|
2
|
|
!
|
Метр стальной
складной
|
ГОСТ 7253-54
|
4
|
|
9
|
Рулетка
|
РС-50 ГОСТ
7502-69
|
1
|
|
10
|
Нивелир
|
ГОСТ 10529-70
|
1
|
|
11
|
Теодолит
|
ГОСТ 10528-69
|
2
|
|
12
|
ТК - 4 чертеж
555/12
|
1
|
|
13
|
Строп
универсальный 6м для перестановки колонны
|
|
1
|
|
14
|
Расчалка с
винтовой стяжкой и струбциной
|
Чертеж 5021-15
|
2
|
|
15
|
Стяжка из
пенькового каната 2 5-33 мм с карабинами
|
|
2
|
|
!
|
Клинья
инвентарные винтовые для выверки
|
Чертеж
15.02.01-08
|
8
|
|
17 18
|
Ведро Тележка
2х колесная с контейнером инструментов
|
Чертеж КБ-68051
|
1 1
|
|
18
|
Тележка 2х
колесная с контейнером инструментов
|
Чертеж КБ-68051
|
1
|
3.1.6 Контроль качества и приемка работ
За состояние строящегося здания и
сооружения проекту, техническим нормативам и экологическим требованиям
осуществляется систематический, государственный, ведомственный,
производственный и финансовый контроль. В РФ с 1994 года введена в действие
системы нормативных документов в строительстве, установлены требования к
строительной продукции. Применение этих документов позволяет обеспечить соблюдение
обязательных строительных норм, правил и стандартов к нормативным документам
субъектов РФ, к которым относятся территория строительства (ТСН) - эти
документы не дублируют государственные нормы и стандарты, а учитывают специфику
отросли, определенного субъекта РФ. К производственно-отраслевым документам
предприятия относится стандарты общественных объединений (СТМ и СТО).
Государственные стандарты по содержанию
можно разделить на 3 группы:
· на продукцию (15 видов)
· общетехнические (6 видов)
· организационно-методические
(3 вида)
К 1 группе стандартов на продукцию
относится стандарты общих технических требований, общих технических и
технологических условий на конкретный вид продукции. Они содержат требования к
применяемым материалам конструкциям, машинам, оснастки, инвентарю т.е. материал
ресурсы и средства производства.
2
группа
стандартов регламентирует типовые технологические процессы.
3
группа
стандартов определяет требования к технологической и производственной
документации.
Эти стандарты единой системы
конструкторский документации (ЕСКД) и системы проектной документации в
правительстве (СПДП) и единой системы технологической документации (ЕСТД).
Государственный пожарный надзор
(Госпожарнадзор) обеспечивает контроль за соблюдением норм пожарной
безопасности на различных этапах проектирования и строительства, а по окончанию
строительства участвует в работе приемной комиссии. Государственный санитарно -
эпидемический надзор (Госсанэпидемнадзор) следует за соблюдением требований
санитарной гигиены на стадии проектирования и строительства жилых, общественных
и производственных зданий и сооружений участвует в работе приемной комиссии.
Техническая инспекция труда ТНПР (профсоюзов) контролирует соблюдения норм по
охране труда, в том числе требования санитарии, участвует в работе приемочной
комиссии. Авторский надзор за строительством осуществляется представителями
проектной организации и фирмы. Технический надзор заказчика (застройщика)
осуществляется контроль объектов и качества работ. Сотрудники тех надзора
заказчика имеют право приостановить строительство, не принимать к оплате
работы, выполненные с нарушениями технологии и проектных решений.
3.2
Разработка строительного генерального плана
Генплан - представляет собой план строительной площадки, на которой
показано расположение временных зданий и сооружений, существующее постоянные
здания и сооружения, коммуникации дороги, механизмы складские площадки,
необходимые для производства СМР.
Принцип проектирования стройгенплана:
а) объем строительства временных сооружений должен быть
минимальным;
б) размещать временные здания, совмещать временные
здания технической безопасности и противопожарной нормы;
в) временные здания и сооружения располагать так чтобы
они были удобны при эксплуатации;
г) протяжения временных сетей водо - и энергоснабжения
должны быть минимальны;
д) временные здания и сооружения предусматривать
инвентарными и передвижными;
е) временные дороги, склады, площадки укрупнительной
сборки надо размещать так чтобы число перегрузов и перемещений строительных
грузов было минимальным.
На стройгенплане должны быть нанесены:
а) строительные объекты и имеющиеся на стой площадке
здания и сооружения, постоянные дороги и подъезды используемые в период
строительства;
б) временные дороги и подъезды;
в) пути перемещения монтажного крана;
г) склады для хранения строительных материалов,
инвентаря, изделий, инструментов;
д) временные здания и сооружения;
е) временные и используемые в период строительства
постоянного сетевого (газо-, водо-, электроснабжения, прожекторы для освещения
площадки, пожарные гидранты и места расположения с пожарным инвентарем,
площадка для отдыха рабочих, ограждение строительной площадки
и выпадом и ограждения опасной зоны.
В описание указывается назначение стройгенплана его важность,
и на какой период он разработан.
Необходимо указать схемы укладки конструкций и изделий,
материалов, целесообразность выбора временных зданий и сооружений, пояснение по
их размещению, затем дать пояснение по месту расположения трансформаторов и
пожарного гидранта.
3.2.1
Обоснование потребности строительства в складах
Для правильной организации складского хозяйства на
строительной площадке предусмотрено:
а) открытые площадки для хранения железобетонных
изделий, кирпича и других материалов, на которые не влияет колебания
температуры и влажности;
б) закрытые склады 2 типов:
·
отапливаемые
- для хранения лакокрасочных материалов, химикатов и т. п;
·
не
отапливаемые - для линолеума, рубероида, оконных и дверных блоков, кровельной
стали, лесоматериалов и другое).
Площадь складов рассчитывается по количеству материалов
Qзап. = Qобщ. / Тdnk,
где Qзап. - запас материалов на складе;
Qобщ. - общее количество материалов, необходимое для
строительства;
d - коэффициент неравномерности. Принимаемый для
автомобильного и железнодорожного транспорта 1,1;
Т - продолжительность расчетного периода (из календарного
плана), дней;
n - норма запасов материала в днях. Принимается для
автотранспорта на расстояние менее 50 км;
К - коэффициент неравномерности потребления материалов принимаемый
1,3.
Принимаются следующие нормы запаса материалов: 2-5 дней
местные (кирпич, щебень…); 10-15 дней - привозных (известь, окна…).
Полезная площадь склада F без проходов
определяется:
F=Qзап. / q
Где q - количество материалов укладывающихся на 1 м2
площади склада. Общая площадь склада:
S = F / β,
где β - коэффициент
использования, характеризуется отношением полезной площади склада к общей
(коэффициент на проходы).
Коэффициент на походы принимается:
а) Для закрытых складов - 0,6 - 0,7;
б) Для навесов - 0,5 - 0,6;
в) Для открытых складов лесоматериалов - 0,4
- 0,5;
г) Трудных строительных материалов - 0,6 -
0,7.
Расчет произведен на следующих страницах. Справочные данные,
необходимые для расчета площадей складов взяты из учебного пособия по проектированию
(Гаевой).
Таблица 3.2.1.9 - Ведомость расчета складских площадей.
|
Конструкции,
изделия, материалы.
|
Ед. изм.
|
Общая
потребность Qобщ.
|
Продолжительность
укладки материалов в конструкцию Т, дни
|
Наибольший
суточный расход, Qобщ
|
Число дней
запаса, n
|
Коэффициент не
равномерного потребления, d
|
Коэффициент
неравномерности потребления, k
|
Запас на
складе, Qзап
|
Норма хранения
на 1 м2 площади, q
|
Полезная
площадь склада F, м2
|
Коэффициент
использования площади склада, β
|
Полная площадь
склада S, м2
|
Размеры склада,
м
|
Характеристика
склада
|
|
Фундаментные
блоки и подушки
|
шт
|
171
|
4,5
|
24
|
3
|
1,1
|
1,3
|
8
|
0,9
|
38,7
|
0,4
|
24,5
|
8х103
|
открытый
|
|
Кирпич
|
тыс. шт
|
367,04
|
11
|
34,6
|
3
|
1,1
|
1,3
|
16
|
0,9
|
69,8
|
0,5
|
68,9
|
6х122
|
открытый
|
|
Плиты
перекрытия и покрытия
|
шт
|
44
|
4
|
19
|
3
|
1,1
|
1,3
|
14 8,8
|
0,9
|
36,7
|
0,4
|
67,4
|
7х10
|
открытый
|
|
кровельные
материалы
|
м2
|
1172,1
|
4
|
196,9
|
3
|
1,1
|
1,3
|
111 ,6
|
0,9
|
46,5
|
0,6
|
45,6
|
6х9
|
закрытый
|
|
лакокрасочные
изделия
|
кг
|
1990
|
3,5
|
180,9
|
3
|
1,1
|
1,3
|
26,6
|
0,9
|
29,7
|
0,6
|
38,9
|
6х9
|
закрытый
|
3.2.2 Обоснование потребности строительства во временных зданиях
К временным зданиям и сооружениям относятся:
а) служебные здания;
б) санитарно-бытовые помещения;
в) производственные временные мастерские, штукатурные и
малярные станции и др;
г) здания и сооружения.
Определение площадей временных зданий и сооружений производим
по максимальной численности работающих на строительной площадке - 16 человек и
нормативной площади на 1 человека.
Численность рабочих определяется по формуле:
Nобщ. = (Nраб. +Nитр. +Nслуж. +Nтоп.) К,
где Nобщ. - общая численность работающих на строительной
площадке;
Nраб. - численность рабочих, принимаемая по графику
изменения численности работающих по КП;
Nитр. - численность инженерно-технических работников
(ИТР);
Nслуж. - численность служащих;
Nтоп. - численность младшего обслуживающего персонала и
охраны;
К - коэффициент, учитывающий отпуска, болезни и др. неявки,
принимаемый 1,05.
|
Расчет площади
временных зданий Nраб = 155чел N итр= Nраб х
0,11=155 х 0,11=17чел Nслуж. = Nраб х 0,036 = 6чел Nмоп
= Nраб х 0,015 = 2чел Nобщ. = (155+17+6+2) х1,05 = 189
чел. Таблица 3.2.2.10 - Площадь временных зданий
|
|
|
|
|
|
|
|
|
|
|
|
|
№ п. п
|
Временное
здание
|
Кол-во рабочих
|
Кол-во площади
данных помещений,%
|
Площадь
помещений
|
Тип временного
здания
|
График здания
|
|
|
|
|
На 1 раб, м2
|
Общая, м2
|
|
|
|
1
|
Контора прораба
|
17
|
100
|
4
|
68
|
Передвижной
вагончик
|
16х3
|
|
Санитарно -
бытовые
|
|
2
|
Гардеробная
|
172
|
70
|
0,7
|
72,2
|
Передвижной
вагончик
|
16х3
|
|
3
|
Умывальная
|
189
|
50
|
0,2
|
18
|
Передвижной
вагончик
|
6 х 3
|
|
4
|
Сушка для обуви
и одежды
|
172
|
40
|
0,2
|
13
|
Передвижной
вагончик
|
6 х 3
|
|
5
|
Помещение для
приема пищи
|
172
|
50
|
0,1
|
86
|
Передвижной
вагончик
|
2,4. х 3
|
|
6
|
Туалет
|
189
|
100
|
0,1
|
-
|
Биотуалет
|
6 х 3
|
|
Производственные
помещения
|
|
7
|
Мастерские
столярные
|
|
|
|
|
|
4,1 х 2,2
|
|
8
|
Штукатурные
станции
|
|
|
|
|
|
6х3
|
|
|
|
|
|
|
|
|
|
|
|
3.2.3 Обоснование потребности строительства в воде
Водоснабжение строительства должно осуществляться с учётом
действующих систем водоснабжения, полная потребность в воде составляется:
В общ. =0,5 х (Впр. +В хоз.
+В душ) +Впож.
где Впр - производственные нужды;
В хоз - хозяйственно-бытовые нужды;
В душ - душевые установки;
Впож. - пожаротушения.
Расход воды на производстве, нужды определяются на основании
календарного плана и норм расхода воды. По максимальному потреблению находят,
секундный расход воды на производственные нужды:
Впр= ∑ (Вmax х К1) / (t1 х 3600)
где Вmax - максимальный расход воды на производственные
нужды;
К1 - коэффициент не равномерности воды равен от
1,5 до 2;
t1 - количество часов работы которой отнесён расход
воды (8 часов).
Впр= ∑ (Вmax х К1) / (t1 х 3600) = (375л х1,5) /
(8ч х 3600) =0,020л/с (61)
Расход на хозяйственно - бытовые нужды определяется
Вхоз= (Вmax х К2) / (t2 х 3600), (62)
где К2 - коэффициент не равномерности потребления
воды равно 2,7
t2=8 часов.
Вхоз= (Вmax х К2) / (t2 х 3600) = (1660х3) / (8ч
х 3600) =0,17л/с (62)
Расход воды на пожаротушение принимают равным десяти литрам в
секунду. Предусматривается одновременное действие двух струй по пяти литрам в
секунду.
Душевые зависят от общего числа рабочих расход воды за
вычетом ИТР и служащих на одного человека в дневную смену 20…25 литров для
площади с канализацией 10…15 для площадей без канализации нормативы расхода
воды на производственные нужды.
Таблица 3.2.3.11 - Расчёт водопотребления.
|
№ п/п
|
Процессы и
потребители
|
Ед. Изм.
|
Удельный расход
|
Длительность
потребления
|
|
1
|
Работа
экскаватора
|
Маш. Час.
|
10…15л
|
8ч.
|
|
2
|
Заправка
экскаватора
|
1 Маш.
|
80…120л
|
8ч.
|
|
3
|
Поливка бетона
и опалубки
|
м2
|
200…400л
|
24ч.
|
|
4
|
Штукатурные
работы
|
м2
|
7…8л
|
8ч
|
|
5
|
Малярные работы
|
м2
|
0,5…1л
|
8ч
|
Расчёт водоснабжения сводится в таблицу "График
потребления воды"
Диаметр временного трубопровода рассчитывается по формуле
Д= 4 х 1000 х Вобщ,
П х V
где П - 3,14;
V - 1,5-2л/сек для больших диаметров;
,7-1,2л/сек для малых диаметров.
Диаметр должен быть принят стандартного размера определённого
гостом. По нормам диаметра противопожарного трубопровода принимается ни
менее 100мм.
а) если расчётное значение диаметра превышает это
значение, то их округляют до ближнего по госту 125; 150; 175; 200мм;
б) если значение менее 100, то принимают равным 100мм.
Таблица 3.2.3.12 - Подсчёт временного
водоснабжения
|
Процессы
|
Объём
|
Продолжительность
|
|
1 работа
экскаватора
|
1маш
|
5
|
|
2 Поливка
бетона
|
145,56 м3
|
2,5
|
|
3 Штукатурные
работы
|
10 м3
|
4,5
|
|
4 Без
канализации
|
|
|
|
5 Скорость воды
|
1,5м/с
|
|
|
6 Численность
рабочих
|
55
|
|
Вобщ=0,5 (Впр+Вхоз+Вдуш) +Впож=
,5 х (0,02л/с+0,17л/с+0,06л/с) +10=10,12л/с. (64)
Определяем диаметр временного водопровода
Диаметр временного водопровода рассматриваем без учета
пожаротушения
D= √ 4х1000хВобщ / П х V, (65)
где: Вобщ = Впр+Вхоз+Вдуш
П = 3,14; V - скорость движения воды по трубам (1л/с)
D= √ 4х1000хВобщ / П х V = √
4х1000х0,25л/с/3,14х1л/с = 17,8мм,
По ГОСТу принимаем 21,3мм.
Так как рассчитанный диаметр меньше диаметра противопожарной
трубы, диаметр трубы принимаем 100мм.
3.2.4
Обоснование потребности строительства в электроэнергии
Необходимо решить вопросы электроснабжения строительной
площадки:
а) определить потребную мощность трансформаторную
(кВхА);
б) выбрать источники электроэнергии;
в) установить принципиальную схему электроснабжения,
потребителей и основных сетей на Стройгенплан.
Максимальное потребление 30 кВт + 8 кВт + 0,6 кВт = 38,8 кВт.
Растворонасос - 8 кВт - 345.
Вибратор ОР - 0,8 кВт.
Мощность силовой установки для производственных нужд:
Wпр=∑ Рпр х kc / cos φ,
где kc - коэффициент спроса:
Для освещения складов - 0,35, для внутреннего освещения -
0,8, для наружного - 1, для крана - 0,3, сварочного аппарата - 0,35. cos φ - коэффициент мощности.
Wпр = Рсвар. х Кс / cos φ + Рраств. х Кс / cos φ + Рвибр. х Кс / cos φ = 30 кВт х 0,35/0,4 + 8 кВт х 0,7/ 0,7 + 0,8 кВт х 0,4/0,5 =
19,6+4,5+0,8 = 24,9 кВт.
Мощность сети наружного освещения:
Wно= Кс ∑ Рно
Wно = Кс ∑ Рно=1х 6,8 =
6,8 кВт
Мощность сети внутреннего освещения
Wво =Кс∑ Рвс = 0,9 х 4 =
3,2 кВт
Отсюда общая мощность потребителей
Wобщ. = 24,9 + 6,8 + 3,2 = 34,9 кВт,
по которой определяется трансформатор
Wтр. = 1,1 х 34,9 = 38,39 кВт.
Принимаем ТМ - 60/7. мощностью 70 кВт, массой 459 кг.
Таблица 3.2.4.13 - График мощности установки.
|
№ п. п
|
Наименование
потребителей
|
Единица
измерения
|
Кол-во
|
Мощность
установки, эл/двиг КВт
|
Общая мощность,
КВт
|
|
На
производственные цеха
|
|
1
|
Сварочный
аппарат
|
шт
|
1
|
21
|
21
|
|
2
|
Электроинструмент
|
чел
|
34
|
0,5
|
17
|
|
Наружное
освещение
|
|
3
|
Монтаж ж/б
конструкций
|
1000 м2
|
8,2
|
1,4
|
4,48
|
|
4
|
Открытые склады
|
1000 м2
|
137,9
|
0,8
|
0,112
|
|
5
|
Строящиеся
дороги
|
км
|
|
2
|
|
|
Внутреннее
освещение
|
|
6
|
Контора
|
100м2
|
70
|
1,5
|
1,2
|
|
7
|
Гардеробная
|
100м2
|
55
|
1
|
0,55
|
|
8
|
Умывальная
|
100м2
|
13
|
1
|
0,13
|
|
9
|
Сушка для обуви
и одежды
|
100м2
|
10
|
1
|
0,10
|
|
10
|
Помещение для
приема пищи
|
100м2
|
7
|
1
|
0,7
|
|
|
|
|
Итого:
|
67,16
|
3.2.5
Временное теплоснабжение строительства
Общая потребность в тепле определяем по формуле:
Qобщ. = (Q1 + Q2) К1хК2.
где К1 - коэффициент, учитывающий потерю тепла в
сетях - 1,1; 1; 1,15;
К2 - коэффициент, отражающий добавку и неучтенные
расходы тепла 1,1 - 1,2;
Q1 - расход тепла на отопление здания и тепляков;
Q2 - тоже, на технологические нужды.
Объем здания = (13,2 м х 22,2м х 10,4 м) =3047,6 м3
Qобщ= Q2, Q1=0
Qобщ. =1,1х1,2
Источниками теплоснабжения строительных площадок являются
существующие ТЭЦ или центральная котельная промышленных предприятий.
3.2.6
Технико-экономические показатели строительного генерального плана
Экономичность выбранного решения стройгенплана определяется
ТЭП и представляется в таблице. Площадь стройгенплана определяется по
геометрическим правилам и формулам. Протяженность коммуникаций устанавливается
графически с учетом масштаба нанесенных сетей. Площадь временных зданий и
сооружений рассчитана.
Компактность стройгенплана характеризуется в % площади
застройки строящегося объекта к площади стройгенплана. То есть коэффициент Кнв.
Характеризуется отношением площади застройки временными сооружениями Fв к площади застройки
постоянными сооружениями Fп, выражается формулой
Кпв. =Fвх100/Fп.
Коэффициент Ксв., отражающий стоимость временных
сооружений Св по отношению к стоимости постоянных сооружений Сп,
определяется так:
Ксв. =Св. х100/Сп.
Таблица 3.2.6.14 - ТЭП Стройгенплана
|
№
|
Показатели
|
Ед. измер.
|
Величина
показателей
|
Примечание
|
|
п/п
|
|
|
|
|
|
1
|
Площадь
стройплощадки
|
м2
|
8748
|
-
|
|
2
|
Площадь
застройки проектируемого здания
|
м2
|
2880
|
-
|
|
3
|
Площадь
застройки временными зданиями и сооружениями
|
м2
|
257,2
|
-
|
|
4
|
Протяженность
временных дорог
|
м
|
195
|
-
|
|
5
|
Протяженность
временного водопровода
|
м
|
65,2
|
-
|
|
6
|
Протяженность
временной канализации
|
м
|
56,5
|
-
|
|
7
|
Протяженность
высоковольтной линии
|
м
|
25
|
-
|
|
8
|
Протяженность
электролинии
|
м
|
120
|
-
|
|
9
|
Протяженность
осветительной линии
|
м
|
150
|
-
|
|
10
|
Протяженность
линии ограждения
|
м
|
312
|
-
|
3.3 Разработка календарного плана
Календарный план - это документируемая модель строительного
производства, которая устанавливает последовательность и сроки выполнения работ
и процесса.
Календарный план является документом, который координирует
деятельность большого количества участвующих в строительстве организаций,
предприятий и отдельных фирм. Он определяет последовательность и
взаимозависимость, продолжительность и интенсивность работ, необходимость
трудовых и технических, материальных и финансовых ресурсов.
Наиболее распространены изобразительные (графические) модели
календарных планов: линейные графики, циклограммы, сетевые графики, табличные
формы (матрицы) распространены гораздо меньше.
В зависимости от стадии проектирования различают календарные
планы:
а) строительства комплексов зданий и сооружений или
комплексные укрупненные сетевые графики КУСГ;
б) строительства отдельных объектов (КГ);
в) отдельных строительных процессов в составе
технологических карт (ТК).
г) часовые графики при монтаже конструкций с
транспортных средств и разработке карт трудовых процессов (КТП).
По данным календарного плана строительства разрабатывают
следующие документы:
а) организационно-технологические схемы оптимальной
последовательности возведение зданий и сооружений;
б) ведомости потребности в конструкциях, материалах и
оборудовании с распределением по периодам строительства;
в) ведомость объемов СМР с выделением работ по основным
зданиям, комплексам и периодам строительства;
г) график потребности в основных строительных машинах.
Исходными данными для составления календарного плана
строительства комплекса зданий и сооружений являются:
а) строительная, сметная и другие части проекта, в том
числе ПОС;
б) разработанные раннее ведомости объемов работ, расчеты
ресурсов, организационно-технологические схемы и описания методов производства
сложных СМР;
в) нормативные и контрактные сроки строительства
комплекса;
г) документация изыскания, в том числе данные о
возможностях материально-технической базы строительства.
Календарный план строительства отдельного объекта (КП)
разрабатывается в разделе ППР на стадии рабочей документации. Он является
основным документом, по которому осуществляется руководство и контроль за ходом
СМР, координируются работы субподрядных организаций.
Сроки работ, установленные в КП, используются в качестве
исходных в детальных плановых документах: недельно-суточных графиках, сменных
заданиях и др.
Исходными данными для разработки КП являются:
а) комплексный календарный план в составе ПОС;
б) директивное задание и нормативы продолжительности
строительства;
в) рабочие чертежи и сметы;
г) данные о технических возможностях организаций -
участников строительства;
д) технологические карты на строительные процессы.
В процессе разработки КП составляется номенклатура работ,
подсчитываются их объемы. Рассчитывается нормативная трудоемкость работ
Выбираются методы выполнения работ и средства механизации;
определяются составы бригад и звеньев.
Определяется технологическая последовательность выполнения
работ и устанавливается число исполнителей и сметность работ.
3.3.1
Ведомость подсчета объемов работ.
Таблица 3.3.1.15 - Ведомость объемов работ.
|
№ п/п
|
Наименование
работ
|
Формула
подсчета
|
Ед. изм.
|
Объем работ
|
|
1
|
Предварительная
планировка грунта
|
К габаритам
здания прибавляем по 10м с каждой стороны Fпл= (10+L+10) x
(10+B+10) = (10+60+10) x (10+48+10) =5440м2
|
м2
|
5440
|
|
2
|
Срезка
растительного слоя
|
Согласно СНиП
плодородный слой почвы составляет 150мм, его необходимо срезать и уложить в
отвал Fср = Fпл V = Fср x hср=5440x0,15=816м3
|
м3
|
816
|
|
3
|
Разработка
котлована экскаватором
|
Котлован
представляет собой усеченную перевернутую пирамиду Определяем длину котлована
по нижнему основанию Lk = Lзд + Lф + 0,6м =
60м+2м+0,6м = 62,6м Определяем ширину котлована по нижнему основанию Вk =
Взд + Lф + 0,6м = 48м+2м+0.6м Глубина заложения = 2м
Отм. Земли - 0,150; В=1,85 Грунт - суглинок 1: 0,5 1,85х2=3,6 Определяем
длину котлована по верху Lвв=Lh+2хВ=60+2х3,6=67,2м
|
|
|
|
|
Определяем
ширину котлована по верху Ввв=Вh+2хВ=48+2х3,6=55,2м
V=h/4 (Bk+BkB)
(Lk + LkB), Где h - глубина котлована; Bk
- ширина котлована по низу, BkB - по верху; Lk
- длина котлована по низу, LkB - по верху. V=2/4
(62,6м+67,2м) х (50,6м+55,2м) =6859,93м3
|
м3
|
6859,9
|
|
4
|
Ручная доборка
грунта
|
Rгр=Vх0,07
= 6859,9х0,07 = 480,2м2
|
м2
|
480,2
|
|
5
|
Уплотнение
грунта
|
Fу= Bk
x Lk=62,6м х 50,6м=3167,5м2
|
м2
|
3167,5
|
|
6
|
Устройство
песчаного основания
|
Vп. о = F у х
0,15м = 475,12м3
|
м3
|
475,12
|
|
7
|
Монтаж
фундаментов Ф-1 Ф-2 Ф-3 Ф-4 Ф-5
|
V=5,06х46=230
|
штук м3
|
1 8 9 8 4 2
230
|
|
7
|
Монтаж
фундаментных балок
|
Vb=0,45х0,3х4,8=0,64
V=0,64х28=18
|
штук м3
|
28 18
|
|
8
|
Обратная
засыпка
|
Vобр. засыпка.
=Vк- (Vф+Vб) Vобр. засыпка=5200- (230+18) =4952
|
м3
|
4950
|
|
9
|
Монтаж колонн
К-1 К-2 К-3
|
|
штук
|
22 11 14
|
|
10
|
Монтаж
стропильных балок
|
|
штук
|
22
|
|
10
|
Монтаж
подкрановых балок
|
|
штук
|
40
|
|
11
|
Монтаж стеновых
панелей СП-1 СП-2
|
6х1,2хКоличество
стеновых панелей 204х6х1,2=1468 36х6х1,8=388
|
штук м2
|
204 36 1470
390
|
|
12
|
Монтаж прогонов
|
LxB=48х60=2880
|
п. м. м2
|
1140 2880
|
|
13
|
Устройство
кровли
|
LxB=48х60=2880
|
м2
|
2880
|
|
14
|
Монтаж оконных
блоков
|
1,2х1,6хКоличество
блоков 1,2х6х48=3456
|
штук м2
|
48 3460
|
|
15
|
Монтаж ворот
|
F=LxhхКоличество=4,2х3,6х4=6
|
штук м2
|
4 60
|
|
16
|
Устройство пола
|
LxB=48х60=2880
|
м2
|
2880
|
4. Экономическая часть
4.1 Особенности ценообразования в строительстве
Технико-экономические особенности, присущие строительной
продукции и ее производству оказывают влияние на ценообразование в
строительстве и обслуживании специфику методов определения цен на строительную
продукцию.
Основные отличия строительной продукции и ее производства от
промышленной продукции заключается в следующем:
Здания и сооружения отличаются капитальностью, значительными
единовременными затратами на их возведение, продолжительность строительного
производства, многообразием строительной продукции (строящихся здания и
сооружения резко различаются по назначению, объему, планировки, применяемым
материалам и конструкциям) локальной закрепленностью зависимостью характера
продукции и величины затрат на ее производство от разнообразных местных
условий.
Индивидуальной, в большей или меньшей степени характера
строительной продукции вызываемой осуществлением работ на заказ. На основе
проектов и смет, учитывающие различные требования и условия строительства
объектов, оказывает решающее влияния на ценообразование в строительстве.
Даже здания или сооружения при их возведения по одним и тем
же типовым проектам в разных районах или на разных строительных участках
отличаются друг от друга некоторыми конструктивными элементами и видами работ.
Следовательно, разными затратами на их возведение, хотя влияние на уровень
затрат в сравнение со строительством по индивидуальным проектам и значительно
меньше. В связи с особенностями строительной продукции и методами ее
производства цена каждого отдельного здания и сооружения определяются сметой,
составленной на основе проекта.
Таким образом, сметная стоимость строительных и монтажных
работ, утвержденная в установленном порядке, исполняет роль цены на
строительную продукцию, производимую строительными монтажными организациями
Структура сметной стоимости.
Сметная стоимость строительства состоит из 3 основных
разделов:
а) прямые затраты - ПЗ;
б) накладные расходы - НР;
в) сметная прибыль (плановые накопления) - ПН.
Определяется сметная стоимость сложение этих трех
составляющих
С= ПЗ+НР+ПН, (71)
где С - сметная стоимость строительства, рублях;
ПЗ - прямые затраты, рублях;
НР - накладные расходы, рублях;
ПН - плановые накопления, рублях.
Прямые затраты определяются сложением трех составляющих:
а) стоимость материалов, деталей, конструкций - М;
б) основная заработная плата - ОЗ;
в) расходы на эксплуатацию машин и механизмов - ЭМ.
ПЗ= М+ОЗ+ЭМ, (72)
где ПЗ - прямые затраты, рублях;
М - стоимость материалов, деталей, конструкций, рублях;
ОЗ - основная заработная плата, рублях;
ЭМ - расходы на эксплуатацию машин и механизмов, рублях.
Определяются на основе подсчета объемов работ по единичным
расценкам, подсчета объемов работ ведется по рабочим чертежам.
Накладные расходы определяются в процентах от фонда оплаты
труда (ФОТ)
НР=% ФОТ (73)
где НР - накладные расходы, рублях;
ФОТ - фонд оплаты труда рабочих, рублях.
Фонд оплаты труда определяется сложением основной заработной
платы рабочих и заработной платы рабочих обслуживающих машины и механизмы.
ФОТ=ОЗ+ОМ, (74)
где ФОТ - фонд оплаты труда рабочих, рублях;
ОЗ - основная заработная плата, рублях;
ОМ - заработной платы рабочих обслуживающих машины и
механизмы, рублях.
Сметная прибыль (плановые накопления) определяются в
процентном отношении от фонда оплаты труда:
ПН=% ФОТ, (75)
где ПН - сметная прибыль (плановые накопления), рублях; ФОТ -
фонд оплаты труда рабочих, рублях. Себестоимость строительства определяется
сложением прямых затраты и накладных расходов:
Сб= ПЗ+НР, (76)
где Сб - себестоимость строительства, рублях;
ПЗ - прямые затраты, рублях;
НР - накладные расходы, рублях.
Структура материалов, деталей, конструкций.
Сметной ценой на материалы учитывается:
а) оплата поставщикам стоимости материалов по отпускным
ценам;
б) расходы связанные с доставкой материалов от
источников их поступления (заводы, карьеры, склады снабженческих и сбытовых
организаций) до при объектных складов строительства;
в) затраты на тару и реквизит;
г) заготовительно-складские расходы.
Основная заработная плата рабочих. Оплата труда рабочих,
занятых непосредственно на строительно-монтажных работах.
Эксплуатация машин. Доставка машин на строительную площадку,
перемещение их с одного объекта на другой, монтаж и демонтаж, восстановительные
отчисления, ремонты, заработная плата машинистов, мотористов и другого
обслуживающего персонала, затраты на горюче-смазочные материалы,
электроэнергию.
Структура накладных расходов
а) административно - хозяйственные расходы
строительно-монтажных организаций;
б) расходов на обслуживание работников строительства;
в) расходы на организацию работ на строительных
площадках.
Административно - хозяйственные расходы строительно-монтажных
организаций:
а) расходы на оплату труда
административно-хозяйственного персонала:
1) работников аппарата управления;
2) линейного персонала;
3) рабочих осуществляющих хозяйственное обслуживание
работников аппарата (телефонистов, операторов связи, курьеров).
б) отчисление на социальные нужды;
в) почтово-телеграфные расходы, расходы на содержание и
эксплуатацию телефонных станций и других видов связи;
г) расходы на содержание и эксплуатацию вычислительной
техники;
д) расходы на содержание и эксплуатацию зданий,
сооружений, помещений, занимаемых и используемых административно-хозяйственным
персоналом;
е) расходы на приобретение канцелярных принадлежностей,
бланков учета, отчетности и других документов;
ж) расход на проведение всех видов ремонта основных
фондов, используемых административно-хозяйственным персоналом;
и) расходы на содержание и эксплуатацию служебного
легкого автотранспорта.
Расходы на обслуживание работников строительства.
а) затраты связанные с подготовкой и переподготовкой
кадров;
б) расходы на обеспечение санитарно-гигиенических и
бытовых условиях;
в) расходы на охрану труда и технику безопасности.
Себестоимость
Сметная себестоимость определяет величину затрат на
производство работ, учтенных в сметной стоимости и отражает издержки
производства предусмотренные в смете на основе расходов труда, материалов,
временных работ машин и накладные расходы.
Фактически себестоимость работ отражает в денежной форме все
фактические затраты на производство строительно-монтажных работ, определяемые
по данным бухгалтерского учета. Она включает так же и затраты не
предусмотренные сметами (штрафы, пени, потери материалов и др.)
Прибыль (плановые накопления)
Плановые накопления исчисляются в процентах от ФОТ и
предназначены для расширения производства, обновления оборудования,
экологического стимулирования. Процент зависит от вида работ.
Сметные нормативы
Сметные нормы - расход ресурсов (затраты труда рабочих, время
работы строительных машин, потребность в материалах) установленных на принятый
измеритель.
Назначение сметных нормативов определения количества ресурсов
для выполнения единицы работ.
а) нормы затрат труда на единицу времени;
б) нормы затрат рабочих-строителей;
в) нормы затрат машинного времени;
г) нормы расходов материалов, конструкций, деталей;
д) нормы сметных цен на материалы, конструкции, изделия;
е) нормы на перевозку грузов;
ж) нормы накладных затрат;
з) нормы плановых накоплений;
и) единичные расценки;
к) укрупнённые сметные нормы.
Методы определения сметной стоимости строительства.
Стоимость строительства не может быть постоянной величиной -
она меняется с изменением цен на ресурсы строительства.
Расчет стоимости ведется 2 методами:
а) ресурсный метод:
Ресурсный метод заключается в расчетах текущих или
прогнозируемых ценах стоимости необходимых ресурсов. Они составляются в
региональных центрах органов статистики;
б) базисно - индексный метод:
Базисно-индексный метод ведется на основе базисного уровня
цен зафиксированного на определенную дату умноженного на коэффициент
перерасчета - индекс на текущий год.
В настоящие время цены зафиксированы на 01.01.2001. года.
Расчеты ведутся по ФЕР 2001 (Федеральные единичные расценки 2001 года).
Таблица 4.1.16 - Нормативы накладных расходов по видам
строительных и монтажных работ в процентном отношение к ФОТ.
|
№ п/п
|
Виды
строительных работ
|
Норма накладных
расходов %
|
|
1
|
Земляные
работы, выполняемые механизированным способом
|
95
|
|
2
|
Земляные
работы, выполняемые ручным способом
|
80
|
|
3
|
Бетонные и
железобетонные монолитные конструкции в промышленном строительстве
|
105
|
|
4
|
Бетонные и
железобетонные монолитные конструкции в гражданском строительстве
|
120
|
|
5
|
Бетонные и
железобетонные сборные конструкции в промышленном строительстве
|
130
|
|
6
|
Бетонные и
железобетонные сборные конструкции в гражданском строительстве
|
155
|
|
7
|
Конструкции из
кирпича и блоков
|
122
|
|
8
|
Металлоконструкции
|
90
|
|
9
|
Деревянные
конструкции
|
118
|
|
10
|
Полы
|
123
|
|
11
|
Кровли
|
120
|
|
12
|
Отделочные
работы
|
105
|
|
13
|
Сантехнические
работы
|
128
|
Таблица 4.1.17 - Рекомендуемые нормативы сметной прибыли.
|
№ п/п
|
Виды
строительных работ
|
Норма сметной
прибыли %
|
|
1
|
Земляные
работы, выполняемые механизированным способом
|
48
|
|
2
|
Земляные
работы, выполняемые ручным способом
|
45
|
|
3
|
Фундаменты
|
75
|
|
4
|
Перекрытия
|
80
|
|
5
|
Стены
|
70
|
|
6
|
Перегородки
|
65
|
|
7
|
Полы
|
68
|
|
8
|
Кровли
|
65
|
|
9
|
Лестницы
|
60
|
|
10
|
Отделочные
работы
|
55
|
|
11
|
Сантехнические
работы
|
50
|
Укрупненные нормативы накладных расходов по основным видам
строительства:
Учет накладных расходов в составе сметной стоимости
строительства производится по определению величины накладных расходов в
строительстве - МДС 81-33.2004 ГОСТРОЯ России.
а) промышленное строительство - 106 %;
б) жилищно-гражданское строительство - 112%.
Укрупнённые нормативы сметной прибыли по основным видам
строительства:
Сметная прибыль как часть сметной стоимости сверх
себестоимости работ предназначена для уплаты налогов, развития производства,
социальной сферы, материального стимулирования работников.
а) промышленное строительство - 65 %;
б) жилищно-гражданское строительство - 78 %.
Рекомендуемые территориальные поправочные коэффициенты для
приведения элементов прямых затрат ФЕР 2001 к местным условиям Челябинской
области.
а) оплата труда рабочих - 1,1;
б) стоимость материалов - 1,14;
в) эксплуатация машин - 1,08.
Таблица 4.1.18 - Индексы цен на 4 квартал 2010 года к
базисным ценам 2001 г.
|
№ п/п
|
Наименование
объектов
|
На полный
комплекс работ
|
Основная
заработная плата
|
Эксплуатация
машин
|
Стоимость
материалов
|
|
1
|
Жилищно-гражданское
строительство
|
5,08
|
6,76
|
3,62
|
4,66
|
|
2
|
Промышленное
строительство
|
4,58
|
6,76
|
3,69
|
4,05
|
Состав сметной документации
Для определения сметной стоимости строительства проектируемых
зданий составляется сметная документация.
Виды сметной документации
а) локальные сметы:
на общестроительные работы;
на санитарно-технические работы.
б) объектные сметы;
в) сводный сметный расчет.
Определение объемов строительных работ
Объемы работ для смет подсчитываются в единицах измерения
сметных норм (графа 3 локальной сметы).
Иногда подсчет объемов работ необходимо вести в разных
показателях для производства работ и стоимости. Например: сметные нормы на
монтаж лестничных маршей установлены на одну штуку, а стоимость марша на 1 куб.
метр.
Определение строительного объема здания
а) промышленные здания - произведение и длины здания на
ширину здания по внешнему контуру стен на высоту, т.е. расстояние от нулевой
отметки до низа стропильных конструкций;
б) для гражданских зданий с чердачными перекрытиями -
произведение длины здания на ширину здания по внешнему контуру стен на высоту
здания от нулевой отметки до верха засыпки чердачного покрытия;
в) гражданских без чердака, произведение длины здания на
ширину здания по внешнему контуру стен на высоту здания от нулевой отметки до
верха очертания кровли;
г) земляные работы: глубина котлована принимается от
черной отметки земли до низа подошвы фундамента. Объем котлована
определяется по формуле:
V=
, (76)
где h - высота котлована, м;
а-длина здания, м;
b - ширина здания, м;
с - скос котлована, м.
Объем траншеи определяется произведение площади поперечного
сечения траншеи на длину:
Vтр=
(77)
где h - высота котлована, м;
а-длина здания, м;
b - ширина здания, м.
4.2
Локальная смета №1
Локальная смета - это первичный документ, составляется на
определенные виды работ (общестроительные, санитарно-технические,
электромонтажные).
Стоимость материалов, для определения укрупненных показателей
цен материала существуют нормативные сборники и прейскуранты оптовых цен. Цена.
зависит от того, какие строительные материалы (привозные или местные).
Основная заработная плата. Сумма заработной платы рабочих,
приходящаяся на каждую строительную конструкцию или работу в сметных нормах
определена исходя из потребного количества человека/часов и расчетно-тарифных
ставок рабочих строителей.
Стоимость эксплуатации машин. Это затраты на доставку машин,
перемещение с объекта на объект, монтаж и демонтаж, расходы, необходимые для
восстановления первоначальной стоимость и выполнение капитальных ремонтов, а
также текущих ремонтов строительных машин, заработная плата машинистов и
другого обслуживающего персонала, стоимость энергетических ресурсов, смазочных
материалов, сменных приспособлений и материалов.
К прямым затратам относятся: стоимость материалов,
конструкций, деталей и производственных включений; также сдельная и повременная
оплата труда рабочих; стоимость эксплуатации машин и механизмов.
Накладные расходы включают затраты на управление и
хозяйственное обслуживание строительно-монтажных работ и связаны с обеспечением
необходимых условий для функционирования процесса строительного производства.
Прямые затраты совместно с накладными расходами составляют
сметную себестоимость строительства.
Плановые накопления представляют собой нормативную сметную
прибыль, учитываемую в сметной стоимости строительно-монтажных работ.
Сметная стоимость - это сумма капитальных вложений на
строительство, реконструкцию и расширение зданий и сооружений.
4.3
Сводный сметный расчет стоимости строительства
Сводный сметный расчет - составляется, полной стоимости всех работ
включая работы на приобретение инструмента, оборудования, подготовку территорий
строительства, удорожание работ в зимнее время и другие сопутствующие расходы.
Сводный сметный расчет - составляется по следующим видам
работ:
а) подготовка территорий строительства - включает работы по
расчистке территорий, сносу строений, осушений территорий. Определяется в
процентном отношении к сметной стоимости объекта:
) для гражданских зданий 1-2%;
) для промышленных зданий 3,5%.
б) основные объекты строительства принимаются по итоговой
цифре объектной сметы.
в) благоустройство и озеленение территорий принимаются в
процентном отношении от значения затрат по объектной смете:
) для гражданских зданий до 4%;
) для промышленных зданий 3-4%.
г) временные здания и сооружения рассчитываются в процентном
отношении к сумме расходов граф 1,2,3 (1+2+3). Процент принимается в
зависимости от значения здания.
д) прочие работы и затраты - это затраты на удорожание
строительства в зимнее время. Принимается в количестве 1% от сложения граф
1,2,3.
е) резерв смет и непредвиденные расходы. В сводном сметном
расчете необходимо предусматривать резерв средств на непредвиденные расходы.
Они определяются в процентном отношении от суммы граф 1,2,3,4,5:
) для промышленных зданий - 3%;
) для гражданских зданий - 2%.
Сводный сметный расчет
а) Подготовка территорий строительства определяется в
процентном отношении к сметной стоимости объекта - для промышленного здания
(3,5%):
71334342,47×0,035=2496701,99 руб.;
б) Основные объекты строительства. Принимается по итоговой
сумме объектной сметы: 71334342,47 руб.;
в) Благоустройство и озеленение территорий для промышленного
здания - 3-4% (3%):
71334342,47×0,03=2140030,27 руб.;
г) Временные здания и сооружения рассчитываются в процентном
отношении к сумме расходов граф 1,2,3 (1+2+3). Для промышленного здания
предприятия машиностроения - 3,1%:
,99 +71334342,47 +2140030,27 =75971074,73 руб.
75971074,73×0,031=2355103,31руб.;
д) Прочие работы и затраты принимается в количестве 1% от
сложения граф 1,2,3:
,99 +71334342,47 +2140030,27 =75971074,73 руб.
75971074,73×0,01=759710,75 руб.;
е) Резерв средств на непредвиденные расходы определяются в
процентном отношении от суммы граф 1,2,3,4,5 - для промышленного здания (3%):
,99 +71334342,47 +2140030,27+2355103,31+759710,75 =
79085888,8р
,8х0,03=2372576,66 руб.
Таблица 4.3.19 - Сводный сметный расчет
|
№ п/п
|
Номер смет и
расчетов
|
Объект работы и
вид
|
Сметная
стоимость, тыс. р.
|
Общая
стоимость
|
|
|
|
Строительных
работ
|
Монтажных работ
|
Оборудование и
мебели
|
Прочие затраты
|
|
|
1
|
|
Подготовка
территорий строительства
|
2496,70
|
-
|
-
|
-
|
2496,70
|
|
2
|
|
Основные
объекты строительства
|
71334,34
|
-
|
-
|
-
|
71334,34
|
|
3
|
|
Благоустройство
и озеленение территорий
|
2140,03
|
-
|
-
|
-
|
2140,03
|
|
4
|
|
Временные здания
и сооружения
|
2355,10
|
-
|
-
|
-
|
2355,10
|
|
5
|
|
Прочие затраты
|
-
|
-
|
-
|
759,71
|
759,71
|
|
6
|
|
Резерв смет и
непредвиденные расходы
|
-
|
-
|
-
|
2372,57
|
2372,57
|
Всего: 814584,65
4.4 Основные технико-экономические показатели проекта (ТЭП)
Завершающая стадия - подсчет технико-экономических
показателей проекта. Они служат для явления эффективности проекта.
Основные технико-экономические показатели промышленных зданий
а) общая сметная стоимость - она принимается по
значению из сводного сметного расчета;
б) сметная стоимость работ - принимается по объектной
смете;
в) общая стоимость 1 м3 здания - определяется
путем деления общей сметной стоимости (графа 1) на объем здания;
г) стоимость 1м3 по общестроительным работам
- определяется путем деления сметной стоимости общестроительных работ
(локальная смета №1 всего по смете) на объем здания;
д) стоимость 1 м2 производственной площади -
определяется отношением общей сметной стоимости (графа 1) на площадь здания;
е) нормативная трудоемкость принимается по локальной
смете №1;
ж) сметная заработная плата - принимается по локальной
смете №1 проиндексированная;
з) степень сборности - определяется, отношением
стоимости сборных элементов (по графе 7 локальной сметы): колонны, балки,
фермы, плиты покрытия, подкрановые балки, стеновые панели, фундаментные балки;
к стоимости "итого по смете" графа 7;
и) строительный объем здания - определяется умножением
площади горизонтального сечения здания по внешнему обводу стен на высоту здания
- расстояние от уровня чистого пола до низа стропильных конструкций;
к) площадь застройки - определяется умножение длины
здания на ширину здания по внешнему контуру стен.
Технико-экономические показатели:
а) общая сметная стоимость - 71334342,47 руб.;
б) общая стоимость 1 м3 = 71334342,47 руб
/27815,40 м3=2564,6 руб.;
в) стоимость 1 м3 по общестроительным работам:
71334342,47 руб /27815,40 м3=2564,6 руб;
г) стоимость 1 м2 производственной площади:
71334342,47 /2880=24768,87 руб.;
д) сметная заработная плата - 802849,71 руб.;
е) строительный объем здания: (60м+0,6м) х (30м+0,3м) х10,8м
= 19830,74 м3; (60м+0,6м) х (18м+0,3м) х7,2м = 7984,65 м3;
19830,74 м3+7984,65 м3=27815,40 м3;
ж) площадь застройки - (60+2) × (48+2) =3100 м2.
Таблица 4.4.17 - Технико-экономические показатели
|
Технико-экономические
показатели
|
|
№п/п
|
Показатель
|
Ед. изм.
|
Значение
|
|
1
|
Общая сметная
стоимость
|
руб.
|
71334342,47
|
|
2
|
Общая стоимость
1 м3
|
руб.
|
2564,6
|
|
3
|
Стоимость 1 м3
по общестроительным работам
|
руб.
|
2564,6
|
|
4
|
Стоимость 1 м2
производственной площади
|
руб.
|
24768,87
|
|
5
|
Сметная
заработная плата
|
руб.
|
802849,71
|
|
6
|
Строительный
объем здания
|
м3
|
27815,40
|
|
7
|
Площадь
застройки
|
м2
|
3100
|
5. Охрана труда
Государство отдало работодателям часть
функций по обеспечению охраны труда, оставив за собой права надзора и
сосредоточившего главным образом в ведения Минтруда России и Минстроя России.
В строительной отрасли выдвигаются
повышение требование к созданию и обеспечению благоприятных для здоровья и
безопасных условий труда из-за специфики производства:
1)
рассредоточенность
в расположении строительных объектов, не редко значительна отдаленность их от
культурно-бытовых центров.
2)
многообразие
типов машин, механизмов и приспособлений большинство из которых имеет
электроприводы.
3)
необходимость
работать под открытым небом, часто при неблагоприятных погодных условиях (снег,
дождь, слякоть).
Охрана труда складывается из многообразия
технических, организационных, социально-технических, санитарно-гигиенических и
других мероприятий и заключают в себе:
1)
Трудовое
законодательство предусматривающие и разрешающие правовые вопросы трудовых
взаимоотношений.
2)
Техника
безопасности - отражающею организационные и технологические мероприятия при
выполнении строительно-монтажных работах
3)
Производственная
санитария - учитывающею влияние условий, труд производственных процессов и
профилактические санитарно- гигиенические мероприятия.
4)
Противопожарную
безопасность предусматривающую мероприятия по предупреждению пожаров и
устанавливающею нормы проектирования здания с целью улучшение их
противопожарного состояния.
Существует системы трехступенчатого
оперативного контроля охраны труда непосредственно на рабочих местах и на
предприятиях в целом.
1
ступень
контроля: обеспечивается мастер или прораб, бригадир и общественный инспектор
по охране труда из состава бригады ежедневно в начале смены.
2
ступень
контроля: обеспечивают начальник участка (старший прораб и общественный
инспектор по охране труда с участием мастера не реже одного раза в неделю).
3
ступень
контроля: обеспечивает постоянно действующая комиссия по безопасности труда
организации ни реже одного раза в месяц.
4
Проверяются
результаты 1 и 2 ступени, а также реакции на постановления и приказы по
обеспечению безопасных условий труда и быта.
Организация и выполнение работ в строительном производстве,
промышленности строительных материалов и строительной индустрии должна
осуществляться при соблюдении законодательства Российской Федерации об охране
труда, а также иных нормативных правовых актов, установленных Перечнем видов,
нормативных правовых актов, утвержденных Постановлением Правительства
Российской Федерации от 23 мая 2000 года № 399 "О нормативных правовых
актах, содержащих государственные нормативные требования охраны труда".
В случаях применения методов работ, материалов, конструкций,
машин, инструмента, инвентаря, технологической оснастки, оборудования и
транспортных средств по которым требования безопасного производства работ не
предусмотрены настоящими нормами и правилами, следует применять соответствующие
нормативные правовые акты по охране труда субъектов Российской Федерации, а
также производственно-отраслевые нормативные документы организаций (стандарты
предприятий по безопасности труда, инструкции по охране труда работников
организаций).
Строительные машины, транспортные средства, производственное
оборудование (машины для штукатурных и малярных работ, люльки, передвижные
леса, домкраты, грузовые лебедки и др.), ручные машины и инструменты
соответствовать требованиям государственных стандартов по безопасности труда, а
вновь приобретаемые - как правило, иметь сертификат на соответствие требованиям
безопасности труда.
Также должны соблюдаться требования к обустройству и
содержанию производственных территорий, участков, работ и рабочих мест;
требования безопасности при складировании материалов и конструкций, а также обеспечение
электро- и пожаробезопасности.
Допуск к монтажу строительных конструкций могут получить
лица, имеющие удостоверение на право производства работ и достигшие 18 лет,
обученные по специальной программе, прошедшие медицинский осмотр, инструктажи
(вводный и на рабочем месте) по ТБ и ПБ.
К верхолазным работам, т.е. работам, выполняемым на высоте
более 5 м от поверхности грунта, перекрытия или настила, допускают специально
обученных монтажников - мужчин в возрасте от 18 до 60 лет, прошедших мед.
Осмотр на годность к верхолазным работам, имеющим тарифный разряд не ниже 3 и
стаж монтажных работ не менее 1 года.
Стропальщики и сварщики обучаются по специальным программам
Госгортехнадзора. В рабочее время они должны иметь при себе удостоверение на
право производства работ. Основными сферами создания условий для безопасной
работы и перемещения на высоте является временные настилы, подмости и
ограждения, защитные сетки, страховочные канаты, предохранительные пояса и
монтажные каски.
При ветре силой более 6 баллов (скорость 10,8 - 13,8 м/с)
работу прекращают, а кран закрепляют противоугонным приспособлением.
Монтажные лебедки для подъема грузов испытывают 1 раз в год
нагрузкой, в 1,25 раза превышающей рабочую, а лебедки для подъема людей -
статической и динамической нагрузками, превышающими их грузоподъемность
соответственно в 1,5 и 1,1 раза.
Съемные грузозахватные приспособления при техническом
освидетельствовании после изготовления или ремонта, а при эксплуатации через
каждые 6 месяцев осматривают и испытывают нагрузкой.
Организация работ.
Совмещение монтажа с какими-либо другими работами по одной
вертикали в пределах монтажного участка запрещается.
При монтаже ж/б и стальных элементов конструкций,
трубопроводов и оборудования, необходимо предусматривать мероприятия по
предупреждению воздействия на работников, следующих опасных и вредных
производственных факторов:
а) расположение рабочих мест вблизи перепада по высоте
1,3 м и более;
б) передвигающиеся конструкции, грузы;
в) обрушение незакрепленных элементов конструкций зданий
и сооружений;
г) падение вышерасположенных материалов,
инструмента;
д) опрокидывание машин, падение их частей;
е) повышенное напряжение в электрической цепи,
замыкание которой может произойти через тело человека.
При наличии опасных и вредных производственных факторов,
безопасность СМР должна быть обеспечена на основе выполнения содержащихся в
организационно - технологической документации решений по охране труда.
Монтаж конструкций зданий следует начинать, как правило, с
пространственно-устойчивой части: связевой ячейки, ядра жесткости…
Распаковка и расконсервация подлежащего монтажу оборудования
должны производиться в зоне, отведенной в соответствии с ППР, и осуществляться
на специальных стеллажах или прокладках высотой не менее 100 мм.
Организация рабочих мест.
В процессе монтажа конструкций зданий или сооружений
монтажники должны находиться на ранее установленных и надежно закрепленных
конструкциях или средствах подмащивания.
Запрещается пребывание людей на элементах конструкций и
оборудования во время их подъема и перемещения.
Навесные монтажные площадки, лестницы и др. следует
устанавливать на монтируемых конструкциях до их подъема.
Для перехода с одной конструкции на другую следует применять
лестницы, переходные мостики и трапы, имеющие ограждения.
Не допускается нахождение людей под монтируемыми элементами
конструкций и оборудования до установки их в проектное положение.
Порядок производства работ.
До начала выполнения работ необходимо установить порядок
обмена сигналами между лицом, руководящим монтажом и машинистом. Все сигналы
подаются только одним лицом, кроме сигнала "Стоп".
Строповку монтируемых элементов следует производить в местах,
указанных в рабочих чертежах. Монтируемые элементы следует поднимать плавно,
без рывков, раскачивания и вращения.
При перемещении конструкций или оборудования расстояние между
ними и выступающими частями смонтированного оборудования должно быть по
горизонтали не менее 1 м, по вертикали - не менее 0,5 м.
Во время перерывов в работе не допускается оставлять поднятые
элементы конструкций и оборудования на весу.
Установленные в проектное положение элементы конструкций или
оборудования должны быть закреплены так, чтобы обеспечивалась их устойчивость и
геометрическая изменяемость.
Расстроповку элементов конструкций и оборудования,
установленных в проектное положение, следует производить после постоянного или
временного их закрепления согласно проекту.
До окончания выверки и надежного закрепления, установленных
элементов не допускается опирание на них вышерасположенных конструкций, если
это не предусмотрено ППР.
Перемещение конструкций или оборудования несколькими
подъемными или тяговыми устройствами необходимо осуществлять согласно ППР, под
непосредственным руководством лиц, ответственных за безопасное производство
работ кранами, при этом нагрузка, приходящаяся на каждый из них, не должна
превышать грузоподъемность крана.
Библиографический
список
Основные
источники:
Учебники:
. Вильчик,
Н.П. Архитектура зданий: учебник / Н.П. Вильчик. - М.: ИНФРА-М, 2008.
2. Белоконев,
Е.Н. Основы архитектуры зданий и сооружений: учебник / Е.Н. Белоконев А.З.
Абуханов. - Ростов н/Д.: Феникс, 2005.
. Маклакова,
Т.Т. Конструкции гражданских зданий: учебник / Т.Т. Маклакова С.М. Наносова. -
М.: АСВ, 2007.
. Короев,
Ю.И. Черчение для строителей: учебник для проф. учеб. заведений / Ю.И. Короев.
- М.: Высшая школа, 2003.
. Соколов,
Г.К. Технология и организация строительства: Учебник / Г.К. Соколов. - М.:
Академия, 2002
Дополнительные
источники:
Учебники:
.
Сокова, С.Д. Основы технологии и организации строительно-монтажных работ:
учебник / С.Д. Сокова. М.: ИНФРА-М, 2010.
.
Любарский, А.Д. Технология и организация строительного производства. Охрана
труда: учебник / А.Д. Любарский. - М.: Высшая школа, 2004.
Справочники:
.
Аханов, В.С. Справочник строителя: справочник / В.С. Аханов. - Ростов н/Д.:
Феникс, 1999.