Расчет электронного трансформатора

  • Вид работы:
    Курсовая работа (т)
  • Предмет:
    Информатика, ВТ, телекоммуникации
  • Язык:
    Русский
    ,
    Формат файла:
    MS Word
    149,25 Кб
  • Опубликовано:
    2015-05-30
Вы можете узнать стоимость помощи в написании студенческой работы.
Помощь в написании работы, которую точно примут!

Расчет электронного трансформатора















Курсовая работа

по курсу «Силовые ПЭЭ»

РАСЧЕТ ЭЛЕКТРОННОГО ТРАНСФОРМАТОРА

Содержание

Введение

. Назначение основных блоков электронного трансформатора

. Выбор и расчет входного выпрямителя и фильтра

3. Выбор и расчет схемы силового инвертора

4. Расчет трансформатора

5. Выбор и расчет выходного выпрямителя и фильтра

6. Разработка системы управления силового инвертора

. Блок защиты

Заключение

Список использованных источников

Введение

Электронным трансформатором называется такое устройство, которое преобразует напряжение или ток одной величины в другое, с минимальными потерями электрической энергии, а так же при этом имеет наименьшие массогабаритные величины. Это достигается путем преобразования входной величины с одной частотой в величину с большей частотой с помощью силового выпрямителя и инвертора.

Основными частями электронного трансформатора являются: силовой выпрямитель, сглаживающий фильтр, инвертор, трансформатор.

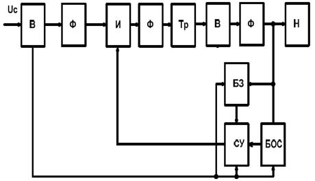
Блок схема источника питания будет иметь вид:

Рисунок 1 - Блок схема электронного трансформатора

Обозначения на рисунке:

В - выпрямитель

Ф - сглаживающий фильтр

И - инвертор, Т - трансформатор

Н - нагрузка

Выпрямитель служит для преобразования энергии переменного напряжения в энергию постоянного напряжения.

Сглаживающий фильтр необходим для уменьшения пульсации выпрямленного напряжения. Инвертор необходим для преобразования энергии постоянного напряжения в энергию переменного напряжения. Трансформатор, предназначен для или понижения напряжения сети до необходимой величины и гальванической развязки системы.

1.      Назначение основных блоков электронного трансформатора

Рисунок 2- Функциональная схема

Функциональная схема такой системы приведена на рис. 2 и содержит следующие блоки:

В - сетевой выпрямитель;

Ф - низкочастотный сглаживающий фильтр;

И - инвертор (регулирующий орган);

Тр - силовой трансформатор;

Н - блок нагрузок;

СУ - схема управления;

БЗ - блок защиты;

БОС - блок обратной связи.

Входной сетевой выпрямитель в зависимости от питающей сети может быть одно или трехфазным, неуправляемым, а для расширения функциональных возможностей (изменения уровня выпрямленного напряжения) - управляемым.

Сглаживающий фильтр выполняет функции фильтрации (уменьшения) переменной составляющей выпрямленного напряжения до уровня, который требуется по условиям эксплуатации для регулирующего органа, питающегося от входного выпрямителя, ограничения зарядного тока конденсатора фильтра, компенсации кратковременных провалов напряжения питающей сети.

Задача инвертора (И) заключается в преобразовании входного постоянного напряжения в переменное, прямоугольное или ступенчато-синусоидальное с одновременным регулированием его значения.

Трансформатор обеспечивает гальваническую развязку нагрузки от питающей сети и служит для согласования уровней входного и неограниченного числа, в общем случае, выходных напряжений, в частном случае он может быть исключен.

Схема управления предназначена для обеспечения работоспособности системы во всех режимах и по принципу действия может быть реализована как аналоговой, так и с использованием дискретных полупроводниковых элементов; цифровой, в которой функциональные узлы могут быть выполнены на базе логических элементов или цифровых интегральных микросхем более высокого уровня. Еще более высокий уровень интеграции достигается использованием микропроцессорной техники. Наиболее распространены комбинированные схемы управления, в которых используется и аналоговая, и цифровая, включая процессоры, схемотехника. Схема управления инвертором основного канала формирует сигналы управления силовыми ключами по заданному алгоритму и обеспечивает тем самым возможность регулирования выходного напряжения в требуемом диапазоне. Структура построения схемы управления может быть либо одноканальной, в которой разделение сигналов управления осуществляется на последнем этапе, либо многоканальной - в ней управляющие каждым ключом сигналы формируются независимыми каналами.

Для поддержания одного или нескольких выходных параметров системы с заданной точностью при воздействии возмущающих факторов последняя должна быть замкнута с помощью отрицательных обратных связей по этим параметрам. Задача обратной связи заключается в измерении выходной величины и передаче сигнала с выхода системы на информационный вход схемы управления. При этом сигнал должен быть приведен к виду, удобному для сравнения его с задающим, и соответствовать ему по уровню. В электрических системах наиболее часто стоит задача стабилизации либо выходного напряжения, либо тока нагрузки. Если в устройстве есть обе отрицательные связи, то они не должны работать одновременно. При работе одной из них другая должна быть отключена, и наоборот. На блок защит возлагается задача ограничения несанкционированного изменения тока и напряжений, превышающих допустимые техническими условиями эксплуатации значения, на полупроводниковых и других элементах системы. Использование традиционных средств защиты от аварийных перегрузок (плавких предохранителей, токовых реле теплового или электромеханического действия) не обеспечивает защиты полупроводниковых элементов ввиду недостаточного быстродействия при высоких скоростях развития опасных процессов (сверхтоков и перенапряжений). Поэтому схемы защиты выполняются в виде электронных схем, воздействующих на схему управления или дополнительные элементы с целью ограничения контролируемых параметров в допустимых пределах.

.        Выбор и расчет входного выпрямителя и фильтра

Однофазная питающая сеть переменного тока и безтрансформаторный вход предусматривают мостовую схему выпрямителя, приведенную на рис. 3. При учете диапазона изменения напряжения питающей сети (отклонение вниз от номинала на 10 %) значение напряжения на выходе входного фильтра не превышает


даже на холостом ходу (конденсатор входного фильтра заряжен до напряжения, равного амплитуде напряжения питающей сети). В рабочем режиме  будет еще ниже на величину падения напряжения на диодах выпрямителя, элементах фильтра. Так как вход выпрямителя бестрансформаторный, коммутационными потерями можно пренебречь и величину выпрямленного напряжения можно считать по соотношениям для идеального выпрямителя.

Рисунок 3 - Входной выпрямитель и фильтр

Наибольшее значение напряжения на выходе фильтра (режим холостого хода - конденсатор фильтра заряжен до амплитуды входного переменного напряжения) определится соотношением:

Для определения электрических параметров диодов выпрямителя и элементов фильтра необходимо определить мощность, потребляемую инвертором через характеристики нагрузки и примерные КПД узлов, последовательно включенных в силовой цепи.


- номинальная мощность на нагрузке

 - КПД трансформатора ( = 0,99÷0,94). Для трансформатора средней мощности примем η тр = 0,96;

 - КПД фильтра на выходе инвертора (как правило, задаются падением напряжения на активном сопротивлении дросселя (2...3) % от , которое и определяет основные потери фильтра) примем  = 0,98;

 - КПД инвертора (практический опыт и анализ технической литературы показывают, что КПД колеблется в пределах 0,95-0,98 для высоковольтных инверторов) примем равным 0,96.

Наибольшее среднее значение тока, потребляемого инвертором, определится при минимальном напряжении питающей сети


Среднее значение тока диодов входного выпрямителя


Максимальное обратное напряжение, прикладываемое к диодам выпрямителя:


Выбираем диоды выпрямителя 2Д245A с параметрамиобр.max = 400 В; IVD = 10 А; fmax = 200 кГц.

Так как жестких требований к качеству напряжения на выходе входного фильтра нет, и величина пульсаций в нем зачастую определяется допустимой амплитудой переменной составляющей напряжения конденсатора, зададимся значением К′П = 0,05, удовлетворяющим большинству используемых конденсаторов. Учитывая, что коэффициент пульсаций на выходе однофазного мостового выпрямителя КП = 0,67, определим коэффициент сглаживания фильтра как


Расчет электрических параметров элементов однозвенного LC-фильтра ведется по выражениям:



б) из условия непрерывности тока в дросселе находится его критическая индуктивность



выбираем двухобмоточный дроссель Д274-2,4-0,4. Обмотки дросселя соединяем параллельно. Общая индуктивность равна Lдр=1,2 Гн, а допустимый ток подмагничивания 0,8 А;

с) далее после выбора дросселя определяется величина емкости конденсатора


Устанавливаем два конденсатора К50-29-22 мкФ - 450 В, и К50-29-10 мкФ - 340 В соединенные параллельно, с суммарной емкостью 32 мкФ;

д) производится проверка фильтра на отсутствие резонансных явлений, при этом должно быть соблюдено условие:


Проверка фильтра показала, что резонансные явления в нем отсутствуют, следовательно, фильтр работает нормально.

3.      Выбор и расчет схемы силового инвертора

Центральным узлом, определяющим выбор схемных решений других блоков силовой цепи, является регулируемый инвертор. В качестве ключей в автономных инверторах могут служить транзисторы, одно - или двухоперационные тиристоры. При использовании однооперационных тиристоров схему дополняют элементами, обеспечивающими искусственную коммутацию тиристоров. Одним из главных элементов узла искусственной коммутации является конденсатор. Кроме задачи запирания тиристоров, конденсаторы могут формировать кривую выходного напряжения инвертора. В связи с этим различают три группы инверторов: инверторы напряжения, инверторы тока, резонансные инверторы.

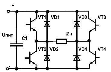
Для инвертора напряжения (рис. 4) в качестве источника питания необходим источник напряжения (выпрямитель с конденсаторным выходом для шунтирования источника питания по переменному току). Для возврата реактивной энергии нагрузки в источник питания параллельно ключам устанавливаются обратные диоды. Выходное напряжение инвертора имеет прямоугольную форму.

Рисунок 4 - Инвертор напряжения

К наиболее важным моментам расчета следует отнести определение параметров и выбор типа силового транзистора. Необходимыми параметрами для выбора транзистора являются ток транзистора в открытом состоянии и напряжение, прикладываемое к транзистору в закрытом состоянии.

Рисунок 5 - Временные диаграммы работы инвертора

электронный трансформатор силовой инвертор

В схеме инвертора, приведенной на рис. 6, напряжение, прикладываемое к закрытому транзистору, определяется напряжением источника питания.

Рисунок 6 - Мостовой инвертор с защитой ключей от перенапряжения и сверхтоков

Это сеть переменного тока с выпрямленным напряжением Udmax = 379 В

Следовательно, максимальное напряжение, прикладываемое к закрытому транзистору, равно 379 В. Максимальный ток, протекающий через транзистор, определяется выражением:


где 2ΔUVT = 2 В - падение напряжения на транзисторах инвертора.

Током намагничивания трансформатора можно пренебречь, т.к. он составляет единицы процентов от тока нагрузки, приведенного к первичной обмотке. С учетом коэффициента загрузки, не превышающего 70 % по каждому параметру, выбираем транзистор 2Т847Б с параметрами: Uкэ = 650 В; Iк = 15 А; βmin = 8; UБЭ = 1,5 В; ΔUкэ = 1,5 В; tвкл = 1 мкс; tвыкл = 1,5 мкс; Iк0 = 1,5 mА.

В инверторе, работающем на активно-индуктивную нагрузку, возникает необходимость возврата реактивной энергии нагрузки. Обратные диоды обеспечивают возврат ее в конденсатор входного фильтра и формирование нулевых пауз в выходном напряжении инвертора. Максимальное напряжение, прикладываемое к диодам, определяется напряжением источника питания UVDобр.max = 379 В, а максимальное значение тока, протекающего по ним, не превышает тока транзистора. Выбираем диод 2Д2990А, имеющий следующие характеристики:обр = 600 B; Iп = 20 А; f max = 200 кГц; t восст = 0,15 мкс.

Инвертор, выполненный на биполярных транзисторах без RCD-цепей, при работе на активно-индуктивную нагрузку имеет большие динамические потери, как при включении, так и при выключении, вследствие того, что по ключам протекает максимальный ток при напряжении на них, равном напряжению источника питания (рис. 7). Для обеспечения нормального теплового режима работы ключей необходимо определить мощность потерь в ключах (транзисторах и обратных диодах). Суммарные потери в транзисторах инвертора при синусоидальной модуляции выходного напряжения складываются из статических и динамических в коллекторной цепи транзистора и потерь в цепи его управления.

Рисунок 7 - Временные зависимости тока и напряжения транзисторов инвертора, работающего на индуктивную нагрузку

Статические потери на ключах инвертора, выполненного на биполярных транзисторах, складываются из мощности потерь при открытом и закрытом состояниях транзистора и определяются по выражению:


Где, ΔUVT = 0,5 В - прямое падение напряжения на транзисторе 2Т847Б по вольт-амперной характеристике;

b = 0,46 - коэффициент, зависящий от глубины модуляции и угла сдвига между напряжением и током;

μ = 1 - глубина модуляции;

ϕ = 30° - угол сдвига между напряжением и током;VTдиф = 0,4 Ом - дифференциальное сопротивление транзистора 2Т847Б по вольтамперной характеристике.

Потери в транзисторе, находящемся в закрытом состоянии, много меньше и ими можно пренебречь. Мощность динамических потерь в транзисторе без учета формирования пауз на переключение достигает значительных величин, и при линейной аппроксимации траектории переключения (рис. 7) определяется выражением:


Где,  - наибольшее рабочее напряжение на входе инвертора;м = 10 -4 c - период частоты преобразования.

Статические потери в обратных диодах инвертора, работающего на активно-индуктивную нагрузку, определяются аналогично потерям в транзисторах:


где ΔUVD = 1В - прямое падение напряжения на диоде (с учетом вольтамперной характеристики);

а = 0,19 - коэффициент, зависящий от глубины модуляции и угла сдвига между напряжением и током;

μ = 1 - глубина модуляции;

ϕ = 30° - угол сдвига между напряжением и током;VDдиф = 0,3Ом - дифференциальное сопротивление диода (с учетом вольтамперной характеристики).

Динамические потери в диоде:


где QVD - заряд восстановления диода, примем равным 10-6 Кл (ТУ диодов 2Д2990А).

Суммарные потери в ключе:

Рп = РVTст + РVT дин + РVDст + РVDдин = 0,08 + 41,25 + 0,065 + 0,55 = 41,945 Вт.

Формирование траектории переключения транзистора, приведенной на рис. 8, позволяет значительно уменьшить коммутационные потери мощности и повысить надежность работы инвертора.

Рисунок 8 - Временная зависимость тока и напряжения ключей инвертора с использованием цепи формирования траектории переключения транзисторов

Уменьшение динамических потерь в транзисторе при включении достигается путем последовательного включения в коллекторную цепь индуктивности, шунтированной обратным диодом с последовательно включенным мощным стабилитроном, ускоряющим процесс вывода энергии из индуктивности.

Минимум потерь при включении достигается при выполнении условия:


Выбираем дроссель Д13-1 с параметрами:= 0,315 мГн; Iп = 0,5 А; fгр = 100 кГц; R = 0,45 Ом, диод 2Д245А с параметрами: Uобр = 400 В; Iп = 10 А; fгр = 200 кГц; стабилитрон Д815А с параметрами: Ucт = 5,6 В;ст max = 1,4 А; Р = 5 Вт.

Расчетная мощность стабилитрона определяется энергией, накопленной во вспомогательной индуктивности, рассчитывается по выражению:


Для уменьшения динамических потерь в транзисторе при его выключении и защиты его от перенапряжений используют RCD-цепь. Суммарные потери в транзисторе и RCD-цепи зависят от величины емкости конденсатора. При отношении времени заряда конденсатора до напряжения источника питания ко времени выключения транзистора, равном 2 3, наблюдается минимум динамических потерь, и величина емкости конденсатора определяется из соотношения:


Выбираем конденсатор К78-2 с емкостью С = 5,6 нФ и UСном = 1000 В.

Диод, включенный последовательно с конденсатором, выбирается из условий максимального импульсного зарядного тока конденсатора, который равен коллекторному току транзистора, и обратного напряжения, прикладываемого к диоду, равного напряжению источника питания. Выбираем диод 2Д230Б, имеющий характеристики: Uобр max = 600 В; I имп = 60А; t восст = 0,5 мкс. Сопротивление зарядного резистора выбирается из условия ограничения тока заряда конденсаторов RCD-цепей на уровне максимально допустимого импульсного коллекторного тока транзистора при коммутации ключей стойки инвертора, работающей на повышенной частоте в режиме х.х. при максимальном напряжении питающей сети. Однако в данной схеме этот ток ограничивается индуктивностью, установленной последовательно с транзистором, на уровне тока нагрузки, следовательно, зарядный резистор не нужен.

Разряд конденсатора RCD-цепи осуществляется при открытом транзисторе, относительная длительность включенного состояния которого определяется как . При многократной модуляции с широтно-импульсным регулированием по синусоидальному закону относительная длительность открытого состояния ключей высокочастотной стойки инвертора изменяется в диапазоне от 0 до 1. При γ, изменяющейся в диапазоне от 0 до 0,5, времени для разряда конденсатора может быть недостаточно, но и ток, протекающий через транзистор, меньше, чем 0,5 Iнmax, так как cos φ = 0,87, т.е. близок к единице, и перенапряжение на транзисторе в этом случае невелико (меньше напряжения питающей сети) и определяется по выражению:


Конденсатор RCD-цепи в этом случае дозаряжается до напряжения источника питания.

Сопротивление разрядного резистора определяется выражением:


Расчетная мощность разрядного резистора:


Выбираем резистор ОМЛТ-2 - 1,8 кОм.

Динамические потери в транзисторах с цепями формирования траектории рабочей точки находим из выражения


Где  отношение времени заряда конденсатора к времени выключения транзистора (времени нарастания тока в дросселе к времени включения транзистора). Мощность потерь по цепи управления транзистора незначительна, и ею можно пренебречь. Суммарные потери в ключе с формированием траектории переключения:

Рп = РVTст + РVT дин + РVDст + РVDдин + Pp + Pстаб = 0,08 + 0,55 + 0,065 + 0,55 + 1,6 + 0,105 = 2,95 Вт.

Динамические потери в транзисторах второй стойки инвертора, ключи которой работают на частоте выходного напряжения, незначительны и близки к нулю. Однако в целях унификации (чтобы не разделять стойки инвертора на низкочастотную и высокочастотную, и они были бы взаимозаменяемыми) устанавливаем на охладители (радиаторы) все четыре транзистора. Максимальный КПД инвертора, выполненного на биполярных транзисторах, определяется выражением:


Потерями в ключах низкочастотной стойки пренебрегли, так как они несоизмеримо малы по сравнению с потерями в ключах, работающих на повышенной частоте.

4.      Расчет трансформатора

Для расчета трансформатора должны быть определены напряжения и токи обмоток, причем коэффициент трансформации определяется из условия минимального напряжения на первичной обмотке, чтобы обеспечить на нагрузке необходимое (заданное) напряжение.

Минимальное значение эффективного напряжения на первичной обмотке трансформатора:


где 0,99 - коэффициент, учитывающий падение напряжения на активном сопротивлении обмотки.

Коэффициент трансформации находится по соотношению:


Наибольшее значение тока в первичной обмотке:


Где - КПД трансформатора принимаем равным 0,98.

По известным токам и напряжениям обмоток и габаритной мощности трансформатора выбирается сердечник и определяются параметры обмоток, при этом число витков первичной обмотки рассчитывается исходя из наибольшего напряжения, прикладываемого к ней, чтобы исключить режим насыщения сердечника трансформатора.


где S0- площадь окна сердечника магнитопровода [см2];c - поперечное сечение сердечника [см2];

 

габаритная мощность двухобмоточного трансформатора;

кф - коэффициент формы напряжения (для синусоидального сигнала- 1,11);

кс - коэффициент заполнения сердечника сталью (для высокочастотных трансформаторов, выполненных на сердечниках из электротехнических сталей Э310 (3411)÷ Э360 (3423) в пределах - 0,65÷ 0,93, принимаем k = 0,9 сталь Э350 (3422) с толщиной ленты 0,05 мм;

δ - плотность тока в обмотках трансформатора (зависит от материала провода, количества витков в обмотках и т.д.) определяет тепловой режим трансформатора и для высокочастотных маловитковых трансформаторов выбирается в диапазоне от 3 А/мм2 до 5 А/мм2, примем δ = 4 А/мм2;

σ - коэффициент заполнения окна сердечника медью (для проводов круглого сечения в пределах от 0,2 до 0,35), примем σ = 0,25;

Вм - индукция в магнитопроводе (зависит от материала сердечника, частоты и режима работы трансформатора). Для высокочастотных трансформаторов, выполненных на сердечниках из электротехнических сталей Э310÷ Э360, индукция выбирается в пределах 1,6÷ 1,88 Тл, примем Вм = 1,7 Тл.

Выбираем сердечник ШЛ 10х10 из стандартного ряда магнитопроводов ШЛ, имеющий ,.

Рисунок 8 - Конструкция магнитопровода стержневого типа (ШЛ)

Таблица

Магнитопровод

Размеры, мм

Справочные величины



Площадь сечения магнито провода См2

Средняя длина магнитной силовой линии См

Площадь сечения стали× площадь окна См4

Объем магнито провода См3


а

h

c

C

H

B

Sст

lст

Sст Sок

Vст

ПЛ10×12,5-25

10

25

10

40

35

12,5

1

8,5

2,5

8,5


Число витков на один вольт ЭДС в обмотках трансформатора:


Число витков в первичной обмотке:


принимаем

Во вторичной - W2 = 24× 0,294 = 7 витков.

Диаметры проводов обмоток:

 




принимаем провод марки ПЭВ-1 с диаметром провода с изоляцией 0,35 мм.

5.      Выбор и расчет выходного выпрямителя и фильтра

В качестве выходного выпрямителя возьмем однофазный мостовой выпрямитель.

Рисунок 9 - Выходной выпрямитель и фильтр

Наименьшее значение напряжения на выходе фильтра


Наибольшее значение напряжения на выходе фильтра

Определяем ток протекающий по диодам выпрямителя


Среднее значение тока диодов входного выпрямителя


Максимальное обратное напряжение, прикладываемое к диодам выпрямителя:


Выбираем диоды выпрямителя 2ДШ112-32Х с параметрами: Uобр.max = 40 В; IVD = 32 А; fmax = 200 кГц.

Так как жестких требований к качеству напряжения на выходе входного фильтра нет, и величина пульсаций в нем зачастую определяется допустимой амплитудой переменной составляющей напряжения конденсатора, зададимся значением К′П = 0,05, удовлетворяющим большинству используемых конденсаторов. Учитывая, что коэффициент пульсаций на выходе однофазного мостового выпрямителя КП = 0,67, определим коэффициент сглаживания фильтра как


Расчет электрических параметров элементов однозвенного LC-фильтра ведется по выражениям: а) определяется произведение LC


б) из условия непрерывности тока в дросселе находится его критическая индуктивность


выбираем два двухобмоточных дросселя Д264-0,08-1,6, соединенных параллельно. Обмотки дросселя соединяем последовательно. Общая индуктивность равна Lдр=0,04 Гн, а допустимый ток подмагничивания 3,2 А;

с) далее после выбора дросселя определяется величина емкости конденсатора


Устанавливаем два конденсатора К50-29-470 мкФ - 63 В, и соединенные параллельно, с суммарной емкостью 940 мкФ;

д) производится проверка фильтра на отсутствие резонансных явлений, при этом должно быть соблюдено условие:


Проверка фильтра показала, что резонансные явления в нем отсутствуют, следовательно, фильтр работает нормально.

6.      Разработка системы управления силового инвертора

Под системой управления и защиты преобразовательного устройства понимают совокупность узлов и элементов, обеспечивающих формирование управляющих сигналов с заданными параметрами и по заданному алгоритму управления состоянием силовых ключей преобразовательного устройства, а также производящих автоматические переключения силовых цепей при возникновении аварийных режимов.

Система управления вентильным преобразователем в общем случае должна выполнять следующие функции:

включение преобразователя и вывод его на заданный режим;

стабилизацию заданного режима;

регулирование режима в соответствии с заданием;

выключение преобразователя;

защиту преобразователя (аварийное выключение);

контроль работы преобразователя и при необходимости диагностику неисправностей.

Все эти функции система управления реализует простым способом - изменением моментов включения и выключения вентилей.

Так как после отпирания транзистора цепь управления не влияет на его состояния и транзистор запирается только тогда, когда ток базы становится меньше тока удержания, для управления транзистором достаточны короткие импульсы.

Поэтому в настоящее время импульсный способ управления ввиду простоты и экономичности нашел наиболее широкое распространение.

Системы управления автономными инверторами должны обязательно содержать в себе:

. задающий генератор (ЗГ), обеспечивающий либо фиксированную, стабильную частоту выходного напряжения, либо регулируемую в заданном диапазоне;

. распределитель импульсов (РИ), подающий в определенные моменты времени сигналы на подачу импульсов управления;

. формирователь импульсов управления (ФИУ), подающий импульсы на управляющие электроды силовых транзисторов определенной амплитуды, частоты и продолжительности во времени в соответствии с паспортными данными тиристоров и алгоритмом их работы.

На основании вышеприведенного можно составить структурную схему системы управления (рис.10).

Рисунок 10 - Структурная схема системы управления инвертором

Здесь задающий генератор представляет собой управляемый генератор импульсов, входная частота которого изменяется под действием управляющего сигнала UУ и в 2 раза превышает требуемую частоту выходного инвертора. Импульсы с задающего генератора поступают на распределитель импульсов, который распределяет импульсы по двум каналам, в результате чего их частота в каждом канале снижается в 2 раза и становится равной выходной частоте инвертора. Кроме того, РИ обеспечивает сдвиг по фазе импульсов в каналах на угол. Импульсы с каждого канала распределителя запускают формирователи импульсов, которые управляют силовыми транзисторами. В связи с тем, что при запуске инвертора должны быть одновременно открыты два транзистора, система управления выполнена так, что каждый из формирователей импульсов управления управляет одновременно двумя транзисторами (VD1 - VD3; VD2 - VD4), реализуя, таким образом, управление узкими управляющими импульсами (рис.11).

Рисунок 11 - Диаграмма работы распределителя импульсов

Большое внимание при разработке СУ уделяют вопросам надежности, так как количество элементов СУ значительно превышает количество элементов силовой части. Поэтому надежность преобразователя в основном определяется надежностью его СУ. Особые требования к узлам СУ предъявляют по помехоустойчивости, поскольку они обычно работают в непосредственной близости с силовыми цепями схемы.

.        Блок защиты

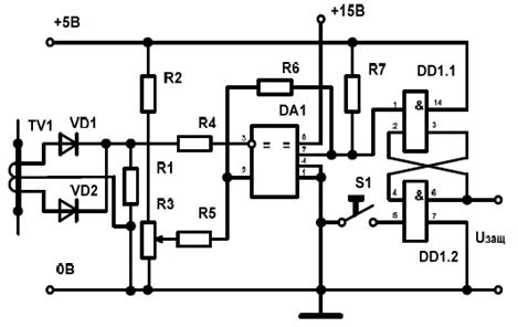
Защиту основных узлов СГЭП от перегрузки по току нагрузки на уровне 1,2Iном выполняет схема защиты снятием управления с ключей инвертора. Для этого в выходную цепь силового канала установлен датчик тока нагрузки, который может быть выполнен на основе токовых шунтов, трансформаторов тока или других элементов. В данном случае используем трансформатор тока, так как он обеспечивает гальваническую развязку силовой цепи переменного тока высокого напряжения с низковольтной цепью схемы управления. Схема блока защиты приведена на рис. 12.

Рисунок 12 - Блок защиты

Схема работает следующим образом. При нажатии кнопки S1 на вход 5 микросхемы DD1 поступает сигнал логического нуля и на его выходе 6 формируется сигнал логической единицы, разрешающий подачу сигналов управления на управляющие входы силового инвертора. Если ток нагрузки не превышает допустимых пределов 1,2IНОМ, то напряжение на входе 3 компаратора DA1 меньше, чем на неинвертирующем входе 2, а на выходе 7 компаратора DA1 поддерживается сигнал логической единицы.

При увеличении тока нагрузки выше 1,2IНОМ на выходе 6 компаратора появляется логический нуль и RS-триггер, реализованный на элементах 2И-НЕ микросхемы DD1, формирует на выходе сигнал логического нуля, прекращающего подачу импульсов управления на управляющие входы силового инвертора. Повторный запуск осуществляется путем нажатия кнопки S1 после устранения причины, вызвавшей увеличение тока нагрузки. Расчет трансформатора, выполняющего роль датчика тока, производится по известным методикам.

Ток, потребляемый схемой защиты от источника питания собственных нужд по цепям + 5 В и + 15 В, не превышает 10 мА.

Заключение

В данной работе был спроектирован электронный трансформатор. Был произведен выбор силовой части, ее обоснование, расчет и выбор компонентов, была разработана структурная схема управления и защиты инвертора. Спроектированный инвертор полностью удовлетворяет представленным в техническом задании требованиям.

Список использованных источников

1.      В.С. Мишуров. Энергетическая электроника. - Томск: ТУСУР., 2010-148 с.

.        Петрович В.П. Силовые преобразователи электрической энергии. Учебное пособие. - Томск: Изд. ТПУ, 2010.-154с.

.        Белопольский И.И. Расчет трансформаторов и дросселей малой мощности. - М.: Энергия., 2009 - 399 с.

.        Чебовский О.Г., Моисеев Л.Г., Сахаров Ю.В. Справочник: Силовые полупроводниковые приборы. М.: Энергия, 2007.

.        Полупроводниковые выпрямители/Под редакцией Ковалева Ф.И., Мостковой Г.П., М.: Энергия, 2008.

Похожие работы на - Расчет электронного трансформатора

 

Не нашли материал для своей работы?
Поможем написать уникальную работу
Без плагиата!
Без нейросетей!