Вычисление независимого источника постоянного тока
Содержание
1. Вычисление независимого источника
постоянного тока
2. Вычисление комплексной
передаточной функции электрической цепи
3. Расчёт переходного процесса
классическим методом в линейной электрической цепи
Список литературы
1. Вычисление независимого источника постоянного
тока
а) Краткие теоретические сведения
Существует несколько видов определения
напряжения в электрических цепях. Самый простой способ определения является
второй закон Кирхгофа-метод контурных токов (МКТ). Уравнение МКТ равен независимому
контуру, его можно определить следующим образом:
;
J=0.3+0.1*M
(ампер);
R2=M+5(Oм); R3=M+3(Oм);4=M+4(Oм);
R=D(Oм).
напряжение ток электрический сопротивление
б) Пример для решения.
М=32;N = 8;D = 6;
Решаемая цепь (по номерам N);
Рисунок 1
Данные значения электрической цепи.
R=6
Будем решить состояние цепи методом контурных
токов (МТК).
а) Находим количество уравнений, которые
создаются МКТ:
;
б) Для составления двух независимых уравнений
воспользуемся схемой
,
направление тока выбираем сами. Источник тока определяем током J
контура. Проходящий ток определяем по узлу.
в) Составим система уравнений с помощью МКТ
(второй закон Кирхгофа).
Для первого контура:
. (1)
Для второго контура:
. (2)
Здесь
;
;
.
запишем как система уравнений:
Поставляем числовые значения:
г) Будем решить систему уравнений методом
Крамера:
;
.
;
Поставляем числовые значения и находим значения
контурных токов:
д) Найдём токи ветвей:
;
;
Проверим правильность расчёта с помощью баланса
мощностей.
а) Будем рассчитывать общую мощность источников энергии:
;
На нашем примере:
Будем вставить числовые значения и найдём
:
б) Вычисляем затраченную мощность (потери
Джоуля) на сопротивлениях:
;
в) Равновесие (баланс) мощности выполнено:
;
;
На нашем примере:
. Вычисление комплексной передаточной функции
электрической цепи
а) Краткие теоретические сведения.
Целью данной курсовой работы является выражение
комплексной передаточной функции в дробном виде:
и анализ передачи сигнала со входа цепи на
выход.
Здесь постоянное входное напряжение (
)
или переменная частота от 0 до
выступает как
сигнал.
Комплексная-передаточная функция - комплексное
число, которое удобно рассматривать в виде показательной функции:
где
-
модуль комплексной передаточной функции называется амплитудно-частотной
характеристикой цепи (АЧХ), а аргумент комплексной передаточной функции ц(щ)= argH(jщ)
- называют фазо-частотной характеристикой цепи (ФЧХ).
Как всякую комплексную величину, H(jщ)
можно представить в показательной, тригонометрической и алгебраической форме.
Комплексные передаточные функции определяются на
частоте щ сигнала
воздействия и зависят только от параметров цепи.
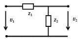
Комплексное сопротивление
Рисунок 2
;
;
;
;
;
Рисунок
Комплексная-передаточная функция для напряжения
Рисунок 3
б) Пример для решения
М = 32;N
= 8.
Вычисляемая цепь (по номерам N)
и его параметры:
Рисунок 4
Находим выражение комплексной передаточной
функции по напряжению.
Рисунок 5
а) Сперва определяем каждую комплексную
сопротивлению
и
:
б) Будем составить и упростить выражение в
условном виде по напряжению для комплексной передаточной функций:
Поставляем числовые значения на место R
и C:
Находим АЧХ и ФЧХ анализированнной цепи учитывая
что они начинаются с комплексной передаточной функцией:
,
где
-АЧХ
цепи,
-ФЧХ
цепи.
a) В процессе
вычисления АЧХ и ФЧХ характеристики для правильного выбора диапазона чостот
определяем граничную частоту:
Где
- постоянная
времени цепи, его будем определить через готовое выражение:
В процессе вычисления
значения
соответственно
должны измеряется в секундах, Фарадах(Ф) и Омах(Ом).
.
Определяем граничную частоту:
б) Вычисляем комплексную передаточную функцию,
АЧХ и ФЧХ для следующих частот:
Напоминаем, что вычисление определяется
нижеизложенным выражением:
Последовательно выполняем выражения для
требоваемых шести точек: 1)
;
.
)
;

)
;
)
;
)
;
;
)
;
в) Все полученные значения поставляем на
таблицу:
Таблица 1
|
|
0
|
0.5
|
|
2
|
3
|
4
|
|
|
0
|
|
|
|
|
|
|
|
0
|
|
0.7
|
0.9
|
0.95
|
1
|
|
|
|
|
|
|
|
|
. Расчёт переходного процесса классическом
методом в линейной электрической цепи
а) Краткие теоретические сведения.
В основе классического метода расчёта переходных
процессов в электрических цепях лежит составление интегрально-дифференциальных
уравнений для мгновенных значений токов и напряжений. Эти уравнения
составляются на основе законов Кирхгофа, методов контурных токов, узловых
напряжений и могут содержать как независимые, так и зависимые переменные. Для
удобства решения обычно принято составлять дифференциальные уравнения
относительно независимой переменной, в качестве которой может служить
или
.
Решение полученных дифференциальных уравнений относительно выбранной переменной
и составляет сущность классического метода.
Учитывая, что в ряде случаев решение
дифференциальных уравнений проще интегрально-дифференциальных, полученную
систему сводят к одному дифференциальному уравнению соответствующего порядка
относительно выбранной независимой переменной
или
.
Порядок дифференциального уравнения определяется числом независимых накопителей
энергии электрического и магнитного полей.
Мы можем подробно рассматривать этот расчёт на
нашем примере.
б) Пример для решения
Данная схема и её величины:
Рисунок 6
M=32; N=8.
Вычисляем устойчивые состояния:
а) до коммутации:
(ток
проходит через ключ),
б) после коммутации: после коммутационное
напряжение в устойчивом состоянии определяем с помощью напряжение в
параллельном контуре.
Вынужденный ток:
Вынужденное напряжение:
Свободное напряжение ёмкости после коммутации
имеет вид:

Рисунок 7
Будем определить постоянную времени:
Определяем коэффициент
:
Определяем переходное напряжение нижеследующим
выражением:
а)
б)
;
в)
;
г)
;
д)
;
д)
;
Все полученные значения поставляем на таблицу и
покажем на графике:
Таблица 2
Список литературы
1. Бакалов В.П., Дмитриков
В.Ф., Крук Б.И. Основы теории цепей: Учебник для вузов; Под ред. В.П. Бакалова.
- 3-е изд., перераб. и доп. - М.: Горячая линия - Телеком, 2007.
2. Шебес М.Р., Кабулкова М.В.
Задачник по теории линейных электрических цепей: Учеб. пособ. Для
электротехнич., радиотехнич. спец. вузов.-4-е изд., перераб. и доп. - М.:Высш.
шк., 1990. - 544 ст.