Указания к выполнению контрольных работ
Введение
Настоящее методическое пособие содержит варианты и примеры
решения контрольных заданий по курсу «Теория электрических и магнитных
цепей» и предназначено для студентов специальностей «Гибкие
компьютеризированные системы и робототехника».
Методическое пособие содержит задания и примеры их решения по
следующим темам курса:
- Расчет линейных цепей постоянного тока;
Расчет линейных цепей синусоидального переменного
тока.
Вариант выбирается следующим образом:
для 1-й группы - номер по списку в журнале;
для 2-й группы - номер по списку в журнале + 30;
Контрольное
задание №1. Расчет линейных цепей постоянного тока
Задано:
. Схема цепи. (рис. 1.1 - 1.7)
. Данные элементов цепи (Таблица 1).
Требуется:
. Составить уравнения для вычисления токов ветвей по законам
Кирхгофа.
. Составить уравнения и определить токи в ветвях схемы
методом контурных токов.
. Проверить, выполняется ли баланс мощностей для полученного
результата.
. Составить уравнения и определить токи в ветвях схемы
методом узловых потенциалов.
. Построить потенциальную диаграмму для указанного в задании
контура.
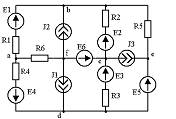
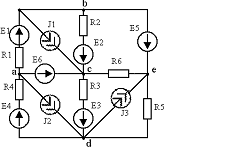
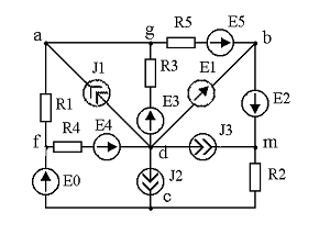
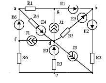
Варианты схем
Рисунок 1.1.
Рисунок 1.2
Рисунок 1.3
Рисунок 1.4
Рисунок 1.5
Рисунок 1.6
Рисунок 1.7
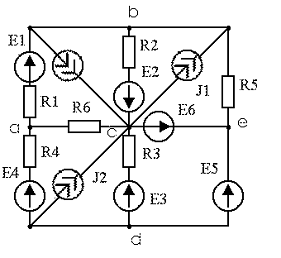
Пример выполнения задания
Задано:
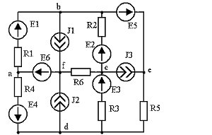
Схема цепи
Преобразуем схему согласно исходным данным и произвольным
образом расставляем токи в ветвях.
Т.к. внутреннее сопротивление идеального источника тока
стремится к бесконечности, а внутреннее сопротивление идеального источника ЭДС
стремится к нулю, ветвь с нулевым источником тока размыкаем, участок ветви,
содержащий нулевой источник ЭДС, закорачиваем. Произвольно выбираем направление
обхода контура (на схеме показано стрелками).
1. Составить уравнения для вычисления токов
ветвей по законам Кирхгофа
Составим уравнения по 1-му закону Кирхгоффа.
Формулировка: Алгебраическая сумма токов, подтекающих к
любому узлу схемы равна нулю.
Число уравнений равно числу узлов схемы минус 1.
Таким образом, т.к. в схеме 4 узла, составим 3 уравнения.
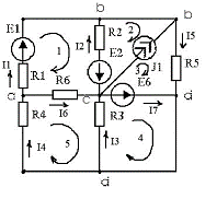
Для узла «а»: I4-I1-I6=0
Для узла «b»: I1+I2-I5+J1=0
Для узла «d»: -
I4-I3+I7+I5=0
Составим уравнения по 2-му закону Кирхгоффа.
Формулировка: Алгебраическая сумма падений напряжений в
любом замкнутом контуре равна алгебраической сумме ЭДС того же контура.
Число уравнений равно числу контуров схемы. В нашем случае
имеем 5 контуров.
В левой части уравнения - если направление обхода контура
совпадает с направлением тока ветви, берется знак плюс, если не совпадает -
минус. В правой части уравнения - если направление обхода контура совпадает с
направлением ЭДС, берется знак плюс, иначе - минус.
1-й контур I1*R1-I2*R2-I6*R6=E1+E2
2-й контур I2*R2= - E2-Ubc
3-й контур I5*R5=-E6+Ubc
4-й контур I3*R3=E6
5-й контур I4*R4+I6*R6-I3*R3=0
2. Составить уравнения и определить токи в ветвях
схемы методом контурных токов
При расчете методом контурных токов полагают, что в каждом
независимом контуре схемы течет свой контурный ток, который обозначают I NN (где N - номер контура). Уравнения
составляют относительно контурных токов, после чего через них определяют токи
ветвей.
Составим уравнения по методу контурных токов:
В первом уравнении системы (R1+R2+R6) - суммарное сопротивление 1-го контура, R2 - сопротивление смежной ветви между 1-м и 2-м контуром (минус
берется т.к. контурные токи в этой ветви встречные), E1+E2 -
алгебраическая (с учетом знака) сумма ЭДС 1-го контура.
Последнее уравнение составлено по такому принципу:
В ветви, содержащей источник тока, встречаются 2 контурных тока,
один из них I33 - течет в том же направлении, что и источник тока (знак «плюс»),
другой I22 - направлен в другую сторону (знак «минус»).
Дальнейшие вычисления будем проводить при помощи MathCAD
Для начала необходимо задать исходные данные. При этом необходимо
соблюдать правила:
) Данные должны быть расположены выше или левее чем формулы, в
которых они участвуют.
) MathCAD чувствителен к регистру (R1 и r1 будут разными
переменными).
) Чтобы присвоить переменной значение необходимо ввести: (двоеточие).
) Для верхнего индекса (степени) необходимо нажать Shift+6, для нижнего - символ [(квадратная
скобка).
) Для вызова шаблона матрицы можно нажать Ctrl+M
) Чтобы ввести букву греческого алфавита, необходимо вывести на
экран специальную панель. Для этого надо выбрать в меню Просмотр - Панели
инструментов - Греческий.
Вычисления производим следующим способом: вводим матрицу D - коэффициенты перед неизвестными в левой
части уравнения и матрицу Е - правые части уравнения.
Получим:
Получили матрицу искомых неизвестных. Для дальнейших вычислений
присвоим переменным значения:
Находим токи ветвей цепи:
3. Проверить, выполняется ли баланс мощностей для полученного
результата
Во втором выражении знак минус берется, если направления источника
ЭДС и тока, через него проходящего, не совпадают.
Т.к. значения равны, соблюдается энергетический баланс схемы
(сколько энергии выделяется активными элементами, столько же поглощается
пассивными). Следовательно, схема рассчитана, верно.
4. Составить уравнения и определить токи в ветвях схемы методом
узловых потенциалов
Метод расчета электрических цепей, в котором за неизвестные
принимают потенциалы узлов, называют методом узловых потенциалов.
Т.к. любая (одна) точка в схеме может быть заземлена, примем
потенциал узла с равным нулю:
Тогда, по закону Ома, мы сможем найти потенциал узла d:
Составим уравнения по методу узловых потенциалов:
где
- суммарная проводимость ветвей,
сходящихся в узле а
- сумма проводимостей ветвей, непосредственно соединяющих узлы а
и b (знак минус берется всегда).
Аналогичным образом,
- суммарная проводимость ветвей, сходящихся в узле b
- узловой ток узла а;
узловой ток узла b.
В формировании узлового тока участвуют те ветви, подходящие к
узлу, которые содержат источники ЭДС или источники тока. Знак минус берется,
если источники направлены от узла, знак плюс, если к узлу. Так как узел d обладает известным заранее потенциалом, он тоже
учитывается при составлении уравнений.
Дальнейшие расчеты производятся при помощи MathCAD
Заключительный этап состоит в расчете токов по закону Ома:
Ток i7 находим при помощи 1-го закона Кирхгоффа:
В данных выражениях in - токи,
рассчитанные методом узловых потенциалов, IN - токи рассчитанные методом контурных токов. Так как токи в
соответствующих ветвях равны, расчет выполнен верно.
5. Построить потенциальную диаграмму для указанного в задании
контура
При построении диаграммы по оси Х откладываются значения
сопротивлений между узлами, по оси Y -
значения потенциалов.
Построим потенциальную диаграмму для контура a-b-d-c-a
Примем потенциал узла а равным нулю. Далее обходим
выбранный замкнутый контур и находим по закону Ома потенциалы узлов:
Таким образом, в результате мы получили ноль. Следовательно, схема
рассчитана верно.
Потенциальную диаграмму удобнее строить в Excel
Далее выделим первый столбец чисел (без заголовка), а затем,
удерживая нажатой клавишу Ctrl, второй
столбец. Запустим мастер диаграмм и выберем следующий тип диаграммы:
Получим:
Контрольное
задание №2. Расчет линейной цепи синусоидального переменного тока
Задано:
. Схема цепи (см. рис. 2.1…2.2 в зависимости от номера
варианта).
. Параметры элементов схемы (см. Таблицу 2).
. Частота питающего напряжения.
Требуется:
1. Определить токи во всех ветвях.
. Определить падения напряжений во всех пассивных элементах
схемы.
. Определить полную, активную и реактивную мощности
источника.
. Построить топографическую диаграмму напряжений.
. Построить графики мгновенных значений тока через источник и
ЭДС источника.
Варианты заданий
Таблица 2.
|
В.
|
Рис.
|
f, Гц
|
L1, мГн
|
L2, мГн
|
М, мГн
|
С, мкФ
|
r1, Ом
|
R2, Ом
|
Е, В
|
|
1
|
2.1
|
100
|
31,84
|
63,68
|
39,1
|
79,61
|
10,5
|
100
|
141sin (ωt+30)
|
|
2
|
2.1
|
200
|
16,6
|
31,3
|
12,2
|
32,3
|
12,5
|
128
|
141sin
(ωt-30)
|
|
3
|
2.1
|
500
|
6,36
|
3,18
|
4,45
|
10,61
|
6,8
|
92,4
|
141cosωt
|
|
4
|
2.2
|
100
|
31,84
|
63,38
|
39,1
|
79,61
|
10,5
|
100
|
282sinωt
|
|
5
|
2.2
|
200
|
16,6
|
31,3
|
12,2
|
32,3
|
12,5
|
128
|
282cosωt
|
|
6
|
2.2
|
500
|
6,36
|
3,18
|
4,45
|
10,61
|
6,8
|
92,4
|
282sin
(ωt+60)
|
|
7
|
2.3
|
100
|
31,84
|
63,68
|
39,1
|
79,61
|
10,5
|
100
|
141sin
(ωt+30)
|
|
8
|
2.3
|
200
|
16,6
|
31,3
|
12,2
|
32,3
|
12,5
|
128
|
141sin
(ωt-30)
|
|
9
|
2.3
|
500
|
6,36
|
3,18
|
4,45
|
10,61
|
6,8
|
92,4
|
141cosωt
|
|
10
|
2.4
|
100
|
31,84
|
63,38
|
39,1
|
79,61
|
10,5
|
100
|
141sin
(ωt+30)
|
|
11
|
2.4
|
200
|
16,6
|
31,3
|
12,2
|
32,3
|
12,5
|
128
|
141sin
(ωt-30)
|
|
12
|
2.4
|
500
|
6,36
|
3,18
|
4,45
|
10,61
|
6,8
|
92,4
|
141cosωt
|
|
13
|
2.5
|
100
|
31,84
|
63,38
|
39,1
|
79,61
|
10,5
|
100
|
282sinωt
|
|
14
|
2.5
|
200
|
16,6
|
31,3
|
12,2
|
32,3
|
12,5
|
128
|
282cosωt
|
|
15
|
2.5
|
500
|
6,36
|
3,18
|
4,45
|
10,61
|
6,8
|
92,4
|
282sin
(ωt+60)
|
|
16
|
2.6
|
100
|
31,84
|
63,38
|
39,1
|
79,61
|
10,5
|
100
|
141sin
(ωt+30)
|
|
17
|
2.6
|
200
|
16,6
|
31,3
|
12,2
|
32,3
|
12,5
|
128
|
141sin
(ωt-30)
|
|
18
|
2.6
|
500
|
6,36
|
3,18
|
4,45
|
10,61
|
6,8
|
92,4
|
141cosωt
|
|
19
|
2.7
|
100
|
31,84
|
63,38
|
39,1
|
79,61
|
10,5
|
100
|
141sin
(ωt+30)
|
|
20
|
2.7
|
200
|
16,6
|
31,3
|
12,2
|
32,3
|
12,5
|
128
|
141sin
(ωt-30)
|
|
21
|
2.7
|
500
|
6,36
|
3,18
|
4,45
|
10,61
|
6,8
|
92,4
|
141cosωt
|
|
22
|
2.8
|
100
|
31,84
|
63,38
|
79,61
|
10,5
|
100
|
282sinωt
|
|
23
|
2.8
|
200
|
16,6
|
31,3
|
12,2
|
32,3
|
12,5
|
128
|
282cosωt
|
|
24
|
2.3
|
500
|
6,36
|
3,18
|
4,45
|
10,61
|
6,8
|
92,4
|
282sin
(ωt+60)
|
|
25
|
2.9
|
100
|
31,84
|
63,38
|
39,1
|
79,61
|
10,5
|
100
|
141sin
(ωt+30)
|
|
26
|
2.9
|
200
|
16,6
|
31,3
|
12,2
|
32,3
|
12,5
|
128
|
141sin
(ωt-30)
|
|
В.
|
Рис.
|
f, Гц
|
L1, мГн
|
L2, мГн
|
М, мГн
|
С, мкФ
|
r1, Ом
|
R2, Ом
|
Е, В
|
|
27
|
2.9
|
500
|
6,36
|
3,18
|
4,45
|
10,61
|
6,8
|
92,4
|
141cosωt
|
|
28
|
2.10
|
100
|
31,84
|
63,38
|
39,1
|
79,61
|
10,5
|
100
|
141sin
(ωt+30)
|
|
29
|
2.10
|
200
|
16,6
|
31,3
|
12,2
|
32,3
|
12,5
|
128
|
141sin
(ωt-30)
|
|
30
|
2.10
|
500
|
6,36
|
3,18
|
4,45
|
10,61
|
6,8
|
92,4
|
141cosωt
|
|
31
|
2.1
|
400
|
15
|
30
|
19,61
|
80
|
5
|
12
|
141sin
(ωt-30)
|
|
32
|
2.2
|
400
|
18
|
28
|
32,3
|
40
|
6
|
11
|
141sin
(ωt-30)
|
|
33
|
2.3
|
400
|
13
|
26
|
10,61
|
30
|
10
|
9
|
141sin
(ωt-30)
|
|
34
|
2.4
|
400
|
12
|
22
|
19,61
|
50
|
12
|
7
|
141sin
(ωt-30)
|
|
35
|
2.5
|
400
|
17
|
31
|
32,3
|
61
|
11
|
8
|
141sin
(ωt-30)
|
|
36
|
2.6
|
400
|
21
|
14
|
10,61
|
70
|
6
|
15
|
141sin
(ωt-30)
|
|
37
|
2.7
|
400
|
31
|
15
|
19,61
|
80
|
3
|
8
|
141sin
(ωt-30)
|
|
38
|
2.8
|
400
|
26
|
13
|
32,3
|
50
|
10
|
4
|
141sin
(ωt-30)
|
|
39
|
2.9
|
400
|
22
|
16
|
10,61
|
60
|
12
|
5
|
141sin
(ωt-30)
|
|
40
|
2.10
|
400
|
19
|
30
|
19,61
|
70
|
8
|
9
|
141sin
(ωt-30)
|
|
41
|
2.11
|
100
|
31,84
|
63,38
|
39,1
|
79,61
|
10,5
|
100
|
141sin
(ωt+30)
|
|
42
|
2.12
|
200
|
16,6
|
31,3
|
12,2
|
32,3
|
12,5
|
128
|
141sin
(ωt-30)
|
|
43
|
2.13
|
500
|
6,36
|
3,18
|
4,45
|
10,61
|
6,8
|
92,4
|
141cosωt
|
|
44
|
2.14
|
400
|
31,84
|
63,38
|
39,1
|
79,61
|
10,5
|
100
|
282sinωt
|
|
45
|
2.15
|
100
|
16,6
|
31,3
|
12,2
|
32,3
|
12,5
|
128
|
282cosωt
|
|
46
|
2.16
|
200
|
6,36
|
3,18
|
4,45
|
10,61
|
6,8
|
92,4
|
141sin
(ωt+30)
|
|
47
|
2.17
|
300
|
31,84
|
63,38
|
39,1
|
79,61
|
10,5
|
100
|
141sin
(ωt-30)
|
|
48
|
2.18
|
400
|
16,6
|
31,3
|
12,2
|
32,3
|
12,5
|
128
|
141cosωt
|
|
49
|
2.17
|
500
|
6,36
|
3,18
|
4,45
|
10,61
|
6,8
|
92,4
|
282sinωt
|
|
50
|
2.18
|
100
|
31,84
|
63,38
|
39,1
|
79,61
|
10,5
|
100
|
282cosωt
|
|
51
|
2.18
|
200
|
16,6
|
31,3
|
12,2
|
32,3
|
12,5
|
128
|
141sin
(ωt+30)
|
|
52
|
2.16
|
300
|
6,36
|
3,18
|
4,45
|
10,61
|
6,8
|
92,4
|
141sin
(ωt-30)
|
|
53
|
2.15
|
400
|
31,84
|
63,38
|
39,1
|
79,61
|
10,5
|
100
|
141cosωt
|
|
54
|
2.14
|
500
|
16,6
|
31,3
|
12,2
|
32,3
|
12,5
|
128
|
282sinωt
|
|
55
|
2.13
|
100
|
6,36
|
3,18
|
4,45
|
10,61
|
6,8
|
92,4
|
282cosωt
|
|
56
|
2.12
|
200
|
31,84
|
63,38
|
39,1
|
10,5
|
100
|
141sin
(ωt+30)
|
|
57
|
2.11
|
300
|
16,6
|
31,3
|
12,2
|
32,3
|
12,5
|
128
|
141sin
(ωt-30)
|
|
58
|
2.10
|
400
|
6,36
|
3,18
|
4,45
|
10,61
|
6,8
|
92,4
|
141cosωt
|
|
59
|
2.9
|
500
|
31,84
|
63,38
|
39,1
|
79,61
|
10,5
|
100
|
282sinωt
|
|
60
|
2.14
|
100
|
16,6
|
31,3
|
12,2
|
32,3
|
12,5
|
128
|
282cosωt
|
|
61
|
2.8
|
200
|
6,36
|
3,18
|
4,45
|
10,61
|
6,8
|
92,4
|
141sin
(ωt+30)
|
|
62
|
2.7
|
300
|
31,84
|
63,38
|
39,1
|
79,61
|
10,5
|
100
|
141sin
(ωt-30)
|
|
63
|
2.6
|
400
|
16,6
|
31,3
|
12,2
|
32,3
|
12,5
|
128
|
141cosωt
|
|
64
|
2.5
|
500
|
6,36
|
3,18
|
4,45
|
10,61
|
6,8
|
92,4
|
282sinωt
|
|
65
|
2.4
|
100
|
31,84
|
63,38
|
39,1
|
79,61
|
10,5
|
100
|
282cosωt
|
|
66
|
2.3
|
200
|
16,6
|
31,3
|
12,2
|
32,3
|
12,5
|
128
|
141sin
(ωt+30)
|
|
66
|
2.2
|
300
|
6,36
|
3,18
|
4,45
|
10,61
|
6,8
|
92,4
|
141sin
(ωt-30)
|
|
67
|
2.1
|
400
|
31,84
|
63,38
|
39,1
|
79,61
|
10,5
|
100
|
141cosωt
|
|
68
|
3.1
|
500
|
16,6
|
31,3
|
12,2
|
32,3
|
12,5
|
128
|
282sinωt
|
|
69
|
2.11
|
100
|
6,36
|
3,18
|
4,45
|
10,61
|
6,8
|
92,4
|
282cosωt
|
|
70
|
2.14
|
300
|
31,84
|
63,38
|
39,1
|
79,61
|
10,5
|
100
|
141sin
(ωt+30)
|
|
71
|
2.9
|
200
|
16,6
|
31,3
|
12,2
|
32,3
|
12,5
|
128
|
141sin
(ωt-30)
|
|
72
|
2.7
|
500
|
6,36
|
3,18
|
4,45
|
10,61
|
6,8
|
92,4
|
141cosωt
|
|
73
|
2.5
|
100
|
16,6
|
63,38
|
39,1
|
79,61
|
10,5
|
100
|
282sinωt
|
|
74
|
2.1
|
200
|
6,36
|
31,3
|
12,2
|
32,3
|
12,5
|
128
|
282cosωt
|
Пример выполнения задания
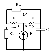
Начальные данные:
Частота f=50 (Гц); L1=31.84 (мГн); L2=63.68 (мГн); С=79.61 (мкФ)
величина взаимоиндуктивности M=39.1 (мГн);
R1=10.5 (Ом); R2=100 (Ом)
ЭДС изменяется по закону: e(t)=141sin (wt+30°)
Схема:
Первым шагом является ввод начальных значений, а также
вычисление величин угловой частоты и реактивных сопротивлений:
Для ввода мнимой единицы можно нажать комбинацию
клавиш 1i (единица и маленькая латинская i).
1. Определить токи во всех ветвях
Токи в ветвях будем находить методом контурных токов.
Первая матрица - коэффициенты перед неизвестными (контурными
токами) в левой части уравнения, вторая матрица - правая часть уравнений.
Зная контурные токи, определим токи ветвях:
. Определить падения напряжений во всех пассивных
элементах схемы
. Определить полную, активную и реактивную
мощности источника
Находим мощность, выделяемую источником ЭДС. В расчете участвует
сопряженный ток проходящий через ЭДС, т.е. мнимая часть тока взята с обратным
знаком. Чтобы поставить знак сопряжения в MathCAD необходимо нажать
комбинацию Shift+Э.
Затем находим потери мощности на сопротивлениях схемы.
Значения S1
и S2 должны быть равны.
Находим активную и реактивную мощность:
. Построить топографическую диаграмму напряжений
Совокупность точек комплексной плоскости, изображающих
комплексные потенциалы точек схемы называют топографической диаграммой.
Построение топографической диаграммы основано на законе Ома.
Построим диаграмму для узлов 1-2-3-1. Примем потенциал узла 1
равным нулю.
Расчет показал, что схема рассчитана верно.
Создадим 3 матрицы (1 столбец- 2 строки)
ток кирхгоф потенциал переменный
Создадим шаблон декартова графика (Shift+2). По оси Y отложим действительные
части значений потенциалов, по X - мнимые. Величины, как по оси Х, так и по оси Y. Перечисляются через
запятую. В результате должен получится треугольник:
. Построить графики мгновенных значений тока
через источник и ЭДС источника
Находим значение величины сдвига фазы, затем записываем
мгновенны значения величин. Чтобы синусоиду тока было хорошо видно, можно
отмасштабировать значение, помножив его, например на 10.
Начальное и конечное значение шкалы Х нужно настроить таким
образом, чтобы был виден полный период синусоид.
Рекомендуемая литература
1.
Конспект
лекций по курсу «Теория электрических и магнитных цепей»., Супрунова Ю.А.
2.
Методическое
пособие «Примеры решения типовых задач по курсу «Теория электрических и магнитных
цепей». Супрунова Ю.А.
3.
Теоретические
основы электротехники. А.А. Бессонов.