Проектирование и расчет полупроводникового преобразователя электрической энергии

  • Вид работы:
    Курсовая работа (т)
  • Предмет:
    Информатика, ВТ, телекоммуникации
  • Язык:
    Русский
    ,
    Формат файла:
    MS Word
    783,85 Кб
  • Опубликовано:
    2014-07-07
Вы можете узнать стоимость помощи в написании студенческой работы.
Помощь в написании работы, которую точно примут!

Проектирование и расчет полупроводникового преобразователя электрической энергии











ПОЯСНИТЕЛЬНАЯ ЗАПИСКА

КУРСОВОГО ПРОЕКТА

по дисциплине «Силовая преобразовательная техника»

Тема: «Проектирование и расчет полупроводникового преобразователя электрической энергии»

СОДЕРЖАНИЕ

Введение

. Выбор силовых полупроводниковых приборов (СПП) по току и напряжению и проверка их по перегрузочной способности

.1 Выбор СПП по току

.2 Проверка СПП по перегрузочной способности

.3 Выбор трансформатора

.4 Выбор СПП по напряжению

. Расчет и выбор элементов пассивной защиты СПП от аварийных токов и перенапряжений

.1 Расчёт и выбор защитных R-C цепочек

. Литературный обзор систем управления СПП преобразователя и формулирование требований к СУ проектируемого СПП

.1 Горизонтальный метод управления

.2 Вертикальный метод управления

. Проектирование структурной и функциональной схем системы управления СПП

. Выбор типов аналоговых и цифровых интегральных МС

. Проектирование принципиальной схемы и электрический расчет функциональных элементов СУ СПП

.1 Синхронизирующий трансформатор, фильтр

.2 Пороговый элемент

.3 Нуль - орган

.4 Формирователь длительности импульсов

.5 Выходной формирователь

. Описание принципа действия схемы и электрический расчет. Составление полной принципиальной электрической схемы

.1 Полная принципиальная электрическая схема проектируемого ППЭЭ

.2 Перечень элементов, используемых в принципиальной схеме

.3 Временные диаграммы работы СУ СПП

.4 Описание принципа действия электрической схемы

. Расчёт и построение внешней и регулировочной характеристик

.1 Внешняя характеристика преобразователя

.2 Регулировочная характеристика преобразователя

Заключение

Список использованных источников

полупроводниковый преобразователь микросхема импульс

ВВЕДЕНИЕ

Выпрямитель - это статический преобразователь электрической энергии переменного тока в электрическую энергию постоянного тока. В соответствии с заданием по курсовому проекту, мне необходимо спроектировать трехфазный мостовой полностью управляемый выпрямитель. Полная силовая схема проектируемого трёхфазного выпрямителя представлена на рисунке В1.

Рисунок В1 - Трехфазный мостовой полностью управляемый выпрямитель

Управляемые выпрямители применяются в устройствах средней и большой мощности (до 250 кВт). В данной схеме нагрузка включается между общей точкой катодной группы (VS1, VS3, VS5) и общей точкой анодной группы (VS2, VS4, VS6). В каждый момент времени в схеме проводят ток два тиристора, один из катодной группы, имеющий наиболее высокий потенциал на аноде и один из анодной группы, имеющий наиболее низкий потенциал на катоде.

Моменты естественного открывания тиристоров катодной группы сдвинуты по отношению к моментам перехода соответствующего фазного напряжения через 0 в положительную область на угол , а для тиристоров анодной группы на угол , по отношению к моменту перехода через 0 соответствующего фазного напряжения из положительной в отрицательную область.

Прерывистый режим работы схемы при любой нагрузке может появиться при . При R - L нагрузке отрицательные участки появляются в напряжении при .

Основные расчётные соотношения.

Среднее и действующее значение тока вентиля ():


где I - ток, протекающий по нагрузке;


Действующее значение фазного тока:


Среднее значение выпрямленной ЭДС:


где  - для схемы без трансформатора,

 - для схемы с трансформатором,

 - схемный коэффициент по ЭДС,ф - фазное напряжение питающей сети.

Максимальное значение амплитуды прямого и обратного напряжения на вентилях:


где  - выпрямленное значение напряжения на нагрузке,

Коэффициент формы тока:


Коэффициент использования вентиля по напряжению:

Коэффициент схемы по току:


Расчетная мощность трансформатора:


где  - коэффициент повышения расчетной мощности трансформатора.

Частота пульсации выпрямленного напряжения:


где - частота питающей сети.

Напряжение на нагрузке с учётом гармоник:


где m - пульсность схемы, m = 6;- номер гармоники.

Рисунок В2 - Временные диаграммы работы выпрямителя

1. ВЫБОР СИЛОВЫХ ПОЛУПРОВОДНИКОВЫХ ПРИБОРОВ (CПП) ПО ТОКУ И НАПРЯЖЕНИЮ И ПРОВЕРКА ИХ ПО ПЕРЕГРУЗОЧНОЙ СПОСОБНОСТИ

Согласно техническому заданию, исходные данные к курсовому проекту:

номинальное напряжение нагрузки -

активное сопротивление нагрузки -

индуктивное сопротивление нагрузки -

температура окружающей среды -


Любой несинусоидальный сигнал можно представить суммой трёх симметричных сигналов: системой прямой последовательности, системой обратной и нулевой последовательностей. Графически эти последовательности представлены на рисунке .

На основании принципа действия силовой схемы трехфазного выпрямителя определяем режим работы с максимальной загрузкой прибора по току, что соответствует номинальному току. Необходимо выполнение условия:

 (1.1)

где  - трёхфазная мостовая шестипульсовая схема.


Условие не выполняется.

Несинусоидальный сигнал может быть разложен в ряд Фурье[1]:

 (1.2)

Для данной схемы выпрямления, напряжение на выходе будет симметрично относительно оси ординат, то при разложении в ряд Фурье будут отсутствовать все чётные гармоники. А так как схема трёхфазная, то будет отсутствовать так же и третья гармоника и кратные ей.

Определяем амплитуды напряжений нечётных гармоник[1]:


Так как амплитудное напряжение пятой гармоники составляет менее одного процента от номинального напряжения нагрузки, то учитываем только первую и пятую гармоники. Запишем закон изменения ЭДС нагрузки с учётом гармоник:


Определяем номинальный ток нагрузки с учётом гармоник:


Определим действующее значение несинусоидального тока:

 (1.4)

где IH - ток нагрузки,


.1 Выбор СПП по току

Определяем среднее значение тока:


Определяем действующее значение тока, протекающего через СПП:

Так как, исходя из задания, схема работает при улучшенном режиме работы и условиях охлаждения, по сравнению с номинальными, то есть:

.

Принимаем  и (коэффициент запаса при отклонении условий охлаждения от номинальных, 0,8 … 1,2; коэффициент запаса по току в рабочем режиме 1,25 … 1,65).

По условию:

          . (1.5)

Предварительно выбираем тип диодов и охладителей, исходя из условия:


Из справочника [3] выбираем тиристор Т142-50 (рисунок 1.2) и охладитель О241 - 80 с параметрами:

Температура перехода:

максимально допустимая ,

минимально допустимая = 0,40 оC/Вт - тепловое сопротивление переход - корпус;= 0,15 оС/Вт - тепловое сопротивление контактная поверхность охладителя - охлаждающая среда;(TO) = 1,20 В - пороговое напряжение;= 6,4⋅10-3 Ом - дифференциальное сопротивление в открытом состоянии;

Рисунок 1.2 -Тиристор Т142-50.

Для проверки правильность выбора тиристора по току, необходимо выполнение неравенства:

 (1.6)

где  ― максимальный допустимый ток при заданных условиях охлаждения.

Для выбранного прибора максимально допустимый ток при заданных условиях охлаждения и работы рассчитываем по формуле:


где Rthja = Rthjc+Rthcf -тепловое сопротивление переход - среда.= 0,40+0,15 = 0,55 оС/Вт;

А < 71 А.

Погрешность составляет  (1.8)

Условие (1.8) выполняется, максимально допустимый ток превышает на 34% при токах 47 А.

.2 Проверка СПП по перегрузочной способности

Критерием нормальной работы СПП при перегрузке по току (пуско-тормозные режимы), является выполнение условия:

 (1.9)

где tm - максимально допустимое время перегрузки, за которое температура перехода достигнет максимально допустимого значения Тjm.

Время tm определяется по графику зависимости переходного теплового сопротивления “переход-среда” от времени перегрузки, для конкретных типов приборов, охладителя и интенсивности охлаждения.

Определяем средние потери мощности для тока, предшествовавшего перегрузке [3]:

 (1.10)


Ток тиристора при перегрузке: пер=(2,5 …4) IFAV. (1.11)

Примем IFAVпер=2,6⋅IFAV.пер=2,6×61,61=160,81А.

Средние потери мощности для тока, соответствующего перегрузке[7]:

 (1.12)

где  - коэффициент запаса по току в режиме перегрузки,


Переходное тепловое сопротивление переход - среда [3]:

(1.13)


По графику функции Z(th)tja=f(t) [3] определяем максимально допустимое время перегрузки, за которое температура перехода достигнет максимально допустимого значения:

= 1,2 c.

Условие выполняется, следовательно, тиристор удовлетворяет режиму перегрузки.

.3 Выбор трансформатора

Основными параметрами трансформатора напряжения являются [7]:

Номинальные значения первичной  и вторичной  обмоток трансформатора. Номинальное напряжение трансформатора напряжения равно номинальному напряжению первичной обмотки.

Номинальный коэффициент трансформации:

 (1.14)

Погрешность по напряжению:

 (1.15)

где  - напряжение, поданное на первичную обмотку,

 - напряжение, измеренное на выводах вторичной обмотки.

 (1.16)

где  - номинальное напряжение ЭДС вторичной обмотки трансформатора;

 - коэффициент, учитывающий падение напряжения на активных сопротивлениях трансформатора, падение напряжения на вентилях и падение напряжения из-за коммутации вентилей;

 - коэффициент, учитывающий неполное открывание вентилей.

 (1.17)

где - коэффициент схемы;

 - коэффициент, учитывающий возможное изменение напряжения питающей сети в допустимых пределах.

Подставляем выбранные нами значения в исходные выражения и получаем:


Рассчитываем типовую мощность трансформатора:

 (1.18)

где - мощность постоянных составляющих напряжения и тока выпрямителя;

 - номинальная мощность нагрузки;

 - коэффициент, учитывающий превышение типовой мощности над мощностью постоянных составляющих.

 (1.19)

 (1.20)

где  - номинальные значения фазных напряжений и токов первичной и вторичной обмоток трансформатора,

 - число фаз первичной и вторичной обмоток трансформатора.

Рассчитываем полную мощность трансформатора:

 (1.21)

где  - коэффициент учитывающий отклонение формы тока от прямоугольной.

Выбираем  и подставляем полученные нами данные в формулу (1.21) для расчета полной мощности трансформатора:


Рассчитываем трансформатор по соотношениям.


Т.к. в каталоге отсутствует трансформатор с полученными мною данными, а именно ST = 5816 ВА и U2Ф = 136 В, то в соответствии с рассчитанными значениями величин принимаем его изготовление по спецзаказу.

Определяем номинальные значения фазного тока первичной обмотки трансформатора:

, (1.22)

где U1H - номинальные значения фазного напряжения первичной обмотки трансформатора;- число фаз первичной обмотки трансформатора.

Теперь определяем номинальные значения фазного тока вторичной обмотки трансформатора:

 (1.23)

где U2H - номинальные значения фазного напряжения первичной обмотки трансформатора;- число фаз первичной обмотки трансформатора.


Определяем площадь поперечного сечения проводников:

 (1.24)

 (1.25)

где за ρ принимаем плотность тока в обмотке трансформатора, ;


Отсюда определяем диаметр проводников:

 (1.26)

 (1.27)

Обмотки трансформатора изготавливаем из медных проводов с удельным сопротивлением

Зададимся индукцией магнитного поля B = 1,4 Тл.

Найдем площадь поперечного сечения магнитопровода сердечника по формуле:

 (1.28)

где f- частота питающей сети, f = 50 Гц,- число витков в фазе первичной обмотки трансформатора.

Зададимся w1 = 40:


Число витков в фазе вторичной обмотки трансформатора:


Принимаем, что трансформатор имеет стержневой магнитопровод, а также считаем, что обмотка однослойная.

Тогда рассчитываем среднюю длину витка:

 (1.29)


Находим коэффициент трансформации:

 (1.30)


Находим R1 и R2:

 (1.31)


Находим полное сопротивление короткого замыкания трансформатора:

 (1.32)


Находим активное сопротивление фазы трансформатора по формуле:

. (1.33)


Находим индуктивное сопротивление фазы трансформатора [7]:

 (1.34)

где  - индуктивное сопротивление первичной обмотки трансформатора, приведенной к вторичной обмотке;

 - индуктивное сопротивление вторичной обмотки;


Находим  и  по формулам[7]:

 (1.35)

 (1.36)


Тогда определяем индуктивности первичной и вторичной обмоток трансформатора[9]:

, (1.37)

 (1.38)


.4 Выбор СПП по напряжению

СПП должны выдерживать определенное напряжение, которое прикладывается к ним как в прямом, так и в обратном направлениях. На практике выбирают СПП, имеющие запас классификационного значения напряжения по отношению к максимальному значению рабочего напряжения, прикладываемого к СПП в схеме.

Номинально значение максимального обратного напряжения, прикладываемого к тиристорам[7]:

, (1.39)

 (1.40)

Получаем

Определим значение рабочего напряжения, прикладываемого к СПП в схеме:

, (1.41)

где kс - коэффициент, учитывающий возможность повышения напряжения в сети, kс =1,17.


Выбор по напряжению осуществляется по условию:

, (1.42)

где - коэффициент запаса по рабочему напряжению, kз.u =2,

 - повторяющееся импульсное напряжение в закрытом состоянии,

×389,84 = 779,68В < 800В.

Таким образом, принимаем класс тиристоров по напряжению равный 8.

Дополнительно произведем проверку тиристоров по короткому замыканию для уточнения необходимости установки анодного реактора.        

Рассчитаем ток короткого замыкания по формуле:

, (1.43)

 - коэффициент трансформации;

 - номинальный ток вторичной обмотки трансформатора. Находим из (1.43).


 - условие выполняется, значит анодный реактор на входе выпрямителя не нужен.

Определяем среднее значение выпрямленного напряжения при α = 0:

,

где = 2,34 - коэффициент схемы по ЭДС для данной трёхфазной симметрично управляемой схемы. Тогда


Определяем минимальный угол открывания тиристоров:


Значение минимального угла открывания вентилей  для трехфазных схем лежит в пределах  В приведенном выше расчете для трехфазной мостовой управляемой схемы угол , что выходит за пределы указанного диапазона, и, следовательно, пульсации тока нагрузки будут превышать допустимые пределы. Для уменьшения угла открывания тиристоров применяют понижающий трансформатор.

2 РАСЧЁТ И ВЫБОР ЭЛЕМЕНТОВ ПАССИВНОЙ ЗАЩИТЫ СПП ОТ АВАРИЙНЫХ ТОКОВ И ПЕРЕНАПРЯЖЕНИЙ

.1. Расчет и выбор защитных R-С цепочек

Точный расчет R-C цепей достаточно сложен и требует учета ряда факторов. Параметры R-C цепочек определяются компромиссным решением с учетом достаточного ограничения уровня напряжения и скорости изменения напряжения на диоде, а также ограничение амплитуды разрядного тока защитного конденсатора в момент включения диода.

Параметры R-C цепей выбираем в пределах:= 33…200 Ом,= 0,1…0,5 мкФ

Примем R = 200 Ом; C = 0,47 мкФ.

Найдем мощность, выделяемую на резисторе[7]:

 (2.1)

где  - обратный ток тиристора[2].


 (2.2)


Выбираем резисторы МЛТ2-200Ом±5%[2]; выбираем следующие тип конденсаторов [2]: К41-1-3600В-0,47мкФ±10%.

3. ЛИТЕРАТУРНЫЙ ОБЗОР СИСТЕМ УПРАВЛЕНИЯ СПП ПРЕОБРАЗОВАТЕЛЕЙ И ФОРМУЛИРОВАНИЕ ТРЕБОВАНИЙ К СУ ПРОЕКТИРУЕМОГО СПП

Система управления (СУ) преобразователем предназначена для формирования управляющих сигналов (импульсов) определённой формы и длительности, а так же для изменения момента подачи этих импульсов на управляющие электроды вентилей преобразователя.

Различают одноканальные и многоканальные системы управления (в зависимости от того, в скольких каналах вырабатываются управляющие импульсы). Так же в зависимости от принципа изменения фазы управляющего импульса выделяют горизонтальные, вертикальные системы.

Основные требования к системам импульсно-фазового управления:

. Длительность и мощность открывающихся импульсов определяется в соответствии с параметрами применяющихся ключей, режимами работы преобразователя и должны быть достаточными для надежного открывания ключей преобразователя.

. Широкий диапазон регулирования определяется типом преобразователя, режимом его работы (прерывистый или непрерывный) и характером нагрузки и должен быть достаточным для регулирования выходного напряжения в заданном диапазоне.

. Симметрия управляющих импульсов по фазам. Асимметрия между интервалами допускается в пределах 1,5-2,5°.

.1 Горизонтальный метод управления

При горизонтальном управлении управляющий импульс формируется в момент перехода синусоидального напряжения через нуль, а изменение его фазы обеспечивается изменением фазы синусоидального напряжения, то есть смещение этого напряжения по горизонтали.

На рисунке 3.1 приведена структурная схема одного канала многоканальной системы управления, использующей горизонтальное управление и временная диаграмма работы. Принцип работы системы заключается в следующем. Генератор переменного напряжения ГПН вырабатывает синусоидальное напряжение, находящееся в определенном фазовом соотношении с анодным напряжением тиристора данного канала. С выхода мостового фазовращающего устройства МФУ сдвинутое по фазе напряжение поступает на формирователь импульсов ФИ, где в момент перехода синусоиды через нуль формируется управляющий импульс, который затем усиливается выходным каскадом ВК. Угол сдвига фаз регулируется изменением напряжения управления.

Рисунок 3.1 - Горизонтальный метод управления;

а) функциональная схема,

б) диаграмма работы.

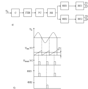
.2 Вертикальный метод управления

При вертикальном управлении управляющий импульс формируется в результате сравнения на нелинейном элементе величин переменного (синусоидального, пилообразного треугольного) и постоянного напряжения. В качестве нелинейного элемента обычно применяют транзистор.

Таким образом фазосдвигающее устройство при вертикальном управлении состоит из генератора переменного напряжения и узла сравнения (рисунок 3.2).

Рисунок 3.2 - Вертикальный метод управления

а) функциональная схема;

б) диаграмма работы

Система работает следующим образом. Генератор переменного напряжения ГПН запускается при поступлении с синхронизатора напряжения в момент появления на тиристорах прямого напряжения, то есть в точках естественной коммутации. С выхода ГПН напряжение пилообразной формы поступает на устройство сравнения, где оно сравнивается с напряжением управления UУ. В момент сравнения пилообразного и управляющего напряжений устройство сравнения вырабатывает импульс, который через распределитель импульсов РИ поступает на формирователь импульсов ФИ1 или ФИ2 и дальше, через выходные каскады ВК1, ВК2 - на тиристоры выпрямителя.

Благодаря общему ФСУ одноканальные системы управления обладают высокой симметрией управляющих импульсов. Кроме того, одноканальная система проста в настройке, поскольку не требуется создание нескольких идентичных каналов. К недостаткам одноканальных синхронных систем управления следует отнести сложность синхронизации с сетью, так как необходимо формировать одноканальную последовательность кратной частоты.

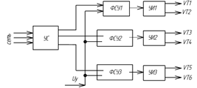
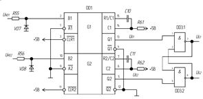
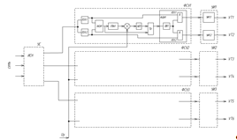
4. ПРОЕКТИРОВАНИЕ СТРУКТУРНОЙ И ФУНКЦИОНАЛЬНОЙ СХЕМ СИСТЕМЫ УПРАВЛЕНИЯ СПП

На рисунке 4.1 приведена структурная схема системы управления.

Рисунок 4.1 - Структурная схема СИФУ

УС - устройство синхронизации, ФСУ - формирователь синхронизирующего управления, УИ - усилитель импульсов.

Для выполнения своих функций СИФУ будет иметь следующую функциональную схему (рисунок 4.2):

Рисунок 4.2 - Функциональная схема СИФУ

ИСН - источник синхронизирующего напряжения, осуществляющий потенциальную развязку с сетью и согласование напряжения сети до уровня, с которым работают интегральные схемы.

ПЭ - пороговый элемент, который согласовывает напряжение сети до уровня, с которым работают интегральные схемы, а также производит сдвиг синхронизирующего напряжения на  до точки естественного открывания тиристоров

ФСИ - формирователь синхронизирующих импульсов.  

ГПН - генератор пилообразного напряжения.

НО - нуль-орган.

Тр - триггер.-формирователь длительности импульсов, формирует длительности импульсов по переднему фронту Uсч, формирует прямоугольные импульсы с длительностью, достаточной для надежного открывания тиристора, усиливает импульсы по мощности, формирует открывающие импульсы по мощности и по длительности и обеспечивает гальваническую развязку.

ОВ - одновибратор, формирует длительность импульсов.

ЛЭ - логический элемент, который формирует сдвоенный сигнал управления.

УИ - усилитель импульсов.

5. ВЫБОР ТИПОВ АНАЛОГОВЫХ И ЦИФРОВЫХ ИНТЕГРАЛЬНЫХ МС

В схеме применяются операционные усилители TLE2144J[4] с напряжением питания 4..44 В.

Рисунок 5.1 - Цоколевка операционного усилителя TLE2144J

- общий; 2 - выход 1; 3 - инверсный вход канала 1; 4 - прямой вход канала 1; 5 - общий; 6 - прямой вход канала 2; 7 - инверсный вход канала 2; 8 - выход 2; 9 - питание; 10 - общий.

Основные параметры:

Напряжение питания - 4..44 В;

Коэффициент усиления > 220 тыс.

Входное напряжение максимальное 5В;



Рисунок 5.2 - Внутренняя структура ОУ TLE2144J

В качестве компаратора используем AD790JR[5].

Рисунок 5.3 - Цоколевка компаратора AD790JR

- питание; 2 - прямой вход; 3 - инверсный вход; 4 - общий питания; 5 - блокировка; 6 - общий выхода; 7 - выход; 8 - питание логики.

Основные параметры:

Напряжение питания - ± 15В;

Напряжение питания - ± 5В;

Выходное напряжение максимальное ± 5В;

Выделяемая мощность 60мВт.

Одновибратор будет построен на КР1533АГ3[2], RS - триггер на элементах 6И-НЕ SN54HC00[4].

Рисунок 5.4 - Цоколевка логического элемента SN54HC00

- вход канала 1; 2 - вход канала 1; 3 -выход канала 1; 4 - вход канала 2; 5 - вход канала 2; 6 - выход канала 2; 7 - общий; 8 - выход канала 3; 9 - вход канала 3; 10 -вход канала 3; 11 - выход канала 3; 12 - вход канала 4; 13 -вход канала 4; 14 - питание.

Рисунок 5.5 - Цоколевка элемента КР1533АГ3

- вход информационный; 2 - вход информационный; 3 - вход установки в состояние “0”; 4 - выход информационный; 5 - выход информационный; 6 - вывод для подключения емкости; 7 - вывод для подключения резистора и емкости; 8 - общий вывод; 9 - вход информационный; 10 - вход информационный; 11 - вход установки в состояние “0”; 12 - выход информационный; 13 - выход информационный; 14 - вывод для подключения емкости; 15 - вывод для подключения резистора и емкости; 16 - питание.

Рисунок 5.6 - Условное обозначение элемента КР1533АГ3

Таблица 5.1 - Основные характеристики КР1533АГ3

Напряжение питания (Vcc)

+5В ±10%

Выходное напряжение лог.0

<0,4В

Выходное напряжение лог.1

>2,4В

Выходной ток "1", не менее

0,4мА

Выходной ток "0", не менее

30мА

Ток потребления, max

20мА

Входной ток (1/0)

20/-100мкА

Выходной ток в Z-состоянии

< 20мкА

Типовая задержка

28-48нс

Рабочий диапазон температур

-10..+70oC

Корпус

DIP-16

Импортный аналог

"74ALS123"




6. ПРОЕКТИРОВАНИЕ ПРИНЦИПИАЛЬНОЙ СХЕМЫ И ЭЛЕКТРИЧЕСКИЙ РАСЧЕТ ФУНКЦИОНАЛЬНЫХ ЭЛЕМЕНТОВ СУ СПП

.1 Синхронизирующий трансформатор, фильтр

Синхронизирующий трансформатор обеспечивает синхронизацию напряжения питания с напряжением УПН.

Синхронизирующий трансформатор предназначен для формирования сигнала, пропорционального частоте напряжения генератора, управляющего работой блока управления возбуждением генератора, и сигнала U.

Синхронизирующий трансформатор TV1 выбираем МИТ-4В на следующие параметры: U2ф=10В, S=0,05Вт.

Фильтр состоит из двух резисторов и конденсатора.

Рисунок 6.1 - Фильтр

Выбор резисторов производится из условия необходимости сдвига синусоиды на 30° от 90°. Поэтому зададимся следующими номиналами:- РП1 - 48 - 0,25 - 22 кОм±10%.- МЛТ - 0,25 - 15 кОм±5%.

С7 - К50 - 18 - 0,33 мкФ±5%.

6.2 Пороговый элемент

Данный элемент собран на транзисторах VT1 - VT4 серии КТ315Е.

Рисунок 6.2 - Пороговый элемент

Поступающее напряжение от фильтра преобразуется в прямоугольные импульсы. Резисторы R13 - R15 выбираются номиналом 10 кОм. Сигналы с порогового элемента поступают на 2И-НЕ, с которого в тоге получается синхронизированное напряжение.

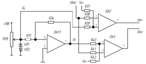
.3 Нуль орган

Нуль орган состоит из двух компараторов и инвертирующего операционного усилителя.

Инвертирующий усилитель DA1.1 преобразует напряжение управления UУ в инверсное Ud, с единичным коэффициентом передачи.

Резистор R31 ограничивает входной ток:



Рисунок 6.3 - Схема нуль органа

Резистор R34 выбираем равным R31, для обеспечения единичного коэффициента передачи: R34 = R31. Выбираем резисторы МЛТ - 0,25 - 10кОм [6].

Компараторы DA2, DA3 преобразуют напряжение управления в угол открывания тиристора α.

Развертываемое напряжение определяется формулой (6.2):


Для момента времени при котором произошло равенство напряжений для входной цепи компаратора можно записать:


Примем R37=R38=R39, тогда:

Из (6.8) можно записать:

При UУ = 0,  а UK= - UСМ. и (6.5):

Для :СМ = UKm.

Подставляя это значение UСМ в (6.6) и выразив UУ получим:


где UKm - максимальное опорное напряжение, UKm=10В.

Отсюда найдем:


Выбираем R37… R42 - МЛТ-0,125-30кОм±5%.

Пара стабилитронов VD1, VD2 служит для термостабилизации параметров входного сигнала DA1.1. Выбираем стабилитроны КС104А [6].

.4 Формирователь длительности импульсов и распределителя импульсов

Рисунок 6.4 - Формирователь длительности импульсов и

Резисторы R31, R32 служат для ограничения входного тока мультивибратора:


где UНО - выходное напряжение нуль органа, UНО = 5В;ВХ - входной ток мультивибратора, IВХ =  [6].


Выбираем чип-резисторы RC0603JR-07240K [2].

Цепочки R61 - C10 и R62 - C11 служат для формирования длительности импульсов мультивибратора. Примем С10 = С11 = 0,33 мкФ.

Длительность импульсов определяется:


Тогда определим сопротивления резисторов R37, R38:


Выбираем чип - резисторы RC0603JR-03 [2] и конденсаторы Y5V 16В 0402[6].

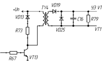
6.5 Выходной формирователь

Помимо усиления импульсов управления, ВФ осуществляет потенциальную развязку силовой части преобразователя от системы управления.

Рисунок 6.5 - Выходной формирователь

Определяем UОТП ХХ min при снижении на 15% напряжения UП:


где UGT - отпирающее напряжение управления, UGT = 5В.


Минимальное значение тока IОТП КЗ min при максимальном внутреннем сопротивлении, увеличение которого на 5% вызвано разбросом параметров и сопротивлений элементов, определим по формуле:


где IGT - отпирающий ток управления, IGT = 0,4А.



Определяем номинальные значения:


Номинальное значение внутреннего сопротивления источника:


Максимальное значение UОТП ХХ max с учетом возможного повышения напряжения на 10%:


Максимальное значение IОТПКЗmax с учетом возможности уменьшения внутреннего сопротивления источника:


По UОТП ХХ max и IОТПКЗmax выбираем импульсный трансформатор МИТ - 4 и транзистор КТ315E с  [6].

Номинальное напряжение источника питания:


Минимальное внутреннее сопротивление:


Максимальная мощность в управляющем электроде на максимальной ВАХ (максимум мощности имеет место при (RG=RВНmin):


По справочнику принимаем PGM=5,6 Вт при tимп отп=5мс и скважности 4мс.

Ток базы транзистора VT1:


Выбираем чип - резистор ERJB3BF3R9V[6].

Диод VD13 предназначен для снятия перенапряжений на индуктивности трансформатора при выключении VT13.Выбираем диод 2Д520А (UОБР=30В) [2].Диоды VD19, VD25 блокируют протекание тока через вторичную обмотку трансформатора TV4 от силовой цепи. Выбираем диоды 2Д530А (UОБР=40В, IПР=5А) [2].

Цепочка R79-C16 служит для повышения помехоустойчивости. Выбираем резистор RC1206FR-0791KL [6] и конденсатор К10-17В-Н90-0,22 мкФ [2].

Резистор R73 служит для более быстрого сброса энергии индуктивности TV4. Выбираем CRCW0805100KFHEAP[2].

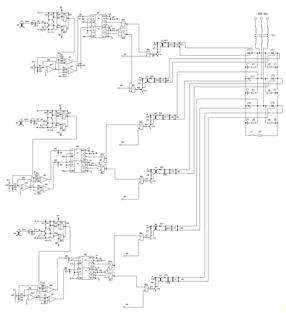
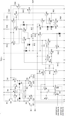
7. ОПИСАНИЕ ПРИНЦИПА ДЕЙСТВИЯ СХЕМЫ И ЭЛЕКТРИЧЕСКИЙ РАСЧЕТ. СОСТАВЛЕНИЕ ПОЛНОЙ ПРИНЦИПИАЛЬНОЙ ЭЛЕКТРИЧЕСКОЙ СХЕМЫ

.1 Полная принципиальная электрическая схема проектируемого ППЭЭ

Рисунок 7.1 - Полная принципиальная электрическая схема

.2 Перечень элементов используемых в принципиальной схеме

Таблица 7.1 - Перечень элементов используемых в принципиальной схеме

Позиционное обозначение

Наименование

Количество


Диоды


VD7 - VD12

1N5819

6


Конденсаторы


С1 - С6

К41-1-3200В-0,47мкФ

6

С7 - C9

К50 - 18 - 0,33 мкФ±5%

3

С10 - C15

Y5V 16В 0402

6

С16 - С21

К10-17В-Н90-0,22 мкФ

6


Микросхемы


DA1.1- DA1.3

TLE2144J

1

DA2 - DA7

AD790JR

3

DD1 - DD3

КР1533АГ3

6

DD3.1-DD3.4, DD4.1-DD4.2

SN54HC00

2

DD5.1-DD5.4, DD6.1-DD5.2

SN54HC00

2


Резисторы


R1 - R6

МЛТ-2-200Ом6


R7,R9,R11

РП1-48-0,25 -22 кОм±5%

3

R8,R10,R12

МЛТ - 0,25 - 15 кОм±5%

3

R13 - R27

МЛТ-0,25-10кОм15


R28 - R30

SOP 10 0407

3

R31 - R36

МЛТ-0,25-10кОм6


R37 - R54

МЛТ-0,125-30кОм±5%

18

R55 - R60

RC0603JR-07240K

6

R61 - R66

RC0603JR-03

6

R67 - R72

ERJB3BF3R9V

6

R73 - R78

CRCW0805100KFHEAP

6

R79 - R84

RC1206FR-0791KL

6

R85

2,5 Ом

1


Стабилитроны


VD1 - VD6

КС104А

12


Тиристоры


VT1 - VT6

Т142-50

6


Транзисторы


VT1 - VT18

КТ315E

18


.3 Временные диаграммы работы СУ СПП

График 7.1 - Ток на нагрузке (α =38°)

График 7.2 - Напряжение на нагрузке (α =38°)

График 7.3 - Напряжение управление тиристором VT1 (α =38°)

График 7.4 - Напряжение управление тиристором VT2 (α =38°)

График 7.5 - Напряжение управление тиристором VT3 (α =38°)

График 7.6 - Напряжение управление тиристором VT4 (α =38°)

График 7.7 - Напряжение управление тиристором VT5 (α =38°)

График 7.8 - Напряжение управление тиристором VT6 (α =38°)

График 7.9 - Напряжение сети

График 7.10 - Напряжение на тиристоре VT1 (α =38°)

График 7.11 - Напряжение на тиристоре VT2 (α =38°)

График 7.12 - Напряжение на тиристоре VT3 (α =38°)

График 7.13 - Напряжение на тиристоре VT4 (α =38°)

График 7.14 - Напряжение на тиристоре VT5 (α =38°)

График 7.15 - Напряжение на тиристоре VT6 при (α =38°)

График 7.16 - Ток на нагрузке (α =85°)

График 7.17 - Напряжение на нагрузке (α =85°)

График 7.18 - Напряжение управление тиристором VT1 (α =85°)

График 7.19 - Напряжение управление тиристором VT6 (α =85°)

График 7.20 - Напряжение на тиристоре VT1 (α =85°)

График 7.21 - Напряжение на тиристоре VT2 (α =85°)

7.4 Описание принципа работы электрической схемы

Силовые тиристоры управляются. Развязка между логикой низкого напряжения и высокого напряжения происходит в выходном формирователе.

Выходной формирователь управляет каждым тиристором по отдельности. Формирование управляющих импульсов происходит в блоке ФСУ, где формируется угол открывания тиристоров. Обратная связь осуществляется в устройстве синхронизации через трансформаторы гальванической развязки. Потенциометрами мы можем задавать угол открывания тиристоров.

8. РАСЧЕТ И ПОСТРОЕНИЕ ВНЕШНЕЙ И РЕГУЛИРОВОЧНОЙ ХАРАКТЕРИСТИК

.1. Внешняя характеристика выпрямителя

Внешней характеристикой выпрямителя называется зависимость выходного напряжения U от тока нагрузки I при постоянном значении угла открывания, то есть зависимость при α = const.

Рисунок 8.1 - Обобщенная схема замещения выпрямителя

Активное сопротивление последовательно включенных элементов схемы, по которым протекает ток нагрузки в один и тот же момент времени:

а = RТР = 1,285 Ом.

Реактивное сопротивление цепи:


Коммутационное сопротивление:

 (8.2)


Сумма падений напряжений на полупроводниковых приборах, по которым в данный момент времени протекает ток нагрузки:


Согласно схеме замещения внешняя характеристика выразится формулой:

 (8.3)

Находим среднее значение выпрямленной ЭДС для cosamin и cosamax:


В режиме непрерывного тока внешние характеристики выпрямителя представляют собой ряд параллельных прямых, наклоненных к оси тока.

Построение характеристик производилось для двух различных значений угла открывания тиристора . Были выбраны следующие значения углов открывания: , ,. Для этих значений производится построение внешних характеристик выпрямителя по двум точкам при I = 0 и I = IНОМ.

Рисунок 8.2 - Внешняя характеристика преобразователя

.2 Регулировочная характеристика выпрямителя

Регулировочная характеристика выпрямителя представляет собой зависимость выпрямленной ЭДС Е от угла открывания α, то есть Е = f(α).

Для данной схемы, выражение для выпрямленной ЭДС имеет вид:

= E0∙cosα (8.3)

Таблица 8.2 - Расчет регулировочной характеристики выпрямителя

0

15

30

45

60

75

90

Е, В

318,2

306,8

275,1

224,6

158,8

82,2

0



Рисунок 8.3 - Регулировочная характеристика выпрямителя


ЗАКЛЮЧЕНИЕ

В курсовом проекте был рассмотрен трехфазный мостовой выпрямитель, полностью управляемый, работающий на активно-индуктивную нагрузку.

Для указанной схемы были произведены: расчет и выбор силовых элементов, расчет и выбор элементов пассивной защиты силовых приборов, проектирование структурной и функциональной схем системы управления преобразователем, проектирование принципиальных схем и расчет функциональных элементов системы управления, построены полная принципиальная схема, внешняя и регулировочная характеристики преобразователя.

В графической части приведены функциональная и полная принципиальная схемы проектируемого преобразователя, временные диаграммы работы, внешние и регулировочные характеристики .

СПИСОК ИСПОЛЬЗУЕМЫХ ИСТОЧНИКОВ

Электронная техника и преобразователи: Учебное издание/ Бурков А.Т. - М.: Транспорт, 1999. - 464с.

www.chipdip.ru <http://www.chipdip.ru>

Силовые полупроводниковые приборы: Справочник / О. Г. Чебовский, Л. Г. Моисеев, Р. П. Недошивин. - 2-е изд., перераб. и доп. - М.: Энергоатомиздат, 1985. - 400 с., ил.

http://www.ti.com/ //www. analog.com /

http://www.platan.ru/

Учебно-методическое пособие к курсовому проектированию по силовой преобразовательной технике для студентов специальности «Автоматизированные электроприводы». - Для студентов специальности «Автоматизированные электроприводы» / Гульков Г.И., Улащик Н.М. - Мн.: БНТУ,2005.-79с.,ил.

Похожие работы на - Проектирование и расчет полупроводникового преобразователя электрической энергии

 

Не нашли материал для своей работы?
Поможем написать уникальную работу
Без плагиата!
Без нейросетей!