Проектирование полупроводникового преобразователя электрической энергии
Содержание
Введение
1. Выбор силовых полупроводниковых приборов проектируемого
выпрямителя
.1 Выбор СПП по току
1.2 Проверка СПП по перегрузочной способности
1.3 Выбор класса СПП по напряжению
. Расчет и выбор элементов пассивной защиты силовых приборов
от аварийных токов и перенапряжений
.1 Расчет и выбор защитных R-C цепочек
.2 Расчет и выбор анодного реактора
2.3 Выбор сглаживающего дросселя
3. Литературный обзор систем управления СПП выпрямителя.
Требования к СУ проектируемого выпрямителя
. Проектирование структурной и функциональной схем СУ СПП
. Выбор типов аналоговых и цифровых интегральных микросхем
. Проектирование принципиальной схемы и электрический расчет
функциональных элементов СУ СПП
.1 Синхронизирующая оптронная развязка
6.2 Генератор пилообразного напряжения
.3 Расчёт компаратора
6.4 Расчет одновибратора
6.5 Расчет выходного формирователя
7. Составление полной принципиальной схемы выпрямителя и
перечень элементов к ней. Описание принципа действия схемы
7.1
Перечень элементов
7.2 Диаграмы работы и описание принципа действия схемы
8. Расчет и построение внешней и регулировочной характеристик
выпрямителя, регулировочной характеристики СИФУ
.1 Внешняя характеристика выпрямителя
.2 Регулировочная характеристика выпрямителя
8.3 Регулировочная характеристика СИФУ
Заключение
Список использованных источников
ВВЕДЕНИЕ
Целью курсового проектирования является закрепление полученных знаний при
изучении курса «Силовая преобразовательная техника», а также получение навыков
правильного проектирования и расчета силовых полупроводниковых приборов (СПП).
Темой курсового проекта является: «Проектирование полупроводникового
преобразователя электрической энергии».
Преобразователи электрической энергии предназначены для преобразования
параметров электрической энергии (рода тока, частоты, величины напряжения, для
регулирования, т.е. целенаправленного изменения потока мощности передаваемую в
нагрузку).Принцип действия основан на периодическом включении и отключении СПП
или ключей.
В соответствии с поставленной целью и выданным техническим заданием,
необходимо спроектировать однофазный мостовой симметрично управляемый
выпрямитель с системой управления.
Рисунок - Однофазного мостового симметрично управляемого выпрямителя.
Рисунок - Временные диаграммы
В данной схеме работает в каждый момент времени попарно VS1 и VS4 в положительные полупериоды, VS2 и VS3 в
отрицательные. СУ вентилями должна формировать импульсы VS1 и VS2 в положительные полупериоды. Когда тиристоры закрыты, то к
ним прикладывается половина напряжения питания.
Пусть
в момент времени
подаются отпирающие импульсы на вентили VS1 и
VS4, открываются VS1 и VS4 и
через них по нагрузке начинает протекать ток.
В
момент времени
, напряжение сети меняет свой знак, и к тиристорам VS1 и
VS4 прикладывается обратное напряжение и они
закрываются.
При
подаются отпирающие импульсы на VS2 и
VS3, тиристры открываются и процесс идет аналогично.
Основные
расчетные соотношения:
)
Среднее выпрямленное напряжение:
)
Среднее значение тока в вентиле:
)
Действующее значение тока вентиля:
)
Максимальное прямое и обратное напряжение:
5)Коэффициент
схемы по ЭДС для симметрично управляемого преобразователя
)
Полная мощность первичной и вторичной обмотки трансформатора:
,
,
,
-
коэффициент схемы по мощности (
),
-
постоянная составляющая мощности.
-постоянная
составляющая выпрямленного напряжения и тока.
)
Коэффициент формы тока:
)
Коэффициент мощности потребления:
)
Действующее значение тока трансформатора:
Ктр
- коэффициент трансформации
1.
ВЫБОР СИЛОВЫХ ПОЛУПРОВОДНИКОВЫХ ПРИБОРОВ
1.1 Выбор вентилей по току
Рассчитаем номинальный, действующий и средний токи в тиристорах по
формуле (1.1):
для двигателя 2ПБ132МУХЛ4 в справочнике [2,с 382] находим:
-КПД:
;
Мощность
двигателя:
;
Напряжение:
;
Момент
инерции:
;
Частота
вращения:а) номинальная
;
б)
максимальная
;
Сопротивление
обмотки при
:
а)
сопротивление якоря
;
б)
сопротивление добавочных полюсов:
;
в)
сопротивление обмотки возбуждения:
;
Индуктивность
цепи якоря:
.
Тогда
номинальный ток в нагрузке равен:
(1.1)
Среднее
значение тока в вентиле;
Действующее
значение тока вентиля;
Коэффициент
формы тока
Из
соотношения (1.2) выбираем тиристор по току:
(1.2)
-
коэффициент запаса, учитывающий отклонение режима работы и условия охлаждения
от номинальных,
= (0,8-1,2).
Так как kфi<1,57
(условия по нагреву током легче), а максимальная температура воздуха по условию
равна Та=100 С (условия по отводу тепла лучше), следовательно при улучшении
условий работы (
<1), принимаем
.
коэффициент
запаса по току,
, принимаем
;
= 0,85×1,85×10,3 = 16,2 A.
Из каталога ООО «Элемент-Преобразователь» выбираем тиристоры типа:
Т122-20 с охладителем О221, у которых при естественном охлаждении и Та =400С, ITAV =14А
где Т-тиристоры низкочастотные;
1- порядковый номер модификации, указывающий на то, что в одном и том же
корпусе прибора смонтированы выпрямительные элементы различного диаметра;
- типоразмер корпуса (штыревой).
- максимально допустимый средний ток в открытом состоянии 20А;
Выбираем характеризующие параметры тиристора из каталога:
Та - температура окружающей среды, принимаем Та =10 0С;
ITAV -
допустимый средний ток, (ITAV
=20А);
Uт(то)-
пороговое напряжение, принимаем Uт(то)=1
В;
rт -
дифференциальное сопротивление в открытом состоянии, принимаем rт = 1,2×10-2Ом;
Tjm-
максимально допустимая температура перехода, принимаем Tjm=125’C;
Rthja-
установившееся тепловое сопротивление переход-среда;
Rthja=3,9’С/Вт,
Для выбранного тиристора рассчитываем максимально допустимый средний ток
при заданных условиях работы и охлаждения.
Расчет производим по формуле (1.2):
(1.3)
Максимально
допустимый средний ток при заданных условиях работы и охлаждения будет равен:
,
Так
как выполняется условие (1.4), а именно:
(1.4)
,85×10,3=19 А ,
выбранный
тиристор по току подходит.
.2 Проверка СПП по перегрузочной способности
Определяем средние потери мощности РТ для тока, предшествующего
перегрузке, по формуле (1.5):
PT = UT(TO) × ITAV +
, (1.5)
Вт.
Определяем
средние потери мощности РТ(OV) в режиме перегрузке, по формуле (1.6):
Таким
образом, ITAV пер.- ток перегрузки, ITAV пер.=
(2,5…4,0) ITAV.
Принимаем
ITAV пер.= 3×10,3=30,9 А;
; (1.6)
Вт.
Определяем
переходное тепловое сопротивление переход-среда Z(th)tja,
по формуле (1.7):
, (1.7)
Ом,
По
графику из каталога [риз.10 с.60] функции Z(th)tja =f(t)
определяем максимально допустимое время перегрузки tm :
tm =10 сек,
Определяем
реальное время перегрузки, равное времени пуска электродвигателя, по формуле
(1.8):
(1.8)
где Jå - суммарный, приведенный момент
инерции электродвигателя, который равен Jå = (1,2…1,3)Jдв,
Jå =1,25×0,038=0,0456 кг×м
,
,
сек
,
Wн - номинальная
угловая скорость двигателя,
Мпуск
- пусковой момент двигателя, следовательно Мпуск =(2,5…4,0) Мн ;
Принимаем:
Мпуск =3×Мн =3×14,4=43 н×м,
Мс
- статический момент, с которым происходит пуск электродвигателя, примим
Мс=(0…1)Мн = Мн .
Мн=Pн/Wн.
Мн=1,6×10
/111=14,4
н×м,
Мн
- номинальный момент двигателя,
Тогда
реальное время перегрузки по формуле (1.8) будет равно:
сек,
tm ³ tпер
³ 0,23
Условие
выполняется, следовательно, прибор удовлетворяет режиму перегрузки.
.4
Выбор класса СПП по напряжению
Выбор
СПП по напряжению производим по формуле (1.10):
, (1.10)
где
- коэффициент запаса по рабочему напряжению;
-
максимальное значение рабочего напряжения на вентиле;
-
повторяющееся импульсное напряжение в закрытом состоянии;
-
коэффициент, учитывающий возможность повышение напряжения в сети;.
-
номинальное значение максимального обратного напяжения, прикладываемого к
вентилю;
Принимаем,
;
;
В,
В,
В.
Значение
напряжений
для тиристора Т122-20 находятся в пределах 600 В
выбираем тиристор 6-го класса.
Окончательно
тип выбранных тиристоров Т122-20-6.
.5
Выбор трансформатора
Рассчитаем
. Не смотря на то что угол больше 500, трансформатор
выбирать не будем в связи с его большой стоимостью и массой.
2. РАСЧЕТ И
ВЫБОР ЭЛЕМЕНТОВ ПАССИВНОЙ ЗАЩИТЫ СИЛОВЫХ ПРИБОРОВ ОТ АВАРИЙНЫХ ТОКОВ И
ПРЕНАПРЯЖЕНИЙ
.1 Расчет и выбор защитных R-C цепочек
Защитные R-C цепочки предназначены для
ограничения скорости нарастания напряжения и снижения перенапряжений на
вентилях схемы, используются RC-цепочки,
которые включаются как показано на рисунке 2.1.
Рисунок
2.1-Схема защитной R-C цепочки
Защитные
R-C цепочки предназначены для ограничения скорости наростания напряжения на
вентилях и снижения перенапряжений на вентилях схемы.
Параметры
RC-цепочек определим на основании опытных данных:
R=100 Ом
С=0,3
мкФ
Мощность
резистора определим по формуле:
В,
А,
с
.
-
максимальное значение обратного напряжения на вентиле;
-
максимальное значение обратного тока вентиля;
-
угловая частота питающей сети.
Принимаем
к установке:
конденсатор
C: К75-12-600В-0,3мкФ
резистор
R:МЛТ-1-0.1кОм
2.2 Расчет и выбор анодного реактора
Анодный
реактор применяется для ограничения тока короткого замыкания на уровне не
превышающем ударный ток прибора.
Значение
ударного неповторяющегося прямого тока для СПП в схеме:- ударный
неповторяющийся прямой ток тиристора;=0.3 кA - для тиристоров (VS1-VS4)
[таблица 1 c 56];
Индуктивность
анодного реактора определяем по формуле (2.3):
, (2.3)
где
КП - коэффициент, учитывающий наличие свободной составляющей в токе короткого
замыкания, КП=1,6…2,0;
Принимаем
КП=1,6- количество реакторов, ограничивающих ток короткого замыкания, т.к.
однофазная схема, принимаем n=1;
мГн,
Выбирам
реактор ДФ-7 со следующими номинальными данными: LАРн=10 мГн, IН=50 А.
ар=
Ом
А,
что
меньше чем ITSM. Условие выполняется.
Анодный
реактор подобран правильно.
2.3 Выбор сглаживающего дросселя
Сглаживающий
дроссель выбирается исходя из ограничения зоны прерывистых токов и проверяется
по пульсациям переменной составляющей тока нагрузки.
Определяем
требуемую постоянную времени электрической цепи исходя из условий ограничения
зоны прерывистого тока:
, (2.14)
где
- постоянный коэффициент однофазной симметрично
управляемой схемы выпрямления ;
-
максимальное значение относительного граничного тока зоны прерывистого тока,
, (2.15)
где
Iгр.max- абсолютное наибольшее значение граничного тока, которое должно быть
меньше тока холостого хода, Iгр.max=(0,1…0,8)Iн
Принимаю
Iгр.max=0,8×Iн ,
Iгр.max=0,8×20=16 А,Б- базовое значение тока,
;
-
максимальное значение анодного напряжения,
,
П-
активное сопротивление якорной цепи,
;я-
сопротивление якоря двигателя, Rя= (Rя1 + Rд.п )*1,26= (0,346+0,224)*1,26 = 0,72 Ом; [2, с 382];р.-
активное сопротивление анодного реактора;сп.- активное сопротивление силового
преобразователя, учитывающее падение напряжения на вентилях и проводах,
;
DUВ=UТ(ТО)
- прямое падение напряжения на вентиле, DUВ=1,0 В [1, таблица
11.8, с 201];-число вентилей, последовательно включенных, проводящих ток в один
и тот же момент времени, n=2;
Ом,
Ом,
А,
Определим
требуемую постоянную времени электрической цепи по формулам (2.14) и (2.15):
А,
с,
Определяем требуемую индуктивность якорной цепи и требуемую индуктивность
сглаживающего дросселя:
, (2.16)
Гн,
, (2.17)
где
Lя- индуктивность якоря двигателя, Lя= 7,9 мГн [2, с 382].
Гн.
Из
каталога выбираем дроссель по соотношениям:
др.кат.н.³ Lдр.др.кат.н.³ Iн.
Выбираем
дроссель из справочника ДФ-7 со следующими номинальными параметрами: Iн др=20А,
Lн=62,5мГн,
Активное
сопротивление дросселя
, (2.18)
Ом,
Индуктивность якорной цепи:
,
Гн,
Активное
сопротивление якорной цепи в режиме непрерывного тока:
,
где:
-коммутационное сопротивление, обусловленное углом
перекрытия анодов;пульсность схемы, m=2;индуктивное сопротивление
анодного реактора,
:
.
Активное сопротивление якорной цепи в режиме прерывистого тока:
Действующее
значение переменной составляющей тока нагрузки при номинальном моменте
двигателя
,
Где
Е0 -условия ЭДС холостого хода
преобразователя;
s- удельная
относительная величина дополнительных потерь от переменной составляющей тока;
определяется в зависимости от схемы выпрямления и степени снижения напряжения
выпрямителя Сu,
,
;
,
условие
выполняется
Коэффициент пульсаций тока:
,
,
.Коэффициент
формы тока нагрузки:
,
.
Проверяем
условие: кф<1,2 - выполняется.
Коэффициент
использования двигателя по току:
.
.
3. Литературный обзор систем
управления вентилями преобразователей и формирование требований к системе
управления проектируемого выпрямителя
В зависимости от того, в одном или нескольких каналах вырабатываются
управляющие импульсы для каждого вентиля преобразователя, различают
одноканальные и многоканальные системы управления, а в зависимости от принципа
изменения фазы управляющего импульса - горизонтальные, вертикальные и цифровые
системы.
Кроме того системы могут быть синхронными и асинхронными
СИФУ предназначена для выполнения 2 функций:
1. Определение моментов времени, в
которые должны быть включены те или иные вентили.
Эти моменты задаются величиной характеристики управления, которые
подаются на вход СИФУ и выдают значения выходных параметров преобразователя.
Формирование напряжения управления рассматривает наука ТАУ ( теория
автоматического управления ).
2. Формирование открывающих импульсов,
передаваемых в нужные моменты времени на управляющие электроды тиристоров,
имеющих достаточную амплитуду, мощность и длительность.
Для выполнения этих функций СИФУ должна содержать 2 основных блока:
·
фазосдвигающее
устройство;
·
выходной
формирователь; определяется в соответствии с параметрами тиристоров
Требования, предъявляемые к СИФУ:
1. Длительность мощность открывающих
импульсов определяются в соответствии с параметрами тиристоров, а также
режимами работы преобразователя и эти импульсы должны быть достаточными для
надежного открывания силовых вентилей.
Диапозон
регулирования угла
опр-ся типом преобразователя, режимами работы его,
характером нагрузки и должны быть достаточными для регулирования вых.
напряжения в заданном диапозоне.
Для
3-х фазного мостового выпрямителя работа на активную нагрузку для регулирования
вых. напряжения от 0 до максимума, необходимо изменять угол от 0 до 120
. При работе на активно-индуктивную нагрузку
меняется
От
0 до 90
.
Вертикальный метод управления.
Принцип вертикального управления состоит в том, что на
входе формирователя импульсов производится сравнение переменного (опорного) и
регулируемого постоянного напряжений. Последнее является напряжением управления
Uу. В момент равенства этих двух
напряжений формируется управляющий импульс. Изменяя значение постоянного
напряжения, можно получить сдвиг управляющего импульса по фазе относительно
анодного напряжения.
Функциональная схема одного канала такой системы
приведена [ на рисунок 3.2. В систему входят фазосдвигающее устройство ФСУ и
формирователь импульсов ФИ. Фазосдвигающее устройство, в свою очередь, содержит
генератор опорного напряжения ГОН и нуль-орган НО.
На вход нуль-органа (вход СИФУ) подается кроме
опорного напряжения Uу также внешнее
напряжение управления Uу.
Рисунок 3.2 функциональная схема СИФУ с вертикальным
методом управления
В общем случае напряжение Uу может подаваться через специальное входное устройство,
осуществляющее согласование параметров сигнала управления со входом СИФУ.
Опорное напряжение может быть синусоидальным на рабочем участке или
пилообразным.
Мощность сигналов на выходе нуль-органа недостаточна
для непосредственного управления тиристорами. Поэтому далее используются
усилитель формирователь для усиления сигнала по мощности и формирования
импульса с необходимой скоростью нарастания фронта.
Горизонтальный
метод управления.
При горизонтальном управлении управляющий импульс формируется в момент
перехода синусоидального напряжения через нуль, а изменение его фазы
обеспечивается изменением фазы синусоидального напряжения, то есть смещение
этого напряжения по горизонтали.
На рисункеприведена структурная схема одного канала многоканальной
системы управления, использующей горизонтальное управление и временная диаграмма
работы. Принцип работы системы заключается в следующем. Генератор переменного
напряжения ГПН вырабатывает синусоидальное напряжение, находящееся в
определенном фазовом соотношении с анодным напряжением тиристора данного
канала. С выхода мостового фазовращающего устройства МФУ сдвинутое по фазе
напряжение поступает на формирователь импульсов ФИ, где в момент перехода
синусоиды через нуль формируется
4. Проектирование структурной и функциональной схем
СУ СПП
.1 Проектирование структурной схемы СУ СПП
Структурная
схема СИФУ - однофазным мостовым несимметрично управляемым выпрямителем с
линейным положительным опорным напряжением представлена на рисунке 4.1.
Рисунок 4.1 - Структурная схема СИФУ.
На рисунке 4.1 обозначены:
УС - устройство синхронизации; обеспечивает гальваническую развязку СУ с
питающей сетью, отмечает переходы через ноль сетевого напряжения (выдает
короткие импульсы синхронизации Uсинх. в эти моменты времени), а также
формирует на своем выходе разрешающие сигналы Uр1 и Uр2 (соответствуют
положительным и отрицательным полупериодам сетевого напряжения), которые
используются для разделения импульсов управления тиристорами VS1 и VS2;
ГРН - генератор развертываемого напряжения; формирует пилообразное
напряжение Uп напряжение, возвращаясь в исходное состояние в момент подачи
импульсов Uсинх.;
НО - нуль-орган; сравнивает пилообразное Uп и напряжение управления Uу
(формируется системой автоматического управления ) и в момент их равенства
меняет свое выходное состояние;
ФДИ - формирователь длительности импульсов; по “рабочему” фронту сигнала
Uно формирует прямоугольные импульсы с длительностью, достаточной для надежного
открывания тиристоров силового блока СБ;
РИ - распределитель импульсов; управляется сигналами Uр1 и Uр2 с выхода
УС и служит для распределения импульсов UGT по тиристорам VS1 и VS2 (формирует
на выходе соответственно импульсы UGT1 и UGT2 );
ВФ1, ВФ2 - выходные формирователи; формируют открывающие импульсы по
мощности, необходимой для надежного включения тиристоров, и обеспечивают
потенциальную развязку СУ с силовым блоком СБ.
Функциональная схема СИФУ, разработанная на основе структурной схемы,
показана на рисунке 4.2, а временные диаграммы ее работы на рисунке 4.3.
выпрямитель ток перенапряжение интегральный микросхема
Рисунок 4.2 - Функциональная схема СИФУ
Рисунок 4.3 - Диаграммы работы СИФУ
Источник синхронизирующего напряжения (ИСН) может быть выполнен с
использованием трансформатора либо оптоэлектронной развязки. Компараторы К1 и
К2 формируют на своих выходах прямоугольные разрешающие сигналы Uр1 и Uр2 ,
соответствующие положительным и отрицательным полупериодам питающего
напряжения. Эти сигналы используются в дальнейшем в РИ для разделения импульсов
управления по тиристорам VS1 и VS2.Одновибраторы ОВ1 и ОВ2 по фронту “0”/”1”
сигналов Uр1 и Uр2 формируют на своих выходах короткие (до 50 мкс) импульсы, которые
суммируются на элементе “2ИЛИ-НЕ”.Выходной сигнал УС Uсинх. представляет собой
последовательность коротких импульсов с f=100 Гц, строго синхронизированных с
сетевым напряжением и соответствующих точкам естественного открывания
тиристоров VS1 иVS2. ГРН представляет собой интегратор И со сбросом. При
отсутствии импульса Uсинх. ключ Кл закрыт, и напряжение на выходе интегратора
Uп нарастает по линейному закону. При поступлении импульса Uсинх. ключ Кл
открывается и интегратор сбрасывается в ноль. Пилообразное напряжение Uп
подается на вход НО, где происходит сравнение трех сигналов: напряжения
управления (Uу), напряжения смещения (Uсм) и напряжения ГРН (Uп). Uу
формируется САУ электроприводом. Uсм определяет максимальный угол открывания,
т.е. минимальное напряжение на якоре двигателя. В момент равенства сигналов Uп
и Uсм -Uу компаратор К3 меняет свое выходное состояние. По фронту сигнала Uн0
одновибратор ОВ3 формирует импульсы открывания тиристоров по длительности (до
четырех эл. градусов), т.е. управление тиристорами осуществляется “узкими”
импульсами (чтобы не насыщался импульсный трансформатор TVи).При управлении
тиристорами СБ “широкими” импульсами, для исключения насыщения TVи открывающие
импульсы UGT1 и UGT2 заполняют сигналом высокой частоты (до 10 кГц) с помощью
ГВЧ (генератора высокочастотного заполнения).
РИ, выполненный на элементах “2И”, осуществляет разделение импульсов UGT,
соответствующих требуемому углу a, на импульсы UGT1 и UGT2 для управления соответственно
тиристорами VS1 и VS2.Эти маломощные импульсы подаются на усилители импульсов
(УИ) и через импульсные трансформаторы TVи1 и TVи2 на управляющие электроды
соответствующих тиристоров VS1 и VS2.
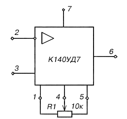
5. ВЫБОР ЭЛЕМЕНТНОЙ БАЗЫ
В ходе проектирования системы управления в схеме будут использоваться аналоговые
интегральные микросхемы типа К140УД7 [1]. Напряжение питания этой ИМС
составляет 15В.
Схема одновибратор будет содержать в себе ИМС типа КР1533АГ3.
Импульсный трансформатор в выходном формирователе используется серии МИТ
12В 5. Также будем использовать логическую ИМС КР1533ЛЕ1.
Операционный усилитель К140УД7
Назначение выводов К140УД7:
,5 - балансировка;
- вход инвертирующий;
- вход неинвертирующий;
- напряжение питания -Uп;
- выход;
- напряжение питания +Uп;
Технические характеристики К140УД7:
|
1
|
Напряжение питания
|
15 В 10%
|
|
2
|
Диапазон синфазных входных
напряжений при Uп= 15 В
|
12 В
|
|
3
|
Максимальное выходное
напряжение при Uп= 15 В, Uвх= 0,1 В,
Rн = 2 кОм 10,5 В
|
|
|
4
|
Напряжение смещения нуля
при Uп= 15 В, Rн = 2 кОм К140УД7, КР140УД7, КР140УД708 не
более 9 мВ
|
|
|
5
|
Входной ток при Uп= 15 В, Rн = 2 кОм
|
не более 400 нА
|
|
6
|
Разность входных токов при
Uп= 15 В, Rн = 2 кОм
|
не более 200 нА
|
|
7
|
Ток потребления при Uп= 15 В, Rн = 2 кОм
|
не более 3,5 мА
|
|
8
|
Коэффициент усиления
напряжения К140УД7, КР140УД7, КР140УД708
|
не менее 30000
|
|
9
|
Входное сопротивление
|
не менее 400 кОм
|
Сдвоенный одновибратор серии К1561АГ1 с параметрами:
· Напряжение
питания
=15В
· Выходное
напряжение
=1,5 В; Входной ток нуля
=2,4 мA
· Выходное
напряжение
=13 В; Входной ток единицы
=2,4 мA

Назначения выходов микросхемы К1561АГ1:
· 1,2,14,15 - таймирующие выходы;
4,5,12,11 - входы сигнала;
· 3,13 - сброс; 6,10 - выход; 7,9 -
инвертирующий выход
· 8 - +U
питания; 16 - -U питания.
В качестве распределителя импульсов РИ используем микросхему серии
К1561ЛЕ5 на четырех логических элементах 2ИЛИ-НЕ с параметрами:
· Напряжение
питания
=15В
· Выходное
напряжение нуля
=0.3 В
· Выходное
напряжение единицы
=2,7 В
· Входной ток
нуля
=0,02 мA
· Входной ток
единицы
=-0,4 мA
· Потребляемый
ток единицы
=12 мА;
· Потребляемый
ток нуля
=2 мА;
Источник синхронизирующего напряжения выполняем на одноканальной оптопаре
АОТ128Д псараметрами:
· Входной ток 40 мА
· Максимальный входной импульсный ток 100 мА
· Максимальное напряжение коммутации 50 В
· Максимальный выходной постоянный 32 мА
· Рабочий диапазон температур -40…85°С
Рисунок 5.4 Оптопара АОТ128Д
6. ПРОЕКТИРОВАНИЕ ПРИНЦИПИАЛЬНОЙ СХЕМЫ, РАСЧЕТ ЭЛЕКТРИЧЕСКИХ ПАРАМЕТРОВ
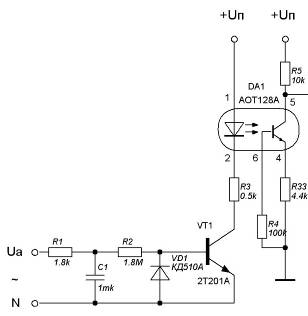
6.1 Расчет устройства синхронизации
Устройство синхронизации обеспечивает гальваническую развязку системы
управления с сетью, отмечает моменты перехода через нуль сетевого напряжения.
Принципиальная схема устройства синхронизации представлена на рис.7.1.
Рис.7.1. Устройство синхронизации
Рис.7.2.
Диаграммы работы устройства синхронизации
(7.1)
Выбираем
конденсатор [2]: К73-17-1.0мкф-400в, 5%. Рассчитываем сопротивление.
(7.2)
(7.3)
Выбираем
к установке транзистор КТ503А [8], который имеет следующие параметры:
,
,
и оптопару АОТ 128А со следующими параметрами:
Принимаем
к установке следующие резисторы [1]:
1:
ТВО-5-1,8кОм±5%
R2:
ОМЛТ-0,125-1,8МОм±5%
R3:
ОМЛТ-0,125-510Ом±5%
R4:
ОМЛТ-0,125-100кОм±5% (по рекомендации завода
производителя)
R5: ОМЛТ-1-10кОм±5%
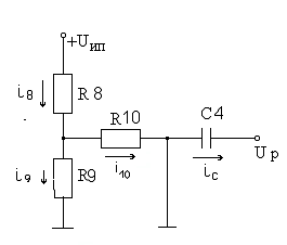
6.2 Генератор
пилообразного напряжения
Рис 6.2.Принципиальная схема ГПН.
Диаграмма работы ГПН
Рис 6.3.Диаграмма работы ГПН
Исходные данные для расчета:
,
,
.
Для
расчета воспользуемся схемой замещения:
(так
как
),
.
принимаем
и С=20 нФ.
100 кОм,
Для
расчета резистивного делителя запишем систему уравнений:
Принимаем
R8=10 кОм , R9=3 кОм , R19=2
кОм , чтобы на инвертирующем входе было 5В а на неинвертирующем 2В.
Рассчитываем
потери мощности в резисторах:
,
.
Принимаем:
8:
ОМЛТ-0,125-10кОм±5%,
R9:
ОМЛТ-0,125-3кОм±5%,
R19:
ОМЛТ-0,125-2кОм±5%,
R10:
ОМЛТ-0,125-100кОм±5%.
Осуществим
выбор транзистора VT1, который служит для разряда конденсатора. Выбор
транзистора осуществим по двум соотношениям:
1. ,
2. /
Ток при разряде конденсатора:
(6.12)
,
,
В.
Из
справочника выбираем транзистор КТ3107Л
, (6.13)
,
,
Ом,
(6.14)
.
Принимаем
резистор R5: ОМЛТ-0,125-3,6кОм±5%.
6.3 Расчет компаратора
Компаратор
осуществляет преобразование Uу в фазовый сдвиг - угол открывания a. Схема компаратора представлена на рис.6.6.
. (6.13)
Рис.6.6.
Схема компаратора
Диаграммы работы компаратора представлены на рис.6.7.
Рис.6.7.
Диаграммы работы компаратора.
Для
момента времени, при котором производится равенство напряжения, для входной
цепи компаратора можно записать:
Принимаем
, тогда
.
При
Uу=0 угол открывания
, а
. Тогда формула (6.13) примет вид:
- сдвиг
фазы напряжения на УС.
.
Чтобы
сформировать такое напряжение смещения воспользуемся делителем напряжения из
резисторов R13=12 кОм и R14=3.3 кОм.
Исходя
из того, что amin=
55°-30°=25° , amax=
60° определим максимальное и минимальное Uу по
формуле:
; (6.14)
. (6.15)
Чтобы
сформировать Uy возьмём потенциометр на R43=2кОм и
резистор R42 рассчитаем
кОм.
Выбираем
резисторы R16, R12, R15: МЛТ - 0,125 - 100кОм±10%.
43: 3540S-1-202L, R42: МЛТ -
0,125 - 13кОм±5%
6.4 Расчет одновибратора
Схема
одновибратора представлена на рис.6.8.
Рис.6.8.
Схема одновибратора.
Диаграммы работы одновибратора представлены на рис.6.9.
Рис.6.9.
Диаграммы работы одновибратора.
Расчет длительности импульса производится по формуле:
.
(6.16)
Зададимся
емкостью конденсатора C2,С3: К73-17-0.01 мкф-630в ±5%
Тогда
из формулы (6.16) выражается сопротивление:
.
Принимаем
к установке резистор R6 /7/: ОМЛТ-0,125-5.1 кОм±5%.
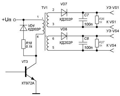
6.5 Расчет выходного формирователя
Выходной формирователь помимо усиления по мощности импульсов управления
осуществляют также потенциальную развязку силовой части преобразователя от
системы управления. Схема выходного формирователя представлена на рис.6.10.
Рис.6.10. Схема выходного формирователя.
Из справочника /2/ для тиристора Т122-20 выписываем следующие параметры:
Определяем
при снижении на 15% напряжения питания:
. (6.17)
Находим
при максимальном внутреннем сопротивлении, увеличение
которого на 5% вызвано разбросом параметров и сопротивлений элементов:
. (6.18)
Определяем
номинальные значения величин:
; (6.19)
. (6.20)
Номинальное
внутреннее сопротивление источника:
. (6.21)
Находим
и
с учетом
возможного повышения напряжения на 10% и уменьшения внутреннего сопротивления
источника на 5%.
; (6.22)
. (6.23)
Выбираем
импульсный трансформатор МИТ 12В и транзистор КТ972А со следующими данными:
сопротивление
обмоток
.
Находим номинальное сопротивление источника питания:
. (6.24)
Принимаем
8 В.
; (6.25)
; (6.26)
. (6.27)
Из
справочника
. Условие
выполняется.
По
данным расчетов выбираем диоды VD3, VD4 - КД202Р;
R18 принимаем
100 Ом, МЛТ 100 Ом 1Вт, (5%);
С5=0,1
мкФ К73-17-0.1 мкф-400в, 5%.
Резистор
R26: МЛТ 1 кОм 1Вт.
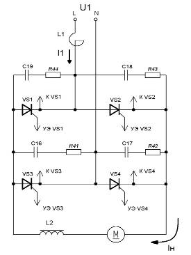
7. Составление полной принципиальной схемы выпрямителя и перечня
элементов, описание принципа действия
Принципиальная схема СИФУ в приложении 1.
Перечень элементов
|
Поз. обозначение
|
Наименование
|
Кол
|
Примечание
|
|
|
|
|
|
Трансформатор
|
|
|
|
|
|
|
|
TV1…TV2
|
МИТ 12В
|
2
|
|
|
|
|
|
|
Микросхемы
|
|
|
|
|
|
|
|
DD2...DD3
|
КР1533АГ3
|
2
|
|
|
DA2...DA3
|
К140УД7
|
2
|
|
|
|
|
|
|
Диоды
|
|
|
|
|
|
|
|
VD1,VD5
|
КД510А
|
2
|
|
|
VD7…VD11,VD4
|
КД202Р
|
6
|
|
|
|
|
|
|
Тиристоры
|
|
|
|
|
|
|
|
VS1...VS4
|
Т122-20
|
4
|
|
|
|
|
|
|
Транзисторы
|
|
|
|
|
|
|
|
VT1
|
2Т201А
|
1
|
|
|
VT3,VT4
|
КТ972А
|
2
|
|
|
VT2
|
КТ3107Л
|
1
|
|
|
|
|
|
|
Конденсаторы
|
|
|
|
|
|
|
|
C1
|
К73-17-1.0мкф-400в, 5%
|
1
|
|
|
С6, С11, С7…С10
|
К73-17-0.1 мкф-400в, 5%
|
6
|
|
|
С2, С3
|
К73-17-0.01 мкф-630в, 5%
|
2
|
|
|
C4
|
К73-17-0.022мкф-400в, 5%
|
1
|
|
|
|
|
|
|
Резисторы
|
|
|
|
|
|
|
|
R1
|
ТВО-5-1,8кОм±5%
|
1
|
|
|
R2
|
ОМЛТ-0,125-1,8МОм±5%
|
1
|
|
|
R3,R31,R32,R35,R36
|
ОМЛТ-0,125-510 Ом±5%
|
5
|
|
|
R4,R10,R16,R12,R15
|
ОМЛТ-0,125-100 кОм±5%
|
5
|
|
|
R5,R8
|
ОМЛТ-0,125-10 кОм±5%
|
2
|
|
|
R6,R7,R24,R64
|
ОМЛТ-0,125-5,1 кОм±5%
|
4
|
|
|
R33
|
ОМЛТ-0,125-4,3 кОм±5%
|
1
|
|
|
R20
|
ОМЛТ-0,125-5,6 кОм±5%
|
1
|
|
|
R9
|
ОМЛТ-0,125-3 кОм±5%
|
1
|
|
|
R19
|
ОМЛТ-0,125-2 кОм±5%
|
1
|
|
|
R18, R28, R37...R40
|
МЛТ-1-0.1кОм 6
|
|
|
|
R26..R30,R41,R42
|
МЛТ-1-1кОм 6
|
|
|
|
R13
|
МЛТ-0.125-12кОм 1
|
|
|
|
R14
|
МЛТ-0.125-3.3кОм 1
|
|
|
|
R42
|
МЛТ - 0,125 - 13кОм±5%
|
1
|
|
|
R43
|
3540S-1-202L
|
1
|
|
|
|
|
|
|
Анодные реакторы
|
|
|
|
|
|
|
|
L1
|
ДФ-7
|
1
|
|
|
|
|
|
|
Дроссели
|
|
|
|
|
|
|
|
L2
|
ДФ-7
|
1
|
|
|
|
|
|
|
Двигатели
|
|
|
|
|
|
|
|
M1
|
2ПБ132МУХЛ4
|
1
|
|
|
|
|
|
|
7.2 Диаграмы работы и описание принципа действия
схемы
На оптронную пару подаётся синусоидальное синхронизирующее напряжение и
формируются разрешающие импульсы на открытие тиристоров 1,4 и 2,3. Далее этих
импульсов формируются короткие, с помощью одновибратора. Короткие поступают на
ГПН и формируют пилообразное напряжение Uп. Пилообразное напряжение с Uy
поступают на компаратор, который формирует импульсы сдвинутые на угол альфа.
После одновибратора из них образуются импульсы нужной длины для открытия
тиристора UGT. Эти импульсы попадают на распределительное устройство, которое с
помощью разрешающих импульсов распределяет их поочерёдно на две пары тиристоров
UGT1 UGT2 .
Рисунок 4.3 - Диаграммы работы СИФУ
8. РАСЧЕТ И ПОСТРОЕНИЕ ВНЕШНЕЙ И РЕГУЛИРОВОЧНОЙ ХАРАКТЕРИСТИК ППКК,
РЕГУЛИРОВОЧНОЙ ХАРАКТЕРИСТИКИ СИФУ
8.1 Внешняя характеристика выпрямителя
Внешней
характеристикой выпрямителя называется зависимость выходного напряжения U от
тока нагрузки I при постоянном значении угла открывания
, то есть зависимость
при
.
Обобщенная
схема замещения выпрямителя
Рисунок 8.1-Схема замещения
Активное сопротивление последовательно включенных элементов схемы, по
которым протекает ток нагрузки в один и тот же момент времени:
=RАР=0,016Ом,
где RАР -активное сопротивление анодного
реактора,
Коммутационное сопротивление:
Ом,
Сумма
падений напряжений на полупроводниковых приборах, по которым в данный момент
времени протекает ток нагрузки:
Rдр=0,09
Ом
Согласно
схеме замещения внешняя характеристика выразится формулой (8.1):
(8.1)
В
режиме непрерывного тока внешние характеристики выпрямителя представляют собой
ряд параллельных прямых, наклоненных к оси тока.
Расчет
внешней характеристики выпрямителя.
Таблица
8.1-Данные по внешней характеристике.
|
I, A
|
U, B
|
, 0
|
|
0
|
195
|
0
|
|
20
|
188
|
|
|
0
|
107
|
56
|
|
20
|
101
|
|
|
0
|
16,8
|
84
|
|
20
|
10,1
|
|
Построение
характеристик производилось для трех различных значений угла открывания тиристора
. Были выбраны следующие значения углов открывания:
,
и
. построение внешних характеристик выпрямителя по двум
точкам при I=0 и I=IНОМ. Вид характеристик показан на рисунке 8.1.
Рисунок
8.1- Внешняя характеристика выпрямителя.
8.2 Регулировочная характеристика выпрямителя
Регулировочная
характеристика выпрямителя представляет собой зависимость выпрямленной ЭДС Е от
угла открывания
, то есть Е=f(
).
Для
данной схемы, выражение для выпрямленной ЭДС имеет вид (8.2):
(8.2)
Таблица 8.2-Расчет регулировочной характеристики выпрямителя
По
данным таблицы построим характеристику преобразователя
Рисунок
8.2-Регулировачная характеристика выпрямителя.
8.3 Регулировочная характеристика СИФУ
Регулировочной
характеристикой СИФУ называется зависимость угла открывания
от напряжения управления UУ, то есть
.
Откуда
получаем выражение для регулировочной характеристики СИФУ (8.3):
(8.3)
где
UПМ - амплитуда опорного пилообразного напряжения, UПМм=10В.
Таблица
8.3-Расчет регулировочной характеристики СИФУ
|
Uy
|
-10
|
-8
|
-6
|
-4
|
-2
|
0
|
2
|
4
|
6
|
8
|
10
|
|
α
|
30
|
30
|
30
|
30
|
53
|
89
|
125
|
161
|
180
|
180
|
Регулировочная характеристика СИФУ
Рисунок 8.3-Регулировачная характеристика СИФУ.
ЗАКЛЮЧЕНИЕ
При выполнении курсового проектирования мы закрепили полученные знания по
курсу “Силовая преобразовательная техника”.
В соответствии с поставленной целью и выданным техническим заданием, я
спроектировал однофазный мостовой симметрично управляемый выпрямитель с
системой управления.
Приобрел навыки, как необходимо выбирать электрические элементы.
Спроектировал принципиальную схему и произвел электрический расчет
функциональных элементов СУ СПП, составил полную принципиальную электрическую
схему ППЭЭ и перечня элементов к ней.
Построил временные диаграммы работы схемы и описал принцип ее работы,
также рассчитал и построил внешние и регулировочные характеристики.
Список литературы
1. Розанов
Ю.К. Основы силовой преобразовательной техники: М.: «Энергия», 1979.-392 с.
. Мощные
полупроводниковые приборы. Тиристоры: Справочник / В.Я. Замятин, Б.В.
Кондратьев, В.М. Петухов.-М.:«Радио и связь»,1988.-576 с.
. Справочник
по электрическим машинам: В 2 т./С74 Под общей редакцией Копылова и Б.К.
Клокова Т. 1. - М.: «Энергоатомиздат», 1988.-456 с.
. О.Г.
Чебовский, А.Г. Моисеев: Электрические аппараты- Л: <<
Энергостат>>,1981- 304с.