Проектирование системы управления широтно-импульсным преобразователем
ВВЕДЕНИЕ
«Силовая преобразовательная техника» - это
дисциплина содержанием, которой является разработка методов расчета
электрических схем преобразователей, необходимых для проектирования
преобразовательных устройств.
Преимущества полупроводниковых преобразовательных
устройств по сравнению с другими преобразователями неоспоримы: они обладают
высокими регулировочными характеристиками и энергетическими показателями, имеют
малые габариты и массу, просты и надежны в эксплуатации. Кроме преобразования и
регулирования тока и напряжения такие установки обеспечивают бесконтактную
коммутацию токов в силовых цепях. Количественный рост различных
радиоэлектронных устройств и устройств электропривод, все более широко
применяющегося в различных отраслях народного хозяйства, связан с увеличением
потребляемой суммарной мощности источников электропитания. Разработка и
создание рациональных источников электропитания становится актуальной
проблемой. Рассмотрение начинается с электрических машин, трансформаторов и
выпрямителей, так как они широко применяются в аппаратуре предприятий связи, а
также они получили наибольшее применение в автоматизированном электроприводе.
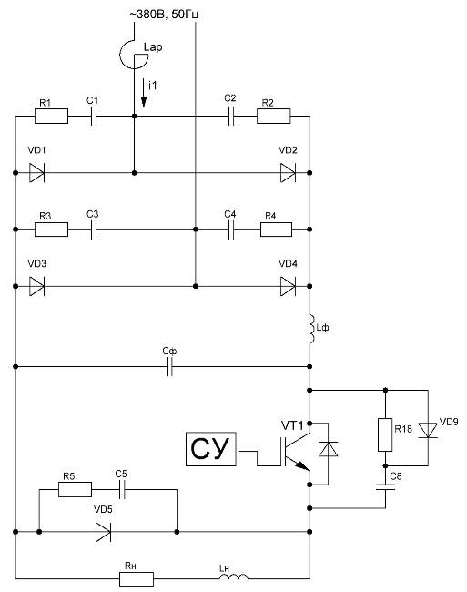
В курсовом проекте необходимо спроектировать
неуправляемый однофазный мостовой выпрямитель, последовательный широтно-импульсный
преобразователь ШИП. Данная система рассчитывается для питания R-Lнагрузки с
параметрами:
Схема выпрямителя представлена на рисунке 1.
Рисунок 1 - Силовая схема однофазного мостового
выпрямителя, последовательный широтно-импульсный преобразователь ШИП
Для описания работы схемы рассмотрим отдельно
однофазный мостовой неуправляемый выпрямитель и отдельно ШИП.
Трехфазный мостовой неуправляемый выпрямитель
является двухполупериодной схемой выпрямления, характеризующиеся переменным
током во вторичных обмотках трансформатора. Необходимые расчетные соотношения.
Действующее значение тока вентилей
Среднее значение тока вентилей
Коэффициент формы тока
Действующее значение тока вторичной обмотки
трансформатора
Действующее значение тока первичной обмотки
трансформатора
где
-
коэффициент трансформации.
Среднее значение выпрямленного ЭДС
Коэффициент схемы по ЭДС:
Максимальное значение прямого и обратного
напряжения
Полная мощность первичной и вторичной обмоток
трансформатора
где U, I, P - постоянные составляющие
выпрямленного напряжения, тока и мощности;
- коэффициент
схемы по мощности,
Тогда полная мощность трансформатора
Теперь рассмотрим работу ШИП.
ШИП постоянного напряжения преобразовывают
постоянное напряжение в импульсное, среднее значение которого можно
регулировать.
В связи с постоянным напряжением на входе
преобразователя естественная коммутация вентилей невозможна, что требует
выполнения его на вентилях с полным управлением (запираемые тиристоры,
транзисторы). GTO-тиристоры допускают частоту переключений до 1 кГц,
IGBT-транзисторы - примерно до 10 кГц, полевые транзисторы - до 1000 кГц и
выше. Поэтому в проектируемой схеме выпрямителя в качестве вентиля будет
использован IGBT-транзистор.
В проектируемой схеме возможна только
однополярная модуляция. При включении транзистора VТ1 на выходе формируется
положительный импульс напряжения. При выключении транзистора VТ1диод
VD5включается в режим нулевого вентиля, замыкая при этом через себя ток
нагрузки. На этом интервале формируется нулевая пауза напряжения на нагрузке.
Основные расчетные соотношения ШИП:
Коэффициент заполнения импульсов (скважность)
где tи - длительность выходных импульсов;-
период импульсов.
Среднее значение тока транзистора
Действующее значение тока транзистора
Среднее значение напряжения на транзисторе
Диаграммы работы ШИП представлены на рисунке 2.
Рисунок 2 - Диаграммы работы ШИП
1. ВЫБОР СИЛОВЫХ ПОЛУПРОВОДНИКОВЫХ
ПРИБОРОВ (СПП)
.1 Расчет гармонического состава
тока и напряжения
Проверим условие наличия гармоник по формуле
|
,
|
(1.1)
|
где ωП
- частота пульсации цепи, ωП=100Гц.
,
Как видим условие (1.1) не выполняется, тогда
рассчитываем гармонический состав тока и напряжения по формуле
|
,(1.2)
|
|
где
-
амплитудное значение напряжения n-ой гармоники;- номер гармоники;-
эквивалентное число фаз выпрямления, m=2;
- номинальное
значение напряжения на нагрузке.
Амплитудное значение тока n-ой гармоники будем искать
по формуле
|
,(1.3)
|
|
где XL - реактивное сопротивление нагрузки,
,
Ом.
Так как выпрямленное напряжение симметрично
относительно оси ординат, то при разложении в ряд Фурье будут отсутствовать все
четные гармоники. А из-за отсутствия пути для замыкания системы обратной
последовательности, будут отсутствовать все гармоники кратные трем. Тогда n=1,
5, 7, 11, 13, …
Расчет гармоник:
Первая гармоника:
Пятая гармоника:
Седьмая гармоника:
Тогда номинальное напряжение с учетом гармоник
будет равно
,
.
А номинальное значение тока с учетом гармоник
будет равно
,
.
Номинальное значение мощности нагрузки
определится по формуле
,
.
1.2 Выбор силового трансформатора
Силовой трансформатор применяется для
согласования номинального напряжения нагрузки с выпрямленным напряжением.
Амплитудное значение напряжения на диодах
рассчитаем по формуле
,
.
Тогда действующее значение напряжения
определится как
,
.
Находим требуемое значение фазного напряжения
вторичной обмотки трансформатора по формуле
|
,(1.4)
|
|
где
-
ЭДС вторичной обмотки трансформатора,
;
- коэффициент,
учитывающий возможность снижения напряжения в сети,
- коэффициент,
учитывающий падение напряжения на активных сопротивлениях трансформатора,
падение напряжения на вентилях и падение напряжения из-за коммутации вентилей,
- коэффициент,
учитывающий неполное открывание вентилей,
-
для нереверсивных преобразователей.
,
.
Это значение напряжения близко к имеющемуся
фазному напряжению в сети
в связи с этим, в
целях экономии мы не будем ставить трансформатор, а поставим анодный реактор,
который рассчитаем в последующих пунктах.
1.3 Выбор СПП
Выбор СПП по току.
Предварительно выбираем типдиодов и охладителей
по условию
|
,
|
(1.5)
|
где
-
коэффициент запаса, учитывающий отклонение режима работы и условий охлаждения
от номинальных (
). Так как в этой
схеме
и
,
т. е. меньше номинальных значений, то значит режим работы и условия охлаждения
лучше, чем при номинальных. Тогда принимаем
;
- средний ток
диодов;
- коэффициент
запаса по току в рабочем режиме,
.
Согласно полученному значению
из
[2] выбираем диод типа Д112-10 с типом охладителя О111-60, у которого при
естественном охлаждении максимально допустимый средний ток равен
,
со следующими параметрами:
Тепловое сопротивление переход - корпус
;
Тепловое сопротивление корпус - контактная
поверхность охладителя
;
Тепловое сопротивление контактная поверхность
охладителя - охлаждающая среда
;
Пороговое напряжение
;
Дифференциальное сопротивление
;
Температура перехода:
- максимально допустимая
;
минимально допустимая
.
Рассчитываем тепловое сопротивление
переход - окружающая среда
.
Для выбранного диода рассчитываем
максимально допустимый средний ток при заданных условиях работы и охлаждения
|
,(1.6)
|
|
.
Проверяем условие правильного выбора диода по
току из соотношения
|
,(1.7)
|
|
.
Условие выполняется, тогда рассчитаем запас
диода по току в процентах
,
.
Запас диода по току больше 15%, но в данном
случае ток, протекающий через силовые приборы достаточно мал, что обусловлено
малым напряжением нагрузки, поэтому выбранные диоды подходят, т.к. рассчитаны
на наименьший ток среди силовых диодов.
Выбор СПП по перегрузочной способности
Критерием нормальной работы СПП при перегрузке
по току являются выполнения условия
|
,(1.8)
|
|
где tm- максимально допустимое время перегрузки,
за которое температура перехода достигнет максимально допустимого значения;
- требуемое (реальное)
время перегрузки,
Время
определяется
по графику зависимости переходного теплового сопротивления переход-среда
для
конкретных типов прибора, охладителя и интенсивности охлаждения из [2].
Определяем средние потери мощности
для тока,
предшествующего перегрузке
|
,(1.9)
|
|
.
Ток перегрузки СПП ограничен
значениями
, принимаем
. Тогда
определяем средние потери мощности
для тока, соответствующего
перегрузке по формуле
|
,
|
(1.10)
|
где
-
коэффициент запаса по току рабочей перегрузки,
,
принимаем
.
.
Определяем переходное тепловое сопротивление
переход-среда
по формуле
|
,(1.11)
|
|
.
по графику [2] функции
определяем
максимально допустимое время перегрузки
.
Проверяем критерий (1.11)
.
Из этого условия получаем, что выбранный диод
удовлетворяет режиму перегрузки. Значит, диод выбран правильно.
Выбор класса СПП по напряжению.
СПП должны выдерживать определенные напряжения,
прикладываемые к ним как в прямом, так и в обратном направлениях. В
полупроводниковом преобразователе СПП подвергаются воздействию рабочего
напряжения и перенапряжений.
Выбор СПП по напряжению осуществляется по
формуле
|
,(1.12)
|
|
где
-
коэффициент запаса по рабочему напряжению,
,
принимаем
;
- максимальное значение рабочего
напряжения, прикладываемого к СПП в схеме,
;
- номинальное значение
максимального обратного напряжения, прикладываемого к вентилю в конкретной
схеме;
- коэффициент, учитывающий
возможность повышения напряжения в сети,
.
,
,
,
.
Таким образом, для данных диодов
Д112-10с типом охладителя О221-60
, т.е. нужны диоды 7-го класса по
напряжению - Д112-10-7.
1.4 Выбор IGBT-транзистора и его
охлаждающего радиатора
Средний ток через ключ
последовательного ШИП будет равен
.
Так как IGBT-транзисторы допускают
перегрузку в течении 1мс, то выбор производим по перегрузочному току:
, принимаем
,
.
По перегрузочному току
выбираем
IGBT-транзистор [сайт IGBT.ru] типа SK30GH123 со следующими техническими
данными:
.
- напряжение коллектор-эмиттер,
.
- напряжение сток-исток,
.
- ток через коллектор (при
температуре
),
;
.
- ток через коллектор (при
температуре
),
;
.
- допустимые температуры хранения,
;
.
,
где
- энергия при включении и
выключении ключа соответственно (при
);
.
- тепловое сопротивление
переход-корпус,
;
. Корпус IGBT - модуля: SEMITOP 3.
Мощность потерь в ключе
|
,(1.13)
|
|
где
-
энергия включения ключа,
- энергия
выключения ключа,
;
- тактовая частота
или частота коммутации ключа,
;
- напряжение сток-исток ключа,
- рабочий цикл или максимальная
скважность импульсов -
,
- номинальное значение тока стока
ключа, соответствует выражению
,
.
Проверяем правильность выбора ключа
по формуле
|
,
|
(1.14)
|
где
- температура кристалла,
определяется по формуле
;
- тепловое сопротивление
переход-корпус,
;
- температура,
- максимально допустимая температура
кристалла,
.
Проверяем выполнение условия (1.14)
.
Условие выполняется, значит
IGBT-транзистор выбран верно.
Находим превышение температуры
корпуса
над
температурой окружающей среды
по формуле
,
.
Найдем площадь охлаждающей
поверхности радиатора по формуле
,
где
при естественном охлаждении;
.
Выбираем охладитель типа О57/300/600
[сайт elvpr.by] со следующими параметрами:
Масса - 15кг;
Габаритные размеры - (300х600х85)мм;
Количество модулей на охладителе - 1
шт.;
Тепловое сопротивление контактная
поверхность охладителя - охлаждающая среда не более 0,131(600Вт)°С/Вт.
Рисунок 3 - Охладитель О57/300/600
1.5 Расчет анодного реактора
Требуемое значение индуктивности
анодного реактора для ограничения тока короткого замыкания на уровне ударного
рассчитаем по формуле:
|
,(1.15)
|
|
где
-
коэффициент, учитывающий наличие свободной составляющей в токе короткого
замыкания,
= 1,6 ¸
2,0, принимаем
;
- ударный ток,
который может протекать по прибору в течение 10мс,
;
- количество
реакторов, ограничивающих ток короткого замыкания.
.
Анодный реактор выбирается по соотношениям:н
кат. ≥Lap,н кат. ≥U1н,нкат ≥I1н
Выбираем из [1] анодный реактор ФРОС-500 со
следующими характеристиками:н=500Анб=5мГнн=250А
∆P=1100Вт
Рассчитаем значение ударного тока по формуле:
Зададимся числом витков W=300:
Так как рассчитанный ударный ток меньше ударного
тока прибора (331,9<350), то тип СПП выбран правильно.
2. РАСЧЕТ И ВЫБОР ЭЛЕМЕНТОВ
ПАССИВНОЙ ЗАЩИТЫ СПП ОТ АВАРИЙНЫХ ТОКОВ И ПЕРЕНАПРЯЖЕНИЙ
.1 Расчет и выбор R-C цепочек
Защитные R-C цепочки предназначены для
ограничения скорости нарастания напряжения и снижения перенапряжений на
вентилях схемы.
Точный расчет R-C цепей достаточно сложен и
требует учета ряда факторов и применения вычислительной техники. Параметры R-C
цепочек определяются компромиссным решением с учетом достаточного ограничения
уровня напряжения и скорости изменения напряжения на вентиле, а также
ограничения амплитуды разрядного тока защитного конденсатора в момент включения
вентиля при максимальном угле регулирования.
На основании опытных данных, параметры R-C цепей
выбираются в пределах
Принимаем R=150 Ом, С=0,2 мкФ.
Рассчитаем мощность, рассеиваемую на резисторе
по формуле
|
,(2.1)
|
|
где
-
повторяющийся импульсный обратный ток 
, данные из
справочника [2];
- максимальное обратное
напряжение.
,
.
Выбираем резистор[сайт chipdip.ru]:С2-23, 2Вт,
±5%, 150 Ом и конденсатор МБГП-630В-0,2мкФ±10%.
2.2 Расчет и выбор L-C фильтра
Найдем емкость фильтра по формуле
|
,(2.2)
|
|
где
-
пульсность схемы,
;
- частота питающей
сети,
.
.
Определим напряжение на емкости
по
формуле
|
,(2.3)
|
|
.
Определим индуктивность фильтра по формуле
|
,(2.4)
|
|
где
-
коэффициент сглаживания,
, принимаем
,
.
В соответствии с рассчитанными данными выбираем:
конденсатор:К50-35 имп. 680 мкФ х 450В 85°C [сайт chipdip.ru], индуктивность:
EC24-R12M, 0.12мкГн, 20% [сайт chipdip.ru].
2.3 Выбор и расчет шунтирующего
диода VD5 и диода VD9
Для выравнивания напряжения применяют подбор
приборов одного класса с близкими значениями обратных токов и токов утечки или
устанавливают специальные делители и схемы управления тиристорами и
транзисторами.
В качестве выравнивающих устройств
используют в переходных режимах - активно-емкостные делители, т.е. RC-цепи,
которые расчитаны в предыдущем пункте, а также используются комбинированные
делители с диодами, т.е. RCD-цепи. RCD-цепь обеспечивает равномерное деление
обратного напряжения и выступает, как емкостный делитель при прямом напряжении,
а также такая цепь обеспечивает снижение скорости прямого напряжения
и тока
.
Поскольку в схеме (рисунок В.1)
присутствует одна RCD-цепь, а параметры RC-цепей расчитаны в предыдущем пункте,
то необходимо произвести расчет и выбор диодовVD5 и VD9 по току и напряжению.
Выбор шунтирующего диода VD5 и диода
VD9 по току
Предварительно выбираем тип диода и
охладителя по условию (1.5)
.
Согласно полученному значению
выбираем
диод (сайт elvpr.by) типа ДЧ212-10 с типом охладителя О111, у которого при
естественном охлаждении максимально допустимый средний ток равен
, со
следующими параметрами:
Тепловое сопротивление переход -
корпус
;
Тепловое сопротивление корпус -
контактная поверхность охладителя
;
Тепловое сопротивление контактная
поверхность охладителя - охлаждающая среда
;
Пороговое напряжение
;
Дифференциальное сопротивление
;
Температура перехода:
максимально допустимая
.
Рассчитываем тепловое сопротивление
переход - окружающая среда
.
Для выбранного диода рассчитываем
максимально допустимый средний ток при заданных условиях работы и охлаждения по
формуле (1.6)
.
Проверяем условие правильного выбора
диода по току условию (1.7)
Условие выполняется, тогда
рассчитаем запас диода по току
,
.
Запас диода по току больше 15%, но в
данном случае ток, протекающий через силовые приборы достаточно мал, что
обусловлено малым напряжением нагрузки, поэтому выбранный диод подходит, т.к.
рассчитан на наименьший ток среди быстровосстанавливающихся диодов.
Выбор шунтирующего диода и диода VD9
по перегрузочной способности.
Критерием нормальной работы СПП при
перегрузке по току является выполнение условия (1.8):
Время
определяется по графику зависимости
переходного теплового сопротивления переход-среда
для
конкретных типов прибора, охладителя и интенсивности охлаждения.
Определяем средние потери мощности
для тока,
предшествующего перегрузке по формуле (1.9)
.
Ток перегрузки СПП ограничен
значениями
, принимаем
. Тогда
определяем средние потери мощности
для тока, соответствующего
перегрузке по формуле (1.10)
.
Определяем переходное тепловое
сопротивление переход-среда
по формуле (1.11)
,
по графику функции
определяем
максимально допустимое время перегрузки
Проверяем критерий (1.8):
Из этого условия получаю, что
выбранный диод удовлетворяет режиму перегрузки. Значит, диод выбран правильно.
Выбор класса шунтирующего диода и
диода VD9 по напряжению.
СПП должны выдерживать определенные
напряжения, прикладываемые к ним как в прямом, так и в обратном направлениях. В
полупроводниковом преобразователе СПП подвергаются воздействию рабочего
напряжения и перенапряжений.
Выбор СПП по напряжению
осуществляется по формуле (1.12).
,
,
,
.
Таким образом, для данного диода
ДЧ212-10с типом охладителя О111
, т.е. нужны диоды 5-го класса по
напряжению - ДЧ212-10-5.
3. ЛИТЕРАТУРНЫЙ ОБЗОР СИСТЕМЫ
ИМПУЛЬСНО-ФАЗНОГО УПРАВЛЕНИЯ
Система управления
преобразовательным устройством предназначена для формирования и генерирования
управляющих импульсов определенной формы и длительности, распределения их по
фазам и изменения подачи на управляющие электроды вентилей преобразователя.
Вентильные преобразователи состоят
из силовой части и системы управления (СУ). Силовая часть управляемого
преобразователя, выполненная на управляемых вентилях (тиристорах, силовых
транзисторах), может работать при подаче на управляющие электроды в
определенные моменты времени импульсов, обеспечивающих включение данных
вентилей
Функции СУ сводятся к двум задачам:
. Определение моментов времени, в
которые должны быть включены те или иные конкретные вентили. Эти моменты
времени задаются некоторым управляющим сигналом, который подается на вход СУ и
определяет его работу, и в конечном счете задает значение выходных параметров
преобразователя.
. Формирование управляющих
импульсов, т.е. создание управляющих сигналов, передаваемых в нужные моменты
времени на управляющие электроды тиристоров и имеющие достаточные амплитуды,
мощность и длительность, а в некоторых случаях определенную форму кривой.
Работу широтно-импульсного
преобразователя обеспечивает система управления (СУ) ШИП.
Основные требования, предъявляемые к
СИФУ:
. Высокое быстродействие;
. Высокая устойчивость к импульсным
помехам;
. Линейность регулировочной
характеристики
;
. Гальваническая развязка цепей управления
и силовых цепей.
Широтно-импульсный преобразователь
(ШИП) - это преобразователь нерегулируемого постоянного напряжения в
регулируемое постоянное напряжение. Широтно-импульсный преобразователь (ШИП)
постоянного напряжения преобразовывают постоянное напряжение в импульсное,
среднее значение которого (т.е. его постоянную составляющую, выделяемую в
нагрузке фильтрами) можно регулировать.
ШИП является последовательным, если
управляемый вентиль и дроссель фильтра включены последовательно с нагрузкой.
Характерной особенностью последовательных ШИП является невозможность получения
напряжения на выходе выше напряжения источника питания.
Основные преимущества импульсных
преобразователей:
Высокий КПД, т.к. потери мощности на
регулирующем элементе преобразователя незначительны по сравнению с потерями
мощности при непрерывном управлении;
Малую чувствительность к изменениям
температуры окружающей среды, поскольку регулирующим фактором является время
проводимости управляемого вентиля, а не внутреннее сопротивление регулирующего
элемента, как при непрерывном регулировании;
Малые габариты и массу;
Постоянную готовность к работе.
Однако импульсным преобразователям
присущи и недостатки:
Импульсный режим работы
регулирующего элемента приводит к необходимости устанавливать выходные и часто
входные фильтры, что вызывает инерционность процесса регулирования в замкнутых
системах;
Высокие скорости включения и
выключения тока в силовой цепи ШИП приводят к возникновению радиопомех.
Обычно используется вертикальный
метод управления, где управляющий импульс формируется в результате сравнения на
нелинейном элементе величин переменного (синусоидального, пилообразного,
треугольного) и постоянного напряжения. В качестве нелинейного элемента обычно
применяют транзистор.
Для определения вида передаточной
характеристики преобразователя постоянного напряжения в постоянное необходимо
учесть линейность регулировочных характеристик для однополярной и двуполярной
модуляции. Так как зависимость относительной длительности импульсов управления
от сигнала задания при вертикальном методе управления имеет линейный характер
при пилообразном опорном напряжении и синусоидальный при гармонической форме
опорного напряжения, то передаточная характеристика ШИП на идеальных элементах
будет линейной при пилообразном опорном напряжении и синусоидальной - при
гармоническом. Структура системы управления ШИП приведена на рисунке:
полупроводниковый
преобразователь генератор импульс
Рисунок 4 - Структурная схема
управления ШИП
где ГПН - генератор пилообразного напряжения;
УС - устройство сравнения;
НЕ - инвертор.
Рисунок 5 - Диаграммы структурной
схемы управления ШИП.
4. ПРОЕКТИРОВАНИЕ СТРУКТУРНОЙ И
ФУНКЦИОНАЛЬНОЙ СХЕМ СИФУ
Спроектируем структурную схему
управления. Она будет иметь вид представленный на рисунке
Рисунок 6 - Структурная схема
управления
Система управления ШИП состоит из
следующих блоков:
ГВИ - генератор высокочастотных
импульсов. Предназначен для формирования на своем выходе импульсов открывающих
транзистор ГПН.
ГПН - генератор пилообразного
напряжения. Обычно для ШИП используется частота коммутации ключей (1-5) кГц.
ГПН формирует на своем выходе высокочастотную пилу
.
К - компаратор. Предназначен для
сравнения пилообразного напряжения с напряжением управления и в момент их
равенства меняет свое выходное состояние.
ВФ - выходной формирователь.
Предназначен для обеспечения гальванической развязки между силовой схемой и
схемой управления, а так же для формирования импульсов необходимой мощности,
обеспечивающей надежное открывание IGBT транзистора.
СБ - силовой блок.
Диаграммы работы ШИП представлены на
рисунке
Рисунок 7 - Диаграммы работы системы
управления ШИП
Функциональная схема управления ШИП
имеет вид:
Рисунок 8 - Функциональная схема
управления ШИП
Условные обозначения на схеме:
Кл - ключ (транзистор);
С - сумматор;
ОУ - операционный усилитель;
К - компаратор;
УИ - усилитель импульсов;- драйвер,
осуществляющий гальваническую развязку СИФУ и силовой цепи.
5. ВЫБОР ТИПОВ ЦИФРОВЫХ И АНАЛОГОВЫХ
ИНТЕГРАЛЬНЫХ МИКРОСХЕМ (ИМС)
Цифровая схема - интегральная
микросхема, предназначенная для преобразования и обработки информации,
сигналов, изменяющихся по законам дискретной функции.
Интегральная схема -
микроэлектронное изделие, которое предназначено для выполнения определённой
функции, преобразования и обработки сигнала. Имеют высокую плотность упаковки
электрических соединений элементов, которые с точки зрения требований к
эксплуатации рассматриваются как единое целое.
В схеме применяется операционный
усилитель К154УД4.
Рисунок 9 - Схема усилителя К154УД4
Основные параметры операционного
усилителя:
Коэффициент усиления
;
Напряжение смещения нуля
;
Входной ток
;
Скорость нарастания выходного
напряжения
;
Напряжение питания
;
Потребляемый ток
.
В качестве выходного формирователя
для IGBT-транзистора SK30GH123используется драйверIR2213 [сайт
irf.ru],особенности:
Управляющие каналы разработаны для
нагруженного функционирования
Полностью работоспособны до +1200В
Нечувствителен к отрицательным
напряжениям при переходных процессах
Стойкость к скорости нарастания
напряжения (dV/dt)
Диапазон напряжения питания
драйверов 12…20В
Блокировка при снижении напряжения
Отдельное питание логики от 5В до
20В
Смещение логики и общего питания ±5В
Входы с КМОП триггерами Шмита с
привязочными резисторами к общему питания
Тактирование логики выключения
Согласованная задержка
распространения для обоих каналов
Выходы драйвера в фазе со входами
Напряжение смещения VOFFSET не более
1200В
Имп.вых. ток к.зIо± 1.7 А/ 2 А
Выходное напряжение драйверовVOUT 12
- 20В
Время вкл./выкл. 280/225 нс
Согласованная задержка 30 нс
Рисунок 10 - Расположение выводов
драйвера IR2213
Описание выводов:
|
Vdd
|
Питание
логики
|
|
HIN
|
Логический
вход управления выходом драйвера верхнего уровня (HO), в фазе
|
|
LIN
|
Логический
вход управления выходом драйвера нижнего уровня (LO), в фазе
|
|
SD
|
Вход
выключения
|
|
VSS
|
Логический
общий
|
|
VB
|
Напряжение
питания ключей верхнего уровня
|
|
HO
|
Выход
драйвера верхнего уровня
|
|
VS
|
Возврат
питания верхнего уровня
|
|
VCC
|
Питание
драйверов нижнего уровня
|
|
LO
|
Выход
драйвера нижнего уровня
|
|
COM
|
Возврат
питания нижнего уровня
|
- драйверы высоковольтных, высокоскоростных
МОП-транзисторов или IGBT-транзисторов с независимыми выходными каналами
нижнего и верхнего уровней. Собственная HVIC-технология и стойкая к
защелкиванию КМОП-технология позволили создать монолитную конструкцию.
Логический вход совместим с стандартными КМОП
или LSTTL выходом. Выходы драйверов отличаются высоким импульсным током
буферного каскада, что выполнено для минимизации встречной проводимости
драйвера. Задержка при распространении сигналов согласована для применения в
высокочастотных приложениях. Выходной канал может быть использован для
управления N-канальным силовым МОП-транзистором или IGBT-транзистором с
напряжением питания верхнего уровня до 500В или до 1200В.
6. ПРОЕКТИРОВАНИЕ ПРИНЦИПИАЛЬНОЙ
СХЕМЫ И ЭЛЕКТРИЧЕСКИЙ РАСЧЕТ ФУНКЦИОНАЛЬНЫХ ЭЛЕМЕНТОВ СУ СПП
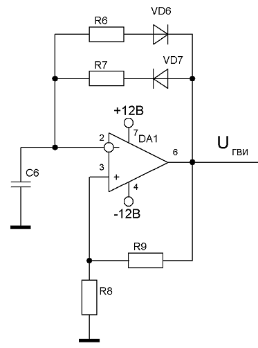
6.1 Расчет генератора
высокочастотных импульсов
Рисунок 11 - Электрическая схема ГВИ
Период импульсов найдем по формуле
,
где
-
частота коммутации ШИП.
.
Принимаем, что R8=1,2кОм, R9=1,0кОм, С6=0,1мкФ,
тогда сопротивление R6 найдем по формуле
,
где
-
длительность импульса,
.
.
Сопротивление R7 найдем по формуле
,
где
-
длительность интервала паузы,
.
.
Тогда окончательно принимаем
,
.
Рассчитаем токи, протекающие через диоды VD6 и
VD7, они будут иметь значения:
где
-
напряжение ГВИ,
.
Рассчитаем мощности резисторов
и
по
формуле
|
,
|
(6.1)
|
,
.
Определи ток, протекающий через резисторы
и
по
формуле
,
.
Тогда определим их мощности
,
.
Тогда окончательно выбираем:- МЛТ- 0,5 - 420 Ом±5%,-
МЛТ- 0,125 - 1,1 кОм±5%,- МЛТ- 0,125 - 1,2 кОм±5%,-
МЛТ- 0,125 - 1,0 кОм±5%,, VD7 - диоды Д206 с параметрами:
Iпр=0,1 A, Uобр=100 В,
С6 - КМ-6 - 50В-0,1 мкФ±5%.
6.2 Расчет генератора пилообразного
напряжения (ГПН)
ГПН с опорным пилообразным напряжением
представляет собой интегратор со сбросом. Принципиальная электрическая схема
такого ГПН имеет вид:
Рисунок 12 - Электрическая схема ГПН
График работы такого ГПН будет иметь вид:
Рисунок 13 - Вид развертываемого пилообразного
напряжения
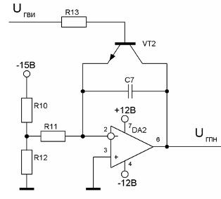
Принимаем
.
;
.
Т. к. при
то
,
.
Зададим
,
тогда
.
Принимаем
.
Принимаем
,
тогда
Рассчитываем мощности резисторов по формуле
(6.1):
Таким образом, окончательно выбираем:
С7 - К73-17-250В-0,1мкФ±10%,, R11, R12 -
МЛТ-0,125-2,25кОм±10%.
Транзистор VT2 выбираем по условиям:
|
,(6.2)
|
|
где -
,
.
Ток коллектора
равен
току разряда конденсатора С7:
Считая, что разряд конденсатора С7 происходит
при постоянном токе, имеем
С учетом
,
по
условию (6.2) имеем:
.
Выбираем [сайт dialelectrolux.ru] транзистор
BC848C со следующими параметрами:кэmax= 30 Вкmax= 100 мА
b= 20...60.
Ток базы транзистора VT2 будет равен
Тогда R13 определится по формуле
Принимаем R13=12кОм, тогда определим мощность по
формуле (6.1)
Выбираем R13 - МЛТ-0,125-12кОм±10%.
6.3 Расчет компаратора
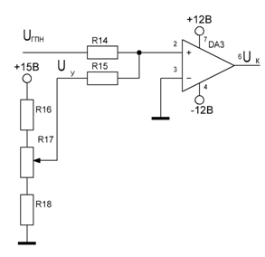
Рисунок 14 - Электрическая схема компаратора
Т.к.
и
скважность изменяется в пределах:
,
тогда напряжение управления будет изменяться в пределах:
Сопротивления R14 и R15 служат для ограничения
входных токов операционного усилителя. Принимаем
,
R15 - МЛТ-0,125-20кОм±10%.
Чтобы сформировать Uy возьмём потенциометр на
R17=1,8кОм (RKT-3540S-1,8-102-R, прецизионный многооборотный переменный
резистор 1,8 кОм) и резистор R18=0,2кОм, чтобы на нем постоянно было напряжение
1В, а на резисторе R17 напряжение менялось от 1В до 10В. - МЛТ-0,125-0,2кОм±5%.
Резистор R16 рассчитаем по формуле:
R16 - МЛТ
- 0,125 - 26кОм±10%,-RKT-3540S-1,8-102-R
[сайт
pribor-systems.ru].
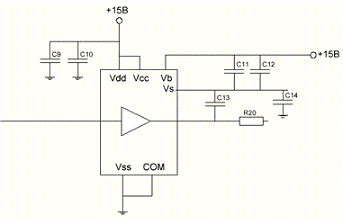
Расчет драйвера.
Рисунок 15 - Схема подключения драйвера
Расчет и выбор драйвера, осуществляющего ШИМ для
управления IGBT модулями, будем выполнять исходя из следующих условий:
максимальный выходной ток должен быть равным или
превышать входной ток затвора;
обеспечение достаточной выходной мощности.
Определим ток в цепи затвора
где
-
полный уровень напряжения управления, т. е.
означает 12-20В на выходе контроллера;
- сопротивление
цепи затвора,
Вычислим также необходимую мощность драйвера
,
где
-
максимальная частота коммутации IGBT модуля;
- заряд затвора
IGBT модуля,
;
С учетом всех расчетов выбираем контроллер ШИМ
IR2213 мощностью 200мВт и максимальным током 1.6А.
В спецификации драйвера указаны рекомендуемые
параметры для конденсаторов С9-14:
С9, С12, С14=10мкФ;
С10, С11=0.1мкФ;=0,001мкФ;
Окончательно выбираем конденсаторы для драйвера
[chipdip.ru]:
С9, С12, С14: К73 - 16 - 10мкФ - 100В±5-10%
С10, С11: К73 - 17 - 0.1мкФ - 250В±5%:К73 - 17 -
0.01мкФ - 630В±5%
По техническим данным выходной ток драйвера не
должен превышать 0,15мкА. Напряжение выходного импульса микросхемы-6,5В.
Мощность рассеиваемая на резисторе будет равна:
Выбираем R20[chipdip.ru]: С1-4 - 0.25 Вт - 43
кОм±5%
7. СОСТАВЛЕНИЕ ПОЛНОЙ ПРИНЦИПИАЛЬНОЙ
ЭЛЕКТРИЧЕСКОЙ СХЕМЫ ППЭЭ И ПЕРЕЧНЯ ЭЛЕМЕНТОВ К НЕЙ. ВРЕМЕННЫЕ ДИАГРАММЫ РАБОТЫ
СХЕМЫ И ОПИСАНИЕ ПРИНЦИПА ЕЕ ДЕЙСТВИЯ
Полная принципиальная схема собрана из блоков,
которые были описаны в разделе 6 (это - генератор высокочастотных импульсов
ГВИ, генератор пилообразного напряжения ГПН, компаратор и выходной формирователь
ВФ) и приведена на рис. 15 и в графической части на формате А1 вместе с
функциональной схемой.
Описание принципа действия схемы выпрямителя.
На вход ГВИ (построенного на DA1) через R7, C6
подается задающее напряжение. По этому напряжению ГВИ формирует
последовательность высокочастотных импульсов малой длительности.
На вход ГПН (VT2, C7, DA2) подается напряжение
пилы Uп. При отсутствии UГВИ ключ VT2 закрыт и напряжение на выходе интегратора
DA2 нарастает по линейному закону. При поступлении сигнала UГВИ ключ VT2
открывается и интегратор сбрасывается в нуль. Таким образом на выходе ГПН
формируется положительное пилообразное напряжение UГПН.
Напряжение UГПН подается на вход компаратора
(R14, DA3), где происходит сравнение двух напряжений: UГПН и напряжения
управления UУ. UУ формируется САУ. В момент равенства этих напряжений
компаратор DA3 меняет свой знак. По фронту сигнала Uк выходной формирователь
формирует открывающие импульсы необходимой амплитуды и длительности. Этими
импульсами непосредственно и осуществляется открывание и закрывание ключа VT1.
Временные диаграммы работы системы управления
представлены на рисунке 16.
Рисунок 16 - Временные диаграммы работы СУ
Рисунок 17 - Полная принципиальная электрическая
схема проектируемого ППЭЭ
Таблица 1 - Перечень элементов, используемых в
схеме ППЭЭ
|
Поз.
обозначение
|
Наименование
|
Кол.
|
Примечание
|
|
Конденсаторы
|
|
|
|
C1-С5,
С8
|
МБГП-630В-0,2мкФ±10%
|
6
|
|
|
С6
|
КМ-6
- 50В-0,1 мкФ±5%
|
1
|
|
|
С7
|
К73-17-250В-0,1мкФ±10%
|
1
|
|
|
Сф
|
К50-35имп.-680
мкФ-450В-85°C
|
1
|
|
|
Cce
|
К73-17-250В-0,33мкФ±10%
|
1
|
|
|
Микросхемы
|
|
|
|
DА1-DA3
|
К154УД4
|
3
|
|
|
DA4
|
SKHI
10/12
|
1
|
|
|
Диоды
|
|
|
|
VD1-
VD4
|
Д112-10
|
4
|
|
|
VD5,
VD9
|
ДЧ212-10
|
2
|
|
|
VD6,
VD7
|
Д206
|
2
|
|
|
Транзисторы
|
|
|
|
VT1
|
SK30GH123
|
1
|
|
|
VT2
|
BC848C
|
1
|
|
|
Резисторы
|
|
|
|
R1-R5,
R19
|
С2-23-2Вт-±5%-150
Ом
|
5
|
|
|
R6
|
МЛТ-
0,5 - 420 Ом±5%
|
1
|
|
|
R7
|
МЛТ-
0,125 - 1,1 кОм±5%
|
1
|
|
|
R8
|
МЛТ-
0,125 - 1,2 кОм±5%
|
1
|
|
|
R9
|
МЛТ-
0,125 - 1,0 кОм±5%
|
1
|
|
|
R10-
R12
|
МЛТ
- 0,125 - 2,25кОм±10%
|
3
|
|
|
R13
|
МЛТ
- 0,125 - 12кОм±10%
|
1
|
|
|
R14,
R15
|
МЛТ
- 0,125 - 20кОм±10%.
|
2
|
|
|
R16
|
МЛТ
- 0,125 - 26кОм±10%
|
1
|
|
|
R17
|
RKT-3540S-1,8-102-R
|
1
|
|
|
R18
|
МЛТ-0,125-0,2кОм±5%
|
1
|
|
|
Rvce
|
ПЭВ
- 5 - 1кОм±10%;
|
1
|
|
|
Rgoff,
Rgon
|
ПЭВ
- 3 - 22Ом±10%
|
2
|
|
|
Rce
|
ПЭВ
- 3 - 18Ом±10%
|
1
|
|
|
Дроссели
|
|
|
|
Lф
|
EC24-R12M-0.12мкГн-20%
|
1
|
|
|
Реактор
анодный
|
|
|
|
Lap
|
ФРОС-500
|
1
|
|
8. РАСЧЁТ И ПОСТРОЕНИЕ ВНЕШНЕЙ И
РЕГУЛИРОВОЧНОЙ ХАРАКТЕРИСТИК ПРЕОБРАЗОВАТЕЛЯ.
.1 Внешняя характеристика
выпрямителя
Внешней характеристикой выпрямителя
называется зависимость выходного напряжения U от тока нагрузки I при постоянном
значении скважности
, то есть
зависимость
при
.
На рисунке 18 показана схема
замещения выпрямителя
Рисунок 18 - Схема замещения
выпрямителя
Внешняя характеристика определяется
следующим уравнением
,
где
- активное сопротивление
последовательно включенных элементов схемы, по которым протекает ток нагрузки в
один и тот же момент времени,
;
- сумма падений напряжений на
полупроводниковых приборах, по которым в данный момент времени протекает ток
нагрузки,
,
;
- коммутационное сопротивление
(сопротивление перекрытия вентилей), определяемое по формуле
,
где
- реактивное сопротивление анодного
реактора,
.
.
Значение ЭДС определим по формуле:
.
В режиме непрерывного тока внешние
характеристики выпрямителя представляют собой ряд параллельных прямых,
наклоненных к оси тока.
Произведем расчет внешней
характеристики выпрямителя в виде таблицы 2 для трех значений скважности.
Таблица 2 - Внешняя характеристика
выпрямителя
|
|
|
|
|
I,A
|
0
|
7,16
|
0
|
7,16
|
0
|
7,16
|
|
U,B
|
16,4
|
12,5
|
90,2
|
86,2
|
163,9
|
160
|
Вид внешней характеристики выпрямителя показан
на рисунке 18.
Рисунок 19 - Вид внешней характеристики
выпрямителя
8.2 Регулировочная характеристика
Регулировочная характеристика выпрямителя
представляет собой зависимость выпрямленной ЭДС Е от скважности
,
то естьЕ=f(
).
Для данной схемы, выражение для выпрямленной ЭДС
имеет вид
,
Произведем расчет регулировочной характеристики
выпрямителя в виде таблицы 3.
Таблица 3 - Регулировочная характеристика
выпрямителя
|
|
0
|
0,3
|
0,6
|
0,9
|
|
E,
В
|
0
|
55,3
|
110,6
|
165,9
|
Вид регулировочной характеристики выпрямителя
показан на рисунке 19.
Рисунок 20 - Вид регулировочной характеристики
выпрямителя
8.3 Регулировочная характеристика
ШИП
Регулировочной характеристикой ШИП называется
зависимость скважности
от напряжения
управления Uу, то есть
.
Данная зависимость выражается в формуле:
,
Расчет регулировочной характеристики ШИП
произведем в виде таблицы 4.
Таблица 4 - Регулировочная характеристика ШИП
0
|
2,5
|
5
|
7,5
|
10
|
|
|
1
|
0,75
|
0,5
|
0,25
|
0
|
Вид регулировочной характеристики ШИП показан на
рисунке 21.
Рисунок 21 - Регулировочная характеристика ШИП
ЗАКЛЮЧЕНИЕ
В ходе курсового проектирования была
спроектирована система управления широтно-импульсным преобразователем. Также
был рассмотрен принцип действия и произведён расчёт функциональных узлов схемы
управления СПП. Для оценки работы СПП была рассчитана и построена внешняя и
регулировочная характеристики СУ.
В процессе выполнения данного курсового проекта
были приобретены навыки расчета силовых схем и выбора полупроводниковых
приборов, а также проектирования и расчета принципиальных электрических схем
систем управления полупроводниковыми приборами преобразователей.
СПИСОК ИСПОЛЬЗУЕМОЙ ЛИТЕРАТУРЫ
1. Методическое
пособие к курсовому проектированию по СПТ. - Г.И. Гульков, Н.М. Улащик. - Минск
2007 - 90 с.
2. Чебовский
О.Г. и др. Силовые полупроводниковые приборы: Справочник / О.Г. Чебовский, Л.Г.
Моисеев, Р.П. Недошивин. - 2-е изд., перераб. и доп. - М.: Энергоатомиздат,
1985.
. Основы
преобразовательной техники: / В.С. Руденко, В.И. Сенько, И.М. Чиженко. - 2-е
изд., перераб. и доп. - М.: «Высшая школа», 1980.
. Розанов
Ю.К. Основы силовой преобразовательной техники. - М.: Энергия, 1979. - 392 с.
. Резисторы.
Конденсаторы. Трансформаторы. Дроссели. Коммутирующие устройства. РЭА:
Справочник / Н.Н. Акимов, Е.П. Ващуков, В.А. Прохоренко, Ю.П. Ходоренок. - Мн.
«Беларусь», 1994.
. Конспект
лекций по СПТ. - Н.М. Улащик. - Минск 2010.