Автоматизированный электропривод главного движения универсального фрезерного станка модели 6Н81
Реферат
Рассматривается автоматизированный электропривод
главного движения универсально-фрезерного станка модели 6Н81.
Цель проекта: модернизация устаревшей системы
электропривода.
Произведен расчет и выбор электродвигателя
номинальной мощностью 4 кВт. Выбран комплектный преобразователь частоты
MICROMASTER Vector фирмы Siemens.
Данный электропривод целесообразно применять для
привода главного движения фрезерных станков, требующих высокой точности
поддержания скорости вращения и большого диапазона регулирования скорости.
Экономическая эффективность выражается в
снижении затрат на эксплуатацию оборудования в течение прогнозируемого периода
эксплуатации, равного 20 годам.
ВВЕДЕНИЕ
Металлорежущие станки являются распространенными
производственными машинами, предназначенными для механической обработки
заготовок из металла режущими инструментами. Современный металлорежущий станок
оборудован сложной системой автоматизированного электропривода, которую
разделяют на два основных типа: провод главного движения и привод подачи. От
надежной и синхронизированной работы которых зависит качество выпускаемой
продукции. Поэтому при проектировании автоматизированного электропривода
станков одной из важных задач является правильный выбор электродвигателя по
мощности. Для этого необходимо произвести расчет режимов резания для всех
типовых деталей, обрабатываемых на данном станке, и по результатам этих
расчетов выбрать типоразмер двигателя, который обеспечивает обработку при
наибольшей нагрузке.
Развитие в области силовой и вычислительной
электроники создали предпосылки к появлению более надежных, точных и недорогих
систем электропривода, что в свою очередь привело к необходимости модернизации
существующих громоздких, дорогих приводов.
Кроме того, в начале 90-х годов наметился кардинальный
переход к полной автоматизации промышленных предприятий, т.е. к «безлюдным»
технологиям, в которых человек выполняет общую контролирующую роль, а всем
техпроцессом управляет автоматизированная система управления технологическим
предприятием (АСУ ТП).
Таким образом, поставленные перед данным
дипломным проектом задачи по модернизации привода главного движения
универсально фрезерного станка модели 6Н81 и его автоматизация, являются
актуальными.
1. ТЕХНОЛОГИЧЕСКАЯ ЧАСТЬ
.1 Описание промышленной установки и
анализ технологического процесса
Металлорежущие станки являются распространенными
производственными машинами, предназначенными для механической обработки
заготовок из металла режущими инструментами. Путем снятия стружки заготовке
придаются требуемая форма, размеры и чистота поверхности. В зависимости от
характера выполняемых работ, вида применяемых инструментов и формы образуемой
поверхности металлорежущие станки подразделяются на девять групп, среди которых
можно выделить станки фрезерной группы [1, 2].
Фрезерные станки предназначены для обработки
наружных и внутренних плоских и фасонных поверхностей, прорезки прямых и
винтовых канавок, нарезки резьбы и т.п. Характерная особенность фрезерных
станков - работа вращающимися многолезвийными режущими инструментами - фрезами.
На рис. 1.1 показана схема фрезерования.
Рис. 1.1- Схема фрезерования
Главным движением uZ является
вращение фрезы 2, движением подачи uП - перемещение
изделия 1. Каждое лезвие фрезы снимает стружку в течение лишь доли оборота
фрезы, причем сечение стружки s непрерывно меняется от нуля до наибольшей
величины. Цикл фрезерования состоит из следующих операций: включение шпинделя с
инструментом, перемещение стола с заготовкой на быстром ходу, переход на
рабочую подачу с учетом припуска, фрезерование заготовки, быстрое перемещение
стола в сторону от инструмента.
Отличительной особенностью станка 6Н81 является
расположение шпинделя, ось которого устанавливается горизонтально. Это
позволяет обрабатывать поверхности плоскими цилиндрическими фрезами, прорезать
канавки дисковыми фрезами, обрабатывать линейные поверхности фасонными фрезами.
На станке 6Н81 могут обрабатываться как стальные
заготовки, так и заготовки из чугуна [3].
Фрезерные станки общего назначения большей
частью работают в продолжительном режиме с постоянной нагрузкой. В этом случае
мощность двигателя привода главного движения определяется по расчетной, исходя
из технических показателей, наибольшей нагрузке, возможной на данном станке.
Основной несущей конструкцией станка является
станина 1. В верхней части станины расположена фрезерная головка 2, в которой с
двух сторон крепиться инструмент 3. В нижней части станины расположена консоль
4, которая может передвигаться вверх и вниз по вертикальным направляющим
станины. По горизонтальным направляющим перемещаются несущие салазки 5. В свою
очередь по направляющим салазок перемещается рабочий стол 6, на котором
крепится заготовка. Таким образом, станок 6Н81 имеет три взаимно
перпендикулярных движения подачи, осуществляемым через коробку подач. Вращение
фрезе сообщается от асинхронного двигателя 7 через коробку скоростей,
расположенных внутри станины. На станине и консоли располагаются рукоятки
ручного управления станком.
Универсально фрезерный станок 6Н81 имеет
следующие данные:
габаритные размеры станка, мм:
длина 2060
ширина 1940
высота 1600
вес станка, кг 2100
размер рабочей площади стала, мм:
длина 1000
ширина 250
наибольший угол поворота стола, град ±45
электродвигатель шпинделя:
число оборотов, об/мин 1450
мощность, кВт 4,0
электродвигатель подачи:
число оборотов, об/мин 1420
мощность, кВт 1,5
максимальный диаметр инструмента, мм 200;
быстрый ход стола, мм/мин 8 000;
1.2 Анализ взаимодействия
оператор-промышленная установка
Взаимодействие оператора со станком 6Н81
осуществляется путем управления оператором работой станка. Возможны два режима
работы станка: ручной и полуавтоматический.
Ручной режим работы является наладочным и
осуществляется от рукояток и маховичков ручного привода. Оператор, в данном
режиме, имеет возможность осуществлять управление перемещением стола вперед -
назад, скорость при этом значительно ниже, чем при номинальном режиме работы. В
этом режиме также осуществляется переключение зубчатых колес в коробке
скоростей и подач.
Управление станком в полуавтоматическом режиме
осуществляется от панели управления, которая расположена на передней части
консоли. С помощью панели управления можно производить следующие действия:
включение и отключение привода подач, включение и отключение привода главного
движения
Контроль перемещения по всем координатам
осуществляется при помощи линейных шкал, установленных вдоль направляющих.
1.3 Анализ кинематической схемы,
определение параметров и проектирование расчетной схемы механической части
электропривода
Кинематическая схема механизма продольной подачи
стола станка представлена на рис. 1.2.
Рис. 1.2
На рис. 1.2. приняты следующие условные
обозначения:
М - двигатель,
СМ - соединительная муфта,
КС - коробка скоростей (
,
),
Ш - шпиндель.
Механическая часть электропривода (ЭП) состоит
из движущейся части электродвигателя, коробки скоростей, шпинделя с
инструментом. Приведенная схема наглядно отражает то положение, что
механическая часть электропривода представляет собой систему связанных масс,
движущихся с различными скоростями вращательно. При нагружении элементы системы
деформируются, так как механические связи не являются абсолютно жесткими. При
изменениях нагрузки массы имеют возможность взаимного перемещения, которое при
данном приращении нагрузки определяется жесткостью связи.
Для анализа движения механической части ЭП
осуществляется переход от реальной кинематической схемы к расчетной, с которой
массы и моменты инерции движущихся элементов и их жесткости, а так же силы и
моменты, действующие на эти элементы, заменены эквивалентными величинами,
приведенными к одной и той же скорости.
Для наиболее характерного режима работы ЭП,
когда двигатель создает движущийся момент, а исполнительный орган - тормозящий,
уравнение движения принимает вид:
.
Расчетная схема механической части
электропривода представлена на рис. 1.3.
Рис. 1.3
В случае приведения к валу двигателя суммарный
приведенный момент инерции ЭП JΣ может
быть выражен общей формулой:
JΣ = Jдв + Jмуф + Jкс +
Jш,
где Jдв - момент инерции ротора двигателя,муф -
момент инерции муфты,кс - момент инерции редуктора,ш - момент инерции шпинделя
с инструментом.
2. ВЫБОР СИСТЕМЫ ЭЛЕКТРОПРИВОДА И
АВТОМАТИЗАЦИИ ПРОМЫШЛЕННОЙ УСТАНОВКИ
.1 Литературный обзор по теме
дипломного проекта
.1.1 Асинхронный двигатель и коробка
скоростей
На некоторых станках и до настоящего времени
применяют трехфазные одно- и двухскоростные асинхронные двигатели с чисто
механической системой регулирования скорости. Переключения шестерен коробки
скоростей осуществляется с помощью электромагнитных фрикционных муфт.
Ступенчатое механическое регулирование угловой скорости не обеспечивает для
разных диаметров инструмента обработки наиболее выгодную скорость резания.
Следовательно, станок не может обеспечить высокую производительность при
различных диаметрах инструмента. Кроме того, коробка скоростей представляет собой
довольно сложную и громоздкую конструкцию, стоимость которой возрастает с
увеличением числа ступеней.
2.1.2 Электроприводы постоянного
тока ЭПУ1
Трехфазные тиристорные электроприводы ЭПУ1 по
назначению делятся на две группы: для механизмов подач и для главного движения
станков (исполнение Д). Электроприводы выпускаются нескольких модификаций в
виде нереверсивного (ЭПУ1-1) и реверсивного (ЭПУ1-2) с двух- и однозонным
регулированием скорости с обратной связью по скорости (исполнение М) или с
обратной связью по ЭДС (исполнение Е).
Силовые схемы ТП для питания якоря двигателя ТПЯ
выполняются по трехфазной мостовой схеме с силовыми оптронными тиристорами на
токи до 100 А и силовыми тиристорами на токи 200, 400, 630 А с одним комплектом
вентилей для нереверсивного ЭП и двумя для реверсивного. ЭП выполняются с
трансформаторным питанием с трех- и двухобмоточными трансформаторами Т с
выпрямленным напряжением соответственно 115 и 230 В и с токоограничивающими
реакторами L с выпрямленным напряжением 230 В и при напряжении сети 220 В. В
якорной цепи для высокомоментных двигателей предусмотрен сглаживающий реактор
L1. Выпрямитель для обмотки возбуждения двигателя выполняется по одно- и
трехфазным схемам выпрямления с диодами. В двухзонных ЭП используется ТП
возбуждения. Он выполняется по однофазной мостовой полууправляемой схеме с
двумя оптронными тиристорами и двумя диодами (на токи ЭП до 100А) и по
однофазной управляемой схеме с четырьмя оптронными тиристорами и защитным
тиристором (на токи ЭП 200, 400 и 630 А).
Максимально-токовая защита ЭП с двигателем на
токи до 100 А производится плавкими предохранителями, а выше 100 А -
автоматическим выключателем [4].
2.1.3 Комплектный привод типа
ЭШИР-1-А
Комплектные приводы типа ЭШИР-1-А с
транзисторным широтно-импульсным преобразователем предназначены для привода
механизмов шпинделя и подач прецизионных станков. Электропривод обеспечивает
широкий диапазон регулирования скорости в пределах от nmax до 0,1 об/мин с
постоянным моментом на валу двигателя, автоматический пуск на любую
установленную скорость, автоматическое торможение и реверс с любой
установленной скорости.
Привод обеспечивает однозонное регулирование
скорости. Сигнал управления, соответствующий максимальной скорости аналоговый ±10В.
Реверсирование направления вращения осуществляется изменением полярности
входного сигнала. В электроприводе предусмотрены следующие виды защит:
максимальная токовая защита; электронная защита силовых ключей; электронная
защита двигателя от перегрузок; электронная защита от превышения фактической
скорости над заданной; защита от понижения напряжения, обрыва фазы и выключения
питающей сети.
В состав привода ЭШИР-1-А входят следующие
составные узлы:
) блок преобразователя;
) электродвигатель со встроенным
тахогенератором;
) блок силового трансформатора;
) дроссель якорный.
Сигнал рассогласования, усиленный регулятором
скорости, поступает на вход регулятора тока (РТ). Регулятор скорости (РС)
выполнен пропорционально-интегральным, обратная связь которого собрана на цепях
R35-C15 и R34-C14. Причем цепь R35-C15 подключена постоянно, а цепь R34-C14
подсоединяется параллельно первой с помощью устройств переключения коррекции на
скоростях вращения превышающих 1/3 максимальной. Переключением ключей
достигается уменьшение пульсации тока якоря на высоких скоростях при большом
уровне помех от тахогенератора. Кроме сигнала РС на вход РТ поступают сигналы
обратной связи оп току якоря с датчика тока, датчика статического тока и от
устройства токоограничения. РТ представляет собой усилитель постоянного тока, собранный
на операционном усилителе. С выхода РТ сигнал поступает на входы ШИМ-1 и ШИМ-2,
которые осуществляют модуляцию входного сигнала соответствующей полярности. С
выхода ШИМ биполярный широтно-модулированный сигнал поступает на вход блока
коммутаций, который осуществляет преобразование несимметричного закона
коммутации в поочередный несимметричный. Далее сигнал подается на узлы
задержки, осуществляющие раздвижку на постоянный интервал Dt
импульсов каналов управления силовыми ключами. Раздвижка импульсов, управляющих
вертикалью ключей, применяется для уменьшения величины сквозного тока. Силовая
и управляющая схемы разделены гальванической развязкой.
2.1.4 Комплектный асинхронный
электропривод типа «Размер 2М-5-2»
Асинхронный ЭП типа «Размер 2М-5-2» предназначен
для работы в системах автоматического регулирования скорости электродвигателей
в ЭП главного движения и подач металлорежущих станков и промышленных роботах с
системами ЧПУ.
Электропривод имеет систему управления
тиристорный преобразователь частоты - асинхронный двигатель (ТПЧ-АД) с
частотно-токовым векторным управлением. Он обеспечивает глубокое регулирование
скорости (D = 10 000).
Система управления ЭП двухконтурная с ПИ - РС и
трехфазным релейным РТ. Скорость двигателя определяется задающим напряжением
Uз,с.
Инвертор тока (ИТ) представляет собой трехфазную
мостовую схему с питанием от звена постоянного тока, работающую на частоте
коммутации f = 3 кГц. Каждая фаза моста содержит по два силовых прерывателя,
которые поочередно подключают вывод обмотки АД к положительному либо к
отрицательному полюсу звена постоянного тока. Переключение происходит с
указанной частотой, управление последовательностью переключений осуществляется
РТ. Ключи трехфазного мостового инвертора или прерыватели состоят из нескольких
параллельно включенных транзисторов, управляющего тиристора, соединенного с
основными по схеме составного тиристора, и вентиля обратного моста.
Электропривод обеспечивает работу с номинальными
моментами двигателей от 7 до 47 Н·м во всех квадрантах механических
характеристик. В ЭП имеется быстродействующая защита силовых транзисторов ИТ от
перегрузки (более 60 А) с помощью ТЗК. Кроме того, предусмотрена защита от
перегрева, от недопустимого превышения или снижения напряжения источников
питания. При исчезновении напряжения сети обеспечивается аварийное торможение
двигателя.
2.1.5 Электроприводы ЭТА-1
Электроприводы переменного тока ЭТА-1
рекомендуются для применения в различных производственных механизмах, требующих
плавного регулирования и стабилизации скорости. Электроприводы выполнены на
базе двух фазных асинхронных короткозамкнутых двигателей и тиристорных
преобразователей частоты с непосредственной связью. Статорные обмотки двигателя
гальванически не связаны и каждая из них получает питание от своего преобразователя.
Двигатели снабжены пространственным комплексным датчиком, содержащим
бесконтактный тахогенератор и фотоимпульсный датчик положения ротора.
Система автоматического регулирования
электропривода выполнена по двухконтурной структуре с ПИ-регулятором скорости и
внутренним контуром регулирования тока и реализует частотно-токовый принцип
управления асинхронным двигателем. На вход регулятора скорости подается
задающий сигнал с задатчика интенсивности и сигнал отрицательной обратной связи
по скорости от тахогенератора. Регулятор скорости формирует на выходе сигнал
задания частоты скольжения, который в качестве сигнала задания тока подается на
координатный преобразователь. Координатный преобразователь формирует два
сигнала управления на преобразователь частоты.
2.1.6 Электропривод с вентильным
двигателем
Электроприводы фирмы Siemens с преобразователем
частоты SIMOVERT MASTERDRIVES и встроенным модулем SIMODRIVE 611 U с
синхронными двигателями применяются в качестве привода главного движения
токарных, фрезерных, сверлильных и универсальных станков. Электропривод
построен по системе транзисторный преобразователь частоты - синхронный
двигатель (ТрПЧ-СД) с частотно-токовым управлением. Он обеспечивает высокое
быстродействие и малые уровни шума и электромагнитных потерь в двигателе. В
состав электропривода входят: бесколлекторный СД с возбуждением от постоянных
магнитов в роторе с пристроенными тахогенератором и датчиком углового положения
ротора (ДПР) (в состав двигателя дополнительно могут входить встроенный тормоз,
терморезисторы и пристроенный оптронный датчик пути); блок регулирования; блок
питания (питание ЭП может осуществляться через силовой трансформатор и без
трансформатора); автоматический выключатель; токоограничивающие резисторы;
контактор (магнитный пускатель).
Инвертор тока осуществляет питание двигателя и
обеспечивает регулирование частоты напряжения на двигателе и ток в фазах
обмотки статора в соответствии с требуемой скоростью и моментом двигателя.
Инвертор тока вместе с датчиком положения выполняет роль коллектора (как в
двигателе постоянного тока).
Система управления электроприводом -
двухконтурная с пропорционально-интегральным регулятором скорости и
безинерционным релейным регулятором тока. В приводе предусмотрены следующие
электрические защиты: нулевая от снижения напряжений управления;
максимально-токовая; защиты от перегрева двигателя; от прекращения вентиляции и
обрыва возбуждения тахогенератора. Имеется блокировка от ползучей скорости
двигателя. Защиты размещены в блоке защиты.
2.2 Формулирование требований к
автоматизированному электроприводу и системе автоматизации
Требования к электроприводу механизма привода
шпинделя обусловлен необходимостью получения его трех основных режимов (пуска,
установившегося движения, торможения) и ряда вспомогательных и наладочных
режимов, а также обеспечения надежной и бесперебойной работы шпиндельного
механизма [5, 6].
Основные требования, предъявляемые к
электроприводу, следующие:
обеспечение плавного пуска двигателя с
ограниченным значением момента и ускорения e = 600 рад/с2 с
целью: безударного выбора зазоров в зубчатых передачах в начальный период
пуска;
регулирование скорости при постоянном моменте
или при постоянной мощности;
обеспечение жесткой механической характеристики
электропривода при ударном изменении момента нагрузки;
обеспечение заданного диапазона регулирования
скорости (
);
обеспечение заданного времени переходного
процесса (tп/п=0,3).
Основные требования, предъявляемые к системе
автоматизации следующие:
наличие блокировок и защит;
минимальные габариты и масса;
удобство монтажа, наладки и диагностики, а также
ремонта;
соответствие требованиям техники безопасности;
обеспечение помехозащищенности и исключение
радиопомех.
Основные виды защиты:
от токовых перегрузок;
от исчезновения напряжения в цепи управления и
силовой цепи;
от неправильного чередования фаз;
от превышения скорости.
Основные виды блокировок:
от самопроизвольного пуска;
блокировка включения привода подачи при отключенном
приводе главного движения.
2.3 Определение возможных вариантов
и выбор рациональной системы электропривода
Система транзисторный преобразователь -
двигатель постоянного тока независимого возбуждения (ТрП - ДПТ НВ) отличается
весьма высоким быстродействием преобразователя. Постоянная времени Тп при
полупроводниковом широтно-импульсном модуляторе не превосходит 0,005с.
Соответственно возможности создания быстродействующих электроприводов при
переходе к системе ТрП - ДПТ НВ существенно расширяются. Такие системы
достаточно просты в управлении. Транзисторный преобразователь по сравнению с
тиристорным преобразователем имеет преимущество, связанное с отсутствием режима
прерывистых токов, который снижает качество регулирования скорости.
Система тиристоный преобразователь - ДПТ (ТП -
ДПТ НВ) по сравнению с системой ТрП - ДПТ НВ имеет меньшее число ступеней
преобразования энергии, возможность рекуперации энергии в сеть и как следствие
больший КПД. Как правило, система ТП - ДПТ применяется для приводов большей
мощности, чем система ТрП - ДТП.
Однако системы ТП и ТрП имеют общий недостаток,
связанный с двигателем постоянного тока - это его дороговизна и необходимость
проведения профилактических работ на щеточно-коллекторном узле.
Наиболее простым, дешевым и надежным
электрическим двигателем является асинхронный короткозамкнутый двигатель,
поэтому его использование в регулируемом электроприводе представляет собой
интерес. Как было установлено, возможности регулирования, аналогичные
возможностям изменения напряжения на якоре двигателя постоянного тока с
независимым возбуждением, в асинхронном электроприводе обеспечиваются путем
изменения частоты напряжения и тока статорной обмотки. Формирование
механических характеристик асинхронного двигателя при частотном управлении
подчинено задачам обеспечения требуемой перегрузочной способности и жесткости
характеристик во всем диапазоне регулирования скорости. Для реализации
возможностей необходимо осуществлять питание статорной обмотки двигателя от
управляемого преобразователя частоты.
Наибольшее число ступеней представляет собой
технически более сложную задачу, чем регулирование выпрямленного напряжения,
так как, как правило, требует дополнительных ступеней преобразования энергии.
Наименьшим числом ступеней преобразования энергии
обладают вентильные преобразователи частоты. Они содержат ступень
преобразования переменного тока в постоянный и ступень инвертирования. Эти две
ступени в самостоятельном виде присутствуют в преобразователях частоты со
звеном постоянного тока. В преобразователе частоты с непосредственной связью
функции выпрямления и инвертирования совмещены в реверсивном преобразователе
постоянного тока, выпрямленное напряжение или ток которого изменяются с
требуемой частотой с помощью системы управления преобразователем. Как
следствие, наиболее близким к системе ТП - ДПТ НВ массогабаритными показателями
обладает система преобразователь частоты - асинхронный двигатель (ПЧ - АД) с
преобразователем с непосредственной связью, а система с преобразователями,
содержащими ступень постоянного тока, уступает по этим показателям системе ТП -
Д. Однако различия по мере совершенствования тиристорных преобразователей
частоты постоянно сокращаются.
Коэффициент полезного действия системы ПЧ - АД с
вентильным преобразователем несколько ниже, чем в системе ТП - Д, если имеется
звено постоянного тока, так как при этом преобразование напряжения и тока
осуществляется дважды.
Коэффициент мощности в этой системе близок к
значению коэффициента мощности в системе ТП - Д, если в качестве звена постоянного
тока используется тиристорный преобразователь. Он достаточно высок только в
системах с неуправляемым выпрямителем, однако при этом отсутствует возможность
рекуперации энергии в сеть в тормозных режимах электропривода. Использование
режимов рекуперации энергии может существенно снижать потребление энергии
установкой за цикл работы, поэтому при сравнении вариантов системы этот фактор
необходимо учитывать.
Из выше изложенного материала можно сделать
следующий вывод, что для привода главного движения станков подходят как ЭП
постоянного тока, так и ЭП переменного тока. Принимая во внимание следующие
факторы:
) стоимость современных ПЧ сопоставима со
стоимостью ТП;
) недостатки, связанные с двигателем постоянного
тока;
можно заключить, что для привода главного
движения универсального фрезерного станка модели 6Н81 наиболее рациональной
системой электропривода будет - ПЧ - АД.
2.4 Проектирование функциональной
схемы автоматизированного электропривода
Для создания глубокорегулируемого
высокодинамичного электропривода наиболее целесообразным методом управления
является векторное управление с ориентацией по вектору потокосцепления ротора.
Функциональная схема такого ЭП в этом случае имеет наименьшее число
перекрестных связей, а выражение момента асинхронного электродвигателя с
короткозамкнутым ротором и скорости сравнительно просты. При этом наиболее
просто осуществляется регулирование скорости при стабилизации потокосцепления
ротора. Для этого система управления должна содержать два канала регулирования:
скорости и потокосцепления, а также блоки преобразования координат. Каждый из
каналов имеет по два контура построенных по принципу подчиненного регулирования
[7].
Современные преобразователи частоты с векторным
управлением АД позволяют осуществлять как прямое управление скоростью, когда
имеется обратная связь по скорости, так и косвенное, когда величина скорости
рассчитывается по текущим значениям напряжения и тока. Для повышения точности
поддержания скорости целесообразно применить датчик скорости. Кроме того,
косвенным образом определяется потокосцепление. Эти расчеты производятся в
специальном блоке - наблюдателе.
Функциональная схема автоматизированного
электропривода фрезерного станка 6Н81 представлена на рис. 2.1.
Рис. 2.1
На рис. 2.1 приняты следующие обозначения:
ПФ1, ПФ2 - преобразователи фаз;
БПК1, БПК2 - блоки преобразования координат;
БВМ - блок выделения модуля потокосцепления
ротора;
ТА - тригонометрический анализатор;
БК - блок коррекции;
РП, РС, РТ1, РТ2 - соответственно регуляторы
потокосцепления yr, скорости wr
и проекций обобщенного вектора тока статора isa, isb.
3. ВЫБОР ЭЛЕКТРОДВИГАТЕЛЯ
.1 Расчет нагрузок и построение
механической характеристики и нагрузочной диаграммы механизма
Выбор мощности электродвигателя для привода
главного движения фрезерного станка производится по наиболее трудоемкой детали,
обрабатываемой на данном станке. Выбор мощности двигателя произведем по детали,
обрабатываемой на данном типе станка.
Обрабатываемый материал - сталь конструкционная
углеродистая.
Данные режущего инструмента:
· тип инструмента - дисковая фреза из
быстрорежущей стали;
· диаметр фрезы - d = 60 мм;
· число зубьев фрезы - z = 11.
Условия обработки заготовки:
· глубина фрезерования - t = 10 мм;
· подача на один зуб фрезы - s = 0,2 мм;
· ширина фрезерования - В = 20 мм.
Фреза охлаждается концентратом жидкости
смазочно-охлаждающей ЭК3.
Расчет режимов резания производим в соответствии
с [8, 9, 10].
Рассчитаем нормативную скорость резания, м/мин,
при фрезеровании по формуле (3.1):
,(3.1)
где CV - коэффициент, зависящий от
обрабатываемого материала, типа фрезы и вида обработки, CV = 160;
Т - стойкость фрезы, T = 180 мин;, m, yv, xv, k,
n - показатели степени, зависящие от свойств обрабатываемого материала: q =0,5,
m= 0,2, yv = 0,4, xv = 0,33, k= 0,3, n = 0,1.
Подставив данные в формулу (3.1) получим:
.
Частота вращения инструмента:
.
Рассчитаем минутную подачу:
.
Усилие резания или окружное усилие при
фрезеровании, Н, рассчитаем по формуле (3.2):
,(3.2)
где CF - коэффициент, зависящий от
обрабатываемого материала, типа фрезы и вида обработки, CF = 280;, yF, i -
показатели степени, зависящие от свойств обрабатываемого материала, xF = 0,6,
yF = 0,74, i = -1.
Подставив данные в формулу (3.1) получим:
.
Рассчитаем время каждого участка при обработке
детали. Время быстрого хода детали к режущему инструменту (расстояние l1 = 360
мм):
.
Технологическое время фрезерования:
,
где l2 - величина врезания фрезы, l2 = 12 мм;-
длина фрезерования, l3 = 320 мм;- величина перебега фрезы, l4 = 5 мм.
.
Время ускоренного отвода детали:
Суммарное время обработки одной детали:
.
По результатам расчетов строим нагрузочную и
скоростную диаграммы механизма, которые оказаны на рис. 3.1.
Рис. 3.1
3.2 Предварительный выбор двигателя
по мощности
При известных значениях усилия и скорости
резания статическая мощность резания, Вт, можно определить по формуле:
.
Выбор электродвигателя произведем исходя из
мощности потребной на фрезерование. В этом случае статическая мощность, Вт,
электродвигателя определяется по следующей формуле (3.4):
,(3.4)
где k - коэффициент запаса по мощности, k = 1,3.
hп - кпд механической передачи, hп
= 0,88.
.
3.3 Выбор номинальной скорости двигателя
и типоразмера двигателя
Для привода главного движения выберем
асинхронный электродвигатель с короткозамкнутым ротором из серии двигателей 4А
специально разработанных для частотно-регулируемых электроприводов. Из
справочника [11, 12] выбираем двигатель согласно условию:
.
Этому условию соответствует двигатель: 4АБ2П100М4ПБ, который имеет следующие
данные:
|
номинальная
мощность
|
Р
|
кВт
|
4
|
|
номинальная
частота вращения ротора
|
n
|
об/мин
|
2870
|
|
номинальный
кпд
|
h
|
о.е.
|
86
|
|
момент
инерции ротора
|
J
|
кг×м2
|
0,0056
|
|
cos
j
|
|
|
0,83
|
|
максимальный
момент двигателя
|
Ммах
|
о.е.
|
2
|
|
масса
двигателя
|
m
|
кг
|
28
|
|
критическое
скольжение
|
sк
|
%
|
22
|
Рассчитаем номинальную скорость вращения:
.
Номинальный момент двигателя:
.
Поскольку диапазон регулирования меньше 50, то
будем использовать электрическое бесступенчатое регулирование скорости. И в
место коробки скоростей применим редуктор. Для расчета передаточного числа редуктора
принимаем, что максимальная скорость шпинделя будет при номинальной частоте
вращения двигателя. Тогда:
.
3.4 Построение нагрузочной диаграммы
электропривода
Для построения нагрузочной диаграммы
электропривода произведем расчет электромагнитного момента двигателя на каждом
этапе работы. Для этого определим динамический момент и момент холостого хода.
Динамический момент рассчитывается по формуле:
,
где JS - суммарный момент
инерции:
,
где d - коэффициент,
учитывающий момент инерции редуктора, соединительной муфты, d
= 0,1;шп - момент инерции шпинделя, Jшп = 0,02 кг×м2;
;
e - допустимое ускорение, e
= 600 рад/с2.
.
Момент холостого хода зависит от многих факторов
и не остается постоянным при различных скоростях. Однако, учитывая, что его
величина не превышает 10-15% от номинального момента двигателя, рассчитаем по
упрощенной формуле:
.
Электромагнитный момент двигателя при
фрезеровании:
.
Угловую скорость ротора определим по формуле:
.
Определим момент и время каждого участка работы
привода:
. Пуск привода:
;
.
. Ускоренный подвод детали:
. Фрезерование заготовки:
. Ускоренный отвод детали:
. Торможение привода:
;
.
По данным расчетов построим нагрузочную
диаграмму, которая представлена на рис. 3.2.
Рис. 3.2
3.5 Проверка выбранного
электродвигателя по нагреву и перегрузочной способности
Упрощенная нагрузочная диаграмма электропривода
используется для проверки двигателя по нагреву и перегрузочной способности.
Электропривод работает в циклическом режиме с переменной нагрузкой. Для
проверки двигателя по нагреву используем метод эквивалентного момента. Условием
правильного выбора двигателя по нагреву будет [13]:
На станке после обработки одной детали
производится обработка следующей и т.д. Время потребное на одну деталь не
превышает 2 мин (с учетом смены детали). Поэтому заключаем, что двигатель
работает в циклическом режиме. В циклическом режиме эквивалентный момент
определяется только для рабочих участков (3.3):
,(3.3)
где Мi - момент на i-м интервале;-
продолжительность работы на i-м интервале;- число рабочих интервалов в цикле.

.
Номинальный момент двигателя
больше
эквивалентного момента
, значит условие
правильности соблюдено.
Проверим выбранный двигатель по перегрузочной
способности:
.
где Мmax - максимальный электромагнитный момент
за цикл работы;
Мдоп - допустимый максимальный момент двигателя
с учетом возможного снижения напряжения сети на 10%.
Из представленных расчетов делаем заключение,
что электродвигатель выбран правильно.
4. ПРОЕКТИРОВАНИЕ СИЛОВОЙ СХЕМЫ
АВТОМАТИЗИРОВАННОГО ЭЛЕКТРОПРИВОДА И ВЫБОР КОМПЛЕКТНОГО ПРЕОБРАЗОВАТЕЛЯ
ЭЛЕКТРИЧЕСКОЙ ЭНЕРГИИ
.1 Определение возможных вариантов и
обоснование выбора типа комплектного преобразователя
В качестве устройства регулирования
целесообразно выбрать преобразователь частоты.
При использовании частотного преобразователя
пуск двигателя происходит плавно, без пусковых токов и ударов, что уменьшает
нагрузку на двигатель и механику, увеличивает срок их службы.
Применение частотных преобразователей с обратной
связью обеспечивает точное поддержание скорости вращения при переменной
нагрузке, что во многих задачах позволяет значительно улучшить качество
технологического процесса.
Для питающей сети преобразователь является чисто
активной нагрузкой и потребляет ровно столько энергии, сколько требуется для
выполнения механической работы (с учётом КПД преобразователя и двигателя).
Применение регулируемого частотного
электропривода позволяет сберегать энергию путём устранения непроизводительных
затрат энергии в дроссельных заслонках, механических муфтах и других
регулирующих устройствах. При этом экономия прямо пропорциональна
непроизводительным затратам и может достигать 80%.
Частотный преобразователь позволяет регулировать
выходную частоту в пределах от 0 до 400 Гц. Разгон и торможение двигателя
осуществляется плавно (по линейному закону), время разгона и торможения можно
настраивать в пределах от 0.1 сек до 30 мин. Возможен плавный реверс двигателя.
При разгоне происходит автоматическое увеличения момента для компенсации
инерционной нагрузки. Момент при пуске достигает 150% от номинального.
Частотные преобразователи обеспечивают полную
электронную защиту преобразователя и двигателя от перегрузок по току,
перегрева, утечки на землю и обрыва линий передачи. Преобразователь позволяет
отслеживать и отображать на цифровом пульте основные параметры системы -
заданную скорость, выходную частоту, ток и напряжение двигателя, выходную
мощность и момент, состояние дискретных входов, общее время работы
преобразователя и т. д. В зависимости от характера нагрузки можно выбрать
вольт-частотную характеристику или создать свою собственную. Современные
преобразователи частоты поддерживают вольт-частотное скалярное регулирование,
регулирование потокосцеплением и векторное регулирование.
Для выбора комплектного преобразователя
определим предельные значения его параметров. Такими параметрами являются:
максимальное значение выходного напряжения:
UMAX, В
максимальное значение эквивалентного нагреву
тока: IЭ.MAX, А;
максимальное значение тока кратковременной
нагрузки: IMAX, А;
число фаз;
максимальное значение выходное частоты: fМАХ,
Гц.
Для выбранного двигателя номинальное напряжение
составляет 380В, следовательно, UMAX ³ 380В.
Максимальное значение нагреву тока определяем по
формуле:
,(4.1)
где:
-
значение тока ротора АД;
- отклонение
скорости двигателя от скорости идеального холостого хода при Мд = Мсмах, рад/с;
Мсмах - максимальное значение статического
момента, Н×м;
b - модуль статической жесткости частотных характеристик:
;- ток идеального
холостого хода, определим по формуле:
.
.
.
.
Максимальное значение тока Imax кратковременной
нагрузки преобразователя рассчитываем для максимального значения момента
двигателя.
Число фаз выходного напряжения преобразователя -
3.
Максимальное значение выходной частоты при
однозонном регулировании скорости электропривода - 50 Гц.
Условия выбора преобразователя частоты по току и
напряжению имеют следующий вид:
;
.
где Iнпч - номинальное значение выходного тока
преобразователя частоты, А;вх.пч - входное напряжение преобразователя частоты.
В соответствии с рассчитанными параметрами
выбираем преобразователь частоты серии “MICROMASTER Vector” фирмы Siemens,
который рассчитан на работу с АД мощностью 0,12-7,5 кВт, типа MMV400/3
(номинальная мощность двигателя 4кВт). Преобразователь применяются для
изменения и регулирования скорости вращения низковольтных двигателей
переменного тока для процессов с высокой динамикой и повышенными требованиями к
стартовому моменту и перегрузке. Система управления может быть дополнительно
оснащена функцией автоматической настройки на параметры используемого двигателя
и функцией коррекции параметров двигателя при нагреве [14].
Основные параметры преобразователя:
входное напряжение - 400-500 В ±
10%;
номинальный ток - 9,2 А;
допустимая перегрузка по току в течение 60 сек -
150 %;
входная частота - 47-63 Гц;
КПД преобразователя - 97 %;
коэффициент мощности не менее - 0,7;
способ торможения - генераторное, динамическое;
виды защит - низкое напряжение, перенапряжение,
перегрузка по току, перегрев двигателя и др.;
масса преобразователя - 4,8 кг.
4.2 Расчет параметров и выбор
элементов силовой цепи
Произведем выбор фильтров подавления
радиочастотных помех для преобразователя частоты. Выбор фильтра производится по
таблице номеров фильтров в соответствии с моделью преобразователя из инструкции
по эксплуатации преобразователей частоты фирмы Siemens.
Выбираем фильтр класса В: 6SE3290-ODC87-OFB5
стандарта EH55022.
Для рассеивания энергии, выделяемой двигателем,
применяется внешний тормозной резистор, что значительно улучшает возможности
торможения. Он не должен быть меньше 85 Ом (для 3-х фазных преобразователей со
входным напряжением от 400В).
Расчет тормозного резистора производится из
мощности, рассеиваемой на нем при торможении по формуле (4.2)
,(4.2)
гдеUC - действующее значение напряжения, В;
Ррасч - рассеиваемая при торможении мощность,
Вт.
,
гдеU1 - фазное значение напряжения питающей сети.
U1 = 220 В.
ксх - коэффициент схемы, для 3-х фазной схемы
ксх = 2,34.
.
,
где
- расчетный динамический момент, Н×м.
.
Исходя из расчетных значений по формуле (4.2)
определяем значение сопротивления RТ:
.
Выбираем стандартное значение тормозного
сопротивления: RТ=240Ом.
4.3 Выбор датчиков регулируемых
координат электропривода
Как было отмечено ранее, для реализации
векторного управления необходимо производить регулирование следующих величин:
потокосцепление ротора, угловая скорость ротора и составляющие тока статора по
осям x и y. Преобразователь частоты MICROMASTER Vector использует косвенное
управление скоростью двигателя, т.е. текущее значение скорости ротора и
потокосцепления вычисляются по текущим значениям тока и напряжения статора. При
таком способе управления ошибка поддержания скорости не превышает 1-5%. Для
повышения точности предусмотрена возможность подключения датчика скорости. При
использовании тахогенератора в систему вносится ошибка измерения (наведение
помех в проводах, зубцовые пульсации, конструкционные погрешности), что
уменьшает точность поддержания скорости. Наибольшей точностью обладают
импульсные датчики скорости, в которых частота следования импульсов
пропорциональна угловой скорости ротора.
Таким образом, для регулирования скорости
привода главного движения используются три вида датчиков: скорости, тока и
напряжения. Причем датчики тока и напряжения конструктивно выполнены в
преобразователе частоты, а датчик скорости реализуем на основе
фотоэлектрического преобразователя - ВЕ-178.
5. ПРОЕКТИРОВАНИЕ СИСТЕМЫ
АВТОМАТИЧЕСКОГО УПРАВЛЕНИЯ
.1 Разработка математической модели
автоматизированного электропривода
Исходной информацией для построения системы
векторного управления является информация о мгновенных значениях и
пространственном положении вектора потокосцепления в воздушном зазоре,
мгновенных значениях токов статора и скорости ротора двигателя [15, 16]. Для
этого в начале рассмотрим математическое описание асинхронного двигателя. При
этом используем следующие упрощающие допущения:
) трёхфазная система симметрична;
) воздушный зазор является равномерным;
) магнитная система машины не насыщена.
В координатной системе (x, y) электромагнитные
процессы АД с короткозамкнутым ротором описываются системой дифференциальных
уравнений (5.1):
где R1, R2 - сопротивления фазных обмоток
статора и ротора, Ом;
w0 - частота напряжения статора, с-1;
y1х, y1y - составляющие
потокосцепления статора по осям x, y, Вб.
Выражения потокосцеплений описываются системой
уравнений (5.2):
(5.2)
Индуктивности L1, L2, L12 для системы (4.2)
определяются следующим образом:
,
где L1s, L2s
- индуктивности рассеяния статора и ротора, Гн;m - взаимная
индуктивность фазных обмоток статора и ротора, Гн.
Выразив из системы (5.2) составляющие тока
ротора и потокосцепления статора получим систему (5.3):
(4.3)
где LЭ - эквивалентная индуктивность, которая
определяется следующим образом:
.
После преобразований системы (5.1) с учетом
(5.3) получим (5.4):
(5.4)
где RЭ - эквивалентное сопротивление, которое
определяется как:
.
Синхронная частота удовлетворяет выражению
(5.5):
(5.5)
Электромагнитный момент АД определяется
выражением (5.6):
(5.6)
где рп - число пар полюсов.
Скорость ротора определяется из
дифференциального уравнения (5.7):
.(5.7)
Введем следующие обозначения:
и
.
Питание двигателя осуществляется от автономного
инвертора напряжения на базе транзисторных силовых ключей. В структуре системы
управления преобразователь можно приближенно представить апериодическим звеном
(5.8):
(5.8)
где bП - коэффициент
усиления преобразователя;
t - малая постоянная времени, с.
На основании выражений (5.4) - (5.8) составим
структурную схему объекта управления, которая представлена на рис. 5.1.
Рис. 5.1
5.2 Расчет параметров объекта
управления
Определим численные значения параметров
двигателя для структуры согласно рис. 5.1
Номинальное сопротивление:
.
Рассчитаем сопротивления в абсолютных значениях:
активное сопротивление статорной обмотки
,
активное сопротивление ротора
,
сопротивление рассеяния статора
,
сопротивление рассеяния ротора
,
индуктивное сопротивление взаимоиндукции
.
Индуктивность рассеяния статора:
,
Индуктивность рассеяния ротора:
,
Индуктивность взаимоиндукции статора и ротора:
.
Найдем соответствующие индуктивности для системы
уравнений (5.2):
;
;
.
Определим эквивалентные сопротивление и
индуктивность:
,
.
Определяем постоянные времени:
,
.
Конструктивная постоянная момента:
.
Коэффициент усиления преобразователя:
.
5.3 Определения структуры и
параметров управляющего устройства
Необходимыми элементами системы управления, в
соответствии с функциональной схемой автоматизированного электропривода
являются управляемый преобразователь энергии, регуляторы основных координат
электропривода, датчики обратных связей, преобразователи координат и схема
компенсации перекрестных связей. Из математической модели объекта управления
видно, что он содержит два канала регулирования - скорости и потокосцепления
ротора, между которыми имеются перекрестные обратные связи. Кроме этого на
изменение скорости существенным образом влияет изменение потокосцепления
ротора. Для обеспечения оптимальных переходных процессов, а также для
ограничения промежуточных координат целесообразно использовать систему
управления, которая построена по принципу подчиненного регулирования. При таком
построении системы управления каждая координата имеет свой контур регулирования
и свой регулятор, настроенный оптимально. Регуляторы включены последовательно в
прямой канал. Ограничение координат обеспечивается ограничением задания на
соответствующий контур.
Таким образом, система управления содержит два
канала управления построенных по принципу подчиненного регулирования [15, 17].
Канал потокосцепления ротора включает контуры регулирования обобщенного вектора
тока ix и потокосцепления. Канал скорости ротора включает контуры регулирования
обобщенного вектора тока iy и скорости.
Синтез системы управления заключается в
определении структуры и параметров регуляторов системы управления каждого из
каналов скорости и потокосцепления ротора, что позволяет сформировать сигналы
управления uyx, uyy. Для обеспечения автономности каждого канала управления
необходимо обеспечить компенсацию перекрестных связей в объекте управления
(асинхронном двигателе):
.
Синтез управляющего устройства начинаем с
внутреннего контура канала регулирования скорости. Определение параметров
регулятора тока канала скорости начинаем, приняв допущение о пренебрежении
внутренней отрицательной обратной связи по ЭДС двигателя. Контур регулирования
тока i1y показан на рис. 5.2.
Рис. 5.2
Регулятор тока настроим на модульный оптимум.
Параметры найдем из условия равенства передаточных функций разомкнутого контура
тока и желаемой [15]:
(5.9)
Регулятор тока компенсирует эквивалентную
электромагнитную постоянную времени ТЭ. Тогда из (5.9) получим передаточную
функцию регулятора тока:
(5.10)
Регулятор тока в результате оптимизации
получился пропорционально-интегральным.
Определим коэффициент обратной связи по току:
.
Постоянная интегрирования регулятора тока:
.
После оптимизации передаточная функция контура
тока примет следующий вид (5.11):
(5.11)
После оптимизации контура тока переходим к
оптимизации контура скорости. Определение параметров регулятора скорости
производим для точки, которая соответствует номинальному значению потокосцепления
ротора. Тогда структурная схема контура скорости примет вид как показано на
рис. 5.3.
Рис. 5.3
Регулятор скорости настроим на симметричный
оптимум. При оптимизации по задающему воздействию (UЗС) пренебрегаем
возмущением (МС). Параметры найдем из условия равенства передаточных функций
разомкнутого контура скорости и желаемой [15]:
,(5.12)
где y2н - номинальное
значение потокосцепления, y2н = 1,37 Вб.
После преобразования уравнения (5.12) с учетом
(5.11) получим передаточную функцию регулятора скорости (5.13):
(5.13)
Регулятор скорости в результате оптимизации
получился пропорционально-интегральным.
Определим коэффициент обратной связи по
скорости:
.
Коэффициент усиления регулятора скорости:
.
После оптимизации передаточная функция контура
скорости примет следующий вид (5.14):
(5.14)
Потокосцепление ротора может меняться в
переходных процессах, поэтому для компенсации этих изменений на выходе
регулятора скорости поставим блок деления на относительную величину потокосцепления.
Оптимизация контура тока канала потокосцепления
проводится аналогично, как и для канала скорости. Определение параметров
регулятора тока канала скорости начинаем, приняв допущение о пренебрежении
внутренней положительной обратной связи пропорциональной потоку двигателя.
Определим коэффициент обратной связи по току:
.
Постоянная интегрирования регулятора тока:
.
После оптимизации передаточная функция контура
тока канала потокосцепления примет вид (5.11).
После оптимизации контура тока переходим к
оптимизации контура потокосцепления. Структурная схема контура потокосцепления
примет вид как показано на рис. 5.4.
Рис. 5.4
Регулятор потокосцепления настроим на модульный
оптимум. Параметры найдем из условия равенства передаточных функций
разомкнутого контура скорости и желаемой [15]:
.(5.15)
Регулятор потокосцепления компенсирует
постоянную времени Т2. Тогда из (5.15) получим передаточную функцию регулятора
потокосцепления:
.(5.16)
Регулятор тока в результате оптимизации
получился пропорционально-интегральным.
Определим коэффициент обратной связи по
потокосцеплению ротора:
.
Постоянная интегрирования регулятора
потокосцепления:
.
После оптимизации передаточная функция контура
потокосцепления примет следующий вид (5.17):
.(5.17)
Определим численные значения регуляторов тока,
скорости и потокосцепления:
.
.
.
С учетом передаточных функций регуляторов
(5.10), (5.13) и (5.16) структурная схема автоматизированного электропривода
будет иметь вид, как показано на рис. 5.5.
Рис. 5.5 - Структурная схема автоматизированного
электропривода
6. АНАЛИЗ ДИНАМИЧЕСКИХ И СТАТИЧЕСКИХ
ХАРАКТЕРИСТИК ЭЛЕКТРОПРИВОДА
.1 Разработка имитационной модели
электропривода
На основе функциональной схемы
автоматизированного электропривода с использованием математического описания
объекта и системы управления, которое представлено в разделе 5, с помощью
пакета MATLAB/Simulink разработаем программу для компьютерного моделирования
автоматизированного электропривода главного движения универсально фрезерного
станка 6Н81 [18]. Для создания модели были задействованы две основные
библиотеки Simulink (S-модель) и SimPowerSystems (SPS-модель). При создании
комбинированной модели были учтены некоторые особенности SPS-моделей:
· входы и выходы SPS-блоков, в отличие от блоков
Simulink, не показывают направление передачи сигнала, поскольку фактически
являются эквивалентами электрических контактов. Таким образом, электрический
ток может через вход или выход блока протекать в двух направлениях: как
вовнутрь блока, так и наружу;
· соединительные линии между блоками являются, по
сути, электрическими проводами, по которым ток может протекать также в двух
направлениях. В Simulink-моделях же информационный сигнал распространяется
только в одном направлении - от выхода одного блока к входу другого;
· Simulink-блоки и SimPowerSystems-блоки не могут
быть непосредственно соединены друг с другом. Сигнал от S-блока можно передать
к SPS-блоку через управляемые источники тока или напряжения, а наоборот - с
помощью измерителей тока или напряжения.
В модели некоторые функциональные части
представлены в виде подсистем. Разработанная модель является дискретной, что
приближает ее к реально работающей установке.
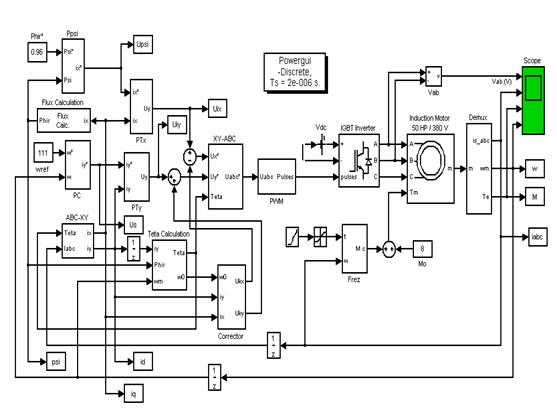
Разработанная программа в виде структурной схемы
для имитационного моделирования представлена на рис. 6.1.
На рис. 6.2 представлены модели подсистем
регуляторов потокосцепления, скорости и тока (регуляторы тока двух каналов
регулирования одинаковы).
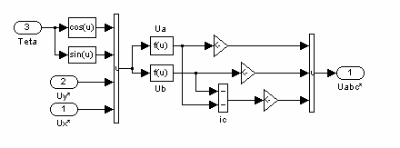
На рис. 6.3 представлена модель подсистемы
«ABC-XY».
На рис. 6.4 представлена модель подсистемы
«XY-ABC».
На рис. 6.5 представлена модель подсистемы «Teta
calculation».
На рис. 6.6 представлена модель подсистемы
«PWM».
На рис. 6.7 представлена модель подсистемы
«Frez».
Рис. 6.1 - Имитационная модель АЭП
Рис. 6.2 - Модели регуляторов
Рис. 6.3 - Подсистема «ABC-XY»
Рис. 6.4 - Подсистема «XY-ABC»
Рис. 6.5 - Подсистема «Teta calculation»
Рис.6.6 - Подсистема «PWM»
Рис. 6.7 - Подсистема «Frez»
6.2 Расчет и определение показателей
качества переходных процессов
При помощи имитационной модели произведем
моделирование переходных процессов, которые соответствуют работе электропривода
при фрезеровании заготовки. При этом из всего времени работы выделим два
участка, которые по времени соответствуют пуску двигателя на холостом ходе (Мхх
= 0,7 Н×м)
до скорости 111 рад/с и моменту начала фрезерования, когда нагрузка резко
увеличивается до значения М = 13 Н×м.
Токи ix и iy измеряются на выходе блока
«ABC-XY», а потокосцепление ротора на выходе блока «Flux calculation».
На рис. 6.8 показан сигнал на выходе регулятора
скорости.
Рис. 6.8
На рис. 6.9 оказан сигнал на выходе регулятора
потокосцепления.
Рис. 6.9
На рис. 6.10 показан ток iy.
Рис. 6.10
На рис. 6.11 показан ток iх.
Рис. 6.11
На рис. 6.12 показано потокосцепление ротора.
Рис. 6.12
На рис. 6.13 показан ток статора.
Рис. 6.13
На рис. 6.14 показан момент двигателя.
Рис. 6.14
На рис. 6.15 показана скорость ротора.
Рис. 6.15
Скорость при пуске отрабатывается с
перерегулированием, равным:
.
Рассмотрим переходные процессы в момент начала
фрезерования, когда происходит резкое увеличение нагрузки.
На рис. 6.16 показан сигнал регулятора скорости.
Рис. 6.16
На рис. 6.17 показан ток iy.
Рис. 6.17
На рис. 6.18 показан ток статора.
Рис. 6.18
На рис. 6.19 показан момент двигателя.
Рис. 6.19
На рис. 6.20 показана скорость ротора.
Рис. 6.20
На рис. 6.21 показана сила при фрезеровании.
Рис. 6.21
На рис. 6.22 показана скорость при фрезеровании.
Рис. 6.22
На рис. 6.23 показан график изменения мощности
резания.
Рис. 6.23
Максимальное отклонение скорости при изменении
нагрузки составляет:
.
6.3 Построение статических
характеристик электропривода
Пропорционально-интегральный регулятор скорости
придает контуру регулирования скорости астатизм, т.е. в установившемся режиме
рассогласование между значениями задания и обратной связи равно нулю. При этом,
учитывая, что регулирование скорости производится в низ от номинальной
скорости, т.е. при постоянстве потокосцепления ротора, то статические
электромеханические (
) и механические (
)
характеристики будут аналогичны. Статические характеристики в относительных
единицах показаны на рис. 6.24.
Рис. 6.24
7. ОКОНЧАТЕЛЬНАЯ ПРОВЕРКА ДВИГАТЕЛЯ
ПО НАГРЕВУ С УЧЕТОМ ТОЧНОЙ НАГРУЗОЧНОЙ ДИАГРАММЫ
Используя имитационную модель, произведем
моделирование цикла обработки, в результате которого получили уточненную
нагрузочную диаграмму (рис. 7.1).
Рис. 7.1
По данной диаграмме произвели расчет
эквивалентного момента за цикл работы, использую формулу:
.
В результате расчета эквивалентный момент
составил 10,6 Н×м.
Максимальное значение момента не превышает 15,5
Н×м.
Таким образом, электродвигатель 4АБ2П100М4ПБ по
нагреву и перегрузочной способности выбран правильно.
8. ВЫБОР И ПРОЕКТИРОВАНИЕ СИСТЕМЫ
АВТОМАТИЗАЦИИ ПРОИЗВОДСТВЕННОЙ УСТАНОВКИ
.1 Формализация условий работы
установки
В работе фрезерных станков можно выделить два
режима: автоматический и наладочный. В автоматическом режиме в соответствии с
управляющей программой производится обработка заготовки. При этом весь процесс
обработки разбивается на несколько этапов. В начале происходит установка и
зажим заготовки на столе. Управляющее устройство проверяет входные сигналы,
разрешающие включение приводов: зажим заготовки, закрытие ограждения и т.п.
После этого управляющее устройство выдает на привода подачи максимальное
задание, что обеспечивает ускоренный подвод заготовки к зоне обработки. По
достижении требуемого значения положения производится включение привода главного
движения и подача смазочно-охлаждающей жидкости (СОЖ). Далее на привода
подается задание соответствующее рабочей скорости. И уже на рабочей подаче
происходит врезание в заготовку и её обработка. После прохождения требуемого
расстояния управляющее устройство выдает команду на привода для отвода
инструмента, а также отключает СОЖ. Далее на ускоренном ходе заготовка
перемещается в зону выгрузки, выключается привод главного движения. Процесс
обработки завершен. При автоматической работе станка могут производиться
технологические остановы, по завершении которых станок продолжает работать в
автоматическом режиме. Во время таких остановов оператор может, например,
производить измерения точности обработки, контролировать состояние режущего
инструмента.
В наладочном режиме управление приводами станка
оператор производит вручную с панели оператора или пульта управления. В этом
режиме производится коррекция управляющей программы. Кроме того, в наладочном
режиме производится тестирование элементов управляющего устройства.
В качестве управляющего устройства фрезерным
станком 6Н81 выбираем устройство числового программного управления (УЧПУ)
2С42-65, которое было разработано для управления сложными станками и
обрабатывающими центрами, оснащенными следящими приводами подачи. УЧПУ
выполнено в электрическом шкафу, в котором размещены следующие части: блок
логический, пульт управления, фотосчитывающее устройство, блок микро-ЭВМ,
силовой блок, блок вентиляторов, панель выходных разъемов. Логический блок
состоит из двух панелей по 30 субблоков.
УЧПУ 2С42-65 может управлять до8 координат.
Одновременное управление с линейной интерполяцией по 4 координатам. Устройство
обеспечивает выдачу аналоговых выходных сигналов в диапазоне ±10В
постоянного тока для управления приводами подач и привода главного движения с
диапазоном преобразования не менее 10000. Количество обменных дискретных
сигналов до 224. Емкость ОЗУ до 48 кбайт, из них 8 кбайт с сохранением
информации. Емкость ППЗУ до 48 кбайт. Питание устройства производится от
трехфазной сети переменного тока. Потребляемая мощность не более 1,5 кВ×А
[19].
8.2 Разработка алгоритма и программы
управления
Управляющая программа (УП) для УЧПУ 2С42-65
строится на основе кода ISO-7bit. УП состоит из кадров, формат, которого
фиксирован. Кадр содержит совокупность закодированных команд необходимых для
выполнения технологической операции. Для составления УП исходными данными
являются: координаты опорных точек, скорость и характер перемещения от точки к
точке. Обработка заготовки производится в плоскости XY. Перемещения в УП задаем
в приращениях. В нашем случае все перемещения линейные. Координаты опорных
точек представлены в таблице 8.1 [20].
Таблица 8.1
|
Переход
|
Координаты
|
Приращения
|
|
начальной
точки
|
конечной
точки
|
|
|
xн
|
yн
|
xк
|
yк
|
DX
|
DY
|
|
0-1
|
1000
|
200
|
1000
|
300
|
0
|
100
|
|
1-2
|
1000
|
200
|
640
|
300
|
-360
|
0
|
|
2-3
|
640
|
200
|
303
|
300
|
-337
|
0
|
|
3-4
|
303
|
300
|
303
|
200
|
0
|
-100
|
|
4-0
|
303
|
300
|
1000
|
200
|
697
|
0
|
Задание рабочей подачи производится в мм/мин, а
скорости вращения шпинделя в об/мин.
На основании изложенных данных составим управляющую
программу для УЧПУ 2С42-65, которая представлена в таблице 8.2.
Таблица 8.2
|
Программа
|
Кодируемая
информация
|
|
%
LF
|
Начало
программы
|
|
N1
G17 G91 G94 LF
|
Задание
плоскости обработки XY, перемещения в приращениях, подача в мм/мин
|
|
N2
S111 LF
|
Задание
скорости вращения шпинделя
|
|
N3
G00 Y+100 LF
|
Позиционирование
по оси Y на 100мм
|
|
N4
G00 X-360 LF
|
Позиционирование
по оси Х на -360 мм
|
|
N4
G01 X-337 F1460 М08 LF
|
Перемещение
по оси Х на -337 мм, подача 1460 мм/мин, включение СОЖ
|
|
N5
G00 Y-100 М09 LF
|
Позиционирование
по оси Y на -100мм, отключение СОЖ
|
|
N6
X+697 LF
|
Позиционирование
по оси X на 697 мм
|
|
N7
S0 F0 LF
|
Стоп
шпинделя
|
|
N8
M02 LF
|
Конец
программы
|
8.3 Разработка функциональной,
логической схемы
Устройство числового программного управления
2С42-65 построено по блочно-магистральному принципу. Вычислительная часть
построена на базе ЭВМ «Электроника-60». УЧПУ содержит две шины обмена данными.
К первой (основной) подключен процессор, логические вычислительные блоки,
интерфейсные блоки ЭВМ высшего ранга, панели оператора и блока отображения
символьной информации (БОСИ). Ко второй подключены блоки, имеющие связь со
станком. Связь между двумя шинами происходит через субблок интерфейса связи со
станком. Обмен дискретными сигналами со станком производится через блок входных
и выходных сигналов. Задание на скорость приводов подач и главного движения
производится через блок ЦАП привода. Расчет скорости привода подач осуществляет
УЧПУ, выполняя тем самым функцию регулятора положения. Составим функциональную
схему связи УЧПУ и станка (рис. 8.1).
Рис. 8.1
8.4 Выбор аппаратов
Для бесконтактного приема или выдачи дискретных
сигналов на станок используем блоки входных и выходных сигналов. Блок входных
сигналов в УЧПУ 2С42-65 реализован на субблоках SB448 и SB900 и обеспечивает
прием до 160 сигналов от станка при организации 16 сигналов на один субблок.
Параметры входных сигналов:
напряжение лог. 1 - U1 = 18 ¸
24В;
напряжение лог. 0 - U0 = 0 ¸
2В;
входной ток не более 20 мА.
Блок выходных сигналов реализован на субблоке
SB475 с организацией 32 сигнала на субблок. Параметры выходных сигналов:
напряжение лог. 1 - U1 £
24В;
напряжение лог. 0 - U0 £
3В;
выходной ток не более 200 мА.
Блоки входных и выходных сигналов обеспечивают
гальваническую развязку.
Для преобразования двоичного кода задания
скорости на регулируемые электропривода используем блок ЦАП, реализованный на
субблоке SB449. В УЧПУ 2С42-65 имеется возможность установки до 4 таких
субблоков. В каждом субблоке расположено по 2 цифро-аналоговых преобразователя.
Для задания скорости используется 13 разрядов и старший разряд - знаковый в 16
разрядном слове данных. Диапазон преобразования сигнала ±10В.
Минимальный шаг преобразования сигнала 1,6 мВ. Дискретность задания линейных
перемещений составляет 0,01 или 0,001 мм в зависимости от используемых
датчиков, а круговых - 0,01°.
УЧПУ 2С42-65 обеспечивает управление следящими
приводами подачи с использованием следующих измерительных преобразователей:
линейных перемещений - ПИЛП1-2А;
круговых перемещений - сельсин БС155А либо
вращающийся трансформатор ВТМ1;
с импульсными линейными и круговыми
фотоэлектрическими измерительными преобразователями фирмы “Хайденхан” (ФРГ).
Внутришаговая погрешность устройства с
измерительными преобразователями не более 25¢. Блок связи с
датчиками перемещений реализован на субблоке SB457.
Для связи УЧПУ с панелью оператора используется
интерфейсный субблок SB055. Вывод символьной информации на дисплей
осуществляется через интерфейс БОСИ, реализованный на субблоках SB780, SB781,
SB782 и SB783.
9. ПРОЕКТИРОВАНИЕ УЗЛА СИСТЕМЫ
АВТОМАТИЗИРОВАННОГО ЭЛЕКТРОПРИВОДА
Преобразователь частоты имеет клеммы для силовых
контактов и информационных сигналов.
На силовые клеммы преобразователя RST подается
напряжение питания. Для исключения опасных ситуаций при срабатывании защиты на
входе ПЧ рекомендуется устанавливать контактор или магнитный пускатель.
Подключение электродвигателя к преобразователю производится к клеммам UVW. При
этом нельзя самостоятельно устанавливать на выходе конденсаторы или
заградительный фильтр. При необходимости установки фильтра в звене постоянного
для улучшения коэффициента мощности используются клеммы P и PD. Для
регенеративного торможения используется тормозной резистор. В преобразователях
мощностью до 15 кВт тормозной резистор расположен внутри ПЧ. Для подключения
внешнего тормозного резистора используются клеммы P и RB. В случае, когда
осуществляется динамическое торможение, к клеммам P и N подключается
соответствующий модуль. Защитное заземление подключается к клемме G,
расположенной на ПЧ.
Установка частоты вращения производится путем
подачи сигнала на один из трех входов О, О1, О2. Вход О является однополярным,
а два остальных - двуполярными. Для выбора направления вращения используются
входы - прямое и обратное вращение. Если эти входы отключить, то двигатель
останавливается. Для задания программируемых функций используются дискретные
входы 1-5.
Схема подключения внешних контактов к клеммам
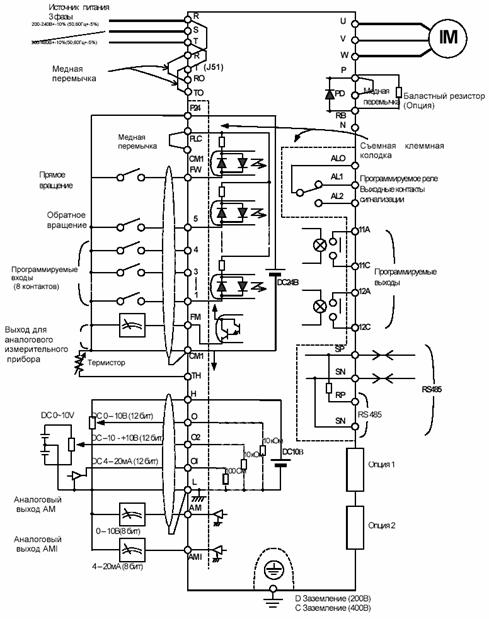
преобразователя частоты показана на рис. 9.1.
Рис. 9.1
10. ПРОЕКТИРОВАНИЕ СХЕМЫ
ЭЛЕКТРОСНАБЖЕНИЯ И ЗАЩИТЫ УСТАНОВКИ
.1 Выбор аппаратов, проводов и
кабелей
электродвигатель кинематический
схема
Аппаратура управления и защиты, устанавливаемая
в системе электропитания, должна обеспечивать: включение и отключение
электроприемников и участков сетей в нормальном режиме работы; надежное
отсоединение электроприемников и линий для резервации и ремонтных работ; защиту
от всех видов коротких замыканий и перегрузки, если она требуется [21, 22].
Для защиты от перегрузки электродвигателей
используются тепловые расцепители или гидравлические замедлители срабатывания,
встроенные в автоматические выключатели, либо тепловые элементы магнитных
пускателей; при защите автоматическими выключателями тепловые элементы в
магнитных пускателях не предусматриваются, если расцепители автоматических
выключателей достаточно чувствительны к токам перегрузки.
Выбор аппаратов управления и защиты в системах
электроснабжения производится с учетом следующих основных требований:
а) напряжение и номинальный ток аппаратов должны
соответствовать напряжению и допустимому длительному току цепи. Номинальные
токи аппаратов защиты выбирают по возможности наименьшими по расчетным токам
отдельных электроприемников, при этом аппараты защиты не должны отключать цепи
при кратковременных перегрузках;
б) аппараты управления должны включать пусковой
ток электроприемника и отключать полный рабочий ток, а также допускать
отключение пускового тока;
в) аппараты защиты по своей отключающей
способности должны соответствовать токам короткого замыкания в начале
защищаемого участка; отключение защищаемой линии или электоприемника должно
осуществляться с наименьшим временем;
г) при коротких замыкания по возможности должна
быть обеспечена селективность работы защитных аппаратов с ниже и выше стоящими
защитными аппаратами; рекомендуется номинальные токи каждого последующего по
направлению тока аппарата защиты принимать на две ступени ниже, чем
предыдущего, если это не приводит к завышению сечения проводов;
д) аппараты защиты должны обеспечивать надежное
автоматическое отключение одно- и многофазных коротких замыканий в сетях с
изолированной нейтралью в наиболее удаленной точке защищаемой цепи.
Сечение проводников питающей и распределительной
сети системы электроснабжения должны выбираться по условию нагревания
электрическим током и механической прочности с последующей проверкой по потере
напряжения.
Выбор сечений проводников по условиям нагрева
электрическим током осуществляется по допустимым токовым нагрузкам на провода и
кабели с учетом условий прокладки.
Сечение жил кабеля, питающего установку
определяем исходя из экономической плотности тока J = 2,0 А/мм2 по выражению:
,
где IS - суммарный ток
установки, по паспортным данным станка IS=14,5А.
.
Выбираем трехжильный кабель с бумажной
пропитанной изоляцией с алюминиевыми жилами, марки ААША сечением жилы 7,5 мм2,
прокладываемый в трубе.
Проверку выбранного провода осуществляем по
длительному току нагрузки Iдл. исходя из условия:
,
где
-
коэффициент поправки на температуру окружающей среды,
;
- поправочный
коэффициент на качество совместно проложенных кабелей,
.
.
Для выбранного кабеля ААШВ с сечением жилы 6
мм2, допустимая токовая нагрузка равна 36 А.
Для электродвигателя привода главного движения
выбираем автоматический выключатель с комбинированным расцепителем типа А3710Б
исходя из формул:
,
,
где Uн.а. и Iн.а. - номинальные напряжение и ток
автомата;н.с. - номинальное напряжение сети;длит. - длительный расчетный ток
линии.
Длительным расчетным током линии, в данном
случае, является номинальный ток двигателя 8,5 А.
~500 В > ~380 В,
А > 8,5 А.
Определяем номинальный ток комбинированного
расцепителя:
,
где Iн. расц. - номинальный ток расцепителя.
Выбираем расцепитель с номинальным током
Iн.расц.=10 А.
Определяем ток уставки (отсечки)
электромагнитного расцепителя:
.
.
.
Принимаем
.
Выбираем электромагнитный пускатель типа П6 с
защитой электродвигателя от токовых перегрузок.
,
~380 В > ~380 В,
Определяем номинальный ток теплового элемента:
,
Выбираем Iн.уст.тепл.= 9 А.
Напряжение катушки реле выбираем Uкат=220 В.
Итак, выбираем электромагнитный пускатель
П6-112У2Б (220-9,0).
10.2 Составление таблицы перечня
элементов электрооборудования производственной установки
Перечень элементов электрооборудования
производственной установки приведен в таблице 10.1.
Таблица 10.1
|
Поз.
обозн.
|
НАИМЕНОВАНИЕ
|
Кол
|
Примечание
|
|
|
|
|
|
А1
|
ПЧ
MICROMASTER Vector
|
1
|
MMV400/3
|
|
А2
|
УЧПУ
2С42-65
|
1
|
|
|
|
|
|
|
KM1
|
Магнитный
пускатель П6-112У2Б
|
1
|
|
|
|
|
|
|
М1
|
Электродвигатель
4АБ2П100М4ПБ
|
1
|
|
|
|
|
|
|
QF1
|
Автоматический
выключатель А3710Б
|
1
|
|
|
|
|
|
|
R1
|
Резистор
тормозной
|
1
|
240
Ом
|
|
|
|
|
|
ХТ1
|
Вилка
РШ2Н-2-22
|
1
|
|
|
|
|
|
11. ОХРАНА ТРУДА
.1 Производственная санитария
В механических цехах производят все виды обработки
металлов, пластмасс и других материалов на металлорежущих станках; при этом
возникает ряд опасных ситуаций.
Вредными физическими производственными
факторами, характерными для процесса резания, являются: повышенная запыленность
и загазованность воздуха рабочей зоны, высокий уровень шума и вибрации,
недостаточная освещенность рабочей зоны, повышенная пульсация светового потока,
наличие прямой и отраженной блеклости. При обработке пластмасс происходит
интенсивное ее нагревание и в воздух рабочей зоны поступает сложная смесь
паров, газов и аэрозолей [23].
В воздух рабочей зоны выделяются также аэрозоли
масел и смазочно-охлаждающих жидкостей (СОЖ). Содержание углеводородов при этом
достигает 150 - 940 мг/м3, аэрозоля масел 7 - 45 мг/м3, загрязнение одежды составляет
800 - 900 мг/дм2.
Концентрация СОЖ и отдельных компонентов, а
также их качественный состав зависят от их расхода, способа подачи,
термостабильности, характера и режим обработки изделия, свойств обрабатываемого
материала, наличия и эффективности санитарно-технических устройств.
К психофизическим вредным производственным
факторам можно отнести физические перегрузки при установке, закреплении и съеме
крупногабаритных деталей, а также перенапряжение зрения и монотонность труда.
К биологическим факторам относятся
болезнетворные микроорганизмы и бактерии, появляющиеся при работе с СОЖ.
Производственные помещения, в которых
осуществляются процессы обработки резанием, должны соответствовать требованиям
СНиП II-89-90 и санитарным нормам проектирования промышленных предприятий СН
245-71. Бытовые помещения должны соответствовать требованиям СНиП II-92-76. Все
помещения должны быть оборудованы средствами пожаротушения по ГОСТ 12.4.009-83.
Стружку (отходы производства) от станков и
рабочих мест следует убирать механизированным способами (таблица 11.1).
Таблица 11.1
|
Вид
стружки
|
Средства
для удаления
|
|
Без
применения СОЖ
|
|
Мелкая
дробленая
|
Одношнековые
транспортеры
|
|
Стальной
вьюн
|
Двухшнековые
транспортеры
|
|
Сыпучая
|
Вибрационные
транспортеры
|
|
Стружка
любого типа
|
Пластинчатый
транспортер
|
|
С
применением СОЖ
|
|
Элементная
чугунная
|
Скребковые
транспортеры
|
|
Элементная
стальная
|
Скребковые
и одношнековые транспортеры
|
|
Элементная
и вьюн цветных металлов
|
Пластинчатые
транспортеры, гидротранспортеры
|
|
Стальной
вьюн
|
Двухшнековые
и пластинчатые транспортеры
|
Периодичность замены СОЖ устанавливаться по
результатам контроля ее содержания, но не реже одного раза в шесть месяцев при
лезвийной обработке, одного раза в месяц при абразивной обработке для масляных
СОЖ и одного раза в три месяца для водных СОЖ. Очистку емкостей для
приготовления СОЖ, трубопроводов и систем подачи следует проводить один раз в
шесть месяцев для масляных и один раз в три месяца для водных СОЖ.
Стружка и пыль магниевых и титановых сплавов
хранятся в закрытой металлической таре. При наличие специальных помещений
стружку и пыль магниевых сплавов (кроме магний-литиевых) можно хранить в
открытой таре. В местах хранения стружки имеются средства пожаротушения.
При выборе и расчете освещения производственного
участка руководствуются нормами проектирования производственного освещения СНБ
2.04.05-98 [3], в которых задаются как количественные (величина минимальной
освещенности), так и качественные характеристики (показатель ослепленности и
дискомфорта, глубина пульсации освещенности) искусственного освещения.
Наиболее распространены три типа источника
света: лампы накаливания, люминесцентные лампы и газоразрядные лампы высокого
давления. Преимущество ламп накаливания состоит в том, что они включаются в
сеть без дополнительных пусковых приспособлений. Однако имеют относительно
низкую световую отдачу. Газоразрядные лампы высокого давления отличаются
высокой световой отдачей и компактностью, однако, имеют сложную схему включения
и невысокий срок службы.
Электроосвещение обеспечивает равномерную
освещенность не менее 100 лк. Применение открытых электрических ламп не
допускается. Наблюдение за состоянием арматуры и светильников возлагается на
лиц, выделенных для этой цели.
Для освещения данного автоматизированного
рабочего места наиболее подходят люминесцентные лампы. Эти лампы имеют высокую
световую отдачу (до 75 лм/Вт), большой срок службы (до 10000 ч), лучшую, чем у
ламп накаливания цветопередачу, относительно малую яркость (хотя и создают
ослепленность).
Станки являются источниками шума. Шум -
совокупность звуков, различных по частоте и интенсивности, вредно влияющих на
организм человека. Степень повреждения органов слуха зависит от уровня звука и
его продолжительности и от индивидуальной чувствительности человека. Одним из
источников производственного шума являются металлорежущие станки. В зависимости
от типа металлорежущего оборудования, мощности его приводов, интенсивности
стабильности процесса резания уровни звука, создаваемые на расстоянии 1 м от
ограждающих поверхностей, составляют 60 - 110 дБ (А). При типовых условиях
эксплуатации станков верхний предел этого диапазона 90 дБ (А). Спектр шума
станков обычно имеет максимум, расположенный в диапазоне частот 500 - 2000 Гц.
Большинство станков при надлежащем качестве изготовления имеют шумовые
характеристики, удовлетворяющие санитарным нормам без применения дополнительных
мер по снижению шума. К основным источникам шума в металлорежущем станке можно
отнести:
зубчатые передачи, входящие в приводы главного и
вспомогательного движений;
гидравлические агрегаты;
электродвигатели;
процесс резания.
Шум станков снижают в источнике возникновения
уменьшением передачи колебаний энергии от источника к излучателям шума,
демпфированием излучателей и строительно-аккустическими мероприятиями. Для
уменьшения влияния на общий уровень шума отельные агрегаты, устанавливаемые на
станок виброизолируются от упругой системы станка. Это же относится и к
электрошкафам, устанавливаемым на станке, которые сами не являются источниками
колебаний, но, имея большую площадь поверхности, интенсивно излучают шум.
11.2. Техника безопасности
Основным опасным производственным фактором на
данном рабочем месте является электрический ток [24].
Электрооборудование на данном рабочем месте
(ДРМ) оснащается пусковой аппаратурой, исключающей самопроизвольное включение
при восстановлении внезапно исчезнувшего напряжения независимо от положения
органов управления к этому моменту.
Поскольку питание электрооборудования тянущего
устройства осуществляется на напряжении 380В, то существует опасность поражения
электрическим током. Поэтому необходимо применение защитного зануления
электрооборудования тянущего устройства. Зануление - это преднамеренное
электрическое соединение с нулевым защитным проводом нетоковедущих частей,
которые могут оказаться под напряжением.
Отключение поврежденной установки тянущего
устройства от питающей сети произойдет, если значение тока однофазного
короткого замыкания IК, которое искусственно создается в цепи, превысит
значение тока срабатывания защитного аппарата Iном и выполнит следующее
условие:
,(11.1)
гдеk = 1,25 - коэффициент кратности тока;ном =
10 - номинальный ток плавких вставок предохранителей, защищающих двигатель, А.
Таким образом, из (11.1) следует:
.
Выбираем нулевой защитный проводник стальной,
активное сопротивление которого
, индуктивное
сопротивление
.
Определяем полное сопротивление петли
«фаза-нуль»:
,(11.2)
где Rф - активное сопротивление фазного и
защитного проводника,ф = 0,9 Ом;
Хф - внутреннее индуктивное сопротивление
фазного проводника,
Хф = 0,03 Ом;
Хп - внешнее индуктивное сопротивление петли
«фаза-нуль»,
Хп = 0,02 Ом.
.
Находим действующее значение тока однофазного
короткого замыкания, проходящего в схеме в аварийном режиме,
,(11.3)
гдеUф - фазное напряжение, Uф = 220В;П - полное
сопротивление петли «фаза-нуль»;Т - полное сопротивление трансформатора, ZТ =
3,5Ом.
.
Таким образом, условие (11.1) выполняется, что
означает: отключающая способность системы зануления обеспечена, и нулевой
защитный проводник выбран правильно.
Для персонала, обслуживающего автоматизированное
рабочее место разработаны и утверждены в установленном порядке инструкции по
охране труда, в которых приводят обязанности обслуживающего персонала,
безопасные приемы и методы работы при обучении, наладке и ремонте, формы
организации контроля за мероприятиями и средствами обеспечения безопасности,
рациональные режимы труда и отдыха персонала, обслуживающего данное ДРМ.
Для обеспечения эксплуатации применяются
следующие меры:
сначала обслуживающий персонал ознакамливается с
общими требованиями безопасности, в которых указываются назначение и
характеристики ДРМ, характеристика опасных и вредных производственных факторов,
действующих на работающих, требования по обеспечению взрыво- и
пожаробезопасности, условия допуска лиц к выполнению работы, а также
ответственность работающего за нарушение требований инструкции, затем
ознакамливается с требования безопасности перед началом работы. В частности
рабочий должен проверить исправность оборудования, ограждений, сигнализации,
блокировочных и других устройств, защитного заземления, вентиляции, провести
тестовую проверку функционирования частей ДРМ. Особое внимание при этом
уделяется блокировочным устройствам, которые срабатывают в соответствии с
электрической схемой. Потом он должен усвоить требования безопасности во время
работы, в которых указываются способы и приемы безопасного выполнения работ,
правила использования технологического оборудования, а также требования
безопасности в аварийных ситуациях, в которых отражаются порядок безопасного
отключения и действия персонала при возникновении опасных, критических и
аварийных ситуаций, которые могут сформировать несчастный случай или аварию.
Также персонал необходимо ознакомить с
требованиями безопасности по окончанию работы. В этих требованиях указывается
порядок отключения ДРМ, записей в журнале о техническом состоянии, передачи ДРМ
по смене. При этом каждый должен владеть требованиями безопасности, безопасными
приемами и методами работы при обучении, проведении наладочных, ремонтных и
профилактических работ, требованиями к организации контроля за безопасной
работой.
11.3 Пожарная безопасность
В соответствии с НПБ 5-2000 данное производство
по пожарной, взрывной и взрывопожарной опасности можно отнести к категории Д.
Категория Д - это производства, в которых обрабатываются негорючие вещества и
материалы в холодном состоянии. Согласно с НПБ 5-2000 здание, в котором
предполагается размещение данного рабочего места, можно отнести ко II степени
огнестойкости. Согласно указанному БНБ 2.02.02-01 допускается использовать один
эвакуационный выход, если число работающих соответствует приведенному в таблице
11.2.
Таблица 11.2
|
Степень
огнестойкости здания
|
Предельное
число эвакуируемых человек с одного этажа здания при числе этажей
|
|
2
|
3
|
4
и более
|
|
II
|
70
|
35
|
15
|
Ширина эвакуационного прохода составляет не
менее 1 м., коридор или переход в другое здание - не менее 1,4 метра. Ширина
лестничных маршей не менее ширины выхода на лестничную площадку с наиболее
населенного этажа, но не менее 1 метра. Максимальное расстояние от наиболее
удаленного рабочего места до эвакуационного выхода составляет 50 метров.
В качестве способа предотвращения
распространения огня, здание оборудовано огнестойкими противопожарными
перегородками 1 типа.
Помещение, в котором располагается РТК
оборудовано первичными средствами пожаротушения. В качестве таких средств можно
применять углекислотные и порошковые огнетушители, предназначенные для тушения
различных материалов установок под напряжением до 1000В (например, ОУ-2,
ОПС-10, ОП-1).
Переносной порошковый огнетушитель ОП-1
“Спутник” предназначенный для тушения небольших загораний, состоит из корпуса,
сетки и крышки. Все детали изготовлены из полиэтилена. Для приведения его в
действие необходимо отвернуть крышку на горловине, взять огнетушитель за нижнюю
часть корпуса, подойти к месту загорания, опрокинуть огнетушитель горловиной
вниз и встряхнув его, высыпать порошок в очаг горения.
Ручной огнетушитель ОУ-2 представляет собой
стальной баллон, в горловину которого ввернут на конусной резьбе вентиль с
сифонной трубкой. Запорный вентиль имеет предохранительную мембрану, раструб
огнетушителя ОУ-2 присоединен к корпусу вентиля шарнирно. При тушении загораний
раструб огнетушителя ОУ-2 направляют на горящий объект и поворачивают маховичок
вентиля до упора.
12. ЭКОНОМИЧЕСКОЕ ОБОСНОВАНИЕ
ТЕХНИЧЕСКИХ РЕШЕНИЙ
Расчет технико-экономических показателей
осуществляется на основе анализа сравнительных технических данных двух
альтернативных систем электропривода. Экономическая оценка базируется на
принципе минимальных расходов: минимальных начальных затрат, эксплуатационных
затрат, затрат электроэнергии, затрат связанных с вынужденным простоем
электрооборудования [25]. По техническим соображениям принят комплектный
электропривод переменного тока фирмы Siemens типа MicroMasterVector. До
модернизации был установлен асинхронный электродвигатель с коробкой скоростей.
Технические данные электрооборудования сравниваемых систем приведены в таблице
12.1.
Таблица 12.1
|
Параметры
|
Базовый
вариант
|
Проектируемый
вариант
|
|
Тип
двигателя
|
4А112М4У3
|
4АБ2П100М4ПБ
|
|
Мощность,
кВт
|
5,5
|
4
|
|
к.п.д.,
%
|
85,5
|
85
|
|
Частота
вращения, об/мин
|
1450
|
2870
|
|
Тип
преобразователя
|
-
|
MMV400/3
|
|
Мощность
преобразователя, кВт
|
-
|
4
|
|
к.п.д.
преобразователя, %
|
-
|
0,98
|
|
Передаточный
механизм
|
Коробка
скоростей
|
Редуктор
|
Наиболее дорогостоящими составляющими
электропривода являются двигатель, преобразователь и передаточный механизм.
Таким образом, сметная стоимость электропривода для базового варианта:
,
где Кдв1 - стоимость электродвигателя 4А100L4У3,
Кдв1 = 425000 руб.,
Кпра - стоимость пускорегулирующей аппаратуры,
Кпра1 = 775000 руб.,
Ккс - стоимость коробки скоростей, Ккс = 1535000
руб.
.
Для проектируемого варианта:
,
где Кдв2 - стоимость электродвигателя
4АБ2П100М4ПБ, Кдв2 = 365000 руб.,
Кпр - стоимость преобразователя Siemens, Кпр =
3120000 руб.,
Кр - стоимость редуктора, Кр = 570000 руб.
Кпра - стоимость пускорегулирующей аппаратуры,
Кпра1 = 374000 руб.,
.
Стоимость монтажных работ вычисляется отдельно
для электропривода и рабочего механизма. Для электропривода эту величину можно
принять равной 6% от стоимости электропривода, для рабочего механизма - 5%
стоимости электропривода. Таким образом, стоимость монтажных работ:
для базового варианта:
.
для проектируемого варианта:
.
Транспортно-заготовительные работы, составляют
2% от суммы стоимости электропривода и стоимости монтажных работ
для базового варианта:
.
для проектируемого варианта:
.
Плановое накопление монтажной организации
составляют 10% от стоимости монтажных работ
для базового варианта:
.
для проектируемого варианта:
.
Для наглядности выполненный расчет капитальных
вложений для обоих вариантов сведем в таблицу 12.2
Таблица 12.2
|
Источник
затрат
|
Базовый
вариант
|
Проект.
вариант
|
|
Электродвигатель,
руб.
|
425000
|
370000
|
|
Преобразователь,
руб.
|
-
|
3120000
|
|
Пускорегулирующая
аппаратура, руб.
|
775000
|
374000
|
|
Механическая
передача, руб.
|
1535000
|
570000
|
|
Монтажные
работы, руб.
|
300850
|
487190
|
|
Транспортно-
заготовительные работы, руб.
|
60717
|
98324
|
|
Плановые
накопления монтажной организации, руб.
|
30085
|
48719
|
|
Суммарные
капитальные вложения, руб.
|
3126652
|
5068233
|
При расчете эксплуатационных затрат важное
значение имеет величина периода, за который производится расчет. При сравнении
приводов ограничимся периодом 20 лет.
Затраты на электроэнергию определяются
количеством энергии, потребляемой за год, номинальной мощностью двигателей, а
также тарифной ставкой на электроэнергию. Для расчета энергии, потребляемой за
год, нужно знать суммарное время работы электропривода за год, которое
определяется коэффициентом использования:
,
где ПВ - продолжительность включения установки,
о.е.;раб.см - продолжительность работы установки за смену, tраб.см = 8 ч;см -
число рабочих часов за смену, tсм = 8 ч.
.
Определим число рабочих часов установки за год:
,
где Траб.см. - число рабочих дней в году,
Траб.см. = 365;см - число смен в сутки, nсм = 2;
.
Определим энергию, потребляемую за год
для базового варианта:
,
где Рндвх, hх - номинальные
параметры двигателя, таблица 12.1;
.
для проектируемого варианта:
.
Таким образом, затраты на электроэнергию за 20
лет эксплуатации
для базового варианта:
;
где Стс - тарифная ставка, Стс = 87,34 руб/кВт×ч;
.
для проектируемого варианта:
.
Амортизационные отчисления составляют 9,5% от
сметной стоимости электропривода. Тогда для обоих вариантов:
;
;
.
Плановая продолжительность ремонтного цикла
(ремонтный цикл - наработка электрического оборудования, выраженная в годах
календарного времени между двумя капитальными плановыми ремонтами) для
асинхронного двигателя:
;
где Ттабл.дв. - продолжительность ремонтного
цикла для электродвигателя, Ттабл.дв. = 9 лет;
bр - коэффициент, определяемый сменностью работы
оборудования, bр = 2; bо - коэффициент,
учитывающий уменьшение ремонтного цикла машин, отнесенных к категории основного
оборудования, bо = 0,85;
.
Для преобразователя частоты:
;
где Ттабл.пч. - продолжительность ремонтного
цикла для преобразователя частоты, Ттабл.пч. = 6 лет.
.
Для редуктора:
;
где Ттабл.р. - продолжительность ремонтного
цикла для редуктора, Ттабл.р. = 5 лет.
.
Для коробки скоростей:
;
где Ттабл.кс. - продолжительность ремонтного
цикла для коробки скоростей, Ттабл.кс. = 5 лет.
.
Наработка энергетического оборудования,
выраженная в месяцах календарного времени между двумя плановыми ремонтам, для
асинхронного электродвигателя:
.
Для преобразователя частоты:
.
Для редуктора:
Для коробки скоростей:
По полученным величинам можно рассчитать
количество капитальных и текущих ремонтов в расчете за 1 год. Количество
капитальных ремонтов в год составляет:
;
;
;
.
Количество текущих ремонтов за один год
определяется аналогично:
,
,
,
.
По заданному количеству ремонтов в год, а также
по заданной норме трудоемкости определяется годовая трудоемкость ремонтов.
Годовая трудоемкость электрических машин рассчитывается по формуле:
,
где Нк.р.ад - норма трудоемкости капитальных
ремонтов для двигателя, Нк.р.ад = 32 человеко-часов;
Кw - поправочный
коэффициент, учитывающий частоту вращения электродвигателя, Кw
= 1,1.
.
Для преобразователя частоты:
.
Для редуктора:
.
Для коробки скоростей:
.
Годовая трудоемкость текущих ремонтов для
соответствующих типов определяем аналогично трудоемкости капитальных ремонтов:
.
.
.
.
Для пускорегулирующей аппаратуры годовая
трудоемкость капитального (текущего) ремонта принимается равной 25% от
трудоемкости капитального (текущего) ремонта двигателя.
Трудоемкость технического обслуживания
оборудования принимается равной 10% от нормы трудоемкости текущего ремонта
оборудования без учета поправочных коэффициентов.
Для удобства сравнения выполненный расчет
трудоемкости ремонта и технического обслуживания для обоих вариантов сведен в
таблицу 12.3.
Таблица 12.3
|
Тип
оборудования
|
Базовый
вариант
|
Проект.
вариант
|
|
Годовая
трудоемкость капитальных ремонтов, человеко-часы
|
|
Электродвигатель
|
2,4
|
2,4
|
|
Преобразователь
|
-
|
8,4
|
|
Пускорегулирующая
аппаратура
|
0,6
|
0,6
|
|
Механическая
передача
|
16,8
|
12,4
|
|
Годовая
трудоемкость текущих ремонтов, человеко-часы
|
|
Электродвигатель
|
3,82
|
3,82
|
|
Преобразователь
|
-
|
2,13
|
|
Пускорегулирующая
аппаратура
|
0,95
|
0,95
|
|
Механическая
передача
|
15,4
|
12,1
|
|
Годовая
трудоемкость технического обслуживания, человеко-часы
|
|
Электродвигатель
|
22,8
|
22,8
|
|
Преобразователь
|
-
|
|
Пускорегулирующая
аппаратура
|
6,8
|
5,7
|
|
Механическая
передача
|
98,8
|
55,8
|
|
Суммарная
трудоемкость эксплуатации оборудования:
|
168,37
|
155,5
|
По известной годовой трудоемкости эксплуатации
оборудования, учитывая тарифную ставку ремонтного рабочего, а также
соответствующие налоги, можно определить затраты на заработную плату ремонтных
рабочих за 20 лет:
для базового варианта:
,
где Стар - часовая тарифная ставка ремонтного
рабочего (по 4-му разряду), Стар = 1003,4 руб/ч;
Снал - коэффициент, определяющий затраты на
выплату налогов в связи с начислением зарплаты:
% - чернобыльский налог,
% - начисление на содержание,
% - фонд социальной защиты населения,
% - фонд занятости населения,
% - начисление на премирование,
% - начисление на выплату дополнительной
зарплаты.
ТS - суммарная
трудоемкость эксплуатации оборудования.
.
Для проектируемого варианта:
.
Стоимость материалов для ремонта и обслуживания
принимается равной 100% от основной заработной платы ремонтных рабочих без
учета выплаты налогов:
для базового варианта:
.
Для проектируемого варианта:
.
Общецеховые расходы принимаются равными 100% от
основной заработной платы без учета налогов, т.е.:
;
.
Общезаводские расходы принимаются равными 50% от
основной заработной платы без учета налогов:
;
.
Таким образом, найдены все величины, необходимые
для определения годовых эксплуатационных расходов для обоих вариантов. Полные
же затраты определяются как сумма капиталовложений и годовых эксплуатационных
расходов.
Полученные показатели сравниваемых вариантов
приведены в таблице 12.4.
Таблица 12.4
|
Наименование
|
Обозначение
|
Базовый
вариант
|
Проектируемый
вариант
|
|
Номинальная
мощность двигателя, кВт
|
Рном
|
5,5
|
4
|
|
Номинальный
к.п.д. двигателя, %
|
hном.дв.
|
85,5
|
85
|
|
Номинальный
к.п.д. преобразователя, %
|
hном.пч.
|
-
|
98
|
|
Капиталовложения,
руб.
|
К
|
3126652
|
5068233
|
|
Амортизационные
отчисления, руб.
|
Са
|
5196500
|
8415100
|
|
Плата
за потребляемую электроэнергию, руб.
|
СЭ
|
45486148
|
33275492
|
|
Заработная
плата ремонтных рабочих, руб.
|
СЗП
|
2703079
|
2496459
|
|
Стоимость
материалов для ремонта ЭП, руб.
|
Смат
|
3378848
|
3120574
|
|
Цеховые
расходы, руб.
|
Сц
|
3378848
|
3120574
|
|
Общезаводские
расходы, руб.
|
СЗ
|
1689424
|
1560287
|
|
Суммарные
эксплуатационные расходы, руб.
|
СS
|
61832847
|
51988486
|
|
Полные
затраты, руб.
|
Сi
|
64959499
|
57056719
|
ЗАКЛЮЧЕНИЕ
В данном дипломном проекте проведен расчет
автоматизированного электропривода главного движения универсально фрезерного
станка модели 6Н81. В ходе работы проведен анализ технологического процесса и
рассмотрена работа привода шпинделя. Сформулированы требования к электроприводу
главного движения. Рассмотрены основные типы приводов, которые в настоящее
время находят применение в металлорежущих станках. Исходя из этого, была
выбрана система электропривода: в замен нерегулируемого АД с коробкой скоростей
выбрали систему ПЧ-АД с векторным управлением. В результате расчета режимов
резания для типовой детали выбрали электродвигатель мощностью 4 кВт. Выбрали
комплектный преобразователь MIDIMASTER Vector фирмы Siemens (Германия).
Разработали математическую модель автоматизированного электропривода, по
которой произвели синтез регуляторов системы управления. По математической
модели составили в среде MATLAB/Simulink имитационную модель, по которой
произвели расчет переходных процессов и построение уточненной нагрузочной
диаграммы. В результате моделирования определили, что величина
перерегулирования скорости во время пуска и изменения нагрузки не превышает 3%.
Также были рассмотрены мероприятия по обеспечению охраны труда при эксплуатации
фрезерного станка 6Н81. Кроме того, было проведено экономическое обоснование
выбранного технического решения.
Список
использованной литературы
1. Электрооборудование
промышленных предприятий и установок / Е.Н. Зимин, В.И. Преображенский, И.И.
Чувашов: Учебник для техникумов. - 2-е изд. перераб. и доп. - М.: Энергоиздат,
2001. - 552 с.
2. А.И.
Кочергин. Конструирование и расчет металлорежущих станков и станочных
комплексов. Мн.: Выш. шк., 2001. - 382 с.
. Электроприводы
унифицированные реверсивные трехфазные серии ЭПУ 1-2. Техническое описание и
инструкция по эксплуатации ИГФР.
. Электроприводы
регулируемые для станкостроения и робототехники. Общие технические требования:
ГОСТ 27803-88.
. Электроприводы
главного движения металлообрабатывающих станков с ЧПУ / Г.И. Андреев, М.А.
Босинзон, А.И. Кондриков. - М.: Машиностроение, 2009. 152 с.
. Рудаков
В.В., Столяров И.М., Дартау В.А. Асинхронные электроприводы с векторным
управлением. - Л.: Энергоатомиздат. Ленингр. отд-ние, 2007. - 136 с.
. Сандлер
А.С. Электропривод и автоматизация металлорежущих станков. - М.:
Машиностроение, 2002.
. Аршинов
В.А., Алексеев Г.А., Резание металлов и режущий инструмент. - М.:
машиностроение, 2006.
. Справочник
технолога-машиностроителя. В 2-х томах. Т.1.: Под ред. А.Г. Косиловой и Р.К.
Мещерякова. - М.: Машиностроение, 2005.
. Справочник
по электрическим машинам: В 2 Т. / под общей ред. И.П. Копылова. - Т1. М.:
Энергоиздат, 2008. - 456.
. Асинхронные
двигатели серии 4А: Справочник / А.Э. Кравчик, М.М. Шлаф. - М.: Энергоиздат,
2002. - 382с.
. Ковчин
С.А., Сабинин Ю.А. Теория электропривода: Учебник для вузов. - СПб.:
Энергоатомиздат. Санкт-Петербургское отд-ние, 2000. - 496с.
. Каталог
Siemens Automation and Drives СА 01.
. Анхимюк
В.А., Опейко О.Ф., Михеев Н.Н. Теория автоматического управления. - Мн.: Дизайн
ПРО, 2000. - 352 с.
. Башарин
А.В., Новиков В.А., Соколовский Г.Г. Управление электроприводами. - Л.:
Энергоиздат, 1998.
. Анхимюк
В.Л., Опейко О.Ф. Проектирование систем автоматического управления
электроприводами. - Мн.: Выш. шк., 2006. - 143 с.
. Потемкин
В.Г., Рудаков П.И. MatLAB 5 для студентов. - 2-е изд. испр. и дополн. - М.:
ДИАЛОГ-МИФИ, 1999. - 448 с.
. Устройство
ЧПУ 2С42-65. Техническое описание.
. Петренко
Ю.Н. Системы программного управления технологическими комплексами. Учебн.
пособие. Мн.: «ПИОН», 2002. - 300 с.
. Электротехнический
справочник. В 3-х т. Т. 3.: Под общ. ред. Профессоров МЭН: И.Н. Орлова и др. -
М.: Энергоатомиздат, 1998. - 616с.
. Электрический
справочник. В 3-х т. Т. 2. Электротехнические устройства / Под общ. ред. Проф.
МЭН В.Г. Герасимова, Л.А. Кунова и др. - М.: Энергоиздат, 2001. - 640 с.
. Охрана
труда в электроустановках: Учеб. Для вузов / Под ред. Б.А. Князевского - 3-е
изд., перераб. И доп. - М.: Энергоатомиздат, 2003.
. Долин
П.А. Основы техники безопасности в электроустановках: Учебное пособие для
вузов. - 2-е изд., перераб. и доп. - М.: Энергоатомиздат, 2004. - 448 с.
. Федоров
О.В., Карпович Э.А. Основы технико-экономического выбора электропривода
промышленных установок: Монография. - Нижний Новгород: Издательство НГУ, 2001.