Преобразователь системы ТП-Д

  • Вид работы:
    Курсовая работа (т)
  • Предмет:
    Информатика, ВТ, телекоммуникации
  • Язык:
    Русский
    ,
    Формат файла:
    MS Word
    691,97 Кб
  • Опубликовано:
    2015-02-19
Вы можете узнать стоимость помощи в написании студенческой работы.
Помощь в написании работы, которую точно примут!

Преобразователь системы ТП-Д




 

 

 

 

 

 

 

 

 

 

Курсовая работа

Преобразователь системы ТП-Д



Оглавление

Исходные данные

Введение

. Выбор схемы преобразователя

. Электрический расчет силового трансформатора

. Выбор вентилей

. Расчет основных параметров сглаживающего и уравнительного реакторов

. Расчет механических характеристик

. Выбор СИФУ

Заключение

Библиографический список

Приложения

Исходные данные

Таблица 1. Исходные данные для расчёта. Вариант 26

PN, кВт

UяN, В

IяN, А

nN, об/мин

Rя.дв., мОм

t°, °C

Кл. из.

Lя, мГн

λI

tп, с

Iя(p), %

Доп требов.

36

220

192

575

54

20

Н

 -

2,4

60

7

4

PN - мощность двигателя- напряжение якоря номинальное- ток якоря номинальный- скорость вращения двигателя номинальнаяЯ - сопротивление якоря- класс изоляции обмоток якоря

λ - индуктивность якорной цепи двигателя LЯ = 2,7 мГн, допустимая перегрузкаП - время перегрузки(p)* - величина пульсации токаЯ.ГР.MAX* - величина зоны граничного тока якоря

Дополнительное требование: 4 - максимальное напряжение на якоре должно быть до 1,3 UяN

 


Введение


Сначала выбираем пульсность схемы исходя из мощности привода и дополнительных требований. Чем больше пульсность, тем короче интервал повторяемости и тем выше быстродействие привода, но выше стоимость. Выбираем оптимальный вариант: пульсность p = 6 для мощностей 0,5-2000 кВт.

Выбираем мостовую трехфазную схему, так как она обладает значительными достоинствами по сравнению с нулевыми схемами прежде всего сточки зрения использования тиристоров и трансформаторного оборудования.

Выполняем реверсивный преобразователь двухкомплектным по встречно-параллельной схеме, потому что при этой схеме габаритные размеры трансформаторного оборудования получаются существенно меньшими, чем при перекрестной схеме.

На основании технических данных двигателя постоянного тока и требований к электроприводу выполнить электрический расчет тиристорного выпрямительно-инверторного преобразователя (управляемого выпрямителя) и его системы управления, рассчитать характеристики разомкнутой системы ТП-Д. Преобразователь выполняется на нестандартное выходное напряжение и на стандартный ток, реверсивным с раздельным управлением, если нет дополнительных указаний.

. Выбор схемы преобразователя

Рисунок 1. Схема силовой цепи мостового трехфазного шестипульсного преобразователя

Рисунок 2. - Принципиальная схема реверсивного тиристорного преобразователя, работающего на двигатель постоянного тока.

. Электрический расчет силового трансформатора

Электрический расчет выполняется с целью определения необходимых параметров трансформатора, от которых зависят свойства и характеристики преобразователя и привода.

)        Выбираем номинальный выпрямленный ток преобразователя из стандартного ряда по ГОСТ 6827-76, он должен превышать номинальный ток двигателя (I яN =192 А).

Примем IdN = 200 А.

)        Номинальный вторичный ток трансформатора:

I2N = k2IdN

где коэффициент линейного вторичного тока трансформатора k2 ≈ 0,816 из табл. 1

N = 0,816∙200 = 163,2 А.

)        Предварительно находим RЯ - сопротивление якорной цепи двигателя при расчетной рабочей температуре

Я = ktRя.дв.

где kt - коэффициент увеличения сопротивления при нагреве обмотки до расчетной рабочей температуры 75°С из табл. 1, kt = 1,38.

 мОм.

)        После чего находим kR - коэффициент, учитывающий падение напряжения на внутренних сопротивлениях преобразователя и дросселей определяется по формуле


где RПЭ* - эквивалентное активное сопротивление преобразователя в относительных единицах, которое включает сопротивление обмоток трансформатора и сопротивление, обусловленное коммутацией вентилей предварительно принимаем

RПЭ* = Rя·(IяN /UяN) = 74,52 (192/220) = 0,065 о.е.


)        Определяем необходимое номинальное вторичное напряжение трансформатора из требуемой наибольшей ЭДС преобразователя

,

где- коэффициент, учитывающий возможное снижение напряжения сети, примем kС = 0,9;

принимаем  - минимальный угол управления;

коэффициент корректировки величины максимального напряжения преобразователя:

,

Принимаем, так как в дополнительных условиях указано, что максимальное напряжение на якоре должно быть до 1,3 UяN.

В, В

Т.к. U2N отличается от стандартного сетевого 220 В не более чем на 20%, то принимаем безстрасформаторное питание через токоограничивающие реакторы.

)        ЭДС преобразователя при номинальных напряжениях и угле управления a=0

 В

)        Типовая мощность трансформатора:


где  - коэффициент типовой мощности из табл. 1

Принимаем питание первичной обмотки трансформатора 380 В из таблицы стандартных значений напряжений первичных обмоток (табл. 2.).

)        Действующее значение линейного первичного тока:


Где k1 =0,816 - коэффициент линейного тока первичный

)        Индуктивное сопротивление токоограничивающих реакторов:


)        Индуктивное сопротивление, которое вносится в цепь выпрямленного тока:


)        Активное сопротивление токоограничивающего реактора:


)        Активное сопротивлени, которое вносится в цепь якоря :


13)    Вносимая в цепь постоянного тока индуктивность преобразователя:

 - угловая частота.

. Выбор вентилей

В ходе проектирования выбираются типы вентилей и их класс по напряжению. Тип полупроводникового вентиля определяется средним выпрямленным током и требуемой перегрузочной способностью, а класс - максимальными повторяющимися (мгновенными) напряжениями.

Сначала выбираем способ охлаждения. Выбираем принудительное воздушное охлаждение, чтобы обеспечить условие допустимой перегрузки по току.

)        Средний ток тиристора определяется по выражению:


где nш - количество вентилей в преобразователе, исключая параллельное и последовательное соединения, т.е. подсоединенных к одной выходной шине nш = 3;

 А.

Предварительно выбираем тиристор с предельным током в 6-10 раз превышающим его средний ток при естественном охлаждении

Т133-400(TO) =1,05 B - пороговое напряжение тиристора в открытом состоянии= 0,00068 Oм - дифференциальное сопротивление тиристора в открытом состоянии= 0,137оС/Вт - тепловое сопротивление переход - охлаждающая среда с определенным охладителем, применяется принудительное охлаждение (V= 6 м/с)= 125oC - максимально допустимая температура p-n перехода= 50oC - температура окружающей средыф =  - коэффициент формы тока тиристора

Класс вентилей: 4 - 16

)        Максимально длительно допускаемый средний ток тиристора:



3)      Определяем коэффициент запаса по току:

.

)        При номинальном токе установившаяся температура p-n перехода при номинальном токе:

°С

где мощность рассеяния тиристора в открытом состоянии при номинальном токе преобразователя


)        Максимально допустимая мощность рассеяния, при которой за время перегрузки (60с) температура перехода достигает максимально допустимой величины:

,

Где (т.к. длительность перегрузки 60 с) - Переходное тепловое сопротивление

)        Максимально допустимый ток предварительно нагретого тиристора за время перегрузки:


)        Максимально допустимый ток перегрузки преобразователя с полуторократным запасом:

573,095

Условие допустимой перегрузки по току:

Я.MAX = λ·IЯN ≤ Id60m,

,4 ·192 = 460,8А ≤ 573,095 А - условие выполняется.

)        Максимальное импульсное рабочее напряжение:


где kсп=1,1 - коэффициент, учитывающий возможное повышение напряжения в сети

)        Определим класс вентилей по формуле:


Класс вентилей = 14

4. Расчет основных параметров сглаживающего и уравнительного реакторов

)        Рассчитаем индуктивность якорной цепи двигателя:


где CL=2 - постоянная, для компенсированных тихоходных двигателей

pп=2- число пар полюсов двигателя (для номинальной частоты вращения двигателя n=575 об/мин),

2)      Допустимая величина тока якоря в относительных единицах:


3)      Индуктивность сглаживающего реактора:


Где  - относительная величина ЭДС низшей гармоники преобразователя для p = 6 из табл. 4


Отсюда следует, что сглаживающие реакторы не требуются, так как индуктивность, имеющаяся в цепи уже способна ограничить эти токи. .

4)      Максимальный граничный ток (при α = 90°):


где коэффициент граничного тока  из табл. 4, индуктивность цепи якоря

 Гн.

5)      Для ограничения скорости нарастания тока короткого замыкания, необходимая индуктивность сглаживающего реактора вычисляется по формуле

о.к.з.= ,

Где= 7 кА - допускаемое значение ударного неповторяющегося тока тиристора в открытом состоянии при длительности протекания 10 мс и максимально допустимой температуре перехода; LУР - индуктивность уравнительного дросселя.

УР = 0,1·IЯN = 0,1·192 = 15,9 А.

Ошибка! Закладка не определена. мГн.

Для ограничения скорости нарастания тока короткого замыкания дроссель не требуется.

 удовлетворяет данному условию.

. Расчет механических характеристик

Расчёт механических характеристик мы произвели в специальной расчётной программе.

Для расчёта нам необходимо знать значения:

1)       В - действующее значение линейного напряжения

)        max ток, до которого будем считать


)        эквивалентное активное сопротивление якорной цепи

 =106,8 мОм

)        индуктивное сопротивление якорной цепи

 =2,496 мГн

5)       - индуктивное сопротивление рассеяния одной фазы токоограничивающего реактора

)        p = 6 - пульсность схемы преобразователя

)        коэффициент двигателя, где падение напряжения на щеточных контактах двигателя


)        электромагнитный момент номинальный

649,536 Нм

)        максимальный эл.магн. момент


В результате получили данные, с помощью которых построили механические характеристики режимов РПТ и РНТ (рисунки 2 и 3).

Рисунок 3. Механические характеристики  РПТ

Рисунок 4. Механические характеристики РНТ

Характеристика ограничена углами в 15º и 145º, так как иначе это привело бы к опрокидыванию преобразователя, что может привести к аварии.

Также были рассчитаны регулировочная и фазовая характеристика, соответственно рисунок 5 и рисунок 6.


где -амплитуда развертывающего напряжения.

=10 В - макс. напряжение управления равно амплитуде развертывающего

Таблица 2. Регулировочные и фазовые характеристики

а, град

а, рад

Ed

0

0

10

436,657

15,2036

0,265353

9,65

421,374

45,573

0,795399

7

305,659

60

1,047198

5

218,328

78,46304

1,369438

2

87,331

89,42703

1,560796

0,1

120

2,094395

-5

-218,328

134,427

2,346194

-7

-305,659

144,9848

2,530462

-8,19

-357,62


Рисунок 5. Фазовые характеристики

Рисунок 6. Регулировочные характеристики

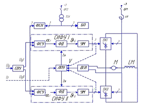
. Выбор СИФУ

Рисунок 7. Принципиальная схема одного канала СИФУ

Рисунок 8. Функциональная схема реверсивного преобразователя

 


Заключение

 

Проектирование начинается с выбора принципов работы каждого устройства, входящего в систему импульсно-фазового управления выпрямительно-инверторного преобразователя. Выбирается тип фазосдвигающего устройства, тип усилителей мощности управляющих тиристорами импульсов, форма и длительность этих импульсов, напряжение питания усилителей мощности и всех остальных устройств.

В СИФУ устанавливаем многоканальное ФСУ, достоинством которого является высокое быстродействие и сравнительная простота. Усилители мощности импульсов управления применяем с трансформаторной потенциальной развязкой на транзисторе с импульсным трансформатором, как наиболее простые усилители мощности. Формирователь длительности импульсов управления представляет собой заторможенный одновибратор, который является наиболее распространенным.

Ячейку ФСУ выполняем с косинусоидальным развертывающим напряжением из-за ее простоты и точность формирования угла и линейность регулировочной характеристики преобразователя в такой ячейке определяются соотношением только двух входных резисторов.

Фильтры синхронизирующих напряжений выполняем активными первого порядка, они имеют большие возможности, чем пассивные, большое разнообразие, меньшие габариты и стоимость.

Библиографический список


1. Лихошерст В.И. Полупроводниковые преобразователи электрической энергии для электроприводов с двигателями постоянного тока. Свердловск: УПИ, 2007. 80 с.

2. Лихошерст В.И. Системы управления полупроводниковыми преобразователями электрической энергии: Учебное пособие. 2-е изд., испр. Екатеринбург: УГТУ, 2010. 104 с.

3. Расчет полупроводникового преобразователя системы ТП-Д: Методические указания к курсовой работе по курсу "Электронные, микропроцессорные и преобразовательные устройства" / В.И. Лихошерст. Свердловск: УПИ, 2011. 37 с.

4. Расчет системы импульсно-фазового управления (СИФУ): Методические указания к курсовому проекту по дисциплине "Преобразовательные устройства" / В.И. Лихошерст, А.В. Костылев. Екатеринбург: УГТУ-УПИ, 2008. 36 с.

Руденко В.С., Сенько В.И., Чиженко И.М. Основы преобразовательной техники: Учебник для вузов. - 2-е изд., перераб. и доп. - М.: Высшая школа, 2010. 42

Приложения

Приложение 1



Приложение 2



Приложение 3

преобразователь электрический трансформатор реверсивный



Приложение 4



Приложение 5


Похожие работы на - Преобразователь системы ТП-Д

 

Не нашли материал для своей работы?
Поможем написать уникальную работу
Без плагиата!
Без нейросетей!