Расчет параметров тиристорного преобразователя
Задание
· В соответствии с индивидуальным заданием выбрать по каталогу
электрический двигатель.
· Рассчитать элементы тиристорного преобразователя (ТП).
· Составить принципиальную схему силовой цепи системы ТП-Д,
определить параметры ее элементов и выбрать жесткие обратные связи.
· Рассчитать узел отсечки по току (ток отсечки - 1,5 Iн, ток стопорения - 2Iн).
· Рассчитать и построить статические характеристики разомкнутой
и замкнутой систем ТП-Д
· Составить структурную схему и проверить систему на устойчивость.
1. Исходные данные
|
Мощность P,кВт
|
8
|
|
Скорость,n,об/мин
|
1500
|
|
Диапазон
регулирования скорости D
|
13
|
|
Статическая ошибка ,%8
|
|
|
Ноинальное нпряжение , В220
|
|
|
Схема преобразователя
|
3-х ф. нулевая
|
|
Номинальный ток якоря ,А43,5
|
|
|
Сопротивление цепи якоря ,Ом0,92
|
|
2. Выбор электродвигателя и преобразователя
Выбираем электродвигатель серии П52 двигатель постоянного тока. Для
электроприводов, работающих с частыми пусками, реверсами, и торможениями,
широко применяется реверсивная схема «тиристорный преобразователь-двигатель»
(ТП-Д) состоящая из двух встречно-параллельных групп тиристоров, обеспечивающих
изменение тока якоря двигателя.
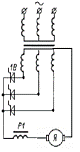
На рисунке 1 изображена принципиальная схема силовой цепи реверсивного
электропривода по системе ТП-Д.
Рисунок 1 Принципиальная схема силовой цепи электропривода по системе
ТП-Д.
В комплект привода входят: силовой трансформатор ТС, обеспечивающий
получение вторичного напряжения, соответствующего номинальному напряжения
двигателя; тиристорный преобразователь ТП с тиристорами, управительные
дроссели, выпрямитель для питания обмотки возбуждения двигателя ОВД.
Тиристорный преобразователь состоит из двух групп вентилей, включенных по
трехфазной нулевой встречно параллельной схеме (встречно по отношению к
друг-другу, параллельно якорю двигателя)
ά1+ά2 =1800
где ά1и
ά2 - углы управления соответственно
первой и второй группами вентилей, отсчитываемые от моментов естественного
открывания тиристоров.
Регулировочные характеристики системы управления представляют зависимости
Еп =f(UЎ) и Еп =f1(UЎ)
Расчет элементов и параметров ТП при известных номинальных значениях тока
Iн и напряжении U двигателя производится в следующем порядке, считая, что
=43,5 А и Ud = Uн =220 В
Выбор силового трансформатора производится по расчетным значениям токов,
напряжения и типовой мощности трансформатора.
Расчетное
значение напряжения вторичной обмотки трансформатора
U2Фрасч
=ku · kс · kа· kг · Ud В
где
ku - расчетный коэффициент, характеризующий соотношение напряжений U2ф / Udо в
реальном выпрямителе. Для трехфазной нулевой схемы ku = 0,922.с - коэффициент
запаса по напряжению, учитывающий возможное снижение напряжения сети до U = 0,9
Uн
Принимаем
kс = 1,05;а - коэффициент запаса, учитывающий неполное открывание вентилей при
максимальном управляющем сигнале, принимаем kа = 1,05;г - коэффициент запаса по
напряжению учитывающий падение напряжения в обмотках трансформатора и в
вентилях, принимаем kг = 1,05
фрасч
= 0,922·1,05·1,05·1,05·220 = 234,81 В
Расчетное
значение тока вторичной обмотки трансформатора
расч
= kI · ki · Id А
Где
kI - коэффициент схемы, характеризующий отношение токов I2ф /Id в идеальном
выпрямителе, принимаем kI = 0,578- коэффициент учитывающий отклонение формы
анодного тока вентилей от прямоугольной, принимаем ki =1,05
расч
= 0,578 · 1,05 · 43,5 = 26,4 А
Расчетная
типовая мощность трансформатора
ST =ks· ku· ka· ki· Ud· Id· 10-3 кВА,
где
ks - коэффициент схемы, характеризующий, соотношение мощностей для идеального
выпрямителя принимаем ks = 1,45
=
1,45·0,922·1,05·1,05·220·43,5·10-3 = 14,1 кВА
Выбираем
силовой трансформатор типа Т19
нт
=19 кВА > Sрт = 14,1 кВАфн = 260 В > U2фрасч = 234,81 В
Основные
технические данные трансформатора
· Потери к.з. Рк.з. =665 Вт
· Напряжение к.з. Uк =5 %
Выбор тиристоров производится по среднему значению тока через вентиль с
учетом увеличения тока двигателя в переходных режимах до (2-2,2) · Iн
условий охлаждения и максимального значения обратного напряжения.
Среднее значение тока через тиристор
ср= kз· Iн /kох· mт А
Где kз = (2-2,5) - коэффициент запаса по токуох - коэффициент учитывающий
интенсивность охлаждения вентиля, при естественном воздушном охлаждении kох =
0,35
электродвигатель преобразователь цепь связь
Idср = 2,5·49,5/0,35·3= 103,57 А
Максимальная величина обратного напряжения
обрм =kзн· kuобр· Idо , В
Где kзн = (1,5-1,8) - коэффициент запаса по напряжению, учитывающий
возможное повышение сети напряжения и периодические выбросы напряжения при
коммутациях вентилейобр - коэффициент обратного напряжения;обр = 2,25о -
напряжение преобразователя при ά = 0 предварительно подсчитывается по формуле
о = kс· ka· kг· Ud = 1,05· 1,05· 1,05· 220
= 254,68 Вобрм =1,5· 2,25· 254,68 = 859,5 В
Выбираем тиристоры типа Т-150-10
ном= 150 > Idср ном =1000 В > Uобрм =859,5
Расчет индуктивности уравнительных дросселей
Требуемая величина индуктивности УД находится в зависимости от
ограничения амплитуды переменной составляющей уравнительного тока до величины
(3-5 %) от Iн двигателя, т.е.
Где
U’п - удвоенное активное значение первой гармоники выпрямленного напряжения, определяемое
по соответствующим кривым. При ά =90о
,’п = 250 Вчисло фаз выпрямителя, m= 3
ώc - угловая частота сети, ώc = 314 рад/с
Расчет
индуктивности дросселя
Индуктивность
дросселя, включаемого последовательно с якорем двигателя, определяется из
условия обеспечения непрерывности тока двигателя во всем диапазоне нагрузки от
Idмин до Idмин и изменение угла управления от ά = άмин до ά = 900
Где
Uп - действующее значение первой гармоники напряжения. Для трехфазной схемы
выпрямления Uп =120 Вмин - минимальный ток преобразователя, принимается равным
(3-5)% от номинального значения
необх ≤
Lудрасч +hдв+Lтр
3.
Определение расчетных параметров силовой цепи
Расчетное
сопротивление цепи выпрямленного тока
Kp =1.2(kя+kдп)+kщ+kп
Где
kя+kдп
- сопротивление обмоток якоря и
дополнительных полюсов двигателя при температуре 15 0С; kя+kдп =0,269
kщ - сопротивление щеточного контакта
kщ = 2/ Iн =2/43,5=
0,046 Ом
kп - сопротивление преобразователя
kп = kт +хт
· m/2П
kт и хт - активное и индуктивное сопротивления
обмоток силового трансформатора, приведенные к цепи выпрямленного тока,
определяются по данным опытов к.з. и х.х
km= Рк.з. /m · I1н ·
kтр2
хт
= Uк %· U1ф
/100· I1н · kтр2 =5· 220/100· 28,86· 1,462 =
0,179 Ом
kп =1,2· 0,269+0,046+3,69= 4,05 Ом
Расчетная
индуктивность цепи якоря:
Lр = Lдв + Lтр +Lуд
Где
Lдв -
индуктивность якоря и дополнительных полюсов
Lдв= 5,73· Uн/р· ώн· Iн
Индуктивность
фазы трансформатора, приведенная к контуру двигателя:
Lтр = хт /2Пf = 0,179/ 2·
3,14·50 = 0,0006 Гн
Lнеобх< Lуд+hдв+Lтр
0,03
Гн < 0,17+0,092+0,0006 = 0,263 Гн
Сглаживающий
дроссель в схему не ставится.
Постоянная
двигателя:
С=
(Uн-1,2(kя+ kдп) ·
Iн)/ώ = 220-1,2· 0,269·43,5/157 = 1,31
Электромагнитная
постоянная времени
Тм
= (Удв+Умех) · kр/4с2 = (0,4+0,7·0,4)-4,05/4·1,312
= 0,4 с
4.
Расчет и построение регулировочных характеристик преобразователя
Еп
= 2Е2ср m/П· sin m/П·
cos ά
Зависимость
ά
= f (Uу)
называемая характеристикой управления, приведена на рис 2
Коэффициент
усиления преобразователя
Рисунок
2 Характеристика управления
|
Uу, В
|
0
|
2
|
4
|
6
|
8
|
10
|
12
|
|
ά
|
90
|
75
|
60
|
45
|
30
|
15
|
0
|
|
Еп,В
|
0
|
78,7
|
152,1
|
215,1
|
263,44
|
293,83
|
304,2
|
39,3538,0335,8532,9329,3825,35
|
|
|
|
|
|
|
|
Зависимости Еп = f (Uу) и kп
= f1 (Uу) приведены на рисунке 3
Рисунок 3 Регулировочные характеристики
5. Расчет разомкнутой системы ТП-Д
Эдс преобразователя при номинальной скорости
Епн= с·ωн+ΔU+ Iн· kр
Где ΔU = ΔUв+ ΔUш
ΔUв = (0,5-1) В - падение напряжения в переходе тиристора, ΔUш = 2 В - падение напряжения на щетках двигателя
ΔU = 0,5+2 = 2,5 В
Статическая характеристика строится по формуле
ω = (Еп-
ΔU-I kр)/с
Епн= 1,31·157·2,5·43,5·4,05 = 384,3 В
Эдс преобразователя при минимальной скорости и номинальной нагрузке
Епмин = с ωн/Д+ ΔU+ Iн kр= 1,31·157/13+2,5+43,5·4,05=194,5 В
Статическая характеристика для минимальной скорости строится при
изменении тока по формуле
ω = (Епмин-
ΔU-I kр)/с
Статические характеристики приведены на рисунке 4
При
Iн = 43,5
А,
Рисунок
4 Статические характеристики
6.
Определение параметров обратной связи по скорости
Структурная
схема системы с жесткой отрицательной обратной связью по скорости приведена на
рисунке 5
Рисунок
5 Структурная схема системы с обратной связью по скорости
Перепад
скорости в разомкнутой системе
Перепад
скорости в замкнутой системе
Где
σ3 -
статическая ошибка в о.с.
Необходимый
коэффициент обратной связи
Коэффициент
усиления Кп берется из регулировочной характеристики преобразователя
при Емин.
При
Емин =190,4 В Кп = 36,1
По
необходимому коэффициенту обратной связи выбираем тахогенератор типа ТД-103
7.
Расчет и построение характеристик замкнутой системы
Для
повышения эффективности действия токовой отсечки и для ограничения уровня сигнала
на входе ТП используется схема (рисунок 6).При этом статическая характеристика
двигателя имеет вид, показанный на рисунке 7 и состоит из трех участков.
Рисунок
6 Система ТП-Д с отрицательной обратной связью по скорости и токовой отсечки
На
1 участке I < Iотс, токовая отсечка не работает. Величина сигнала
на входе ТП
y = Uз - кс·ω
на
этом участке САУ работает в режиме поддержания постоянства заданной скорости.
На 2 участке I > Iотс,
поэтому в результате действия токовой отсечки наклон характеристики
увеличивается.
Пробивается
стабилитрон 2СТ и управляющий сигнал.
y = Uз -кс·ω-Кт(I - Iотс)
Где
Кт - коэффициент токовой отсечки
На
3 участке вследствии увеличения сигнала Uy пробивается стабилитрон
1СТ и действует только токовая отсечка. При этом
y = U1ст - кс
-Кт(I - Iотс)
Напряжение
пробоя стабилитрона 1 СТ определяется по формуле
1ст = U3В - Кс
·
ωотсв = U3Н - Кс · ωотсн
Где
U3В и U3Н задающие напряжение соответственно на верхней и
нижней характеристиках;
ωотсв и ωотсн -
скорость отсечки соответственно на верхней и нижней характеристиках
Скорость
на 1 участке
Скорость
на 2 участке
Скорость
на 3 участке
ω3 = Кд
(Кп· U1ст-ΔU) - Кд· kп· Кт(I - Iотс)- Кд·
kр· I
Из
уравнения (на 1 участке) при номинальных значениях скорости и тока определяются
задающие напряжения на верхней и нижней характеристиках
Где
Кд = 1/с = 1/1,31 = 0,76; Кп = 36,1; Кс = 1,05
Скорости
х.х для верхней и нижней характеристик:

Скорости
отсечек на верхней и нижней характеристиках
отс=1,5·Iн=1,5·43,5=65,25 А
U1ст= U3В-kc·ωотсв= U3Н-kc·ωотсн=175,5-1,05·154,7=13,07
В
Коэффициент
токовой отсечки при ω=0
и I= Iст=2 Iн=43,5·2=87
А
Напряжение
пробоя стабилитрона 2СТ
U2ст= Кт· Iотс
U2ст= 0,148· 65,25=9,72 В
Подставляем
в уравнение значение тока= 1,8 Iн = 78,3 А
Вывод
В
данной работе в соответствии с индивидуальным заданием выбран по каталогу
электронный двигатель, рассчитаны элементы тиристорного преобразователя (ТП),
составлена принципиальная схема силовой цепи системы ТП-Д, определены параметры
ее элементов и выбраны жесткие обратные связи. Также рассчитан узел отсечки по
току (ток отсечки - 1,5 Iн, ток стопорения - 2Iн). Рассчитаны и построены
статические характеристики разомкнутой и замкнутой системы ТП-Д. Составлена
структурная схема и проверена система на устойчивость.
Список
литературы
1. Л.А. Рогозовский ,Автоматическое управление
электроприводами - Методические указания по курсовой работе для студентов всех
форм обучения, 1999 - 431с.
2. С.Н. Вишневский, Характеристики двигателей в
электроприводе - М: Энергия 1977
3. Ключев В.И. Теория электропривода. - М.:
Энергоатомиздат, 1985.-360с.
4. Москаленко В.В. Автоматизированный электропривод. -
М.: Энерго-атомиздат,1985. - 416 с.
5. Башарин А.В., Постников Ю.В. Примеры расчета
автоматизированного электропривода на ЭВМ. - Л.: Энергоатомиздат, 1990.-512с.
6. Ковчин С.А., Сабинин Ю.А. Теория
электропривода.-СПб.: Энергоатомиздат, 2000.- 496с.
7. Е.Н. Зимин, В.И.Яковлев, Автоматическое управление
электроприводами - М: Высшая школа, 1979-318 с.
Похожие работы на - Расчет параметров тиристорного преобразователя
|