|
Iпк, А
|
DUпр, В
|
tрп, 0С
|
Iпо, А
|
|
20
|
2
|
125
|
11
|
пк - предельный ток тиристора при температуре окружающей среды 400С
и типовом сопротивлении охладителя равном нулю;
DUпр
- прямое падение
напряжения (среднее значение) при токе Iпк ;
tрп -
максимально допустимая температура полупроводниковой структуры тиристора;
Iпо
- предельный ток
тиристора в классификационной схеме при выбранном способе установки и
охлаждения и температуре окружающей среды +40оС.
. На условие обеспечения рабочих перегрузок двигателя (импульсных) при
пуске, торможении, реверсе.
п1 > Iп. (1.6)
3. На условие обеспечения длительной (не импульсной) рабочей перегрузки в
течение некоторого заданного времени.
вп > tдв.п, (1.7)
где tвп - допустимое время рабочей
перегрузки для вентиля;
tдв.п - допустимое время рабочей
перегрузки для двигателя.
Проверим выбранный тиристор по предельному току при заданной температуре
окружающей среды.
Предельный ток тиристора при заданной температуре:
А, (1.8)
где Uo, Rд - пороговое напряжение и динамическое сопротивление на
спрямлённой прямой ветви вольт-амперной
характеристики вентиля;
tрп -
предельно допустимая температура полупроводниковой структуры, tрп = 125оС;
tс -
температура окружающей среды, tс = 40оС;
Кф - коэффициент формы тока через тиристор. Зависит от угла
проводимости
l [1, таб.1.4]. При
- Кф=1,73 при форме тока прямоугольной;
Rт - общее установившееся тепловое
сопротивление системы тиристор-охладитель, оС/Вт
В;
Ом.
оС/Вт,
где DРдоп.кл
- допустимая мощность потерь в классификационной схеме, определяется по
выражению
Вт,
где
=1,57 - коэффициент формы тока через вентиль в
классификационной схеме из таблицы 1.4 [1];
Тогда
oС/Вт;
А.
Так как Iп = 10,45 А ≥ Iв =4,3А, то условие (1.8) для тиристора ТД - 20 выполняется, и
он не перегреется при длительной работе двигателя.
Проверим тиристор на условие обеспечения кратковременных рабочих
перегрузок при пуске, торможении. Так как нагрузочная диаграмма не дана, то,
как рекомендовано в [1], принимаем самый тяжёлый режим работы, приведенный на
рисунке 2.1.
Рисунок 1.1- Предельная нагрузочная диаграмма двигателя
время работы двигателя в течение цикла:
с,
где tу = 0,2 с - принятое время переходного процесса при
пуске;
– время цикла
с;
2 - время работы одного тиристора за время импульсной перегрузки:
, где N -
число включений одного вентиля за время t1; Tв - проводимости вентиля
с,
.
Тогда
с.
Допустимый ток для выбранного вентиля при импульсной нагрузке
А, (1.9)
где
- допустимая мощность в импульсе, при которой структура
тиристора не перегревается;
,
,
- переходные тепловые сопротивления вентилей для
соответствующего времени.
Используя [2, рисунок 10 - 206], определяем:
оС/Вт;
оС/Вт;
оС/Вт.
Тогда
Вт;
А.
Так как
А >
А, то условие (1.9) для тиристора
ТД-20 выполняется, и он удовлетворяет требованиям по обеспечению рабочих
перегрузок двигателя (импульсных) при пуске, торможении и реверсе.
Проверим тиристор на условие обеспечения длительной (не импульсной)
рабочей перегрузки в течение некоторого заданного времени.
>
,
где
- допустимое время рабочей перегрузки для вентиля;
- допустимое время рабочей перегрузки для двигателя: из
справочника [3] для двигателей марки 2ПН при трехкратной перегрузке находим
с. Определение
для вентиля осуществляется следующим
образом. Определяется допустимое значение переходного теплового сопротивления
вентиля при перегрузке:
, (1.10)
где DРи2
- мощность, выделяемая в вентиле при импульсной рабочей нагрузке;
DРп - мощность, выделяемая в вентиле при длительной перегрузке.
Вт;
Вт.
Тогда
оС/Вт.
По кривым переходного теплового сопротивления [2, рисунок 10-206] для
найденного значения гтп =2,29оС/Вт находим значение
времени t вп ≥1000c. Так как выполняется условие tвп =1000с
t дв.п =10с , то окончательно выбираем
тиристор ТД-20.
1.3 Выбор сглаживающего дросселя
При питании от ТП по двигателю помимо постоянной составляющей тока
протекают переменные составляющие, величина которых зависит от угла управления
и параметров нагрузки. Это приводит к повышению нагрева двигателя, ухудшению
условий коммутации и снижению жёсткости механических характеристик в связи с
расширением зоны прерывистых токов.
Включение сглаживающего дросселя в якорную цепь позволяет ограничить
величину переменных составляющих и, тем самым, улучшить использование
двигателя, его коммутацию и его электромеханические характеристики, однако
одновременно вызывает увеличение габаритов и веса электропривода, его стоимость
и ухудшение динамических свойств.
В регулируемом электроприводе индуктивность сглаживающего дросселя
выбирается из условия уменьшения зоны прерывистых токов при раздельном
управлении преобразователем до уровня минимального значения тока нагрузки (или
тока холостого хода двигателя) и ограничения пульсаций тока двигателя до
допустимых значений.
Определим величину индуктивности сглаживающего дросселя из условий
ограничения зоны прерывистых токов. При определении необходимой величины
индуктивности сглаживающего дросселя необходимо учитывать, что наибольшая
ширина зоны прерывистых токов при раздельном управлении имеет место при угле
управления a = 90о,
тогда минимальное значение индуктивности цепи выпрямленного тока (тока
нагрузки) для получения гранично-непрерывистого режима определяется выражением
, (1.11)
;
А - значение начально-непрерывного тока при угле управления a = 90о [3, стр. 9].
Тогда
Гн,
Определим необходимую величину индуктивности сглаживающего дросселя из
условия ограничения пульсаций выпрямленного тока:
, (1.12)
где
- действующее значение первой гармоники пульсирующего
напряжения при угле управления a = 90о;
В;
р(1)% - допустимое действующее значение первой гармоники
выпрямленного тока в процентах, р(1)% = 2 ¸ 15 % [1, стр.20]. Принимаем р(1)%
=15 %.
Тогда
Гн.
Определяем индуктивность добавочного дросселя
, (1.13)
где
Гн - принимается равной большей из
и
;
- суммарная индуктивность фазы реактора
Гн.
Тогда
Гн.
По источнику [1, таблица 1.6] выбираем сглаживающий дроссель РТП - 11,
имеющий следующие параметры: индуктивность
мГн; допустимый ток
А; активное сопротивление
Ом.
1.4 Расчёт параметра силовой цепи
Расчётное сопротивление силовой цепи
, (1.14)
где
- сопротивление фазы реактора в контуре выпрямленного тока,
Ом;
- сопротивление, вносимое за счёт коммутации анодных токов;
Ом,
где
Ом - индуктивное сопротивление фазы токоограничивающего
реактора;
- индуктивность фазы токоограничивающего реактора, Гн,
=6 - число пульсов управляемого выпрямителя.
Тогда
Ом.
- суммарная индуктивность фазы в контуре выпрямленного тока
Гн.
Расчётное значение индуктивности силовой цепи
Гн.
Электромагнитная постоянная силовой цепи
с.
2. Проверка обеспечения заданной
области существования электромеханических характеристик
электропривода
Заданная область существования электромеханических характеристик
электропривода (замкнутой системы), ограниченная значением w=±wmax и зависимостью ±Iдоп(w), должна полностью располагаться внутри области
существования характеристик проектируемой системы преобразователь-двигатель.
Последняя в свою очередь ограничена предельными характеристиками,
соответствующими работе проводящей группы вентилей в режиме предельного
инвертирования, а в выпрямительном режиме при минимальном угле управления.
Выполнение этого условия требует значительного запаса по напряжению и мощности
преобразователя и силового трансформатора. Поэтому такой подход может быть
рекомендован только при проектировании электроприводов, от которых требуется
реализация предельных динамических возможностей исполнительных двигателей. В
остальных случаях можно без значительного снижения быстродействия облегчить
требования к запасу по напряжению и мощности. Однако и в этом случае должны
быть выполнены следующие условия: при пониженном напряжении сети и работе
преобразователя в выпрямительном режиме с минимальным углом управления
электромеханическая характеристика разомкнутой системы должна быть расположена
выше точки с координатами w=wmax и I=Iном, а при реверсировании электропривода
должно обеспечиваться безопасное инвертирование при допустимом токе двигателя.
Определяем значение минимального угла управления в выпрямительном режиме
(при этом угле электромеханическая характеристика силовой части электропривода
будет проходить через точку w=wmax и I=Iн)
, (2.1)
где Еdo среднее
значение выпрямленной ЭДС преобразователя при угле управления
(ЭДС холостого хода)
В,
где
=0,428- коэффициенты схемы выпрямления по напряжению, для
трехфазной мостовой схемы
о.
Полученное значение угла управления
выходит за рамки рекомендуемых
значений (5¸10) [1],
поэтому принимаем
о.
Электромеханическая характеристика имеет вид прямой линии, поэтому для её
построения достаточно найти две точки, например при Idв = 0 и Idв
= Iмакс =39 А.
рад/с;
рад/с.
Для группы вентилей, работающей в режиме предельного инвертирования,
электромеханическая характеристика записывается следующим образом [1]:
, (2.2)
где
;
- угол, соответствующий времени восстановления запирающих
свойств тиристора tв. Принимаем tв=70 мкс [2].
о;
- предельно допустимое значение асимметрии импульсов
управления. Принимаем
, тогда
о.
В режиме предельного инвертирования значение тока берем отрицательным,
так как при инвертировании (тормозной режим) направление тока будет против
направления тока в двигательном режиме.
Аналогично выпрямленному режиму находим две точки характеристики
предельного инвертирования:
рад/с;
рад/с.
Электромеханические характеристики для режима предельного инвертирования
и выпрямления с минимальным углом управления изображены на рисунке 2.1.
Рисунок 2.1 - Область существования электромеханических характеристик
Из рисунка 2.1 видно, что характеристика группы , работающей в выпрямительном
режиме лежит ниже т.1 с координатами Id=Iдв.н =13А и ω=
ω н =99,4с-1, что говорит о
том, что при номинальной нагрузке и при пониженном напряжении сети
преобразователь при прямом включении в сеть не обеспечивает номинальную
скорость двигателя. Работа электропривода в области "В" в
выпрямительном режиме невозможна из-за ограничения минимального значения угла
управления
≥
=10о. Наличие области "В" говорит о
неполном использовании динамического момента при пуске двигателя на
максимальную скорость [4]. Характеристика предельного инвертирования для второй
группы вентилей (
=3,3о) пересекает область существования
электромеханических характеристик , ограниченную отрезками Id=-Iмакс =-39А и ω = ω н =99,4с-1. Таким образом,
спроектированная силовая часть электропривода при скорости ω
н =99,4с-1. не удовлетворяет
поставленным требованиям. Поэтому, чтобы обеспечить выполнение условия
безопасного инвертирования в ТП при прямом включении в сеть необходимо при
пониженном напряжении сети ограничить рабочую скорость двигателя до значения ω
огр. макс =73,3с-1.
3. Расчет электромеханических
характеристик системы
тиристорный преобразователь-двигатель
.1 Двигательный режим. Непрерывный ток
Скорость вращения вала электродвигателя:
; (3.1)
где
- среднее значение выпрямленной ЭДС в режиме непрерывного
тока;
a - угол включения тиристора, отсчитываемый от точки естественной
коммутации;
DUв
= 2В - прямое
падение напряжения на тиристоре.
Рассчитываем значение угла a для обеспечения скоростей w = ± wн; ± 0,8×wн; ± 0,6×wн;
± 0,4×wн; ± 0,2×wн.
Произведя ряд преобразований над (20) получим:
. (3.2)
о.
Аналогичным образом рассчитываются остальные углы управления.
Данные расчёта сведём в таблицу 3.1.
Таблица 3.1 - Результаты расчётов углов управления
|
w, с-1
|
-wн
|
- 0,8wн
|
- 0,6wн
|
- 0,4wн
|
- 0,2wн
|
0,2wн
|
0,4wн
|
0,6wн
|
0,8wн
|
wн
|
|
a, град
|
120
|
115
|
108,5
|
99,6
|
91
|
73,6
|
64,3
|
54,3
|
42,8
|
28
|
Найдём значение скорости w для угла a
=52о из таблицы 3.1 при токе
d = Iн.=13А
рад/с.
.2 Двигательный режим. Режим прерывистого тока
Расчеты проводим с помощью программы МathCAD с использованием следующих расчётных выражений:
- угол открывания, измеренный от начала синусоиды
о,
; (3.3)
. (3.4)
При угле открывания вентиля
используем для расчёта формулу 3.3
[4], а если
, то используем для расчёта выражение 3.4.
Тогда
, рад/c.
Так как в цепи якоря присутствует индуктивность Lяц и Rяц
, то ток якоря
отстаёт от напряжения на угол Q
о.
Граничное значение ЭДС в относительных единицах
; (3.5)
Граничное значение тока в относительных единицах
.
Границы характеристики режима прерывистого тока
рад/c;
А.
Текущие относительные средние значения скорости
и тока
при изменении длительности тока l рассчитываются при изменении 0 ≤
l ≤
по выражениям:
;
.
Абсолютные величины значения скорости
и тока
находятся по выражениям
рад/с ;
А .
Результаты расчетов приведены на рисунке 3.1.
Рисунок 3.1 - Электромеханические характеристики в режимах непрерывного
тока и прерывистого токов
3.3 Регулировочные характеристики реверсивного тиристорного преобразователя
.3.1 Расчет регулировочной характеристики СИФУ
Расчетное выражение для СИФУ с линейным опорным напряжением
град, (3.6)
где
=120 град - начальный угол управления ВП;
Минимальный угол управления равен:
.
Максимальный угол инвертирования
определяем согласно методике,
изложенной в [5]:
.
Принимаем
=139о.
Согласно [5] при настройке СИФУ размах опорного напряжения выбирают:
В, а максимальное напряжение
управления составляет
В, тогда вводится понятие коэффициента управляющего органа
, значение которого определяют исходя
из условия обеспечения максимального диапазона регулирования угла управления в
сторону его уменьшения
:
.
По выражению (25), задаваясь углом управления
<
<
, строим регулировочные
характеристики СИФУ. Текущие значения характеристики приведены в таблице 3.2.
Таблица 3.2
|
,град
|
10
|
90
|
139
|
|
,В
|
6,1
|
1,67
|
0
|
-1,06
|
|
,град
|
10
|
90
|
120
|
139
|
|
,В
|
-6,1
|
-1,67
|
0
|
1,06
|
Рисунок 3.3- Регулировочные характеристики СИФУ
На рисунке 3.3 приведены регулировочные характеристики СИФУ, построенные
по данным таблицы 3.2.
.3.2 Расчет регулировочной характеристики одного комплекта вентилей
управляемого выпрямителя
В режиме непрерывного тока, где Id ≥ Iгр, расчет ведется по выражению
.
Рассчитанные значения сведены в таблицу 3.3, по которым на рисунке 3.4
построена регулировочная характеристика одного комплекта вентилей.
Таблица 3.3
|
a, град
|
10
|
30
|
48
|
66
|
84
|
90
|
100
|
110
|
120
|
139
|
|
Uу,.В
|
6,1
|
5
|
4
|
3
|
2
|
1,67
|
1,11
|
0,55
|
0
|
-1,06
|
|
Евп.,В
|
506
|
445
|
344
|
209
|
53,7
|
0
|
-89,2
|
-176
|
-257
|
-388
|
Рисунок 3.4 - Регулировочная характеристика тиристорного преобразователя
одного комплекта вентилей
.3.3 Расчет регулировочной характеристики реверсивного ТП
В режиме непрерывного тока расчет э.д.с. ВП ведется по выражению
,
Рассчитанные значения сведены в таблицу 3.4, по которым на рисунке 3.5
построена регулировочная характеристика реверсивного ВП в режимах прерывистого
и непрерывного тока.
Регулировочные характеристики в режиме непрерывного тока для первой Евп1(Uу) и второй группы Евп2(Uу)
Таблица 3.4
|
Uу1,.В
|
6,1
|
5
|
4
|
3
|
2
|
1,67
|
1,11
|
0,55
|
0
|
-1,06
|
|
Eвп1,В
|
506
|
445
|
344
|
209
|
53,7
|
0
|
-89,2
|
-176
|
-257
|
-388
|
|
Uу2,.В
|
-6,1
|
-5
|
-4
|
-3
|
-2
|
-1,67
|
-1,11
|
-0,55
|
0
|
1,06
|
|
Eвп2,В
|
-506
|
-445
|
-344
|
-209
|
-53,7
|
0
|
89,2
|
176
|
257
|
388
|
Рисунок 3.5 - Регулировочные характеристики реверсивного тиристорного преобразователя
4. Тиристорный преобразователь как
элемент системы автоматического регулирования
.1 Реальная структура реверсивного тиристорного преобразователя
Современные реальные полупроводниковые силовые преобразовательные
установки являются частью, обычно достаточно сложной, системы автоматического
управления и регулирования агрегатам и технологическим процессом.
При реализации высоких требований к быстродействию и качеству систем
автоматического управления, содержащих силовые полупроводниковые
преобразователи, установлено что, эти преобразователи не идеальны. Переходные
процессы соизмеримы по длительности с периодом питающего напряжения, а также с
интервалом дискретности преобразователя, могут существенно отличаться от
расчетных, если не учитывать динамических свойств преобразователя, полагая, что
он является непрерывным, безынерционным элементом. Кроме того, в таких замкнутых
вентильных системах могут возникать специфические режимы автоколебаний на
основной и низших субгармониках, приводящих к неработоспособности
преобразовательной установки.
Группа преобразователей с естественной коммутацией, включающая управляемы
выпрямители, ведомые сетью инверторы, имеет сложные динамические процессы.
Кроме нелинейной дискретности, обусловленной импульсным характером переключения
цепей, необходимо учитывать неполную управляемость силовых полупроводниковых
вентилей, а также переменность структуры силовой цепи преобразователя,
вызванного наличием коммутационного интервала, соизмеримо по длительности с
интервалом дискретности преобразователя.
Общим для преобразователей этих групп является, кроме нелинейности
дискретности необходимость учета действия фактора пульсаций, отражающего
прохождение пульсационной составляющей выходного сигнала замкнутому контуру
системы автоматического управления.
Переходный процесс в тиристорном преобразователе под действием
обобщенного управляющего сигнала полностью детерминирован свойствами системы
импульсно-фазового управления СИФУ собственного тиристорного преобразователя ТП
и силовой системы .
В этом комплексе систему импульсно-фазового управления и силовую схему
можно отнести к обычным линейным и линеаризованным динамическим звеньям. Удобно
считать, что система управления является непрерывным звеном, а ее выходной
сигнал α(t)-непрерывной функцией времени, т.е.
система управления имеет бесконечно большое число каналов управления. Тем самым
учет дискретных свойств вентильного преобразователя возлагается на второе звено
комплекса.
Силовая схема преобразователя даже в предположении постоянства ее
параметров не может быть строго описана как линейно динамическое звено
вследствие скачкообразного изменения коэффициентов дифференциальных уравнений
при коммутации вентилей. Однако при определенных допущениях, силовая цепь
преобразователя с достаточным приближением представляется как некоторое
эквивалентное звено. Таким образом, статические характеристики и динамические
свойства системы управления и силовой цепи преобразователя можно учитывать как
известные элементы, входящие в систему автоматического управления.
Основная специфика динамических свойств вентильного преобразователя
проявляется в поведении среднего звена его структурной схемы, входной
координатой которого является угол управления α(t), а выходной - кусочно-непрерывная
кривая внутренней ЭДС е(t).
Непрерывный процесс α(t) определяет дискретные моменты открывания вентилей Кi как точки пересечения с фазовой
диаграммой. Дискретные значения αi однозначно определяют
кусочно-непрерывную ЭДС преобразователя е(t). Нелинейное дискретное преобразование непрерывной входной
координаты α(t) в точечные значения αi, не образующие в общем случае решетчатой функции из-за
переменности интервала, а затем обратное преобразование этих дискретных
значений αi в
кусочно-непрерывный сигнал входной координаты е(t) сопутствие этим преобразованиям неполной управляемости
вентилей и затерянности полученного выходного сигнала в пульсациях, снова попадающих
на вход преобразователя благодаря замкнутой структуры системы регулирования.
Все эти факторы вносят специфику в статику и динамику быстродействующих
замкнутых вентильных систем и могут порождать нежелательные режимы.
Тиристорный преобразователь, как динамическое звено, согласно [5], можно
представить апериодическим звеном с передаточной функцией
,
где
- коэффициент усиления тиристорного преобразователя;
, град/В - коэффициент передачи системы управления ТП;
, В/град - коэффициент усиления управляемого выпрямителя.
;
с - постоянная времени СИФУ, определяемая дискретностью
управления (время среднестатистического запаздывания при управлении ТП) и
равная постоянной времени ТП.
5. Разработка принципиальной схемы
реверсивного тиристорного преобразователя
.1 Описание работы функциональной схемы тиристорного преобразователя
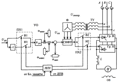
На рисунке 5.1 приведена функциональная схема реверсивного ТП
с раздельным управлением. При раздельном управлении комплектами вентилей
тиристорного преобразователя применяется одно СИФУ и для изменения направления
протекания тока нагрузки логическое переключающее устройство (ЛПУ) с помощью
переключателей характеристик (ПХ) одновременно изменяет знак напряжения
управления на входе СИВУ и подключает выходы усилителей импульсов УИ к цепям
управления тиристоров противоположной группы вентилей. Временная задержка
("бестоковая пауза) при переключении групп вентилей "Вперед" и
"Назад" выбирается в зависимости от порона срабатывания датчика
проводимости вентилей (ДПВ) в пределах от 0,5 до 5мс.
Рисунок 5.1 - Функциональная схема реверсивного тиристорного
преобразователя:
ТП - тиристорный преобразователь Гр.В и Гр.Н - реверсивные группы
тиристоров направления "ВПЕРЕД" и "НАЗАД", М - двигатель,
ДПВ - датчик проводимости вентилей, L- сглаживающий дроссель, ЛПУ - логическое переключающее устройство; СИФУ
- система импульсно-фазового управления, ПХ - переключатель характеристик , Uуп - напряжение управления, Ф -
фазосдвигающий фильтр напряжения синхронизации Uсинхр. , УО - управляющий орган
.2 Описание работы силовой схемы тиристорного преобразователя
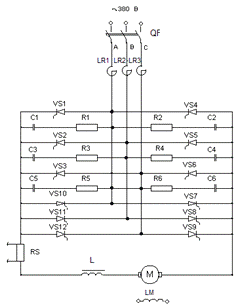
Силовая схема тиристорного преобразователя (рисунок 5.2) выполнена по
трёхфазной мостовой реверсивной схеме выпрямления с раздельным принципом
управления преобразователем. ТП выполнен на тиристорах VS1-VS12. для защиты
тиристоров от перенапряжений включены защитные RC - цепочки [5].
Рисунок 5.2 - Силовая схема
Особенностью трёхфазных мостовых выпрямительных схем является
необходимость подачи на управляющие электроды тиристоров, двух импульсов
подаваемых через 60 электрических (эл.) градусов. Это связано с тем, что в
мостовой схеме одновременно проводят ток два вентиля: вентиль, к аноду которого
прикладывается наибольшее положительное напряжение, и вентиль, к катоду которого
прикладывается наибольшее отрицательное напряжение (рисунок 5.3).Таким образом,
второй импульс обеспечивает неразрывность цепи при коммутации тока. Сдвиг между
парами импульсов одной группы составляет 120 эл. градусов, а между парами
импульсов одной фазы разных групп 180 эл. градусов.
Нумерация тиристоров на рисунках 5.3, 5.4, 5.5 соответствует очерёдности
их включения в процессе работы [5].
Рисунок 5.3 - Силовая схема одной группы вентилей
Пульсации выходного напряжения преобразователя в 6 раз превышают частоту
сети, что обеспечивает высокий коэффициент использования двигателя, равный 98%,
и создаёт благоприятные условия для поддержания непрерывного тока без
дополнительных сглаживающих элементов в силовой схеме.
Рисунок 5.4 - Диаграмма подачи импульсов управления по фазам при
непрерывном токе
Рисунок 5.5 - Диаграмма подачи импульсов по фазам при прерывистом токе
.3 Система импульсно фазового управления ТП
СИФУ предназначена для формирования и синхронизации подачи управляющих
импульсов на силовые тиристоры [5].
Силовая схема электропривода состоит из силового согласующего
трансформатора и двух полностью управляемых выпрямителей, выполненных по
трёхфазной мостовой схеме, включенных встречно-параллельно и работающих по
принципу раздельного управления.
Общая для двух групп вентилей реверсивного преобразователя системы
импульсно фазового управления (СИФУ) выполнена по вертикальному принципу и
состоит из трёх одинаковых каналов управления, каждый из которых поочерёдно в
зависимости от полуволны питающего напряжения формирует управляющие импульсы на
тиристоры анодной или катодной группы соответствующей фазы X,Y или Z.
Функциональная схема канала СИФУ для одной фазы приведена на рисунке 5.6,
диаграммы напряжений, поясняющих работу элементов СИФУ, приведены на рисунке 5.7.
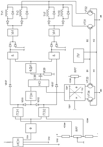
Основные элементы канала СИФУ : фильтр Ф (RP1, R51, C51), пороговые элементы ПЭ1 (D11) и ПЭ2 (D12), генератор опорного (пилообразного) напряжения ГОН (VT1,D13), нуль орган НО (D14), формирователь длительности импульсов ФДИ (VT12), усилители импульсов УИ (VT15) и УИ2 (VT16)
и импульсные трансформаторы TV1 и TV7, TV4 и TV10 .
Синхронизирующее фазное напряжение Ucx, поступающее от источника
синусоидальных синхронизирующих напряжений ИСН (трансформаторы TV13, TV14 и TV15 )
сдвигается по фазе фильтром Ф на угол 32.8 градусов. С выхода фильтра
синхронизирующее напряжение поступает на пороговые элементы ПЭ1 и ПЭ2, где
преобразуется в прямоугольные разнополярные импульсы. Длительность
отрицательных импульсов определяет длительность рабочего участка опорного напряжения
и, следовательно, зону разрешения выдачи управляющих импульсов на тиристоры,
зависит от величины напряжения смещения Uсм и составляет примерно 173 градуса. ГОН на интервале каждого
периода фазного напряжения формирует два импульса пилообразного напряжения
специальной формы (рисунок 5.7). Положительный выброс опорного напряжения
примерно в 2 В формируется резистором R58 и диодом VD54 в цепи
обратной связи усилителя D13 и
предназначен для исключения срыва генерации управляющих импульсов в области
минимальных углов управления. Амплитуда пилообразного напряжения регулируется
резистором RP2.
Опорное напряжение, поступающее с выхода D13, и управляющее напряжение, поступающее с выхода D24, сравниваются на входе нуль органа
D14. Выходное напряжение НО дифференцируется
конденсатором C59, при этом положительный импульс
открывает транзистор VT12,
усиливается и через одну из схем совпадения (VT13 или VT14),
на втором входе которой в это время положительное напряжение с выхода одного из
ПЭ, открывает соответствующий импульсный усилитель VT15 или VT16.
На вторичной обмотке импульсного трансформатора, на первичную обмотку которого
с помощью транзисторных ключей VT31
или VT32 подано положительное напряжение,
формируется управляющий импульс для силового тиристора фазы группы В или Н
длительностью около 200 микросекунд.
Усилители импульсов имеют два входа: один для "своего"
импульса, другой для "чужого", идущего с другого канала СИФУ. Это
необходимо для получения сдвоенных импульсов (сдвинутых на 60 градусов),
обеспечивающих нормальную работу трёхфазной мостовой схемы выпрямления в режиме
прерывистых токов.
Переключатель характеристик ПХ обеспечивает формирование однополярного
отрицательного управляющего напряжения Uу для СИФУ вне зависимости от работы комплекта тиристоров В
или Н (рисунок 5.9).
В состав схемы ПХ входит: инвертор D23 суммирующий усилитель D24 и транзисторные ключи VT33 и VT34.
Транзисторные ключи управляются логическим устройством ЛУ. При отключенном
приводе оба ключа открыты, при включении привода один из ключей в зависимости
от работающего комплекта тиристоров закрывается. На вход ПХ подается напряжение
с выхода регулятора тока Uрт, которое в зависимости от того,
какой из транзисторных ключей VT33
или VT34 закрыт, подаётся на вход
суммирующего усилителя D24
непосредственно или через инвертор D23. Через другой открытый ключ на второй вход D24 подаётся положительное напряжение +9,4 В с конденсатора C79. Переменным резистором RP8 устанавливается начальное значение
управляющего напряжения Uу=-6,1В (при Uпт=0), что соответствует начальному углу управления
преобразователя aнач=120
градусов [5].
Регулировочная характеристика ПХ (рисунок 5.8), СИФУ и результирующая
системы управления тиристорным преобразователем (рисунок 5.9) описываются
следующими выражениями:
(5.1)
где Uсм= -6,1 В;
(5.2)
где
, В - размах опорного напряжения;
aмин³ 10 градусов - минимальный угол управления;
, (5.3)
где
, град., - начальный угол управления;
"+" - соответствует работе комплекта тиристоров Н.
"-" - соответствует работе комплекта тиристоров В.
Принципиальная электрическая схема СИФУ приведена на рисунке 5.13 [5].
Рисунок 5.6 -
Функциональная схема канала СИФУ
Рисунок 5.7 -
Диаграммы напряжений элементов СИФУ
Рисунок 5.8 -
Диаграмма напряжения генератора опорного напряжения
Рисунок 5.9 -
Диаграмма напряжений переключателя характеристик

Рисунок 6.10
- Результирующая системы управления тиристорным преобразователем
.4 Логическое устройство
Логическое устройство (ЛУ) осуществляет управление силовыми тиристорными
комплектами преобразователя и выполняет следующие функции:
·
выбор нужного
комплекта тиристоров преобразователя, для чего с помощью ключей VT31 и VT32 подаётся питание на первичные обмотки импульсных
трансформаторов тиристоров выбранного комплекта, а с помощью ключей VT33 и VT34 выбирается соответствующая характеристика ПХ;
·
переключение
комплектов тиристоров преобразователя при Id=0;
·
формирование
временной задержки на включение вступающего в работу комплекта тиристоров;
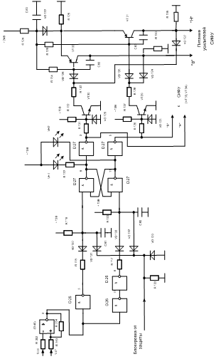
Схема ЛУ реализована на двух микросхемах D20 и D27 и
имеет два входа: блокирующий вход XT4-8, на который подаётся управление с коллектора транзистора VT61 схемы включения преобразователя, и
управляющий вход ХТ4-9, на который подается управление с выхода релейного
элемента Д49.
Работа ЛУ поясняется таблицей 5.1.
Таблица 5.1 -
Параметры логического устройства в контрольных точках
Примечание: З - транзисторный ключ закрыт, О - транзисторный ключ открыт.
Конденсаторы C80 и C81 обеспечивают временную задержку на
включение вступающего в работу комплекта тиристоров на время заряда
конденсатора от источника +15 В (примерно 4 миллисекунды). Релейный элемент на
микросхеме D49 (с положительной обратной связью)
имеет два входа: на инвертирующий напряжение подаётся с выхода РС (контрольная
точка I66); на не инвертирующий - напряжение
с выхода РТ (контрольная точка I67).
Работа релейного элемента поясняется диаграммами напряжений, приведёнными на
рисунке 5.11 и снятыми при запаянных резисторах R342 и R347.
В контрольной точке (к.т.) I66
показано напряжение с выхода РС, в к.т. I67 - с выхода РТ. Когда Uрс становится отрицателен, Uрт через некоторое время становится положителен, оба сигнала
приходя на входы D49 именно в такой полярности,
переводят его выход в положительное насыщение. И блок логики получает
информацию о направлении вращения вала двигателя.
Принципиальная электрическая схема блока логики приведена на рисунке 5.12
[5].
Рисунок 5.11
- Диаграмма работы релейного элемента
Рисунок 5.12 - Блок логики
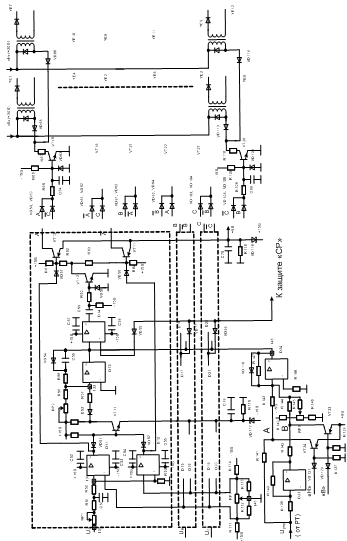
Рисунок 5.13 - Принципиальная электрическая схема СИФУ
Заключение
В результате проделанной курсовой работы произведен расчет параметров и
выбор элементов тиристорного преобразователя, расчет и построение характеристик
таких как: электромеханические характеристики системы тиристорный
преобразователь-двигатель, регулировочные характеристики преобразователя.
Показали, что в тиристорном преобразователе при раздельном управлении
существует область прерывистых токов в области малых нагрузок. Вследствие
наличия области прерывистых токов двигатель в системе тиристорный
преобразователь-двигатель становится плохо управляемым, скорость его резко
возрастает, т.е. характеристики в этой области двигателя становятся существенно
нелинейными, что неблагоприятно сказывается на работе привода. Разработаны
принципиальные схемы силовой части реверсивного тиристорного преобразователя,
СИФУ, блока логики. Дано описание их работы.
Литература
1. Л.С. Удут, О.П. Мальцева, Н.В. Кояин
Проектирование автоматизированных тиристорных электроприводов постоянного тока.
Учебное пособие по курсовому проектированию. Томск, изд. ТПИ им. С.М. Кирова,
1991.-104с.
. О.Г. Чебовский, Л.П. Моисеев, Ю.В. Сахаров Силовые
полупроводниковые приборы. Справочник. М.: Энергия, 1975.-440с.
. Справочник по электрическим машинам /Под общей редакцией
И.П. Копылова и Б.К. Клокова / В 2т. Т.1. - М.: Энергоатомиздат, 1988.- 456с.
4. Удут Л.С., Кояин Н.В., Мальцева О.П. Проектирование и
исследование автоматизированных электроприводов. Ч. 4. Тиристорные
преобразователи для электроприводов постоянного тока: Учебное пособие.- Томск:
Изд-во ТПУ, 2003.-152с.
. Чернов Е.А., Кузьмин В.П. Комплектные электроприводы
станков с ЧПУ: справочное пособие.- Горький: Волго-Вятское кн. Из-д-во, 1989.-320
с.,ил.