Разработка реверсивного тиристорного преобразователя
КУРСОВОЙ ПРОЕКТ
Разработка реверсивного
тиристорного преобразователя
Введение
Электропривод постоянного тока на основе тиристорных
преобразователей в настоящее время является основным типом промышленного
регулируемого электропривода.
Это объясняется рядом достоинств этого типа электропривода:
) высокое быстродействие, которое ограничивается
коммутационной способностью двигателя и механической инерционностью привода;
) мгновенная готовность к работе, широкий диапазон температур
и длительный срок службы;
) номинальный КПД преобразователя превышает 92-96%;
) малые весогабаритные показатели, блочная компоновка
позволяет сократить требуемые производственные площади, уменьшить капитальные
затраты и расходы на установку и эксплуатацию.
В то же время тиристорным электроприводам свойственны
недостатки:
) пульсации выпрямленного напряжения и тока на выходе
тиристорного преобразователя повышают нагрев и ухудшают коммутацию двигателя,
что требует установки сглаживающих реакторов;
) при глубоком регулировании напряжения тиристорный
преобразователь имеет низкий коэффициент мощности, что требует разработки и
установки специальных компенсирующих устройств;
) перегрузочная способность тиристорного преобразователя
меньше, чем электромашинного;
) при работе тиристорных преобразователей искажается форма
напряжения в сети переменного тока и возникают помехи.
В настоящее время разработаны различные схемы тиристорных
преобразователей и системы регулируемого электропривода на их основе.
Промышленностью освоен серийный выпуск комплектных тиристорных электроприводов.
По назначению тиристорные преобразователи подразделяются:
для питания якоря двигателя;
для питания обмоток возбуждения.
По исполнению тиристорные преобразователи подразделяются:
нереверсивные;
реверсивные.
Самой благоприятной для тиристорных преобразователей признана
трёхфазная мостовая (шестипульсная) схема выпрямления. На базе трёхфазной
мостовой схемы строятся также комбинированные схемы выпрямления, например,
двенадцатипульсные.
Наиболее сложными элементами тиристорного электропривода
являются двухкомплектные преобразователи. Они применяются в быстродействующих
электроприводах, в которых скорость изменения и реверсирования тока (момента)
двигателя влияют на производительность механизма или качество регулирования
технологических параметров.
При проектировании тиристорных преобразователей для
регулируемого электропривода необходимо учитывать специфические свойства
преобразователей с различными способами управления, их влияние на статические и
динамические свойства электропривода.
1. Технические данные нагрузки
В качестве нагрузки тиристорного преобразователя применён
двигатель постоянного тока независимого возбуждения типа 2ПН315LУХЛ4, сеть трёхфазная
переменного тока ~ 10 кВ, режим работы электропривода реверсивный.
Технические данные двигателя представлены в табл. 1.
Таблица 1.1 - Технические данные двигателя
|
Наименование
|
Величина
|
|
1 Номинальная
мощность, Pн, кВт
|
200
|
|
2 Номинальное
напряжение, Uн, В
|
220
|
|
3 Номинальная
скорость вращения, nн, об/мин
|
1500
|
|
4 Максимальная
скорость вращения, nм, об/мин
|
2400
|
|
5 Перегрузочная
способность, λ
|
2,5
|
|
6 КПД, %
|
91
|
|
7 Сопротивление
обмоток при 15˚ С: − якоря, rя,
Ом − добавочных полюсов, rдп,
Ом − обмотки возбуждения, rв,
Ом
|
0,0030 0,0017
21
|
|
8 Число главных
полюсов, 2p
|
2
|
|
9 Число
параллельных ветвей, 2a
|
2
|
2. Проектирование тиристорного преобразователя
2.1
Выбор схемы тиристорного преобразователя
тиристорный преобразователь двигатель реверсивный
Для заданной мощности Pн= 200 кВт, напряжения Uн=220. В, тока Iн=1098,901 А,
перегрузочной способности λ = 2,5 наиболее
целесообразной схемой выпрямления является трёхфазная мостовая схема с питанием
от сети переменного тока, трансформаторный вариант; преобразователь реверсивный
по встречно-параллельной схеме с раздельным управлением вентильными группами.
При определении номинальных значений выпрямленного напряжения
и тока необходимо обеспечить:
;
,
и учесть
.
Этим условиям отвечает тиристорный преобразователь со следующими
номинальными данными:
;
,
тиристорный преобразователь двигатель реверсивный
где
- перегрузочная способность тиристорного
преобразователя в течение 10 с.
Этим условиям удовлетворяет тиристорный преобразователь из серии
КТЭ - 1600/230-Н1-2УХЛ2 на
со следующими данными:
- номинальный ток;
- номинальное напряжение;
УХЛ2 - климатическое исполнение - умеренно холодный климат,
категория размещения по ГОСТ 15150-69
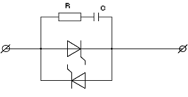
Силовая схема реверсивного тиристорного преобразователя - трёхфазная
мостовая. Схема РТП встречно - параллельная.
На рисунке 2.1 приведена принципиальная схема реверсивного
тиристорного преобразователя, работающего на двигатель постоянного тока.
Рисунок 2.1 - Принципиальная схема реверсивного тиристорного
преобразователя, работающего на двигатель постоянного тока.
2.2
Расчёт мощности и выбор силового трансформатора
Максимально расчётное значение выпрямленной ЭДС Ed0 в режиме непрерывного
тока
где
= 220 В-номинальное значение ЭДС
двигателя;
= 1098,901 А - номинальное значение выпрямленного тока
преобразователя;
- активное сопротивление двигателя с учётом сопротивления якоря и
добавочных полюсов, приведённое к рабочей температуре 80 ˚С
;
αmin =15˚ - минимальный угол
регулирования;
= 2 В-падение напряжения на тиристоре;
= 2 - коэффициент зависящий от схемы выпрямления;
- расчётные коэффициенты;
=1,2 - коэффициент, учитывающий индуктивность сети переменного
тока;
- напряжение короткого замыкания и потери в меди трансформатора.
- возможные колебания напряжения сети.
Вторичное линейное напряжение трансформатора
Расчётная мощность трансформатора
,
где
= 1,045 - коэффициент, зависящий от схемы
выпрямления.
На основании значений расчётной мощности требуемых первичного и
вторичного напряжений выбирается трансформатор из серии сухих типа ТСЗП -
630/10 - УЗ с техническими данными, приведёнными в таблице 2.1.
Максимальное значение выпрямленной ЭДС Ed0 при α = 0
где
- линейное напряжение вторичной обмотки
трансформатора при соединении в звезду.
Коэффициент трансформации трансформатора
Таблица 2.1 - Технические данные трансформатора
|
Тип
трансформатора, схема и группа соединения
|
Sн, кВА
|
Номинальное
напряжение
|
Номинальный ток
|
eк, %
|
Iхх, %
|
Потери, кВт
|
|
|
U1л, В
|
U2л, В
|
Udн, В
|
I2л, А
|
Idн, А
|
|
|
∆Pхх
|
∆Pкз
|
|
ТСЗП-630/10 -
У3 Y/∆ - 11
|
580
|
10000
|
208
|
230
|
2042
|
1600
|
5,9
|
1,8
|
2
|
6,45
|
Полное сопротивление фазы трансформатора, приведенной ко
вторичной обмотки
Активное сопротивление обмоток трансформатора
Индуктивное сопротивление фазы трансформатора
Индуктивность трансформатора
2.3
Выбор тиристоров. Расчёт силового модуля
На основании номинальных данных преобразователя и
трансформатора необходимо выбрать тиристоры, схему соединения и число вентилей
в плече.
Для трёхфазной мостовой схемы выпрямления при Idн=1600 А и λтп=2,25 выбираются тиристоры серии Т.
Тиристоры серии Т допускают эксплуатацию при температуре
окружающей среды от -60° до +55°С с охладителем в соответствии с ТУ-16-729,
377-83, с критической скоростью нарастания тока (di/dt) = 40-400 А/мкс. Время обратного
восстановления тиристора не более 250 мкс, падение напряжения в открытом
состоянии не более 1400 В, максимально допустимый средний ток с охладителем
конструкции 0153 находится в пределах (
) А при скорости охлаждающего воздуха соответственно (
) м/с.
На основании номинальных данных тиристорного преобразователя
выбираем тиристор Т25. Параметры тиристора приведены в таблице 2.2.
Таблица 2.2 - Параметры тиристора Т-25 класса 14
|
Импульсное
напряжение в открытом состоянии, В
|
1,9
|
|
Критическая
скорость нарастания напряжения, В/мкс
|
1000
|
|
Максимально
допустимый действующий ток в открытом состоянии, А
|
1000
|
|
Максимально
допустимый средний ток в открытом состоянии, А
|
400
|
|
Повторяющееся
импульсное напряжение в закрытом состоянии, В
|
500
|
|
Отпирающее
постоянное напряжение управления, В
|
3
|
|
Отпирающий
постоянный ток управления, мА
|
10
|
|
Повторяющийся
импульсный обратный ток, мА
|
10
|
|
Время
выключения, мкс
|
250
|
|
Время обратного
восстановления, мкс
|
60
|
Число параллельно включенных тиристоров в плече определяется
,
где
- число фаз питающей сети;
= 800 А - предельный ток выбранного тиристора;
= 0,9 - коэффициент, учитывающий неравномерность загрузки
параллельно включённых тиристоров;
=0,9 - коэффициент, учитывающий неравномерную длительность
включения тиристоров;
- коэффициент, учитывающий условия охлаждения тиристоров (
= 0,4 - для естественного охлаждения).
Принимаем необходимое (целое) число параллельно включенных
тиристоров в плече
.
Число последовательно включенных тиристоров в плече
,
где
- максимальное обратное напряжение на
тиристоре.
;
- коэффициент запаса по напряжению;
= 500 В-номинальное напряжение тиристора (соответствует классу
тиристора).
Так как число параллельно включённых тиристоров принято равным
двум, то есть необходимость в установке делителей тока. В тиристорных
преобразователях более перспективным является применение для делителей тока
индуктивных сопротивлений вместо ферромагнитных реакторов. Индуктивность такого
делителя, который называют также индуктивным делителем без магнитной связи, при
двух параллельных ветвях определяется следующим образом
где τ - период проводимости
вентиля;
Т - период напряжения сети;
∆U - 10% от падения напряжения на тиристоре;
∆Iср - 10% от номинального тока тиристора.
Схема одного канала СИФУ представлена на рис. 2.2. Вентильная
часть реверсивного тиристорного преобразователя представлена на рисунке 2.3.
Здесь тиристоры выпрямительных мостов ВМ1 и ВМ2 включены встречно, защищаются
от коммутационных перенапряжений общей RC - цепочкой.
Импульсный узел построен на базе импульсного трансформатора Т1,
конец вторичной обмотки подсоединён к управляющему электроду и катоду
тиристора. Во вторичной обмотке установлен светодиод VD2, определяющий требуемую полярность отпирающего импульса на
тиристоре; к концам вторичной обмотки присоединена цепь из параллельно
соединённых диода VD1, резистора R1 и конденсатора С1, осуществляющая шунтирование импульса обратной
полярности и повышение помехозащищённости цепи управляющего перехода тиристора.
Цепь, состоящая из светодиода СД и резистора R2, сигнализирует о состоянии цепи, управляющий катод -
катод тиристора.
Последовательно с первичной обмоткой импульсного трансформатора
включена цепь из параллельно соединённых резисторов R3-R5 и конденсатора, осуществляющая
ограничение тока короткого замыкания и повышения крутизны переднего фронта
импульса.
2.4
Расчёт индуктивности и выбор сглаживающего дросселя
Сглаживающий дроссель включается последовательно с якорем
двигателя и его индуктивность рассчитывается следующим образом.
Критическая индуктивность силовой цепи из условия сглаживания
пульсаций выпрямленного тока
,
где
- принятая величина действующего значения
основной гармоники переменной составляющей выпрямленного тока.
Критическая индуктивность силовой цепи из условий ликвидации
прерывистого режима на холостом ходу двигателя (принят
)
;
;
;
;
Из двух значений критической индуктивности выбирается большее и по
уравнению
определяется требуемая индуктивность сглаживающего дросселя.
где
где β -
эмпирический коэффициент, для некомпенсированных машин равный 0,6.
Индуктивность сглаживающего дросселя получилась отрицательной.
Отсюда делаем вывод что индуктивности якоря двигателя и обмоток трансформатора
хватает для сглаживания пульсаций и устранения прерывистого режима на холостом
ходу. Поэтому установка сглаживающего дросселя необязательна.
2.5
Выбор СИФУ
Система импульсно - фазового управления (СИФУ) предназначена
для преобразования выходного напряжения системы управления Uу в последовательность
подаваемых на тиристоры отпирающих импульсов, момент формирования которых
смещён относительно моментов естественных открывания тиристоров на угол α, зависящий от значения Uу.
Схема СИФУ электропривода серии КТЭ приведена на рисунке 2.4
На рисунке 2.3 UR - напряжение с выхода регулятора тока; U0 - напряжение,
соответствующее начальному углу согласования; Uу - напряжение управления
на выходе ячейки согласования №122; Uзi - сигнал задания регулятора тока; τi = 0 - сигнал бестоковой паузы; 1А - анодная группа тиристоров
моста TM1; 2А - катодная группа тиристоров моста ТМ2; K1-1, K1-2 - ключи запрета
импульсов СИФУ мостов ТМ1 и ТМ2 соответственно; К2-1, К2-2 - ключи запрета
импульсов ВК мостов ТМ1 и ТМ2 соответственно; №121 - ячейка усилителей №121;
№102 - ячейка фильтров №102; №122 - ячейка согласования №122; №123 - ячейка
каналов фазового управления №123; №702 - ячейка питания №702; №704 - ячейка
питания №704; №700 - ячейка контроля питания №700; №125 - ячейка раздельного
управления №125; №118 - ячейка формирователей №118; S120А - блок импульсного
устройства S120А;
S119В - блок датчиков
состояния вентилей S119В.
Ячейка согласования №122 формирует аналоговый сигнал с выхода
регулятора тока, величина которого определяет фазу управляющих импульсов,
формирующихся в ячейке №123. Здесь же происходит ограничение аналогового
сигнала, соответствующее заданию угла регулирования αmax и αmin, а также уставка
начального угла согласования (от 60 до 130˚). По сигналу системы защиты
Рис. 2.2. Схема одного канала СИФУ
Рис. 2.3. Вентильная часть реверсивного тиристорного
преобразователя и сигнализации (СЗС) в ячейке формируется сигнал,
соответствующий максимальному углу регулирования
В ячейке №123 формируются импульсы управления длительностью
(0,54 ± 0,1) мс (8 эл. град). Основными элементами данной ячейки являются три
гибридные интегральные схемы ДК-I, каждая из которых представляет собой двухканальное
фазосмещающее устройство для управления тиристорами каждой фазы.
Система раздельного управления РУ обеспечивает надёжное
отключение ранее работающего моста, формирование качественных переходных
процессов и устойчивую работу выпрямителя в режиме прерывистых токов во всём
диапазоне изменения выпрямленного напряжения. Система раздельного управления
реверсивными тиристорными преобразователями состоит из логического
переключающего устройства (ЛПУ) и датчиков состояния тиристоров. ЛПУ выполнено
в ячейке раздельного управления №125. На вход ЛПУ подаётся сигнал задания по
току Uзi с выхода регулятора
скорости системы регулирования. При положительной полярности Uзi происходит включение
моста ТМ I
(«Вперёд»), при отрицательной - включается мост ТМ 2 («Назад»)
Для управления тиристорным преобразователем выбирается
многоканальная синхронная система с линейным опорным напряжением (пилообразное)
и вертикальным принципом управления.
Принцип вертикального управления состоит в том, что на входе
формирователя импульсов производится сравнение переменного (опорного)
развёртывающего периодического напряжения, синхронного с напряжением сети
питания преобразователя, и сигнала управления - регулируемого постоянного
напряжения.
Система управления ТП состоит:
система СИФУ;
выходных каскадов ВК;
гальванической развязки ГР;
системы раздельного управления РУ;
системы питания;
системы контроля.
Конструктивно система управления выполнена в виде выемных
ячеек, кассет, блоков и плат.
Расчёт фазовых характеристик СИФУ реверсивного тиристорного
преобразователя с пилообразным опорным напряжением производится по формуле
, (2.4)
где
- начальный угол согласования
характеристик, принимается 95˚,
- максимальное значение опорного напряжения СИФУ.
Максимальное значение угла регулирования
,
где γ - угол
коммутации при Idmax,
δ - угол восстановления запирающих свойств
тиристора,
,
где
- время выключения тиристора T25;
∆α = 3° - допустимая асимметрия импульсов.
Угол коммутации
где αн - номинальный угол, соответствующий номинальному
режиму работы двигателя

По приведённому уравнению рассчитаны фазовые характеристики
выпрямительных мостов групп «Вперёд» и
«Назад», данные расчёта приведены в таблице 2.5. Фазовые характеристики
реверсивного тиристорного преобразователя приведены на рисунке 2.4
Таблица 2.3 - Фазовые и регулировочные характеристики СИФУ и
реверсивного тиристорного преобразователя
|
Группа VSF Инвертор
|
|
Uу, В
|
-10
|
-8
|
-6
|
-4
|
-2
|
0
|
|
α1, град
|
185
|
167
|
149
|
131
|
113
|
95
|
|
Ed1, В
|
-552
|
-539
|
-474
|
-363
|
-216
|
-48
|
|
Выпрямитель
|
|
Uу, В
|
0
|
2
|
4
|
6
|
8
|
10
|
|
α1, град
|
95
|
77
|
59
|
41
|
23
|
5
|
|
Ed1, В
|
-48
|
124
|
285
|
418
|
510
|
551
|
|
Группа VSB Выпрямитель
|
|
Uу, В
|
-10
|
-8
|
-6
|
-4
|
-2
|
0
|
|
α2 град
|
5
|
23
|
41
|
59
|
77
|
95
|
|
Ed2, В
|
-551
|
-510
|
-418
|
-285
|
-124
|
48
|
|
Инвертор
|
|
Uу, В
|
0
|
2
|
4
|
6
|
8
|
10
|
|
α2 град
|
95
|
113
|
131
|
149
|
167
|
185
|
|
Ed2, В
|
48
|
216
|
363
|
474
|
539
|
552
|
Рисунок 2.5 - Фазовые характеристики тиристорного
преобразователя
2.6
Характеристики тиристорного преобразователя
Расчёт и построение регулировочных и внешних характеристик
При линейном опорном напряжении ЭДС тиристорного
преобразователя
,
по которому рассчитаны регулировочные характеристики
выпрямительных групп.
Данные расчётов представлены в таблице 2.4, а на рисунке 2.5 -
регулировочные характеристики
.
Максимальная ЭДС тиристорного преобразователя с точки зрения
безопасного инвертирования при αmax = 160˚ составляет
.
Коэффициент усиления тиристорного преобразователя определим по формуле
,
используя зависимость
(рисунок 2.6).
Рисунок 2.6 - Регулировочные характеристики тиристорного
преобразователя
Внешняя характеристика тиристорного преобразователя
при α = const (одной выпрямительной группы) в режиме
непрерывного тока в соответствии со схемой замещения реверсивного тиристорного
преобразователя, представленной на рисунке 2.6, может быть представлена
следующим уравнением
,
где
- для мостовой схемы выпрямления;
- активное сопротивление фазы трансформатора;
- индуктивное сопротивление фазы трансформатора.
.
При
в граничном режиме
.
В прерывистом режиме напряжение и ток определяются по следующим
формулам
;
При λ = 0 (
)
При
По приведенным формулам рассчитаны зависимости
(табл. 2.5) при различных α
= 15˚, 30˚, 60˚, 75˚, 90˚, 120˚, 135˚, 160˚,
которые представлены на
рисунке 2.8.
Таблица 2.4 - Зависимость
.
|
α=15 град
Idгр.=6,47
|
|
λ, град
|
0
|
45
|
50
|
55
|
60
|
|
|
|
|
|
|
Id, A
|
0
|
1,44
|
2,62
|
4,34
|
6,47
|
50
|
100
|
400
|
800
|
1200
|
|
Ud, В
|
580
|
560,5
|
553,4
|
544,9
|
535,2
|
503,9
|
502,2
|
491,8
|
478
|
464,2
|
|
α=30 град
Idгр.=12,5
|
|
λ, град
|
0
|
45
|
50
|
55
|
60
|
|
|
|
|
|
|
Id, A
|
0
|
4,27
|
6,44
|
9,33
|
12,5
|
50
|
100
|
400
|
800
|
1200
|
|
Ud, В
|
580
|
522,2
|
509,1
|
494,9
|
479,6
|
451,2
|
449,5
|
439,1
|
425,3
|
411,5
|
|
α=45 град
Idгр.=17,7
|
|
λ, град
|
0
|
45
|
50
|
55
|
60
|
|
|
|
|
|
|
Id, A
|
0
|
6,79
|
9,79
|
13,65
|
17,7
|
50
|
100
|
400
|
800
|
1200
|
|
Ud, В
|
560
|
448,4
|
430,3
|
411,3
|
391,6
|
367,3
|
365,6
|
355,3
|
341,5
|
327,7
|
|
α=60 град
Idгр.=21,6
|
|
λ, град
|
0
|
45
|
50
|
55
|
60
|
|
|
|
|
|
|
Id, A
|
0
|
8,84
|
12,48
|
17,04
|
21,6
|
50
|
100
|
400
|
800
|
1200
|
|
Ud, В
|
502
|
344
|
322,2
|
299,8
|
276,9
|
258,1
|
256,4
|
246
|
232,2
|
218,4
|
|
α=75 град
Idгр.=24,1
|
|
λ, град
|
0
|
45
|
50
|
55
|
60
|
|
|
|
|
|
|
Id, A
|
0
|
10,3
|
14,32
|
19,27
|
24,1
|
50
|
100
|
400
|
800
|
1200
|
|
Ud, В
|
410
|
216,3
|
192,1
|
167,7
|
143,3
|
130,8
|
129,1
|
118,7
|
104,9
|
91,16
|
|
α=90 град
Idгр.=25
|
|
λ, град
|
0
|
45
|
50
|
55
|
60
|
|
|
|
|
|
|
Id, A
|
0
|
11,05
|
15,18
|
20,18
|
25
|
50
|
100
|
400
|
800
|
1200
|
|
Ud, В
|
290
|
73,7
|
48,9
|
24,3
|
0
|
-5,72
|
-7,45
|
-17,8
|
-31,6
|
-45,4
|
|
α=120 град
Idгр.=21,6
|
|
λ, град
|
0
|
45
|
50
|
55
|
60
|
|
|
|
|
|
|
Id, A
|
0
|
10,3
|
13,81
|
17,92
|
21,6
|
50
|
100
|
400
|
800
|
1200
|
|
Ud, В
|
0
|
-216,3
|
-237,4
|
-257,6
|
-266,9
|
-269,5
|
-271,2
|
-281,6
|
-295,4
|
-309,2
|
|
α=135 град
Idгр.=17,7
|
|
λ, град
|
0
|
45
|
50
|
55
|
60
|
|
|
|
|
|
|
Id, A
|
0
|
8,84
|
11,67
|
14,89
|
17,7
|
50
|
100
|
400
|
800
|
1200
|
|
Ud, В
|
-150
|
-344
|
-361,1
|
-366,9
|
-371,6
|
-378,8
|
-380,5
|
-390,9
|
-404,7
|
-418,5
|
|
α=160 град
Idгр.=8,55
|
|
λ, град
|
0
|
45
|
50
|
55
|
60
|
|
|
|
|
|
|
Id, A
|
0
|
5,15
|
6,44
|
7,73
|
8,55
|
50
|
100
|
400
|
800
|
1200
|
|
Ud, В
|
-372
|
-501,3
|
-509,1
|
-510,5
|
-512,4
|
-521,5
|
-523,2
|
-525,6
|
-527,4
|
-541,2
|
Рисунок 2.8 - Внешние характеристики тиристорного
преобразователя
2.7
Энергетические характеристики тиристорного преобразователя
Энергетические характеристики тиристорных преобразователей
оцениваются коэффициентом мощности χ и коэффициентом полезного
действия η.
Коэффициент мощности χ в самом общем случае
может быть определён как отношение активной мощности, потребляемой
преобразователем P, к полной мощности S (кажущейся мощности для несинусоидальных токов)
(2.5)
Полная и активная мощности, потребляемые из сети в общем случае
несинусоидальных напряжений и токов
(2.6)
(2.7)
где
- фазные первичные действующие значения
основных гармоник напряжения и тока;
- действующие значения фазных напряжений и тока высших гармоник;
- угол сдвига между векторами основных гармоник фазных напряжений
и токов;
- угол сдвига между векторами напряжений и тока высших гармоник.
В случае
, что справедливо для мощных сетей,
коэффициент искажения по напряжению
(2.8)
а по току
(2.9)
величина, которого для трёхфазного мостового выпрямителя
.
Активная мощность, потребляемая из сети
, (2.10)
где
Коэффициент мощности без учёта процесса коммутации определяется по
формуле
(2.11)
Для регулируемого мостового выпрямителя с учётом процесса
коммутации (
) коэффициент мощности определяется по
формуле
, (2.12)
где
- коэффициент искажения кривой первичного
тока с учётом коммутации.
Активная и реактивная мощности по первой гармонике тока
; (2.13)
, (2.14)
где
; (2.15)
. (2.16)
Мощность искажения (дисторции)
(2.17)
Порядок расчёта следующий: определяются следующие величины:
. Первичный линейный ток (обмотка соединена по схеме треугольника)
. Первичный фазный ток
. Первая гармоника первичного фазного тока
. (2.18)
. Коэффициент искажения по току с учётом коммутации
, (2.19)
где γ - угол
коммутации,
(2.20)
Угол регулирования α в расчётах принимается от αmin = 15˚ до αmax = 180˚ - βmin=156˚;
p=6 - число пульсаций выпрямленного тока;
- максимальное значение выпрямленной ЭДС при α
= 0;
- индуктивное сопротивление фазы трансформатора.
. Полная мощность
(2.21)
. Активная мощность
. (2.22)
. Реактивная мощность
. (2.23)
. Коэффициент мощности
. (2.24)
. Мощность дисторции
(2.25)
Результаты расчётов зависимостей S, P, Q, D, χ =
(α)
представлены в таблице 2.5 и на рисунке 2.8.
Таблица 2.5 - Результаты расчёт энергетических характеристик
|
α, град
|
S, ВА
|
P, Вт
|
Q, ВАр
|
D, ВА
|
χ
|
|
15
|
267906
|
240347
|
98894
|
65010
|
0,897
|
|
30
|
267906
|
213316
|
146193
|
69978
|
0,796
|
267906
|
171796
|
192443
|
72284
|
0,641
|
|
60
|
267906
|
118220
|
228921
|
73432
|
0,441
|
|
75
|
267906
|
56047
|
251317
|
73970
|
0,209
|
|
90
|
267906
|
-10594
|
257237
|
74096
|
-0,039
|
|
120
|
267906
|
-139477
|
216742
|
73092
|
-0,520
|
|
135
|
267906
|
-193214
|
171304
|
71390
|
-0,721
|
|
160
|
267906
|
-253418
|
109188
|
66554
|
-0,878
|
Рисунок 2.8 - Энергетические характеристики тиристорного
преобразователя
Как обычно под КПД подразумевается отношение отдаваемой
выпрямителем мощности Pd к потребляемой из сети активной мощности P.
(2.26)
Для случая работы выпрямителя со сглаженным выпрямленным током,
при малой величине пульсаций кривой выпрямленного тока
, можно считать, что
, (2.27)
где
- выпрямленное напряжение на выходе
преобразователя;
- номинальный ток двигателя.
Тогда
. (2.28)
Необходимо определить номинальное значение КПД, рассчитать и
построить зависимости
при
, и
при
. Исходные данные для расчёта:
;
;
;
;
;
;
;
;
;
.
Результаты расчётов представлены в таблице. 2.6, 2.8.
Примечание. При
преобразователь работает в инверторном режиме и
.
Таблица 2.6 - Зависимость η=f(Id)
при αн= 4,43°
|
Id, А
|
50
|
100
|
200
|
300
|
400
|
460
|
500
|
600
|
700
|
800
|
|
I1ф, А
|
5,096
|
10,192
|
15,288
|
20,38
|
25,48
|
30,57
|
35,67
|
40,76
|
45,86
|
50,95
|
|
η
|
0,929
|
0,92
|
0,911
|
0,903
|
0,894
|
0,885
|
0,877
|
0,868
|
0,859
|
0,851
|
Таблица 2.7 - Зависимость η=f (α) при Id = 1600 A, I1ф = 51,55 А.
|
α, град
|
15
|
25
|
35
|
45
|
55
|
65
|
75
|
85
|
87
|
|
η
|
0,89
|
0,886
|
0,879
|
0,867
|
0,847
|
0,808
|
0,716
|
0,246
|
0,001
|
По результатам расчёта на рисунке 2.9 и 2.10 построены зависимости
и
.
Рисунок 2.9 - Зависимость
тиристорного преобразователя
Рисунок 2.10 - Зависимость
тиристорного преобразователя
2.8
Защиты тиристорного преобразователя
Защита преобразователя осуществляется от
внутренних и внешних аварийных режимов.
Причиной возникновения внутренних аварий
являются всевозможные неисправности элементов самой силовой схемы тиристорного
преобразователя. К ним относятся:
- пробой тиристоров
силового моста;
- одновременное включение
встречно-параллельных мостов реверсивного тиристорного преобразователя с
раздельным управлением группами.
К внешним авариям, которые характеризуются
внешними причинами, относятся:
- недопустимые перегрузки;
- короткие замыкания на
шинах постоянного и переменного токов;
- однофазное и двухфазное
опрокидывание инвертора.
В вентильных преобразователях могут
возникнуть аварийные режимы, сопровождающиеся недопустимыми по значению и
длительности токами через вентили, например, внешние и внутренние короткие
замыкания; опрокидывание инвертора; появление чрезмерных уравнительных токов в
реверсивных ТП с совместным управлением тиристорными группами; отпирание
тиристоров в неработающей группе (работа группы на группу) в реверсивных ТП с
раздельным управлением вентильными группами.
Внутренние короткие замыкания возникают
вследствие потери тиристором запирающих свойств и закорачивании р-n структуры (пробой
тиристора).
Причинами пробоя тиристора могут явиться:
высокая скорость нарастания тока (больше 20-200 А/мкс), нарушение механической
целости р-n
структуры при чрезмерном токе, усталостное
разрушение её при цикличной токовой
нагрузке преобразователя.
Опрокидывание инвертора является
следствием нарушения правильной коммутации тока с одного вентиля на другой. В
преобразователях, имеющих трёхфазную мостовую схему, могут произойти однофазные
и двухфазные опрокидывания инвертора. В первом случае аварийный ток протекает
через два тиристора, соединённых с одной фазой трансформатора, который в этом
случае работает в режиме холостого хода. Во втором случае ток протекает через
два тиристора и две фазы трансформатора. В те полупериоды переменного
напряжения, когда линейное напряжение трансформатора действует согласно с
напряжением источника постоянного тока, происходит быстрое нарастание
аварийного тока.
Опрокидывания инверторов возникают
вследствие пропуска отпирания очередного тиристора (в трёхфазной мостовой схеме
это приводит к двухфазному, а затем к однофазному опрокидыванию), снижения
напряжения сети переменного тока, что приводит к увеличению тока инвертора и
угла коммутации, который может стать больше угла опережения инвертора.
Причиной опрокидывания инвертора может
быть скачок управляющего напряжения на входе системы фазового управления в
сторону увеличения угла опережения, а также отпирание тиристора под действием
импульсов помех на управляющем электроде, перенапряжений или высокой скорости
нарастания напряжения на тиристоре в прямом направлении.
Чрезмерные токи в контуре уравнительных
токов возникают в реверсивных вентильных преобразователях с совместным
управлением вследствие нарушения соотношения α1+α2>180°, что приводит к
появлению постоянной составляющей в уравнительном токе, насыщению уравнительных
реакторов и быстрому нарастанию уравнительного тока до аварийного.
Отпирание тиристоров в неработающей группе
(открывание группы на группу) в реверсивных преобразователях с раздельным
управлением вентильными группами происходит при подаче на них управляющих
импульсов вследствие неисправностей в системе раздельного управления или
кратковременного исчезновения и восстановления напряжения собственных нужд.
Требования
к защите
Защита преобразователей должна действовать
при внешних и внутренних к.з., при возникновении аварийных токов между
тиристорными группами и при опрокидывании инвертора. При внешних к.з. и
опрокидываниях инвертора защита должна отключать преобразователь со стороны
постоянного тока.
Кроме того, при внешних к.з. желательна легализация
аварийного тока по месту (предотвращение перехода аварийного тока на следующие
по порядку коммутации в схеме вентили) и по времени (ограничение тока. к.з.
первой полуволны), что должно обеспечиваться устройством защиты по управляющему
электроду, которое снимает или сдвигает к границе инверторного режима
управляющие импульсы. При опрокидываниях инвертора эта защита неэффективна.
При внутренних к.з. защита должна
отключать весь преобразователь или повреждённый тиристор (защита по
управляющему электроду при этом должна снять или сдвинуть к границе
инверторного режима управляющие импульсы).
При появлении аварийных токов между
тиристорными группами защита должна разомкнуть цепь аварийного тока или
отключить преобразователь от сети.
Основные требования, предъявляемые к
аппаратам устройствам защиты, заключаются в следующем:
1. Максимальное быстродействие. С
ростом продолжительности протекания аварийного тока увеличиваются размеры
повреждений преобразователя, а при опрокидываниях инвертора возрастает
абсолютное, значение аварийного тока. Малая теплоёмкость кремниевого элемента и
обусловленная ею высокая чувствительность тиристоров к значению и
продолжительности протекания аварийных токов определяют высокие требования к
быстродействию защиты тиристорных преобразователей.
2. Селективность. Отключение только
повреждённых вентилей без нарушения работы исправных вентилей и преобразователя
в целом. В то же время, при срабатывании защиты, отключающей преобразователь в
целом, не должна срабатывать защита, отключающая вентили.
. Чувствительность. Обеспечение
срабатывания защиты при возможно меньших значениях аварийных токов.
4. Надёжность, помехоустойчивость,
простота настройки и обслуживания.
Выбор
защитных аппаратов
Защита
плавкими предохранителями
Защита от внутренних коротких замыканий,
возникающих в случае пробоя тиристоров или потери тиристором запирающих
свойств, осуществляется быстродействующими плавкими предохранителями,
включенными последовательно с тиристорами. В схеме преобразователя
предусмотрено параллельное соединение тиристоров (3 тиристора в плече). При
пробое одного из работающих тиристоров преобразователь может продолжать работу,
но длительность такой работы ограничена во времени. Поврежденный тиристор при
этом выключается из работы предохранителем, а в схему индикации подается сигнал
о перегорании предохранителя.
Номинальный ток основания предохранителя
при установке предохранителя последовательно с вентилем
где n - число параллельно включенных вентилей.
Этим условиям удовлетворяет плавкий предохранитель ПН2-100-У3 c
, время отключения 10 мс.
Номинальный ток плавкой вставки:
,
где
- коэффициент запаса по току, не менее
1,2.
Защита
автоматическими выключателями
Автоматические выключатели являются
защитными аппаратами многократного действия и предназначены для защиты
вентильных преобразователей от внешних коротких замыканий, опрокидывания
инвертора и перегрузок по току. Выключатели устанавливаются на стороне
переменного и выпрямленного токов.
Место включения автоматических
выключателей в схемах вентильных преобразователей определяется теми наиболее вероятными
аварийными режимами, от которых предусматривается защита. При этом должны
учитываться специфика работы преобразователя, требования защиты вентилей и
селективности отключения поврежденной цепи.
Выключатели на стороне переменного
напряжения защищают преобразователь как от внутренних, так и от внешних
аварийных режимов в выпрямительном режиме. В инверторном режиме при прорыве
инвертора аварийный ток замыкается через вентили одной фазы, минуя цепь
переменного тока (однофазное опрокидывание инвертора), и в этом случае не
разрывается автоматическим выключателем. В связи с этим, такие схемы могут
применяться для преобразователей, где режим инвертирования не применяется, и
для возбудителей, поскольку обмотку возбуждения двигателей нежелательно
отключать от источника питания («разнос»).
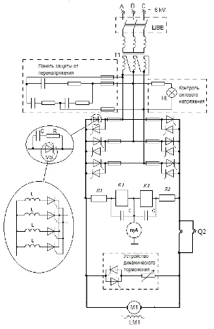
Преобразователь питается от сети 10 кВ и
подключение трансформатора к сети осуществляется разъединителем, установленном
в ШВВ, а защита от коротких замыканий в трансформаторе, двухфазного
опрокидывания инвертора, от включения группы на группу реверсивного
преобразователя осуществляется масляным выключателем ВММ-10.
Защита вентильного преобразователя, а также якоря двигателя от
аварийных режимов на стороне постоянного тока (короткое замыкание, круговой
огонь на коллекторе, перегрузка), осуществляется быстродействующими
автоматическими выключателями А3713Б (Q2, Q3 смотреть рисунок 11.) на выпрямленное напряжение 220 В
(два полюса выключателя соединены последовательно), а между собой соединены
параллельно, обеспечивая протекание номинального тока
; тепловой расцепитель на 2. 500=1000
А; электромагнитный расцепитель на 2. 549,45=1098,9 А; уставка по
току срабатывания: теплового расцепителя 2. 575=1150 А,
электромагнитного расцепителя не менее 2.75. 1098,901=3021,91 А
(выбирается 4000 А).
Защита
от перенапряжений
Процессы, протекающие в вентильных
преобразователях, часто сопровождаются перенапряжениями, которые, воздействуя
на вентили, могут привести к их пробою, вызывающему, как правило короткое замыкание.
Основными видами перенапряжений являются:
1. Сетевые перенапряжения, обусловленные
действием сетевой коммутационной аппаратуры или атмосферных явлений.
. Схемные перенапряжения неповторяющегося
характера, связанные с действием коммутационной аппаратуры вентильного
преобразователя. Это перенапряжения, связанные с включением питающего
трансформатора, подключением вентильного преобразователя к источнику
переменного напряжения, отключением питающего трансформатора, а также
отключением тока нагрузки при помощи автоматического выключателя.
3. Схемные повторяющиеся перенапряжения - они обусловлены
работой вентилей в силовой схеме и являются либо резонансными, либо
коммутационными.
Резонансные перенапряжения связаны с
потреблением из сети несинусоидального тока и прерывистым режимом работы
преобразователя.
Коммутационные схемные перенапряжения вызываются
периодическим переходом вентилей из закрытого состояния в открытое и обратно.
Они характеризуются (при отсутствии ограничительных устройств) крутым фронтом (до
1000 В/мкс) и значительной амплитудой (до 10-кратного значения по отношению к
рабочему напряжению).
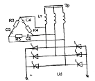
Для ограничения перенапряжений широко
применяются накопители энергии - конденсаторы, входящие в состав RC-цепочек. В целях защиты
от коммутационных перенапряжений, поступающих из питающей сети, при коммутациях
трансформатора и цепей нагрузки, RC-цепочки включают на вторичной стороне
трансформатора по схеме, приведенной на рисунке 2.11.
С учетом параметров питающего
трансформатора емкость демпфирующего конденсатора СЗ (С4, С5) в защитных цепях
трехфазных схем выпрямления (рисунок 2.11) определится по формуле
, мкФ, (2.29)
где
- мощность питающего трансформатора, кВА;
Uo6p.max -
амплитудное значение обратного (прямого) напряжения на тиристоре, В;
Uн.т. -
максимально допустимое напряжение для защищаемых тиристоров, В;
I0 - ток
холостого хода трансформатора, А.
Рисунок 2.11 - Схемы включения RC-цепочек
Для рассматриваемого трансформатора:
Значение емкости принимаем из стандартного
ряда Е24 равной 1,6 мкФ.
При заряде конденсатора, в результате
перенапряжений в контуре RC происходит колебательный процесс перехода
электромагнитной энергии в электростатическую и обратно. Для настройки
колебательного контура на апериодический процесс, последовательно с
конденсатором устанавливается резистор R3, сопротивление которого
должно быть больше двукратного волнового сопротивления этого контура.
Из стандартного ряда Е24 значение сопротивления принимаем равным
27 Ом.
Разрядное сопротивление R2
выбирается из условий разряда С1 на 10% за один полупериод частоты питающей
сети.
(2.30)
где С1 - ёмкость конденсатора, Ф.
Для защиты от коммутационных перенапряжений применяются RC-цепочки, включенные параллельно
тиристорам (рисунок 2.12).
Рисунок 2.12 - Схема включения RC-цепочки
Емкость конденсатора определяется по
формуле
(2.31)
где ек = 0,061 - напряжение короткого замыкания
трансформатора в относительных единицах;
ITRM-800 A - максимально действующее значение тока тиристоров в открытом
состоянии;
UDRM=Uн.m.=1000 В-повторяющееся импульсное напряжение тиристоров в закрытом
состоянии;
IRmax - максимальное значение обратного тока.
где τ = 20 мкс
- время восстановления вентиля Т16-320.

Значение емкости принимаем из стандартного ряда Е24 равной 510 нФ.
Сопротивление R выбирается
равным
Из стандартного ряда Е24 значение сопротивления принимаем равным
43 Ом.
Контроль
питающего напряжения, выпрямленного напряжения и тока
Наличие и уровень напряжения питающей сети
контролируются с помощью трехфазного реле. При исчезновении фазы или при
снижении на 48% напряжения одной из фаз реле подает команду на отключение
автоматических выключателей. Световое табло сигнализирует о включенном и
выключенном состоянии масляного выключателя.
Для визуального контроля величины
выпрямленного тока и напряжения предусмотрены амперметр, подключенный к шунту,
и вольтметр, в цепи которого имеются предохранители.
На стороне переменного тока
преобразователя установлены трансформаторы тока, сигналы которых через
разделительный трансформатор поступают в систему импульсно-фазового управления
и систему защиты от токов короткого замыкания.
При помощи указанных трансформаторов,
измеряющих ток преобразователя, а также блока датчиков состояния тиристоров
(БДС), контролирующих закрытое состояние тиристоров, формируется логический
сигнал на переключение выпрямительных групп реверсивного преобразователя.
Контроль
изоляции
На стороне постоянного тока
преобразователя установлен узел контроля изоляции цепи выпрямленного тока на
землю. Контроль осуществляется при помощи двухобмоточного реле типа РН 55/200,
катушки которого включены между собой встречно и последовательно с
сопротивлениями на напряжение моста, а средняя точка катушек подключена, к
«земле» через показывающий миллиамперметр.
При одинаковом уровне изоляции полюсов преобразователя
относительно «земли» через включенные встречно обмотки реле протекает
одинаковый ток и ампервитки катушек реле уравновешивают друг друга. При
снижении уровня изоляции одного из полюсов относительно «земли» реле срабатывает
и подает в схему предупреждающий сигнал «снижение уровня изоляции силовой
цепи». Уставка срабатывания реле определяется величиной сопротивлений. Для
исключения влияния переменной составляющей выпрямленного напряжения на уставку
срабатывания реле катушки зашунтированы конденсаторами. Миллиамперметр
позволяет визуально оценить снижение изоляции между «землей» и одним из полюсов
преобразователя по отношению к уровню изоляции между «землей» и другим полюсом.
Схема контроля изоляции представлена на рисунке 2.13.
Рисунок 2.13 - Силовая схема электропривода серии КТЭ
3. Сравнительная характеристика разработанного
тиристорного преобразователя и промышленного аналога
|
Основные
характеристики
|
Разработанный
ТП
|
Промышленный
аналог ТП КТЭ - 1600/220 - 132 - УХЛ4
|
|
Номинальный
ток, А
|
1221
|
1600
|
|
Номинальное
напряжение, В
|
220
|
220
|
|
Схема
выпрямления
|
мостовая
|
мостовая
|
|
Способ
включения
|
встречно-параллельная
|
встречно-параллельная
|
|
Способ
управления
|
раздельное
|
раздельное
|
|
Тип тиристора
|
Т25
|
T25
|
|
Количество
тиристоров в плече, штук
|
3
|
3
|
|
Вид вентиляции
|
естественная
|
естественная
|
|
Тип
автоматических выключателей
|
на постоянной
стороне: А3713Б на переменной стороне: ВММ-10
|
на постоянной
стороне: А3713Б на переменной стороне: ВММ-10
|
Заключение
Спроектированный тиристорный преобразователь удовлетворяет
требованиям задания на проектирование, имеет подходящий по техническим данным
аналог. Данный тиристорный преобразователь питается через трансформатор от стандартной
сети 10 кВ. Имеет естественное охлаждение, которое является наиболее простым и
надёжным в эксплуатации, и как вследствии этого три параллельно включенных
тиристоров в плече с индуктивными делителями тока. Разработанный тиристорный
преобразователь для питания двигателя на UН=220В и IН=1600А отличается от
промышленного аналога отсутствием сглаживающего дросселя и применением менее
мощных тиристоров, так как запас по току даже при перегрузки хватает.
Разработанная система защиты должна исключить внутренние и внешние аварийные
режимы при неисправностях элементов силовой схемы в тиристорном преобразователе
или недопустимых перегрузках и коротких замыканиях.
Список используемых источников
1.
Косматов В.И. Проектирование электроприводов металлургического производства.
Учебное пособие: Магнитогорск, МГТУ 1998, 224 с.
.
Комплектные тиристорные электроприводы: Справочник / И.Х. Евзоров, А.С. Горобец
М.: Энергоатомиздат, 1982, 411 с.
.
Замятин В.Я. и др. Мощные полупроводниковые приборы. Тиристоры: Справочник/М.:
Радио и связь, 1988, 576 с.
.
Трансформаторы серии ТПС, ТПЗП для питания комплектных тиристорных
преобразователей и электроприводов: Каталог 03.34.07 - 84. М.: информэлектро,
1985, 6 с.
.
Курс лекций по преобразовательной технике /Лектор: В.И. Косматов/