Тиристорный преобразователь постоянного тока
Введение
Электропривод постоянного тока на основе тиристорных
преобразователей в настоящее время является одним из основных типов
промышленного регулируемого электропривода в прецизионных системах
воспроизведения движения. Это объясняется рядом достоинств этого типа
электропривода: основные достоинства следующие:
) высокое быстродействие, которое ограничивается
коммутационной способностью двигателя и механической инерционностью привода;
) мгновенная готовность к работе, широкий диапазон температур
и длительный срок службы;
) номинальный коэффициент полезного действия преобразователя
превышает 92-96%;
) малые весогабаритные показатели; блочная компоновка
позволяет сократить требуемые производственные площади, уменьшить капитальные
затраты и расходы на установку и эксплуатацию.
В то же время тиристорным электроприводам свойственны
недостатки:
) пульсации выпрямленного напряжения и тока на выходе
тиристорного преобразователя повышают нагрев и ухудшают коммутацию двигателя,
что требует установки сглаживающих реакторов;
) при глубоком регулировании напряжения тиристорный
преобразователь имеет низкий коэффициент мощности, что требует разработки и
установки специальных компенсирующих устройств;
) при работе тиристорного преобразователя искажается форма
напряжения в сети переменного тока и возникают помехи.
Рассмотренная в данном курсовом проекте Н-схема относится к
реверсивным, двухкомплектным, перекрёстным, сложным преобразователям. В Н-схеме
имеется два контура уравнительных токов. Выявленное в курсовом проекте достоинство
Н-схемы - это возможность использования одного реактора и одного выключателя на
оба направления тока. При использование одного реактора уменьшаются габариты
преобразователя, хотя в данной схеме применяется достаточно сложное
трансформаторное оборудование, имеющего увеличенную габаритную мощность и
последовательное соединение вентильных групп, то есть Н-схема может применятся
в мощных преобразователях с номинальным напряжением превышающем 1000 В.
Задание
Алгоритм проектирования системы тиристорный
преобразователь-двигатель:
) рассчитать параметры и выбрать элементы силовой схемы
тиристорного преобразователя (трансформатор, вентили, уравнительный реактор,
защитные элементы и аппаратуру). Выбрать и привести структурную или
функциональную и полную принципиальную электрическую схему системы
импульсно-фазового управления преобразователя, а также схему электронных защит.
Подробно описать эти схемы;
) в соответствии с типом силовой схемы преобразователя,
способом управления тиристорными группами, особенностями схемы системы
импульсно-фазового управления рассчитать и построить:
а) регулировочные характеристики тиристорного
преобразователя: E d =f (a), U d= =f (a),a = f (U У), E d = f (U У), где E d, U d - соответственно ЭДС и
напряжение на выходных зажимах тиристорного преобразователя; UУ - напряжение управления
на входе тиристорного преобразователя; a - угол регулирования,
определяющий момент принудительного включения вентилей относительно точек их
естественного отпирания;
б) внешние характеристики тиристорного преобразователя Ud =f(IД) для углов α, соответствующим следующим значениям ЭДС на двигателе: ±UДН; ±0,75UДН; ±0,5UДН; ±0,25UДН; UДН = 0, где UДН - номинальное значение
напряжения на обмотке якоря двигателя, а также совмещённые внешние Ud =f(IД) и регулировочные Ud =f(α) при IД.ном характеристики в двух квадрантах для выпрямительного и
инверторного режима тиристорного преобразователя;
в) ограничительные зависимости на семействе внешних
характеристик для инверторного режима работы тиристорного преобразователя: Ud =f(IД) при δmin =const (δmin - минимальный угол восстановления тиристоров);
г) построение зоны прерывистых токов;
д) зависимости полной мощности и её составляющих, дисторции,
коэффициента мощности от относительной ЭДС Ed*: S, P, Q, D, χ = f(α) для режима непрерывного
тока Id, а также определить номинальное значение КПД, рассчитать и
построить зависимости η=f(IД) при α=αном и η=f(α) при Id=Id ном;
е) электромеханические (скоростные) характеристики ω=f(Iя) при значениях UД.Н из пункта 2б для всех режимов протекания тока
нагрузки;
ж) временные диаграммы кривой выпрямленной ЭДС при
номинальном значении угла ωном и кривой входной ЭДС в
инверторном режиме при соответствующем угле β;
з) проанализировать структурную или функциональную схему
системы импульсно - фазового управления преобразователем, описать назначение
блоков, их взаимодействие в структуре. Привести принципиальную электрическую
схему системы импульсно-фазового управления, а также схему электронных защит;
описать их работу.
Технические
данные преобразователя и нагрузки
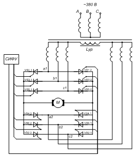
1. H-схема реверсивного тиристорного преобразователя
с совместным способом управления его преобразовательными группами (ПГ).
. Основные параметры двигателя постоянного тока
ПБВ-100М, на который работает тиристорный преобразователь:
номинальная мощность
номинальное напряжение якоря
номинальный ток якоря
КПД двигателя
номинальная скорость
максимальная частота вращения в продолжительном режиме
номинальный момент
максимальный момент при пуске
электромагнитная постоянная
времени
индуктивность обмотки якоря
сопротивление обмотки якоря при 15⁰С
постоянная ЭДС
масса электродвигателя с
тахогенератором
. Параметры питающей сети:
линейное напряжение питающей сети
колебания напряжения питающей сети
частота питающей сети
допустимая величина уравнительного
тока
допустимая амплитуда пульсации тока якоря электродвигателя
. Параметры схемы:
коэффициент схемы тиристорного преобразователя
число активных тиристоров в схеме тиристорного
преобразователя
расчётный коэффициент
расчётный коэффициент
расчётный коэффициент
расчётный коэффициент
число пульсаций
число фаз выпрямления

Рисунок А - Схема силовой части тиристорного преобразователя
1. Силовая часть преобразователя
.1 Расчёт мощности и выбор силового
трансформатора
При расчёте мощности и выборе
трансформатора исходными являются следующие основные величины:
а) номинальное выпрямленное
напряжение и ток преобразователя;
б) напряжение питающей сети;
в) допустимые колебания напряжения
сети;
г) число фаз первичной и вторичной
обмоток трансформатора;
д) частота сети.
Расчёт рекомендуется начинать с определения требуемого значения
вторичной ЭДС трансформатора
из общего соотношения для всех схем
, (1.1)
где m - число эквивалентных фаз выпрямления
схемы ТП.
Выражение (1.1) может быть представлено так же в виде
, (1.1а)
где
- коэффициент схемы тиристорного
преобразователя.
Выражение для определения значения ЭДС
на выходе тиристорного преобразователя
при номинальном режиме работы и при непрерывном токе на предварительном этапе
расчёта имеет вид:
, (1.2)
где
- номинальное значение ЭДС двигателя:
,
- номинальное напряжение электродвигателя,
- номинальный ток электродвигателя,
- активное сопротивление обмотки якоря двигателя с учётом
сопротивления компенсационной обмотки и добавочных полюсов, приведённое к
рабочей температуре 80⁰С,
, (1.3)
где К=1.32 - для машин постоянного
тока 4÷6 габаритов.
Сопротивления компенсационной обмотки и добавочных полюсов не заданы,
соответственно в формуле (1.3) их не учитываем.
,
.
- суммарное активное сопротивление цепи выпрямленного тока
(включает в себя сопротивление фазы силового трансформатора
, реакторов
, полное сопротивление якорной цепи машины постоянного тока
, то есть с учётом сопротивления
сглаживающего дросселя, динамическое сопротивление
.
, (1.4)
на предварительном этапе проектирования величина
принимается равной
- падение напряжения на уравнительном реакторе, принимается
равным
;
- предварительное значение минимального угла регулирования,
соответствующее номинальному режиму электропривода. В случае, когда к
проектируемому электроприводу предъявляются высокие требования в отношении
быстродействия при отработке разного рода возмущений за счёт изменения
напряжения преобразователя (динамический запас
), величину
следует принимать равной
(например, при разработке электропривода
непрерывного стана горячей прокатки, работающего в режиме ударного приложения
нагрузки); если особых требований в отношении динамических показателей к
электроприводу не предъявляется или отсутствует «привязка» к технологии,
значение угла принимаем равным
. В нашем случае принимаем
.
- падение напряжения на тиристоре, на предварительном этапе
расчёта можно принять
.
расчётные коэффициенты, зависящие от схемы выпрямления (смотреть
параметры схемы).
- коэффициент, учитывающий соотношение мощности системы
тиристорный преобразователь - двигатель и питающей сети. Если эти мощности
соизмеримы, то
выбирают в пределах
. Это относится, в основном, к мощным
приводам (свыше 250 кВт). При проектировании маломощных электроприводов (до 10
кВт) и электроприводов средней мощности величину
уменьшают до
. В нашем случае принимаем
.
- напряжение короткого замыкания и потери в меди трансформатора
(в процентах),
;
- возможные колебания напряжения в сети (в процентах),
.
Для маломощных приводов можно принять
Подставим рассчитанные значения в формулу (1.2):
.
По формуле (1.1а) получаем:
.
Действующее значение фазного тока вторичной обмотки
, (1.5)
где
- коэффициент связи,
.
.
Действующее значение фазного тока первичной обмотки
, (1.6)
где
- коэффициент трансформации,
; (1.7)
- коэффициент связи по току,
.
.
При соединении первичной обмотки звездой
. (1.8)
Расчётное значение типовой мощности трансформатора определяется по
формуле
, (1.9)
где
- коэффициент мощности, зависящий от
схемы выпрямления и числа первичных и вторичных обмоток трансформатора,
.
По рассчитанной величине фазной ЭДС на вторичной стороне силового
трансформатора
выбираем трансформатор типа ТСП 7/0.7 со
следующими параметрами:
номинальная мощность трансформатора
номинальное линейное напряжение на первичной об мотке
номинальное фазное напряжение на вторичной об мотке
номинальный ток вторичной
обмотки
напряжение короткого замыкания
ток холостого хода
потери на холостой ход
потери на короткое замыкание.
Полное сопротивление фазы трансформатора, приведённое к вторичной
обмотке
. (1.10)
Активное сопротивление фазы трансформатора может быть определено
по формуле:
. (1.11)
Индуктивное сопротивление питающей фазы трансформатора
. (1.12)
Индуктивность фазы трансформатора
. (1.13)
Зная фактическое значение вторичного фазного напряжения
, необходимо уточнить значение ЭДС
по формуле (1.1а):
.
1.1 Выбор тиристоров
В схемах статических преобразовательных устройств силового
типа широко применяются тиристоры, которые являются нелинейными электрическими
ключами, работающими в функции тока управления.
Выбор тиристора по напряжению и определение его класса
осуществляется на основании следующей расчётной формулы:
, (1.14)
где
- действующее значение линейного
напряжения;
N - количество последовательно соединённых и одновременно
коммутируемых тиристоров в схеме тиристорного преобразователя;
- коэффициент равномерности деления напряжения по последовательно
соединённым тиристорам (при N ≥ 2,
);
- коэффициент нагрузки, значение
предварительно принимается
. В нашем случае принимаем
.
Расчётное значение
округляется до сотен, полученное число делится на 100В, результат
деления - это класс тиристора
:
,
.
Выбор тиристора по току должен производиться на основании величины
максимального среднего значения тока, проходящего через прибор
, (1.15)
где
- коэффициент перегрузки по току
двигателя. Для общепромышленной серии МПТ
. В нашем случае принимаем
.
.
По рассчитанным параметрам выбирается низкочастотный силовой
унифицированный тиристор Т122-20-1 с параметрами:
повторяющееся импульсное обратное напряжение
импульсное напряжение в открытом состоянии при
, не более
критическая скорость нарастания в закрытом состоянии
максимально допустимый средний ток в открытом
состоянии
ток удержания, не более
защитный показатель
критическая скорость нарастания тока в открытом
состоянии
допустимый импульсный ток
управления
время включения
время выключения
время восстановления
динамическое сопротивление в открытом состоянии,
не более
отпирающий постоянный ток
управления
максимально допустимый действующий ток в
открытом состоянии.
Т122-20-1 - тиристор кремниевый диффузионный p-n-p-n. Предназначен
для применения в схемах автоматики и в цепях постоянного и переменного токов
преобразователей электроэнергии. Выпускается в металлостеклянном корпусе с
жёсткими силовыми выводами. Анодом является основание. Обозначение типономинала
и полярности силовых выводов приводится на корпусе. Масса не более 12 г.
1.3 Выбор уравнительного реактора
В двухкомплектных реверсивных преобразователях с совместным
управлением тиристорными группами из-за неравенства мгновенных значений
напряжений возникают статические уравнительные токи. Для их ограничения, а
также для ограничения скорости нарастания аварийного тока при опрокидывании
инвертора в уравнительном контуре устанавливают реакторы.
Требуемая индуктивность уравнительного реактора, исходя из
заданного допустимого значения уравнительного тока
, (1.16)
где
- амплитуда фазной ЭДС или линейного
напряжения для Н-схемы;
- допустимое действующее значение уравнительного тока (в
большинстве случаев его можно принять равным
, то есть 10% от номинального тока электродвигателя);
- угловая частота сети:
- коэффициент действующего значения
, определяемый видом преобразователя и диапазоном изменения угла
регулирования α. α определяется
из выражения (1.17). Величина
определяется на основании анализа кривых (рисунок 1.1), трёхфазной
мостовой перекрёстной схемы соответствует кривая 3.
Рисунок 1.1 - Зависимость коэффициента
от угла регулирования
, (1.17)
где
, (1.18)
kФ - постоянная двигателя при
,
, (1.19)
;
- ток холостого хода двигателя
;
- минимальная частота вращения вала машины исходя из требований
технологического процесса принимается равной
, в нашем случае принимаем
,
;
- эквивалентное активное сопротивление преобразователя
, (1.20)
.
На основании анализа рисунка 1.1 по кривой 3 находим, что
. Найдём индуктивность уравнительного
реактора, подставив рассчитанные значения в формулу (1.16):
.
Выбираем ненасыщающийся от основного тока уравнительный реактор,
значение индуктивности которого задаётся равной половине от общего расчётного
значения, то есть
и это значение учитывается при расчёте
полной индуктивности преобразователя
и индуктивности дросселя
. При этом, как правило, отпадает необходимость установки
сглаживающего дросселя. Для Н-схемы выбирается один уравнительный реактор.
Величина уравнительного реактора будет выбрана после расчёта
индуктивности сглаживающего дросселя.
1.4 Расчёт индуктивности сглаживающего дросселя и его выбор
В тиристорном электроприводе дроссели служат для уменьшения зоны
прерывистых токов, сглаживания пульсаций выпрямленного тока; для ограничения
скорости нарастания тока и величины тока при аварийных режимах работы.
Сглаживающий дроссель включается последовательно с якорем
двигателя, и его индуктивность выбирается для выполнения следующих условий:
а) сглаживание пульсаций выпрямленного тока до требуемой величины,
обеспечивающей удовлетворительную коммутацию двигателя;
б) обеспечение непрерывного выпрямленного тока при минимальной
нагрузке на валу машины постоянного тока (исключение: реверсивные тиристорные
преобразователи с совместным управлением).
Так как в нашем случае управление тиристорными группами
совместное, то необходимо выполнение только первого условия.
Индуктивность сглаживающего дросселя находится по уравнению
реверсивный тиристорный преобразователь трехфазный
, (1.21)
где
- значение критической индуктивности по
условию сглаживания пульсаций тока
- индуктивность якоря двигателя, из данных на двигатель
.
Критическая индуктивность, обеспечивающая выполнение первого
условия (сглаживание пульсаций), находится по уравнению:
, (1.22)
где
- амплитуда основной гармонической
выпрямленной ЭДС
, (1.23)
- амплитуда основной относительной гармонической ЭДС (в
относительных единицах) в функции угла α (рисунок 1.2), для реверсивных
электроприводов
определяется при α=90⁰ (наибольшее амплитудное значение) или,
точнее, при α, вычисленному
по формуле (1.17); на рисунке 1.2 значение m=p;
Рисунок 1.2 - Зависимость относительной гармонической ЭДС в
функции от угла α для
различных схем (p=m) на
основании анализа рисунка 1.2 по кривой m=6 находим, что
,
,
- допустимое действующее значение основной гармоники переменной
составляющей выпрямленного тока, обычно 2÷15%. Меньшее
значение берётся для двигателей большей мощности, для которых
условия коммутации обычно напряжённые. Для двигателей малой и средней мощности
целесообразно увеличить до 8÷15%, так как такое увеличение, не влияя на
коммутацию двигателя, снижает габариты сглаживающего дросселя. В нашем случае
примем
.
Подставим рассчитанные значения в формулу (1.22):
.
Найдём индуктивность сглаживающего дросселя, подставив найденные
значения в формулу (1.21):
.
Таким образом, сглаживающий дроссель не нужен в связи с тем, что
уравнительный реактор является ненасыщающимся. Индуктивность уравнительного
реактора
.
Далее определяется активное сопротивление реактора
по формуле:
, (1.26)
где
- коэффициент связи,
;
- индуктивное сопротивление фазы реактора,
;
p - число пульсаций за период 2π выпрямленного напряжения, зависит от числа
фаз вторичной обмотки трансформатора m и схемы
соединения вентилей; для Н-схемы p=6.
Подставим рассчитанные значения в формулу (1.24):
.
Таким образом, требуется изготовить уравнительный реактор со
следующими параметрами:
индуктивность уравнительного реактора
активное сопротивление
уравнительного реактора.
2. Система импульсно-фазового управления
.1 Описание работы системы импульсно-фазового
управления
Система импульсно-фазового управления ПИФУ-12М выбрана на
основе того, что эта система обеспечивает управление Н-схемой, также она
обеспечивает согласованное совместное управление. Сравнительная простота,
отсутствие необходимости в переключении групп, однозначность статических
характеристик, непрерывность в управлении, предельное быстродействие -
достоинство согласованного совместного управления.
Система импульсно-фазового управления ПИФУ-12М предназначена
для формирования и синхронизации подачи управляющих импульсов на силовые
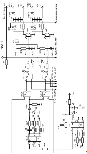
тиристоры. Схема одного канала СИФУ показана на рисунке 2.1 и рисунке 2.2, а
диаграмма ее работы на рисунке 2.3. В состав СИФУ входят:
формирователь прямоугольных импульсов (R1, C1, DA1, DA4);
генератор пилообразного напряжения ГПИ (DA2);
компаратор (DA3);
схемы совпадения и формирователи импульсов (DD1).
Кратко рассмотрим принцип работы схемы.
На вход формирователя импульсов подается синхронизирующее
напряжения фазы А, цепь R1, C1 - сдвигает синхронизирующее напряжение на 30º, совмещая тем самым начало зоны расширения выдачи импульсов на
тиристор с точкой естественной коммутации силового напряжения на тиристорах.
Выходное напряжение после цепи R1, C1 с помощью пороговых элементов DA1, DA4 преобразуется в две
противофазные последовательности прямоугольных импульсов (диоды VD1, VD2, VD3, VD4 служат для ограничения
сигнала на входах микросхем).
В промежуток времени перекрытия импульсов нулевого уровня на
выходах DA1, DA4 формируется синхроимпульс единичного уровня. Этот импульс
открывает транзистор VT1, который осуществляет разряд конденсатора C2 до нулевого уровня.
После исчезновения синхроимпульса напряжение на выходе ГПИ начинает линейно
возрастать от 0 до уровня определяемого R11, за счёт подачи на
инвертирующий вход DA2 +15В через R11, R12.
В момент равенства по абсолютной величине разнополярных
напряжений ГПИ и управляющего напряжения фиксирует нуль-орган DA3, полярность входного
напряжения которого в этот момент меняется с положительной на отрицательную.
Эти импульсы через времязадающую цепочку C5, R17 проходят на вход DD1.1 (2) и DD1.4 (8), разделение
прохождения сигналов прямого и обратного каналов обеспечивается нахождением на
втором входе DD1.1 единичного сигнала от пороговых элементов.
На элементах DD1.2, DD1.3 реализованы сумматоры для получения сдвоенных
импульсов сдвинутых друг относительно друга на угол 60º, при этом вторичный импульс берётся из другого канала.
VD11, VD12 служат для блокировки канала «а’ при наличие
низкого уровня на проводе блокировки (аналогично в других каналах).
VT2, VT3 усиливают управляющие импульсы и через
трансформатор передают их на управляющие электроды тиристоров.
Рисунок 2.1 - Принципиальная электрическая схема канала ‘а’
Рисунок 2.2 - Принципиальная электрическая схема канала ‘а’
Рисунок 2.3 - Временные диаграммы работы системы
импульсно-фазового управления
3. Расчёт характеристик тиристорного преобразователя
.1 Построение регулировочных, фазовой и внешних
характеристик тиристорного преобразователя
Основными характеристиками, которые необходимо построить при
проектировании тиристорного преобразователя, являются: регулировочные
характеристики
,
, фазовая характеристика
, внешняя регулировочная характеристика
и внешняя нагрузочная (выходная)
характеристика
или
.
Выпрямленная ЭДС тиристорного преобразователя
является функцией угла регулирования α,
который отсчитывается от
точки естественного включения вентилей, и в режиме непрерывного тока
определяется общим уравнением регулировочной характеристики
, (3.1)
где
- максимальная ЭДС тиристорного
преобразователя при α=0;
- амплитудное значение вторичной фазной ЭДС трансформатора
.
Тогда получим:
.
- начальная фаза (критический угол), соответствующая точке
естественного включения тиристора в работу
Регулировочная характеристика тиристорного преобразователя
имеет вид
, (3.1.1)
где
- активное и индуктивное сопротивление
фазы трансформатора,
.
Зависимость (3.1.1) позволяет проверить правильность выбора
трансформатора по вторичному напряжению: номинальному напряжению мотора должен
соответствовать номинальный угол управления
,
, (3.1.2)
.
Построим регулировочные характеристики
и
.
Пример расчёта для номинального значения угла регулирования
:
,
.
Таблица 3.1 - Значения выпрямленной ЭДС и выпрямленного напряжения
в зависимости от угла регулирования
|
α,⁰
|
, В , B
|
|
|
0
|
70.0
|
57.0
|
|
15
|
68.1
|
54.5
|
|
30
|
61.2
|
47.6
|
|
45
|
49.6
|
36.3
|
|
60
|
35.3
|
21.7
|
|
75
|
18.1
|
4.8
|
|
90
|
0
|
-13.1
|
|
105
|
-18.1
|
-31.3
|
|
120
|
-35.3
|
-48.2
|
|
135
|
-49.6
|
-62.5
|
|
150
|
-61.2
|
-73.8
|
|
165
|
-68.1
|
-80.7
|
|
180
|
-70.0
|
-83.0
|
Рисунок 3.1 - Регулировочные характеристики
,
тиристорного преобразователя
Вид фазовой характеристики системы импульсно-фазового управления
определяется формой опорного напряжения.
При линейно изменяющемся опорном напряжении изменению угла
соответствует изменение напряжения на
выходе генератора опорного напряжения до максимального опорного напряжения
.
Уравнение
(3.2)
даёт выражение, связывающее угол α с напряжением управления системы
импульсно-фазового управления
. (3.3)
Начальный угол согласования тиристорных групп
. Напряжение управления системы
импульсно-фазового управления
. Значение максимального опорного напряжения определим, подставив
в формулу (3.3) значение номинального угла регулирования:
.
Построим фазовую характеристику
.
Пример расчёта для значения напряжения управления
:
.
Таблица 3.2 - Значения угла регулирования α в зависимости от напряжения управления
|
, Вα,⁰
|
|
|
10
|
21.5
|
|
0
|
90
|
|
-10
|
158.5
|
Рисунок 3.2 - Фазовая характеристика
тиристорного преобразователя
Регулировочная характеристика
может быть получена при подстановке в (3.1) значения угла
регулирования α:
; (3.4)
Построим регулировочную характеристику
.
Пример расчёта для значения напряжения управления
:
.
Таблица 3.3 - Значения относительной ЭДС
в зависимости от напряжения управления
|

|
|
|
10
|
0.93
|
|
9
|
0.88
|
|
8
|
0.82
|
|
7
|
0.75
|
|
6
|
|
5
|
0.57
|
|
4
|
0.47
|
|
3
|
0.36
|
|
2
|
0.24
|
|
1
|
0.12
|
|
0
|
0.00
|
|
-1
|
-0.12
|
|
-2
|
-0.24
|
|
-3
|
-0.36
|
|
-4
|
-0.47
|
|
-5
|
-0.57
|
|
-6
|
-0.66
|
|
-7
|
-0.75
|
|
-8
|
-0.82
|
|
-9
|
-0.88
|
|
-10
|
-0.93
|
Рисунок 3.3 - Регулировочная характеристика
тиристорного преобразователя
В блоке системы импульсно-фазового управления предусматривается
ограничение минимального
и максимального
угла регулирования, фазировка в
соответствии с группой соединения силового питающего трансформатора с
дискретностью 30 эл. град, а также установка начального угла согласования
.
Максимальный угол регулирования
, (3.5)
где
- угол коммутации,
, (3.6)
где
- угол, соответствующий номинальному
режиму работы двигателя;
- угол восстановления запирающих свойств тиристора,
, (3.7)
где
- время выключения тиристора;
Δα - наибольшее значение асимметрии
управляющих импульсов во всем диапазоне изменения угла регулирования, Δα=2⁰.
Подставив значения в формулы (3.5÷3.7) найдём максимальный угол регулирования
:
,
,
.
Найденное ранее по формуле (3.3) значение максимального угла
регулирования
удовлетворяет условию из формулы (3.5),
то есть
.
Внешняя характеристика тиристорного преобразователя в режиме
непрерывного тока в соответствии со схемой замещения системы тиристорный
преобразователь-двигатель (рисунок 3.4)
, (3.8)
.
Рисунок 3.4 - Схема замещения системы тиристорный
преобразователь-двигатель в режиме непрерывного тока
В проекте строится семейство характеристик
по выражению (3.8) для всех режимов
работы тиристорного преобразователя (в четырёх квадрантах) при углах α=const, которые соответствуют пяти значениям
напряжения
:
,
,
,
,
при номинальном токе
. В каждом случае определяется угол регулирования α
из выражения (3.8) или
(3.1.2) после подстановки в него соответствующего значения
и тока
. Затем для каждого из пяти значений угла α
строится характеристика
согласно (3.8) для двух значений тока
, например
и
.
Пример расчёта зависимости, соответствующей номинальному режиму:
,
,
,
,
,
,
,
,
,
.
Для инверторного режима рассчитывается граница предельного
(безопасного) режима инвертирования, описываемая приближенно уравнением
ограничительной характеристики, определяемая именно в пространстве состояний
инверторного режима в области малых углов β:
Данные для границы инвертирования приведены в таблице 3.4.
Пример расчёта границы инвертирования при
:
,
,
,
.
На рисунке 3.5 отмечены вертикальные прямые, ограничивающие
максимальный действующий ток через тиристоры, равный 31.4 А.
Таблица 3.4 - Данные для построения границы инвертирования
|
-18-9918
|
|
|
|
|
|
65.4067.65-67.65-65.40
|
|
|
|
|
Таблица 3.5 - Данные для построения внешних характеристик
|
α,⁰
|
|
|
|
|
  
|
|
|
|
|
158.5-51.7-56.4-69.8-74.5
|
|
|
|
|
|
|
137.7-38.7-43.4-56.7-61.4
|
|
|
|
|
|
|
124.0-25.8-30.5-43.9-48.6
|
|
|
|
|
|
|
111.4-12.9-17.6-30.9-35.6
|
|
|
|
|
|
|
101.0-0.0-4.7-18.0-22.7
|
|
|
|
|
|
|
79.022.718.04.70.0
|
|
|
|
|
|
|
68.635.630.917.612.9
|
|
|
|
|
|
|
56.048.643.930.525.8
|
|
|
|
|
|
|
42.361.456.743.438.7
|
|
|
|
|
|
|
21.574.569.856.451.7
|
|
|
|
|
|
Рисунок 3.5 - Внешние характеристики
тиристорного преобразователя
Затем строятся совмещённые внешние
и регулировочные
при
и
характеристики в двух квадрантах для выпрямительного и
инверторного режима работы тиристорного преобразователя.
Рисунок 3.6 - Совмещённые внешние
и регулировочные
характеристики тиристорного преобразователя
4. Управление тиристорными группами и режимы
работы преобразователей
.1 Потсроение временных диаграмм кривой
выпрямленной ЭДС тиристорного преобразователя при номинальном значении угла αН и кривой входной ЭДС в инверторном режиме при
соответствующем угле β
Для осуществления инверторного режима тиристорного
преобразователя, работающего на якорь двигателя, необходимо выполнение трёх
условий:
1) положительный потенциал ЭДС двигателя
должен быть подан на аноды тиристоров,
для чего нужно осуществить переключение управления на вторую группу тиристоров
для протекания тока в противоположном направлении через якорь;
) импульсы управления должны быть поданы на тиристоры с углом
;
) ЭДС двигателя
должна быть больше среднего значения ЭДС инвертора
.
Статические режимы работы тиристорного преобразователя:
номинальный угол регулирования
угол
коммутации
максимальный угол регулирования
номинальный угол инвертирования.
Для исключения «опрокидывания» инвертора необходимо, чтобы
, (4.1)
,
то есть данное условие выполняется.
Максимальная амплитуда напряжения
.
Рисунок 4.1 - Графики кривой выпрямленной ЭДС тиристорного
преобразователя при номинальном значении угла регулирования αн и кривой входной ЭДС в инверторном режиме при соответствующем
угле β
5. Энергетические характеристики тиристорного
преобразователя
.1 Расчёт энергетических показателей
Расчёт энергетических характеристик тиристорного
преобразователя производится по приведённым соотношениям при изменении угла
управления в диапазоне:
.
Первая гармоника линейного тока первичной обмотки
трансформатора для мостовой схемы выпрямления, А
. (5.1)
При соединении первичной обмотки звездой
.
Угол коммутации определяется из формулы (3.6).
Коэффициент искажения определяется по формуле
. (5.2)
Полная мощность:
, (5.3)
Активная мощность тиристорного преобразователя, потребляемая
по первой гармонике тока,
, (5.4)
где
, (5.5)
.
Реактивная мощность преобразователя по первой гармонике:
, (5.6)
где
. (5.7)
Коэффициент мощности преобразователя:
, (5.8)
Мощность искажения (дисторции):
. (5.9)
В проекте требуется рассчитать и построить зависимости S, P, Q, D, χ=
для спроектированного тиристорного
преобразователя при варьировании угла от
до
в режиме непрерывного тока
.
Алгоритм расчёта следующий:
. Определяется вторичный линейный ток
.
. Определяется первичный фазный ток
.
. Определяется первая гармоника первичного фазного тока
.
. Определяется коэффициент искажения по току с учётом угла
коммутации (5.2).
Угол регулирования в расчётах выражается дискретными значениями в
диапазоне от
до
в выпрямительном режиме. Значение
- уточнённое.
. Определяется полная мощность (5.3).
. Определяется активная мощность (5.4).
. Определяется реактивная мощность (5.5).
. Определяется коэффициент мощности (5.7).
. Определяется мощность дисторции (5.8).
Пример расчёта для всех зависимостей для номинального значения
угла αн:
,
,
,
,
,
,
,
,
.
Таблица 5.1 - Результаты расчёта энергетических характеристик
|
        
|
|
|
|
|
|
|
|
|
|
|
21.5
|
13.0
|
0.877
|
0.480
|
0.971
|
1316
|
1120
|
613
|
320
|
0.85
|
|
30.0
|
11.2
|
0.810
|
0.587
|
0.968
|
1316
|
1032
|
748
|
331
|
0.78
|
|
40.0
|
9.2
|
0.710
|
0.704
|
0.966
|
1316
|
903
|
895
|
340
|
0.69
|
|
50.0
|
8.1
|
0.586
|
0.810
|
0.965
|
1316
|
744
|
1029
|
346
|
0.57
|
|
60.0
|
7.2
|
0.443
|
0.897
|
0.964
|
1316
|
562
|
1138
|
351
|
0.43
|
|
70.0
|
6.8
|
0.286
|
0.958
|
0.963
|
1316
|
362
|
1214
|
356
|
0.28
|
|
80.0
|
6.6
|
0.117
|
0.993
|
0.963
|
1316
|
148
|
1258
|
356
|
0.11
|
|
90.0
|
6.5
|
-0.056
|
0.998
|
0.963
|
1316
|
-71
|
1265
|
356
|
-0.05
|
Рисунок 5.1 - Энергетические характеристики S, P, Q, D =
тиристорного преобразователя
Рисунок 5.2 - Энергетическая характеристика χ =
тиристорного преобразователя
КПД преобразователя - это отношение отдаваемой мощности
к потребляемой из сети активной мощности
.
В случае работы тиристорного преобразователя со сглаживающим
дросселем и малой величине пульсаций тока нагрузки считается, что
,
где
,
из выражения (3.1.1).
Тогда КПД
. (5.10)
В проекте надо определить номинальное значение КПД, рассчитать и
построить зависимости
при α=αНОМ и
при
для режима «В». При расчёте следует учитывать, что ток
и
находятся во взаимосвязи по формуле (1.6).
Определим номинальное значение КПД по формуле (5.9):
.
Пример расчёта зависимости
при α=αНОМ,
:
,
.
Пример расчёта зависимости
при
,
, значение cosφ1 рассчитываем по формуле (5.5):
.
Таблица 5.2 - Данные зависимости КПД η
от тока
при α=αНОМ
|
 
|
|
|
|
0.5
|
0.056
|
0.943
|
|
2
|
0.224
|
0.934
|
|
4
|
0.448
|
0.921
|
|
6
|
0.672
|
0.909
|
|
8
|
0.895
|
0.897
|
|
10
|
1.119
|
0.885
|
|
12
|
1.343
|
0.873
|
|
14
|
1.567
|
0.861
|
|
16
|
1.791
|
0.848
|
|
18
|
2.014
|
0.842
|
Рисунок 5.3 - Зависимость
при α=αНОМ
Таблица 5.3 - Данные зависимости КПД η
от угла α при
|
 
|
|
|
|
21.5
|
0.877
|
0.842
|
|
30
|
0.810
|
0.836
|
|
40
|
0.710
|
0.819
|
|
50
|
0.586
|
0.792
|
|
60
|
0.443
|
0.738
|
|
70
|
0.286
|
0.615
|
Рисунок 5.4 - Зависимость
при
Заключение
Таблица А - Наиболее значимые характеристики тиристорного
преобразователя
|
Напряжение
питающей сети, В
|
380
|
|
Частота сети,
Гц
|
50
|
|
Марка двигателя
|
ПБВ100М
|
|
Силовой питающий
трансформатор
|
ТСП 7/0.7
|
|
Тип тиристора
|
Т122-20-1
|
|
Система
импульсно-фазового управления
|
ПИФУ-12М
|
|
Предохранители
|
ПП57-3137
|
|
Резисторы
|
ПЭВР-7.5-40
|
|
Конденсаторы
|
KOAS-50/60Hz 250VAC
|
|
Автоматический
выключатель
|
А3711Ф
|
|
Способ
управления тиристорными группами
|
Совместное
управление
|
|
Напряжение
управления, В
|
10
|
|
Максимальное
опорное напряжение, В
|
13
|
|
Форма опорного
напряжения
|
Пилообразное
|
|
Количество
уравнительных реакторов
|
1
|
|
Номинальный КПД
преобразователя, %
|
86
|
|
Номинальный
угол управления, о
|
21.5
Достоинства разработанного тиристорного преобразователя по
сравнению с промышленным тиристорным преобразователем «Кемек»:
сравнительная простота;
отсутствие необходимости в переключении групп;
однозначность статических характеристик;
непрерывность в упралении;
предельное быстродействие.
Недостатки разработанного тиристорного преобразователя по
сравнению с промышленным тиристорным преобразователем «Кемек»:
наличие уравнительных токов;
более низкий КПД преобразователя;
необходимость установки токоограничивающих дросселей;
увеличенные весогабаритные показатели;
невозможность полного использования тиристорного
преобразователя по напряжению (мощности) в выпрямительном режиме из-за
ограничения угла регулирования αмин.
Библиографический список
1.
Е.А. Чернов и др. Электроприводы подач станков с ЧПУ: справочное пособие. -
Горький, 1986. - 271 с.: ил.
.
Чиженко И.М. и др. Справочник по преобразовательной технике под редакцией
Чиженко И.М. - Киев: Техника, 1978. - 430 с.
.
Лалетин В.И. Преобразовательная техника. Курсовое проектирование
электропривода: Учебное пособие - Киров: Изд-во ООО - «Фирма Полекс», 2009. -
92 с.: ил.
.
Забродин Ю.С. Промышленная электроника: Учебник для вузов. - М.: Высш. Школа,
1982. - 496 с., ил.
.
Справочник по проектированию автоматизированного электропривода и систем
управления технологическими процессами / Под ред. В.И. Круповича, Ю.Г.
Барыбина, М.Л. Самовера. - 3-е изд., перераб. и доп. - М.: Энергоиздат, 1982. -
416 с., ил. - (Электроустановки промышленных предприятий).
.
Электроприводы постоянного тока с вентильными преобразователями/Е.Н. Зимин,
В.Л. Кацевич, С.К. Козырев. - М.: Энергоиздат, 1981. - 192 с., ил.
.
Мощные полупроводниковые приборы. Тиристоры: Справочник/В.Я. Замятин, Б.В.
Кондратьев, В.М. Петухов. - М.: Радио и связь, 1987. - 576 с.
.
Система импульсно-фазового
управления:://upload.com.ua/get/902581245/ПИФУ-12М.docx.
.
Прайс-лист на предохранители серии ПП57:
http://s-elektro.ru/index.php? articleID=265&UID=.
10.
Прайс-лист на конденсаторы серии KOAS-50/60Hz 250VAC:
http://www.erk.su/catalog/category/37/.
.
Прайс-лист на резисторы серии ПЭВР (С5-36В) ОЖО.467.546 ТУ:://www.tpktehprom.ru/elektronika.html.
Похожие работы на - Тиристорный преобразователь постоянного тока
|