Синтезирование АСУ стабилизации скорости двигателя постоянного тока с тиристорным преобразователем
Задание
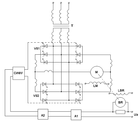
Рисунок 1 Исходная
принципиальная электрическая схема АСУ.
Синтезировать АСУ стабилизации скорости двигателя постоянного тока
с тиристорным преобразователем (рис.1).
Допустимая погрешность регулирования
Допустимое перерегулирование
Время переходного процесса
Диапазон регулирования
Коэффициент усиления тиристорного преобразователя принять
,
Коэффициент тахогенератора принять
Коэффициент фильтра принять равным1
Выбор двигателя произвести в соответствии с вариантом № 14
(ж).
Содержание
Введение
1. Описание работы схемы. Назначение элементов
1.1 Описание работы схемы (рис.1)
1.2 Элементы схемы
2. Выбор элементов
3. Составление математической модели АСУ
3.1 Двигатель
3.1.1 Дифференциальные уравнения ДПТ НВ
3.1.2 Структурная схема двигателя.
3.1.3 Расчет параметров двигателя.
3.2 Тахогенератор
3.2.1 Дифференциальные уравнения тахогенератора
3.2.2 Структурная схема ТГ
3.3 Операционный усилительэ
3.3.1 Передаточная функция
3.4 Тиристорный преобразователь
3.5 Структурная схема АСУ
4. Описание АСУ в пространстве состояний
4.1 Детализированная схема АСУ
4.2 Вектор переменных состояния X и вектор входных воздействий U
4.3 Матрицы А, В, С, D
5. Передаточные функции системы
5.1 Передаточные функции замкнутой АСУ по входным воздействиям
5.2 Передаточные функции по ошибкам
6. Коэффициенты передачи (Кu, Km). Напряжение
задания (Uз). Статическая ошибка системы (ε)
6.1 Определение коэффициента передачи АСУ
6.2 Определение Uз.
6.3 Нахождение статической ошибки (ε)
7. Устойчивость АСУ. Корректирующее устройство
7.1 Устойчивость исходной АСУ
7.1.1 Критерий Гурвица
7.1.2 Критерий Рауса
7.1.3 Критерий Михайлова
1.7.4 Критерий Найквиста применительно к ЛАЧХ и ЛФЧХ
7.2 Синтез корректирующего устройства (КУ)
7.3 Переходный процесс АСУ
Заключение
Список используемой литературы
Введение
При регулировании скорости изменением величины напряжения
двигатель должен питаться от отдельного регулируемого источника постоянного
тока. В качестве такого источника ранее широко применялись машинные
преобразователи (система "генератор-двигатель"). В настоящее время
машинные преобразователи применяются редко, а в качестве регулируемого
преобразователя переменного тока в постоянный применяются тиристорные
преобразователи (система "тиристорный преобразователь - двигатель").
Применение тиристорных преобразователей в электроприводах
постоянного тока позволяет достигнуть повышенной управляемости и быстродействия
привода, а также улучшить его энергетические и весовые показатели. КПД
тиристорного электропривода постоянного тока на 10-12% выше КПД системы Г-Д, на
7% выше КПД привода с магнитными усилителями. Электропривод с тиристорным
преобразователем обладает высокой стабильностью скорости, которая может быть
доведена до 0,2% и ниже.
Такие характеристики позволяют значительно повысить качество
техпроцессов и снизить расходы на электроэнергию на предприятиях использующих
как новое оборудование, выпускаемое уже с применением ТП, так и старое, путем
замены систем управления на системы с ТП.
1. Описание
работы схемы. Назначение элементов
1.1 Описание
работы схемы (рис.1)
Схема работает по принципу отклонения скорости вращения
электродвигателя М от заданной. Тахогенератор BR, насаженный на вал
двигателя,
вырабатывает напряжение UТГ, функционально зависящее от скорости двигателя,
которое суммируется с эталонным напряжением Uэ. Полученное напряжение ∆U=UЭ-UТГ через фильтр A2 и усилитель A1 попадает на систему
импульсно-фазового управления (СИФУ) которая, в зависимости от входного сигнала
(∆U)
подает управляющие импульсы на вентили VS тиристорного
преобразователя, на выходе которого образуется выпрямленная ЭДС Еd. Еd подается на двигатель.
При понижении (увеличении) скорости вращения, увеличивается (уменьшается)
напряжение ∆U на входе СИФУ, так как падает (возрастает) UТГ, и выпрямленная ЭДС на
выходе управляемого выпрямителя возрастает (уменьшается). Таким образом,
скорость двигателя стабилизируется.
1.2 Элементы
схемы
Тиристорный преобразователь.
Служит для управления напряжением якорной цепи двигателя;
преобразовывает напряжение сети переменного тока UТР, поступающее с вторичной
обмотки трансформатора, в выпрямленное напряжение UЯ. ТП состоит из двух
основных частей: силовой части - вентильной группы и системы управления
(рис.2).
тиристорный преобразователь двигатель стабилизация
Рисунок 2 Структурная схема тиристорного преобразователя.
Система управления представляет собой СИФУ с вертикальным
принципом управления (рис.3).
Рисунок 3 регулирование фазы импульса по вертикальному
принципу.
Каждый блок управления содержит генератор пилообразного
напряжения (ГПИ), который преобразует синусоидальную форму опорного напряжения
в пилообразную (рис.4).
Рисунок 4 Структурная схема блока управления
тиристором.
Это напряжение (UГ) сравнивается с
регулируемым напряжением и в момент их равенства генератор импульсов (ГИ)
выдаёт отпирающий импульс на тиристор, вследствие чего он открывается и
начинает пропускать ток. Изменение Uу приводит к изменению
фазы импульса (рис.3).
Используется в качестве датчика скорости. Преобразовывает
угловую скорость двигателя в напряжение.
Фильтр.
Служит для сглаживания пульсаций напряжения ТГ.
Операционный усилитель.
ОУ выполняет функциональное преобразование управляющего
сигнала. В данной схеме ОУ пропорционально изменяет сигнал (усиливает),
поступивший с фильтра.
Трансформатор.
Служит для согласования напряжения сети переменного тока и
выходного напряжения управляемого выпрямителя; электрически разделяет питающую
сеть и сеть нагрузки.
2. Выбор
элементов
Электродвигатель
Выбираем ДПТ НВ общепромышленного применения серии П22.
Защищенное исполнение.
Паспортные данные двигателя:
Рн=0,45 кВт
Ін=2,75 А
n=1000 об/мин
ŋ=74,5 %
J=0,052 кг·м²
2р=2
wa=1242
Ra=8 Ом
wd=465
Rd=1,65 Ом
wв=4800
Rв=712 Ом
Тахогенератор
По исходным данным коэффициент тахогенератора Кг=1,6
В·с/рад.
Фильтр
Коэффициент фильтра равный 1.
Тиристорный преобразователь
Коэффициент усиления тиристорного преобразователя КТП=30,
постоянная времени Тm=0,01 с (по исходным данным).
3.
Составление математической модели АСУ
3.1 Двигатель
3.1.1
Дифференциальные уравнения ДПТ НВ
Допустим что:
система абсолютно жесткая, то есть двигатель имеет одну
степень свободы; масса вращающихся частей постоянна; статический момент,
приведенный к валу двигателя, постоянный; реакция якоря скомпенсирована; зависимость угловой
скорости вращения вала двигателя от напряжения якоря Uя линейная; поток
двигателя неизменен, F=const;
Полагая что вращающий момент двигателя М расходуется на
преодоление динамического момента, обусловленного моментом инерции и
статического момента нагрузки Мс, получим уравнение моментов
, (3.1)
где
─ момент инерции в кг·м²; М - Движущий момент двигателя в
Н·м:
, (3.2)
где k ─ конструктивная постоянная двигателя,
,
где р - число пар полюсов,
N - число активных проводников обмотки якоря,
а - число
параллельных ветвей,
Тогда уравнение моментов (3.1) можно записать в виде:
(3.3)
Запишем уравнение электрического равновесия цепи якоря. При
принятых допущениях оно имеет вид:
(3.4)
гдеLя - индуктивность цепи якоря,
Rя - сопротивление якоря,
kФΩ - ЭДС вращения,
Uя - напряжение якоря.
Подставив Iя из (3.4) в уравнение для моментов (3.3)
получим:
, (3.5)
здесь
- электромеханическая постоянная времени;
- электромагнитная постоянная времени якорной цепи;
- передаточный коэффициент двигателя по напряжению якоря;
- передаточный коэффициент двигателя по статическому моменту
(возмущающему воздействию).
Подставив принятые обозначения в уравнение статического равновесия
(3.5), окончательно получим дифференциальное уравнение двигателя, записанное
относительно регулируемой величины Ω, при входном Uя и возмущающем Мс воздействиях:
(3.6)
В операторной форме р=d/dt уравнение (3.6) примет вид:
(3.7)
Передаточные функции двигателя по входному и возмущающему
воздействиям:
(3.8)
(3.9)
3.1.2
Структурная схема двигателя.
Запишем систему дифференциальных уравнений двигателя:

Уравнение (1) описывает переходные процессы в якорной цепи
двигателя. Принимаем за выходную координату ток якоря Ia, за
входную - напряжение Ua и противо-ЭДС (Ед=кФΩ).
Тогда после преобразований уравнение (1) примет вид:
Заменяя d/dt на р получим:
(3.10)
Уравнение (2) представим в виде:
(3.11)
где Ic - статический ток нагрузки,
В операторной форме уравнение (3.11) будет иметь вид:
.
По полученным уравнениям составим структурную схему двигателя
(рис.5)
Рисунок 5 Структурная схема ДПТ НВ.
3.1.3 Расчет
параметров двигателя.
Связь угловой скорости с частотой вращения выражается
зависимостью:
, (3.12)
рад/с.
Найдем значение kF:
(3.13)
В·c
Индуктивность якорной цепи Lя:
, (3.14)
Гн,
где 5,5 - коэффициент для нескомпенсированных машин;
Электромагнитная постоянная времени якорной цепи:
, (3.15)
с
Передаточный коэффициент двигателя по напряжению якоря:
, (3.16)
рад/ (В·с);
передаточный коэффициент двигателя по статическому моменту:
, (3.17)
Ом/ (В·с) 2;
Электромеханическая постоянная времени:
, (3.18)
с.
3.2
Тахогенератор
3.2.1
Дифференциальные уравнения тахогенератора
Запишем уравнение электрического равновесия для цепи
возбуждения:
, (3.19)
где Uв - напряжение возбуждения тахогенератора,
Lв - индуктивность цепи возбуждения,
ів
- ток возбуждения,
Rв - сопротивление цепи возбуждения.
Для якорной цепи:
, (3.20)
, (3.21)
где Ег - ЭДС тахогенератора,
Rя - сопротивление якорной цепи,
Rн - сопротивление нагрузки.
Уравнение ЭДС ТГ (3.20) можно записать как:
, (3.22)
3.2.2
Структурная схема ТГ
При составлении передаточной функции тахогенератора
пренебрегаем: индуктивностью якорной цепи, моментом инерции, реакцией якоря,
нелинейностью статической характеристики в зоне малой скорости, пульсациями
напряжения, изменением магнитного потока.
За выходную координату принимаем напряжение Uвых, за входную - скорость Ω,
, (3.23)
где
- передаточный коэффициент ТГ, в В·с/рад.
Передаточная функция тахогенератора:
, (3.24)
Таким образом, ТГ просто пропорциональное звено (при данных
допущениях) и структурная схема будет иметь вид:
Рисунок 6 Структурная схема тахогенератора.
3.3
Операционный усилительэ
3.3.1
Передаточная функция
Для получения передаточной функции операционного усилителя
воспользуемся схемой рис.7
Рисунок 7 Принципиальная схема операционного усилителя.
Передаточная функция ОУ относительно одного входа имеет вид:
,
где Zос (р) - операторное сопротивление обратной связи,
Zвх (р) - операторное сопротивление, включенное на вход усилителя.
В данной работе Zвх=R1, Zoc=Ro, таким образом получаем
, (3.26)
где Ку - коэффициент усиления ОУ.
.3.2 Коэффициент усиления операционного усилителя.
Определим Ку исходя из заданной статической
точности поддержания скорости.
Коэффициент усиления разомкнутой системы определяется как
произведение коэффициентов усиления всех звеньев, то есть:
, (3.27)
где Ку - коэффициент усиления ОУ,
КТП
- коэффициент усиления ТП,
Кд
- коэффициент усиления двигателя,
Кг
- коэффициент усиления ТГ.
, (3.28)
где
из (3.12)
; D=15;
- просадка скорости двигателя при номинальной нагрузке.
, (3.29)
,
.
Из (3.27) находим Ку:
,
.
3.4
Тиристорный преобразователь
Силовая часть (СЧ) преобразователя может рассматриваться как
безинерционное звено. В отличие от силовой части преобразователя, СИФУ может вносить
заметные фазовые сдвиги величины α относительно
управляющего напряжения. Они определяются инерционностью элементов, входящих в
СИФУ.
С учетом инерционности СИФУ передаточная функция
преобразователя для линейного участка его характеристики управления имеет вид:
, (3.30)
где Еd -
средне выпрямленное значение ЭДС преобразователя,
КТП
- коэффициент усиления преобразователя,
Тm
- постоянная времени, с учетом постоянных времени операционного усилителя и
фильтра Тm=0,01
с (по исходным данным).
3.5
Структурная схема АСУ
За входную координату принимаем напряжение Uз, в качестве выходной
величины считаем частоту вращения двигателя Ωд, возмущающим
воздействием будет момент сопротивления двигателя Мс.
Таким образом, при выше принятых допущениях структурная схема
АСУ будет иметь вид (рис. 8):
Рисунок 8 Структурная схема АСУ управления скоростью
двигателя постоянного тока с ТП.
4. Описание
АСУ в пространстве состояний
4.1
Детализированная схема АСУ
Составим детализированную схему нашей системы. Для этого
необходимо выделить все интеграторы в отдельные звенья. В соответствии с
правилами преобразований структурных схем выполним обратную операцию над звеном
ТП (рис.8). Звено ТП можно представить в следующем виде (рис.9):
Рисунок 9 Преобразованная структурная схема ТП.
Таким же образом преобразовываем оставшиеся звенья. После
выделения всех интеграторов в отдельные звенья структурная схема АСУ будет
иметь вид рис. 10:
Рисунок 10 Детализированная структурная схема АСУ.
4.2 Вектор
переменных состояния X и вектор входных воздействий U
Запишем вектор входных воздействий. Входными сигналами в
нашей системе будут Uз и Мс (Рис.10), таким образом
,
вектор Х это набор переменных состояния (сигналов снятых с выходов
интеграторов), в нашем случае их 3: Еd -
выпрямленная ЭДС ТП, M и Ω.
.
4.3
Матрицы А, В, С, D
В матричной форме система описывается следующей системой
уравнений:
; (4.1)
где А, B, C, D - матрицы состояний.
Матрицы A, B, C, D можно получить по структурной схеме исходя из уравнений
(4.1) и выбранных матриц Х и U. Рассмотрим
пример получения элемента матрицы А (1-ой строки 3-го столбца). Этот элемент
должен умножатся на Ω
(элемент 3-ей строки матрицы Х), другими словами
это путь
прохождения сигнала Ω к Еd.
Для нахождения
необходимо найти путь передачи от М к М
,
и так далее.
При нахождении путей следует учитывать тот фактор, что сигнал,
проходящий против направления движения и через интегратор, не учитывается.
Таким образом, получаем:
,
.
Матрица С связанна с выходными величинами, то есть необходимо
выбрать матрицу выходных сигналов Y
;
;
.
5. Передаточные
функции системы
5.1
Передаточные функции замкнутой АСУ по входным воздействиям
Найдем передаточную функцию замкнутой системы по входному
воздействию Uз:
(5.1)
Подставляя численные значения всех коэффициентов усиления и
постоянных времени, получим:
(5.2)
Найдем передаточную функцию замкнутой системы по возмущающему
воздействию Мс:
(5.3)
После подстановки численных значений всех коэффициентов усиления и
постоянных времени, получим:
(5.4)
5.2
Передаточные функции по ошибкам
Найдем передаточную функцию по ошибки от входного воздействия
Uз (рис 10):
(5.5)
Подставляя численные значения всех коэффициентов усиления и
постоянных времени, получим:
(5.6)
Найдем передаточную функцию по ошибки от Мс:
(5.7)
После подстановки численных значений всех коэффициентов усиления и
постоянных времени, получим:
(5.8)
6.
Коэффициенты передачи (Кu, Km). Напряжение задания (Uз).
Статическая ошибка системы (ε)
6.1
Определение коэффициента передачи АСУ
Для определения коэффициента передачи по напряжению (КU) воспользуемся
передаточной функцией WUз (p) (5.1):
, (6.1)
Коэффициент передачи по моменту сопротивления (КM) определяется аналогичным способом из (5.3):
(6.2)
6.2
Определение Uз.
Найдем Uз из (6.1):
B,
6.3
Нахождение статической ошибки (ε)
На основании метода суперпозиции установившаяся ошибка АСУ
где
- ошибка отработки системой задающего
воздействия (Uз),
- ошибка, вызванная действием возмущающего воздействия (Мс).
В,
где
- из (5.6).
Н·м.
В,
Таким образом, окончательно получаем:
В.
7.
Устойчивость АСУ. Корректирующее устройство
7.1
Устойчивость исходной АСУ
7.1.1
Критерий Гурвица
Условие одинаковости знаков выполняется:
Проверяем условие положительности определителей Гурвица
Определитель отрицательный.
Система неустойчива
7.1.2
Критерий Рауса
Так как степень p равна 3, для устойчивости системы
произведение средних членов должно быть больше произведения крайних членов
характеристического уравнения:
Условие
не выполняется.
Система неустойчива
7.1.3
Критерий Михайлова
Построим годограф Михайлова (рис. 11)
Рисунок 11 Годограф Михайлова
Система неустойчива, так как годограф пересекает 1 из 4
квадрантов.
Система неустойчива
1.7.4
Критерий Найквиста применительно к ЛАЧХ и ЛФЧХ
Проверим систему на устойчивость, применив критерий
Найквиста. Для этого построим ЛАЧХ и ЛФЧХ разомкнутой системы (рис.12).
Передаточная функция разомкнутой системы (рис.8) будет:
;
;
.
Рисунок 12 ЛАЧХ и ЛФЧХ разомкнутой нескорректированной системы.
Из рис.12 видно, что система неустойчива, так как частота среза (
) больше той частоты, в которой ЛФЧХ
пересекает уровень - 180°
>
.
7.2 Ñèíòåç
êîððåêòèðóþùåãî
óñòðîéñòâà (ÊÓ)
ÊÓ ïðèìåíÿþò
â ÀÑÓ äëÿ îáåñïå÷åíèÿ
óñòîé÷èâîñòè
è òðåáóåìîãî
êà÷åñòâà ðåãóëèðîâàíèÿ.
Ïðèìåíèì ìåòîä
ñèíòåçà êîððåêòèðóþùèõ
óñòðîéñòâ ðàçðàáîòàííûé
Â.Â. Ñîëîäîâíèêîâûì.
1. Ñòðîèì ËÀ×Õ
èñõîäíîé ñèñòåìû.
2. Ïî çàäàííûì
ïîêàçàòåëÿì
êà÷åñòâà ñòðîèì
æåëàåìóþ ËÀ×Õ.
ËÀ×Õ ðàçáèâàåì
íà òðè ó÷àñòêà:
íèçêî÷àñòîòíóþ
(Í×), ñðåäíå÷àñòîòíóþ
(Ñ×) è âûñîêî÷àñòîòíóþ
(Â×) àñèìïòîòû.
Ñ× àñèìïòîòà
ïðîâîäèì ÷åðåç
÷àñòîòó ñðåçà
, êîòîðóþ
îïðåäåëÿåì ïî
íîìîãðàììàì
Ñîëîäîâíèêîâà
[1] è çàäàííûì ïîêàçàòåëÿì
êà÷åñòâà ïåðåõîäíîãî
ïðîöåññà (
,
), â ïðèäåëàõ
.

Çàäàåìñÿ 
. Íàêëîí Ñ× àñèìïòîòû
- 20 äÁ/äåê.
Í× ÷àñòü ÷àñòîòíîé
õàðàêòåðèñòèêè
îïðåäåëÿåò ñòàòè÷åñêèå
ñâîéñòâà ÀÑÓ,
òî åñòü òî÷íîñòü.
Òàê êàê òðåáóåìûé
êîýôôèöèåíò
óñèëåíèÿ ñèñòåìû
Êð, íàéäåííûé
ðàíåå èñõîäÿ
èç çàäàííîé òî÷íîñòè,
äîëæåí îñòàòüñÿ
íåèçìåííûì, òî
Í× àñèìïòîòó
íóæíî ñîïðÿ÷ü
ñ ËÀ×Õ èñõîäíîé
ñèñòåìû. Òàêèì
îáðàçîì, ïðîäëåâàåì
Ñ× àñèìïòîòó
äî ïåðåñå÷åíèÿ
ñ ËÀ×Õ íåñêîððåêòèðîâàííîé
ñèñòåìû.
Â× ó÷àñòîê
æåëàåìîé ËÀ×Õ
ìàëî âëèÿåò íà
äèíàìè÷åñêèå
ñâîéñòâà ñèñòåìû,
ïîýòîìó Â× àñèìïòîòà
ñòðîèòñÿ èç ñîîáðàæåíèé
ïðîñòîòû êîððåêòèðóþùåãî
óñòðîéñòâà, äëÿ
äàëüíåéøåé åãî
ðåàëèçàöèè. Òàêèì
îáðàçîì, Â× ÷àñòü
ïðîâîäèì ñ íàêëîíîì
- 20 äÁ/äåê äî ÷àñòîòû
ñîïðÿæåíèÿ èñõîäíîé
ñèñòåìû
, çàòåì ñ íàêëîíîì
- 40äÁ/äåê äî ÷àñòîòû

, ïîñëå ÷åãî
ñ íàêëîíîì - 60 äÁ/äåê.
. ËÀ×Õ
êîððåêòèðóþùåãî
óñòðîéñòâà íàõîäèì
ïîñðåäñòâîì ãðàôè÷åñêîãî
âû÷èòàíèÿ ËÀ×Õ
èñõîäíîé ñèñòåìû
èç ËÀ×Õ æåëàåìîé
(ðèñ.13)
,
ãäå
- ËÀ×Õ êîððåêòèðóþùåãî
óñòðîéñòâà,
- æåëàåìàÿ ËÀ×Õ,
- ËÀ×Õ èñõîäíîé
ñèñòåìû.
Ðèñóíîê 13 ËÀ×Õ è ËÔ×Õ
êîððåêòèðóþùåãî
óñòðîéñòâà, èñõîäíîé
è ñêîððåêòèðîâàííîé
ñèñòåìû
Ïî ËÀ×Õ ÊÓ çàïèøåì
åãî ïåðåäàòî÷íóþ
ôóíêöèþ:
,
Òàêóþ ïåðåäàòî÷íóþ
ôóíêöèþ ìîæíî
ðåàëèçîâàòü ñ
ïîìîùüþ îïåðàöèîííîãî
óñèëèòåëÿ, ñî
ñõåìîé èçîáðàæåííîé
íà ðèñ.14.
Ðèñóíîê 14 Ñõåìà
êîððåêòèðóþùåãî
óñòðîéñòâà
Ðèñóíîê 15 ËÀ×Õ
è ËÔ×Õ ñêîððåêòèðîâàííîé
ñèñòåìû.
Èç ðèñ.15 âèäíî,
÷òî ñèñòåìà
óñòîé÷èâà. Çàïàñ
ïî àìïëèòóäå
Gm=37 äÁ, ïî ôàçå
Pm=78°.
7.3 Ïåðåõîäíûé
ïðîöåññ ÀÑÓ
Ïðîâåðèì êà÷åñòâî
ðåãóëèðîâàíèÿ.
Äëÿ ýòîãî ïîñòðîèì
êðèâóþ ïåðåõîäíîãî
ïðîöåññà ïîëó÷åííîé
ñèñòåìû (ðèñ.16).
Ðèñóíîê 16 Êðèâàÿ
ïåðåõîäíîãî ïðîöåññà
ÀÑÓ.
Âðåìÿ ðåãóëèðîâàíèÿ

Óñòàíîâèâøååñÿ
çíà÷åíèå ñêîðîñòè
ðàä/ñ,
Ïðîñàäêà ñêîðîñòè
ïðè íîìèíàëüíîì
Ìñ
ðàä/ñ.
Ïîëó÷åííûé
ïåðåõîäíûé ïðîöåññ
ïîëíîñòüþ îòâå÷àåò
çàäàííûì ïîêàçàòåëÿì
êà÷åñòâà.
Çàêëþ÷åíèå
 õîäå êóðñîâîé
ðàáîòû ñèíòåçèðîâàíà
ÀÑÓ ñòàáèëèçàöèè
ñêîðîñòè äâèãàòåëÿ
ïîñòîÿííîãî
òîêà ñ òèðèñòîðíûì
ïðåîáðàçîâàòåëåì.
Äîñòèãíóòû
ñëåäóþùèå ïîêàçàòåëè
êà÷åñòâà ïåðåõîäíîãî
ïðîöåññà:
- âðåìÿ ðåãóëèðîâàíèÿ


- ïåðåðåãóëèðîâàíèå
.
Òðåáóåìûå
ïîêàçàòåëè êà÷åñòâà:
Âðåìÿ ðåãóëèðîâàíèÿ
Ïåðåðåãóëèðîâàíèå
.
Ñïèñîê
èñïîëüçóåìîé
ëèòåðàòóðû
1. Òåîðèÿ
àâòîìàòè÷åñêîãî
óïðàâëåíèÿ: Ó÷åá.
äëÿ âóçîâ ïî ñïåö.
”Àâòîìàòèêà è
òåëåìåõàíèêà”.
 2-õ ÷.×. Ι. Òåîðèÿ
ëèíåéíûõ ñèñòåì
àâòîìàòè÷åñêîãî
óïðàâëåíèÿ / Í.À.
Áàáàêîâ, À.À. Âîðîíîâ,
À.À. Âîðîíîâà, è
äð.; Ïîä ðåä.À. À. Âîðîíîâà.
─ 2-å èçä., ïåðåðàá.
è äîï. ─ Ì.: Âûñø.
øê., 1986. ─ 367 ñ., èë.
2. Ïðèìåðû
ðàñ÷åòîâ àâòîìàòèçèðîâàííîãî
ýëåêòðîïðèâîäà.
Ïîä ðåä. À.Â. Áàøàðèíà.
─ Ì. - Ë.: Ýíåðãèÿ,
1964. ─ 390 ñ.
. Òåîðèÿ
ñèñòåì àâòîìàòè÷åñêîãî
ðåãóëèðîâàíèÿ.
Â.À. Áåñåêåðñêèé,
Å.Ï. Ïîïîâ. ─ Ì.: Íàóêà,
1976. ─ 756 ñ.
Ðàçìåùåíî
íà Allbest.ru