|
№
|
Uл,В
|
Pн,кВт
|
Тип
двигателя
|
ηн,%
|
cosφ
|
Nном,об/мин
|
|
4
|
380
|
15,0
|
RA160MB2
|
90,0
|
0,86
|
2940
|
Аннотация
В данной
курсовой работе рассмотрены и рассчитаны управляемый выпрямитель (УВ) и
преобразователь частоты (ПЧ) для электротехнического комплекса и системы.
Выбраны схемы УВ и ПЧ для данного варианта задания. В работе представлены:
регулировочная характеристика, кривые мгновенных значений фазных U и U на
выходе тиристорной группы (для минимального и максимального углов отпирания),
временные диаграммы выходного напряжения ПЧ с ШИМ регулированием, временные
диаграммы ступенчатых трехфазных выходных напряжений ПЧ.
В данной работе
использовано: - стр., 6 таблиц.
Содержание
Техническое задание
Аннотация
Введение
Глава 1. Расчет
управляемого выпрямителя для электродвигателя постоянного тока тиристорного
электропривода
1.1
Выбор
рациональной схемы управляемого выпрямителя и силовая часть электропривода
1.2
Расчет
и выбор преобразовательного трансформатора
1.3
Выбор
тиристоров
1.4
Выбор
сглаживающего реактора
1.5
Описание
работы схемы УВ
1.6
Регулировочная
характеристика выпрямителя. Расчет
и
Глава 2. Расчет
двухзвенного преобразователя частоты для частотно-регулируемого электропривода
перекачки жидкости
2.1 Описание
электрической схемы электропривода
2.2 Структура и принцип
действия преобразователя частоты с промежуточным звеном постоянного тока
2.3 Расчет инвертора
2.4 Потери мощности в
IGBT транзисторе
2.5 Расчет выпрямителя
2.6 Расчет параметров
охладителя
2.7 Расчет сглаживаемого
фильтра
2.8 Расчет снаббера
Заключение
Приложения
Библиографический список
Введение
Цель и задача
проекта и пути решения этой задачи.
Целью
курсовой работы является выбор схемы и расчет УВ. Для регулируемого
электропривода постоянного тока. Частота вращения двигателя регулируется как
известно двумя способами:
1. Понижением
напряжения на якорной обмотке при этом частота вращения уменьшается.(якорное
регулирование)
2. Полюсное
регулирование, путем уменьшения напряжения на обмотке возбуждения, при этом
частота вращения увеличивается за номинальную.
В курсовой
работе проводится расчет управляемого выпрямителя для якорного регулирования
скорости.
Выполняется
электрический и тепловой расчет преобразователя частоты на IGBT транзисторах,
для частотно-регулируемого энергосберегающего электропривода с асинхронным
приводом. Нагрузкой асинхронного двигателя служит центробежный насос для
перекачки жидкости.
Глава 1. Расчет
управляемого выпрямителя для электродвигателя постоянного тока тиристорного
электропривода
1.1 Выбор
рациональной схемы управляемого выпрямителя и силовая часть электропривода
Рациональная
схема управляемого выпрямителя выбирается по выходной мощности выпрямителя
(1.1)
если
кВт рационален выпрямитель
по трёхфазной нулевой схеме. Если
кВт по трёхфазной мостовой
кВт
кВт значит выбираем трёхфазную
мостовую схему
1.2 Расчет
и выбор преобразовательного трансформатора
Теоретическое
значение напряжения вентильной обмотки трансформатора
(1.2)
В
где
коэффициент, характеризующий
соотношение напряжений в идеальном выпрямителе, приведен в табл.7.2.
Необходимые
запасы напряжения вентильной обмотки
(1.3)
В
коэффициент
запаса
,учитывает
возможное снижение напряжения сети на 5-10% от Uс.ном.;
коэффициент
,учитывает неполное открывание
тиристоров;
коэффициент
,учитывает падение
напряжения в обмотках трансформатора и в тиристорах;
Расчетное
действующее значение тока вторичной обмотки определяют по формуле
(1.4)
А
где
(1.5)
А
где
- номинальная мощность
двигателя постоянного тока,
- его к.п.д;
Коэффициент
схемы
(табл. 7,2),
характеризует отношение токов
в идеальном выпрямителе, коэффициент
учитывает отклонение формы
анодного тока тиристоров от прямоугольной и согласно экспериментальным данным
составляет 1.05-1.1.
Действующее
значение тока вентильной обмотки
(1.6)
А
где
-коэффициент трансформации
трансформатора
Коэффициент
трансформации трансформатора
(1.7)
Расчетная
типовая мощность трансформатора
(1.8)
кВА
где
коэффициент
-
коэффициент схемы (табл 7.2) [3], характеризующий соотношение мощностей S/Ud*Id
для идеального выпрямителя с нагрузкой напротивоЭДС.
На основании
расчетных данных (
,
) выбираем по справочнику
[1] преобразовательный трансформатор: ТСЗМ-16-ОМ5
Параметры
трансформатора ТСЗМ-16-ОМ5
Т -
Трехфазный
СЗ –
естественное воздушное охлаждение при защитном исполнении
М – многообмоточный
Мощность 16
кВА
В
В
Габаритные
размеры
L=638мм
В=385мм
Н=490мм
Масса=145кг
Коэффициент
трансформации трансформатора для теоретических значений
1.3 Выбор
тиристора
Среднее
значение прямого тока тиристора в заданной схеме управления определяется по
формуле
(1.9)
-коэффициент запаса по току,
учитывает кратность пускового тока;
число фаз преобразовательного силового трансформатора;
коэффициент, учитывает
интенсивность охлаждения силового тиристора (
1,0 при принудительном и
0,33-0,35 при естественном воздушном
охлаждении со стандартным радиатором, соответствующим данному типу полупроводникового
прибора).
Расчетное
значение максимального обратного напряжения, прикладываемого к тиристорам,
вычисляется по формуле
(1.10)
В
B
коэффициент запаса по
напряжению, учитывающий возможные повышения напряжения питающей сети и
периодические выбросы
,обусловленные
процессом коммутации вентилей;
(табл.7.2)-коэффициент обратного напряжения,
равный отношению напряжений
для принятой схемы выпрямителя;
-напряжение на выходе преобразователя
при α=0.
По полученным
данным выбираем силовой тиристор: Т151-100
(1.11)
Параметры
тиристора Т151-100/6 класс/стандартное охлаждение
А
B
1.4 Выбор
сглаживающего реактора
Требуемая
суммарная индуктивность якорной цепи преобразователь – двигатель
(1.12)
Гн
В
действующее значение первой
гармоники выпрямительного напряжения. При предельном угле регулирования
α=900 для соответствующего значения числа пульсаций m=6
определяется по известному значению
, т.е.
минимальный ток нагрузки преобразователя,
принимаемый равным 5% от
.
m- число
пульсаций выпрямленного напряжения за период частоты напряжения сети.
- угловая частота первой
гармоники напряжения сети при
Гц.
Необходимая
индуктивность сглаживающего реактора
(1.13)
мГн
Индуктивность
фазы трансформатора, приведенная к контуру двигателя
(1.14)
Гн
напряжение короткого
замыкания трансформатора (
);
Если
в (1.14) получилась меньше
или равна нулю, то применять реактор в схеме нет необходимости, т.к. сумма
индуктивности
достаточна
для обеспечения непрерывности тока двигателя.
Выбираем
сглаживающий реактор [2]
По следующим
данным:
мГн
А
Тип РТСТ-41-1,01
Р – реактор
Т –
трёхфазный
С –
сглаживающий
Т -
токоограничивающий
В
А
мГн
мОм
Масса 23 кг
1.5
Описание работы схемы УВ
Схема
приведена в конце курсового проекта. Приложение 1
На схеме:
- входной
согласующий трансформатор ТV;
-
автоматический выключатель QF;
-
силовые предохранители FU;
-
контактор КМ;
-
блок силовых полупроводниковых приборов UZ;
-
дроссель L;
-
приборы индикации тока и напряжения на выходе устройства RS;
-
органы контроля и управления устройства SB;
-
блоки системы управления преобразователем U;
-
блоки источника питания системы управления G;
-
входные и выходные зажимы силовых цепей X1, Х2.
Трехфазное
напряжение питания Uc=380 В промышленной частоты f=50 Гц, через входные клеммы
подается на разъединитель, предназначенный для предотвращения подачи напряжения
на установку при наладке, профилактических осмотрах с целью обеспечения
видимого разрыва электрической цепи. При включении разъединителя напряжение
подается на согласующий трансформатор (схема соединения звезда-звезда),
осуществляющий гальваническое разделение и согласование напряжения сети с
входным напряжением выпрямителя. При замыкании автоматического выключателя,
установленного для защиты питающих сетей и цепей нагрузки от токов короткого
замыкания и тепловой защиты от длительной перегрузки, напряжение через
предохранители подается на входные клеммы силового контактора. Силовой
контактор предназначен для автоматического и дистанционного включения установки
на нагрузку и отключения вторичных цепей. При включении силового контактора и
подачи управляющих выходных импульсов СИФУ на силовые полупроводниковые приборы
за счет регулирования электрического угла открытия тиристоров происходит
регулируемое преобразование энергии переменного тока в энергию постоянного
тока.
Преобразователь
выполнен по трехфазной, полностью управляемой тиристорной мостовой схеме, что
позволяет при работе на электрическую машину постоянного тока получать как
выпрямительный, так и инверторный режим работы или потреблять и отдавать
энергию в сеть, обеспечить как двигательный, так и генераторный режим работы
двигателя. Для сглаживания пульсаций выпрямленного тока в цепь нагрузки включен
дроссель. Устройство позволяет регулировать напряжение в пределах 0 – Ud.
Так как номинальное напряжение катушки контактора, цепей управления
преобразователя и источников питания U=220 В, то для обеспечения такого уровня
напряжения предусмотрен нулевой провод РЕ. Для сигнализации наличия напряжения
включения и отключения преобразователя на нагрузку в схеме установки
предусмотрены сигнальные индикаторы HL.
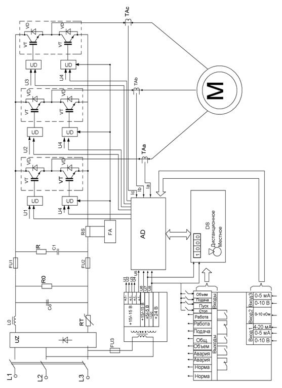
В
состав трехфазного мостового тиристорного преобразователя (рис.7.1) входят две
группы тиристоров – катодная VS1, VS3, VS5 и анодная VS2, VS4, VS6,
трансформатор и система импульсно-фазового управления СИФУ. Система
вырабатывает импульсы управления тиристорами с заданной фазой по отношению к
напряжению сети. Тиристоры в каждой группе открываются с интервалом 2π/m
(m=6). Углы открытия тиристоров в обеих группах отсчитываются от моментов
естественного включения, соответствующих моменту равенства фазных или линейных
ЭДС. Ток в преобразователе всегда протекает по двум тиристорам, принадлежащим к
различным вентильным группам, и по двум обмоткам трансформатора.
Поэтому
при открывании тиристора в фазе а импульсом, поступающим от СИФУ в момент
Ue+α (где Ue – угол естественного включения неуправляемого
преобразователя) необходимо также подать импульс управления на VS6 фазы в. ЭДС
в цепи нагрузки е2d становится равной линейной ЭДС е2аb=ea–
eb. В режиме непрерывного тока в момент открывания очередного
тиристора ток еще продолжает протекать через ранее открытый тиристор. Время, в
течение которого ток переходит с одного тиристора на другой, называется
интервалом коммутации γ.
Необходимость
одновременного открывания двух тиристоров, принадлежащих разным группам,
требует наличия широких импульсов управления (λу > 60°) или
сдвоенных узких импульсов, сдвинутых друг от друга на 60°. Выпрямленное
напряжение ud описывается кривой линейного напряжения. Пульсации
кривой соответствуют шестикратной частоте по отношению к частоте переменного
тока (m=6). Длительность протекания тока в каждом тиристоре равна
γ+2π/3. Среднее значение тока IVS=Id/3. При
больших углах управления (α>90°) тиристор до подачи импульса управления
должен выдерживать без преждевременного открытия максимальное значение прямого
напряжения, а после его закрытия максимальное значение обратного напряжения и
начальный скачок обратного напряжения.
Обратное
напряжение определяется линейным напряжением, так как в непроводящую часть
периода неработающие тиристоры присоединены к двум фазам трансформатора через
работающие. Ток во вторичной обмотке трансформатора переменный и равен сумме
токов тиристоров, присоединенных к данной фазе. Поток вынужденного
намагничивания в магнитопроводе не возникает, поскольку по вторичным обмоткам,
расположенным на разных стержнях, всегда протекают противоположные по
направлению и равные по величине токи.
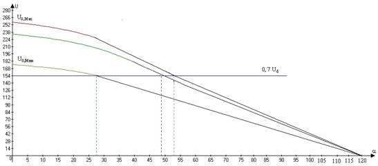
§1.6
Регулировочная характеристика выпрямителя. Расчет
и
В (1.15)
где
для трех фазной мостовой
схемы и
для трех фазной
нулевой схемы.
В
В
В
В
|
|
00
|
300
|
450
|
600
|
900
|
|
|
292,5
|
256,7
|
204,7
|
146,2
|
0
|
При
уменьшении
,
получается выпрямленное напряжение
(1.16)
В
В
В
В (1.17)
В
В
|
|
00
|
300
|
450
|
600
|
900
|
|
|
219,3
|
188,6
|
153,5
|
109,6
|
0
|
При повышении
, получается
выпрямленное распределение
(1.18)
В
В
В (1.19)
В
В
|
|
00
|
300
|
450
|
600
|
900
|
|
|
321,7
|
276,6
|
225,1
|
160,8
|
0
|
0.7
=154 В
Регулировочная
характеристика

Строим кривые
мгновенных значений фазных U и U на выходе тиристорной группы при
Строим кривые
мгновенных значений фазных U и U на выходе тиристорной группы при
Глава 2. Расчет
двухзвенного преобразователя частоты для частотно-регулируемого электропривода
перекачки жидкости
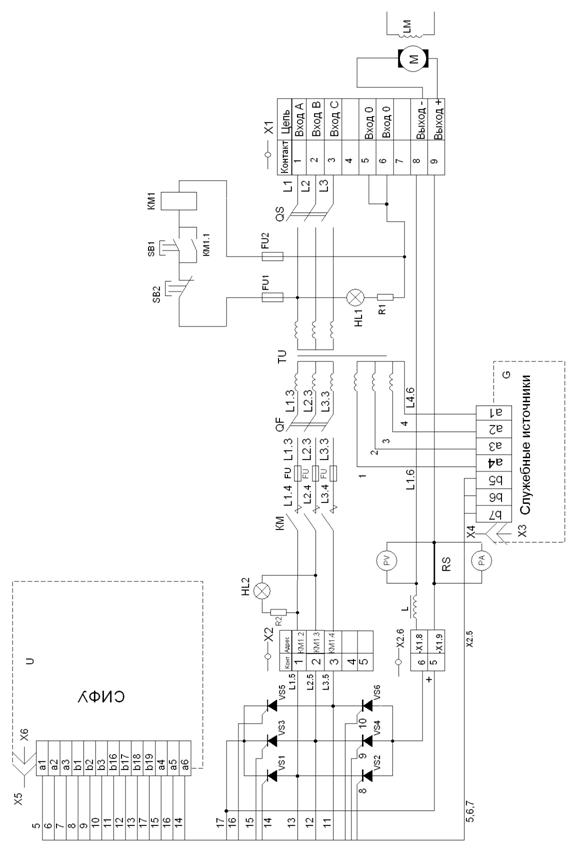
2.1
Описание электрической схемы электропривода
Схема
приведена в конце курсового проекта. Приложение 2
Основные
элементы, входящие в Функциональную электрическую схему асинхронного ЭП с ПЧ:
UZ – неуправляемый выпрямитель; L0, Со – фильтр; RT – термистор, ограничивающий
ток заряда конденсатора С0; R0 – разрядное сопротивление для конденсатора Со,
FU1, FU2 – предохранители; R, С – цепь защиты (снаббер) от перенапряжений на
ключах IGBT; RS – датчик тока для организации защиты (FA) от сквозных и
недопустимых токов перегрузки через IGBT; VT – VD – интегрированный трехфазный
инвертор на IGBT с обратным диодным мостом.
Основные
блоки в системе управления:
- блок
питания, содержащий восемь развязанных между собой источников напряжения;
-
микроконтроллер AD на базе сигнального процессора 1899BE1;
- плата
индикации DS с переключателем способа управления местное / дистанционное;
- блок
сопряжения ТВ по работе с внешними сигналами или командами;
- согласующие
усилители UD – драйверы IGBT.
2.2
Структура и принцип действия преобразователя частоты с промежуточным звеном
постоянного тока
В
преобразователе применена наиболее распространенная для управления асинхронным
короткозамкнутым двигателем схема ПЧ с автономным инвертором напряжения (АИН) с
широтно-импульсной модуляцией (ШИМ) напряжения на выходе и неуправляемым
выпрямителем на входе силовой части схемы и микропроцессорным управлением. При
питании от сети 380 В наиболее рациональным является применение в инверторе полупроводниковых
вентилей нового поколения – биполярных транзисторов с изолированным затвором
IGBT.
Основные
элементы, входящие в схему (2): UZ – неуправляемый выпрямитель; L0, Со –
фильтр; RT – термистор, ограничивающий ток заряда конденсатора С0; R0 – разрядное
сопротивление для конденсатора Со, FU1, FU2 – предохранители; R, С – цепь
защиты (снаббер) от перенапряжений на ключах IGBT; RS – датчик тока для
организации защиты (FA) от сквозных и недопустимых токов перегрузки через IGBT;
VT – VD – интегрированный трехфазный инвертор на IGBT с обратным диодным
мостом.
Основные
блоки в системе управления:
- блок
питания, содержащий восемь развязанных между собой источников напряжения;
-
микроконтроллер AD на базе сигнального процессора 1899BE1;
- плата
индикации DS с переключателем способа управления местное / дистанционное;
- блок
сопряжения ТВ по работе с внешними сигналами или командами;
- согласующие
усилители UD – драйверы IGBT.
Работает
электропривод следующим образом. При подаче силового напряжения 380В на вход
выпрямителя UZ в звене постоянного тока происходит процесс заряда конденсатора
фильтра C0, который определяется величинами L0, C0.
Одновременно с этим в информационную часть схемы подается питание (напряжения U1
– U8). В процессе выдержки времени на установление напряжений
стабилизированных источников питания U1 – U4 аппаратная
защита FA блокирует открывание ключей инвертора и происходит запуск программы
управления процессором по аппаратно-формируемой команде "Рестарт". Выполняется
предустановка ряда ячеек ОЗУ процессора (установка начальных условий),
определяется способ управления "Местное/Дистанционное", "по умолчанию"
устанавливается режим работы "Подача" (Q). Если с датчиков тока фаз
двигателя ТАА – ТАС, аппаратной защиты FA, напряжения сети Uс поступает
информация о нормальных параметрах, то привод готов к работе, на цифровой
индикатор выводятся нули, светится светодиод "Подача". В противном
случае загорается светодиод "Авария" и на цифровом индикаторе
появляется код срабатывания той или иной защиты.
Для
управления двигателем процессор формирует систему трехфазных синусоидальных
напряжений, изменяемых по частоте и амплитуде, и передает их в модулятор, в
котором синусоидальные сигналы управления фазами – “стойками” инвертора,
состоящими из последовательно включенных ключей IGBT, преобразуются в
дискретные команды включения и отключения транзисторов классическим методом
центрированной синусоидальной ШИМ. Несущая частота ШИМ составляет от 5 кГц до
15 кГц.
Методика
расчета приводится для ПЧ с АИН (рис. 7.2), выполненного на гибридных модулях,
состоящих из ключей IGBT и обратных диодов FWD, смонтированных в одном корпусе
на общей тепловыводящей пластине.
2.3 Расчёт
инвертора
Максимальный
ток через ключи инвертора определяется из выражения:
(2.1)
А
А
где Pн –
номинальная мощность двигателя, Вт; kI = (1,2–1,5) – коэффициент
допустимой кратковременной перегрузки по току, необходимой для обеспечения
динамики электропривода; k2 = (1,1–1,2) – коэффициент допустимой
мгновенной пульсации тока; ηн – номинальный КПД двигателя; Uл
– линейное напряжение двигателя, В.
Среднее
выпрямленное напряжение
(2.2)
В
где kсн
= 1,35 для мостовой трехфазной схемы; kсн = 0,9 – для мостовой однофазной
схемы.
Выбираем IGBT
модуль при условии Iс ≥ Iс.макс. и Uce≥Ud
Выбрали 3
модуля CM100D-Y-12H для функциональной электрической схемы АД эл. привода с ПЧ.
Параметры
IGBT модуля CM100D-Y-12H
|
Тип
прибора
|
Предельные
параметры
|
Электрические характеристики
|
Обратный диод
|
Тепловые
и механические параметры
|
Масса,г
|
|
UCE(sat), B
|
Cies, нФ
|
Cоes, нФ
|
Cres,нФ
|
td(on),нс
|
tr,
нс
|
td(off),
нс
|
tf,
нс
|
|
UCES,
B
|
IC,
A
|
PC,
Вт
|
типовое
|
максимальное
|
Uf,
B
|
trr,
|
Rth(c-f),
oC/Вт
|
IGBT
|
Диод
|
|
Rth(j-f),
oC/Вт
|
|
CM100D-Y-12H
|
600
|
100
|
400
|
2,1
|
2,8
|
10
|
3,5
|
2
|
120
|
300
|
200
|
300
|
2,8
|
110
|
0,15
|
0,31
|
0,7
|
190
|
Примечание: UCES
– максимальное напряжение коллектор-эмиттер; IC – макси мальный
ток коллектора; PC – максимальная рассеиваемая мощность; UCE(sat)
– напряжение коллектор-эмиттер во включенном состоянии; Cies –
входная емкость; Cоes – выходная емкость; Cres – емкость
обратной связи (проходная); td(on) – время задержки включения; tr
– время нарастания; td(off) - время задержки выключения; tf
– время спада; Uf – прямое падение напряжения на обратном диоде
транзистора; trr – время восстановления обратного диода при
выключении; Rth(c-f) – тепловое сопротивление корпус-охладитель; Rth(j-f)
– тепловое сопротивление переход-корпус.
2.4 Потери
мощности в IGBT
Потери в IGBT
в проводящем состоянии
(2.3)
А (2.4)
Вт
Вт
где Iср
= Iс.макс/k1 – максимальная величина амплитуды тока на
входе инвертора; D = (tp/T) – максимальная скважность, принимается
равной 0,95; cos θ – коэффициент мощности, примерно равный cosφ;
Uce(sat) – прямое падение напряжения на IGBT в насыщенном состоянии при Iср
и Тj = 125 °С (типовое значение 2,1–2,2 В).
Потери IGBT
при коммутации
(2.5)
Вт
где tc(on),
tc(off) – продолжительность переходных процессов по цепи коллектора
IGBT соответственно на открывание и закрывание транзистора, с (типовое значение
tс(on) = 0,3 – 0,4 мкс, tс(off) = 0,6–0,7 мкс); Ucc
– напряжение на коллекторе IGBT (коммутируемое напряжение, равное напряжению
звена постоянного тока для системы АИН–ШИМ), В; fsw – частота
коммутаций ключей (частота ШИМ), обычно от 5000 до 15000Гц.
Суммарные потери
IGBT
(2.6)
Вт
Потери диода
в проводящем состоянии
(2.7)
Вт
где Iеp
= Iср – максимум амплитуды тока через обратный диод, А; Uec
– прямое падение напряжения на диоде (в проводящем состоянии) при Iep,
B.
Потери
восстановления запирающих свойств диода
(2.8)
Вт
где Irr.
– амплитуда обратного тока через диод (равные Icp), A; trr
– продолжительность импульса обратного тока, с (типовое значение 0,2 мкс).
Суммарные
потери диода
(2.9)
Вт
Результирующие
потери в IGBT с обратным диодом определяются по формуле
(2.10)
Вт
Максимальное
допустимое переходное сопротивление охладитель - окружающая среда
°C/Вт, в расчете на пару
IGBT/FWD (транзистор/обратный диод)
(2.11)

где Та
– температура охлаждающего воздуха, 45–50 °С; Тс – температура теплопроводящей
пластины, 90–110 °С; Рm – суммарная рассеиваемая мощность, Вт, одной
парой IGBT/FWD, Rth(c-f) – термическое переходное сопротивление корпус–поверхность
теплопроводящей пластины модуля в расчете на одну пару IGBT/FWD, °С/Вт.
Температура
кристалла IGBT определяется по формуле
(2.12)

где Rth(j-c)q
– термическое переходное сопротивление кристалл–корпус для IGBT части
модуля. При этом должно выполняться неравенство
Tja
≤ 125 0C.
Температура
кристалла обратного диода FWD
(2.13)

где Rth(j-c)d
– термическое переходное сопротивление кристалл–корпус для FWD части
модуля. Должно выполняться неравенство Тj ≤ 125 0C.
2.5 Расчет
выпрямителя
Максимальное
значение среднего выпрямленного тока
(2.14)
А
где n –
количество пар IGBT/FWD в инверторе.
Максимальный
рабочий ток диода
(2.15)
А
где при
оптимальных параметрах Г-образного LС-фильтра, установленного на выходе
выпрямителя, kcc =1,045 для мостовой трехфазной схемы; kcc
= 1,57 для мостовой однофазной схемы.
Максимальное
обратное напряжение вентиля (для мостовых схем)
(2.16)
В
где kc
≥ 1,1– коэффициент допустимого повышения напряжения сети; k3H
– коэффициент запаса по напряжению (>1,15); ΔUн – запас на
коммутационные
выбросы
напряжения в звене постоянного тока (≈100–150 В).
Выбираем вентиль
для функциональной электрической схемы АД эл. при вода с ПЧ по следующим
данным:
В
А
Выбираем
вентиль RM75DZ-2H
Расчет потерь
в выпрямителе для установившегося режима работы электропривода (
):
(2.17)
Вт
где kcs
= 0,577 для мостовой трехфазной схемы; kcs = 0,785 для мостовой
однофазной схемы; Ron – динамическое сопротивление в проводящем состоянии
вентиля;
Uj
– прямое падение напряжения на вентиле при токе 50 мА (Uj + RonIdm/k1)
– составляет около 1 В для диода или 1,3 В для тиристора; mv – число
вентилей в схеме.
Максимальное
допустимое переходное сопротивление охладитель-окружающая среда
в расчете на выпрямитель
(2.18)

где Rth(c-f)
– термическое переходное сопротивление корпус–поверхность теплопроводящей
пластины модуля.
Температура
кристалла
(2.19)
0С
где Rth(j-c)d
– термическое переходное сопротивление кристалл–корпус для одного вентиля
модуля; nD – количество вентилей в модуле. Необходимо, чтобы
выполнялось неравенство TjDV ≤ 140 0С.
2.6 Расчет
параметров охладителя
При установке
модулей (выпрямитель, инвертор) на общий охладитель требуемое сопротивление
определяется аналогично суммарному сопротивлению при параллельном включении
резисторов
Т.к мы
предусматриваем общий охладитель для выпрямленного и автономного инвертора то
тепловое сопротивление охладителя находятся по формуле
(2.20)

Используя
график зависимости теплового сопротивления
скорости воздушного потока при принудительном
охлаждении радиатора (рис. 1) определяем что при скорости обдува V=6м/с
рис. 1
Определяем
при 6 м/с

По полученным
результатам выбираем охладитель для вентиля функциональной электрической схемы АД эл. привода с
ПЧ. [6]
2.7 Расчет
сглаживающего фильтра
Коэффициент
пульсаций на входе фильтра (отношение амплитуды напряжения к среднему значению)
(2.21)
где m –
пульсность схемы выпрямления (m = 6 для трехфазной мостовой схемы, m = 2 для
однофазной мостовой схемы).
Параметр
сглаживания LC-фильтра
(2.22)
где S = q1вх/q1вых
– коэффициент сглаживания по первой гармонике; fs – минимальная
частота выходного напряжения в ПЧ, равная 30 Гц.
В качестве
индуктивности используем паразитную индуктивность питающей кабельной линии,
задаёмся длинной кабельной линии
(50…100)м
Выбираем
погонную индуктивность из справочника
нГн.
Ёмкость конденсатора
необходимой для реализации LC фильтра
(2.23)
мкФ
(2.24)
(2.25)
мГн
где Id
– номинальный средний ток звена постоянного тока, А.
Емкость
конденсаторов, необходимая для протекания реактивного тока нагрузки инвертора
[1], находится из выражения
(2.26)
мкФ
-амплитудное значение тока,
в обмотке низшего напряжения трансформатора =
через IGBT ключ
угол сдвига м/у первой
гармоникой
и
на двигателе
=320
коэффициент пульсаций на
выходе LC фильтра
Амплитуда
тока через конденсаторы фильтра на частоте пульсаций выпрямленного тока (по
первой гармонике)
(2.27)
А
А
где
- наибольшая ёмкость из
и
,
мкФ
Выбираем
марку электролитического конденсатора для батареи конденсаторов на ёмкость не
менее 7500 мкФ с напряжением не менее (1,1…1,2) Ud=615,6 В запас по
напряжению.
Составляем
батарею
Выбираются
небольшие конденсаторы электролитические с ёмкостью 680 мкФ напряжением 500 В,
составляются пары из двух последовательно включённых конденсаторов, ёмкость
такой пары 340 мкФ, рабочее напряжение 1000 В. Получается параллельно
включённых порядка 24 пар, 48 конденсаторов марки Siemens Matsushita Components.Номинальный
ток конденсатора свыше 300А, срок службы 15 лет.
2.8 Расчет
снаббера
Снаббер
защищает цепь от пробоя напряжения, а в частности защищает силовые транзисторы
от выброса мощности в следствии паразитной индуктивности.
Рассматриваемая
схема:
|
Схема
|
Особенности
|
|
|
1.
Малое
число элементов.
2.
Низкие
потери мощности.
3.
Подходит
для средней и малой емкости конденсатора.
|
|
|
|
Выбираем
ёмкость снабберной цепи из расчёта 2 мкФ на 100А коммутированного тока.
Выбор
величины сопротивления производится из условия минимума колебаний тока
коллектора при включении IGBT
(2.29)
Ом
где LSn – индуктивность цепей
снаббера, которая не должна быть более 10 нГн.
Мощность в
резисторе
(2.30)
Вт
Вт
Выбираем
высокочастотные резисторы
Для нашей
схемы необходимо 10 резисторов.
Набрать
снабберный резистор из резисторов типа МЛТ-1Вт, МЛТ-2Вт
Из
стандартных значений по шкале сопротивлений с допуском номинала 5%
Соединяется
последовательно или параллельно собираем резистор RCH
Снабберный
диод выбирается по табличке [5] диод должен быть сверх высокочастотным или из
методички. Выбираем по току в 20-50 раз меньше среднего тока IGBT транзистора
А,
напряжение
снабберного диода
Выбираем
снабберный диод серии MBR5150E для функциональной электрической схемы АД
электропривода с ПЧ. со следующими данными:
IFAV=5
А
URRM=1500
В
UFM=2.0
В;
tвкл=175
нс;
tоткл=130
нс
Для
нашей схемы нам потребуется 1 диод.
Строим
временные диаграммы ступенчатых выходных напряжений П/Ч.


(
) (2.31)
(2.32)
В
;
;
(2.33)
(2.34)
Рассчитываем
текущие значения для каждого периода (всего 10)используя диаграммы выходного
напряжения ПЧ с ШИМ регулированием.
Вт
Аналогично
рассчитываем для остальных значений
Заключение
В данном
курсовом проекте рассчитан УВ и ПЧ для функциональной электрической схемы
асинхронного ЭП с ПЧ и электрической принципиальной схемы УВ.
Рассчитаны
все основные параметры и выбраны все необходимые элементы схемы.
Приложение 1
Приложение 2
Приложение 3
Библиографический
список
1.
Герасимов
В.Г. «Электротехнический справочник Т2», МэИ, 2002
2.
Герасимов
В.Г. «Электротехнический справочник Т4», МэИ, 2002
3.
Ковалев
Ю.З., Кузнецов Е.М. «Электрооборудование промышленности» Омск 2006
4.
Справочник
«Охладители воздушных систем для п/п приборов»
5.
Чебовский
О.Г. Моисеев Л.Г. Недошивин Р.П. Силовые полупроводниковые приборы: Справочник.
2-е изд., перераб. и доп. М.: Энергоатомиздат, 1985. 512 с.
6.
Охладители
воздушных систем охлаждения для п/п приборов. Каталог 05.20.06-86 Информэлектра
1896 31с.