Расчет тиристорного преобразователя
Содержание
1. Техническое задание на проектирование
. Расчет и выбор элементов тиристорного преобразователя
.1 Выбор силовой схемы преобразователя
.2 Расчет силового трансформатора
.3 Выбор тиристоров
.4 Расчет индуктивности и выбор токоограничивающего реактора
.5 Расчет индуктивности и выбор уравнительных дросселей
.6 Расчет индуктивности и выбор сглаживающего дросселя
. Расчет и выбор элементов защиты тиристорных преобразователей
.1 Автоматические выключатели
.2 Средства защиты от перенапряжений
. Статистические характеристики тиристорных преобразователей
.1 Регулировочные характеристики силовых схем преобразователей
.2 Регулировочные характеристики тиристорных преобразователей
.3 Внешние характеристики тиристорных преобразователей
.4 Электромеханические характеристики двигателя
. Энергетические характеристики тиристорных преобразователей
.1 Коэффициент полезного действия преобразователей
.2 Коэффициент мощности тиристорных преобразователей
Список используемой литературы
1. Техническое задание на проектирование
Техническое задание на
проектирование
Данные электродвигателя постоянного
тока
|
Тип двигателя
|
РН, кВт
|
n, об/мин
|
UЯН
|
IЯН
|
Сопр. Обмотки (200 С), Ом
|
Число пар полюсов, р
|
КПД, ήН %
|
|
|
|
|
|
RЯ.ОБМ
|
RДП
|
|
|
|
2ПБ160М
|
6
|
2130
|
110
|
62
|
0,037
|
0,024
|
2
|
85,5
|
Данные преобразователя
|
Максимальный угол регулирования αmax
|
Допустимый уровень пульсаций тока якоря, iП %
|
Исполнение преобразователя
|
Форма опорного напряжения СИФУ
|
|
650
|
2,25
|
Реверсивное, 2 комплектное с раздельным управлением
|
Пилообразная
|
2. Расчет и выбор элементов
тиристорного преобразователя
.1 Выбор силовой схемы
преобразователя
Так как в моей курсовой работе
используется электродвигатель мощностью 6 кВт, работающий в реверсивном режиме,
то целесообразно использовать трехфазную нулевую схему со включенными встречно
тиристорами.
Трехфазная нулевая схема
.2 Расчет силового
трансформатора
Расчетное напряжение
вторичной обмотки трансформатора
Гдеc -
коэффициент схемы (Kc=0,855)u - коэффициент запаса по
напряжению (Ku=1,1)α
- коэффициент запаса учитывающий снижение напряжения на выходе выпрямителя за
счет ограничения угла открывания тиристора в реверсивных преобразователях с
согласованным управлением (Kα=1,1)R
- коэффициент учитывающий падение напряжения на вентилях и обмотках
трансформатора, а также наличие углов коммутации (KR=1)dH
- номинальное напряжение трансформатора
Действующее значение
линейного тока вторичной обмотки трансформатора
1
- коэффициент тока, зависящий от схемы выпрямителя K1=0,583
- коэффициент запаса по току, учитывающий возможную перегрузку преобразователя
K3=2i - коэффициент, учитывающий отклонение формы
анодного тока тиристора от прямоугольной. Ki=1,1dH -
номинальный ток нагрузки
Расчетная типовая
мощность силового трансформатора
Где Sт -
теоретическое значение типовой мощности трансформатора
S
- коэффициент схемы по мощности (KS=1,35)dH - среднее
значение выпрямленного напряженияdH - среднее значение выпрямленного
тока
Выбираем трансформатор
по следующим условиям
H,
U2ФН,I2ФН - номинальные значения полной мощности, фазных
напряжений и тока выбранного трансформатора.
Выбираем трансформатор
ТС-25
Технические данные
трансформатора ТС-25
|
SH, кВА
|
Напряжение, кВ
|
Потери, Вт
|
Напряжение короткого замыкания, % от UH
|
Ток холостого хода, % от IH
|
Схема соединения обмоток и группа
|
|
U1л
|
U2л/ U2л
|
P0
|
Pк
|
|
|
|
|
25
|
380
|
0,38
|
180
|
560
|
3
|
4,5
|
Y/Y-0
|
Действующее значение тока первичной
обмотки трансформатора
Где Kтр -
коэффициент трансформации
Активное сопротивление
фазы вторичной обмотки трансформатора
фктр -
полное сопротивление фазы трансформатора в режиме короткого замыканияк
- напряжение короткого замыкания трансформатора
к
- ток короткого замыкания
Действующее значение
фазного тока вторичной обмотки
Активное сопротивление
фазы трансформатора в режиме короткого замыкания
Cosφ - коэффициент
мощности трансформатора в режиме короткого замыкания
Сопротивление фазы
вторичной обмотки трансформатора
Где Rфтр1 -
активное сопротивление первичной обмотки трансформаторафтр2 -
активное сопротивление вторичной обмотки, приведенное к параметрам первичной
обмотки
Индуктивность фазы
вторичной обмотки
.3 Выбор тиристоров
Выбор тиристоров
производится по среднему значению тока и максимальному значению обратного
напряжения.
Требуемое среднее значение
тока IВ тиристора с воздушным охлаждением, с учетом пусковых токов и
условий охлаждения.
Где K3i -
коэффициент запаса, учитывающий пусковые токи (K3i=2.5)охл
- коэффициент учитывающий условия охлаждения (при скорости охлаждающего воздуха
V=12м/с Kохл=1)dn - номинальный ток двигателя2
- число фаз вторичной обмотки (m2=3)
Выбираем тиристор по
следующему условию
Проверяем выбранный
тиристор на устойчивость при коротком замыкании
Где Iк - ток
короткого замыкания
Максимальная величина
обратного напряжения, прикладываемая к вентилю
Где К0 -
коэффициент схемы (К0=2,09)
Расчетное максимальное
обратное напряжение на тиристоре
Окончательно выбираем
тиристор марки Т-100
Основные параметры
тиристора Т-100
Предельный ток тиристора с типовым охлаждением, при скорости
обдува V=12м/с
|
Ударный ток, IУД, при длительности 10 мс При t=1250
С
|
Повторяющиеся напряжение Un
|
Отпирающий Ток управления, mA
|
Отпирающее Напряжение U
|
Защитный показатель WB при длительности импульса тока
10м/с t=25 t=125
|
|
Т-100
|
100
|
3000
|
50 120030075120045000
|
|
|
|
|
.4 Расчет индуктивности и выбор
токоограничивающего реактора
В анодные цепи преобразователей
последовательно с трансформаторами включают реакторы, которые совместно с
индуктивностью рассеяния трансформатора ограничивают токи рассеивания, в
пределах допустимого ударного тока тиристора. При питании тиристорных
преобразователей от общего группового трансформатора анодные реакторы уменьшают
взаимное влияние преобразователей через общую индуктивность группового
трансформатора друг от друга при коммутации вентилей.
Допустимый ударный ток Iуд
одного вентиля является одним из основных параметром тиристора.
Периодическая составляющая ударного
тока.
Где Ку
-ударный коэффициент (Ку=1,3)
Величина требуемого
реактивного сопротивления в фазе
Требуемая индуктивность
фазы
Реактивное сопротивление
токоограничивающего реактора при последовательном соединении со вторичной
обмоткой трансформатора.
Т.к. значение
отрицательно реактор не нужен.
.5 Расчет индуктивности
и выбор уравнительных дросселей
Особенностью реверсивных
тиристорных преобразователей с совместным упрвлением является одновременная
работа двух комплектов преобразователя. Один из них работает в выпрямленном
режиме, а другой в инверторном. Из-за различия мгновенных значений напряжений в
контуре, образованном вентильными группами, появляется уравновешенное
напряжение, под действием которого появляется ток, минуя цепь загрузки. Этот
ток называется уравнительным.
Индуктивность
уравнительного контура, необходимая для ограничения уравнительного тока
Где
-
амплитудное значение одного напряжения вторичной обмотки трансформатора
КУ=0,65 -
расчетный коэффициент
- среднее значение
уравнительного тока при угле управления равном 900
Величина уравнительного
тока ограничивается суммарной индуктивностью уравнительных дросселей и
индуктивностью рассеяния обмоток трансформатора уравнительного контура.
Индуктивность каждого
ненасыщающего дросселя
Индуктивность
насыщающего дросселя
Уравнительные дроссели
выбирают из условий
Наиболее подходящим будет
уравнительный реактор РОС-32/0,5Т
.6 Расчет индуктивности и выбор
сглаживающего дросселя
Пульсации выпрямленного напряжения
на выходе преобразователя вызывают пульсации тока в силовой цепи, что ухудшает
условия коммутации двигателей постоянного тока и приводит к дополнительному
нагреву всех элементов силовой цепи. Величина пульсаций тока зависит от схемы
выпрямителя, угла управления и индуктивности цепи нагрузки. С целью уменьшения
пульсаций тока до необходимого уровня в цепь нагрузки включают сглаживающие
дроссели.
Требуемая индуктивность
сглаживающего дросселя в якорной цепи рассчитываем погармонической составляющей
наименьшей кратности, так как при гармонических составляющих более высоких порядков
дроссель действует более эффективно как вследствие уменьшения амплитуд
гармонических, так и вследствие повышения индуктивного сопротивления дросселя с
возрастанием частоты.
Поэтому необходимое значение
индуктивности силовой цепи рассчитываем из условия обеспечения требуемого
уровня пульсаций основной гармоники тока нагрузки. Допустимый уровень пульсаций
действующего значения тока якоря составляет 2 % от номинального для
компенсированных, а для некомпенсированных - 5-7 %, для машин малой мощности -
до 15 %.
Требуемая индуктивность цепи
выпрямленного тока, Гн:
Гн
где - in % -
допустимый уровень пульсаций основной гармоники тока нагрузки (
);-
число пульсаций выпрямленного напряжения (m = 3);
- номинальное значение
тока двигателя;
- частота питающей сети;
- относительная величина
действующего значения первой гармоники выпрямленного напряжения при
максимальном угле управления
:
d0-
максимальное значение ЭДС преобразователя при а = 0.
В
Здесь
-
действующее значение напряжения вторичной обмотки трансформатора;
- коэффициент схемы по
напряжению (
).
Необходимая
индуктивность сглаживающего дросселя, Гн:
(3.40)
Гн
где
- индуктивность уравнительного дросселя (
); TP -
индуктивность рассеяния силового трансформатора;
- индуктивность якорной
цепи двигателя, Гн,
(3.41)
Здесь
=
0,25 для компенсированных и
= 0,6 для
некомпенсированных электродвигателей, в моём случае
=
0,25
Р - число пар
полюсов(P=2);
- номинальная угловая
скорость двигателя, С-1.
С-1
где
-
скорость вращения ротора (
=2130
об/мин.);
3. Расчет и выбор
элементов защиты тиристорных преобразователей
Из-за высокой
чувствительности тиристоров к перенапряжениям и токовым перегрузкам надежная
работа полупроводниковых преобразователей может быть обеспечена при применении
соответствующих видов защит, ограничивающих допустимые значения как
перенапряжения, так и тока, протекающего через тиристоры.
.1 Автоматические
выключатели
Достоинство
автоматических выключателей (автоматов, выключателей) в том, что в них
совмещены устройство защиты и коммутационный аппарат. Автоматические
выключатели обеспечивают многократность действия и возможность дистанционного
управления.
Уставки защит
автоматического выключателя, установленного на первичной стороне силового
трансформатора, рассчитывают следующим образом.
Действующее значение
установившегося тока короткого замыкания, А:
A
где
-
номинальный ток первичной обмотки силового трансформатора;(
)K%
- напряжение короткого замыкания трансформатора.
Ток уставки
электромагнитного расцепителя автоматического выключателя:
(4.2)
Ток уставки теплового
расцепителя:
A
где
-
фазный ток первичной обмотки трансформатора;
A
- коэффициент
трансформации
- коэффициенты схемы,
.dH
- номинальный ток двигателя;
Наиболее подходящим
будет автоматический выключатель типа A3710 Б IУТ=160А
.2 Средства защиты от
перенапряжений
Для защиты тиристорных
преобразователей от коммутационных перенапряжений применяют RC - цепочки, включенные
параллельно тиристорам.
Величина емкости RC -
цепочек определяется по формуле:
мкФ
где
-
емкость, мкФ;
- ток, протекающий
через тиристор перед началом коммутации, А
- максимальное
допустимое обратное напряжение тиристора, В.
Величина емкости
конденсатора С2, мкФ, может быть рассчитана по формуле
мкФ
где
-
намагничивающий ток силового трансформатора, (IХХ=4%)
- номинальный вторичный
ток трансформатора, А;
A2H -
номинальное вторичное линейное напряжение трансформатора, В;
Кн -
допустимая кратность возрастания напряжения на вентилях, обычно Кн=
1,25-1,5.
Резистор R2
должен ограничивать ток через вентили диодного моста при включении.
Величина резистора R2
может быть определена из соотношения, Ом
Здесь
-
индуктивность фазы вторичной обмотки трансформатора, Гн; С2 - емкость
цепи защиты, мкФ.
Диоды моста выбираются
по среднему значению прямого тока вентиля
, А, и максимально
допустимой величине обратного напряжения
, В:
Авм =
∙U2фн
Uвм = 563,4 В
Величину разрядного
резистора R3 выбирают из соотношения,Ом
Ом
Мощность резисторов
и
определяется
по условиям надежности.
;
Вт;
Вт.
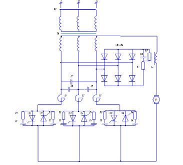
Принципиальная схема
тиристорного преобразователя
4. Статические
характеристики тиристорных преобразователей
Функциональная схема
разомкнутой системы "Управляемый вентильный преобразователь -
двигатель" состоит из следующих составных частей:
Uу α
Udα Хвых
Еdα
СИФУ - системы импульсно
- фазового управления;
СЧ - силовой части
преобразователя;
М - двигателя.
На рисунке используются
следующие обозначения:y - управляющие напряжение на входе СИФУ;
а - угол управления
тиристорами;- среднее значение выпрямленного напряжения;
Хвых -
выходная координата двигателя (частота вращения, угол поворота вала, момент и
др.)
.1 Регулировочные
характеристики силовых схем преобразователей
Регулировочная
характеристика представляет собой зависимость среднего значения выпрямленного
напряжения от угла, соответствующего напряжению Uda до угла α
= 0. Если принять, что индуктивное сопротивление цепи переменного тока
Ха равно нулю, а индуктивность цепи постоянного тока
,
то при холостом ходе преобразователя уравнение регулировочной характеристики
нулевых и мостовых схем имеет вид:
(5.1)
Здесь Ed0 -
максимальное значение ЭДС преобразователя при
,
где
-
действующее значение напряжения вторичной обмотки трансформатора;
коэффициент
схемы (
).
В случае активной
нагрузки (
)
уравнения регулировочной характеристики (в зонах непрерывного и прерывистого
тока) для нулевых и мостовых симметричных схем имеют вид:

где m - число пульсаций
выпрямленного напряжения за период напряжения сети(m=3).
Значения граничного угла
управления, при котором ток начинает прерываться (работа на активную нагрузку),
определяются из выражения
Угол регулирования
при
котором выпрямленное напряжение равно 0, определяется из формулы
|
030456090135150
|
|
|
|
|
|
|
|
|
10,8720930,7267440,5813950,2906980,0232560
|
|
|
|
|
|
|
|
.2 Регулировочные характеристики
тиристорных преобразователей
Результирующая
регулировочная характеристика преобразователя представляет собой зависимость
ЭДС преобразователя от напряжения управления
и определяется
регулировочными характеристиками силовой части и СИФУ преобразователя.
При наиболее широко
используемом вертикальном принципе построения СИФУ вид регулировочной
характеристики преобразователя зависит от формы опорного напряжения Uo
генератора опорного напряжения (ГОН) СИФУ.
Для СИФУ с пилообразной
характеристикой ГОН:
- максимальная величина
опорного напряжения СИФУ, принятая на практике равной 10 В.
|
Eda/Edo
|
0
|
0,35
|
0,65
|
0,85
|
0,95
|
1
|
|
Uy/Umo
|
0
|
139,77
|
232.96
|
372,74
|
419,33
|
465.93
|
.3 Внешние характеристики
тиристорных преобразователей
Внешняя характеристика
преобразователя представляет собой зависимость среднего значения выпрямленного
напряжения Uda от выпрямленного тока Id при неизменном
угле открытия тиристоров а. Вид внешней характеристики зависит от режима работы
тиристорного преобразователя.
режим непрерывного тока
Режим непрерывного тока
характеризуется тем, что ток якорной цепи непрерывен, т.е. последующий вентиль
открывается не позже чем ток предыдущего станет равным нулю. Длительность
протекания через вентиль в этом режиме
. В таком режиме
работают преобразователи средней и большой мощности, а также реверсивные
преобразователи при совместном согласованном управлении.
В общем случае уравнение
внешней характеристики тиристорного преобразователя (ТП) имеет вид:
где
-
среднее значение падения напряжения на тиристоре; n - количество тиристоров,
работающих одновременно;
-
эквивалентное сопротивление силовой цепи.
Эквивалентное
сопротивление преобразователя, содержащего в силовой цепи якорную цепь
двигателя, уравнительные и сглаживающие дроссели и работающего в режиме
непрерывного тока находим по формуле
Ом
где
-
сопротивление трансформатора, приведенное к цепи постоянного тока;
-
эквивалентное сопротивление, характеризующее коммутационное падение напряжения;
-
активное сопротивление уравнительных и сглаживающего дросселей (при наличии их
в схеме);
-
активное сопротивление якорной цепи двигателя. Эквивалентное сопротивление,
характеризующее коммутационное падение напряжения, определяем как
Ом
Активное сопротивление
дросселя (сглаживающего или уравнительного) определяем через потери в меди РАКТ
при номинальном токе дросселя
:
Ом
Значения
Сопротивление якорной
цепи двигателя, приведенное к рабочей температуре:
Ом
где
-
справочные значения сопротивлений обмоток якоря, дополнительных полюсов и
компенсационной обмотки;
- сопротивление
щеточного контакта, что соответствует постоянному падению напряжения в щеточном
контакте, равному ~ 2В
В инверторном режиме
преобразователя (когда а>90°) эти характеристики справедливы лишь в
диапазоне угла регулирования
где γ
- угол коммутации вентилей, зависящий от тока нагрузки, угла
управления, индуктивного сопротивления вентильной ветви и напряжения сети,
определяется из соотношения
δ - угол
запаса инверторного режима, определяемый максимальным отклонением угла
управления
вследствие
асимметрии импульсов управления, углом дрейфа системы
и
углом восстановления запирающих свойств тиристора
.
Максимальное значение
угла управления, при котором еще возможно безопасное инвертирование:
Численные значения
углов, о которых шла речь выше, составляют при частоте сети 50 Гц;
;
.;
;
.
Подставив эти значения в
выражение, и с учетом того, что
,
Для гарантированного
включения всех вентилей фронтом управляющего импульса минимальный угол
управления должен быть не менее
Для реверсивных
преобразователей с согласованным управлением, из закона согласования следует,
что
где
-
угол управления выпрямительной группой вентилей;
- угол управления
инверторной группой вентилей преобразователя, следует, что
Уравнение линии
предельного режима инвертирования.
где δ
- угол запаса инверторного режима.
Уравнение внешней
характеристики преобразователя в инверторном режиме:
где
-
угол опережения инвертора.
.4 Электромеханические
характеристики двигателя
где:
-
максимальное значение ЭДС преобразователя при α = 0;
RЭ -
эквивалентное активное сопротивление преобразователя;
- падение напряжения на
тиристоре;- количество работающих тиристоров одновременно;
С - коэффициент
электродвигателя:
где: UН, IН,
-
номинальные значения напряжения, тока и частоты вращения двигателя.
Задаваясь значениями
тока двигателя Id, по уравнению определяем значения частоты вращения
двигателя
,
и строим электромеханическую характеристику
.
|
Id
|
10
|
20
|
30
|
40
|
50
|
62
|
|
401,88400,12398,36396,6394,84328,65
|
|
|
|
|
|
|
5. Энергетические характеристики
тиристорных преобразователей
.1 Коэффициент полезного действия
преобразователей
Коэффициент полезного действия (КПД)
представляет собой отношение полезной мощности к мощности активной,
потребляемой из сети:
где:
-
потери мощности в преобразователе;
При работе преобразователя на якорь двигателя
постоянного тока полезная мощность:
где: с - коэффициент
электродвигателя, определяемый по параметрам двигателя по формуле:
где:
- номинальные значения напряжения, тока и частоты вращения двигателя;
- активное
сопротивление якорной цепи двигателя.
Активная составляющая мощности Р1,
потребляемая из сети, складывается из составляющих:
где:
-
потери мощности в вентилях преобразователя;
- потери мощности в
трансформаторе;
- потери мощности в
активных сопротивлениях обмоток дросселей;
- потери мощности в
активных сопротивлениях обмоток двигателя.
Потери мощности в
вентилях:
Потери мощности в трансформаторе
состоят из: постоянной составляющей, равной мощности холостого хода и потерь
мощности в активных сопротивлениях обмоток трансформатора:
Потери собственных нужд
обусловлены
расходом энергии на принудительное охлаждение тиристоров, освещение и
вентиляцию.
Потери мощности в
активных сопротивлениях дросселя и якоря двигателя определяется по формулам:
где:
-
КПД двигателя при номинальной нагрузке.
Рассчитаем величину КПД
только тиристорного преобразователя:
Потерями мощности собственных в
тиристорных преобразователях с естественным охлаждением вентилей можно
пренебречь. Если пренебречь и постоянными составляющими потерь в
трансформаторах и двигателе и учесть, что числитель выражения пропорционален
угловой скорости двигателя, можно записать:
где:
-
частота вращения двигателя в относительных единицах.
|
η
|
0
|
0,2
|
0,4
|
0,6
|
0,8
|
|
ω
|
0
|
0,47
|
0,66
|
0,83
|
0,95
|
5.2 Коэффициенты мощности
тиристорных преобразователей
Полная мощность потребляемая из сети
переменного тока
Слагаемыми полной
мощности S тиристорного преобразователя при симметричной нагрузке являются:
активная мощность P, реактивная мощность Q, и мощность искажения Т:
Активная мощность
является полезной и зависит от нагрузки и степени регулирования напряжения
преобразователем. Поэтому повышение коэффициента мощности χ
тиристорных преобразователей:
тиристорный
преобразователь трансформатор дроссель
Коэффициент нелинейных
искажений υ характеризует содержащее высших гармонических составляющих в
кривой первичного тока, определяется по формуле:
Где I1 - действующее
значение тока, потребляемого преобразователем из сети; I1(1) -
действующее значение первой гармонической составляющей того же тока;
-
угол коммутации вентилей.
Коэффициент сдвига
Активная мощность
Реактивная мощность
Мощность искажения
Список используемой
литературы
1. Горбачев В.Н. Промышленная электроника - М.: Энергоиздат,
1988.
2. Справочник по преобразовательной технике - Киев: Техника,
1978.
. Катков Р.Н. Проектирование и расчет систем
автоматизированного электропривода - Горький, 1970.
. Найдис В.А. Системы постоянного тока на тиристорах -
М.-Л.: Энергия, 1966.
. Справочник по проектированию электропривода, силовых и
осветительных установок - М.: Энергия, 1974.
. Лазовский Н.Ф. Автоматическое управление электроприводами
- Красноярск, 1984.
. Глух Е.М. Защита полупроводниковых преобразователей - М.:
Энергия, 1970.
. Справочник по автоматизированному электроприводу - М.:
Энергоатомиздат, 1983.
. Шипилло В.П. Автоматизированный вентильный электропривод
- М.: Энергия, 1969.
. Губкин Б.М. Ионный привод постоянного тока - М.-Л.:
Энергия, 1965.
. Писарев А.Л. Управление тиристорными преобразователями -
М.: Энергия, 1975.
. Акимов Е.Г. Выбор электрических аппаратов защиты для
силовых полупроводниковых приборов - М.:МЭИ, 1993.
. Справочник по полупроводниковым диодам, транзисторам и
интегральным схемам - М.: Энергия, 1976.
. Забродин Ю.С. Промышленная электроника - М.: Высшая
школа, 1982.
. Довгун В.П., Боярская Н.П. под ред. Медведева А.К. Расчет
тиристорного преобразователя - Красноярск, 2006.