Конструкция и расчёт механического оборудования подвижного состава
ФЕДЕРАЛЬНОЕ
АГЕНТСТВО ПО ОБРАЗОВАНИЮ
ГОСУДАРСТВЕННОЕ
ОБРАЗОВАТЕЛЬНОЕ УЧРЕЖДЕНИЕ
ВЫСШЕГО
ПРОФЕССИОНАЛЬНОГО ОБРАЗОВАНИЯ
«НОВОСИБИРСКИЙ
ГОСУДАРСТВЕННЫЙ ТЕХНИЧЕСКИЙ УНИВЕРСИТЕТ»
КУРСОВОЙ
ПРОЕКТ
Конструкция
и расчёт механического оборудования подвижного составаТ
Факультет: мехатроники и
автоматизации
Группа: ЭМ - 45
Выполнил: Янов В.И.
Руководитель: Чагин Н.
Л.
Новосибирск
2008
Исходные данные
Исходными данными для проектирования
являются величина часового пассажиропотока и интервал движения ПС. Вместимость
ПС, способного провести заданное количество пассажиров при известном интервале
движения, определяется по формуле:
;
где
-
часовой пассажиропоток, пасс;
- интервал движения ПС,
мин. Вариант задания для курсового проектирования выбирается из таблицы1.
Таблица 1
|
Пассажиропоток, тыс. пас.
|
Интервал движения, с.
|
|
0.5
|
60
|
пасс;
Так как вместимость
равна 9 пасс, соответственно вид ПС для проектирования будет электромобиль.
1. Решение планировочной
задачи
Решить планировочную задачу
необходимо для определения весовых показателей ЭПС: веса тары Gт;
веса пассажирской нагрузки Gпасс; полного веса ПС G = Gт
+ Gпасс; распределения веса по мостам ПС; удельного веса
экипажа КS; коэффициента использования веса КG.
Вес пассажирской нагрузки равен:
электромобиль тяговый привод расчет
;
где q = 70 кг -
расчетная масса одного пассажира; g = 9,81 м/с2;
,
- количество сидящих, с учетом водителя равна
=10
Определяем вес
пассажирской нагрузки:
Определяем собственный
вес экипажа:
Для электромобиля принимаем
Па
Определяем площадь
салона, занимаемую пассажирами:


Определяем площадь,
занимаемую кондуктором:
При безкассовой форме
оплаты Sмк = 0,будем использовать способ оплаты через электронный
терминал установленный на ПС.
Определяем площадь,
занимаемую подножками:

где
-
количество одинарных и двойных дверей; 
и 
- площадь подножек у
одинарных и двойных дверей, соответственно.
Площадь, занимаемая
кабиной водителя, принимаем равной: 
.
Согласно принятому
условию, рассчитываем:

Длина ПС -
;
где
-ширина
ПС, принимаемая согласно ГОСТ равной 2,5 м для электромобиля.
Определяем площадь,
занимаемую стенками кузова:
;
.
где
-
условная толщина стенки кузова, равная: 0,08 м.

Пересчитываем габаритную
площадь:

Пересчитываем
собственный вес экипажа:
кН
Полный вес ПС:
кН
Определяем базу ПС:
м
Определяем величину
заднего свеса:
м
где
и
-
количество ходовых колес ведомого моста, и общее количество колес электробуса
соответственно.
Определяем величину
переднего свеса:
м
Планировочные размеры
пассажирских сидений и салона изображена на рисунке 1.1. и рисунке 1.2:
Рисунок 1.1 -
Планировочные размеры пассажирских сидений
Рисунок
1.2-Планировочные размеры салона электромобиля
2. Определение
колебательной модели подвижного состава
Независимо от
принимаемого метода, исследованию колебаний ПС предшествует составление
расчетной схемы. Для этого реальную конструкцию экипажа заменяют эквивалентной
колебательной системой (моделью). В общем случае она состоит из нескольких масс
- подрессоренных частей, связанных между собой.
На рисунке 2.1
представлена обобщенная колебательная система электромобиля в продольной
вертикальной плоскости.
Рисунок 2.1 - Обобщенная
колебательная система электромобиля
Здесь обозначены:
,
-
массы переднего и заднего мостов;
- масса кузова;
,
-
жесткость упругих элементов первой ступени подвешивания (пневматические шины);
,
-
жесткость упругих элементов второй ступени подвешивания (упругие элементы
подвески);
,
-
коэффициенты сопротивления, характеризующие затухание колебаний в шинах;
,
-
коэффициенты сопротивления гасителей колебаний;
,
-
расстояния от осей передней и задней подвесок до центра тяжести кузова:
,
-
координаты перемещений переднего и заднего мостов;
,
-
координаты вертикального и углового перемещений кузова;
,
-
координаты точек контакта колес и пути.
Запишем систему
уравнений, описывающих колебания безрельсового ПС в вертикальной продольной
плоскости:
)
;
)
;
)
;
)
.
Наличие в каждом из
уравнений системы общих переменных
и
указывает
на взаимосвязь между колебаниями всех масс, входящих в колебательную систему.
Физически это означает, что любое единичное возмущение одного из колес экипажа
вызовет одновременно колебания подпрыгивания и галопирования кузова и колебания
подпрыгивания масс
и
.
Из системы уравнений
также следует, что независимость колебаний подпрыгивания и галопирования может
быть обеспечена при выполнении следующих условий:
)
;
)
.
3. Расчет мостов
.1 Расчет управляемого
моста
Задача расчетов сводится
к определению геометрических размеров балки моста в наиболее опасных сечениях,
диаметров осей поворотной цапфы и шкворня и размеров вилок цапфы. За расчетные
режимы управляемых мостов принимаются:
. Режим реализации
максимальной тормозной силы при движении по прямому горизонтальному участку
пути;
. Режим заноса в кривой
при максимальном коэффициенте сцепления.
Расчетная схема
управляемого моста и расчетные сечения балки управляемого моста показаны на рисунке
3.1
Рисунок 3.1 - Расчетная
схема управляемого моста и расчетные сечения балки управляемого моста
3.2 Режим торможения
Определяем нагрузку,
которая действует на мост в вертикальной плоскости:

,
где G1м и G2м - вес
ведомого и ведущего мостов, принимаются в соответствии с весами существующих
мостов автомобилей подходящих по габаритным и весовым параметрам кузова
(G1м=1471,5 Н и G2м=2158,2 Н).
где
-коэффициент
динамики;
-для подрессоренных
частей;

-конструктивная скорость
электромобиля;
-статический прогиб
.
Определяем инерционную
нагрузку:

где 
принимаем 
, 
.
Определяем максимальную
величину изгибающего момента от веса кузова с пассажирами:

где

- ширина колеи;

-расстояние между
рессорами.
Определяем максимальный
изгибающий момент:

где 
- реакция путевой
структуры.
Определяем
перерезывающие силы:

Определяем нагрузку от
тормозного усилия, которая действует в горизонтальной плоскости:

где
-
расчетный коэффициент сцепления колеса с дорожным покрытием.
Определяем максимальный
изгибающий момент:

где
-
сила сцепления колес с дорожным полотном.
Определяем
перерезывающие силы в горизонтальной плоскости:

Теперь определяем
величины в продольной вертикальной плоскости.
Определяем крутящий
тормозной момент, который действует на участке от места крепления суппорта
тормозного механизма до места крепления рессоры:

Примем диаметр колеса
16’’ =0.4064м
где 
- радиус колеса.
Теперь, зная все
необходимые значения параметров строим эпюры изгибающих моментов и
перерезывающих сил (Рисунок 3.2).
Балка управляемого моста
по конструктивному исполнению - двутаврового сечения, может быть выполнена из
сталей марок 45, 30х, 40х.
Определяем
предварительные размеры балки двутаврового сечения по следующей формуле:

где 
- вес подрессоренной
части экипажа с пассажирами, который приходится на управляющий мост;

- расстояние от центральной
оси колеса до средней плоскости рессоры.
Размеры двутаврового
сечения определяем по рисунку 3.3.
Рисунок 3.2 - Эпюры
изгибающих моментов и перерезывающих сил в режиме торможения
Рисунок3.3 - Двутавровое
(а) и прямоугольное (б) сечение балки управляемого моста
Момент сопротивления
сечения в вертикальной плоскости
, а в горизонтальной
плоскости
.
Следует отметить, что высота концевой части балки принимаем равной высоте
поперечного сечения балки, а диаметр шкворня 0,35...0,45 высоты концевой части.
Теперь можно определить
размеры двутавра для сечений «1-1» и «2-2»
Определяем размер «а» и
размеры двутавра в сечении «2-2»

Соответственно:
высота: 
ширина: 
Определяем размеры в
сечении «1-1» по рисунку3.3б, затем определяем момент сопротивления сечения
«1-1»:

где 
.
Соответственно:
высота: 
;
ширина: 
Принимаем 
, следовательно 
Теперь осуществляем
проверку на прочность балки в принятых сечениях:
) Сечение «1-1»
Определяем изгибающие
моменты


Определяем напряжение в
данном сечении от изгибающих моментов в вертикальной и горизонтальной
плоскостях:


где 
Определяем суммарное
напряжение:

Определяем напряжение в
продольной вертикальной плоскости:


где
-
коэффициент, который зависит от соотношения сторон прямоугольного сечения.
) Сечение «2-2»
Данный расчет аналогичен
расчету сечения «1-1», поэтому:



;








Вывод: так как балка
изготовлена поковкой сталей 45, ЗОХ или 40Х с допустимыми значениями: 
и 
, Во всех расчётных
сечения напряжения не превышают допускаемые, следовательно, размеры сечений не
нуждаются в корректировке.
.3 Режим заноса
Режим заноса
рассчитывается для поперечной вертикальной плоскости. В данном режиме на мост
действуют:
. Т - статическая
нагрузка;
. R1 -
боковая сила, передаваемая из точки контакта колеса с путевой структурой в
направлении поперечной оси экипажа.
Определяем максимальный
изгибающий момент от веса кузова с пассажирами:

Определяем нагрузку
рессор на балку моста от боковой силы:

где 
(боковая сила);


Определяем максимальный
изгибающий момент, который действует на балку моста в местах рессорных подвесок
от силы
и
реакции
:

Определяем нагрузки на
путевую структуру от левого и правого колес:


Определяем боковые
реакции колес:


Определяем моменты,
которые действуют на балку моста в подшипниковых узлах:


Определяем реакцию от
действия моментов
и

Теперь, имея все
необходимые значения параметров, строим эпюры изгибающих моментов и
перерезывающих сил (рисунок 3.4).
Рисунок 3.4 - Эпюры
изгибающих моментов и перерезывающих сил в заносе
.4 Расчет ведущего моста
Расчет ведущего моста
безрельсового ПС сводится к расчету мостовых балок на жесткость. В практике
конструирования принято оценивать жесткость ведущих мостов по величине
максимального прогиба под статической нагрузкой соответствующей полному весу
экипажа. Напряжения, возникающие в горизонтальной плоскости балок мостов, не
превышает 10 % напряжений в вертикальной плоскости,- и поэтому ими
пренебрегают.
За расчетные режимы
ведущих мостов принимают:
. Режим движения экипажа
на прямом участке пути при реализации максимальной силы тяги (режим пуска);
. Режим движения экипажа
на прямом участке пути при реализации максимальной тормозной силы (режим
торможения);
. Режим заноса при
движении экипажа в кривой.
Вертикальная нагрузка
моста во всех случаях определяется с учетом добавочных вертикальных
динамических нагрузок.
Определяем нагрузку,
которая действует на мост в вертикальной плоскости:

где
-
коэффициент динамики;
- для подрессоренных
частей;

- конструктивная
скорость;
- статический прогиб
.
Определяем максимальную
величину изгибающего момента балки в месте крепления рессор от веса кузова с
пассажирами:

где 

- расстояние от центра
тяжести до заднего моста;

- пусковое ускорение.
Определяем
перерезывающие силы:

Определяем нагрузку
кузова на балку в месте крепления рессор:

где 
(боковая сила).
Определяем реакцию
путевой структуры на балку:

где 
- ширина колеи;

- ширина между
рессорами.
Определяем изгибающий
момент балки в местах крепления рессор:

Определяем реакции
путевой структуры на левое и правое колеса от действия боковой силы экипажа при
заносе:


Определяем моменты,
которые действуют на балку моста установки колес:


Определяем реакцию на
балку моста от действия моментов MR1 и MR2:

Теперь определяем
величины в горизонтальной плоскости.
Определяем максимальный
изгибающий момент в месте крепления рессор для режима тяги:

где 
Определяем
перерезывающую силу, которая действует на балку:

Теперь определяем
величины в вертикальной плоскости.
Определяем максимальный
крутящий момент, развиваемый при сцеплении действующий на балку:

Конструкцию балки
заднего моста изображена на рисунке 3.5.
Рисунок 3.5 -
Конструкция балки ведущего моста
На рисунке 9 обозначены
пять расчетных сечений, которые представляют собой:
. Сечение «1-1» -
плоскость наружного торца наружного подшипника ступицы;
. Сечение «2-2» -
плоскость внутреннего торца внутреннего подшипника;
. Сечение «3-3» -
плоскость крепления суппорта тормозного устройства;
. Сечение «4-4» -
средняя плоскость подвески (рессоры);
. Сечение «5-5» -
плоскость симметрии моста.
Предварительные размеры
поперечного сечения сварной штампованной балки (кожуха полуоси) в месте
крепления рессоры определяем по моменту сопротивления (эмпирическая форма):

где 
- вес подрессоренной
части экипажа, который приходится на ведущий мост;

- - расстояние от
продольной плоскости симметрии колеса до середины площадки рессоры.
Определяем момент
сопротивления при изгибе балки:

Теперь, по найденному
моменту сопротивления, определяем размеры балки моста в сечении «4-4» путем
последовательного приближения:
Д = 225 мм, d = 202 мм.
Теперь принимаем размеры
расчетных сечений:
. Сучение «1-1» -Д=100
мм, d=74 мм.
. Сучение «2-2» -Д=102
мм, d=74 мм.
. Сучение «3-3» -Д=225
мм, d=202 мм.
. Сучение «4-4» -Д=225
мм, d=202 мм.
. Сучение «5-5» -Д=410
мм, d=382 мм.
Определяем моменты
сопротивления в расчетных сечениях:
. Сучение «1-1»

. Сучение «2-2»

. Сучение «3-3»

. Сучение «4-4»

. Сучение «5-5»

Определяем изгибающие
моменты в сечениях «1-1», «2-2», «3-3» при изгибе в вертикальной продольной
плоскости:




Определяем напряжения в
расчетных сечениях при изгибе балки моста в вертикальной плоскости:





Определяем изгибающие
моменты в сечениях «1-1», «2-2», «3-3» при изгибе в горизонтальной плоскости:




Определяем напряжения в
расчетных сечениях при изгибе балки моста в горизонтальной плоскости:





Определяем суммарное
напряжение в расчетных сечениях:





Следует отметить, что в
сечениях «1-1», «2-2», «3-3» действует напряжение от изгиба балки моста, а в
сечениях «4-4» и «5-5» напряжение от изгиба балки моста и тангенциальное
напряжение (от крутящего момента).
В соответствие с
вышесказанным, определяем необходимые значения параметров:

где 

где 
Определяем эквивалентные
напряжения в сечениях «4-4» и «5-5»:


Вывод: полученные
значения параметров не превышают допустимых значений, а, следовательно,
принятые размеры балки моста выбраны корректно и со значительным запасом.
Теперь, зная все
необходимые значения параметров, строим эпюры изгибающих моментов и
перерезывающих сил (рисунок 3.6,рисунок 3.7
Рисунок 3.6 - Эпюры
изгибающих моментов и перерезывающих сил в режиме тяги
Рисунок 3.7 - Эпюры
изгибающих моментов и перерезывающих сил в режиме заноса
4. Выбор пневмошин
Колеса с пневмошинами
устанавливаются на ведущих и управляемых мостах на роликовых подшипниках, на
кожухах балки ведущего моста и на осях поворотных цапф управляемого моста.
Расчет колес сводится к
определению геометрических размеров шины пневмоколеса, отвечающего расчетной
грузоподъемностью при допустимой радиальной деформации.
Определяем ширину
профиля пневмошины:

- вес, который
приходится на одно колесо;
На основание веса и
допустимой скорости движения можно подобрать соответствующие пневмошины:
В качестве пневмошин
выберем Bridgestone RD713 175 R16C 101/99M
Рисунок 4.1.-Реальная
пневмошина марки Bridgestone RD713 175 R16C 101/99M
Данные пневмошины
предназначены для использования на микроавтобусах обеспечивают запас по
скорости и максимальной нагрузке:
· Допустимая
скорость (до 130 км/ч)
· Максимальная
нагрузка (775 кг)
· Ширина профиля 175
мм
· Диаметр 16"
5. Выбор и расчет типа упругих
элементов и гасителей колебаний
Для того чтобы правильно
скомплектовать подвеску экипажа, необходимо определенным образом подобрать
упругие элементы по их характеристикам и свойствам.
В данном курсовом проекте, т.е. для
троллейбуса в качестве упругих элементов применяют листовые упругие элементы
(листовые рессоры), а в качестве гасителей колебаний - гаситель колебаний
телескопического типа.
.1 Расчет полуэллиптической листовой
рессоры
Распространение листовых рессор на
ПС в значительной степени обусловлено тем, что они, во-первых, обладают упругими
свойствами, во-вторых, обеспечивают передачу продольных усилий, в-третьих,
способствуют гашению колебаний кузова.
Напряжения, возникающие
в коренных
и
наборных
листах
симметричных полуэллиптических рессор, определяем по формулам:
,
,
где
-
расчетная нагрузка рессоры,
;
- длинна рессоры,
;
,
-
соответственно ширина и высота листов рессоры;
- количество коренных и
подкоренных листов рессоры;
- количество наборных
листов рессоры.
Определяем нагрузки,
которые действуют на рессоры:
. Нагрузка от веса
кузова без пассажиров:

;
. Нагрузка от веса
кузова с пассажирами:

;
Выбираем размеры
рессоры:
. Ширина рессоры:
bлр=0,03 м;
. Высота рессоры:
hлр=0,0045 м;
. Количество коренных и
подкоренных листов рессоры: mр=2;
. Количество наборных
листов рессоры: nр=5;
. Длина рессоры: Lр=0,65
м.
После того, как были
выбраны размеры листовой рессоры, необходимо проверить их условие прочности,
прогиба и коэффициента относительного трения.
Определяем напряжения,
возникающие в коренных
и
наборных
листах
симметричных полуэллиптических рессор. Для этого подставим все известные
значения параметров в формулы (6.1.1) и (6.1.2), получим:
где 
;
-
коэффициент запаса прочности по усталости.
Полученные результаты
напряжений не превышают допустимого значения.
Определяем величину
прогиба листовой рессоры при воздействии на нее максимальных нагрузок:
где ах = 0,034 м - длина
хомута рессоры; Е = 210 ГПа - модуль упругости.
Полученные значения
прогиба удовлетворяют условию статического прогиба системы упругого
подвешивания: 
.
Теперь проверяем рессору
на коэффициент относительного трения:
где
-
коэффициент трения между листами рессоры, зависящих от наличия смазки.
Так как найденный
коэффициент относительного трения меньше допустимого и колебания кузова не
смогут быстро затухать, то на электромобиль необходимо установить
дополнительные гасители колебаний.
5.2 Расчет
гидравлического гасителя колебаний телескопического типа
Применение гасителей
колебаний в системе упругого подвешивания экипажей обусловлено необходимостью
гашения колебаний кузова, вызванных прохождением колесами неровностей пути.
Наибольшее
распространение получили гидравлические гасители колебаний телескопического
типа. Обусловлено это тем, что по сравнению с гасителями колебаний фрикционного
типа (например, листовыми рессорами) гидравлические телескопические гасители
обладают рядом преимуществ:
. Работают во всем
диапазоне динамических нагрузок;
. С ростом амплитуды и
частоты колебаний в гидравлическом гасителе растет сила сопротивления;
. Массогабаритные
показатели гидравлического гасителя телескопического типа существенно меньше
показателей гасителя колебаний фрикционного типа той же мощности и т.д.
Определяем нагрузки:

где 
Определяем площадь
поршня:

где 
- давление рабочей
жидкости.
Определяем диаметр
поршня:

Определяем диаметр
штока:

Определяем площадь
сечения штока:

Определяем наружный
диаметр гасителя:

Определяем длину
гасителя колебаний:

где 
- динамический прогиб;

- статический прогиб.
Определяем коэффициент
сопротивления гасителя:

Определяем коэффициент
демпфирования:
где 
- критический
коэффициент демпфирования;

- жесткость листовой
рессоры;

- подрессоренная масса
электробуса, которая приходится на подвеску.
Полученное значение
коэффициента демпфирования удовлетворяет условию
.
Определяем коэффициент
сопротивления гасителя:
Определяем площадь
калиброванных отверстий перепускных клапанов, обеспечивающих линейность
характеристики гасителя:

где
-
коэффициент расхода рабочей жидкости через калиброванные отверстия перепускных
клапанов;

- плотность рабочей
жидкости.
6. Алгоритм расчета
упругого подвешивания
Система упругого
подвешивания является составным элементом ХЧ ПС, от которой в значительной
степени зависят безопасность движения, качество обслуживания пассажиров, срок
службы ПС и т.п. Система упругого подвешивания предназначена для обеспечения
требуемой плавности хода экипажа за счет смягчения динамических вертикальных,
продольных и боковых нагрузок, которые действуют на ПС при прохождении им
неровностей путевой структуры и вписывании в кривые.
При проектировании
системы упругого подвешивания необходимо:
. Определить количество
ступеней упругого подвешивания;
. Определить величину
прогиба каждой ступени под статической нагрузкой;
. Выбрать тип и
рассчитать характеристики упругих элементов каждой ступени подвешивания;
. Выбрать тип и
определить габаритные показатели гасителей колебаний каждой ступени
подвешивания;
. Скомпоновать ходовые
части ПС с размещенными в них элементами системы упругого подвешивания в трех
положениях: под статической нагрузкой, соответствующей нормальному наполнению;
при динамическом прогибе сжатия, соответствующем максимальному наполнению ПС;
при динамическом прогибе отбоя под тарой кузова.
Наиболее возможный
(конструктивный) прогиб упругого подвешивания, определяемый ограничителями
хода, рассчитывается по формуле:

,
где
-
коэффициент запаса прогиба;
- статический прогиб,
.
Величина статического
прогиба системы упругого подвешивания определяется из условия обеспечения
необходимой плавности хода, которая оценивается по формуле:
где
-
амплитуда колебаний, м;
- частота колебаний, Гц.
Удовлетворительным
показателем плавности хода электробуса считают если
.
Оптимальное с точки
зрения воздействия на организм человека значение частоты колебаний лежит в
пределах
Гц,
чему соответствует величина статического прогиба системы упругого подвешивания
м.
Для упругих элементов с
переменной жесткостью:
,
где
-
максимальная по условиям допускаемых напряжений для материала упругого элемента
сила, вызывающая конструктивный прогиб, Н;
- статическая нагрузка
на элемент, Н.
При проектировании
целесообразно использовать упругие элементы с переменной жесткостью, т.к. они не
допускают больших колебаний кузова, а, следовательно, и подножек.
Гашение колебаний
обеспечивается или путем установки специальных гасителей колебаний, или
применением упругих элементов с трением. Внутреннее трение упругого элемента
характеризуется коэффициентом относительного трения:
,
где
-
приведенная сила трения в упругом элементе, Н;
- нагрузка, приложенная
к упругому элементу, Н.
Коэффициент
относительного трения пружин и пневматических упругих элементов практически равен
нулю; коэффициент листовых упругих элементов зависит только от их
геометрических характеристик и коэффициента трения; коэффициент резиновых
упругих элементов зависит от амплитуды и частоты колебаний. Для резины
,
поэтому она используется как амортизатор и гаситель.
Спроектированная система
упругого подвешивания должна быть проверена на устойчивость в поперечной
плоскости. Устойчивость кузова при крене проверяется по формуле:
, м,
где
-
коэффициент запаса устойчивости против валкости кузова;
- расстояние между
упругими элементами в поперечной плоскости, м.
7. Алгоритм разработки
конструктивного исполнения ходовых частей
Ходовыми частями (ХЧ)
называются элементы ПС, расположенные между кузовом и путевой структурой и
предназначенные:
. Для обеспечения
необходимой кинематической связи кузова с путевой структурой;
. Передачи вертикальных,
продольных и боковых сил от взаимодействия ПС с путевой структурой;
. Преобразования
энергии, полученной от источника, в работу, затрачиваемую тяговым приводом на
приведение экипажа в движение.
ХЧ подразделяются на
колесные и бесколесные. Первые из них могут быть тележечного и бестележечного
исполнения.
У ПС бестележечного
исполнения ХЧ экипажа связаны рамой кузова. Конструкция ХЧ тележечного
исполнения более сложна, т.к. предполагает наличие специального устройства
(рамы или элементов, выполняющих ее функции), объединяющего колеса ПС в
самостоятельный узел - тележку. Тележки ПС выполняются одно- и двухосными,
поворотными и неповоротными.
При разработке
конструктивного исполнения ХЧ безрельсового ПС в зависимости от его типа могут
быть применены тележечные ХЧ или мостовые. При использовании мостовых
конструкций целесообразно в ведущих мостах применять разнесенные редукторы,
позволяющие увеличить клиренс; в ведущих и управляемых мостах - бездисковые
колеса; в системе упругого подвешивания - пневмоэлементы.
Спроектированные ХЧ
должны обеспечивать:
. Необходимую
безопасность движения при установленных скоростях;
. Требуемую плавность
хода;
. Установку кузова в
необходимом положении относительно посадочных пассажирских платформ;
. Ограничение бокового
крена кузова при движении в кривых участках пути;
. Минимальное
динамическое воздействие на кузов и путевую структуру;
. Минимальное
сопротивление движению;
. Простоту обслуживания
при эксплуатации и ремонтопригодность.
8. Определение схемы
тягового привода
Тяговым электроприводом
движущих колес ХЧ ПС называют устройство для управляемого преобразования
электрической энергии в механическую (режим тяги) или механической в
электрическую (режим реостатного или рекуперативного торможения). Механическая
энергия привода расходуется на создание на движущих колесах крутящего момента,
обеспечивающего поступательное движение ПС.
Схема тягового
электропривода существенно влияет на ряд таких важных показателей ПС, как
габариты и масса ходовых частей, состав и размещение элементов тяговой
передачи, способы крепления кузова к ходовым частям и т.д.
В настоящее время
различают три типа тягового электропривода:
. Индивидуальный;
. Групповой;
. Дифференциальный.
В данном курсовом
проекте будем использовать дифференциальный тяговый электропривод,
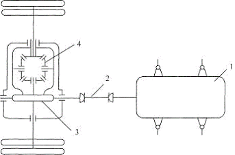
кинематическая схема которого представлена на рисунке 8.1.
Рисунок 8.1 -
Кинематическая схема дифференциального тягового электропривода
На рисунке 8.1 введены
следующие обозначения:
- тяговый электропривод;
- карданная передача;
- редуктор;
- межколесный
дифференциал.
9. Проектирование и
расчет рулевого управления
В ходе расчетов рулевого
управления однокузовного ПС определяются: кинематика поворота управляемых колес
и рулевой передачи; усилия, действующие в элементах рулевой передачи и привода;
геометрические размеры деталей.
Детали рулевого
механизма рассчитывают из условия приложения к рулевому колесу окружной силы
величиной 400 Н (максимально возможная сила водителя).
На рисунке 14, а
представлена кинематическая схема вписывания в кривые, а на рисунке 14, 6 -
схема сил, действующих на детали рулевого управления при использовании в
качестве рулевого механизма винта с кривошипом.
Рисунок 9.1 -
Кинематическая схема вписывания в кривые
Рисунок 9.2 - схема сил,
действующих на детали рулевого управления при использовании в качестве рулевого
механизма винта с кривошипом (б)
10. Выбор типа и расчет
механических тормозов электромобиля
Тормозные устройства на
подвижном составе предназначены для снижения скорости движения, полной
остановки и затормаживания на уклоне после остановки.
При проектировании тормозных
устройств требуется выполнить расчет тормозного устройства или его элементов и
определить эффективность их действия. Для данной модели электромобиля
используется барабанный тормоз с внутренним расположением.
Полную величину тормозной силы (при
торможении всеми колесами) можно найти из уравнения:
,
где ат = 3,2
м/с2 - замедление предполагаемого равномерно-замедленного движения
при торможении; Gп - полный вес ЭПС.
Так как на задний мост
приходится половина веса всего ЭПС, то и тормозная сила, приходящаяся на задний
мост:
;
Тормозной момент на
движущем колесе заднего моста определяется по тормозному усилию моста Вт:
,
где Rк =
0,203 м - радиус колеса; Вт/2 - тормозное усилие на один тормозной механизм.
.
Силы нажатия на
тормозные колодки при фиксированных разжимных устройствах в тормозном механизме
с приработавшимися тормозными колодками определяются:
· на активную (левую)
колодку
,
где а = 0,145 м; μ
= 0,3 - коэффициент трения накладки по барабану; r = 0,185 м - радиус
тормозного барабана; h1 = 0,28 м.
.
· на пассивную правую
колодку.
,
где h2=0,31
м.
.
Рисунок 10.1 - Схемы действия сил на
тормозные колодки барабанного тормоза а - активную; б - пассивную
Момент Мd приложенный к
валу разжимного кулака, для получения усилий на тормозные колодки Р1
и Р2 определяется формулой:
,
где d = 0,02 м.
.
По моменту Мd
разжимного кулака производится расчет его вала, рычажной передачи и тормозного
привода.
Работоспособность и
эффективность тормозного механизма определяется по удельному давлению тормозных
колодок на барабан, удельной работе, мощности трения и температуре нагрева
тормозного механизма.
Удельное давление
тормозных колодок на барабан:
,
где Х1 - сила нажатия
тормозной колодки; Fт =442 см2 - площадь поверхности
трения тормозной колодки (ширина - 130 мм, длина - 340 мм).
;
;
.
;
;
;
.
С целью предотвращения быстрого
износа накладок тормозных колодок наибольшее удельное давление между тормозными
колодками и барабаном рекомендуется не превышать 0,6 ÷ 1,5 МПа.
Полученное удельное давление
тормозных колодок находится в пределах допустимых нормативных значений.
Удельная мощность может быть найдена
из условия равенства кинетической энергии движущегося ПС работе сил трения в
механических тормозах.
Удельная работа трения тормозного
механизма одной оси до полной остановки (для нормальной работы тормозного
механизма не должна превышать 4 МДж/м²):
,
где Gм=2.158 кН - масса
электромобиля, приходящаяся на задний мост; nт=2 - число тормозных механизмов,
установленных в колесах заднего моста.
Нагрев тормозных
механизмов оценивается при торможении величиной удельной мощности трения,
поглощаемой рабочей поверхностью тормозного барабана или диска в секунду, и температурой
их перегрева за одно торможение.
Удельная мощность трения
(для нормальной работы тормозного механизма не должна превышать 2,5 МВт/м²):
;
.
Пренебрегая при интенсивном
кратковременном торможении излучением тепла в окружающую среду, величина
повышения температуры тормозного барабана за одно торможение определится по формуле:
,
где nб = 2 -
число тормозных барабанов заднего моста; mб = 40 кг - масса
тормозного барабана вместе с колодками; C = 523 Дж/кг0С -
теплоемкость материала барабана (для стали и чугуна).
.
Необходимое условие для
нормальной работы тормозов Тн < 15 °С выполняется.
Заключение
В курсовом проекте был рассчитан
электромобиль вместимостью до 9 пассажиров и обеспечивающей пассажиропоток 500
пассажиров с интервалом движения в 1 минуту.
В первой части курсового проекта
рассчитывалась планировочная задача. В итоге решения были определены исходные
размеры электромобиля планировка салона и определены основные весовые
параметры.
Составлена колебательная модель электромобиля.
Также рассчитаны передний и задний
мост, в результате определены их размеры и конструктивное исполнение.
Полученные напряжения от нагрузок не выходят из допускаемых значений. В работе
представлены эпюры отражающие действие нагрузок на изгиб при режиме торможения
и режиме тяги.
По весовым и скоростным параметрам
выбраны пневмошины для данного электромобиля.
Выбраны тип привода, и способ
закрепления ТЭД,а также тип рулевого управления. Рассчитаны механические
тормоза электромобиля. Выбран барабанный тип тормоза с внутренним
расположением. Рассчитанные параметры удовлетворяют всем необходимым
требованиям эксплуатации.
Литература
1. Теория и расчёт механического оборудования подвижного состава
городского электротранспорта. Москва. Стройздат 1970г. 480с.
. Подвижной состав метрополитена. Москва. Транспорт 1968г.
. Теория и конструкция автомобиля. Москва. Машиностроение 1985г.
272с.
. Механическое оборудование электроподвижного состава ГЭТ. Москва.
Транспорт. 1980г. 208с.
. Динамика вагона. Вершинский СВ. и др. Москва. Транспорт 1974г.