|
№ п/п
|
Наименование нагрузки
|
Нормативная нагрузка gн, кг/м
|
Коэффициент по надежности γн
|
Расчетная нагрузка g, кг/м
|
|
1
|
Гидроизоляционный ковер
|
21
|
1,2
|
25,2
|
|
2
|
Панель с утеплителем
|
46,95
|
1,3
|
61,03
|
|
Постоянная
|
65,95
|
|
86,23
|
|
3
|
Снеговая
|
224
|
|
320
|
|
Полная
|
289,95
|
|
406,23
|
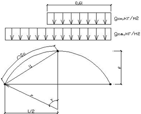
Расчетная
линейно-распределенная нагрузка с ленты шириной 3,0 м.
Собственный
вес арки
,
где
- коэффициент собственного веса арки.
Постоянная
нагрузка с учетом собственного веса арки:
Подбор
сечений
где A, B, C, D, C0, D0 - заданные коэффициенты.
Принимаем клееное сечение шириной 70 мм и высотой 220 мм.
где
x - коэффициент, изменяющийся от 1 до 0, учитывающий
дополнительный момент от продольной силы вследствие прогиба элемента,
определяемый по формуле
,
Гибкость
элементов цельного сечения определяют по формуле
Условие выполняется.
Определяем сечение затяжки:
Для
сечения траверсы принимаем 2 уголка 45х4 с фактической площадью 6,96 см²
4.3 Сравнение
вариантов и выбор конструкции покрытия
Выбор конструкции покрытия производится по результатам подсчета расхода
древесины на изготовление конструкции.
Объем древесины, необходимый для изготовления арки
Объем древесины, необходимый для изготовления фермы
На изготовление фермы требуется меньший расход материала.
.4 Стойка
дощатоклееная
Рисунок 9. Схема нагрузок на стойку
Реакция от нагрузок на ферму:
Ветровая распределенная нагрузка:
- напор;
- отсос;
Где w=48 кг/м²
- нормативное значение
ветрового давления;
- коэффициент надежности по нагрузке;
- аэродинамические коэффициенты;
- коэффициент, учитывающий изменение ветрового давления по
высоте;
- шаг основных несущих конструкций.
Ветровая сосредоточенная нагрузка:
Нагрузка от веса стенового ограждения:
,
Где
- вес 1 м2 стенового ограждения;
- высота колонны (отметка низа несущей конструкции).
Рама представляет собой единожды статически неопределимую систему,
которую решаем методом сил. За лишнее неизвестное Х принимаем продольное усилие
в ригеле, который считаем бесконечно жёстким. Имея значения Х, Рст, qв, Wв и опорные реакции ригеля А, можно
определить N, Q, M в любом сечении,
при этом стойка рассматривается как отдельно стоящая.
Фиктивная реакция метода сил:
Где
- эксцентриситет приложения веса стенового ограждения.
Момент в заделке:
Продольная сила в стойке:
Подбор сечения стойки
Высота сечения принята:
, ширина сечения
(предварительно проверены
150*500,150*550)
Напряженное состояние - сжатие с изгибом, условие прочности имеет вид:
Гибкость стойки:
Площадь сечения:
Момент сопротивления:
Коэффициент:
Условие прочности принимает вид:
Условие прочности выполняется.
Проверка на устойчивости из плоскости.
Условие устойчивости:
Условие устойчивости выполняется.
Опорный узел дощатоклееной колонны
Стойки каркаса крепим к фундаменту с помощью анкерных болтов,
закрепляемых к стальным траверсам.
Рисунок 10. Опорный узел дощатоклееной колонны
Определим напряжение на поверхности фундамента под основанием стойки:
0 = h +
2a = 52,5 + 2∙10,0 = 72,5 см
Определим усилия в анкерных болтах:
а = (М/ξ - N ×е)/у
e =
0,5∙h0 - 0,33∙c = 0,5×72,5 - 0,33 ×44,41 = 21,59 см
y = h0 - 0,33∙c - a1
= 72,5 - 0,33∙44,41
- 6 = 51,84 см
Na=(514170/0,9 - 10650 ×21,59)/51,84 = 6585,0 кг
Определим необходимую суммарную площадь сечения анкеров:
а,нт=Na/nбR
Fа,нт
= 6585,0/2100 =
3,13 см2
Принимаем 2 анкера d= мм
(2*Fнт= мм).
Траверсу для крепления болтов рассчитаем как балку:
Из условия размещения анкерных болтов принимаем в качестве траверсы
уголок 80х5 мм с Iх = 52,68 см4 и Z0 = 2,17 см.
Выполним проверку выбранной траверсы:
=> условие выполняется.
Выполним проверку прочности клеевого шва от действия усилия в анкерных
болтах:
условие выполняется
Для крепления траверс между собой принимаем двухсрезные симметрично
работающие болты диаметром 20 мм.
Определим несущую способность болта в одном срезе при учёте ветровой
нагрузки по изгибу и смятию древесины:
= 1000 кг
= 1800 кг
Определим необходимое число болтов для крепления траверс:
Принимаем для крепления траверс 4 болта диаметром 20 мм.
Определение ориентировочных размеров связей.
Расчет связей производим по предельной гибкости
Принимаем сечение 6х6 см.
Рисунок 11 - К расчёту связей
5. Элементы и узлы конструкции
5.1 Коньковый узел металлодеревянной фермы
Наибольшее усилие центровой болт испытывает при односторонней нагрузке,
когда в одном из раскосов N’=+2017
кг, а в другом N’’=-2455 кг.
Определим равнодействующую этих сил:
Рисунок
12 - Конструкция конькового узла металлодеревянной фермы
Таким
образом, равнодействующая N направлена почти параллельно волокнам накладки. При
таком небольшом значении угла
. Примем
болты d=30 мм.
по изгибу болта
по смятию среднего элемента
по смятию крайнего элемента
Из
получившихся значений выбираем меньшее 
Определим
усилие, которое может воспринимать болт при
:
=>
условие выполняется.
Высота
сечения накладки из условия установки болта d=30 мм должна
быть не менее
.
Определим
число болтов, крепящих деревянные раскосы к стальным накладкам и к фасонкам.
Примем болты d=18 мм. Несущая способность болта на один условный
срез равна:
Из
получившихся значений выбираем меньшее
. Число
болтов при действии N=Nmax=4944 кг равно:
Принимаем два болта.
.2 Промежуточный узел верхнего пояса металлодеревянной фермы
Наибольшее усилие центровой болт испытывает при односторонней нагрузке,
когда в раскосе N’=+2303 кг, а в
верхнем поясе N’’=-3767кг.
Равнодействующая этих сил равна:
При
таком значении угла
. Примем болты d=30 мм.
Из
получившихся значений выбираем меньшее
. Усилие,
которое может воспринимать болт при
равно:
=>
условие выполняется.
Рисунок
13 - Конструкция промежуточного узла верхнего пояса фермы
Высота
сечения накладки из условия установки болта d=30 мм должна
быть не менее
. Определим число болтов, крепящих деревянные раскосы
к стальным накладкам и к фасонкам. Примем болты d=18 мм. Несущая
способность болта на один условный срез равна:
Из
получившихся значений выбираем меньшее
. Число
болтов при действии N=Nmax=4944 кг равно:
Принимаем два болта.
.3 Промежуточный узел нижнего пояса металлодеревянной фермы
Наибольшее усилие центровой болт испытывает при односторонней нагрузке,
когда в одном из раскосов N’=+2303
кг, а в другом N’’=-2495 кг.
Равнодействующая этих сил равна:
Таким
образом, равнодействующая N направлена почти параллельно волокнам накладки. При
таком небольшом значении угла
. Примем
болты d=30мм.
Из
получившихся значений выбираем меньшее
.
Определим
усилие, которое может воспринимать болт при
:
=>
условие выполняется.
Рисунок14
- Конструкция промежуточного узла нижнего пояса фермы
Высота
сечения накладки из условия установки болта d=30 мм должна
быть не менее
.
Определим
число болтов, крепящих деревянные раскосы к стальным накладкам и к фасонкам.
Примем болты d=18 мм. Несущая способность болта на один условный
срез равна:
Из
получившихся значений выбираем меньшее
. Число
болтов при действии N=Nmax=4944 кг равно:
Принимаем два болта.
.4 Опорный узел металлодеревянной фермы
Расчётные усилия: NВ1 = 25728 кг; NА1 = 21961 кг; Ra = 11600 кг.
Определим площадь опирания верхнего пояса на плиту башмака из условия
смятия торца:
Верхний
пояс в узле креплю одним конструктивным болтом d = 16 мм.
Рисунок
15 - Конструкция опорного узла металлодеревянной фермы
Определим
необходимую длину плиты:
Lп = 172/19,0 =
9,05 см => принимаем 100 мм.
Определяем
толщину упорной плиты. Для этого рассчитываем участок плиты, опертый по
контуру, со сторонами b x a =
190x60 мм.
Определим
расчётное давление на 1 см2:
По
табл. 8.6 определяем коэффициент a1, по отношению более длинной стороны к более короткой:
при 190/60 = 3,17 a1 = 0,125.
М
= a1×sп×а2 = 0,125×54,16×62 = 243,72 кг×см, где
а
- размер между кромками ребер.
Принимаем
толщину упорной плиты равной 9 мм.
Проверяем упорную плиту с тремя подкрепляющими ребрами 10х80 мм как балку
пролетом 190 мм на изгиб, для чего определяем изгибающий момент:
Определим
расстояние от наружной грани плиты до центра тяжести сечения:
Определим
момент инерции сечения:
Определим максимальные напряжения в упорной плите:
Боковые
листы башмака приниамем толщиной 10 мм. Элементы упорной плиты свариваем швами
высотой 6 мм и 8 мм.
Рассчитываем
опорную плиту с размерами: bxh = 150x250 мм.
Выполним
проверку на смятие обвязочного бруса под плитой поперек волокон:
Определим
изгибающие моменты на участках опорной плиты шириной 1 см:
Мконс.
уч. =29,8×9,52/2 = 1344,7 кг×см;
Мср.
уч. =29,8×19,02/12 = 896,5 кг×см.
Определим
необходимую толщину плиты:
Определим
длину швов, крепящих уголки нижнего пояса:
6. Указания
по изготовлению и монтажу элементов покрытия
Распиловку бревен на доски производят в лесопильных цехах на пилорамах,
ленточных и круглопильных стойках. Бревна, предназначенные для распиловки,
должны храниться в условиях, предохраняющих лесоматериал от загнивания.
Наиболее простой способ предохранения от грибковых поражений - сохранение в
древесине влажности 100 %. Поэтому бревна перед распиловкой хранят в водных
бассейнах.
Сушку производить в сушильных камерах до влажности досок 8% по наружной
поверхности. Перед механической обработкой выгруженные из камеры доски должны
храниться в течении 3-х суток в помещении с температурой воздуха 10-22°С и
влажностью воздуха 60-70 % с целью выравнивания влажности по сечению.
Высушенные и выдержанные доски подвергать калибровки на строгальных
станках.
Затем производится раскрой досок по длине, при котором удаляются участки
с недопустимыми пороками и дефектами.
Стыкование заготовок производить зубчатым соединением. После стыковки
снова производить механическую обработку.
Клей на поверхности заготовок производить механизированным способом
(клеевые вальца). Давление при запрессовке прямолинейных досчатых элементов
колонн должно быть 0.3-0.5 МПа. Запрессовку производить в винтовых прессах.
После запрессовки клееные блоки выдержать в условиях цеха ещё 24 часа. Затем
произвести фрезерование на станках, с целью удаления неровностей, излишек клея
и т.д. Отделку элемента завершить окраской за 2 раза водостойкой эмалью.
Элементы защищать от влажности при хранении и транспортировании упаковкой
из синтетической клеёнки.
При монтаже захват элементов при подъеме можно производить только в
местах, помеченных на изделии в соответствии с рабочими чертежами. Перед
монтажом должны быть выявлены и устранены дефекты, которые могли возникнуть в
элементах при транспортировании.
Подъем конструкций должен производиться с помощью специально рассчитанных
траверс и стяжек. Перед подъемом все соединения будут плотно подогнаны и
стянуты. До начала монтажа должны быть выверены опорные площадки, на которые
будут устанавливаться конструкции.
Несущие деревянные конструкции по мере установки их в проектное положение
должны быть сразу же закреплены постоянными связями или ограждающими
конструкциями.
Первая конструкция в проекте после установки закрепляется временными
растяжками.
. Мероприятия по защите конструкций от гниения и возгорания
Основными элементами здания, подвергающимися химической защите от
гниения, являются ограждающие конструкции кровли. Кроме антисептирующих
свойств, препараты ХМБ-444, МБ-1 и ХМББ-3324 обладают и огнезащитными
свойствами.
Чтобы обеспечить защиту конструкции от гниения, количество сухой соли на
1 м поверхности должно составлять порядка 40-50г., при комплексной защите от
гниения и возгорания - не менее 100г. Наиболее простым и эффективным способом,
позволяющим обеспечить необходимое количество пропитки ограждающих конструкций,
является следующий:
прогрев древесины сухим воздухом при температуре 100-120°С в течение
20-30 минут элементов каркаса и в течение 5-10 минут - обшивок;
выдержка такое же время в растворе антисептика нормальной температуры;
сушка в камерах при легких режимах.
Для защиты готовых конструкций в местах возможного увлажнения
конденсационной влагой применяются антисептические пасты. Для поверхности
внутри помещений могут быть рекомендованы пасты на ПАЛМ-Ф, ПАФ-ПВА и УАР.
Наименьшую огнестойкость из деревянных элементов здания имеют обшивки из
фанеры и тонких досок, применяемых как в ограждающих, так и в основных несущих
конструкциях. Поэтому они требуют наиболее тщательной и глубокой пропитки
защитными составами.
Массивные, особенно дощато-клееные конструкции, имеют высокую огнестойкость.
Недостатки их заключаются в том, что они могут с большей скоростью переносить
по своей поверхности пожар с локального участка на большие пространства. Защиту
таких конструкций целесообразно производить только поверхностной пропиткой, с
целью перевода их в трудновоспламеняемые.
Для защиты конструкций от возгорания применяют пропиточные и окрасочные
составы. Наиболее совершенным, обладающим комплексным воздействием, является
ББ-32. Он хорошо проникает в древесину, не изменяет её цвета, не препятствует
последующему оклеиванию и окрашиванию лаками, обладает хорошими биозащитными
свойствами, безопасен для людей и животных.
Для создания огнезащитных покрытий применяются эмали ХВ-5169, ОС-12-01, а
также вспучивающееся покрытие ВПМ-2Д. Эмали, при нанесении их толщиной около
250 мкм переводят древесину в категорию трудновоспламеняемых материалов.
Заключение
В ходе выполнения проекта было запроектировано в соответствии с заданием
здание в деревянном каркасе. Рассмотрены несколько вариантов покрытия и стропильной
конструкции и выбраны наиболее эффективные решения. Также в работе произведены
статический и конструктивный расчёты основных несущих конструкций и
запроектированы элементы и узлы по выбранному варианту. Таким образом цель
работы достигнута.
Библиографический
список
конструкция нагрузка прогон панель
1. СНиП 2.01.07-85. Нагрузки и
воздействия. - М.: ЦИТП Госстроя СССР, 1999.-58с.
. СНиП II-25-80. Деревянные конструкции. - М.: ЦИТП Госстроя СССР,
1988.-42с.
. СНиП II-23-81. Стальные конструкции. - М.: ЦИТП Госстроя СССР, 1990.
- 34с.
. СНиП 3.03.01-87. Несущие и
ограждающие конструкции. - М.: ЦИТП Госстроя СССР, 1988. - 190с.
. Зубарев Г. Н., Лялин И. М.
Конструкции из дерева и пластмасс. М.: Высш.шк., 1990. - 288с.; ил.
6. Иванов С.Г. Конструкции из дерева в одноэтажных зданиях:
учебное пособие по курсовому проекту / Под ред. А.Д. Дедеха. - Челябинск: ЧПИ,
1985. - 64с.
. Лихолетов В,В, Альбом узлов
деревянных конструкций: учебное пособие / Под ред. В.М. Асташкина. - Челябинск:
ЧГТУ, 1992. - 51с.
8. Металлические конструкции / Под общей ред. Е.И.Белени. -
М.:Стройиздат, 1986. - 560 с.