Фундаменты промышленного здания
МИНОБР НАУКИ РФ
ФЕДЕРАЛЬНОЕ ГОСУДАРСТВЕННОЕ БЮДЖЕТНОЕ
ОБРАЗОВАТЕЛЬНОЕ УЧРЕЖДЕНИЕ ВЫСШЕГО ПРОФЕССИОНАЛЬНОГО ОБРАЗОВАНИЯ
"ЛГТУ"
Кафедра строительного производства
РАСЧЁТНО-ПОЯСНИТЕЛЬНАЯ ЗАПИСКА
по дисциплине "Основания и
фундаменты"
на тему: "Фундаменты
промышленного здания”
Выполнил студент гр. СА-09-2
Куркин О.Н.
Принял
Чесноков А.В.
Липецк 2012 г.
Содержание
1. Задание на выполнение курсового проекта по основаниям и
фундаментам
2. Определение расчетных нагрузок
2.1 Расчет оснований по предельным состояниям I и II группы
2.2 Расчет конструкций фундаментов по предельным состояниям I и II
группы
3. Анализ конструктивного решения здания
4. Оценка инженерно-геологических условий строительства
4.1 Построение геологического разреза
4.2 Определение основных характеристик грунтов
5. Выбор вида основания и типа фундамента
5.1 Конструктивные указания по проектированию фундаментов
5.2 Назначение глубины заложения фундамента
6. Расчет мелкозаглубленного фундамента по оси Б
6.1 Определение размеров подошвы
6.2 Определение осадки фундамента
7. Расчет свайного фундамента
7.1 Определение размеров фундамента
7.2 Расчет свай по деформациям
7.3 Расчет сваи на горизонтальные силы и изгибающие моменты
Расчет устойчивости основания, окружающего сваю
8. Технико-экономическое сравнение вариантов
9. Расчет конструкций свайного фундамента по оси Б
Библиографический список
1.
Задание на выполнение курсового проекта по основаниям и фундаментам
Группа СА-09 студент Куркин О.Н.
Разработать проект фундамента для промышленного
здания по следующим данным:
Каркас - металлический
Длина 144 м
Шаг колонн 12 м
Конструктивная схема
Нормативные усилия в уровне обреза фундамента
|
Ось
|
Постоянная
нагрузка
|
Временные
нагрузки
|
|
|
снеговая
|
крановая
|
ветровая
|
на перекр.
|
|
N, кН
|
M, кН·м
|
N, кН
|
M кН·м
|
N, кН
|
M, кН·м
|
Q кН
|
M, кН·м
|
Q кН
|
N, кН
|
M, кН·м
|
|
А
|
|
|
|
|
|
|
|
|
|
|
|
|
Б
|
3000
|
480
|
400
|
140
|
120
|
±30
|
±8
|
±160
|
±52
|
680
|
110
|
|
В
|
|
|
|
|
|
|
|
|
|
|
|
|
Г
|
|
|
|
|
|
|
|
|
|
|
|
фундамент свайный конструкция здание
Схема строительной площадки
Паспорт грунтов
|
Наименование
|
Удельный вес
грунта γ кН/м3
|
Природная
влажность, W
|
Влажность
грунта на границе
|
Удельное
сцепление, с
|
Угол
внутреннего трения, φ
|
Мощность слоя,
м
|
|
|
|
WL
|
WP
|
|
|
|
|
Скважина № 1
|
|
Насыпной thIV
|
16
|
-
|
-
|
-
|
-
|
-
|
2
|
|
Cуглинок
тугопластичный prII-III
|
18,4
|
0,30
|
0,39
|
0,24
|
16
|
17
|
3
|
|
Суглинок
мягкопластичный prII-III
|
18, 9
|
0,34
|
0,4
|
0,25
|
14
|
14
|
5
|
|
Песок
среднезернистый N2
|
19, 2
|
0,26
|
-
|
-
|
1
|
32
|
6
|
|
Cупесь твердая
N2
|
19, 4
|
0,14
|
0,21
|
0,15
|
16
|
28
|
5
|
|
Скважина № 2
|
|
Насыпной thIV
|
15,8
|
-
|
-
|
-
|
-
|
-
|
2,6
|
|
Cуглинок
тугопластичный prII-III
|
18,5
|
0,31
|
0,38
|
0,25
|
15
|
16
|
3,4
|
|
Суглинок
мягкопластичный prII-III
|
19,0
|
0,33
|
0,39
|
0,24
|
13
|
14
|
4,2
|
|
Песок
среднезернистый N2
|
19,4
|
0,27
|
-
|
-
|
1
|
31
|
7
|
|
Cупесь твердая
N2
|
19,3
|
0,13
|
0, 20
|
0,15
|
15
|
27
|
4,5
|
|
Скважина № 3
|
|
Насыпной thIV
|
16,2
|
-
|
-
|
-
|
-
|
-
|
2,4
|
|
Cуглинок
тугопластичный prII-III
|
18,3
|
0,32
|
0,4
|
0,25
|
15
|
16
|
2,2
|
|
Суглинок
мягкопластичный prII-III
|
19.0
|
0,34
|
0,38
|
0,26
|
13
|
13
|
5,5
|
|
Песок
среднезернистый N2
|
19,3
|
0,26
|
-
|
-
|
1
|
31
|
6,5
|
|
Cупесь твердая
N2
|
19,5
|
0,12
|
0, 19
|
0,14
|
16
|
27
|
4,2
|
2.
Определение расчетных нагрузок
.1 Расчет
оснований по предельным состояниям I и II группы
Ось Б
группа:
Максимальная сила Nmax кН:
max=1,1·3000+ (1,4·400+1,1·120) ·0,9+1,2·680·0,9=
4657,2 кН;
Соответствующий момент Мα кН·м:
Мα=480·1,1+
(140·1,4+30·1,1) ·0,9+1,2·110·0,9= 852,9 кН·м;
Соответствующая горизонтальная сила Qα кН:
α=±8·1,1·0,9=±7,92 кН;
Максимальный момент Мmax кН·м:
Мmax=1,1·480+ (1,4·140+1,1·30+1,4·180)
·0,9+1,2·110·0,9=1079,7 кН·м;
Соответствующая вертикальная сила Nα кН:
α=3000·1,1+
(400·1,4+120·1,1) ·0,9+1,2·680·0,9= 4657,2 кН;
Соответствующая горизонтальная сила Qα кН:
α=±8·1,1·0,9±52·1,4·0,9=±73,44
кН;
Минимальная сила Nmin кН:
min=1,1·3000= 3300 кН;
Соответствующий момент Мα кН·м:
Мα=480·1,1+180·1,4= 780 кН·м;
Соответствующая горизонтальная сила Qα кН:
α=±52·1,4=±72,8 кН;
группа: максимальная сила Nmax кН:
max=3000+400·0,95+120·0,9+680·0,95=4134 кН;
Соответствующий момент Мα кН·м:
Мα=480+140·0,95+30·0,9+110·0,95=744,5
кН·м;
Соответствующая горизонтальная сила Qα кН:
α=±8·0,9=±7,2 кН;
Максимальный момент Мmax кН·м:
Мmax=480+0,95·140+0,9·30+180·0,9+110·0,95=906,5
кН·м;
Соответствующая вертикальная сила Nα кН:
α=3000+400·0,95+120·0,9+680·0,95=4134
кН;
Соответствующая горизонтальная сила Qα кН:
α=±8·0,9±52·0,9=±54 кН;
Минимальная сила Nmin кН:min=3000 кН;
Соответствующий момент Мα кН·м:
Мα= 660 кН·м;
Соответствующая горизонтальная сила Qα кН:α=±52 кН;
.2 Расчет
конструкций фундаментов по предельным состояниям I и II группы
Ось Б
группа: максимальная сила Nmax кН:
max=1,1·3000+ (0,5·400·1,4·0,95+ (1-0,5)
400·1,4·0,9) + (0,6·120·1,1·0,95+ (1-0,6) · ·120·1,1·0,9) +680·1,2·0,9= 4675,16
кН;
Соответствующий момент Мα кН·м:
Мα=1,1·480+
(0,5·140·1,4·0,95+ (1-0,5) 140·1,4·0,9) + (0,6·30·1,1·0,95+ (1-0,6) ·30·1,1·0,9)
+110·1,2·0,9= 858,79 кН·м;
Соответствующая горизонтальная сила Qα кН:
α=±0,6·8·1,1·0,95± (1-0,6)
·8·1,1·0,9=±8,45 кН;
Максимальный момент Мmax кН·м:
Мmax=1,1·480+ (0,5·140·1,4·0,95+ (1-0,5)
140·1,4·0,9) + (0,6·30·1,1·0,95+ (1-0,6) ·30·1,1·0,9) +110·1,2·0,9+1,4·180·0,9=
1085,59 кН·м;
Соответствующая вертикальная сила Nα кН:
α=1,1·3000+
(0,5·400·1,4·0,95+ (1-0,5) 400·1,4·0,9) + (0,6·120·1,1·0,95+ (1-0,6) ·
·120·1,1·0,9) +680·1,2·0,9= 4675,16 кН;
Соответствующая горизонтальная сила Qα кН:
α=±0,6·8·1,1·0,95± (1-0,6)
·8·1,1·0,9±52·1,4·0,9=±73,97 кН;
Минимальная сила Nmin кН:
min=1,1·3000= 3300 кН;
Соответствующий момент Мα кН·м:
Мα=480·1,1+180·1,4= 780
кН·м;
Соответствующая горизонтальная сила Qα кН:
α=±52·1,4=±72,8 кН;
группа:
Максимальная сила Nmax кН:
max=3000+ (0,5·400·0,95+ (1-0,5) 400·0,9) +
(0,6·120·0,95+ (1-0,6) ·120·0,9) +680·0,95= 4127,6 кН;
Соответствующий момент Мα кН·м:
Мα=480+ (0,5·140·0,95+
(1-0,5) 140·0,9) + (0,6·30·0,95+ (1-0,6) ·30·0,9) +110·0,95=741,9 кН·м;
Соответствующая горизонтальная сила Qα кН:
α=±0,6·8·0,95± (1-0,6)
·8·0,9= ±7,44 кН;
Максимальный момент Мmax кН·м:
Мmax=480+ (0,5·140·0,95+ (1-0,5) 140·0,9) +
(0,6·30·0,95+ (1-0,6) ·30·0,9) +110·0,95+180·0,9=903,9 кН·м;
Соответствующая вертикальная сила Nα кН:
α=3000+ (0,5·400·0,95+
(1-0,5) 400·0,9) + (0,6·120·0,95+ (1-0,6) ·120·0,9) +680·0,95=4127,6 кН;
Соответствующая горизонтальная сила Qα кН:
α= (±0,6·8·0,95± (1-0,6)
·8·0,9) ±52·0,9=±54,24 кН;
Минимальная сила Nmin кН:min=3000 кН;
Соответствующий момент Мα кН·м:
Мα= 660 кН·м;
Соответствующая горизонтальная сила Qα кН:α=±52 кН;
Все результаты сведены в таблицу 1.
Таблица 1.
Расчетные нагрузки в уровне обреза фундамента по оси Б
|
Комбинация
расчетных усилий
|
Нагрузки в
уровне обреза фундамента
|
Расчет
|
|
|
Оснований по предельным
состояниям
|
Конструкций
фундаментов по предельным состояниям
|
|
|
1 группа
|
2 группа
|
1 группа
|
2 группа
|
|
I
|
Максимальная
сила Nmax кН
|
4657,2
|
4134
|
4675,16
|
4127,6
|
|
Соответствующий
момент Мα кН·м
|
852,9
|
744,5
|
858,79
|
741,9
|
|
Соответствующая
горизонтальная сила Qα кН
|
±7,92
|
±7,2
|
±8,45
|
±7,44
|
|
II
|
Максимальный
момент Мmax кН·м
|
1079,7
|
906,5
|
1085,59
|
903,9
|
|
Соответствующая
вертикальная сила Nα кН
|
4657,2
|
4134
|
4675,16
|
4127,6
|
|
Соответствующая
горизонтальная сила Qα кН
|
±73,44
|
±54
|
±73,97
|
±54,24
|
|
III
|
Минимальная
сила Nmin кН
|
3300
|
3000
|
3300
|
3000
|
|
Соответствующий
момент Мα кН·м
|
780
|
660
|
780
|
660
|
|
Соответствующая
горизонтальная сила Qα кН
|
±72,8
|
±52
|
±72,8
|
±52
|
3. Анализ
конструктивного решения здания
Для стальных колонн крайнего ряда высота сечения нижней
части:
н=λ+b0=1250 мм,
где λ=1000 мм, расстояние от оси
подкрановой балки до оси колонны.
Для среднего ряда: hн=2·λ=2000 мм.
н=13,2/20=0,66 м;
Нижняя часть стальных колонн выполняется сплошной.
Требуемая площадь сечения ветвей сквозной стальной колонны:
Al1= Al2
где N0Ib - расчетная нагрузка в уровне
обреза фундамента для максимально загруженной ветви колонны с учетом момента:
y -
расчетное сопротивление стали сжатию, принимаемое в зависимости от марки стали
колонны и толщины проката.
φ=0,7 - коэффициент продольного изгиба.
Зная требуемую площадь сечения ветви колонны, подбираем по
сортаменту требуемый профиль, тем самым определяем ширину сечения нижней части
колонны bн.
Сталь С245, толщиной до 20 мм. Ry= 24 кН/см2.
Ось Б: hн=2000мм;
01в=
Al1 = Al2
Принимаем сечение колонны I № 70Б2 с площадью сечения А=183,60
см2, h=69,7см, b=26,0 см.
Размеры опорной плиты в плане:
пл
= 69,7 + 2·3,65 = 77,0 см. Bпл = 26,0+2·4 = 34,0 см.
Принятые размеры опорной плиты колонны должны удовлетворять
условию:
для В20;
Крепление стальных колонн к фундаменту выполняется с помощью
фундаментных болтов. Величина расчетной нагрузки приходящейся на один болт определяется
по формуле:
,
где n - общее число болтов крепления ветви, рекомендуется не менее
2.
т.к. нагрузка сжимающая и отрыва колонны не происходит, то болты
назначаются конструктивно. Принимаем болт диаметром М24 с анкерной плитой, с
глубиной заделки в бетон 15∙d=360 мм, с расстоянием между осями болтов 8∙d=192
мм, с расстоянием от оси болта до грани подколонника 6∙d=144 мм.
Для сквозной колонны с раздельными базами под ветвями сдвигающая
сила, действующая в плоскости изгибающего момента определяется по формуле:
4. Оценка
инженерно-геологических условий строительства
4.1
Построение геологического разреза
К построению геологического разреза приступают после
размещения проектируемого здания на участке строительства в плане и по
вертикали.
В паспорте грунтов, выдаваемом в задании, приводятся основные
физико-механические характеристики грунтов по трем скважинам, расположение
которых, а также расстояние между ними и абсолютные отметки устьев принимаются
по схеме участка строительства, приводимой в задании.
Размеры в плане участка строительства принимаются равными 1,5
, где
-длина проектируемого здания, определяемая по заданию.
Проектируемое здание размещают на участке строительства таким образом, чтобы в
пределах пятна застройки были расположены все три скважины.
Вертикальная привязка проектируемого здания заключается в назначении
абсолютной отметки ±0.000, в качестве которой принимается отметка пола первого
этажа. Для выполнения вертикальной привязки проектируемого здания в курсовом
проекте назначается абсолютная планировочная отметка площадки строительства из
условия минимального объема земляных работ как средняя отметка рельефа в
пределах пятна застройки. Таким образом, абсолютная планировочная отметка
равна:
(239+239+239,5) /3=239,17.
Тогда абсолютная отметка пола первого этажа - 239,32.
Геологический разрез строится на миллиметровой бумаге масштаба А3
в последовательности: скв.1-скв.2-скв.3-скв.4. По горизонтальной оси вдоль
длиной стороны листа откладываются расстояния между скважинами в масштабе, при
котором развертка по скважинам составит около 200 мм, и вертикальными линиями
выносятся оси скважин. С левой стороны разреза размещается масштабная линейка с
указанием абсолютных отметок. На осях скважин наносятся абсолютные отметки
устьев скважин, принимаемые по схеме участка строительства, затем с учетом
толщины слоев, принимаемых из паспорта грунтов, наносятся отметки кровли и
подошвы слоев грунта. Отметки, соответствующие одинаковым грунтам, соединяются
плавными линиями. Каждый слой грунта заштриховывается в соответствии с
нормативными условными обозначениями, которые приводятся под геологическим
разрезом вместе с основными характеристиками грунтов.
На геологический разрез нанесены крайние буквенные и цифровые оси
здания, абсолютные отметки ±0,00, подошвы фундамента мелкого заложения или
ростверка, нижних концов свай, появившегося и установившегося уровней грунтовых
вод. Масштаб: 1: 2500 - горизонтальный;
: 100 - вертикальный.
Справа от геологического разреза для скважины I приводится эпюра Ro
в кПа.
4.2
Определение основных характеристик грунтов
Все расчеты оснований выполняются с использованием расчетных
значений характеристик грунтов, определяемых по формуле:
= Xn/γg,
где Xn - нормативное значение данной
характеристики;
γg - коэффициент надежности
по грунту.
В расчетах по II группе предельных состояний γg равен 1. В расчетах оснований по несущей способности:
для удельного веса - 1,1;
для удельного сцепления - 1,5;
для угла внутреннего трения пылевато-глинистых грунтов -
1,15.
На основе полученных данных определяются следующие
характеристики грунтов:
) коэффициент пористости
,
где γs - удельный вес твердых частиц, кН/м3;
γn - нормативный удельный вес твердых частиц, кН/м3;-
влажность грунта.
) степень влажности
где γw - удельный вес воды, равный 10 кН/м3;
) удельный вес сухого грунта, кН/м3
;
) число пластичности
где Wl - предел текучести;p - предел раскатывания;
Результаты расчетов сведены в таблицу 2.
Таблица 2.
Наименование слоя грунта, его происхождение Удельный вес
грунта, кН/м3. Природная влажность, W Удельный
вес твердых частиц, γs, кН/м3 Коэффициент
пористости,
Степень
влажности,
Удельный вес
сухого грунта,
, кН/м3Удельный вес грунта, взвешенного в воде (для
слоев грунта ниже уровня подземных вод)
|
γsl= (γs-γω) / (1+e), кН/м3
|
|
|
|
|
|
γn
|
γI
|
γII
|
|
|
|
|
|
|
|
1
|
2
|
3
|
4
|
5
|
6
|
7
|
8
|
9
|
10
|
|
Скважина №1
|
|
Насыпной слой
|
16
|
14,55
|
16
|
-
|
-
|
-
|
-
|
-
|
-
|
|
Cуглинок
тугопластичный
|
18,4
|
16,73
|
18,4
|
0,30
|
27,1
|
0,91
|
0,89
|
12,31
|
8,95
|
|
Суглинок
мягкопластичный
|
18,9
|
17,18
|
18,9
|
0,34
|
27,1
|
0,92
|
1
|
14,1
|
8,9
|
|
Песок
среднезернистый
|
19,2
|
17,45
|
19,2
|
0,26
|
26,6
|
0,75
|
0,92
|
15,24
|
9,49
|
|
Cупесь твердая
|
19,4
|
17,64
|
19,4
|
0,14
|
27,0
|
0,59
|
0,64
|
17,02
|
10,69
|
|
Скважина №2
|
|
Насыпной слой
|
15,8
|
14,36
|
15,8
|
-
|
-
|
-
|
-
|
-
|
-
|
|
Cуглинок
тугопластичный
|
18,5
|
16,82
|
18,5
|
0,31
|
27,1
|
0,92
|
0,91
|
14,12
|
8,9
|
|
Суглинок
мягкопластичный
|
19,0
|
17,27
|
19,0
|
0,33
|
27,1
|
0,90
|
1
|
14,29
|
9
|
|
Песок
среднезернистый
|
19,4
|
17,64
|
19,4
|
0,27
|
26,6
|
0,74
|
0,97
|
15,28
|
9,54
|
|
Cупесь твердая
|
19,3
|
17,55
|
19,3
|
0,13
|
27,0
|
0,58
|
0,61
|
17,08
|
10,76
|
|
Скважина №3
|
|
Насыпной слой
|
16,2
|
14,73
|
16,2
|
-
|
-
|
-
|
-
|
-
|
-
|
|
Cуглинок
тугопластичный
|
18,3
|
16,64
|
18,3
|
0,32
|
27,1
|
0,95
|
0,91
|
13,86
|
8,77
|
|
Суглинок
мягкопластичный
|
19,0
|
17,27
|
19,0
|
0,34
|
27,1
|
0,91
|
1,01
|
14,18
|
8,95
|
|
Песок
среднезернистый
|
19,3
|
17,55
|
19,3
|
0,26
|
26,6
|
0,74
|
0,93
|
15,32
|
9,54
|
|
Cупесь твердая
|
19,5
|
17,28
|
19,5
|
0,12
|
27,0
|
0,55
|
0,59
|
17,41
|
10,97
|
|
Константы
пластичности глинистых грунтов
|
Показатель
текучести глинистых Грунтов JL= = (W-WP) /JP
|
Угол
внутреннего трения
|
Удельное
сцепление, кПа
|
Модуль деформации
Е, МПа
|
Расчетное сопро-тивление,
Па
|
Пригодность в
качестве естественного основания
|
|
Предел
раскатывания,Wp
|
Предел текучести,
WL
|
Число
пластичности, Jp=WL-WP
|
|
φn
|
φ1
|
φ11
|
C
|
C1
|
C11
|
|
|
|
|
11
|
12
|
13
|
14
|
15
|
16
|
17
|
18
|
19
|
20
|
21
|
22
|
23
|
|
Скважина №1
|
|
-
|
-
|
-
|
-
|
-
|
-
|
-
|
-
|
-
|
-
|
-
|
-
|
Непригоден как
естественное основание
|
|
0,24
|
0,39
|
0,15
|
0,4
|
17
|
15,45
|
17
|
16
|
10,67
|
16
|
9,2
|
178,6
|
Пригоден как
естественное основание
|
|
0,25
|
0,4
|
0,15
|
0,6
|
14
|
12,73
|
14
|
14
|
9,33
|
14
|
6,6
|
158,13
|
Пригоден как
естественное основание
|
|
-
|
-
|
-
|
-
|
32
|
29,09
|
32
|
1
|
0,67
|
1
|
30
|
400
|
Пригоден как
естественное основание
|
|
0,15
|
0,21
|
0,06
|
-0,16
|
28
|
25,45
|
28
|
16
|
10,67
|
16
|
20,8
|
273,9
|
Пригоден как
естественное основание
|
|
Скважина №2
|
|
-
|
-
|
-
|
-
|
-
|
-
|
-
|
-
|
-
|
-
|
-
|
-
|
Непригоден как
естественное основание
|
|
0,25
|
0,38
|
0,13
|
0,46
|
16
|
14,55
|
16
|
15
|
10
|
15
|
10,4
|
171
|
|
0,24
|
0,39
|
0,15
|
0,6
|
14
|
12,73
|
14
|
13
|
8,67
|
13
|
10
|
162,67
|
Пригоден как
естественное основание
|
|
-
|
-
|
-
|
-
|
31
|
28,18
|
31
|
1
|
0,67
|
1
|
30
|
400
|
Пригоден как
естественное основание
|
|
0,15
|
0, 20
|
0,05
|
-0,4
|
27
|
24,55
|
27
|
15
|
10
|
15
|
21,6
|
272
|
Пригоден как
естественное основание
|
|
Скважина №3
|
|
-
|
-
|
-
|
-
|
-
|
-
|
-
|
-
|
-
|
-
|
-
|
-
|
Непригоден как
естественное основание
|
|
0,25
|
0,4
|
0,15
|
0,47
|
16
|
14,55
|
16
|
15
|
10
|
15
|
8
|
163,68
|
Пригоден как
естественное основание
|
|
0,26
|
0,38
|
0,12
|
0,67
|
13
|
11,82
|
13
|
13
|
8,67
|
13
|
6,8
|
154,03
|
Пригоден как
естественное основание
|
|
-
|
-
|
-
|
-
|
31
|
28,18
|
31
|
1
|
0,67
|
1
|
30
|
400
|
Пригоден как
естественное основание
|
|
0,14
|
0, 19
|
0,05
|
-0,4
|
27
|
24,55
|
27
|
16
|
10,67
|
16
|
24
|
282,5
|
Пригоден как
естественное основание
|
|
|
|
|
|
|
|
|
|
|
|
|
|
|
|
|
|
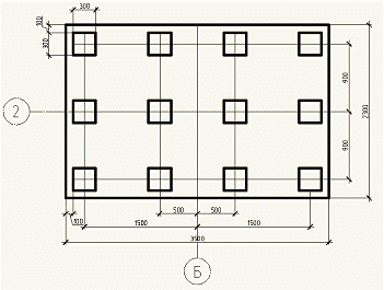
5. Выбор вида
основания и типа фундамента
Выбор типа фундамента производится путем
технико-экономического сравнения двух наиболее приемлемых вариантов
фундаментов, разрабатываемых для наиболее нагруженной оси здания в объеме,
позволяющем определить основные размеры фундаментов, удовлетворяющих
требованиям расчета по I и II группам предельных состояний, т.е. без
конструктивного расчета тела фундамента.
По двум наиболее приемлемым вариантам фундаментов принимают
решение о виде основания (естественное или искусственное) и о типе фундаментов:
мелкого заложения на естественном основании;
свайных;
мелкого заложения на искусственном основании.
5.1
Конструктивные указания по проектированию фундаментов
Для монолитных железобетонных фундаментов принимаем бетон
класса В20. Бетон подготовки под подошвой монолитного фундамента - класса В10
толщиной 100мм. Для армирования фундаментов принимаем горячекатаную арматуру
класса A-III. Монолитный фундамент ступенчатого типа, плитная часть от одной до
трех ступеней. Все размеры кратны 100 мм. Внецентренная нагрузка подошвы
фундамента прямоугольная с соотношением сторон не менее 0,6. Высоту назначаем с
учетом глубины заложения подошвы и уровня обреза фундамента, который
принимается на отметке - 0,15.
Высоту фундамента определяем в зависимости от требуемой
глубины заделки анкерных болтов в фундамент.
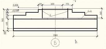
Рисунок 1. Сопряжение фундамента со стальной колонной.
a=15·d=360;=8·d=192;
λ=6·d=144;
Требуемая высота фундамента из условия заделки стальных
колонн:
h
(la+100) мм;a=15∙d=15∙24=360мм;
360+100=460≈500 мм;
Под монолитными фундаментами независимо от подстилающих грунтов
(кроме скальных) устраивается бетонная подготовка из бетона класса В10 толщиной
100мм. При этом глубина заложения фундамента принимается от уровня планировки
до низа подготовки.
5.2
Назначение глубины заложения фундамента
Глубина заложения фундамента для бесподвальных зданий
представляет собой расстояние от уровня планировки по подошвы фундамента, при
наличии бетонной подготовки-до её низа. Выбор глубины заложения фундаментов
рекомендуется выполнять с учетом инженерно-геологических условий участка
строительства, конструктивных особенностей проектируемого здания, глубины
сезонного промерзания грунтов.
. Так как глубина заложения несущего слоя грунта по карте
грунтов равна 2 м, то глубина заложения фундамента мелкого заложения на естественном
основании равна:
. Т.к. уровень обреза фундамента принимается на отметке -
0,15, то глубина заложения фундамента, исходя из конструктивных особенностей
равна:
. Город строительства Свердловск.
Нормированная глубина заложения фундамента определяется по
формуле:
0 - величина, принимаемая численно для
суглинка равной 0,23 (м)
Mt - безразмерный коэффициент, численно
равный сумме абсолютных значений среднемесячных отрицательных температур за
зиму в данном районе (г. Свердловск), принимаемый по СНиП 23-01-99 (2003).
Расчетная глубина
сезонного промерзания грунта равна:
Соответственно
глубина заложения фундамента мелкого заложения на естественном основании равна:
6. Расчет
мелкозаглубленного фундамента по оси Б
6.1
Определение размеров подошвы
Размеры подошвы внецентренно нагруженного фундамента
определяются в результате расчета фундамента по деформациям, который
производится, исходя из условий:
Проведем расчет относительно оси Б.
Расчетное сопротивление грунта фундамента:
= 1,1;
γс1 = 1,2; γс2 = 1,04 - коэффициенты условий работы;
Мγ = 0,29; Мq
=2,17; Мс = 4,69 - коэффициенты, принимаемые по таблице 4 СНиП
23-01-99 (2003);z = 1, т.к. b < 10 м;
γII = 9,56 (кН/м3)
γII’ = 8,95 (кН/м3)
сII =
16 (кПа)b = 0 (м), т.к. подвал в проектируемом здании не
предусмотрен.= f (b) - линейная функция, следовательно график построим по 2
точкам:= 0 и b = 5 (м):
,218 кПа=0,140
МПа;
,946 кПа=0,156
МПа;
График функции
строим по 5 точкам:
где γ - средний удельный вес материала
фундамента и грунта на обрезе фундамента, принимаемый равным 20 кН/м3;-
глубина заложения фундамента, 2,5 м.
;
;
Рисунок 2.
Определение ширины фундамента.
Следовательно,
принимаем b = 4,9 (м), тогда l = 8 (м).
0,156 МПа;
Проверим принятые
размеры подошвы фундамента на выполнение условия по не превышению
эксцентриситета.
Эксцентриситет
равен:
;
;
Следовательно,
условие по непревышению эксцентриситета выполнено. Максимальное давление под
краем фундамента:
Проверяем
прочность подстилающего слоя (с худшими прочностными характеристиками),
залегающего на глубине 5 м от поверхности земли, т.е. на глубине 2,5 м ниже
подошвы фундамента.
Полное давление
на кровлю слабого подстилающего слоя на глубине z не должно превышать
расчётного сопротивления:
sg (d+z) + szp £ Rd+z,
где sg (d+z) - природное давление на кровлю слабого слоя;
szp - дополнительное давление на кровлю
слабого слоя от нагрузки на фундамент.
Природное
давление на подошву фундамента:
zg
sg (d+z)
Среднее давление
под подошвой фундамента:
P =
= 155,30 кПа=0,155 МПа;
Дополнительное давление на уровне подошвы:
0 =
P - szg = 0,155 - 0,0365 = 0,119 МПа.
ξ =
=0,816; η =
=1,63; a = 0,899;
Дополнительное давление на кровлю подстилающего слоя:
szp = P0хa = 0,119х0,899 = 0,107 МПа.
Полное давление на кровлю подстилающего слоя:
sg (d+z) + szp = 0,0589 +0,107 = 0,167 МПа.
Площадь подошвы условного фундамента:
усл
=
= 5,69 м2;
Ширина условного фундамента:
Вусл =
= 1,29 м,
где а =
= 1,55 м.
Определение значения удельного веса грунтов, залегающих выше
подстилающего слоя:
8,95 кН/м3;
Определение значения удельного веса грунтов, залегающих ниже
подстилающего слоя:
= 10,04 кН/м3;
Расчётное сопротивление грунта подстилающего слоя:
z+d
=
= 174,48 кПа=0,174 МПа;
Проверяем условие
sg (d+z) + szp = 0,167 МПа < Rz+d = 0,174 МПа, т.е. условие
выполняется.
Проверяем прочность подстилающего слоя (с худшими прочностными
характеристиками), залегающего на глубине 16 м от поверхности земли, т.е. на
глубине 13,5 м ниже подошвы фундамента.
g (d+z)
Полное давление на кровлю подстилающего слоя:
sg (d+z) + szp = 0,1603 +0,107 = 0,267 МПа;
Определение значения удельного веса грунтов, залегающих выше
подстилающего слоя:
8,92 кН/м3;
Определение значения удельного веса грунтов, залегающих ниже
подстилающего слоя:
= 10,69 кН/м3;
Расчётное сопротивление грунта подстилающего слоя:
z+d
=
= 274,39 кПа=0,274 МПа;
Проверяем условие sg (d+z) + szp = 0,267 МПа < Rz+d = 0,274 МПа, т.е. условие
выполняется.
6.2
Определение осадки фундамента
Проверим предельные деформации основания: относительная
разность осадок:
максимальная осадка: Smax, u = 12
(см).
Для проверки совместной деформации основания и здания
необходимо определить ожидаемые абсолютные осадки оснований проектируемых
фундаментов, т.е.:
Находим значения эпюры вертикальных напряжений от действия
собственного веса грунта
и вспомогательной 0,2
: на поверхности земли:
на уровне контакта 1-го и 2-го слоев:
во 2 слое на уровне подошвы фундамента:
на уровне контакта 2-го и 3-го слоев:
на уровне контакта 3-го и 4-го слоев:
на уровне контакта 4-го и 5-го слоев:
подошва 5-го слоя:
Дополнительное вертикальное давление по подошве фундамента:
Высота элементарного слоя:
Строим эпюру дополнительных вертикальных напряжений от
внешней нагрузки в толще основания рассчитываемого фундамента. Все вычисления
приведены в табличной форме.
Таблица 3.
Значение ординат эпюры дополнительных давлений
|
Наименование
слоя грунта
|
z, м
|
|
α
|
|
E,
|
|
Суглинок
тугопластичный
|
0
|
0
|
1
|
0,117
|
9,2
|
|
2
|
0,816
|
0,899
|
0,105
|
|
|
Суглинок
мягкопластичный
|
4
|
1,633
|
0,503
|
0,059
|
6,6
|
|
6
|
2,449
|
0,341
|
0,040
|
|
|
8
|
3,265
|
0,224
|
0,026
|
|
|
Песок
среднезернистый
|
10
|
4,08
|
0,156
|
0,018
|
30
|
|
12
|
4,898
|
0,114
|
0,013
|
|
|
14
|
5,714
|
0,086
|
0,010
|
|
|
Супесь твердая
|
16
|
6,531
|
0,068
|
0,008
|
20,8
|
|
18
|
7,347
|
0,054
|
0,006
|
|
Рисунок 3. Эпюры природного давления грунта и дополнительного
давления.
=8,7 м - нижняя граница сжимаемой толщи.
Расчет осадки:
Следовательно, основное условие расчета по второй группе
предельных состояний удовлетворяется.
7. Расчет
свайного фундамента
Свайные фундаменты целесообразно применять в следующих
случаях:
на строительных площадках с грунтами, залегающими на глубине
4 м и более;
на площадках с высоким уровнем подземных вод;
в зданиях с большими нагрузками на колонны, для которых
требуется применение монолитных фундаментов в виде перекрестных лент или
сплошных плит.
7.1
Определение размеров фундамента
Заделка свай в ростверк жесткая, т.к. внецентренно
загруженный свайный фундамент. Свая заделывается в ростверк на глубину не менее
200 мм и не менее:
Принимаем арматуру класса А-III Ø 16 мм; Rs = 365 МПа, бетон B20
Rb=11,5МПа. Тогда требуемая заделка сваи в ростверк равна:
;
≈ 400 мм;
Тогда высота ростверка:
мм.
Рисунок 4. Схема к определению требуемой высоты ростверка.
Абсолютная отметка подошвы ростверка 239,17-0,8-0,15 = 238,22 м.
Абсолютная отметка низа бетонной подготовки из бетона класса В25
толщиной 100мм: 238,22-0,1=238,12 м.
Назначаем тип свай: С8-30 - сваи висячие сплошные квадратного
сечения, забитые дизель-молотом со дна котлована на глубину 7,6 м. Ширина грани
b=300 мм, длина L=8000 мм, длина острия d=300 мм. Абсолютная отметка концов
свай из условия их заделки в несущий слой: 230,62.
Расчет несущей способности свай на вертикальную нагрузку
;
где gc - коэффициент условий работы сваи в грунте, принимаемый gc = 1;
R - расчетное
сопротивление грунта под нижним концом сваи, кПа (тс/м2),
принимаемое по табл. 1 СНиП 2.02.03-85 "Свайные фундаменты"- площадь
опирания на грунт сваи, м2, принимаемая по площади поперечного
сечения сваи брутто или по площади поперечного сечения камуфлетного уширения по
его наибольшему диаметру, или по площади сваи-оболочки нетто;
u - наружный
периметр поперечного сечения сваи, м;
fi - расчетное сопротивление i-го слоя грунта основания на боковой
поверхности сваи, кПа (тс/м2), принимаемое по табл.2 СНиП 2.02.03-85
"Свайные фундаменты";
hi - толщина 1-го слоя грунта, соприкасающегося с боковой поверхностью
сваи, м;
gcR, gcf - коэффициенты условий работы грунта соответственно под нижним
концом и на боковой поверхности сваи, учитывающие влияние способа погружения
сваи на расчетные сопротивления грунта и принимаемые по табл.3 СНиП 2.02.03-85
"Свайные фундаменты".
Площадь поперечного сечения сваи: А = 0,3·0,3 = 0,09м2;
Периметр сваи:
u=0,3 ∙ 4 =1,2 м;
Глубина погружения сваи:
,8+7,6+0,3+0,15=8,85 м;
Расчетное сопротивление грунта под нижним концом сваи:=3,885 МПа;
Коэффициенты условий работы грунта под нижним концом и боковой
поверхности сваи:
;
;
Толщу грунта, прорезываемого сваей, разбиваем на слои толщиной не
более 2 м:
z1=3
м - f1=0,025 МПа;
z2=4
м - f2=0,027 МПа;
z3=5
м - f3=0,029 МПа;
z4=6
м - f4=0,018 МПа;
z5=7
м - f5=0,0185 МПа;
z6=8
м - f6=0,019 МПа;
z7=8,85
м - f7=0,019 МПа;
Несущая способность сваи:
Требуемое количество свай в кусте равно:
Рисунок 5. Схема свайного куста.
Нагрузка от ростверка при γср = γ/β =
20 кН/м3:
Полная нагрузка на сваю от сооружения и ростверка равна:

Проведем проверку свайного ростверка:
Следовательно, условие выполнено.
7.2 Расчет
свай по деформациям
Средневзвешенное расчетное значение угла внутреннего трения
грунта в пределах длины сваи:
Расчетная нагрузка по обрезу фундамента:
Ширина подошвы условного фундамента:
;
Длина подошвы условного фундамента:
;
Вес ростверка:
Вес свай:
где 2,5 кН - вес 1 сваи;
Вес грунта в пределах объема условного фундамента:
Вес ростверка, свай и грунта в пределах объема условного фундамента:
;
Среднее давление на грунт под подошвой условного фундамента:
Расчетное сопротивление грунта основания условного
фундамента:
;
;
;
, т.к. прочностные характеристики грунта (j и с) приняты по
табл.1-3 приложения 1 СНиП 2.02.01-83;
т.к. b < 10 м;
;
;
;
;
;
;
, т.к. подвал в проектируемом здании не
предусмотрен;
;
;
;
Следовательно, условие выполнено.
Определение осадки свайного фундамента по оси Б
Находим значения эпюры вертикальных напряжений от действия
собственного веса грунта
и вспомогательной 0,2
:
на поверхности земли:
на уровне контакта 1-го и 2-го слоев:
на уровне контакта 2-го и 3-го слоев:
во 3 слое на уровне подошвы фундамента:
на уровне контакта 3-го и 4-го слоев:
на уровне контакта 4-го и 5-го слоев:
подошва 5-го слоя:
Дополнительное вертикальное давление по подошве фундамента:
Высота элементарного слоя:
Строим эпюру дополнительных вертикальных напряжений от
внешней нагрузки в толще основания рассчитываемого фундамента. Все вычисления
приведены в табличной форме.
Таблица 4.
Значение ординат эпюры дополнительных давлений
|
Наименование
слоя грунта
|
Z, м
|
|
α
|
|
E,
|
|
Суглинок
мягкопластичный
|
0
|
0
|
1
|
0,096
|
6,6
|
|
0,9
|
0,783
|
0,885
|
0,085
|
|
|
Песок
среднезернистый
|
1,8
|
1,565
|
0,652
|
0,063
|
30
|
|
2,7
|
2,348
|
0,486
|
0,047
|
|
|
3,6
|
3,130
|
0,382
|
0,037
|
|
|
4,5
|
3,913
|
0,313
|
0,030
|
|
|
5,4
|
4,696
|
0,264
|
0,025
|
|
|
6,3
|
5,478
|
0,228
|
0,022
|
|
|
Супесь твердая
|
7,2
|
6,261
|
0, 200
|
0,019
|
20,8
|
|
8,1
|
7,043
|
0,179
|
0,017
|
|
|
9
|
7,826
|
0,161
|
0,015
|
|
|
9,9
|
8,609
|
0,147
|
0,014
|
|
|
10,8
|
9,391
|
0,134
|
0,013
|
|
|
11,7
|
10,174
|
0,125
|
0,012
|
|
Рисунок 6. Эпюры природного давления грунта и дополнительного
давления.
=4,97 м - нижняя граница сжимаемой толщи.
Расчет осадки:
Следовательно, основное условие расчета по второй группе
предельных состояний удовлетворяется.
7.3 Расчет
сваи на горизонтальные силы и изгибающие моменты
Расчет выполняется по одностадийной схеме, учитывающей работу
окружающего сваю грунта, как упругой линейно деформируемой среды
Рассчитываемый момент заделки:
;
где l0 - длина участка сваи от подошвы до
поверхности грунта, при низком ростверке l0 =0;
Н -
горизонтальная сила, действующая в уровне обреза фундамента, определяемая по
формуле:
Н =
=
кН;
eHM -
горизонтальное перемещение сечения, 1/кН (l/тc), от момента М=1,
действующего в уровне поверхности грунта:
eMH = eHM =
eMM - угол
поворота сечения, 1/ (кН м) [1/ (тс×м)], от момента М= 1, действующего в уровне
поверхности грунта:
eMM =
eHH -
горизонтальное перемещение сечения, м/кН (м/тc), от действия силыH= 1,
приложенной в уровне поверхности грунта:
eHH =
где А0, В0, С0 - безразмерные
коэффициенты, принимаемые в зависимости от приведенной глубины погружения сваи
в грунт, по таблице 5 прил.1 СНиП 2.02.13-85.
Совместная работа сваи и грунта характеризуется коэффициентом
деформации:
ae =
;
где К - коэффициент пропорциональности;
bp
- условная ширина сваи, м;
p
= 1,5d+ 0,5 = 1,5х0,3 + 0,5 = 0,95 м;
- модуль упругости материала сваи, для бетона класса B-25, Е=30х106кПа;
I - момент
инерции поперечного сечения сваи:
=
= 0,675х10 - 3 м 4;
gc = 3 - коэффициент условий работы при расчете по одностадийной
схеме;
Т.к. свая пересекает несколько слоев грунта, различающихся
значениями К, то многослойное основание приводится к однослойному:
;
где
- соответственно коэффициент
пропорциональности и площадь графика, относящиеся к i-му слою грунта;
lm=2· (d+1) - толщина слоев грунта,
определяющая в основном работу сваи на горизонтальные нагрузки;
lm=2· (0,3+1) =2,6 м;
К1=15200
кН/м4 - суглинок тугопластичный;
Рисунок 7. Схема к определению К.
;
;
Коэффициент деформации:
= 0,758;
При
8,85·0,758 = 6,71 м из условия опирания нижнего конца в нескальный
грунт А0=2,441; В0=1,621; С0=1,751;


Рисунок 8. Схема к расчету сваи на горизонтальную нагрузку.
В курсовом проекте ограничивается горизонтальное перемещение
головы сваи: up £ uu =
0,01 м.
Расчётное значение перемещения up головы
сваи:
up
=
;
u0 = H0·eHH + M0·eHM;
y0 = H0·eHM + M0·eMM;
где u0 и y0
- горизонтальное перемещение и угол поворота поперечного сечения сваи в уровне
расчётной поверхности;
0 = H=4,52
кН;
M0 = Mf - H·l0;
=0,299·10 - 3
м/кН;
0,150·10 - 3 1/кН;
0,123·10 - 3 1/кН·м;
Расчетный момент заделки равен:
0 = -
5,512 - 0 · 4,52 = - 5,512
кН·м;
u0 = H0·eHH + M0·eHM = 4,52·0,299·10 - 3 - 5,512·0,150·10 - 3 = 0,525·10 - 3 м;
y0 = H0·eHM + M0·eMM = 4,52·0,150·10 - 3 - 5,512·0,123·10 - 3 = 0,24·10 - 6м;
Тогда горизонтальное перемещение головы сваи равно:
=
,525·10 - 3
м;
uP =
0,000525 м < uu =0,01 м, т.е. условие выполняется.
Расчет
устойчивости основания, окружающего сваю
Расчет устойчивости основания, окружающего сваю, производится
по условию ограничения расчетного давления sz, оказываемого на грунт
боковыми поверхностями свай:
sz £ h1·h2·
(g1·z·tgj1 + x·c1),
где sz - расчётное давление на грунт, кПа,
боковой поверхности сваи, определяемое при
на глубине z =
=
= 1,12 м, отсчитываемой от подошвы
ростверка;
g1 - расчётный удельный вес грунта;
j1 и c1
- расчётное значение соответственно угла внутреннего трения и удельного
сцепления;
x = 0,6 - для забивных свай; h1 = 1;
;
где Mc - момент от внешних постоянных нагрузок в
сечении фундамента на уровне нижних концов свай, кН×м (тc×м);
Mt - то же, от внешних временных расчетных нагрузок, кН×м (тc×м);
- коэффициент, принимаемый
= 2,5;
c=480
кН×м;
Mt=261,9
кН×м;
=
= 0,507;
sz £ 1·0,507·
(9,9·1,12·tg15,65 + 0,6·14,92) = 19,49 кПа;
Расчётное давление sz на грунт, а также расчётный изгибающий момент Mz,
кН·м, поперечную силу Hz,
кН, и продольную силу N, кН, действующие на глубине z в сечение сваи,
определяют по формулам:
где К - коэффициент пропорциональности, определяемый
по табл.1 прил.1 СНиП 2.02.03 - 85;
- приведенная глубина, определяемая по формуле:
= z·ae=1,12·0,758=0,849 м;
1,
A2, A4, B1, B2, B4, C1,
C2, C4, D1, D2, D4 -
коэффициенты, значения которых принимаются по табл.4 прил.1 СНиП 2.02.03 - 85;1=0,997;1=0,799;1=0,320;1=0,085;3=-0,085;3=-0,034;3
=0,992;3=0,799;4=-0,320;4=-0,171;4=-0,051;4=0,989;
= 6,77 кПа < 19,49 кПа;
Условие выполняется.
8.
Технико-экономическое сравнение вариантов
Технико-экономическое сравнение законченных вариантов
выполняется в курсовом проекте по стоимости и трудоемкости устройства
фундамента с использованием удельных показателей стоимости и трудоемкости
основных видов работ при устройстве фундаментов. Сравнение вариантов сведено в
таблицу 5.
Таблица 5.
|
Наименование
работ
|
Объем работ
|
Стоимость, руб
|
Трудозатраты
|
|
|
1 м3
|
всего
|
1 м3
|
всего
|
|
Фундамент
мелкого заложения
|
|
Разработка
глинистого грунта глубиной до 3 м
|
17522,5 м3
|
2
|
35045
|
0,28
|
4906,3
|
|
Устройство
бетонной подготовки
|
39,2 м3
|
23,7
|
929,04
|
0,58
|
22,74
|
|
Устройство
монолитных жб фундаментов
|
51,82 м3
|
29,6
|
1533,80
|
0,72
|
37,31
|
|
37507,84
|
4966,35
|
|
Свайный
фундамент
|
|
Разработка
влажного грунта глубиной до 3 м
|
6658,55 м3
|
2,3
|
15314,67
|
0,32
|
2130,74
|
|
Погружение свай
|
10,94 м3
|
90,8
|
993,72
|
1,97
|
21,55
|
|
Устройство
бетонной подготовки
|
8,05 м3
|
23,7
|
190,79
|
0,58
|
4,67
|
|
Устройство
ростверка из бетона В25
|
6,44 м3
|
29,6
|
190,62
|
0,72
|
4,64
|
|
16689,8
|
2161,6
|
Таким образом, свайный фундамент более экономичны по
стоимости и менее трудоемок в изготовлении.
9. Расчет
конструкций свайного фундамента по оси Б
1. Исходные данные:
Бетон класса В20: Rbtn = 1,35 МПа, Rbn
= 15 МПа.
Расчетные сопротивления бетона для предельных состояний
первой группы Rb и Rbt определяются путем деления
нормативных сопротивлений на коэффициенты надежности по бетону, принимаемые
равными:
при сжатии gbc= 1,3; при растяжении gbt = 1,3.
МПа,
МПа;
Арматура А-III:
МПа;
кН/м3 − средний объемный вес фундамента и грунта
на его обрезах,
MOI
= 1085,59 кН·м, NOI = 4675,16 кН, QOI =
73,97 кН − расчетные усилия на обрезе фундамента.
2. Определение размеров фундамента:
Высота ростверка - 0,9 м.
Размеры подошвы ростверка - 2,3*3,5 м.
Размеры фундамента представлены на рисунке 9.
Рисунок 9. Определение размеров фундамента.
3. Расчет фундамента на продавливание:
На продавливание колонной ростверк рассчитывается по формуле:
= 2·Rbt ·h0· [α1· (bc+c2) + α2· (dc+c1)],
где N - продавливающая сила, равная удвоенной сумме реакций всех
свай, расположенных с одной наиболее нагруженной стороны от оси колонны за
пределами нижнего основания пирамиды продавливания от усилий, действующих в
плоскости верха фундамента;bt - расчетное сопротивление бетона
осевому растяжению, принимаемое с необходимыми коэффициентами условий работы gb2 и gb3 в соответствии с табл.15 СНиП 2.03.01-84
как для железобетонных сечений;0 - рабочая высота ростверка,
принимаемая от верха нижней рабочей арматурной сетки до верха ростверка;
α1, α2 - безразмерные коэффициенты, равные αi= h0/ci, и принимаемые от 1,0 до 2,5;c,
dc - ширина и высота сечения колонны;1, c2 -
расстояния от соответствующих граней колонн до внутренних граней каждого ряда
свай.
Расчетные усилия в сваях от нагрузок на уровне верха ростверка:
Расчетное продавливающее усилие, действующее на ростверк:
Σ Npi=498,16·4+281,04·8=4240,96 кН;
Расчетное продавливающее усилие, воспринимаемое ростверком
=2·1040·0,4·
[2,5· (0,353+0,7235) +2,5· (0,35+0,575)] =4563,12 кН;
N=4563,12 кН
> Σ Npi=4240,96 кН;
Следовательно, ростверк запроектирован правильно.
4. Подбор рабочей арматуры фундамента
Общая высота ростверка из бетона В20 по условию продавливания
колонной:
c=h0+a0=0,4+0,4=0,8
м.
Вес ростверка и грунта на его обрезах при γср = 20 кН/м3:
=3,5·2,3·0,8·20 =128,8 кН;
Расчетные усилия в сваях от нагрузок на уровне низа ростверка с
учетом веса ростверка и грунта на обрезах:
Для подбора продольной и поперечной арматуры изгибающие моменты
относительно граней ступени и колонны соответственно:
М1=3
517,49
1,04=1614,57 кН
м;
М2=3
517,49
0,52=807,28 кН
м;
Требуемая расчетная площадь продольной арматуры класса А-III
подошвы ростверка принимается наибольшей из двух:
Принимаем продольную и поперечную арматуру 16
16 с Аs=32,176 см2.
Библиографический
список
1.
СНиП 2.01.07-85. Нагрузки и воздействия. М.: Госстрой СССР, 1986. с.34
.
СНиП 2.02.01-83. Основания зданий и сооружений. М.: Госстрой СССР, 1986. с.40
.
СНиП 2.03.01-84. Бетонные и железобетонные конструкции. М.: Госстрой СССР,
1985. с.79
.
СНиП II-23-81. Стальные конструкции. М.: Госстрой СССР, 1990. с.96
.
Основания, фундаменты и подземные сооружения. Справочник пректировщика. М.:
СИ., 1985. с.479
.
Железобетонные конструкции. Общий курс. Учеб. для вузов. Издание пятое,
переработанное и дополненное /В.Н. Байков и др. - М.: Стройиздат, 1991. - 767
с.
.
Проектирование отдельно стоящих фундаментов под колонны зданий и сооружений.
Методические указания для студентов специальности ПГС, курсовое и дипломное
проектирование / ЛГТУ; Сост. И.А. Суслов, И.И. Пантелькин, М.М. Горюнова
Липецк, 1995. - 32 с.
.
Методические указания к выполнению курсового проекта по теме: "Фундаменты
промышленного здания" для студентов специальности 2903 "Промышленное
и гражданское строительство" / Липецкий политехнический институт;
Составитель: В.И. Стуров. Липецк. 1992.36 с.