Основания и фундаменты промышленного здания
Новосибирский Государственный
Архитектурно-Строительный Университет (Сибстрин)
Кафедра ИГОФ
Курсовой проект
«Основания и фундаменты промышленного
здания»
Выполнил: студент 511 гр.
Медведева Анна
Проверил: Криворотов А.П..
Новосибирск 2012 г.
Содержание
1. Исходные данные для
проектирования оснований и фундаментов
.1 Инженерно-геологические
условия строительной площадки
.2 Объемно-планировочное
решение здания
1.3 Сбор нагрузок на обрез фундамента
.4 Сбор нагрузок на подошву фундамента
1.5 Анализ
инженерно-геологических условий
. Расчет фундаментов мелкого
заложения
.1 Определение глубины
заложения фундамента
.2 Определение размеров
подошвы фундамента
.3 Расчет осадок фундамента
.4 Определение размеров
подошвы фундаментов с использованием ЭВМ
.5 Пределение расчетных
осадок фундаментов с использованием ЭВМ
2.6 Конструирование фундаментов мелкого заложения
3. Свайные фундаменты
.1 Определение расчетных
нагрузок в уровне подошвы ростверка
.2 Выбор типа, длины и марки
свай
.3 Определение несущей
способности свай
.4 Определение количества
свай в ростверке
.5 Расчет свайного фундамента
по деформациям
.6 Определение расчетного
сопротивления грунта под подошвой фундамента
3.7 Определение фактического давления под подошвой фундамента
.8 Определение расчетной осадки фундамента
.9 Конструирование ростверков
.10 Расчет ростверков на продавливание колонной
.11 Расчет ростверка на продавливание угловой сваей
.12 Подбор нижней арматуры по изгибающим моментам
3.13 Выбор сваебойного
оборудования и расчет проектного отказа
Список литературы
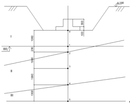
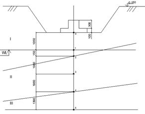
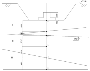
1. Исходные данные для проектирования оснований и фундаментов
.1 Инженерно-геологические условия строительной площадки
Вариант №9
Место строительства г. Новосибирск
Рис.1 Грунтовые условия
За относительную отметку 0.000 принята отметка уровня пола первого этажа
, соответствующая абсолютной отметке 28.50
Физико-механические свойства грунтов
|
Наименование грунта
|
Плотность частиц ρs,
(т/м3)
|
Плотность грунта ρ, (т/м3)
|
Природная влажность W,
|
Влажность на границе
раскатывания Wρ, %
|
Влажность на границе
текучести WL, %
|
Угол внутреннего трения,
град.
|
Удельная сила сцепления,
кПа
|
Модуль деформации Е, МПа
|
|
|
|
|
|
|
φII
|
φI
|
cII
|
cI
|
|
|
I Глина
|
2,73
|
1,952
|
0,292
|
0,210
|
0,347
|
16
|
14
|
21
|
14
|
8,4
|
|
II Песок пылеватый
|
2,69
|
1,994
|
0,260
|
-
|
-
|
28
|
25
|
4,8
|
0
|
15,0
|
|
III Супесь
|
2,71
|
1,980
|
0,264
|
0,220
|
0,280
|
20
|
18
|
9,6
|
5
|
11,2
|
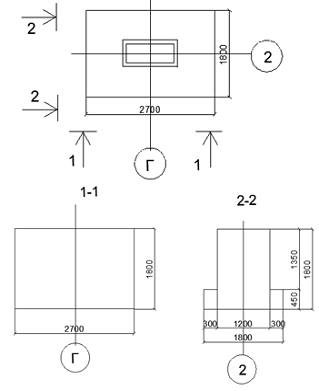
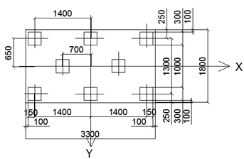
1.2 Объемно-планировочное решение здания
1. Стены здания из панелей δ=300 мм
2. Стены бытовых помещений из обыкновенного кирпича δ=510
мм
. Балки (фермы) в средних пролётах опираются на подстропильные
фермы, в крайних пролётах- на колонны.
. Температура внутри производственного корпуса +160, в бытовых -
+180
. В бытовых помещениях нагрузки 6 кН/м2
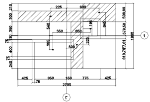
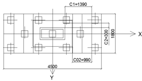
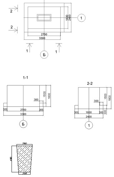
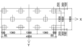
Рис. 2. Конструктивная схема здания план здания, разрезы I-I
Вариант здания 9:
Пролеты (м) L1=24
L2=24
L3=24
Отметки (м) Н1=12,60
Н2=14,40
Н3=16,20
Н4=10,20
Нагрузки (кН/м2) I-12
II-15
III-12
Грунтовые условия: ИГЭ-I-24,
ИГЭ-II-8, ИГЭ-III-13, WL-
25-50
.3 Сбор нагрузок на обрез фундамента
Р=В*Н*g*Кпр , где
Р- нагрузка от собственного веса стен,
В-ширина стенового пояса,
Н-высота стены,
g-вес
стен панелей,
Кпр- коэффициент просветленности.
Формулы для вычисления моментов (М II) и горизонтальных сил (Q II)
|
Промышленные здания
|
Бытовые помещения
|
|
одноэтажные
|
многоэтажные
|
|
|
внутрен. колонны
|
наружн. колонны
|
внутрен. колонны
|
наружн. колонны
|
внутрен. колонны
|
наружн. колонны
|
|
Моменты МII QII
|
0,05N 0,006N
|
0,08N 0,01N
|
0,02N 0,006N
|
0,05N 0,008N
|
0 0
|
0,03N 0,005N
|
Фундамент №4
Р=24*12,6*3*0,6=544,32 кН
N=А*g=12*3*12+12*3*15=432+540=972кН
М=N*0,05= 972*0,05=48,6кН*м
Q=N*0,006=972*0,006=5,832кН
Фундамент №5
Р=0
N=А*g=12*6*12+12*6*15=1080+864=1944кН
М=N*0,05=1944*0,05=97,26 кН*м
Q=N*0,006=1944*0,006=11,66кН
Фундамент №7
Р=В*Н*g*Кпр+В*h*δ*ɣ*К+ В*Н*g*Кпр =
12*12,6*3*0,6+3*10,2*0,51*18*0,8+3*12,6*3*0,6=272,16+224,73+68,04==564,93кН
N=А*g=3*12*12+3*3*6=432+54=486кН
М= N*0,08+N*0,03=432*0,08+54*0,03=34,56+1,62=36,18кН*м
Q=N*0,01+ N*0,005=432*0,01+54*0,005=4,32+0,27=4,59кН
Фундамент №8
Р=3*10,2*0,51*18*0,8=224,73кН
N=А*g=12*6*12+3*6*6=864+108=972кН
М= N*0,08+N*0,03=864*0,08+108*0,03=69,12+3,24=72,36кН
Q= N*0,01+ N*0,005=864*0,01+108*0,005=8,64+0,54=9,18кН
|
№ фунда-мента
|
Нагрузки от
колонн
|
Нагрузки от стен
|
|
Грузовая площадь, м2
|
единичная
нагрузка
|
Nн,
кН
|
Мн,
кН
|
Qн,
кН
|
Грузовая площадь, м2
|
единичная
нагрузка
|
k
|
Pн ст, кН
|
|
Ф4 (1-Б)
|
36
|
12
|
972
|
48,6
|
5,83
|
302,4
|
0,9
|
0,6
|
544,32
|
|
|
15
|
|
|
|
|
|
|
|
|
Ф5 (3-Б)
|
144
|
12
|
1944
|
97,26
|
11,66
|
0
|
-
|
0,6
|
0
|
|
|
15
|
|
|
|
|
|
|
|
|
Ф7 (1-Г)
|
36
|
12
|
432
|
34,56
|
4,32
|
|
0,9
|
0,6
|
340,2
|
|
Ф7 (1-Д)
|
9
|
6
|
54
|
1,62
|
0,27
|
|
9,18
|
0,8
|
224,73
|
|
Ф8 (2-Г)
|
72
|
12
|
864
|
69,12
|
8,64
|
|
0,9
|
0,6
|
224,73
|
|
Ф8 (2-Д)
|
18
|
6
|
108
|
3,24
|
0,54
|
|
9,18
|
0,8
|
|
Подбор колонн.
Для пролета 24 м, шаг 6 м, отметка верха колонн 12,6 м выбираем колонну
1000*400 (мм)
Фахверковая колонна 400*400 (мм)
1.4 Сбор нагрузок на подошву фундамента.
Фундамент 5.
N0=Nk=1944=0=Mk-Q*1,8=97,2-11,66*1,8=76,21=Qk=11,66
Фундамент 4
N0=Nk+Рст=972+544,32=1516,32
Mox=-
Рст*0,8=-544,32*0,8= - 435,46
Moy= -Mk-Q*1,8= -48,6-5,38*1,8= -58,28
Q=Qk=5,83
Фундамент 7
N0=Nk+ NkI+Pст1+ Pст2+ Pст3=272,16+224,73+68,04+432+54=1050,93
Mox= Pст1*0,54- Pст2*0,225+ Pст3*0,645+
NkI*0,195- Nk*0,385=146,97+144,95-15,31+10,53-166,32=120,83
Moy=Mk+ MkI+(Qk+QkI)*d- Nk*0,35- Pст1*0,225+ Pст2*0,3+ NkI*0,65+
Pст3*0,9=36,18+8,262-151,2-61,24+20,41+35,1+202,26=89,77
Q=Qk+ QkI=4,32+0,27=4,59
Фундамент 8
N0=Nk+ NkI+Pст1=864+108+224,73=1196,73=
0= - N*0,35+ NkI*0,65+(Qk+Qk)*d+ Mk+ MkI=
-846*0,35+108*0,65+9,18*1,8+69,12+3,24=
-302,4+70,2+16,52+69,12+3,24=
,32
Q=Qk+ QkI=8,64+0,54=9,18
.5 Анализ инженерно-геологических условий
При оценке инженерно-геологических условий на основании имеющихся
исходных данных, освещены следующие вопросы:
. Географическое положение площадки.
. Геологическая характеристика площадки (расположение и глубина
скважин, описание грунтов в порядке их залегания сверху вниз, мощность пластов
и особенности их залегания, гидрогеологические условия)
Проанализируем каждый из пластов грунта с точки зрения его пригодности в
качестве основания для фундаментов по его прочностным, деформационным и другим
свойствам:
Для глинистых
грунтов:
) ɣ=ƿ*ɡ=1,952*9,81=19,15
) ɤs= ƿs*ɡ=2,73*9,81=26,78
) ƿd= ƿ/1+ω=1,952/1+0,294=1,51
4) е= (ƿs-
ƿd)/ ƿd=(2,73-1,51)/1,51=0,81
) Sr= ƿs*ω/е* ƿω=2,73*0,294/0,81*1=0,99
)
Ip=WL-Wp=0,347-0,210=0,137*100%=13,7%
) IL=(W-Wp)/(
WL-Wp)=(0,29-0,210)/(0,347-0,210)=0,584
,5< IL
>0,75 - мягко пластичный суглинок
) 05<
Е=8,4 < 20 - средне сжимаемый
Для песков:
) ɣ=ƿ*ɡ=1,994*9,81=19,56
) ɤs= ƿs*ɡ=2,69*9,81=26,39
) ƿd= ƿ/1+ω=1,997/1+0,26=1,58
4) е= (ƿs-
ƿd)/ ƿd=(2,69-1,58)/1,58=0,7
) Sr= ƿs*ω/е* ƿω=2,69*0,26/0,7*1=0,98
8) 05<
Е=15,0 < 20 - средне сжимаемый
Песок средней
крупности
Для супеси:
) ɣ=ƿ*ɡ=1,98*9,81=19,42
) ɤs= ƿs*ɡ=2,73*9,81=26,78
) ƿd= ƿ/1+ω=1,98/1+0,264=1,57
4) е= (ƿs-
ƿd)/ ƿd=(2,73-1,57)/1,57=0,74
) Sr= ƿs*ω/е* ƿω=2,73*0,264/0,74*1=0,97
6)
Ip=WL-Wp=0,28-0,22=0,06*100%=6%
) IL=(W-Wp)/(
WL-Wp)=(0,264-0,22)/(0,28-0,22)=0,73
,5< IL
>0,75 - мягко пластичная супесь
) 05<
Е=11,2< 20 - средне сжимаемый
2.
Расчет фундаментов мелкого заложения
.1Определение глубины заложения фундамента
1) Определим нормативную глубину сезонного промерзания грунта.
dfn=d0*√Mt=0,23*√(-71,9)=1,95
d0=0,23-для
суглинка
Mt -
сумма отрицательных температур за весь зимний период : -71,9
) Определим расчетную глубину сезонного промерзания грунта:
df=Кh* dfn=0,55*1,95=1,073
) Определяем глубину заложения подошвы фундамента.
dw-глубина
подземных вод
dw=28,50-25,5-0,15=2,85
dw≤df+2
,85 <1,073+2
,85<3,073
Принимаем глубину заложения подошвы фундамента d=1,8м
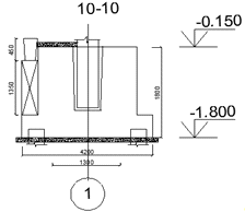
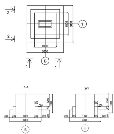
.2 Определение размеров подошвы фундамента (Ф5)
).Первоначально принимаем размеры подошвы фундамента, конструктивно,
исходя из размеров колонны
l=1800
мм, b=1200мм.
Определим условное расчетное сопротивление грунта.
где γ с1 и γс2 - коэффициенты
условий работы
k - коэффициент,
принимаемый k = 1,0, т.к. прочностные характеристики грунта (φ и с) определены непосредственными испытаниями;
Mγ, Mq, Mc - коэффициенты, зависящие от угла внутреннего трения
kz -
коэффициент, принимаемый равным при
b - ширина
подошвы фундамента
γII - осредненное
расчетное значение удельного веса грунтов, залегающих ниже подошвы фундамента
γ’II - то же,
залегающих выше подошвы
сII -
расчетное значение удельного сцепления грунта, залегающего непосредственно под
подошвой фундамента
d1 - глубина
заложения фундаментов бесподвальных сооружений от уровня планировки (
);
Определим
максимальное, среднее и минимальное напряжение под подошвой фундамента от действующих
нагрузок и сравним эти давления с расчетным сопротивлением грунта:
Требуемая
площадь фундамента.
А=0,7*L*L
м
B=0,7*4,16=2,91=3,0м
Gcрф=b*L*d*ɤср=3*4,2*1,8*,21=476,28
Аф=b*L=3*4,2=12,6м2
,
Проверка:
,
кН -
условие выполнено
,45>0
- условие выполнено.
Окончательно
принимаем размеры подошвы фундамента: lф=4200мм , bф=3000мм.
2.3 Расчет осадок фундамента
Расчет осадки фундамента Ф-5
|
N
|
zi
|
ξ=2z/b
|
α
|
σzg=σzg,0+Σγihi
|
σzp=α*p0
|
σzp(ср)
|
0,1(0,2) σzg
|
E
|
|
0
|
0,00
|
0,00
|
1,000
|
34,47
|
157,62
|
148,09
|
6,89
|
8,4
|
|
1
|
1,05
|
0,7
|
0,879
|
44,20
|
138,55
|
136,11
|
8,84
|
8,4
|
|
2
|
1,2
|
0,8
|
0,848
|
45,59
|
133,66
|
108,76
|
9,12
|
8,4
|
|
3
|
1,6
|
0,532
|
69,06
|
83,85
|
67,54
|
13,81
|
15,0
|
|
4
|
3,6
|
2,4
|
0,325
|
92,53
|
51,23
|
42,16
|
18,51
|
15,0
|
|
5
|
4,8
|
3,2
|
0,210
|
116,00
|
33,1
|
31,68
|
23,2
|
15,0
|
|
6
|
5,16
|
3,44
|
0,192
|
123,04
|
30,26
|
27,11
|
24,61
|
15,0
|
|
7
|
5,86
|
3,91
|
0,152
|
136,63
|
23,95
|
|
27,32
|
11,2
|
|
|
|
|
|
|
Ʃ561,45
|
|
|
где σzp - среднее значение дополнительного вертикального нормального
напряжения в i-том слое грунта, равное полу сумме
напряжений на верхней zi-1 и
нижней zi границах слоя по вертикали,
проходящей через центр подошвы фундамента;и Ei - соответственно толщина и
модуль деформации i-того слоя
грунта;
α - коэффициент, принимаемый по СНиП
2.02.01-83* в зависимости от формы подошвы фундамента, соотношения сторон
прямоугольного фундамента и относительной глубины, равной ξ=2z/b;
p0=рср- σzg,0 - дополнительное вертикальное давление на основание;
рср - среднее давление под подошвой фундамента;
σzg,0=γII*z0 - вертикальное напряжение от собственного веса грунта на
уровне подошвы фундамента.
Если грунт обводненный то в расчете учитывается удельный вес грунта во
взвешенном состоянии:
,
γw-удельный вес
воды(γw=10кН/м3)

Проверка:
,условие
выполнено, осадка допустима
2.4 Определение размеров подошвы фундаментов («razmer»)
Исходные данные:
Исходные данные для расчета:
Количество фундаментов: 4
Коэффициент надежности грунтового основания: 1
Удельный вес материала фундамента и грунта: 21
Коэффициент условий работы грунтового основания: 1,1,1,1
Коэффициент условий работы здания или сооружения: 1,1,1,1
Угол внутреннего трения грунта 16,16,16,16
Удельный вес грунта выше подошвы :19,15; 19,15; 19,15; 19,15;
Удельный вес грунта ниже подошвы: 19,15; 19,15; 19,15; 19,15;
Удельное сцепление грунта:21,0; 21,0; 21,0; 21,0;
Начальный размер большей стороны подошвы фундамента: 1,8;1,8;2,7;2,7
Принятый размер шага увеличения подошвы фундамента: 0,05; 0,05; 0,05;
0,05;
Глубина заложения подошвы ф-та от уровня планировки: 1,8
Вертикальная нагрузка на фундамент: 1516,32; 1944;1050,93;1196,73
Отношение меньшей стороны ф-та к большей:1;0,7; 0,7; 0,7;
Расстояние от уровня планировки до пола подвала: 0,0,0,0
Момент нагрузок вдоль большей стороны: -435,46;0;120,83;0
Момент нагрузок вдоль меньшей стороны:-58,28;76,21;89,77;-143,32
Результат расчета
|
№
|
Больший размер подошвы, м
|
Меньший размер подошвы, м
|
Среднее давление, т/кв.м
|
Расчетное сопр. грунта
|
Макс. Краевое давлени Б
|
|
1
|
3,000
|
3,000
|
206,280
|
209,111
|
193,329
|
|
2
|
4,050
|
2,835
|
207,112
|
207,981
|
221,160
|
|
3
|
3,050
|
2,135
|
199,190
|
203,186
|
237,932
|
|
4
|
3,250
|
2,275
|
199,657
|
204,145
|
148,534
|
|
№
|
Минимал. Краевое давление
Б, т/кв.м
|
Максим. Краевое давлен. Д,
т/кв.м
|
Минимал. Краевое давлен. Д,
т/кв.м
|
Максим. Угловое давление,
т/кв.м
|
Минимал. Угловое давление,
т/кв.м
|
|
1
|
219,231
|
109,511
|
303,049
|
96,560
|
316,000
|
|
2
|
193,065
|
207,112
|
207,112
|
221,160
|
193,065
|
|
3
|
160,447
|
235,693
|
162,687
|
274,435
|
123,944
|
|
4
|
250,779
|
199,657
|
199,657
|
148,534
|
250,779
|
Принимаемые размеры подошвы фундаментов.
Ф№4
L.=3,0м;
b.=3,0м
Ф№5
L.=4,2
м; b.=3,0м
Ф№7
L.=3,0м;
b.=2,1м
Ф№8
L.=3,3м;
b.=2,4м
.5 Определение расчетных осадок фундаментов («osadka»)
)3,8см<8см
)4,2см<8см
)2,4см<8см
)2,8см<8см - Условие выполнено
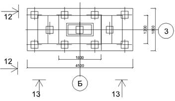
2.6 Конструирование фундаментов МЗ
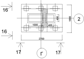
Ф4
Ф5
Ф7
Ф8
3.Свайные фундаменты
.1 Определение расчетных нагрузок в уровне подошвы ростверка
Глубина заложения ростверков
Глубину
заложения подошвы ростверков принимаем
Размеры
ростверков
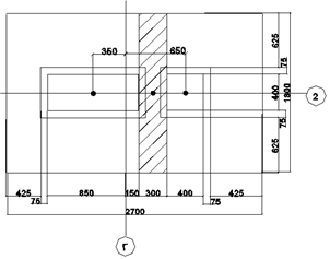
Ф№4
Lобр.=1,8м; bобр.=1,8м
Ф№5
Lобр.=1,8м; bобр.=1,2м
Ф№7
Lобр.=2,7м; bобр.=1,8м
Ф№8
Lобр.=2,7м; bобр.=1,8м
Расчетные нагрузки в уровне подошвы ростверка
Расчетные
нагрузки получаем путем умножения нормативных нагрузок на коэффициент
Для
фундамента Ф№4
Для
фундамента Ф5
Для
фундамента Ф№7
Для
фундамента Ф№8
3.2 Выбор типа, длины и марки свай
фундамент свая
строительный
Нижний конец сваи следует заглублять в прочные грунты, прорезая более
слабые напластования грунтов, при этом заглубление забивных свай в грунты,
принятые за основание под их нижние концы, должно быть не менее чем 1м.
Требуемая длина сваи:
Рабочая
длина сваи
Заказная
длина сваи с учетом высоты головы и бетонной подготовки
Принимаем
Марку С7-30
3.3 Определение несущей способности свай
Несущую
способность
,
, висячей
забивной сваи работающей на сжимающую нагрузку, следует определять как сумму
сил расчетных сопротивлений грунтов основания под нижним концом сваи и на ее
боковой поверхности по формуле[1 п.4.2]:
,
где
- коэффициент условий работы сваи в грунте, принимаемый
;
-
расчетное сопротивление грунта под нижним концом сваи,
, принимаемое по табл.1[1];
- площадь
опирания на грунт сваи,
, принимаемая по площади поперечного сечения сваи
брутто, А=0,32=0,09 м2;
-
наружный периметр поперечного сечения сваи,
u=4*a=4*0,3=1,2
м;
- расчетное
сопротивление
слоя грунта основания на боковой поверхности сваи,
, принимаемое по табл.2 [1];
- толщина
слоя грунта, соприкасающегося с боковой поверхностью
сваи,
;
,
- коэффициенты условий работы грунта соответственно
под нижним концом и на боковой поверхности сваи, учитывающие влияние способа
погружения сваи на расчетные сопротивления грунта и принимаемые по табл. 3 [1].
3.4 Определение количества свай в ростверке
Количество свай в каждом фундаменте определим по формуле:
где
- сумма вертикальных составляющих расчетных нагрузок
на фундамент;
-
коэффициент надежности, принимается по п.3.10 [1]
=1,4;
Определение нагрузки max, min нагруженной сваи :
где
- расчетная сжимающая сила, кН;
-
расчетные изгибающие моменты, кН·м, относительно главных центральных осей х и у
плана свай в плоскости подошвы ростверка;
- число
свай в фундаменте;
-
расстояния от главных осей до оси каждой сваи, м;
-
расстояния от главных осей до оси каждой сваи, для которой вычисляется
расчетная нагрузка, м;
.
Для
наиболее и наименее нагруженных свай должно выполняться условие:
Фундамент Ф-5
|
№
|
с
|
Li
|
fi
|
Fi*
fi
|
|
1
|
1,05
|
2,33
|
12,5
|
13,13
|
|
2
|
0,15
|
2,93
|
14
|
2,1
|
|
3
|
1,98
|
3,99
|
53
|
104,94
|
|
4
|
1,98
|
5,97
|
53
|
104,94
|
|
5
|
1,39
|
7,66
|
10
|
13,9
|
|
|
|
|
Ʃ239,01
|
=4,5*1,8*1,8*21*1,2=367,42
Фундамент
Ф-4
|
№сLifiFi* fi
|
|
|
|
|
|
1
|
1,06
|
2,33
|
13
|
13,78
|
|
2
|
0,23
|
2,97
|
14
|
3,22
|
|
3
|
1,99
|
4,09
|
53
|
105,47
|
|
4
|
1,99
|
6,08
|
58,5
|
116,42
|
|
5
|
1,3
|
7,72
|
10
|
13
|
|
|
|
|
251,89
|
=3,9*2,4*1,8*21*1,2=424,57
Фундамент
Ф-7
|
№сLifiFi* fi
|
|
|
|
|
|
1
|
0,8
|
2,2
|
13
|
10,4
|
|
2
|
0,24
|
2,72
|
48
|
11,52
|
|
3
|
2,01
|
3,85
|
53
|
106,53
|
|
4
|
2,01
|
5,86
|
58
|
116,58
|
|
5
|
1,48
|
7,6
|
10
|
14,8
|
|
|
|
|
Ʃ259,83
|
=2,7*1,8*1,8*21*1,2=220,45
-
Условие не выполняется
Принимаем
8 свай.
=3,3*1,8*1,8*21*1,2=269,43
Фундамент
Ф-8
|
№
|
с
|
Li
|
fi
|
Fi*
fi
|
|
1
|
0,78
|
12
|
9,36
|
|
2
|
0,27
|
2,72
|
48
|
12,96
|
|
3
|
2,01
|
3,86
|
53
|
106,53
|
|
4
|
2,01
|
5,87
|
58
|
116,58
|
|
5
|
1,46
|
7,6
|
10
|
14,6
|
|
|
|
|
Ʃ260,03
|
|
|
|
|
|
=2,7*1,8*1,8*21*1,2=220,45
3.5 Расчет свайных фундаментов по деформациям
Данный расчёт произведён для фундаментов №5.
Подготавливаем данные для компоновки условного массива:
Вычисляем средневзвешенное значение угла внутреннего трения :
ϕmtII= φ1*h1+φ2*h2+φ3*h3=
(16*1,2+28*3,96+20*1,39)/6,55=157,88/6,55=24,10+h2+h3*tg ϕmtII/4=0.7<2*d=0,9
3.6 Определение расчетного сопротивления грунта под подошвой фундамента
.7
Определение фактического давления под подошвой условного фундамента
Русл= (N0+Gгр,рост+Gсваи+Gгр )/(Aусл);
Gсвай=n*A*Vcв*γсв=11*0,63*24=166,32кН
Gгр =
(Vусл.ф+Vр+Vсв*n)*
γII.mt =(121,38-31,21-0,63*11)=892,3 кН
Gгр,рост=bp*Lp*dp*
γср
=4,5*1,8*1,8*21=306,18
Русл= 2332,84+306,18+166,32+892,3 = 213,24 кН
3*5,78
Проверка:
=213,24
< Ryсл = 430,43 - Условие выполнено.
Условие
выполняется , ранее подобранные габариты ростверка и количество свай верны.
3.8
Определение расчетной осадки фундамента
Расчет
оснований по деформациям производится исходя из условия S≤Su,
где S -
совместная деформация основания и сооружения, определяемая расчетом в
соответствии с указаниями обязательного приложения 2[1],предельное значение
совместной деформации основания и сооружения, устанавливаемое в соответствии с
указаниями пп.2.51-2.55[1].
Осадка
основания S c использованием расчетной схемы в виде линейно-деформируемого
полупространства определяется методом послойного суммирования по формуле,

- безразмерный коэффициент, равный 0,8;
- среднее значение дополнительного вертикального нормального
напряжения в i - ом слое грунта, равное полу сумме указанных напряжений на
верхней Zi-1 и нижней Zi границах слоя по вертикали, проходящей через центр
подошвы фундамента;
и
- соответственно толщина и модуль деформации i - ого слоя
грунта;
- число слоев, на которые разбита сжимаемая толща основания.
|
N
|
zi
|
ξ=2z/bусл
|
α
|
σzg=σzg,0+Σγihi
|
σzp=α*p0
|
σzp(ср)
|
0,1(0,2) σzg
|
E
|
|
0
|
0
|
0
|
1
|
90,05
|
123,19
|
103,35
|
18,01
|
11,2
|
|
1
|
2,08
|
1,39
|
0,678
|
112,35
|
83,52
|
63,75
|
22,47
|
11,2
|
|
2
|
4,16
|
2,77
|
0,357
|
135,23
|
43,98
|
35,29
|
27,05
|
11,2
|
|
3
|
6,24
|
4,16
|
0,216
|
157,53
|
26,6
|
|
31,51
|
11,2
|
|
|
|
|
|
|
Ʃ202,39
|
|
|
Проверка выполнения условия
S=0.8 Ʃ
(202.39*14.64)/56*103=0.042
.2см<8см - условие выполняется.
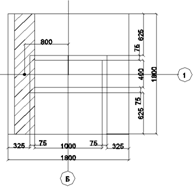
.9 Конструирование ростверков
Ф4
Ф5
Ф7
Ф8
3.10 Расчет ростверка на продавливание колонной
На продавливание колонной ростверк рассчитывается по формуле (8.12)
,
где
- расчетная продавливающая нагрузка, равная удвоенной
сумме реакций всех свай, расположенных с одной наиболее нагруженной стороны от
оси колонны за пределами нижнего основания пирамиды продавливания;
подсчитывается от усилий, действующих в плоскости верха фундамента;
- рабочая
высота ростверка, принимаемая от верха нижней рабочей арматурной сетки до дна
стакана;
,
- ширина и высота сечения колонны;
,
- расстояние от соответствующих граней колонн до
внутренних граней каждого ряда свай;
,
- безразмерные коэффициенты, равные
и принимаемые от 2,5 до 1;
-
расчетное сопротивление бетона осевому растяжению.
=2*750*0,45(1(0,4+0,3)+1(1+1,39))=2085кН=n*Nmax=8*253.87=2030.96
Проверка
условия:
N< Nu
.96<2085
- условие выполнено
3.11 Расчет ростверка на продавливание угловой сваей
Nmax ≤
Nрасч
Nрасч=Rbt*h2[β1(b02+c02/2)+
β2(b01+c01/2)]=0.75*0.4(1(0.36+0.99/2)+0.73(0.4+0))=344.1
Проверка условия:
,87<344,1 - условие выполнено.
.12 Подбор нижней арматуры по изгибающим моментам.
Расчет на прочность нормальных сечений производится на момент от
нормальных нагрузок.
Сечение выполняется в стороне наиболее загруженных свай (Nmax).
Образующиеся изгибающие моменты вызывают необходимость постановки разного
количества арматуры, но ставим постоянную по длине арматуру по Mmax.
Nmax=253.87=4=50мм=240мм
Мизгb=4*253.87*0.05=50.774
МизгL=2*253,87*0,24=121,86
Подбор площади сечения продольной арматуры
где Rs-расчетное
сопротивление арматуры растяжению;
ν- коэффициент =0,9;
h0- рабочая
высота сечения
мм
мм
Принимаем
17D12 Аs=452мм2, m=0,888кг
D12 Аs=905мм2,
m=0,888кг
3.13 Выбор сваебойного оборудования и расчет проектного отказа
Выбор молота для погружения свай по п.8.5.2
Выбор массы ударной части молота
Mn≥1,25Мсв
Мсв=ρV=0,3*0,3*7*2500=1575кг
Mn=1,25*1575=1968,75кг
Определение минимальной энергии удара
.
где а
- коэффициент, равный 25 Дж/кН
Fv - расчетная
нагрузка, допускаемая на сваю.
Принимаем
трубчатый дизель-молот (с водяным охлаждением) по табл.8.31[2] С-1047:
масса
ударной части молота, кг 2500;
высота
подскока ударной части, мм :
наибольшая
2800
наименьшая
2000(200);
энергия
удара, 37.0;
число
ударов в 1мин, не менее 44;
масса
молота с кошкой, кг 5500;
Габариты,
мм:
Длина
840;
Ширина
950;
Высота
4970.
Определение проектного отказа
Ƞ-к-т для ж/б 1500кН/м2
А-площадь поперечного сечения сваи
ɣg-к-т безопасности=1рач. Нагрузка на сваи Fv
М-к-т для забивных свай 1
ʂ-к-т восстановления удара 0,2-полный вес молота-вес сваи с
оголовком, 5% от веса сваи* на кол.-вес подбабка=0
Еd-расч. энергии удара=68,67кДЖвес ударной части молотафактическая высота
падения молота
Отказ 28мм, больше 2мм, условие выполнено.
Список
литературы
1. СНиП 2.02.01 - 83*. Основания зданий и сооружений /
Госстрой России. - М.: ГУП ЦПП. 2003. - 48 с.
2. Пособие по проектированию оснований зданий и
сооружений (к СНиП 2.02.01 - 83) / НИИОСП им. Герсеванова. - М.: Стройиздат,
1986. - 415 с.
3. СНиП 2.02.03 - 85. Свайные фундаменты / Госстрой СССР. -
М.: ЦИТП Госстроя СССР, 1986. - 48 с.
3. Пособие по проектированию оснований зданий и сооружений
(к СНиП 2.02.01 - 83) / НИИОСП им. Герсеванова. - М.: Стройиздат, 1986. - 415
с.
4. Основания, фундаменты и подземные сооружения/М. И.
Горбунов-Посадов, В. А. Ильичев, В. И. Крутов и др.; Под общ. Ред. Е. А.
Сорочана и Ю. Г. Трофименкова. - М.: Стройиздат, 1985. - 480с., ил. - (Справочник
проектировщика).

Спецификация
|
Поз
|
Наименование
|
Кол-во
|
масса
|
|
|
|
|
|
|
|
|
Ф4
