|
№ фунда-мента
|
Нагрузки от
колонн
|
Нагрузки от
стен
|
|
Колон-на
|
грузовая
площадь, м2
|
единичная
нагрузка, кн/м2
|
Nk,
кН
|
Mk,
кНм
|
Qk,
кН
|
грузовая
площадь, м2
|
единичная
нагрузка, кн/м2
|
K
|
Pст, кН
|
|
Ф1 (5-А)
|
Крайн., 2-х
ветв
|
72
|
10
|
720
|
57,6
|
7,2
|
75,6
|
3
|
0,5
|
113,4
|
|
Ф2 (5-БВ)
|
Средн., 2-х
ветв
|
72
|
10
|
720
|
36
|
4,32
|
-
|
-
|
-
|
-
|
|
|
54
|
|
540
|
27
|
3,23
|
|
|
|
|
|
Ф4 Фахв.
|
-
|
-
|
-
|
-
|
-
|
-
|
75,6
|
3
|
0,5
|
113,4
|
|
Ф6 (34-БВ)
|
Средн., 2-х
ветв 10,8 м
|
36
|
10
|
360
|
18
|
2,16
|
37,8
|
3
|
0,5
|
56,7
|
|
|
27
|
10
|
270
|
13,5
|
1,62
|
28,8
|
3
|
0,5
|
43,2
|
|
|
18
|
6х2=12
|
216
|
10,8
|
1,29
|
|
|
|
|
1 2 Анализ
инженерно-геологических условий строительной площадки
По имеющимся физико-механическим свойствам грунтов следует в
соответствии с нормами установить описание каждого из пластов грунта.
Для глинистых (связных) грунтов уточнить их наименование по
числу пластичности и показателю консистенции проверить, обладают ли эти грунты
свойствами просадочности и набухания при их замачивании.
Для песчаных (несвязных) грунтов уточнить их вид и
наименование в зависимости от плотности и степени водонасыщения.
Кроме того, для просадочных при замачивании грунтов следует
установить тип грунтовых условий по просадочности. Для пучинистых при
замерзании грунтов следует установить их наименование по степени морозной
пучинистости.
2.1 Супесь
(грунт №12)
Определение недостающих характеристик грунтов
а) плотность сухого грунта
rd = r / ( 1 +
) = 1,81 / (1 + 0,182) = 1,531 т / м3
б) удельный вес сухого грунта
гd = rd * g = 1,531 * 9.8 = 15кН/м
в) удельный вес частиц грунта
гs = rs * g = 2.68 * 9.8 = 26.264 кН/м
д) удельный вес грунта
г = g * r = 9,8 * 1,81 = 17.738 кН/м
Уточнение
вида грунта
Супеси относятся к пылевато-глинистым грунтам, так как он
имеют влажность на границах раскатывания и текучести, а также удельная сила
сцепления отлична от нуля. Пылевато-глинистые грунты подразделяются по числу
пластичности ([3], табл.1.8).
,
где
- влажность на границе текучести;
- влажность на границе раскатывания.
. Так как
грунт - супесь.
Наименование
грунта по показателю текучести
, где
- природная влажность.
.
Так как
супесь пластичная.
Определение
степени просадочности грунта
Показателями просадочности, определяющими возможность проявления
просадочных свойств грунта, является степень влажности
и показатель просадочности
([3], п.10.1.1).
где
- природная влажность грунта;
,
- плотности частиц грунта и воды
соответственно;
- коэффициент пористости.
,
здесь - плотность сухого грунта.
.
Так как Sr = 0.65,
то грунт влажный
Так как
вычисляем показатель просадочности
, (8)
где
- коэффициент пористости, соответствующий
влажности на границе текучести:
, (9)
.
При предварительной оценке грунт относится к просадочному, так как
степень влажности
и показатель просадочности меньше
.
Определение
удельного веса грунта
гsl = (гs - гw) / (1 + e) = (26.264 - 10) / (1 + 0.75) = 9,29 кН/м
Определение степени сжимаемости грунта
Так как модуль деформации грунта
, грунт является среднесжимаемым.
2.1. Глина
(грунт № 31)
Определение
недостающих характеристик грунтов
а) плотность сухого грунта
rd = r / ( 1 +
) = 1,569 / (1 + 0,154) = 1,360 т / м3
б) удельный вес сухого грунта
гd = rd * g = 1,360 * 9.8 = 13,328 кН/м
в) удельный вес частиц грунта
гs = rs * g = 2.72 * 9.8 =26.656 кН/м
д) удельный вес грунта
г = g * r = 9,8 * 1,569 = 15,376 кН/м
Уточнение
вида грунта
.
Так как
([3], табл.1.8) грунт - глина.
Наименование грунта по показателю текучести
.
Так как
([3], табл.1.9) глина тугопластичная.
Определение
степени просадочности
,
;
.
Так как данный пласт грунта залегает ниже уровня грунтовых вод,
грунт не является просадочным.
Определение
степени набухаемости грунта
Так
как данный пласт грунта залегает ниже уровня грунтовых вод, грунт не является
набухающим.
Определение
удельного веса грунта
гsl = (гs - гw) / (1 + e) = (26.264 - 10 ) / (1 +
1,03 ) = 8,01 кН/м
Определение
степени сжимаемости грунта
Так как модуль деформации грунта
, грунт является среднесжимаемым.
2.3.Песок
средней крупности (грунт № 4)
Определение
недостающих характеристик грунтов
а) плотность сухого грунта
rd = r / ( 1 +
) = 2.005 / (1 + 0,241) = 1,616 т / м3
б) удельный вес сухого грунта
гd = rd * g = 1,616 * 9.8 = 15.837 кН/м
в) удельный вес частиц грунта
гs = rs * g = 2.65 * 9.8 =25.97 кН/м
д) удельный вес грунта
г = g * r = 9,8 * 2.005= 19.649 кН/м
Определение
плотности сложения грунта
Плотность сложения песчаного грунта определяем по
коэффициенту пористости ([3], табл.1.7)
,
здесь
.
Для песка средней крупности при
, песок средней плотности.
Определение
степени влажности грунта
- грунт является насыщенным водой.
Определение удельного веса грунта
гsl = (гs - гw) / (1 + e) = (26.264 - 10 ) / (1 +
0.64 ) = 9,92 кН/м
Определение
степени сжимаемости грунта
Так как модуль деформации грунта
, грунт является слабо сжимаемым.
3. Определение глубины заложения подошвы
фундамента
Под глубиной заложения подошвы фундамента понимается расстояние от
уровня планировки
до уровня подошвы
.
Глубина заложения должна приниматься с учетом ([1], п.2.25):
1. назначения и конструктивных особенностей
проектируемого сооружения, нагрузок и воздействий на его фундаменты;
2. глубина заложения фундаментов примыкающих сооружений,
а также глубины прокладки инженерных коммуникаций;
. существующего и проектируемого рельефа застраиваемой
территории;
. инженерно-геологических условий площадки
строительства (физико-механических свойств грунтов, характера напластований,
наличия слоев, склонных к скольжению, карманов выветривания, карстовых полостей
и пр.);
. гидрогеологических условий площадки и возможных их
изменений в процессе строительства и эксплуатации сооружения (пп. 2.17-2.24);
. возможного размыва грунта у опор сооружений,
возводимых в руслах рек (мостов, переходов трубопроводов и т.п.);
. глубины сезонного промерзания.
3.1
Зависимость глубины заложения от конструктивных особенностей здания
3.2
Зависимость глубины заложения от глубины сезонного промерзания
Нормативная
глубина сезонного промерзания грунтов
Нормативную глубину сезонного промерзания грунта dfn,
м, при отсутствии данных многолетних наблюдений следует определять на основе
теплотехнических расчетов. Для районов, где глубина промерзания не превышает
2,5 м, ее нормативное значение допускается определять по формуле
(10)
где Mt
-безразмерный коэффициент, численно равный сумме абсолютных значений среднемесячных
отрицательных температур за зиму в данном районе, принимаемых по [7], а при
отсутствии в них данных для конкретного пункта или района строительства - по
результатам наблюдений гидрометеорологической станции, находящейся в
аналогичных условиях с районом строительства;0 -величина,
принимаемая равной, м [1], для:
суглинков и глин
- 0,23;
супесей, песков
мелких и пылеватых - 0,28;
песков
гравелистых, крупных и средней крупности - 0,30;
крупнообломочных
грунтов - 0,34.
Значение d0
для грунтов неоднородного сложения определяется как средневзвешенное в пределах
глубины промерзания.
fn = 0,28·√73,6 = 2,4 м
3.1.1 Расчетная
глубина сезонного промерзания грунтов
(11)
где dfn - нормативная глубина промерзания;
kh -коэффициент, учитывающий влияние теплового режима
сооружения, принимаемый для наружных фундаментов отапливаемых сооружений - по
табл.1 <>[1];
f = 0,6·2,4 = 1,44 м - для основной части
здания;f = 0,7·2,4 = 1,44 м - для бытовок.
3.1.2 Назначение
глубины заложения подошвы фундамента
Глубина заложения фундаментов отапливаемых сооружений по
условиям недопущения морозного пучения грунтов основания должна назначаться для
наружных фундаментов по табл.2[1].
Так как dw = (19.00 - 17.20 - 0.150) = 1,65 < df +2 = 3,44 м, глубина
заложения подошвы фундамента должна быть принята не менее df = 1,44 м.
Принимаю глубину заложения фундамента 1,5 м от уровня
планировки.
Для разработки в данных инженерно-геологических условиях
возможны два конкурентно-способных варианта фундаментов.
4. Расчёт и проектирование фундаментов мелкого
заложения
4.1
Приведение нагрузок к подошве фундамента
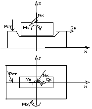
|
Рис.4.1.Схема приведения нагрузок для фундамента Ф-1.
|
Для фундамента Ф-1: ∑Nн = NII + PCT = 720 + 113,4 =
833,4 кН; ∑Мxн = МII
+ Q·d - PCT ·0,8 = 57,6 +
7,2·1,5 - 113,4·0,8 = -22,32 кНм; ∑Мун = 0; ∑Qн = 7,2 кН.
|
|
Рис.4.2.Схема
приведения нагрузок для фундамента Ф-2.
|
Для фундамента Ф-2: ∑Nн = NII = 1260
кН; ∑Мxн = МII + Q·d = 63 +
7,56·1,5 = 74,34 кНм; ∑Мун = 0; ∑Qн = 7,56 кН.
|
|
Рис.4.3.Схема приведения нагрузок для фундамента Ф-4.
|
Для фундамента Ф-4: ∑Nн = PCT =
113,4 кН; ∑Мxн = 0; ∑Мун
= PCT ·0,55
= 113,4·0,55 = 62,37 кНм; ∑Qн = 0 кН.
|
|
Рис.4.4.Схема приведения нагрузок для фундамента Ф-6.
|
Для фундамента Ф-6: ∑Nн = NII + PCT = 630 + 113,4 =
743,4 кН; ∑Мxн = МII + Q·d = 31,5 +
3,78·1,5 = 37,17 кНм; ∑Мун = PCT ·0,55 =
113,4·0,55 = 62,37 кНм; ∑Qн = 0 кН.
|
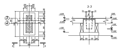
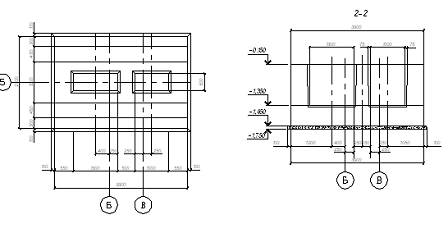
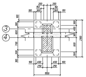
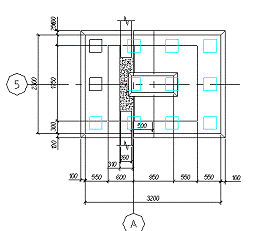
4.2 Определение размеров обреза фундамента
Рисунок 4.5 Фундамент Ф1
Рисунок 4.6 Фундамент Ф2
Рисунок 4.7 Фундамент Ф4
Рисунок 4.8 Фундамент Ф6
4.3 Определение размеров подошвы фундамента
Определение
условного расчётного сопротивления грунта для фундамента (Ф-2)
При расчете деформаций основания среднее давление под подошвой
фундамента
не должно превышать расчетного
сопротивления грунта основания
,
определяемого по формуле
, (12)
где
и
- коэффициенты, условий работы, принимаемые по табл.3[1];
- коэффициент, принимаемый равным:
, если прочностные характеристики грунта (ц и
) определены непосредственными
испытаниями, и
, если они приняты по табл.1-3
рекомендуемого приложения 1[1];
,
,
- коэффициенты, принимаемые по табл.4[1];
- коэффициент, принимаемый равным при
-
;
- ширина подошвы фундамента,
;
- осредненное расчетное значение удельного веса грунтов,
залегающих ниже подошвы фундамента (при наличии подземных вод определяется с
учетом взвешивающего действия воды),
;
- то же, залегающих выше подошвы;
- расчётное значение удельного сцепления грунта, залегающего
непосредственно под подошвой фундамента,
;
- глубина заложения фундаментов бесподвальных сооружений от уровня
планировки.
В первом приближении для определения условного расчетного
сопротивления грунта принимаем ширину подошвы фундамента равной ее минимально
возможному значению, т.е. b = 1.2 м.
.
Определение
площади подошвы
Площадь подошвы фундамента в первом приближении определим по
формуле:
где
- сумма нормативных значений вертикальных
составляющих внешних нагрузок;
- осредненное значение удельного веса материала фундамента и
грунта на его уступах;
.
Назначение
размеров подошвы фундамента
.
Принимаю конструктивно размеры подошвы фундамента l = 3,9 м и b =2,7 м. А =
10,53 м2.
Определение расчетного сопротивления грунта
Определение фактических давлений под подошвой фундамента и
проверка выполнения условия
Фактические давления под подошвой фундамента равны
,
где
- вес фундамента и грунта на его уступах;
Проверка:
а) 
б) 
Условия выполняются. Окончательно размеры подошвы фундамента
принимаем равными:
l = 3,9 м и b = 2,7 м. А = 10,53 м2.
Определение
размеров подошвы фундаментов с использованием ЭВМ
Размеры подошвы фундаментов рассчитаем с помощью программы “IGOF”.
Результаты расчета на ЭВМ:
ПРОВЕРКА ИСХОДНЫХ ДАННЫХ
. КОЭФ. НАДЕЖН. 1.00
КОЛ.Ф-ТОВ 4.BEC 2.00
. КОЭФ.УСЛОВИЙ РАБОТЫ 1.250, 1.250, 1.250, 1.250,
. КОЭФ.УСЛОВИЙ РАБОТЫ 1.100, 1.100, 1.100, 1.100,
. УГОЛ ТРЕНИЯ 21.000,21.000,21.000,21.000,
. УД.ВЕС ВЫШЕ 1.500, 1.500, 1.500, 1.500,
. УД.ВЕС НИЖЕ 1.500, 1.500, 1.500, 1.500,
. СЦЕПЛЕНИЕ 1.100, 1.100, 1.100, 1.100,
. БОЛЬШАЯ СТОРОНА 3.300, 3.900, 2.400, 3.900,
. ШАГ .300, .300, .300, .300,
.ГЛУБИНА ЗАЛОЖЕНИЯ 1.650, 1.650, 1.650, 1.650,
. НАГРУЗКА 83.340, 126.000, 11.340, 74.340,
. ОТНОШ.СТОРОН .700, .700, .700, .700,
. ГЛУБИНА ДО ПОЛА .000, .000, .000, .000, .000,
. МОМЕНТ ПО БОЛЬШЕЙ СТОРОНЕ 2.232, 7.434, .000, 3.717,
. МОМЕНТ ПО МЕНЬШЕЙ СТОРОНЕ .000, .000, 6.237, 6.237.
Таблица4.1.
|
Номер
фундамента
|
Больший размер
подошвы, м
|
Меньший размер
подошвы, м
|
Среднее
давление, т/м2
|
Расчётное
сопротивление грунта, т/м2
|
Максимальное
краевое давление Б, т/м2
|
|
1
|
3,3
|
3,0
|
30,041
|
30,515
|
30,041
|
|
2
|
3,9
|
3,0
|
31,202
|
33,341
|
31,202
|
|
4
|
2,4
|
1,8
|
9,0726
|
30,162
|
9,0726
|
|
6
|
3,9
|
3,3
|
30,066
|
31,928
|
33,106
|
|
Таблица 4.2.
|
|
Номер
фундамента
|
Минимальное
краевое давление Б, т/м2
|
Максимальное
краевое давление Д, т/м2
|
Минимальное
краевое давление Д, т/м2
|
Максимальное
угловое давление, т/м2
|
Минимальное
угловое давление, т/м2
|
|
1
|
30,041
|
33,579
|
26,503
|
26,503
|
|
2
|
31,202
|
33,260
|
29,144
|
33,260
|
29,144
|
|
4
|
9,0726
|
18,144
|
0,0013742
|
18,144
|
0,0013742
|
|
6
|
27,026
|
33,993
|
26,139
|
37,033
|
23,099
|
4.4
Определение осадки фундамента
Определение
расчётной осадки фундамента (Ф-2)
Расчёт оснований по деформациям производится исходя из условия
, где
- совместная деформация основания и сооружения, определяемая
расчётом в соответствии с указаниями обязательного приложения 2[1],
- предельное значение совместной
деформации основания и сооружения, устанавливаемое в соответствии с указаниями
пп.2.51-2.55[1].
Осадка основания
c использованием расчетной схемы в виде
линейно-деформируемого полупространства определяется методом послойного
суммирования по формуле:
, (17)
где
- безразмерный коэффициент, равный
;
- среднее значение дополнительного вертикального нормального
напряжения в
слое грунта, равное полусумме указанных
напряжений на верхней
и нижней
границах слоя по вертикали, проходящей
через центр подошвы фундамента;
и
- соответственно толщина и модуль
деформации
слоя грунта;
- число слоев, на которые разбита сжимаемая толща основания.
Дополнительные вертикальные напряжения на глубине
от подошвы фундамента
- по вертикали, проходящей через центр
подошвы фундамента, определяются по формуле
, (18)
где
- коэффициент, принимаемый по табл.1[1] в
зависимости от формы подошвы фундамента, соотношения сторон прямоугольного
фундамента и относительной глубины
;
(19)
дополнительное вертикальное давление на основание;
- среднее давление под подошвой фундамента;
(20)
вертикальное напряжение от собственного веса грунта на уровне
подошвы фундамента.
Таблица 4.3. Расчёт осадки фундамента Ф2
|
№ т.
|
Z
|
2Z/b
|
б
|
szg
|
szp
|
szpcp
|
0.2szg
|
E
|
|
м
|
|
|
КПа
|
КПа
|
КПа
|
КПа
|
МПа
|
|
0
|
0
|
0
|
1
|
24
|
214
|
|
4,8
|
10
|
|
1
|
1,45
|
0,806
|
0,848
|
45,08
|
181,47
|
197,73
|
9,015
|
|
|
2
|
2,9
|
1,6
|
0,532
|
66,16
|
133,84
|
157,65
|
13,23
|
|
|
3
|
4,35
|
2,4
|
0,325
|
87,24
|
69,55
|
101,7
|
17,45
|
|
|
4
|
5,35
|
2,97
|
0,23875
|
97,24
|
51,09
|
60,32
|
19,45
|
10,4
|
|
5
|
6,35
|
3,53
|
0,17947
|
107,24
|
38,41
|
44,75
|
21,45
|
|
|
6
|
7,8
|
4,33
|
0,12685
|
121,74
|
31,85
|
35,13
|
24,35
|
30
|
|
7
|
9,25
|
5,14
|
0,0931
|
136,24
|
23,38
|
27,615
|
27,25
|
|

Рисунок
4.9 Определение напряжений
Определение
расчётных осадок фундаментов с использованием ЭВМ
Осадки фундаментов рассчитаем с помощью программы “IGOF”.
ПРОВЕРКА ИСХОДНЫХ ДАННЫХ
. КОЛ. ФУНДАМЕНТОВ= 4
. КОЛ. ПЛАСТОВ ГРУНТОВ= 4, 4, 4, 4,
. РАЗМЕРЫ МЕНЬШЕЙ СТОРОНЫ= 3.000, 3.000, 1.800, 3.300,
. ГЛУБИНА ФУНДАМЕНТА= 1.650, 1.650, 1.650, 1.650,
. ОТНОШЕНИЕ БОЛЬШЕЙ СТОРОНЫ К МЕНЬШЕЙ= 1.100, 1.300, 1.333,
1.181,
. СРЕДНЕЕ ДАВЛЕНИЕ ВНЕШНИХ НАГРУЗОК= 30.041, 31.202, 9.073,
30.066,
. УДЕЛЬНЫЕ ВЕСА ПЛАСТОВ ГРУНТА=
.454, 1.454, 1.000, 1.000,
.454, 1.454, 1.000, 1.000,
.454, 1.454, 1.000, 1.000,
.454, 1.454, 1.000, 1.000,
. МОДУЛЬ ДЕФОРМАЦИИ=
.000, 1000.000, 1040.000, 3000.000,
.000, 1000.000, 1040.000, 3000.000,
.000, 1000.000, 1040.000, 3000.000,
.000, 1000.000, 1040.000, 3000.000,
. ГЛУБИНА ЗАЛЕГАНИЯ ПОДОШВЫ КАЖДОГО ПЛАСТА=
.000, 1.650, 6.000, 8.000,
.000, 1.650, 6.000, 8.000,
.000, 1.650, 6.000, 8.000,
.000, 1.650, 6.000, 8.000,
Таблица 4.4.
|
Номер
рассчитываемого фундамента
|
Осадки, м
|
Глубина
сжимаемой толщи, м
|
|
1
|
0,03770
|
5,970
|
|
2
|
0,07302
|
8,000
|
|
4
|
0,006442
|
2,850
|
|
6
|
0,05556
|
8,000
|
Проверка выполнения условия
Таблица 4.5. Проверка выполнения условия
|
№ фундамента
|
по результатам расчета, Выполнение условия , (Su = 15 см)
|
|
|
Ф1
|
3,770
|
3,77 < 15
|
|
Ф2
|
7,302
|
7,302 < 15
|
|
Ф4
|
0,644
|
0,644 < 15
|
|
Ф6
|
5,556
|
5,556 < 15
|
|
Условия
выполняются
|
4.5 Конструирование фундаментов мелкого
заложения
Рекомендуемые значения размеров ступеней:
высота h = 300 мм или 450 мм;
длина l = 300 мм или 450 мм.
Рисунок 4.10 Фундамент Ф1
Рисунок 4.11 Фундамент Ф2
Рисунок 4.12 Фундамент Ф4
Рисунок 4.13 Фундамент Ф6
5. Расчёт и проектирование свайных фундаментов
5.1 Корректировка расчётных нагрузок
Расчётные нагрузки получаем путём умножения нормативных нагрузок
на коэффициент надежности по нагрузке
.
Для фундамента Ф1
Np = Nн гf = 833,4 1,2 = 1000 кН;
Мх,р = Мх,н гf = 22,32 1,2 = 26,78 кНм;
Му,р = 0;
Qp = Qн · гf = 7,2 1,2 = 8,64 кН;
Для фундамента Ф2
;
Мх,р = Мх,н гf = 74,34 1,2 = 89,2 кНм;
Му,р = 0;
Qp = Qн гf = 7,56 1,2 = 9,07 кН;
Для фундамента Ф4
Np = Nн гf = 113,4 1,2 = 136,1 кН;
Мх,р = Мх,н гf = 0;
Му,р = Му,н гf = 62,37 1,2 = 74,84 кНм;
Qp = Qн гf = 0;
Для фундамента Ф6
Np = Nн гf = 743,4 1,2 = 892,1 кН;
Мх,р = Мх,н гf = 37,17 1,2 = 44,6 кНм;
Му,р = Му,н гf = 62,37 1,2 = 74,84 кНм;
Qp = 0;
5.2 Глубина заложения ростверка
Глубину заложения подошвы ростверков принимаем аналогично
фундаментам мелкого заложения:
d = 1,65 м.
5.3 Выбор
типа, длины и марки сваи
Свая должна заходить в несущий пласт грунта не менее чем на 1
м.
Для фундамента Ф2 принимаем сваю С-12,0 длиной 12 м:
LСВ = 6 - 1,35 + 2 + 5,35 = 12 м.
Сечение сваи 300х300 мм.
5.4 Определение
несущей способности сваи
Несущую способность
,
висячей забивной сваи, работающей на
сжимающую нагрузку, следует определять как сумму сил расчётных сопротивлений
грунтов основания под нижним концом сваи и на её боковой поверхности по формуле
, (24)
где
- коэффициент условий работы сваи в
грунте, принимаемый
;
- расчетное сопротивление грунта под нижним концом сваи,
, принимаемое по табл.1[2];
- площадь опирания на грунт сваи,
, принимаемая по площади поперечного сечения сваи брутто;
- наружный периметр поперечного сечения сваи,
;
- расчетное сопротивление
слоя грунта основания на боковой поверхности сваи,
, принимаемое по табл.2[2];
- толщина
слоя грунта, соприкасающегося с боковой
поверхностью сваи,
;
,
- коэффициенты условий работы грунта
соответственно под нижним концом и на боковой поверхности сваи, учитывающие
влияние способа погружения сваи на расчетные сопротивления грунта и принимаемые
по табл. 3[2].
Фундаменты Ф1,Ф2,Ф4,Ф6
Рисунок 5.1. Разбивка грунтового массива на слои
Таблица 5.1. Расчет сил трения боковых поверхностей сваи в
фундаменте Ф1,Ф2,Ф4,Ф6
.5
Определение количества свай в фундаменте
Количество свай в фундаменте определим по формуле:
, (25)
где
- сумма вертикальных составляющих
расчетных нагрузок на фундамент;
- коэффициент надежности, принимается по п.3.10[2];
- коэффициент, учитывающий влияние изгибающего момента.
Для фундамента
:
.
Из-за конструктивных размеров ростверка принимаем 12 свай С-12,0
300х300 мм. Для фундамента
:
.
Из-за
конструктивных размеров ростверка принимаем 15 свай С-12,0 300х300 мм..
Для фундамента
:
.
Из-за конструктивных размеров ростверка принимаем 4 сваи С-12,0
300х300 мм. Для фундамента
:
.
Из-за
конструктивных размеров ростверка принимаем 15 свай С-12,0 300х300 мм..
5.6 Размещение свай в ростверке и определение
размеров ростверка
Рисунок 5.2 Ростверк РС1
Рисунок 5.3 Ростверк РС2
Рисунок 5.4 Ростверк РС4
Рисунок 5.5 Ростверк РС6
5.7 Определение
нагрузок на наиболее и наименее нагруженные сваи.
Расчетная нагрузка на вертикальную сваю определяется по
формуле
, (26)
где
- расчетная сжимающая сила,
;
,
- расчетные изгибающие моменты,
, относительно главных центральных осей х
и у плана свай в плоскости подошвы ростверка;
- число свай в фундаменте;
,
- расстояния от главных осей до оси каждой
сваи,
;
,
- расстояния от главных осей до оси каждой
сваи, для которой вычисляется расчетная нагрузка,
;
(27)
расчетный вес фундамента и грунта на его уступах.
Для фундамента
:
5.8
Проверка выполнения условий
Для наиболее и наименее нагруженных свай должно выполняться
условие:
Для фундамента
:
Условия выполняются
5.9
Определение осадки свайного фундамента (Ф2).
Расчёт фундамента на висячих сваях и его основания по
деформациям следует, как правило, производить как для условного фундамента на
естественном основании в соответствии с требованиями [2].
Определение размеров условного фундамента
Рисунок
5.6. Определение размеров условного фундамента
- осредненное расчетное значение угла внутреннего трения грунта,
определяемое:
.
Определение расчётного
сопротивления грунта
При расчете деформаций основания среднее давление под подошвой
условного фундамента
не должно превышать расчетного
сопротивления грунта основания
,
определяемого по формуле
, (28)
где
и
- коэффициенты, условий работы, принимаемые по табл.3[1];
- коэффициент, принимаемый равным:
, если прочностные характеристики грунта (
и
) определены непосредственными испытаниями, и
, если они приняты по табл.1-3
рекомендуемого приложения 1[1];
,
,
- коэффициенты, принимаемые по табл.4[1];
- коэффициент, принимаемый равным при
-
;
- ширина подошвы условного фундамента,
;
- осредненное расчетное значение удельного веса грунтов,
залегающих ниже подошвы условного фундамента (при наличии подземных вод
определяется с учетом взвешивающего действия воды),
;
- то же, залегающих выше подошвы;
- расчетное значение удельного сцепления грунта, залегающего
непосредственно под подошвой условного фундамента,
;
- глубина заложения условного фундамента от уровня планировки.
.
Определение среднего фактического давления
под подошвой условного фундамента и проверка выполнения условия
В собственный вес
условного фундамента при определении его осадки включаются вес свай и
ростверка, а также вес грунта в объеме условного фундамента.
Фактическое среднее давления под подошвой фундамента равно
, (29)
- нормативная вертикальная составляющая внешних нагрузок;
; (30)
вес ростверка
(31)
вес грунта.
Полученные по расчёту значения деформаций (осадок) свайного
фундамента и его основания не должны превышать предельных значений в
соответствии с условием
.
Проверка:
а)
Pср = 312,6 кПа < R = 2374 кПа
б) 
Условия выполняются.
Определение
расчётной осадки фундамента
Расчёт оснований по деформациям производится исходя из условия
, где
- совместная деформация основания и сооружения, определяемая
расчетом в соответствии с указаниями обязательного приложения 2[1],
- предельное значение совместной
деформации основания и сооружения, устанавливаемое в соответствии с указаниями
пп.2.51-2.55[1]. Осадка основания
c использованием расчетной схемы в виде
линейно-деформируемого полупространства определяется методом послойного
суммирования по формуле
, (32)
где
- безразмерный коэффициент, равный
;
- среднее значение дополнительного вертикального нормального
напряжения в
слое грунта, равное полусумме указанных
напряжений на верхней
и нижней
границах слоя по вертикали, проходящей
через центр подошвы фундамента;
и
- соответственно толщина и модуль
деформации
слоя грунта;
- число слоев, на которые разбита
сжимаемая толща основания. Дополнительные вертикальные напряжения на глубине
от подошвы фундамента
- по вертикали, проходящей через центр
подошвы фундамента, определяются по формуле:
, (33)
где
- коэффициент, принимаемый по табл.1[1] в
зависимости от формы подошвы фундамента, соотношения сторон прямоугольного
фундамента и относительной глубины
;
(34)
дополнительное вертикальное давление на основание;
- среднее давление под подошвой условного фундамента;
(35)
вертикальное напряжение от собственного веса грунта
на уровне подошвы условного фундамента.
Таблица 5.2. Расчёт осадки условного фундамента
|
№ т.
|
Z
|
2Z/b
|
б
|
szg
|
szp
|
szpcp
|
0.2szg
|
E
|
|
м
|
|
|
КПа
|
КПа
|
КПа
|
КПа
|
МПа
|
|
0
|
0
|
0
|
1
|
225,8
|
82,5
|
|
45,16
|
30
|
|
1
|
2
|
0,8
|
0,824
|
245,8
|
68,0
|
75,25
|
|
|
2
|
4
|
1,6
|
0,4905
|
265,8
|
40,5
|
54,25
|
53,16
|
|
|
3
|
6
|
2,4
|
0,291
|
285,8
|
24,0
|
32,25
|
57,16
|
|
|
4
|
8
|
3,2
|
0,185
|
305,8
|
15,3
|
19,65
|
61,16
|
|
Расчёт осадки методом конечного слоя:
5.10 Расчёт
свайных фундаментов с помощью программы IGOF
5.11
Выбор сваебойного оборудования и расчёт контрольного отказа.
Выбор типа молота для погружения свай
По таблицам технических характеристик (табл.8.30, 8.31[3])
подбирается такой молот, масса ударной части которого больше веса сваи.
Gсв = b l h г = 0,3 0,3 12 25 = 2700 кг
Таблица 5.3. Технические характеристики выбранного
дизель-молота
|
Показатель
|
Трубчатый
дизель-молот с воздушным охлаждением
|
|
С-954
|
|
Масса ударной
части, 3500
|
|
|
Энергия удара,
кгс·м
|
9400
|
|
Число ударов в 50-60
|
|
|
Рабочий объём
цилиндра, л
|
59
|
|
Масса молота с
кошкой, 7300
|
|
|
Высота молота,
м
|
4,8
|
Определение контрольного отказа
Контрольный отказ сваи С-12,0:
, (36)
где
- коэффициент, зависящий от упругих
свойств материала сваи,
для железобетонной сваи n = 150
т/м2;
F - площадь поперечного сечения сваи,
;
QH - энергия удара молота, тс·см;
Рпр - предельная несущая способность сваи по
грунту, тс
Q - вес ударной части молота, тс;
q - вес сваи с наголовником, тс;
.
Список литературы
1. СНиП
2.02.01-83. Основания зданий и сооружений / Госстрой СССР.- М.: Стройиздат,
1985.
2. СНиП
2.02.03-85. Свайные фундаменты / Госстрой СССР.- М.: ЦИТП Госстроя СССР, 1986.
. Основания,
фундаменты и подземные сооружения / М.И. Горбунов-Посадов, В.А. Ильичев.- М.:
Стройиздат, 1985.-480с.- (Справочник проектировщика).
. Методические
указания к курсовому проектированию для студентов специальности «ГСХ», «ПГС».
Расчет оснований и фундаментов промышленного здания.- Новосибирск:1995 г.
. Методические
указания к курсовому проектированию для студентов специальности «ГСХ», «ПГС».
Расчет оснований и фундаментов с применением элементов САПР.- Новосибирск:1989
г.
. Методические
указания к курсовому проектированию для студентов специальности «ПГС».
Выполнение графической документации курсового проекта.- Новосибирск:2001 г.
. СниП
23-01-99. Строительная климатология / Госстрой России. - М.: 2006.