Расчет токов короткого замыкания
Задание на курсовую работу. Вариант № 6
1. Для условий схемы рис.1. Определить
начальные сверхпереходные токи в месте короткого замыкания (КЗ), если
трехфазное КЗ происходит поочередно на стороне высокого (точка К1)
низкого(точка К2) напряжений трансформатора главной понижающей подстанцией(ГПП)
предприятия. Кроме того следует определить ударный ток при КЗ в точке К2.
Решение выполнить с учетом подпитки от синхронных двигателей (СД), асинхронных
двигателей(АД) и обобщенной нагрузки (Н) на шинах низшего напряжения ГПП.
Трансформаторы ГПП работают раздельно. Питание ГПП осуществляется ответвлением
(линия W) от двух воздушных
линий ( ВЛ )-W1,W2
с двухсторонним питанием -от узловой подстанции с автотрансформаторами АТ1,АТ2,
связанными с системой (С) и от ТЭЦ с блоками генератор-трансформатор. Система
характеризуется начальным сверхпереходным током в точке М1 , рассчитанным без
учета подпитки от части схемы приведенной на рис.1 (генератор, ТЭЦ,
двигателей).
Данные элементов системы приведены в табл.1.
Здесь же приведены параметры предшествующего режима операторов ТЭЦ, двигателей
и обобщенной нагрузки . Расчет провести, используя при составлении схемы
замещения точное приведение в относительных единицах.
2. Для условий схемы рис.1 при трехфазном
КЗ в точке К1 определить значения периодической слагающей тока в месте КЗ от
системы и ТЭЦ для момента времени t=0,2c,
используя метод типовых кривых.
3. Для условий схемы рис.1 определить
ударный ток при двухфазном КЗ на землю в точке К1 , проведя расчет приближенно
без учета активных сопротивлений и зарядной мощности линий электропередач.
Подпиткой от СД, АД и нагрузки пренебречь. Принять Ку=1,8 . Построить Векторную
диаграмму токов в месте КЗ.
. Для условий схемы рис.1 рассчитать
действующее значение периодической слагающих токов при трехфазном и однофазном
КЗ на шинах 0,4 кВ цехового трансформатора Т7 (в точке К3).Данные элементов
схемы приведены в табл.2. До возникновения КЗ трансформатор Т7 работал на
холостом ходу.
Длина ВЛ : L1=
25 км L2= 4 км L3=2
км
Начальный сверхпереходной ток от системы I"o
= 13 кА
Начальные условия:
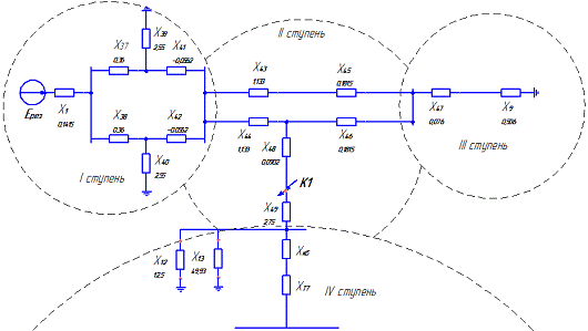
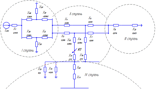
Рисунок 1. - Схема ЭЭС и расчетные точки КЗ
Таблица 1. - Параметры автотрансформатора
|
S,
МВА
|
Uномобмоток,
кВ
|
Uk%
|
Pк
В-С кВт
|
|
ВН
|
СН
|
НН
|
ВН-СН
|
ВН-НН
|
СН-НН
|
|
|
240
|
330
|
242
|
11
|
7,3
|
70
|
60
|
430
|
Таблица 2. - Параметры турбогенератора:
|
Pн,
МВт
|
Cosн
|
Uн,
кВ
|
X″d,
о.е.
|
Xd,
о.е.
|
X2,
о.е.
|
Ta,
с
|
Ро,
МВт
|
Cos0
|
|
300
|
0,85
|
20
|
0,195
|
1,97
|
0,24
|
0,54
|
290
|
0,85
|
Таблица 3. - Параметры трансформатора:
|
Sн,МВА
|
Uн,ВНкВ
|
Uк,%
|
DPн,кВт
|
|
400
|
242
|
11
|
880
|
Таблица 4. - Параметры трансформатора ГПП:
|
Sн,
МВA
|
Uн,
кВ
|
Uк,
%
|
DPк, кВт
|
|
ВН
|
НН
|
|
|
|
40
|
230
|
11
|
12
|
170
|
Таблица 5. - Параметры синхронного двигателя:
|
Число n
|
Pн,кВт
|
Uн,кВ
|
X″d,о.е.
|
h,
%
|
Коэфф. загрузки
|
|
4
|
800
|
10
|
0,179
|
96
|
0,8
|
Примечания к таблице
5:
Для СД cosjн=0,9;
КуСД=1,5
Таблица 6. - Параметры обобщенной нагрузки и ВЛ
|
Обобщённая
нагрузка
|
Воздушные
линии
|
|
Sн,МВA
|
Cos jн
|
Х”
|
L1, км
|
L2, км
|
L3, км
|
|
28
|
0,9
|
0,35
|
25
|
4
|
2
|
Примечания к таблице
6:
ВЛW1,
W2, W3
выполнены проводом АС-240, для которого r=0,12
Ом/км и x=0,405 Ом/км при Uн=110
кВ; x=0,435 Ом/км при Uн=220
кВ.
ток
короткий замыкание
Таблица 7. - Параметры цехового трансформатора
Т7 и кабеля к Т7:
|
Цеховой
трансформатор Т7
|
Кабель
к Т7
|
|
Sн, кВА
|
Uk, %
|
Uн, кВ
|
DPк, кВт
|
Zт, мОм
|
Схема
обмоток
|
S, мм2
|
l,м
|
r, Ом/км
|
x, Ом/км
|
|
|
ВН
|
НН
|
|
|
|
|
|
|
|
|
400
|
4,5
|
10
|
0,4
|
5,5
|
19
|
\Y
|
70
|
50
|
0,45
|
0,086
|
Примечания к таблице
7:
Суммарное переходное сопротивление контактов rк=15
мОм
1.
Определение начальных сверхпереходных токов в точках К1 и К2. Определение
ударного тока в точке К2
Полная схема замещения для схемы рис.1
представлена на рис.1.1, где синхронные двигатели объединены в один
эквивалентный синхронный двигатель с Рн.эк=4*800= 3200 кВт. Генераторы а
следовательно и блочные трансформаторы (Рн.эк=4*400=1600 МВА) также объединяем
в эквивалентный генератор с Рн.эк =4*300=1200 МВА
Рис.1.1 к разделу 1. Общая схема замещения
Определим сопротивления схемы рис 1.1,применив
точное приведение в относительных единицах.
Принимаем за главную ступень высокого
напряжения, т.е. базисное напряжение второй ступени равно UбII
=230кВ. За базисную мощность принимаем Sб=1000МВА,
тогда по [1],базисный ток для второй ступени можно определить по выражению:
(1.1)
где Uб-базисное
напряжение той ступени, где определяется базисный ток, кВ;Sб - в МВА
Для ступени II имеем:
Базисные напряжения на других
ступенях можно определить по [1]
(1.2)
Где К1;K2;K3…Kn-
коэффициент трансформации трансформаторов через которые напряжение Uбi связано с
напряжением UбII
Соответственно по формуле (1.1)
базисные токи ступени I,IIIи IV равны :
Реактивность энергосистемы по [1] (в
отн.ед)
(1.3)
Где I”(0) -
начальный сверхпереходный ток энергосистемы ,кА
I”(0) = 13кА
В дальнейшем для упрощения
обозначения индекс “*” писать не будем, подразумевая, что все полученные значения
сопротивлений даются в относительных единицах и приведены к базисным условиям.
Таким образом:
=0,1415
По [1, c.235]
определяем отношение
=50, откуда
активное сопротивление энергосистемы равно:
Реактивность автотрансформаторов
определим по [1]:
(1,4)
где Uк
в-с-напряжение короткого замыкания пары обмоток ВН и СН %
Sном АТ-
номинальная мощность автотрансформатора, МВА
по табл.1: находим 

тогда:
Активное сопротивление обмоток
автотрансформатора определим по [1]
(1.5)
где РкВ-С - потери короткого
замыкания пары обмоток ВН и СН, МВт
по табл.1 ∆РкВ-С = 0,43МВт,
тогда:
Реактивность воздушных линий, по [1]
(1.6)
где Xуд -
индуктивное сопротивление линии на 1км длины, Ом/км
l-длина
линии, км
Uср - среднее
напряжение в месте установки данной линии, кВ
По табл.6 Худ=0,435 Ом/км, тогда:
Аналогично по [1] определяем
активные сопротивления линий:
(1.7)
где rуд -
активное сопротивление линии на 1км длины, Ом/км
по табл.6 rуд=0,12
Ом/км
Реактивность блочных трансформаторов
по [1]:
(1.8)
Активное сопротивление блочных
трансформаторов по[1]
(1.9)
Реактивность турбогенераторов по [1]
(1.10)
где Хd” -
сверхпереходное значение индуктивного сопротивления по продольной оси. По
табл.2 Хd”=0,195
Sн эк -
номинальная полная мощность эквивалентного генератора, определим его по
выражению:
Определим отношение
по
следующему выражению по [1]
(1.11)
где f - частоту
напряжения,выдаваемую генератором, принимаем f=50Гц
Та - постоянная времени затухания
апериодической составляющей тока К.З.
По табл.2. Та=0,54
Откуда
Индуктивное и активное сопротивление
трансформаторов ГПП определим по формулам (1.8) и (1.9) при Uк=11% ;∆Pк=0,17 МВт
(по табл.3)
Реактивность обобщенной нагрузки
определим по [1]
(1.12)
где Х” - сверхпереходное
сопротивление нагрузки. По [3] Х” =0,35
По табл. из [1, c.137]
находим для обобщенной нагрузки
= 2,5
Реактивность для синхронных
двигателей можно определить по таблице 5
(1.13)
ГдеХ”d -
сверхпереходное значение индуктивного сопротивления по продольной оси. По табл.
5 для СД из Х”d = 0,179
Sдв -
мощность двигателя в режиме, предшествующего режиму КЗ, МВА, определим по [1,5]
где :Рном - номинальная активная
мощность двигателя, МВт
Кз - коэффициент загрузки двигателя
ηн - номинальный КПД двигателя
cosφн
-номинальный коэффициент мощности двигателя
По табл.5 для CД:Рном.эк.CД= 3,2 МВт;
Кз=0,8;
ηн=0,96;
cosφн =0,9

По рис. 6-13 из [1, c.137] для
синхронных двигателей находим отношение Х14/r14=4,5 ,
откуда:
Сверхпереходные ЭДС для генераторов,
системы и синхронных двигателей, а также для обобщенной нагрузки можно
определить по таблицам1-6.
где :Ео” - величина сверхпереходного
ЭДС, приведенная к номинальным величинам
Uбi - базисные
напряжения той ступени, к которой подключен данный источник
Для энергосистемы Е”ос= 1 тогда
Для турбогенераторов по [2] Е”оG=1,08 тогда:
Для обобщенной нагрузки по
[2]Ен”=0,85 тогда:
Для синхронного двигателя по
[2]Е”оСД=1,1 , тогда
.1 Определение начального сверхпереходного тока
при трехфазном КЗ в точке К-1
Свернем схему относительно точки К-1(в этом
пункте нам нужны только индуктивные сопротивления, но до определенного этапа
будем параллельно сворачивать активные сопротивления- нужно для определения
ударного тока в точке К-2 )
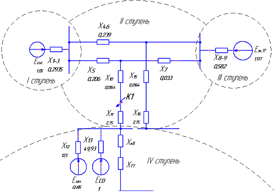
Упрощенная схема для точки К-1 показана на рис
1.2 а, где:



Рис.1.2а. К разделу 1. промежуточные
схемы замещения для точки К-1
Преобразуем треугольник состоящий из
сопротивления Х5 и Х7 в эквивалентную ему звезду состоящую из сопротивлений
Х17,Х18 и Х19 (см. на рис.1.2)по известным формулам:
Упростим схему. Получим схему
рис.1.2б где:
Х21=Х1-3+Х17=0,2935+0,103=0,3965
r21=1,32∙10-2+28,35∙10-2=29,67∙10-2
Х20=Х8,9+Х18=0,582+0,0165=0,5985
r20=0,00452+0,00455=0,91∙10-2
На схеме рис.1.2в ЭДС
и
были
объединены в эквивалентную
, величину
которого определим по формуле (1.15)
Рис.1.2б. К разделу 1. промежуточные
схемы замещения для точки К-1
Упростим схему рис.1.2вобъединив
и E"Gв
эквивалентную ЭДС
, величину
которого определим по формуле (1.15).
Рис.1.2в. К разделу 1. промежуточные
схемы замещения для точки К-1
Упростим схему рис.1.3, где:
Результирующую схему для точки К-1
получим, объединив на схеме рис.1.3
и
в
, величина которого по формуле
(1.15)
И получаем схему рис.1.3, где:
Рис.1.3 Раздел 1. результирующая
схема замещения для точки К-1
Тогда начальное значение
периодической составляющей тока КЗ определится по выражению из [1]
(1.16)
Для точки К-1
тогда:
.2 Определение начального
сверхпереходного и ударного токов при КЗ в точке К- 2 (трехфазное КЗ )
Воспользовавшись данными из
предыдущего пункта получаем схему замещения для КЗ в точке К-2 (рис.1.4а), где:
Результирующую схему получим,
объединив
и
в
по формуле
(1.15)
Получаем схему результирующую для
точки К-2 по рис 1.4 б , где:

Рис.1.4 К разделу 1. Схема замещения
для точки К-2
а) промежуточная б) результирующая
Начальное значение периодической
составляющей тока при КЗ в точке К-2 определим по формуле (1.16)
Ударный коэффициент можно определить
по [1]
(1.17)
Постоянную времени затухания
апериодической составляющей тока КЗ, определим по формуле (1.11)
тогда Ку для КЗ в точке К-2 равно:
Величину ударного тока определим по
[1]
(1.18)
2.
Определение периодической слагающей тока для момента времени t=0,2
с, при трехфазном КЗ в точке К-1
Для определения периодической составляющей тока
КЗ для момента времени t=0,2
с от системы и ТЭЦ необходимо определить результирующее сопротивление отдельно
для системы и для ТЭЦ.
Для этого воспользуемся схемой рис.1.2б отбросив
ту часть схемы, которая находится ниже точки К-1.
Для нахождения сопротивления для системы и ТЭЦ
воспользуемся методом разделения связанных лучей([2]):
1. Определяем эквивалентное сопротивление
системы и ТЭЦ
2. Определяем результирующее сопротивление
схемы
3. Определяем коэффициенты распределения по
ветви:
а) энергосистемы
б) ТЭЦ
4.
Определяем результирующие сопротивления от системы и ТЭЦ
Итоговая схема замещения для расчета
показана на рис.2.1
Рис.2.1 Раздел2. Итоговая схема
замещения для расчета.
Расчетные сопротивления для системы
и ТЭЦ можно определить по [2]
(2.1)
где: Sн∑ -
суммарная номинальная мощность источника данной ветви, МВА
Для ТЭЦ: Sт∑ = 4∙300=1200
МВА
Мощность системы можно определить по
известному значению сверхпереходного тока КЗ в точке К-1(см.рис.1) по [1]
(2.2)
Тогда расчетные реактивности равны:
Т.к. для системы
>1, то
периодический ток от системы при КЗ в точке К-1 незатухающий, и его можно
определить по [2]
(2.3)
Где
-сверхпереходной ток от системы в
месте КЗ, кА
он отличается от
в точке М-1,
коэффициентом трансформации автотрансформатора, т.е.:
Тогда:
Для ТЭЦ при
и t=0,2c , по
расчетным кривым [2] находим относительную величину периодического тока КЗ:
Его величину в именованных единицах
найдем по [2]
(2.4)
где Uср к-1
-среднее напряжение той ступени , где произошло КЗ
Uср к-1=230кВ
Суммарный периодический ток КЗв
точке К-1 при трехфазном КЗ для момента времени t=0,2 с
равен:
3. Определение ударного тока при двухфазном КЗ
на землю в точке К-1. Построение векторной диаграммы токов в месте КЗ
3.1 Определение сопротивления прямой
последовательности при КЗ в точке К-1
Т.к. подпиткой от обобщенной
нагрузки и двигателей пренебрегаем , то, воспользовавшись схемой замещения на
рис.1.3а, для нахождения сопротивления и сверхпереходного ЭДС прямой
последовательности(это возможно, т.к. они соответствуют ЭДС и сопротивлению при
трехфазном КЗ),
.2 Определение сопротивления
обратной последовательности при двухфазном КЗ на землю в точке К-1
Схема для обратной
последовательности состоит из тех же элементов, что и схема прямой
последовательности, но ЭДС равны нулю(рис.3.1)
Рис.3.1 к Разделу 3. Полная схема
замещения обратной последовательности для точки К-1
Сопротивление обратной
последовательности турбогенераторов определим по [1].
(3.1)
где Х2-сверхпереходное сопротивление
обратной последовательности турбогенератора. По табл.2 находим Х2=0,24тогда:

Сопротивление обратной
последовательности для системы трансформаторов, автотрансформаторов и воздушных
линий согласно [1] равны соответствующим сопротивлениям прямой
последовательности, а значит и сопротивлениям, рассчитанным в разделе 1 при
трехфазном КЗ в точке К-1. В связи с этим для сворачивания схемы обратной
последовательности воспользуемся преобразованиями, уже произведенными в разделе
1. Получим схему замещения изображенную на рис.3.2 где (см.рис.1.2а и рис 1.2б)
А результирующее сопротивление
обратной последовательности равно:
Рис.3.2 К разделу 3. Результирующая схема
замещения для сопротивлений обратной последовательности
.3 Определение сопротивления нулевой
последовательности при двухфазном КЗ на землю в точке К-1
Полная схема замещения для нулевой
последовательности показана на рис.3.3а. Определим сопротивление нулевой
последовательности элементов схемы.
Найдем напряжения КЗ обмоток
автотрансформатора по следующим выражениям (по[1])
В виду отсутствия данных о воздушных
линиях, принимаем, что это двухцепная линия без тросов, тогда сопротивления
нулевой прямой последовательности для воздушных линий связаны отношением:
т.е.:
Сопротивления нулевой
последовательности блочных трансформаторов равно сопротивлению прямой
последовательности, т.е.:
то же относится и к трансформаторам
ГПП:
Рис.3.3а. К разделу 3. полная схема
замещения нулевой последовательности
Преобразуем треугольник, состоящий
из сопротивлений:


в звезду, состоящую из
сопротивлений:


по известным выражениям
Произведем еще некоторые
преобразования, получим схему рис.3.3б где:
Найдем напряжения КЗ обмоток
автотрансформаторов по следующим выражениям (по [1])
(3.2)
(3.2а)
(3.2б)
По табл.1 Напряжение КЗ пар обмоток
автотрансформаторов равны:


тогда:
Сопротивления обмоток
автотрансформатора можно определить:
Рис.3.3б. К разделу 3. промежуточная
схема замещения нулевой последовательности
Произведя еще некоторое
преобразование, получим схему рис.3.4а, где:
После окончательных преобразований,
получаем результирующую схему замещения нулевой последовательности, рис.3.4б
где:

Рис.3.4 К разделу 3. Схемы нулевой
последовательности
а) промежуточная б) результирующая
.4 Определение ударного тока при
двухфазном КЗ на землю в точке К-1
Определим по [1] ток прямой
последовательности неповрежденной фазы (считаем что это фаза А) при двухфазном
КЗ на землю в точке К-1
(3.3)
где Хдоп - дополнительное
сопротивление аварийного шунта, которое определяется по выражению из [1]
(3.4)
тогда ток прямой последовательности
равен:
Коэффициенты пропорциональности при
двухфазном КЗ на землю определяются по [1] как :
(3.5)
Тогда величину полного тока КЗ в
поврежденных фазах можно определить по [1]:
Величину ударного тока при
двухфазном КЗ на землю в точке К-1 при Ку=1,8 можно определить по формуле (1.8)
.5 Построение векторной диаграммы
токов в месте КЗ
Для этого необходимо определить токи
КЗ. в каждой фазе всех последовательностей. Расчет ведем по [1], ток прямой
последовательности фазы А:
(3.3а)
Ток обратной последовательности фазы
А:
(3.7)
Ток нулевой последовательности фазы
А:
(3.8)
Полный ток фазы А равен:
Токи нулевой последовательности во
всех фазах равны:
Токи прямой и обратной
последовательности определим по общеизвестным формулам, связывающими
симметричные составляющие отдельных фаз и последовательностей:
Ток прямой последовательности фазы В
равен:

Ток обратной последовательности фазы
В равен:
Ток прямой последовательности фазы С
равен:
Ток обратной последовательности фазы
С равен:
Полные токи КЗ фаз В и С равны:

По данным полученным в этом пункте
строим векторную диаграмму токов двухфазного КЗ на землю в точке К-1.
4. Определение действующего значения КЗ
периодической составляющей тока при трехфазном и однофазном КЗ на шинах 0,4 кВ
в точке К-3
.1 Определение действующего значения тока при
трехфазном КЗ в точке К-3
Схема замещения для расчета
представлена на рис.4.1,где Х56 и r56 -
суммарные индуктивные и активные сопротивления от обобщенной нагрузки,
синхронных и асинхронных двигателей, системы и ТЭЦ до ступени IV. Были
рассчитаны в относительных единицах в разделе 1 при определении результирующего
сопротивления относительно точки К-2, т.е.
и
но т.к. расчет в данном разделе
будет вестись в именованных единицах, необходимо определить эти величины в
именованных единицах приведенные к ступени где произошло КЗ(ступень V на
рис.4.1). Для этого необходимо определить базисное напряжение ступени V по формуле
(1.2) имеем:
тогда, по [1] находим:
(4.1)
(4.1а)

Сопротивление кабеля определим по
[1]
(4.2)
(4.2а)
где Uнн и Uвн -
соответственно номинальное низкое, высокое напряжение цехового трансформатора,
кВ.
По табл.7. находим:
;
:
;
;
Рис. 4.1. Схема замещения для
определения тока при трехфазном КЗ в точке К-3.
Активное сопротивление цехового
трансформатора по [1]
(4.3)
где Uср нн -
среднее напряжение ступени, где произошло КЗ, В
по табл.2 находим
кВт
Полное сопротивление обмоток
трансформатора можно определить по [1]
(4.4)
по табл.2. находим ∆Uк=4,5%
Тогда по известной формуле
реактивное сопротивление трансформатора равно:
Сопротивление первичной обмотки
трансформатора тока, катушки максимального тока автоматов и сопротивления
контактов по табл. из [1] соответственно равны:

Результирующее сопротивление до
точки К-3:
Действующее значение периодической
составляющей тока при трехфазномКЗ в точке К-3 по [1] равно:

(4.5)
.2 Определение действующего значения
периодической составляющей тока при однофазном КЗ на шинах 0,4 кВ в точке К-3.
Примем что для однофазного КЗ на
землю в точке К-3 сопротивления прямой и обратной последовательности равны между
собой и равны сопротивлению при трехфазном КЗ в точке К-3
Схема замещения для нулевой
последовательности при однофазном КЗ в точке К-3 представлена на рис.4.2 т.к.
трансформаторы ГПП со стороны КЗ имеют обмотку, соединенную в треугольник, что
препятствуют циркуляции токов нулевой последовательности. Поэтому вся часть
схемы, которая выше трансформатора Т-7 в схеме нулевой последовательности не
участвует.
Рис.4.2 Схема замещения нулевой
последовательности для определения тока при однофазном КЗ в точке К-3
Для трансформатора из табл.7 при
схеме соединения обмоток D\Y и S=400кВА,
находим сопротивления нулевой последовательности:

Сопротивления нулевой
последовательности первичной обмотки трансформатора тока, катушки максимального
тока автомата и сопротивления контактов равны сопротивлениям при трехфазном КЗ
в точке К-3, т.е.:

Результирующее сопротивление нулевой
последовательности при КЗ в точке
К-3 равны:
Тогда действующее значение
периодической составляющей тока при однофазном КЗ в точке К-3 определится по [1
] как :
(4.6)
5 Заключение
В данной курсовой работе для условий
схемы рис.1 были произведены следующие расчеты:
. Был рассчитан начальный
сверхпереходной ток трехфазного КЗ в точках К-1 и К-2
. Были рассчитаны величина ударного
тока при трехфазном КЗ в точке К-2
. Был рассчитан периодический ток
при трехфазном КЗ в точке К-1 для момента времени t=0,2c
4. Была рассчитана величина ударного
тока при двухфазном КЗ на землю в точке К-1
. Были рассчитаны действующие
значения периодической составляющей тока при трехфазном и однофазном КЗ на
шинах 0,4 кВ в точке К-3
6 Список литературы
1. Ульянов
С.А. - “Электромагнитные переходные процессы в электрических системах”М-Энергия
1970г
2. Рожкова
Л.Д. и Козулин В.С. - “Электрооборудования станций и подстанций”М.Энергия 1975г
3. А.В.Телицын
- «Задание и методические указания к курсовой работе по дисциплине
‹‹Электромагнитные переходные процессы››» - Тирасполь, 2000.