Методы расчета токов трехфазного и несимметричных коротких замыканий в электрических системах напряжением свыше 1000 В
ДИПЛОМНАЯ
РАБОТА
“Методы
расчета токов трехфазного и несимметричных коротких замыканий в электрических
системах напряжением свыше 1000 В”
ЗАДАНИЕ
1. РАСЧЕТ РЕЖИМА ТРЕХФАЗНОГО
КОРОТКОГО ЗАМЫКАНИЯ
.1 Рассчитать по точной методике и
построить зависимости от времени мгновенных значений тока статорной обмотки
генератора G1 и его отдельных составляющих
(периодической, апериодической, двойной частоты, вызванной действием АРВ и
предшествующего режима) на интервале 0...0,2 с при коротком замыкании в точке
К1.
.2 Рассчитать и построить зависимости
от времени действующего значения периодической составляющей тока статорной
обмотки генератора Г1 на интервале 0...0,5 с при коротком замыкании в точке К1:
по точной методике;
по методу типовых кривых.
.3 Рассчитать по упрощенной методике
и построить зависимость от времени апериодической составляющей тока статорной
обмотки генератора Г1 на интервале 0...0,5 с при коротком замыкании в точке К1.
.4 По методу типовых кривых в
заданных вариантом точках короткого замыкания рассчитать действующие значения
периодической и апериодической составляющих тока короткого замыкания для
моментов времени 0 и 0,3 с, а также ударный ток короткого замыкания.
.5 В заданных вариантом точках
короткого замыкания рассчитать на ПЭВМ действующие значения периодической
составляющей тока короткого замыкания для моментов времени 0 и 0,3 с.
. РАСЧЕТ НЕСИММЕТРИЧНОГО КОРОТКОГО
ЗАМЫКАНИЯ
.1 В точке короткого замыкания на
стороне обмотки с более высоким напряжением рассчитать действующие значения периодической
и апериодической составляющих тока однофазного короткого замыкания для моментов
времени 0 и 0,3 с, а также ударный ток короткого замыкания.
.2 В той же точке рассчитать
действующее значение периодической составляющей тока двухфазного короткого
замыкания в начальный момент времени.
2.3 Повторить расчеты по п.2.1
ип.2.2на ПЭВМ.
ИСХОДНЫЕ ДАННЫЕ НА ПРОЕКТИРОВАНИЕ.
Вариант: С1-В1-3,11.
Тип генераторов:
Таблица 1.
|
G1
|
G2
|
G3
|
|
ТГВ-500
|
ТГВ-500
|
ТГВ-500
|
Типы трансформаторов и автотрансформаторов:
Таблица 2.
|
АТ1
|
АТ2
|
АТ3
|
Т1
|
Т2
|
|
АТДЦТН-500000
|
АТДЦТН-500000
|
АТДЦТН-500000
|
ТЦ-630000
|
ТЦ-630000
|
|
Т3
|
Т6
|
Т7
|
|
ТЦ-630000
|
ТРДЦН-63000
|
ТРДЦН-63000
|
Разземлена нейтраль трансформатора Т7.
Длины линий электропередачи, км.
Таблица 3.
|
№ линии
|
W1
|
W2
|
W3
|
W4
|
W5
|
W6
|
|
L, км
|
300
|
150
|
125
|
75
|
300
|
125
|
Все линии имеют грозозащитные тросы.
Мощность К.З. на шинах электрической системы
Таблица 4.
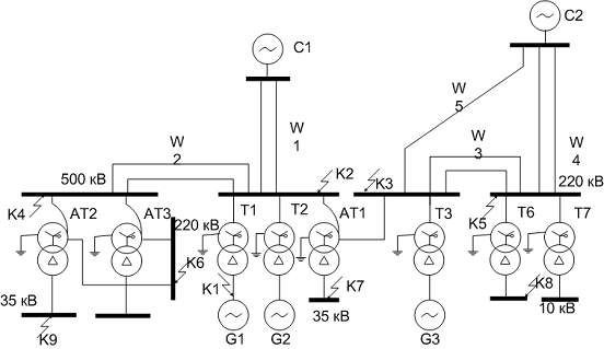
Рисунок 1. Схема электрической сети.
АННОТАЦИЯ
Шеломенцев М. , Расчет токов короткого замыкания в электрических системах.
- Челябинск: ЮУрГУ, Э-304, 2013, 52 с., 39 ил., 10 табл., Библиография
литературы - 6 наименований.
В данной работе на основе существующих методик расчета
рассчитаны режимы короткого замыкания при заданных параметрах.
В работе представлены расчёты режимов трёхфазного,
однофазного и двухфазного коротких замыканий в электрической системе. Также
исследуется режим короткого замыкания на выводах генератора.
Данные режимы рассчитаны на ПЭВМ и полученные
результаты сверены с результатами, рассчитанные вручную.
СОДЕРЖАНИЕ
Введение
. Расчет режима трехфазного короткого
замыкания
.1 Расчет по точной методике
мгновенных значений тока статорной обмотки СГ
.1.1 Определение параметров СГ
.1.2 Анализ предшествующего режима
.1.3 Анализ аварийного режима
1.1.4 Анализ режима регулирования
возбуждения
.1.5 Анализ результирующего режима
.2 Определение действующего значения
периодической составляющей тока статорной обмотки генератора
.2.1 Определение по точной методике
.2.2 Определение по методу типовых
кривых
.3 Расчет апериодической составляющей
тока статорной обмотки генератора Г1
.4 Расчет действующих значений
периодических и апериодических составляющих в точках К3 и К11
.4.1 Расчет в точке К3
.4.2 Расчет в точке К11
2. Расчет несимметричного короткого
замыкания
.1 Расчет действующего значения
периодической и апериодической составляющих тока однофазного КЗ
.1.1 Схема замещения прямой
последовательности
.1.2 Схема замещения обратной
последовательности
.1.3 Схема замещения нулевой
последовательности
.1.4 Определение токов однофазного
короткого замыкания
.2 Расчет действующего значения
периодической составляющей тока двухфазного КЗ в начальный момент времени
.3 Расчет токов несимметричных КЗ на
ПЭВМ
Заключение
Список литературы
ВВЕДЕНИЕ
Короткие замыкания возникают при нарушении изоляции
электрических цепей. Причины таких нарушений различны. Чаще всего короткое
замыкание проходит через переходное сопротивление.
В трёхфазных электроустановках чаще всего возникают
однофазные короткие замыкания (70-95%), но также имеют место и трёх- и
двухфазные короткие замыкания. Также могут возникать двухфазные короткие
замыкания на землю. Наиболее тяжёлым из режимов для сети является режим
трехфазного короткого замыкания.
Так как при трехфазном коротком замыкании все фазы
электрической сети оказываются в одинаковых условиях, то это короткое замыкание
является симметричным. Остальные короткие замыкания называют несимметричными.
Короткие замыкания сопровождаются увеличением токов в
повреждённых фазах до значений, превосходящих в несколько раз номинальные
значения.
Протекание токов короткого замыкания приводит к
увеличению потерь в проводниках и контактах, что вызывает их повышенный нагрев.
Таким образом, режим короткого замыкания является
аварийным, и необходимо уметь определять значение тока короткого замыкания в
любой точке электроэнергетической системы в любой момент времени.
Для обеспечения надежной работы электрических систем,
предотвращения повреждений оборудования при коротком замыкании необходимо
быстро отключать поврежденный участок. Поэтому очень важно правильно выбирать
токоведущие части и аппараты, токоограничивающие устройства и другое
оборудование. Для осуществления указанных мероприятий необходимо уметь
определять ток короткого замыкания в любой интересующий момент. В настоящее
время расчет токов короткого замыкания чаще проводят с помощью ЭВМ.
1. РАСЧЁТ
РЕЖИМА ТРЕХФАЗНОГО КОРОТКОГО ЗАМЫКАНИЯ
1.1 Расчет по точной методике
мгновенных значений тока статорной обмотки СГ
Рассчитать по точной методике и построить зависимости
от мгновенных значений тока статорной обмотки генератора Г1 и его отдельных
составляющих (периодической, апериодической, вызванной действием АРВ и
предшествующего режима) на интервале 0…0,2с при коротком замыкании в точке К1.
1.1.1 Определение
параметров синхронного генератора [2] .
Таблица 4 - Паспортные данные турбогенератора ТГВ-500.
|
Название величины
|
Значение
|
|
Активная мощность, P (МВт)
|
500
|
|
Косинус угла φ,
cosφ
|
0,85
|
|
Реактивная мощность, Q
(Мвар)
|
310
|
|
Номинальное напряжение, Uном
(кВ)
|
20
|
|
Номинальный ток, Iном (А)
|
17000
|
|
КПД, η %
|
98,83
|
|
Продольное сверхпереходное
реактивное сопротивление, x''d*
|
0,243
|
|
Продольное переходное
реактивное сопротивление, x'd*
|
0,373
|
|
Продольное синхронное
реактивное сопротивление, xd*
|
2,413
|
|
Реактивное сопротивление
рассеяния, x * 0,218
|
|
|
Реактивное сопротивление
обратной последовательности, x2
|
0,296
|
|
Реактивное сопротивление
нулевой последовательности, x0
|
0,146
|
|
Собственная постоянная
времени обмотки возбуждения,Td0
|
6,3
|
|
Постоянная времени
затухания переходных токов статорной обмотки, T`d3 ,с
|
0,975
|
|
Постоянная времени
затухания сверхпереходных токов статорной обмотки, T``d3 ,с
|
0,122
|
|
Постоянная времени
затухания апериодической составляющей тока к.з., Ta3 ,с
|
0,468
|
|
Ток в номинальном режиме, Ifном, А
|
5120
|
|
Напряжение в номинальном
режиме, Ufном, В
|
444
|
|
Ток холостого хода, Ifхх, А
|
1605
|
На рисунке 2 представим схему замещения
турбогенератора по продольной и поперечной осям.
Рисунок 2. Схемы замещения статорных обмоток по
продольной и поперечной оси.
Индуктивное сопротивление продольной реакции статора:
(1)
Получаем:
Для турбогенераторов
;
Индуктивное сопротивление поперечной реакции статора:
Индуктивное сопротивление рассеяния обмотки
возбуждения (определяется при замкнутой накоротко цепи ОВ):
(2)
Индуктивное сопротивление рассеяния продольной
успокоительной (демпферной) обмотки;
(3)
Итак,
Сверхпереходное сопротивление поперечной демпферной
обмотки:
Индуктивное сопротивление рассеяния поперечной
демпферной обмотки:
(4)
Сопротивление обмотки возбуждения при разомкнутой
статорной:
(5)
Активное сопротивление обмотки возбуждения:
(6)
Определим индуктивные сопротивления обмотки
возбуждения и успокоительной обмотки при замкнутой накоротко цепи статорной
обмотки:
. (7)
. (8)
. (9)
Произведём расчёт по формулам (7), (8) и (9):
Постоянные времени соответственно обмотки возбуждения
и продольной ускорительной обмотки, определенные при замкнутых накоротко
статорных обмотках:
(10)
Определим постоянную времени продольной успокоительной
обмотки при закороченной статорной. Согласно [2]
=0,975,
=0,122.
(11)
Активное сопротивление продольной успокоительной
обмотки:
(12)
Произведем расчет:
В расчетах принимаем, что
.
1.1.2 Анализ
предшествующего режима
Этот режим представим в виде суммы трех независимых
режимов:
- предшествующего режима;
аварийного режима;
- режима регулирования возбуждения.
Проанализируем предшествующий режим.
На рисунке 3 построим векторную диаграмму токов и
напряжений в предшествующем режиме.
Рисунок 3. Векторная диаграмма токов и напряжений в
предшествующем режиме.
Здесь: U0 -
изображающий вектор напряжений фаз СГ;
- угол
между поперечной осью q и U0; i0 - изображающий вектор трёхфазной системы токов фаз
СГ;
- угол между векторами u0 и i0; id0,iq0 -
мгновенные значения токов обмоток преобразованного СГ; Ud0,Uq0 -
мгновенные значения напряжений обмоток преобразованного СГ; еq0 - наведённая ЭДС
Определим угол φ0:
«-», т.к. отстающий cosφ.
При этом расчет будем вести в относительных единицах,
т.е.:
Расчет проводим согласно [1]:
(13)
Отсюда:
Определяем мгновенные значения токов обмоток id0, iq0
и напряжений ud0, uq0;
а также ЭДС преобразованного синхронного генератора eq0.
(14)
(15)
(16)
(17)
(18)
Рассчитываем:
1.1.3 Анализ аварийного режима.
Постоянная времени поперечной демпферной обмотки при
закороченной статорной находим как
; (19)
Функции сопротивления турбогенератора в аварийном
режиме по продольной оси:
По поперечной оси:
Построим на рисунке 4 зависимости сопротивлений
турбогенератора от времени.
Рисунок 4. Зависимости сопротивлений турбогенератора
от времени
При приближенном учете активного сопротивления
статорных обмоток составляющие токов аварийного режима будут равны:
(20)
Рассчитываем:
(21)
Рассчитываем:
Построим на рисунках 5 и 6 зависимости токов
продольной и поперечной обмоток преобразованного синхронного генератора от
времени в интервале t = 0,…,0,2 с.
Рисунок 5. Зависимость тока продольной обмотки
преобразованного синхронного генератора от времени в интервале t=0,…,0,2 с.
Рисунок 6. Зависимость тока поперечной обмотки
преобразованного синхронного генератора от времени в интервале t = 0,…,0,2 с.
1.1.4 Анализ режима регулирования
возбуждения
В цепь обмотки возбуждения включается источник ЭДС
имитирующий увеличение напряжения на выводах обмотки возбуждения при действии
АРВ. Так как мы рассматриваем в качестве синхронного генератора турбогенератор
и считаем его предшествующий режим номинальным, то ток
, где Ifном -
номинальный ток возбуждения генератора,
А.
Приведенный ток обмотки возбуждения, вызванный
действием АРВ:
(22)
где Ifхх - ток
возбуждения холостого хода синхронного генератора, согласно [2] Ifхх = 1605
А.
Периодическая составляющая тока основной частоты,
вызванная действием АРВ:
(23)
Кривая роста тока возбудителя:
(24)
Окончательно имеем:
. (25)
Итак,
Рисунок 7. Зависимость тока
от времени t
1.1.5 Анализ результирующего режима
Примем угол
.
Определим полный ток фазы А. Эта задача решается путём наложения одноимённых
токов, полученных в выше рассмотренных режимах.
Для перехода от относительных единиц к именованным
полученные значения токов умножим на базисный ток:
, (26)
А ,
Здесь Iном - номинальный ток статорной обмотки СГ.
Ток статорной обмотки в предшествующем режиме:
. (27)
Подставив в формулу (27) известные величины, получим:
Построим зависимость iАО(t) в интервале времени t = 0…0,2 с
Рисунок 8. Ток статорной обмотки предшествующего
режима
Периодическая составляющая тока основной частоты:
(28)
Подставим в формулу (28) найденные ранее значения:
Построим зависимость
iАП(t) в
интервале времени t = 0…0,2 с (рисунок 9).
Рисунок 9. Зависимость периодической составляющей тока
основной частоты от времени
Периодическая составляющая тока двойной частоты
iА
, согласно /3/ равна:
(29)
После подстановки:
Построим зависимость
iА
(t) в
интервале времени t = 0…0,3с (рисунок 10).
Рисунок 10. Зависимость периодической составляющей
тока двойной частоты от времени
Апериодическая составляющая тока:
(30)
Подставив в формулу (30) известные величины, получим:
Рисунок 11. Зависимость апериодической составляющей
тока основной частоты от времени
Периодическая составляющая тока основной частоты
вызванной действием АРВ:
(31)
Подставив в формулу (31) известные величины, получим
Построим зависимость
(t) в
интервале времени t = 0…0,2с (рисунок 12).
Рисунок 12. Зависимость периодической составляющей
тока основной частоты, вызванной действием АРВ от времени
Ток в обмотке фазы А определим как сумму составляющих:
(32)
Построим зависимость iA(t) в интервале времени t = 0…0,2 с (рисунок 13).
Рисунок 13. Ток в обмотке фазы А. Зависимости от
времени мгновенных значений тока статорной обмотки генератора G1 и его отдельных составляющих
На рисунке 13 зависимости обозначены цифрами: 1 -
2 -
; 3-
; 4 -
; 5 -
; 6 -
.
Токи
и
в начальный момент времени одинаковы, выполним
проверку:
=
1.2 Определение действующего значения
периодической составляющей тока статорной обмотки генератора
Расчёт действующего значения периодической
составляющей тока статорной обмотки генератора G1 на интервале 0…0,5с при коротком замыкании в точке К1.
1.2.1 Расчёт и построение по точной
методике
Мгновенное значение периодической составляющей основной
частоты полного тока обмотки фазы А СГ:
(33)
Все составляющие формулы (33) известны; построим
зависимость iAП(t) в
интервале времени t = 0…0,5 с (рисунок 14).
Рисунок 14. Зависимость периодической составляющей
полного тока основной частоты обмотки фазы А от времени
Определим iq*, id* - проекции изображающего вектора трехфазной системы
периодических токов соответственно на оси d и q СГ:
(34)
(35)
Получаем
Величина этого вектора (амплитуда этих токов):
(36)
Соответственно действующее значение периодической
составляющей тока статорной обмотки СГ:
(37)
Рисунок 15. Зависимость от времени действующего
значения периодической составляющей тока статорной обмотки генератора G1 при коротком замыкании в точке К1
Полученные выше выражения являются искомым
аналитическим решением поставленной задачи и позволяют методами математического
анализа исследовать электромагнитный переходный процесс в СГ.
1.2.2 Расчёт и построение по методу
типовых кривых
Вычисления проводим в относительных единицах. За
базисные величины принимаем номинальные параметры генератора Г1:
Для генератора в схеме замещения необходимо знать
сверхпереходное сопротивление по продольной оси x``d
и сверхпереходную ЭДС Е``. Согласно /2/
Сверхпереходная ЭДС генератора Г1:
(38)
где U0* - фазное напряжение машины в
предшествующем к.з. режиме;
I0* - фазный ток машины в предшествующем к.з. режиме;
φ0- угол между векторами тока и напряжения в
предшествующем к.з. режиме, φ0= - 31,790.
Предшествующий короткому замыканию режим будем считать
номинальным. Расчёт ведём в относительных единицах, то есть U0*= 1 и I0*= 1. Так как расчёт ведём с действующими значениями, то важна
лишь величина угла φ0, поэтому то знак "-" перед ним не учитывать
не будем.
Имеем:
Начальное значение периодической составляющей в
относительных единицах:
.
Перейдем к именованным единицам:
Удалённость генератора от точки короткого замыкания
характеризуется коэффициентом
,
согласно /2/
, (39)
Определим коэффициент β:
Далее при помощи типовых кривых определим величину
действующего значения периодической составляющей тока к.з. в произвольный
момент времени. Возьмём 5 значений тока к.з. с учётом того, что:
(40)
Таблица 6- Расчётные значения периодической
составляющей тока к.з. при:
Таблица 5
|
tкз, с
|
γ
|
Iкз,А
|
|
0
|
1
|
8,023·104
|
|
0,1
|
0,76
|
6,097·104
|
|
0,2
|
0,67
|
5,375·104
|
|
0,3
|
0,64
|
5,135·104
|
|
0,4
|
0,62
|
4,974·104
|
|
0,5
|
0,6
|
4,814·104
|
Рисунок 16. Графики зависимостей действующих значений
полученных по точной методике и методу типовых кривых.
Как видно из рисунка 16, результаты различных методов
незначительно отличаются друг от друга. При расчете действующего значения
периодической составляющей по точной методике учитывался момент короткого
замыкания, но не учитывался при расчете по методу типовых кривых. Поэтому
данное действующее значение по методу типовых кривых получилось больше.
1.3 Расчет по упрощенной методике
апериодической составляющей тока статорной обмотки генератора G1.
Апериодическая составляющая тока КЗ (мгновенное
значение) в произвольный момент времени определяется:
(41)
Определим значения апериодической составляющей в
произвольный момент времени (от 0 до 0,5с).
Таблица 7- Зависимость значений
от t .
|
Время t,с
|
Значения тока А
|
|
0
|
113500
|
|
0,1
|
91630
|
|
0,2
|
74000
|
|
0,3
|
59760
|
|
0,4
|
48270
|
|
0,5
|
38980
|
Рисунок 17. Зависимость от времени апериодической
составляющей тока статорной обмотки при коротком замыкании. Здесь: зависимость,
полученная по точной методике (
);
зависимость, полученная по упрощенной методике (
).
1.4 Расчет действующих значений
периодических и апериодических составляющих в точках К3 и К11
По методу типовых кривых в точках 5 и 9 рассчитать
действующее значение периодической и апериодической составляющей тока КЗ для
моментов времени 0 и 0,3с, а также ударный ток КЗ.
1.4.1 Расчет в точке К3
Рисунок 18. Схема электрической сети
Таблица 6- Элементы схемы и их параметры
|
Элемент
|
Тип (марка)
|
Параметры
|
|
АТ1-АТ3
|
АТДЦТН-500000/500
|
Sном =
500 МВА; Номинал. напряжения: UВН - 500
кВ, UНН -
38,5 кВ; ukВС=10,5%,
ukВН=24%; ukСН=13%
|
|
Т6,Т7
|
ТРДЦН-63000/220
|
Sном = 63
МВА; Номинал. напряжения: UВН - 230
кВ, UНН - 11
кВ; ukВН=12%
|
|
Т1, Т2
|
ТЦ-630000/500
|
Sном =
630 МВА; Номинал. напряжения: UВН - 500
кВ, UНН - 20
кВ; uk=14%;
|
|
Т3
|
ТЦ-630000/220
|
Sном =
630 МВА; Номинал. напряжения: UВН - 242
кВ, UНН -20
кВ; uk=12,5%.
|
|
W1
|
линия
|
300 км, x0=0,303 Ом/км
|
|
W2
|
линия
|
150 км, x0=0,303 Ом/км
|
|
W3
|
линия
|
125 км, x0=0,429 Ом/км
|
|
W4
|
линия
|
75 км, x0=0,429 Ом/км
|
|
W5
|
линия
|
300 км, x0=0,429 Ом/км
|
|
С1
|
система
|
SC1=15000
МВА, x0C=3·x1C
|
|
С2
|
система
|
SC2=6000 МВА, x0C=3·x1C
|
Расчёт будем выполнять в относительных единицах при
базисной мощности Sб = 1000 МВА и базисном напряжении,
равном напряжению на ступени КЗ.
Относительно точки К5 преобразуем схему к расчетному
виду. Базовую ступень напряжения принимаем UБ=230 кВ.
Рисунок 19. Расчетная схема
Генераторы Г1, Г2, Г3:
Т.к. генераторы одинаковые, то
;
ЭДС системы:
.
Сопротивления системы, приведенные к базисному
напряжению:
,
Сопротивления трансформаторов АТ1, АТ2, АТ3 в
относительных единицах:
Так как xСН<0
(связано с расположением обмотки среднего напряжения в магнитном поле
трансформатора), то принимают xСН=0 и
соответствующие сопротивления схемы замещения.
Получим сопротивления трансформаторов Т1, Т2 (ТЦ-630000/500)
в относительных единицах:
Получим сопротивления трансформатора Т3
(ТЦ-630000/220) в относительных единицах:
Сопротивления линий электропередач в относительных
единицах:
,
где n - число цепей линии, Li-
длина линии.
,
,
,
,
.
Сворачиваем схему:
Рисунок 20.
Рисунок 21.
Рисунок 22.
Рисунок 23.
По результатам преобразованной схемы получим значение
периодической составляющей тока в месте КЗ в начальный момент времени:
В именованных единицах:
Рассчитаем апериодический и ударный ток.
По таблице П6.2 [1] найдем значения Та и kу для линии, примыкающей к точке короткого замыкания:
Таблица 7- Значения Та для элементов схемы
|
Ветви
|
Та, с
|
ky
|
|
ВЛЭП 220 кВ
|
0,03
|
1,717
|
Значение апериодической составляющей в начальный
момент времени:
Значение апериодической составляющей тока КЗ в любой
момент времени:
Значение апериодической составляющей тока КЗ в момент
времени 0,3с, зная, что Та=0,03 с:
Найдем ударный ток в месте повреждения,
воспользовавшись таблицей:
(42)
В именованных единицах:
Рассчитаем действующее значение периодического тока КЗ
спустя 0,3 с по методу типовых кривых
Чтобы решить поставленную задачу необходимо знать ток
КЗ от каждого источника в схеме. Для этого развернем полученную схему в
обратном порядке.
Делаем проверку:
Делаем проверку:
Делаем проверку:
Находим коэффициенты удаленности от точки КЗ:
Коэффициент
:
,
,
,
.
По типовым кривым при найденным β для момента времени 0,3с находим коэффициенты γ. Так как все коэффициенты удаленности меньше 2, то
можем считать, что для всех источников короткое замыкание является удаленным, а
периодическая составляющая тока КЗ не затухает со временем:
Находим значение периодической составляющей тока КЗ в
момент времени 0,3с:
Найдем значение периодической составляющей тока К3 в
момент времени 0,3с в именованных единицах:
кА.
Проверим расчеты на ПЭВМ
Исходная схема:
Рисунок 24.
Рисунок 25. проверка на ПЭВМ
1.4.2 Расчет токов КЗ в точке К9.
Относительно точки К9 преобразуем схему к расчетному
виду. Базовую ступень напряжения принимаем UБ=37 кВ.
Рисунок 26. Расчетная схема
Преобразуем схему:
Рисунок 27.
Рисунок 28.
Найдем действующее значение периодической составляющей
тока КЗ в первый момент времени:
В именованных единицах:
кА
Рассчитаем апериодический и ударный ток.
По таблице П6.2 [1] найдем значения Та и kу для группы трансформаторов, примыкающей к точке
короткого замыкания:
Таблица 8- Значения Та для элементов схемы
|
Место КЗ
|
Та, с
|
ky
|
|
КЗ на присоединении
вторичного напряжения к подстанции
|
0,06
|
1,85
|
Значение апериодической составляющей в начальный
момент времени:
Значение апериодической составляющей тока КЗ в любой
момент времени:
В относительных единицах:
Значение апериодической составляющей тока КЗ в момент
времени 0,3с:
Найдем ударный ток в месте повреждения:
В именованных единицах:
Рассчитаем действующее значение периодического тока КЗ
спустя 0,3 с по методу типовых кривых.
Чтобы решить поставленную задачу необходимо знать ток
КЗ от каждого источника в схеме. Для этого развернем полученную схему в
обратном порядке.
Делаем проверку:
Делаем проверку:
Находим коэффициенты удаленности от точки КЗ:
,
,
,
.
По типовым кривым при найденным β для момента времени 0,3с находим коэффициенты γ. Так как все коэффициенты удаленности меньше 2, то
можем считать, что для всех источников короткое замыкание является удаленным, а
периодическая составляющая тока КЗ не затухает со временем:
Находим значение периодической составляющей тока КЗ в
момент времени 0,3с:
Найдем значение периодической составляющей тока К3 в
момент времени 0,3с в именованных единицах:
кА.
Проверим расчеты на ПЭВМ
Рисунок 29.
Рисунок 30. Проверка на ПЭВМ
Результаты расчета вручную и на ПЭВМ практически
совпадают.
Таблица 9 - Сравнение результатов
|
  
|
|
|
|
|
Вручную
|
ПЭВМ
|
|
Вручную
|
ПЭВМ
|
|
|
К-5
|
9,098
|
9,098
|
0
|
9,098
|
9,066
|
0,35
|
|
К-9
|
29,326
|
29,327
|
0,003
|
29,326
|
29,327
|
0,003
|
Погрешность в точке К-5 можно объяснить принятым
допущением, что апериодическая составляющая не затухает со временем (
=1,095<2).
2. РАСЧЕТ НЕСИММЕТРИЧНОГО КОРОТКОГО ЗАМЫКАНИЯ
.1 Расчет токов однофазного КЗ в точке К5.
Необходимо рассчитать действующее значение
периодической и апериодической составляющих тока однофазного короткого замыкания
для моментов времени 0 и 0,3 с, а также ударный ток короткого замыкания.
Расчёт выполняем в относительных единицах при
выбранных выше базисных условиях.
2.1.1 Схема замещения прямой
последовательности
Схема прямой последовательности составляется аналогично
схеме при расчете трехфазного короткого замыкания (рисунок 31). Значения
результирующих ЭДС и сопротивления прямой последовательности определяются по
результатам проведенного выше сворачивания схемы замещения для расчета
трехфазного КЗ:
Рисунок 31. Эквивалентная схема замещения
2.1.2
Схема замещения обратной последовательности
Схема замещения обратной последовательности аналогична
схеме прямой последовательности, кроме того, что в ней отсутствуют ЭДС
источников питания (так как они только прямой последовательности) и в месте КЗ
приложено напряжение обратной последовательности.
Для упрощения расчетов можно принять, что
результирующее сопротивление схемы обратной последовательности относительно
точки К5
.
2.1.3 Схема замещения нулевой
последовательности.
Схема замещения нулевой последовательности, как и
схема обратной, не содержит ЭДС, а в точке КЗ приложено напряжение нулевой последовательности.
Её конфигурация определяется схемами соединения обмоток трансформаторов и
режимом заземления их нейтралей. В нашем случае все нейтрали обмоток высокого
напряжения заземлены, а на низшем напряжении - соединены в Δ.
Нейтраль трансформатора
Т7 разземлена, поэтому по нему не будут протекать токи нулевой
последовательности.
Рисунок 32. Схема замещения для нулевой
последовательности
Для эквивалентных систем:
, тогда
Расчет сопротивлений нулевой последовательности
воздушных ЛЭП. Все линии имеют грозозащитные тросы.
Для линии Л1:
Для линии Л2:
Для линии Л3:
Для линии Л4:
Для линии Л5:
Сопротивления трансформаторов АТ1, АТ2, АТ3 в
относительных единицах:
Примем xCHАТ1=xCHАТ2=xCHАТ3=0. Для
АТ2 и АТ3 в расчетной схеме не учтен участок сети 220 кВ, поэтому по
сопротивлениям xCHАТ2 и xCHАТ3 ток не
протекает и в дальнейшем расчете они не учитываются.
Для Т6 (ТРДЦН-63/220):
Для Т1 и Т2 (ТЦ-630000/500):
Для Т3 (ТЦ-630000/220):
Перейдем от треугольника к звезде:
Рисунок 33.
Рисунок 34.
Рисунок 35.
Рисунок 36.
Рисунок 37- Преобразованная схема замещения
2.1.4 Определение токов однофазного
короткого замыкания.
Ток прямой последовательности:
(43)
(44)
В именованных единицах:
кА
Используя схему замещения для трехфазного КЗ на
различных этапах преобразования и условие, что потенциал в точке К5 в схеме
замещения прямой последовательности равен
Делаем проверку:
Делаем проверку:
Делаем проверку:
Находим коэффициенты удаленности от точки КЗ:
Коэффициент
:
,
,
,
.
Т.к все β получились <2, следовательно, периодическая составляющая у
генераторов с течением времени не затухает, поэтому можем принять γ для каждой ветки, равную единице.
Находим значение периодической составляющей тока КЗ
прямой последовательности в момент времени 0,3с:
Найдем значение периодической составляющей тока К3
прямой последовательности в момент времени 0,3с в именованных единицах:
кА
Все источники по отношению к точке короткого замыкания
К5 находятся примерно в одинаковых условиях, поэтому Та= 0,03
и ky=1,717. Тогда ударный ток однофазного
КЗ в точке K5:
Найдем апериодическую составляющую тока в начальный
момент времени, приняв постоянную времени затухания и ударный коэффициент для 3
линии в соответствии с предыдущими расчетами:
В именованных единицах:
кА
Найдем апериодическую составляющую тока через 0,3 с:
кА
В именованных единицах:
кА
2.2 Расчет действующего значения
периодической составляющей тока двухфазного короткого замыкания в начальный
момент времени.
Дополнительное сопротивление для двухфазного КЗ
определяется:
Ток прямой последовательности в повреждённых фазах в
начальный момент времени:
Начальное значение периодической составляющей тока
повреждённой фазы в месте КЗ в относительных единицах:
То же самое в именованных единицах:
кА
2.3 Расчет токов несимметричных КЗ на ПЭВМ.
Рисунок 39- Расчет периодической составляющей тока
однофазного и двухфазного КЗ на ЭВМ
Таблица 10 - Сравнение результатов
|
   
|
|
|
|
|
Вручную
|
ПЭВМ
|
|
Вручную
|
ПЭВМ
|
|
|
К-5/одноф. КЗ
|
6,202
|
6,191
|
0,2
|
6,202
|
6,191
|
0,02
|
|
К-5/двухф. КЗ
|
7,882
|
7,849
|
0,4
|
-
|
-
|
-
|
Погрешность объясняется тем, что при расчете в ручную
мы принимаем допущение о том, что сопротивление прямой и обратной
последовательности равны. При расчете на ЭВМ это допущение не выполнено.
ЗАКЛЮЧЕНИЕ
ток электрический короткое замыкание
В работе были изучены и применены на практике
практические методы расчета токов трехфазного и несимметричных коротких
замыканий в электрических системах напряжением свыше 1000 В. Рассмотрены основы
и порядок расчета в системе относительных единиц, метод симметричных
составляющих, особенности параметров и формирования схем замещения прямой,
обратной и нулевой последовательностей, правило эквивалентности прямой
последовательности. Приведены примеры выполнения расчетов токов короткого
замыкания, в том числе и с использованием специализированной программы «ТоКо».
В данной работе были изучены методы расчета коротких
замыканий в электрической системе. В результате выполнения работы на основе
существующих методик расчёта были определены токи трёхфазного, однофазного и
двухфазного коротких замыканий. Расчётные параметры получились равны
параметрам, рассчитанным программой «ToKo». Электрическая система при правильно
выбранном оборудовании выдержит любой ток короткого замыкания. Полученные
параметры позволяют правильно выбрать оборудование электроэнергетической
системы и электрические аппараты станций и подстанций.
Таким образом, расчет токов КЗ еще имеет и большое
практическое значение. Ведь для любой электрической системы в целях надежности
электроснабжения и корректной работы чрезвычайно важно выбрать правильно
оборудование, которое способно выдержать любой ток короткого замыкания.
Полученные параметры позволяют правильно выбрать оборудование
электроэнергетической системы и электрические аппараты станций и подстанций.
БИБЛИОГРАФИЧЕСКИЙ СПИСОК
1. Ю.В. Коровин. Расчет токов
короткого замыкания в электрических системах: учебное пособие / Коровин, Ю.В.,
Пахомов, Е. И., Горшков, К.Е. - Челябинск: Издательский центр ЮУрГУ, 2011. -
114 с.
. И.А. Баумштейн. Справочник по
электрическим установкам высокого напряжения/под ред. Бауштейна, И. А.,
Бажанова, С. А. - 3 изд., перераб. и доп. - , М.: Энергоатомиздат, 2009. - 768
с.
. Справочник по проектированию
электрических сетей / Под редакцией Д. Л. Файбисовича. - М.: Изд-во НЦ ЭНАС
2006 -320 с. ил.
. Стандарт предприятия. Курсовое и
дипломное проектирование. Общие требования к оформлению. - СТП ЮУрГУ 04-2008.
.И.П. Крючков. Переходные процессы в
электроэнергетических системах: учебник для вузов/ Крючков, И. П., Старшинов,
В. А., Гусев, Ю. П., Пираторов, М. В. М.: «Издательский дом МЭИ», 2008 - 416 с.