|
кВ
Праметры выбранного турбогенератора G1
|
Наименование параметра
|
Значение параметра
|
Един.
изм.
|
|
Тип турбогенератора
|
Т-12-2У3
|
|
|
Активная мощность, 12
|
мВт
|
|
|
Полная мощность, S
|
15
|
МВА
|
|
Ток ротора, I
|
0,825
|
кА
|
|
Сверхпереходное сопротивление, 0,131
|
|
|
|
Сопротивление обмотки статора постоянному току, Rдв
|
0,0332
|
|
|
0,8
|
|
|
|
Номинальное напряжение
|
10,5
|
кВ
|
Таблица 4
Параметры ЛЭП Л-1.(для линии 154кВ)
|
Наименование параметра
|
Значение параметра
|
Единица измерения
|
|
Активное сопротивление прямой последовательности, 0,096
|
Ом/км
|
|
|
Активное сопротивление нулевой последовательности, 0,246
|
Ом/км
|
|
|
Индуктивное сопротивление прямой последовательности, 0,38
|
Ом/км
|
|
|
Индуктивное сопротивление нулевой последовательности, 1,34
|
Ом/км
|
|
Таблица 5
Параметры ЛЭП Л-2.(для линии 37кВ)
|
Наименование параметра
|
Значение параметра
|
Единица измерения
|
|
Активное сопротивление прямой последовательности, 0,194
|
Ом/км
|
|
|
Активное сопротивление нулевой последовательности, 0,34
|
Ом/км
|
|
|
Индуктивное сопротивление прямой последовательности, 0,39
|
Ом/км
|
|
|
Индуктивное сопротивление нулевой последовательности, 1,4
|
Ом/км
|
|
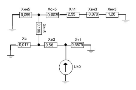
2. Расчет симметричного короткого замыкания в заданной точке
.1 Составление схемы замещения прямой и обратной последовательностей
электрической системы.
Рис. 1. - Схема замещения прямой последовательности
Нагрузки и двигателя, расположенные за трансформатором относительно точки
КЗ, не учитываются, - поэтому в схеме замещения неучитывается автотрансформатор
Т5 и все, что за ним расположено.
Схема
замещения обратной последовательности по конфигурации аналогична схеме
замещения прямой последовательности. ЭДС источников питания в схеме замещения
обратной последовательности отсутствуют, а в месте повреждения прикладывается
напряжение обратной последовательности .
.2
Расчёт параметров схемы замещения отдельных элементов
Сверхпереходное
ЭДС турбогенератора G1:
,
где
¾ напряжение на выводах
машины в момент, предшествующий КЗ;
¾ ток статора в момент, предшествующий КЗ;
¾ угол сдвига фаз напряжения и тока в момент,
предшествующий КЗ;
¾ сверхпереходное сопротивление, принимаемое равным для синхронных машин.
Индуктивное
сопротивление системы бесконечной мощности
,
где
- мощность трехфазного короткого замыкания в узле
подключения системы, МВА.
Индуктивное
сопротивление двухобмоточного трансформатора
,
где
- напряжение КЗ,%
Sб - базисное напряжение , МВА.
-
номинальная мощность тр-ра, МВА.
Индуктивное
сопротивление линии электропередачи Л2
,
где
¾ базисное напряжение
ступени трансформации, на которой находится линия, кВ.
,
Активное
сопротивление турбогенератора G1:
,
где
¾ сопротивление обмотки
статора постоянному току при нормированной рабочей температуре этой обмотки,
Ом.
Активное сопротивление системы бесконечной мощности может быть принято
равным 10 % от ее реактивного сопротивления.
Активное сопротивление схемы замещения двухобмоточного трансформатора
,
где
∆Рк - потери КЗ, кВт.
,
Активное
сопротивление линии электропередачи Л2
,
где
¾ базисное напряжение
ступени трансформации, на которой находится линия, кВ.
,
.3
Преобразование схемы замещения к простейшему виду относительно точки короткого
замыкания и расчёт результирующих сопротивлений
Рис. 2 - Схема замещения
Индуктивное сопротивление ветвей:
Хэкв1=ХС1+ХЛ2=0,017+0,16=0,177
Хэкв2=ХТ1+ХG1=0,6875+0,131=0,81
Активное сопротивление ветвей:
Rэкв1=RС1+RЛ2=0,0017 +0,04=0,0417
Rэкв2=RТ1+RG1=0,034+0,003=0,037
.4 Расчёт начальных значений периодической и апериодической составляющих
тока короткого замыкания в заданной точке
Переодическая составляющая тока КЗ:
,
где
¾ эквивалентная ЭДС i-ой
ветви, отн. ед.
¾ эквивалентное сопротивление i-ой
ветви, отн. ед.
¾ базисный ток ступени, на которой произошло КЗ, кА.
,
,
Величина
тока в точке КЗ:
Iпо=Iпо1+ Iпо2=2,09+0,49=2,58 кА,
Апериодическая
составляющая тока КЗ:
,
.5
Расчёт значения периодической и апериодической составляющих тока короткого
замыкания для моментов времени равных 0,1 с, 0,2 с и 0,5 с
,
где
¾ постоянная времени
затухания апериодической составляющей тока КЗ, с.
,
где
и ¾ результирующие индуктивное и активное сопротивления
цепи;
¾ синхронная угловая частота напряжения сети, рад/с.
Постоянная
времени затухания апереодической составляющей тока КЗ:
,
,
Апериодической составляющих тока короткого замыкания для моментов
времени:
Для 0,1 с:
,
.
Для
0,2 с:
,
.
Для
0,5с:
,
.
Периодическая
составляющая для моментов времени 0,1 с, 0,2 с и 0,5 с.
Если
величина менее двух, то КЗ следует считать удаленным и
периодическую составляющую тока КЗ принимать неизменной по амплитуде, т.е. в
этом случае:
,
где
¾ номинальный ток
турбогенератора i-ой ветви, кА.
симметричный несимметричный короткий замыкание
Для
ветви, содержащей синхронные генераторы или компенсаторы, величина тока , кА, может быть определена как
,
Рисунок 1 ¾ Изменение периодической составляющей тока КЗ от синхронных машин
Для
0,1 с:
,
Для
0,2 с:
Для
0,5с:.
2.6
Определение ударного тока короткого замыкания
При определении ударного тока делаются следующие допущения:
1) считают, что ударный ток наступает через 0,01 с после начала КЗ;
2) принимают, что амплитуда периодической составляющей тока КЗ в
этот момент равна ее начальному значению.
В простых радиальных схемах ударный ток, кА, может быть определен как
,
где
¾ ударный коэффициент,
определяемый как
,
где
¾ постоянная времени
затухания апериодической составляющей тока КЗ, с.
Ударный
кофициент:
,
.
Ударный
ток ветвей:
,
.
Полный
ударный ток КЗ:
.
.7
Расчёт значения мощности короткого замыкания для начального момента времени и
момента времени равного 0,2 с
Периодическая
составляющая тока КЗ в системе бесконечной мощности будет неизменной в течении
всего времени КЗ:
Iпti
= Iпоi ,
Мощность
короткого замыкания для произвольного момента времени, МВА,
,
где
¾ наибольшее рабочее
напряжение ступени, для которой вычислен ток КЗ, кВ;
¾ значение периодической составляющей тока КЗ для
момента времени , кА.
3. Расчёт несимметричного короткого замыкания в заданной точке
.1 Составление схемы замещения нулевой последовательностей электрической
системы
Схема замещения нулевой последовательности, как и схема замещения
обратной последовательности, не содержит ЭДС.
Схема замещения нулевой последовательности.
Схема замещения обратной последовательности.
3.2 Расчёт параметров схемы замещения обратной и нулевой
последовательностей
Индуктивное сопротивление линии электропередачи нулевой
последовательности:
,
где
¾ базисное напряжение
ступени трансформации, на которой находится линия, кВ.
,
Индуктивное сопротивление трехобмоточного автотрансформатора Т5:
,
,
Индуктивное сопротивление трехобмоточного трансформатора Т3:
,
Сумарное
индуктивное сопротивление обратной последовательности:
Сумарное
сопротивление нулевой последовательности:
Дополнительное
индуктивное сопротивление
Коэффициент
распределения токов:
Результирующее
дополнительное сопротивление:
Индуктивные
дополнительные сопротивления ветвей с учётом потокораспределения:

Согласно
правилу эквивалентности прямой последовательности ток прямой последовательности
в месте КЗ определяют как ток трехфазного КЗ, удаленного на дополнительное
индуктивное сопротивление .
Следовательно,
ток прямой последовательности особой фазы в месте КЗ, кА, при любом
несимметричном КЗ может быть найден как
,
где
¾ результирующая ЭДС всех
источников электроэнергии, отн. ед.;
¾ результирующее индуктивное сопротивление схемы
замещения прямой последовательности относительно точки КЗ, отн. ед.;
¾ дополнительное индуктивное сопротивление, отн. ед.;
¾ базисный ток для ступени, на которой произошло КЗ,
кА.
От
системы:
От
турбогенератора:
Ток
обратной последовательности особой фазы в месте несимметричного КЗ при
однофазном КЗ
Ток нулевой последовательности особой фазы при однофазном КЗ:
,
Полный ток поврежденной фазы в месте КЗ, кА, От системы:
,
От
турбогенератора:
Периодическая
составляющая полного тока КЗ повреждённой фазы:
От
системы:
От
турбогенератора:
.5
Расчёт значения периодической составляющей тока короткого замыкания для
моментов времени равных 0,1 с, 0,2 с и 0,5 с.
Если
величина менее двух, то КЗ следует считать удаленным и периодическую
составляющую тока КЗ принимать неизменной по амплитуде, т.е. в этом случае .
,
где
¾ номинальный ток
генератора или компенсатора, подключенного к i-ой ветви,
кА.
Следовательно
переодическая составляющая тока КЗ в произвольный момент времени равна:
.6
Расчёт значения мощности короткого замыкания для начального момента времени и
момента времени равного 0,2 с.
Мощность
короткого замыкания для произвольного момента времени одной фазы, МВА,
,
где
¾ наибольшее рабочее
напряжение ступени, для которой вычислен ток КЗ, кВ;
¾ значение периодической составляющей тока КЗ для
момента времени , кА.
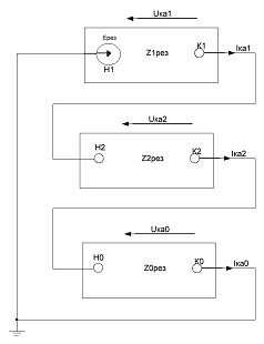
.6
Комплексная схема замещения
При однофазном КЗ все три эквивалентные схемы обтекаются одинаковым
током,напряжение прямой последовательности в месте КЗ равно сумарному падению
напряжения в обратной и нулевой последовательностей.
Это даёт возможность предоставить комплексную схему однофазного КЗ как
последовательную цепь всех трёх эквивалентных схем.
Напряжение обратной и нулевой последовательностей определяются
относительно точек нулевого потенциала схем одноименных последовательностей,
т.е. соответственно по отношению к точкам Н2 и Н0,
которые являются началами схем этих последовательностей.
Литература
1. Переходные
процессы в системах электроснабжения: Учебник / В.Н. Винославский, Г.Г. Пивняк,
Л.И. Несен и др.; Под ред. В.Н. Винославского. ¾ К.: Вища шк., 1989. ¾ 422с.
2. Неклепаев
Б.Н. Электрическая часть электростанций и подстанций: Справочные материалы для
курсового и дипломного проектирования: Учеб. пособие для вузов / Б.Н. Неклепаев,
И.П. Крючков. ¾ М.:
Энергоатомиздат, 1989. ¾ 608 с.
. Справочник
по проектированию электроэнергетических систем / Под ред. С.С. Рокотяна и И.М.
Шапиро. ¾ М.: Энергоатомиздат, 1985. ¾ 353 с.
. Электротехнический
справочник: В 3-х т. Т.3. Кн. 1. Производство, передача и распределение
электрической энергии / Под общ. ред. В.Г. Герасимова и др. ¾ 6-е изд. испр. и доп. ¾ М.: Энергоиздат, 1982. ¾ 656 с.
. Ульянов
С.А. Электромагнитные переходные процессы в электрических системах / С.А.
Ульянов. ¾ М.: Энергия,
1970. ¾ 520 с. 56
Похожие работы на - Расчёт токов симметричного и несимметричного короткого замыкания
|