Расчет токов коротких замыканий в электроэнергетических системах
МИНОБРНАУКИ
РОССИИ
ФГБОУ ВПО
«Юго -
Западный государственный университет»
Кафедра
«Электроснабжение»
КУРСОВАЯ
РАБОТА
по дисциплине
«Переходные процессы в электроэнергетических системах»
на тему
«Расчет токов коротких замыканий в электроэнергетических системах»
Специальность
электроснабжение
(код,
наименование)
Автор работы
Н. В. Блудов
Группа ЭС-82
Руководитель
работы В.Н. Алябьев
Курск, 2011
г.
МИНОБРНАУКИ РОССИИ
ФГБОУ ВПО
«Юго - Западный государственный университет»
Кафедра «Электроснабжение»
ЗАДАНИЕ НА КУРСОВУЮ РАБОТУ
Студент (слушатель) Блудов Н. В, шифр 328032 группа ЭС-82
. Тема " Расчет токов коротких замыканий в электроэнергетических
системах "
. Срок представления работы к защите «_____» декабря 2011 г.
. Исходные данные :
Генераторы и система:
Г1: ТВВ-200; Г2: ТВВ-200; С1: 2100 МВА; С2: 2500 МВА;
Нагрузки: Н1: 20 мВт, cosj =0,75; Н2: 12 МВт, cosj =0,85; Н3: 65 МВт, cosj =0,9; Н4: 61 мВт, cosj =0,9
Трансформаторы:
Т1: ТЦ- 250000/220; Т2: ТДЦ- 400000/220;
Т3: ТДЦ- 125000/110; Т4: ТД- 80000/220;
Автотрансформаторы:
АТ1: АТДЦТН - 250000/220; АТ2: АТДЦТН - 250000/220;
Воздушные линии:
Л1: 21 км, АС-300; Л2: 31 км, АС-300; Л3: 28 км, АС-240; Л4: 21 км,
АС-240.
4. Содержание пояснительной записки курсовой работы:
.1. Расчет параметров схемы замещения.
.2. Расчет трехфазного КЗ.
.3. Расчет несимметричных КЗ:
. Расчет однофазного КЗ.
. Расчет двухфазного КЗ.
. Расчет двухфазного КЗ на землю.
.4. Векторные диаграммы токов и напряжений для несимметричных КЗ.
.5. Расчет ударного тока трехфазного КЗ.
.6. Расчёт тока установившегося трёхфазного КЗ с учетом действия АРВ.
.7. Расчет периодической составляющей тока трёхфазного КЗ для момента
времени 0,2 с.
. Перечень графического материала: электроэнергетическая система,
векторные диаграммы токов и напряжений несимметричных КЗ.
Содержание
Введение
. Исходные
данные для расчета токов коротких замыканий в электроэнергетических системах
2. Построение
схемы замещения и расчет ее параметров в относительных базисных единицах
. Расчет
трехфазного короткого замыкания
. Расчет
несимметричных КЗ
4.1 Расчет
однофазного КЗ
.2 Расчет
двухфазного КЗ
.3 Расчет
двухфазного КЗ на землю
. Векторные
диаграммы токов и напряжений для несимметричных КЗ
. Расчет
ударного тока трехфазного КЗ
. Расчёт тока
установившегося трёхфазного КЗ с учетом действия АРВ
. Расчет
периодической составляющей тока трёхфазного КЗ для момента времени 0,2 (с)
Заключение
Список
используемой литературы
ВВЕДЕНИЕ
Для электроустановок характерны 4 режима: нормальный, аварийный,
послеаварийный и ремонтный, причем аварийный режим является кратковременным
режимом, а остальные - продолжительными режимами. При переходе от одного режима
к другому возникают переходные процессы. Изучение переходных процессов, их
влияния и последствий необходимо для выявления причин возникновения, физики
процессов и разработки методов управления ими. Как известно, переходный процесс
характеризуется совокупностью электромагнитных и электромеханических изменений
в системе, которые взаимосвязаны и представляют собой единое целое. Однако
рассмотрение всех процессов в их единстве значительно усложняет изучение и для
упрощения переходный процесс делят на две стадии: электромагнитные и
электромеханические переходные процессы. Из всего многообразия электромагнитных
переходных процессов наиболее распространенными являются переходные процессы,
вызванные короткими замыканиями. КЗ сопровождаются увеличением токов в
окрестности поврежденного участка и снижением напряжений.
Расчет токов короткого замыкания необходим для выбора и проверки электрооборудования
по условиям короткого замыкания, для выбора уставок и оценки возможного
действия релейной защиты и автоматики, для определения влияния токов нулевой
последовательности линий электропередачи на линии связи и для выбора
заземляющих устройств.
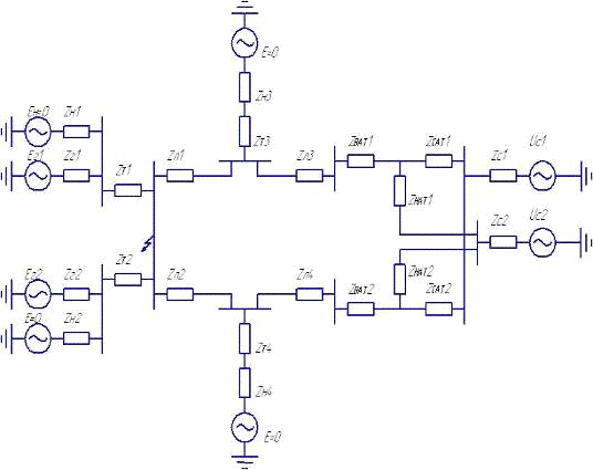
1. Исходные данные для расчета токов коротких
замыканий в электроэнергетических системах
Вариант (12), точка - (К3).
Рисунок П 4.12.
Генераторы:
Г1: ТВВ-200; Г2: ТВВ-200.
Сеть:
С1: 2100 МВА; С2: 2500 МВА.
Трансформаторы:
Т1: ТЦ- 250000/220; Т2: ТДЦ- 400000/220;
Т3: ТДЦ- 125000/110; Т4: ТД- 80000/220;
Автотрансформаторы:
АТ1: АТДЦТН - 250000/220; АТ2: АТДЦТН - 250000/220;
Воздушные линии:
Л1: 21 км, АС-300; Л2: 31 км, АС-300; Л3: 28 км, АС-240; Л4: 21 км,
АС-240.
2. Построение схемы замещения и расчет ее параметров в относительных
базисных единицах
Расчет токов коротких замыканий (КЗ) ведется, как правило, в
относительных единицах. Реальную схему, имеющую трансформаторные связи,
замещают эквивалентной электрически связанной схемой, параметры которой
приведены к единой ступени напряжения и единой базисной мощности.
За базисную мощность SБ (MBA) целесообразно принимать число,
кратное 10 (10,100,1000 MBA и т.д.), близкое к установленной мощности
генераторов в расчетной схеме. За основное базисное напряжение UБ (кВ) следует принимать номинальное
напряжение аварийной ступени.
За базисную мощность примем SБ =1000 МВА.
За основное базисное напряжение примем UБ = 230 кВ.
Расчетные данные для заданного варианта:
Обобщенная нагрузка: X”=0.350,
E”=0.85
ТВВ-200: Sн = 235,3 МВА, X”=0.200, E”=1.13
ТВВ-200: Sн = 235,3 МВА, X”=0.200, E”=1.13
ТЦ- 250000/220: Sн =
250 МВА, uк = 11 %
ТДЦ- 400000/220: Sн =
400 МВА, uк = 11 %
ТДЦ- 125000/110: Sн =
125 МВА, uк = 10.5 %
ТД- 80000/220: Sн =
80 МВА, uк = 11 %
АТДЦТН-250000/220: Sн =
250 МВА, uк(вн-сн) =11%, uк(вн-нн) =32%, uк(сн-нн) =20%.
АТДЦТН-250000/220: Sн =
250 МВА, uк(вн-сн) =11%, uк(вн-нн) =32%, uк(сн-нн) =20%.
Л1: X0=0,429 Ом/км, Uбл=230 кВ, r0=0,098 ОМ/км;
Л2: X0=0,429 Ом/км, Uбл=230 кВ, r0=0,098 ОМ/км;
Л3: X0=0,435 Ом/км, Uбл=230 кВ, r0=0,121 ОМ/км;
Л4: X0=0,435 Ом/км, Uбл=230 кВ, r0=0,121 ОМ/км;
С1: 2100 МВА
С2: 2500 МВА
Средние значения ударного коэффициента при КЗ (Таблица П3.1) на сборных
шинах вторичного напряжения подстанций с трансформаторами мощностью: 30 - 100
МВА: 1,8 -1,94;
МВА и выше: 1.85-1.92.
Средние значения X/R для элементов электрических систем
(Таблица П3.2):
Турбогенератор мощностью от 100 МВА до 500 МВА: 100-140;
Трансформатор мощностью 60... 500 МВА: 20-50;
Воздушные линии: 2-8;
Обобщенная нагрузка: 2.5.
Формулы для вычисления параметров эквивалентной схемы замещения:
для генераторов:
где
Xd , Хd// - синхронное сопротивление генератора по продольной
оси и его сверхпереходное сопротивление в относительных номинальных единицах;
SH - номинальная
мощность генератора, MBA.
для трансформаторов:
где uk% - номинальное напряжение короткого
замыкания двухобмоточного трансформатора (%).
SH -
номинальная мощность трансформатора, МВА.
для автотрансформаторов:
Uкв=0,5*(
Uк(вн-сн)+ Uк(вн-нн)- Uк(сн-нн))=0,5*(32+11-20)=11,5%
Uкс=0,5*(
Uк(вн-нн)+ Uк(сн-нн)- Uк(вн-сн))=0,5*(11+20-32)=-,05%
Uкн=0,5*(
Uк(вн-сн)+ Uк(сн-нн)- Uк(вн-нн))=0,5*(32+20-11)=20,5%
Так
как автотрансформаторы установлены одинаковые Xат1=Хат2:
для
линий электропередачи (воздушных, кабельных) :
где
Х0 - удельное сопротивление линии, Ом/км;
l - длина линии,
км; UБЛ - среднее номинальное напряжение линии, кВ.
для
нагрузок

где
- мощность нагрузки, выраженная в относительных
единицах; jH -
номинальный угол нагрузки.
для
системы
3. Расчет трехфазного короткого замыкания
Генераторы,
крупные синхронные двигатели и компенсаторы, а также обобщенные нагрузки мощных
узлов учитываются в схеме замещения своими сверхпереходными ЭДС (
) и сопротивлениями (
).
Представим
схему замещения прямой последовательности.
Преобразуем
данную схему замещения. Для расчета эквивалентных ЭДС и эквивалентных
сопротивлений воспользуемся системой MATLAB.
1. Преобразуем параллельно включенные ЭДС первого генератора и
первой нагрузки, затем второго генератора и второй нагрузки:
Ee1=(1.13*Zn1+0*Zg1)/(Zn1+Zg1)=1.1128 - 0.0189i=(1.13*Zn2+0*Zg2)/(Zg2+Zn2)=1.1228
- 0.0114i
2.
Вычислим сопротивления стоящие между соответствующими генераторами и
нагрузками:
3. Вычислим первые эквивалентные ЭДС и сопротивление
Eekv1=(Ee1*Ze2+Ee2*Ze1)/(Ze1+Ze2)= 0.8910 +
0.5721i=(Ze1*Ze2)/(Ze1+Ze2) = 0.0055 + 0.5966i
Получим схему
4. Произведем преобразования для получения сопротивления и ЭДС
стоящих после точки короткого замыкания в схеме замещения. Так как в схеме
имеются автотрансформаторы, будем при необходимости преобразовывать звезды
сопротивлений в треугольники сопротивлений. Принимая ЭДС системы равными
бесконечности, мы имеем право разделять ветви с такими ЭДС на две:
Z1=Zat1n+Zc2+(Zat1n*Zc2/Zat1n) = 0 +
1.6200i=Zat2n+Zc2+(Zat2n*Zc2/Zat1n) = 0 + 1.6200i=Zat1n+Zat2n+(Zat1n*Zat2n/Zc2)
= 0 + 3.3210i=Zat1c+Zc1+(Zat1c*Zc1/Zat2c)= 0 +
0.9320i=Zat2c+Zc1+(Zat2c*Zc1/Zat1c) = 0 +
0.9320i=Zat1c+Zat2c+(Zat1c+Zat2c/Zc1)= -0.0420 - 0.0600i=Z1*Z11/(Z1+Z11) = 0 +
0.5916i=Z111 = 0 + 0.5916i=Z3*Z33/(Z3+Z33)= -0.0436 -
0.0605i=Zat1v+Z111+(Zat1v+Z111/Z333) = -6.4379 -
3.1215i=Z111+Z333+(Z111*(Z333/Zat1v)) = -0.0996 +
0.4532i=Zat1v+Z333+(Zat1v+Z333/Z111) = -0.1459 + 0.9331i=(Z5*Z222)/(Z5+Z222) =
-0.0316 + 0.2596i=Z6+Z7+(Z6*Z7/Zat2v)= -0.3241 + 1.7094i=Zat2v+Z7+(Zat2v*Z7/Z6)
= -0.0273 + 0.8470i=Zat2v+Z6+(Zat2v*Z6/Z7) = -0.2021 +
3.0531i=(Z4*Z8)/(Z4+Z8)=-0.7561 + 1.6357i=ZL3+Z12+(ZL3*Z12/Z10) = -0.7008 +
2.0063i=Z10+Z12+(Z10*Z12/ZL3) = -17.1860 +21.0105i=ZL3+Z10+(ZL3*Z10/Z12) =
0.1112 + 3.6068i=(Z14*Z9)/(Z14+Z8) = -0.0491 + 0.8004i=Z15+Z16+(Z15*Z16/ZL4) =
-4.9407 +19.6512i=ZL4+Z16+(ZL4*Z16/Z15)= 0.0097 +
1.0127i=ZL4+Z15+(ZL4*Z15/Z16)= 0.4623 + 4.5339i=Z13*Z17/(Z13+Z17)= -0.6190 +
1.8218i=(Zn3+Zt3)/(Zn3+Zt3+Z20)=0.9606 - 0.1250i=(Zn4+Zt4)/(Zn4+Zt4+Z18)=
0.9642 - 0.0527i=((Zn3+Zt3)*Z20)/(Zn3+Zt3+Z20)=-0.3670 +
1.8275i=((Zn4+Zt4)*Z18)/(Zn4+Zt4+Z18)=0.0627 + 0.9760i=ZL1+Z21+(ZL1*Z21/Z19)=
-0.3291 + 2.0690i=Z19+Z21+(Z19*Z21/Zl1)= -16.0250 +52.1159i=Zl1+Z19+(Zl1*Z19/Z21)=
0.7252 + 5.0707i=(E13*Z22+E24*Z24)/(Z22+Z24) = 0.9637 -
0.0539i=Zz22*Z24/(Zz22+Z24)=0.0557 + 0.9602i=Z25*ZL2/(Z25+ZL2)=0.0561 + 0.2393i
Наша схема примет вид
Eekv2=(E13*(Z26+Z27)+E1324*Z23)/(Z23+Z26+Z27)= 0.9585 -
0.0795i=(Z23*(Z26+Z27))/(Z23+Z26+Z27) =0.0012 + 0.7705i
Наша схема примет окончательный вид:
. Рассчитаем окончательные эквивалентные ЭДС и сопротивление для
упрощенной схемы замещения
Zekv=Zekv2*Zekv1/(Zekv2+Zekv1)=0.0020 +
0.3362i=(Eekv1*Zekv2+Eekv2*Zekv1)/(Zekv2+Zekv1)= 0.9192 + 0.2876i
6. Определим базисный ток для нашей схемы и рассчитаем ток трехфазного
короткого замыкания:
Ib=1000/1.73205*230 =1.3279e+005=2,51 кА(3)=Eekv/Zekv*Ib=1.1573 - 3.6235i=
9,5 кА
4. Расчет токов несимметричных КЗ
трёхфазный
короткий замыкание ток
При приближенных расчетах сопротивление обратной последовательности можно
принять равной сопротивлению прямой последовательности.
Составление
схемы замещения нулевой последовательности.
Составление
схемы нулевой последовательности следует начинать от точки, где возникла
несимметрия.
Произведем
преобразование схемы нулевой последовательности
Z13=(3.5*ZL3)+Z12+((3.5*ZL3)+Z12/Z10)=0.2627 +
3.4570i=Z10+Z12+(Z10*Z12/3.5*ZL3)=-0.8774 + 4.3202i=(3.5*ZL3)+Z10+(3.5*ZL3*Z10/Z12)=0.8944
+ 4.9911i=Zk14*Z9/(Zk14+Z8)=-0.0218 + 0.6072i=Zk15+Zk16+(Zk15*Zk16/(3.5*ZL4))=
0.1659 +10.4276i=3.5*ZL4+Zk16+(3.5*ZL4*Zk16/Zk15)= 0.1622 +
1.2882i=3.5*ZL4+Zk15+(3.5*ZL4*Zk15/Zk16)=3.5983
+10.2198i=Zk13*Zk17/(Zk13+Zk17)= 0.1584 + 2.5980i=Zt3*Zk18/(Zt3+Zk18) =0.0251 +
0.5104i=Zt4*Zk18/(Zt4+Zk18)= 0.0431 + 0.6677i=3.5*Zl1+Zk21+(3.5*Zl1*Zk21/Zk19)
= 0.1708 + 1.1342i=Zk19+Zk21+(Zk19*Zk21/(3.5*Zl1)) =4.9332
+19.6679i=3.5*Zl1+Zk19+(3.5*Zl1*Zk19/Zk21)= 10.3324
+22.0173i=Zz22*Zk24/(Zz22+Zk24) =0.0676 +
0.9312i=Zk25*3.5*ZL2/(Zk25+3.5*ZL2)=0.2088 + 0.8462iekv1=Zt1*Zt2/(Zt1+Zt2) =0 +
0.1692iekv2=(Zk23*(Zk26+Zk27))/(Zk23+Zk26+Zk27)=0.1056 +
0.6924iekv=Z0ekv1*Z02ekv/(Z0ekv1+Z02ekv)= 0.0040 + 0.1365i
Схема
будет иметь окончательный вид

Ток
однофазного КЗ:
Ikz1=(3*Eekv/(2*Zekv+Z0ekv))*Ib
=2.7616 - 8.5298i=8,9 кА
Ток
двухфазного КЗ:
Ikz2=(1.73205*Eekv/(2*Zekv))*Ib=1.8946
- 5.9320i=6,22 кА
Ток
двухфазного КЗ на землю:
Ikz21=((1.73205*Eekv*(1Zekv*Z0ekv/(Zekv+Z0ekv)^2)^0.5)/
(Zekv+Zekv*Z0ekv/(Zekv+Z0ekv)))*Ib =2.6620 -
8.1925i=8,61 кА
Однофазное КЗ

.

.

=0.3667
- 1.1327i=(-0.5+0.886j) a2=(-0.5-0.866j)=Ia*a2=-1.1643 + 0.2488i=Ia*a=0.8202 +
0.8913i=Ia*a=0.8202 + 0.8913i=Ia*a2=-1.1643 + 0.2488i=-Ia*(Zekv+Z0ekv)=-0.5376
- 0.1666i=Ia*Z0ekv=0.1561 + 0.0455i=Ia*Zekv= 0.3816 +
0.1211i=Ia*((a-a2)*Zekv+(1-a2)*Z0ekv)=-0.0174 +
0.8719i=Ia*((a2-a)*Zekv+(1-a)*Z0ekv)=0.4865 - 0.7385i=Ua1*a2=0.1246 +
0.5489i=Ua2*a =-0.2980 + 0.2775i=Ua1*a=0.4164 - 0.3931i=Ua2*a2=-0.0860 - 0.3910i
Двухфазное КЗ


=
0
Ia1=Eekv/(Zekv*2)=0.4358 - 1.3643i=Ia1*(a2-a)=-2.3631 -
0.7547i=Ia1*Zekv=0.4596 + 0.1438i= Ua2=Ua1*2=0.9192 + 0.2876i=Ia1*a2=-1.3994 +
0.3048i=Ia1*a=0.9636 + 1.0595i=-Ib=2.3631 + 0.7547i=Ua1*a2= -0.1053 -
0.4699i=Ua1*a=-0.3543 + 0.3261i
Двухфазное КЗ на землю

=0

Ia1=Eekv/(Zekv+Zekv*Z0ekv/(Zekv+Z0ekv))=0.6841 -
2.1147i=-Ia1*Zekv/(Zekv+Z0ekv)=-0.4968 +
1.5007i=-Ia1*Z0ekv/(Zekv+Z0ekv)=-0.1874 + 0.6140i=Ia1*a2+Ia2*a+Ia0=-3.4420 -
0.1116i=Ia1*a+Ia2*a2+Ia0=2.8922 + 1.9573i=Ia1*a2= -2.1734 +
0.4649i=Ia1*a=1.5316 + 1.6635i=Ia2*a2=1.5480 - 0.3202i=Ia2*a=-1.0812 -
1.1905i=-Ia1*Zekv*Z0ekv/(Zekv+Z0ekv)=-0.2068 - 0.0618i=Ia2*Zekv=-0.5056 -
0.1641i=Ia0*Z0ekv=-0.0846 - 0.0231i=Ua1*a2=0.0499 + 0.2100i=Ua1*a=0.1581 -
0.1524i
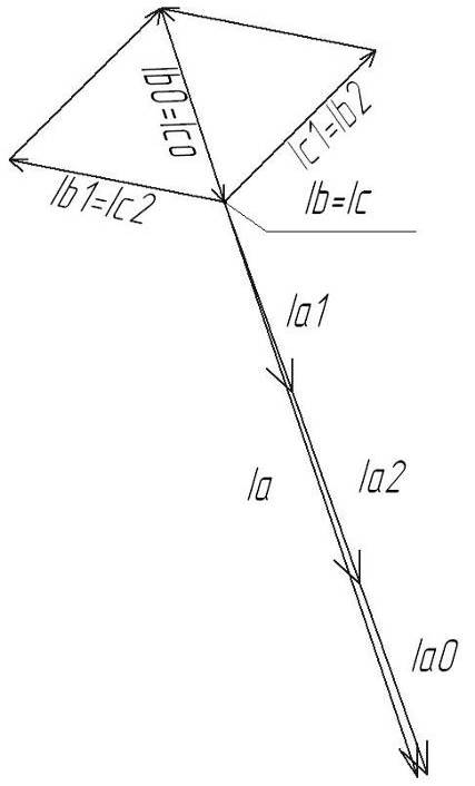
5. Векторные диаграммы токов и напряжений для
несимметричных КЗ
Масштаб = 0.1 о.е.на 1см
Диаграмма токов однофазного КЗ
Диаграмма напряжений однофазного КЗ
Диаграмма токов двухфазного КЗ
Диаграмма напряжений двухфазного КЗ
Диаграмма напряжений двухфазного КЗ на землю
Диаграмма токов двухфазного КЗ на землю
6. Расчет ударного тока короткого замыкания
Определяем постоянную времени:
Определяем ударный коэффициент:
Определяем ударный ток в именованных единицах:
Определяем
наибольшее действующее значение полного тока КЗ:
7. Расчёт тока установившегося трёхфазного КЗ с учетом
действия АРВ
. Находим сопротивление от генераторов до точки КЗ:
2.
Находим критические сопротивления для генераторов и определяем режим их работы
Для
первого и второго генераторов критическое сопротивление больше внешнего - режим
предельного возбуждения
В
остальных случаях критическое сопротивление меньше внешнего и выбираем
нормальный режем работы т.е.
1.
Представим схему замещения
Преобразуем данную схему замещения, для этого:
1. Преобразуем параллельно включенные ЭДС первого генератора и
первой нагрузки, затем второго генератора и второй нагрузки:
Ee1=(3.39*Zn1+0*Zg1)/(Zn1+Zg1)= 2.8531 -
0.4466i=(3.39*Zn2+0*Zg2)/(Zg2+Zn2)= 3.1469 - 0.3168i
2. Вычислим сопротивления стоящие между соответствующими
генераторами и нагрузками
3.
Ze1=(Zn1*Zg1/(Zn1+Zg1))+Zt1 = 1.1791 +
7.9724i=(Zn2*Zg2/(Zn2+Zg2))+Zt2 = 0.8364 + 8.5832i
4.
Вычислим первые эквивалентные ЭДС и сопротивление
Eekv1=(Ee1*Ze2+Ee2*Ze1)/(Ze1+Ze2)= 2.9966 - 0.3876i=(Ze1*Ze2)/(Ze1+Ze2)
= 0.5106 + 4.1359i
5. Произведем преобразования для получения сопротивления и ЭДС
стоящих после точки короткого замыкания в схеме замещения. Так как в схеме
имеются автотрансформаторы, будем при необходимости преобразовывать звезды сопротивлений
в треугольники сопротивлений. Принимая ЭДС системы равными бесконечности, мы
имеем право разделять ветви с такими ЭДС на две:
Z1=Zat1n+Zc2+(Zat1n*Zc2/Zat1n) = 0 +
1.6200i=Zat2n+Zc2+(Zat2n*Zc2/Zat1n) = 0 + 1.6200i=Zat1n+Zat2n+(Zat1n*Zat2n/Zc2)
= 0 + 3.3210i=Zat1c+Zc1+(Zat1c*Zc1/Zat2c)= 0 +
0.9320i=Zat2c+Zc1+(Zat2c*Zc1/Zat1c) = 0 +
0.9320i=Zat1c+Zat2c+(Zat1c+Zat2c/Zc1)= -0.0420 - 0.0600i=Z1*Z11/(Z1+Z11) = 0 +
0.5916i=Z111 = 0 + 0.5916i=Z3*Z33/(Z3+Z33)= -0.0436 -
0.0605i=Zat1v+Z111+(Zat1v+Z111/Z333) = -6.4379 -
3.1215i=Z111+Z333+(Z111*(Z333/Zat1v)) = -0.0996 +
0.4532i=Zat1v+Z333+(Zat1v+Z333/Z111) = -0.1459 + 0.9331i=(Z5*Z222)/(Z5+Z222) =
-0.0316 + 0.2596i=Z6+Z7+(Z6*Z7/Zat2v)= -0.3241 + 1.7094i=Zat2v+Z7+(Zat2v*Z7/Z6)
= -0.0273 + 0.8470i=Zat2v+Z6+(Zat2v*Z6/Z7) = -0.2021 +
3.0531i=(Z4*Z8)/(Z4+Z8)=-0.7561 + 1.6357i=ZL3+Z12+(ZL3*Z12/Z10) = -0.7008 +
2.0063i=Z10+Z12+(Z10*Z12/ZL3) = -17.1860 +21.0105i=ZL3+Z10+(ZL3*Z10/Z12) =
0.1112 + 3.6068i=(Z14*Z9)/(Z14+Z8) = -0.0491 + 0.8004i=Z15+Z16+(Z15*Z16/ZL4) =
-4.9407 +19.6512i=ZL4+Z16+(ZL4*Z16/Z15)= 0.0097 +
1.0127i=ZL4+Z15+(ZL4*Z15/Z16)= 0.4623 + 4.5339i=Z13*Z17/(Z13+Z17)= -0.6190 +
1.8218i=(Zn3+Zt3)/(Zn3+Zt3+Z20)=0.9606 - 0.1250i=(Zn4+Zt4)/(Zn4+Zt4+Z18)=
0.9642 - 0.0527i=((Zn3+Zt3)*Z20)/(Zn3+Zt3+Z20)=-0.3670 + 1.8275i=((Zn4+Zt4)*Z18)/(Zn4+Zt4+Z18)=0.0627
+ 0.9760i=ZL1+Z21+(ZL1*Z21/Z19)= -0.3291 + 2.0690i=Z19+Z21+(Z19*Z21/Zl1)=
-16.0250 +52.1159i=Zl1+Z19+(Zl1*Z19/Z21)= 0.7252 +
5.0707i=(E13*Z22+E24*Z24)/(Z22+Z24) = 0.9637 -
0.0539i=Zz22*Z24/(Zz22+Z24)=0.0557 + 0.9602i=Z25*ZL2/(Z25+ZL2)=0.0561 +
0.2393i=(E13*(Z26+Z27)+E1324*Z23)/(Z23+Z26+Z27)= 0.9585 -
0.0795i=(Z23*(Z26+Z27))/(Z23+Z26+Z27) =0.0012 + 0.7705i
6. Рассчитаем окончательные эквивалентные ЭДС и сопротивление для
упрощенной схемы замещения:
Zekv=Zekv2*Zekv1/(Zekv2+Zekv1)= 0.0133 + 0.6508i=(
Eekv1*Zekv2+E2*Zekv1)/(Zekv2+Zekv1)= 1.2801 - 0.0948i
Наша схема примет окончательный вид:
Ikz(3)=Eekv/Zekv*Ib= -0.2647 - 4.9427i = 4.94 кА
2. Производим разворачивание схемы и нахождение токов и напряжений
на зажимах генератора:
U=Ikz*Zekv1=8.0941 - 1.4402i=(Ee1-U)/Ze1=0.0268 +
0.6614i=(Ee2-U)/Ze2=0.0740 + 0.5836i
=I1-U/Xt1=-18.3689 + 3.9344i=U-I3*Xt1=16.1764 -
3.1713i=U2/Zn1=0.2715 - 0.3531i=I1-U/Xt2=-29.3591 + 5.8205i=U-I33*Xt2=16.1679 -
3.0408i=U22/Zn2=0.1714 - 0.1565i=I3-I5=-18.6404 + 4.2876i=I33-I55=-29.5305 +
5.9770i
В ходе расчетов подтвердили, что генераторы работают в режиме предельного
возбуждения.
8. Расчет периодической составляющей тока
трёхфазного КЗ для момента времени 0,2 (с)
Определяем номинальные токи генераторов
Определяем токи КЗ от каждого генератора в отдельности:
По
типовым кривым изменения периодической составляющей тока КЗ от генератора
находим
:


ЗАКЛЮЧЕНИЕ
В
курсовой работе были произведены расчеты:
1. параметров схемы замещения.
. трехфазного КЗ.
. несимметричных КЗ:
однофазного КЗ.
двухфазного КЗ.
двухфазного КЗ на землю.
. ударного тока трехфазного КЗ.
. тока установившегося трёхфазного КЗ с учетом действия АРВ
. периодической составляющей тока трёхфазного КЗ для момента
времени 0,2 с.
А также были построены векторные диаграммы токов и напряжений для
несимметричных КЗ.
Список использованной литературы
1. В.Н.
Алябьев. Методические указания к курсовой работе «Расчет токов КЗ в
электроэнергетических системах». 2011г.
. Б.Н.
Неклепаев, И.П. Крючков. Справочник «Электрическая часть станций и подстанций».
1989г.
3. Калькулятор
комплексных чисел он-лайн
. Под
ред. Файбисовича Д. Л. Справочник по проектированию электрических сетей. 2009г.
. Л.Д.
Рожкова, В.С. Козулин «Электрооборудование станций и подстанций»