|
тип
|
Номинальное
напряжение, кВ
|
Номинальный
ток, кА
|
Предельный
сквозной ток короткого замыкания, кА
|
Термическая
стойкость, кА2сек
|
Тип
привода
|
|
|
|
амплитудный
|
|
|
|
РВЗ-10/400
|
10
|
400
|
50
|
1000
|
2
ПР-10
|
2.4 Составление однолинейной схемы
первичных соединений ТП
Рис 3. Однолинейная схема первичных соединений
ТП.
Таблица 4
3. Расчёт токов короткого замыкания
Коротким замыканием (КЗ) называют всякое
случайное или преднамеренное, не предусмотренное нормальным режимом работы,
электрическое соединение различных точек электроустановки, при которых токи в
ветвях электроустановки резко возрастают, превышая наибольший допустимый ток
продолжительного режима.
В системе трехфазного переменного тока могут
быть замыкания между тремя фазами, между двумя фазами и однофазные КЗ.
Причинами коротких замыканий могут быть:
механические повреждения изоляции - проколы и разрушения кабелей при земляных
работах; поломка фарфоровых изоляторов; падение опор воздушных линий; старение
изоляции, приводящее постепенно к ухудшению электрических свойств изоляции;
увлажнение изоляции и другие причины. Некоторые КЗ являются устойчивыми,
условия возникновения их сохраняются во время бестоковой паузы коммутационного
аппарата. Условия неустойчивых КЗ самоликвидируются во время бестоковой паузы.
Для уменьшения последствия тока КЗ необходимо
как можно быстрее отключить поврежденный участок, что достигается применением
быстродействующих выключателей и релейной защиты с минимальной выдержкой
времени. Все электрические аппараты и токоведущие части должны быть выбраны
таким образом, чтобы исключалось их разрушение при прохождении токов КЗ.
Для расчетов токов КЗ составляется расчетная
схема - упрощенная однолинейная схема электроустановки, в которой учитываются
все источники питания, трансформаторы, воздушные и кабельные линии, реакторы.
Ток КЗ для выбора токоведущих частей и аппаратов
рассчитывается при нормальном режиме работы электроустановки: параллельное
включение всех источников, параллельная или раздельная работа трансформаторов и
линий, которая зависит от нормального режима работы секционного выключателя на
подстанциях.
Генераторы, трансформаторы, воздушные линии,
реакторы обычно представляются в схеме замещения их индуктивными
сопротивлениями, так как активные сопротивления во много раз меньше
индуктивных.
Все сопротивления рассчитываются в именованных
(Ом) или в относительных единицах. Способ подсчета на результат расчета не
влияет. Для расчета сопротивлений задаются базовыми величинами: напряжением Uб
и мощностью Sб. За базовое напряжение принимают среднее номинальное напряжение
той ступени, где производится расчет токов КЗ.
Для удобства и упрощения расчетов необходимо
расчетную схему заменить эквивалентной схемой замещения, где все сопротивления
выражены в одних и тех же единицах. Схема замещения составляется для всех точек
КЗ.
Все элементы на схемах замещения показываются в
виде активных и индуктивных сопротивлений. Схемы замещения постепенно
упрощаются путем эквивалентных преобразований и сводятся к одному
результирующему сопротивлению.
3.1 Разработка расчётной схемы и
выбор точек короткого замыкания
Рис.3 Однолинейная расчётная схема с обозначением
точек короткого замыкания.
3.2 составление
схемы замещения для точки К1
рис.4
Схема замещения для точки К1
На рисунке 4 показаны: а) схема замещения для т.
К1; б,) упрощенная схема; в) эквивалентная схема
За базовое напряжение принимают среднее
напряжение, на котором производится расчет короткого замыкания.
Напряжение к.з. uк% [Л-1:
таб.14-25, с404] соответствует сопротивлению трансформатора в относительных
единицах(zT%), а т.к.
активное сопротивление невелико, обычно принимают zT%≈хT%≈ uк%
Для линий принимаем по [Л-1, стр
396]
Система 1
Линия 2
Линия 3
Трансформаторы 4,5
Линия 6
Путём последовательного сложения индуктивных
сопротивлений, после упрощения схемы замещения, определяется результирующее
сопротивление схемы для точки К1:
Для того, чтобы определить, от
какого типа источника (ограниченной или неограниченной мощности) питается
данная система, определяется расчётное индуктивное сопротивление Храсч :

так как Х*расч < 3 то, делаем вывод, что,
система питается от источника ограниченной мощности, и на основании этого
производим расчет токов короткого замыкания:
Ку - ударный коэффициент
определяется из [Л-1., с.338, табл.36-5]
На основании кривой [лит 5], стр. 36, приложение
2В, получим
Для
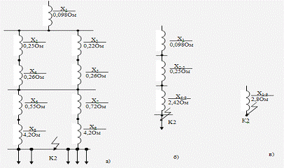
3.3 Составление схемы замещения для
точки К2
Рис.5 Схема замещения для точки К2
на рисунке 5
показаны: а) схема замещения т.К2; б) упрощенная схема в) эквивалентная схема
Базисные условия принимаем
Система 1
Линия 2
Линия 3
Трансформаторы 4,5
Линия 6
Линия 7
Трансформаторы 8,9
Путём последовательного сложения индуктивных
сопротивлений, после упрощения схемы замещения, определяется результирующее
сопротивление схемы для точки К2:
Для того, чтобы определить, от
какого типа источника (ограниченной или неограниченной мощности) питается
данная система, определяется расчётное индуктивное сопротивление Храсч :
так как Х*расч > 3 то, делаем вывод, что,
система питается от источника неограниченной мощности, и на основании этого
производим расчет токов короткого замыкания:
4. Проверка коммутационно-защитной
аппаратуры на действие токов к.з.
электроаппараты
выбираются по расчетным условиям нормального режима (номинальному току и
напряжению) и проверяют на работоспособность в условиях анормального режимах
(допустимый нагрев продолжительным расчетным током, термическая и
электродинамическая стойкость при к.з.)
По [лит. 3], стр. 280 § 7-21, таблица 7-15
выберем характеристики, по которым будем проверять выбранные аппараты:
Для масляных выключателей должны выполняться
требования:
Для разъединителей необходимым
условием являются:
если
, то
.
Для проверки трансформаторных
аппаратов по высшему напряжению необходимо брать токи и напряжения от линий
системы до вводов трансформаторов. Значит берем токи точки К1.
Проверка трансформаторных масляных
выключателей по высшему напряжению:
Проверка трансформаторных
разъединителей по высшему напряжению:
Для проверки трансформаторных
аппаратов по низшему напряжению необходимо брать токи и напряжения от
трансформаторов до секционных шин подстанции. Т.к. токи и напряжения у всех
трансформаторов одинаковые то проверим аппараты только у одного трансформатора,
а у второго примем по результатам этой проверки. Для проверки берем токи точки
К2.
Проверка трансформаторных масляных
выключателей по низшему напряжению:
Проверка трансформаторных
разъединителей по низшему напряжению:
Для проверки секционной аппаратуры
необходимо учитывать, что при самом тяжелом режиме по ним протекают токи от
двух трансформаторов. Поэтому токи точки К2 для проверки аппаратов удваиваются.
Проверка секционных масляных
выключателей:
Проверка секционных разъединителей:
Для проверки линейных аппаратов
учитываем, что через них при коротком замыкании протечет ток равный двойному
значению тока от трансформаторов (т.к. секционные аппараты находятся в
положении «включено»).
Проверка линейных масляных
выключателей:
Проверка линейных разъединителей:
По результатам проверки видно, что
характеристики выбранной аппаратуры в несколько раз превосходят значения токов
коротких замыканий. Значит аппараты выбраны верно.
Заключение
В данной курсовой работе произведен выбор
основного электротехнического оборудования. В соответствии с заданными
мощностями и напряжения, руководствуясь соответствующей литературой, выбрали
тип трансформаторов. Была разработана схема выдачи электроэнергии, произведен
расчет токов, протекающий по питающим и отходящим линиям. В зависимости от
величины напряжения и категории потребителя выбраны коммутационные аппараты,
указанные на ранее разработанной однолинейной схеме первичных соединений.
Аппараты выбраны по параметрам нормального рабочего режима. Произведен расчет
токов короткого замыкания, для чего разработана расчетная схема и схема
замещения для каждой точки короткого замыкания в отдельности. Выполнена
проверка коммутационно-замкнутой аппаратуры на электродинамическую и
термическую устойчивость. Данная проверка показала, что выбранные ранее
аппараты соответствуют требованиям проверки.
Использованная
литература
1.
А.Д. Акатов «Электроснабжение и электрическая часть станций и подстанций»,
часть 1, Ленинград 1977 г.
.
П.Г. Грудинский «Электротехнический справочник», том 1, Энергия, Москва 1974 г.
.
Б.Н. Неклепаев «Электрическая часть электростанций», Энергия,
Москва
1976 г.
.
К.М. Поярков «Электрические станции подстанции линии и сети», Москва, «Высшая
школа» 1974г.
.
Методические указания для выполнения курсового и дипломного проектирования на
тему: «расчет токов короткого замыкания», Часть 1, г. Камышин 2002 г.
1.