Электропривод станка
Введение
станок
электропривод трансформатор тиристор
Технический процесс в машиностроении
связан с непрерывно усложняющейся технологией производства, с повышением
требований к точности изготовления изделий и их качеству при всё более сложном
процессе их обработки. Вместе с тем растёт объём производства, что выдвигает
требование повышения производительности машин за счёт увеличения как их
мощности, так и скорости обработки изделий./3/
Повышение эффективности производства
и качества продукции в значительной степени определяется комплексной
автоматизацией технологических процессов в машиностроении. Комплексная
автоматизация основывается на применении автоматических машин для основных и
вспомогательных операций, а также на использовании средств вычислительной техники.
Системы управления механической
обработкой на станках относятся к механическим системам и предназначены для
осуществления технологического процесса резания металлов. Целью движения в
таких системах является изготовление деталей заданной формы.
Тяжелые токарные станки
предназначаются для обточки наружных и внутренних цилиндрических и конических
поверхностей, подрезки торцов и отрезки тяжелых деталей большого диаметра.
Отечественная промышленность выпускает много типоразмеров токарных станков, из
которых наиболее крупные имеют высоту центров до 2000 мм и допускают обработку
деталей весом до 250 г. Учитывая трудность установки на станке таких крупных
деталей, тяжелые токарные станки с целью расширения их технологических
возможностей часто оснащаются дополнительными (съемными) приспособлениями,
позволяющими с одной установки детали осуществлять, помимо ее токарной
обработки, фрезерование, шлифование, глубокое сверление и другие
технологические операции, которые могут потребоваться по ходу обработки.
Электрооборудование станка включает
в себя электроприводы: планшайбы передней бабки (главный привод); подачи и
установочного перемещения суппортов; подачи съемного винторезного суппорта;
установочного перемещения винторезного суппорта; перемещения задней бабки; выдвижения
пиноли; закреплении задней бабки; перемещения люнетов.
Кроме того, на станке имеются пять
электроприводов масло-насосов и электроприводы съемных приспособлений:
фрезерного и шлифовального. Всего, таким образом, рассматриваемый станок
обслуживается 18 электрическими приводами, включающими 30 электрических машин,
общая мощность которых составляет около 700 кВт.
При конструировании тяжелых токарных
станков большое внимание уделяется обеспечению удобного и гибкого управления
ими. При этом стремятся к тому, чтобы рабочий, обслуживающий станок, имел
возможность управлять, им с любого рабочего места (т.е. каждым из суппортов),
не прекращая наблюдения за процессом резания.
Исходя из этого, на тяжелых токарных
станках устанавливают пульты управления на каждом суппорте, а также на передней
и иногда на задней бабках. На пультах суппортов располагают электрические
командоаппараты, несущие функции выбора режима работы и управления главным
электроприводом станка и электроприводом данного суппорта, т.е. дающие команду
на пуск в ход, регулирование скорости и остановкусоответствующих приводных
двигателей. На пульте передней бабки станка устанавливают командоаппараты
управления главным электроприводом, а также измерительные приборы,
контролирующие нагрузку главного двигателя и скорость вращения планшайбы. Таким
образом, главным двигателем станка обычно можно управлять из трех-четырех мест,
а электроприводом каждого суппорта - из одного места. Управление
электроприводами вспомогательных механизмов станка (задней бабки, люнетов и
т.п.) обычно осуществляется с пультов, расположенных на этих механизмах.
Для облегчения управления тяжелыми
токарными станками в их электрооборудовании предусматривается целый ряд
автоматических приспособлений. Наиболее эффективными из них являются
электрокопировальные устройства, позволяющие автоматически обрабатывать на
станке некоторые детали сложной формы. В данном случае применяются относительно
простые и надежные системы прерывистого электрокопирования. Кроме того, на
тяжелых токарных станках применяют устройства для автоматического поддержания
постоянства скорости резания при обработке торцов с большим перепадом диаметров
точения, устройства для замера на ходу обрабатываемой детали и т.п.
В современных станках главный привод
кроме стабилизации частоты вращения должен обеспечить режим позиционирования
инструмента, а также резьбонарезания. Эти режимы требуют согласования
перемещений механизмов главного привода и подачи. Различные технологически
режимы обработки деталей и свойства применяемого инструмента требуют от
электропривода главного движения большого диапазона регулирования (500 - 4000 и
более), а также сокращение времени переходных процессов пуска-торможения,
обеспечения апериодического характера снижения частоты вращения при позиционировании
и т.д. Повышенные требования предъявляются к динамическим характеристикам
приводов по управляющему воздействию, так как общее время пусков-торможений на
некоторых технологических операциях может составлять 5-10% от всего времени
отработки заданной программы.
Наиболее жесткие требования к
времени и остановке предъявляются в станках типа «обрабатывающий центр» в
режиме смены инструмента. Здесь допустимое время переходного процесса не должно
превышать 2 с. Величина перерегулирования при управляющем воздействии обычно
допускается 20% от установленного значения частоты вращения, но при остановке
электропривода изменение направления шпинделя недопустимо.
Допустимое отклонение частоты
вращения двигателя при возмущении со стороны нагрузки должно составлять не более
30%. При этом время восстановления заданной частоты вращения определяется
особенностями технологического процесса резания. Например, при фрезеровании оно
не должно превышать повтора фрезы I зуб.
Электроприводы главного движения
должны иметь регулируемое токоограничение, защиту от перегрузок, превышения
скорости, обрыва цепи возбуждения, обрыва цепи обратной связи по скорости и др.
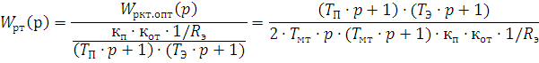
Расчёт системы управления станком
содержит следующие основные этапы:
) Определение исходных данных
для расчета. На основании анализа работы механизма определяются исходные
данные: максимальное значение момента на валу двигателя, максимальная скорость
подачи.
2) Выбор основных элементов
электропривода. Выбираются исполнительный двигатель, редуктор, комплектный
электропривод и датчики. Построение структурной схемы.
3) Определение динамических
характеристик заданной части. На основе динамических характеристик выбранных
элементов определяются передаточные функции системы электропривода, расчёт их
параметров.
4) Синтез динамических
характеристик системы. Определение передаточных функций регуляторов.
5) Построение переходных
процессов системы и определение показателей качества этих процессов.
Параметры рабочего механизма:
Кpz=1.0
КV=1.15
Cpz=100v=160v=0.15v=0.7=0.15pz=1.0pz=0.8p=0,
мин: 70
Глубина резания, мм: t=3
Величина подачи, мм/об: s=0.7
Номинальный КПД станка: зст ном=0.75
Момент инерции вращающихся частей,
приведённый к валу двигателя, кг·м2: J=0.6
Максимальная скорость шпинделя, 1/с:
щшп макс=20
Общий диапазон регулирования скорости,
DУ=160
Жёсткость механической
характеристики замкнутой системы, vз=0.04
Величина перерегулирования, у=35%
Длительность переходного процесса
при ступенчатом управляющем воздействии, с: tп=0.5
Скорость резания, м/мин:
Усилие резания, Н:
Расчёт мощности двигателя
производится исходя из длительного режима работы по формуле, кВт:
1. Выбор электродвигателя
Согласно рассчитанному значению
мощности выбираем двухфазный асинхронный двигатель АДЧ132М4БТ. Его параметры
/1/
Номинальная мощность, кВт: Рн=5.6
Номинальная скорость вращения,
об/мин: nH=910
Номинальный ток, А: IH=13.8
Номинальный ток намагничивания, А: Iм=7
Номинальное напряжение, В: UH=220
Индуктивность фазы двигателя, мГн:Lф=10.5
Активное сопротивление фазы статора,
Ом: Rфс=0.69
Приведённое активное сопротивление
фазы ротора, Ом: R`фр=1.4
Приведённое индуктивное
сопротивление фазы ротора, Ом: Х`фр=1.1
Момент инерции, кг·м2: J=0.04
Рисунок 1 - Схема
замещения АД.
-Первичное фазное
напряжение, В;
- фазный ток статора,
А;
-ток намагничивания, А;
- приведенный ток
ротора, А;
R1
и R`2 - первичное и вторичное приведенное активное сопротивление, Ом;
X1
и X`2 - первичное и вторичное приведенное реактивное сопротивление,
Ом;
и
-
- активное и реактивное сопротивление контура намагничивания, Ом.
2. Выбор комплектного электропривода
В качестве электропривода главного
движения используется тиристорный асинхронный электропривод серии ЭТА-1. Он
представляет собой комплектный электропривод, выполненный на базе тиристорного
преобразователя частоты с непосредственной связью. Обеспечивается однозонное регулирование
частоты в диапазоне 1:1000.
Питание электропривода
осуществляется от трёхфазной сети переменного тока. Электропривод выполнен на
базе трёхфазно-двухфазного шестипульсного преобразователя частоты, реализующего
частотно токовый способ управления и принцип ориентации системы координат
двигателя путём задания угла поворота её осей относительно ротора двигателя.
Силовая схема ПЧ состоит из двух
реверсивных тиристорных преобразователей постоянного тока с раздельным
управлением комплектами вентилей. Статорные обмотки двигателя питаются от
автономных преобразователей и гальванически развязаны друг от друга. Система
управления выполнена по двухконтурной схеме подчинённого регулирования с
пропорционально-интегральным регулятором скорости и пропорциональным регулятором
тока. Структурная схема представлена на рисунке 1.
3. Выбор силового трансформатора
Ориентировочно зададимся возможными
падениями напряжения в различных элементах тиристорного преобразователя. Для
этого рассчитаем ориентировочное значение ЭДС холостого хода преобразователя
/1/.
Расчёт ориентировочного значения ЭДС
холостого хода, В:
где K1 - коэффициент перегрузки электродвигателя по току (К1=1);
RУ - суммарное активное сопротивление цепи выпрямленного тока
(величина
ориентировочно
принимается равной 0.1UдвН); ∆UB - напряжение
спрямления вольт-амперной характеристики (∆UB=0.5 В); Кс
- коэффициент, определяющий возможные колебания напряжения в питающей сети (Кс=1.1);
бmin - минимальный угол регулирования преобразователя (бmin=10⁰); А -
коэффициент, характеризующий наклон
нагрузочной характеристики от влияния коммутации вентилей (А=1); Uk% - напряжение короткого замыкания трансформатора;
- коэффициент, определяющий степень загрузки преобразовательного
трансформатора.
Значение требуемого фазного
напряжения на вторичной стороне преобразовательного трансформатора, В:
Рассчитаем типовую мощность
трансформатора, кВт:
Действующее значение тока вторичной
обмотки, А:
Согласно рассчитанных данных
выбираем трансформатор типа ТСП-10/0.7-УХЛ4 с параметрами:
Номинальная мощность SТН=7.3 кВ·А
Напряжение первичной обмотки U1=380 B
Напряжение вторичной обмотки
(фазное) U2=132.794 B
Номинальный ток вторичной обмотки I2=25 А
Потери короткого замыкания ∆РКЗ=320
Вт
Определим действительное значение
ЭДС холостого хода преобразователя, В, которым будем пользоваться в дальнейших
расчётах:
4. Выбор тиристоров
Для трёхфазной мостовой схемы
выпрямления отношение максимального обратного напряжения на вентилях к ЭДС
холостого хода преобразователя определяется величиной /1/:
где Uvm - максимальное
обратное напряжение на вентилях.
Выражая Uvm, В, получим:
Необходимый класс вентилей по
напряжению, В:
где Кn и Кн -
коэффициенты, учитывающие повторяющиеся и кратковременные перенапряжения на
вентилях.
Выбор вентиля по току производим на
основании максимального среднего значения тока, проходящего через тиристор, А:
Исходя из рассчитанных данных
выбираем тиристор низкочастотный нелавинный типа Т112-10, его параметры:
Предельный ток тиристора Iпред=10 А
Класс: 7
Величина повторяющегося напряжения: Uп=700 В
Время включения 10 мкс
5. Выбор тахогенератора
Выбираем тахогенератор типа ТД-100,
его технические данные представлены в таблице 1:
Таблица 1 - Технические данные
тахогенератора ТД-100
|
Мощность, Вт
|
8
|
|
Напряжение, В
|
100
|
|
Ток, А
|
0.08
|
|
Сопротивление обмотки якоря, Ом
|
200
|
|
Частота вращения, об/мин
|
1000
|
6. Расчёт параметров
тиристорного преобразователя
Для построения системы подчинённого
регулирования необходимо определит динамические параметры элементов системы.
Тиристорный преобразователь описывается апериодическим звеном первого порядка.
Необходимо определить для него коэффициент передачи и постоянную времени.
Для определения передаточного
коэффициента необходимо построить регулировочную характеристику тиристорного
преобразователя.
Еd(б)=Ed0·cos(б),
Еd(б)=
310.617·cos(б).
Регулировочная характеристика
представлена на рисунке 2:
Рисунок 2 - Регулировочная
характеристика тиристорного преобразователя
Передаточный коэффициент может быть
найден:
Постоянная времени тиристорного
преобразователя, с: ТТП=0.007.
7. Расчёт параметров цепи фазы двигателя
,
где RTP - активное
сопротивление обмоток трансформатора, приведённое к цепи выпрямленного тока,
Ом:
Индуктивность цепи фазы
двигателя, Гн:
Постоянная времени цепи
двигателя, с:
Найдём жёсткость
механической характеристики двигателя:
где Мк - критический
момент, Н·м, sк - критическое
скольжение, щ0 - угловая частота холостого хода, 1/с;
Величина критического скольжения:
где Хк - индуктивное
сопротивление короткого замыкания, Ом:
Величина критического момента, Н·м:
Тогда жёсткость механической
характеристики двигателя:
Электромеханическая постоянная
времени, с:
8. Расчёт передаточных
коэффициентов обратных связей
Передаточный коэффициент обратной
связи по току, Ом:
Передаточный коэффициент обратной
связи по скорости, В·с:
где
- номинальная угловая частота вращения двигателя, 1/с:
Структурная схема электропривода
представлена на рисунке 4.
9. Расчёт контура
регулирования тока
Рисунок 3 - Контур
регулирования тока
Настройку
рассматриваемого контура тока производим на модульный оптимум. Некомпенсируемая
малая постоянная времени контура тока TмТ с достаточной точностью
может быть принята равной Tтп.
Оптимальная передаточная
функция разомкнутого контура тока:

Передаточная функция разомкнутого
контура тока:
Передаточная функция регулятора тока
имеет вид:
Передаточная функция регулятора тока
имеет вид ПИ-регулятора с коэффициентом усиления крт и постоянной
времени Трт:
ПИ - регулятор реализуется на
операционном усилителе с помощью RC - цепочек:
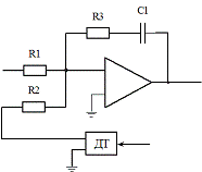
Рисунок 5 - Схема регулятора тока
Определим параметры элементов
регулятора: зададимся значением ёмкости конденсатора С1=1 мкФ;
тогда:
R3= ТРТ/С1;
R3=0.065/10-6=6.5
кОм;
R1=R2=R3/kPТ;
R1 =6500/0.35=18.52 кОм;
Передаточная функция замкнутого
контура тока:
Пренебрегая вторым порядком малости:
где
- некомпенсируемая малая постоянная времени контура скорости, с:
10. Расчёт контура
регулирования скорости
Рисунок 6 - Контур
регулирования скорости
Настройку контура
скорости производим на симметричный оптимум. Оптимальная передаточная функция
разомкнутого контура скорости:
Передаточная функция
разомкнутого контура скорости:
Передаточная функция
регулятора скорости имеет вид:

Передаточная функция регулятора
скорости имеет вид ПИ-регулятора с коэффициентом усиления крс и
постоянной времени Трс:
ПИ - регулятор реализуется на
операционном усилителе с помощью RC - цепочек:
Рисунок 7 - Схема
регулятора скорости
Определим параметры
элементов регулятора: зададимся значением ёмкости конденсатора С1=1
мкФ; тогда:
R3=
ТРС/С1;
R3 =0.014/10-6=14
кОм;
R1=R2=R3/kPС;
R1 =14000/195.579=71.58 Ом;
В общем виде систему управления
структурно можно представить состоящей из объекта управления и управляющего
устройства связанных между собой каналами прямой и обратной связи (рисунок 10).
Объектом управления является металлорежущий станок совместно с процессом
обработки. Управляющее устройство включает в себя приводы рабочих механизмов и
устройство числового программного управления (УЧПУ), а также датчики
механических перемещений рабочих механизмов станка и режимов обработки /2/.
Силовая схема преобразователя
частоты состоит из двух реверсивных тиристорных преобразователей постоянного
тока ТП1 и ТП2 с раздельным управлением комплектами вентилей. Статорные обмотки
двигателя М питаются от автономных преобразователей и гальванически развязаны
друг от друга. Первый преобразователь: V1..V12, второй: V13..V24. Нагрузкой преобразователя
являются фазные обмотки асинхронного двигателя. В цепь переменного тока
включены датчики Т1..Т6, формирующие сигналы обратно связи по току. Для защиты
от перенапряжений силовые тиристоры обоих преобразователей шунтированы RC - цепочками.
Систеиа управления электроприводом
выполнена по двухконтурной схеме подчинённого регулирования с
пропорционально-интегральным регулятором скорости и
пропорционально-интегральным регулятором тока. Обеспечивается синусоидальная
форма тока обмоток статора.
Задающее воздействие на привод (щзад=±10
В) через задатчик интенсивности ЗИ поступает на вход РС, где сравнивается с
сигналом обратной связи по частоте вращения ротора щр, снимаемы с
тахогенератора GN. ЗИ выполнен на усилителе А1.1 и интеграторе А1.2, охваченных
отрицательной обратной связью. РС выполнен на усилителе А2. Сигнал
отрицательной обратной связи по скорости подаётся через резистор R7. Сопротивление R37 и потенциометр R33 предназначены для ограничения
максимального выходного напряжения РС в режиме токоограничения.
Регулятор скорости формирует
аналоговый сигнал задания частоты скольжения щs, пропорционально
которому задаётся приведённый к статору ток ротора I`р. Сигнал,
пропорциональный I`р, подаётся на вход координатного преобразователя КП.
На второй вход КП с потенциометра R93 поступает сигнал амплитуды тока намагничивания ротора Iм.
КП с помощью вспомогательных
сигналов sinщt и cosщt преобразуют опорные выходные сигналы I`р и Iм в сигналы задания
синусоидальных токов i1=iб и i2=iв, поступающих на входы регуляторов тока РТ1 и РТ2:
i1= I`р cosщt+ Iм
sinщt2= Iм cosщt - I`р sinщt
где щ=щр+щs - частота вращения поля
статора. Вспомогательные сигналы sinщt и cosщt формирует генератор синусоидальных колебаний (ГСК).
Формирователь сигнала щ=щр+щs выполнен на усилителе А5.
КП выполнен на цифро-аналоговых
преобразователях D8, D9, D11, D12 и усилителях А5.1, А5.2, А6.1, А6.2, А8.1, А8.2, А9.1 и А9.2,
сумматорах А11.1 и А12.1.
Узел «напряжение - частота» УНЧ
преобразует аналоговый сигнал задания частоты скольжения щs регулятора скорости в
прямоугольные импульсы с частотой следования, пропорциональной частоте
скольжения ротора двигателя, а узел формирования узких импульсов УФИ
преобразует выходные сигналы УНЧ и датчика положения ротора ДПР в сдвинутые во
времени друг от друга синхронизированные дискретные импульсы щsи - с частотой следования, пропорциональной частоте скольжения, и щри
- с частотой следования, пропорциональной скорости вращения ротора двигателя.
УНЧ включает в себя выпрямитель А1.1, А1.2, интегратор А6.1, релейный элемент
А6.2, транзисторы V17 и V31. УФИ включает в себя генератор синхроимпульсов, выполненный на
микросхеме D9, делитель частоты на микросхеме D10, оптронную развязку сигнала датчика
ДПР (D8), формирователи последовательности узких импульсов частоты
скольжения ротора (D13.1 и D13.2) и частоты вращения ротора (D11.1, D11.2, D14.1, D12.2, D12.3).
Узел сложения - вычитания УСВ на
основе информации о частоте скольжения щsи и частоте вращения щри, а также информации узла логики
(УЛ) формирует сигнал задания частоты вращения поля статора щ1и.
Если знаки аналоговых сигналов щр и щs совпадают, то УЛ выдаёт
в УСВ команду на сложение импульсных сигналов, т.е. щ1и=щри+щsи, что соответствует двигательному режиму работы Если знаки
сигналов щр и щs не совпадают, то УСВ производит вычитание импульсных сигналов щри
и щsи, и двигатель переходит
в тормозной режим работы. При щри > щsи, щ1и=щри-щsи и двигатель работает в тормозном генераторном режиме. При щри
< щsи, щ1и=щsи-щpи, изменяется направление
вращения вектора поля статора и двигатель переходит в режим торможения
противовключением, обеспечивая эффективное дотормаживание.
Направление вращения вектора поля
статора (т.е. прямое или обратное чередование питающих двигатель синусоидальных
токов) задаётся в УЛ в зависимости от знаков аналоговых сигналов щр
и щs. Импульсный сигнал щ1и, пропорциональный частоте
вращения поля статора, в ГСК преобразуется в гармонические сигналы sinщt и cosщt. При этом с изменением
знака аналогового сигнала щ сигналы sinщt и cosщt меняются местами.
Сформированные в КП заданные
значения синусоидальных токов i1 и i2 поступают на входы регуляторов тока РТ1 и РТ2, соответственно.
Амплитуды токов задания определяются уровнем сигналов Iм=const и I`р = var, пропорционального
частоте скольжения щs и ограничиваемого на выходе РС на допустимом уровне.
На входе РТ осуществляется
алгебраическое суммирование сигнала задания синусоидального тока i1 и сигнала отрицательной обратной связи, формируемого датчиком
тока ДТ и переключателем характеристик ПХ3.
Выходное напряжение РТ поступает на
вход нелинейного звена НЗ1, имеющего характеристику, обратную регулировочной
характеристики тиристорного преобразователя в зоне прерывистых токов, что обеспечивает
постоянство общего коэффициента передачи в режимах непрерывного и прерывистого
токов.
Формирователь ЭДС ФЕ1 и
функциональный преобразователь ЭДС ФПЕ1 с арксинусной характеристикой
компенсирует нелинейность характеристики «вход-выход» тиристорного преобразователя.
Переключатель характеристик ПХ1
предназначен для согласования двухполярного выходного сигнала нелинейного звена
НЗ1 с однополярной характеристикой СИФУ. Последнее выполнено по вертикальному
принципу с линейным пилообразным опорным напряжением. Разделение сигналов СИФУ
обеспечивается схемой логического И под действием сигналов В1 и Н1 блока логики
раздельного управления. Отработка заданных синусоидальных сигналов токов
обеспечивается за счёт отрицательных токовых обратных связей. Под действием
сигналов датчика проводимости вентилей ДВП1 блок логики обеспечивает бестоковую
паузу при переключении комплектов вентилей.
Блок импульсных трансформаторов БИТ1
осуществляет гальвоническую развязку цепей управления от силовых цепей.
Положительная обратная связь по ЭДС
обеспечивает компенсацию возрастающей с ростом частоты ЭДС двигателя.
Питание ТП1 и ТП2 осуществляется
через токоограничивающие реакторы.
Заключение
Проверка расчётных параметров
регуляторов, рассчитанных при данном курсовом проектировании, с помощью
моделирования в программе Matlab показала, что получена устойчивая система с качественными
динамическими показателями. Как видно из рисунка 1 и рисунка 10, время
переходного процесса на холостом ходе составляет 0,4 с.
Величина перерегулирования скорости:
Данная величина
перерегулирования скорости удовлетворяет заданию на проектирование.
Список использованных
источников
1. Расчёт тиристорного
преобразователя для электропривода постоянного тока: Методические указания к
курсовому расчёту по дисциплине «Преобразовательная техника»/Сост. Н.Е.
Дерюжкова, С.А. Васильченко. - Комсомольск-на-Амуре: ГОУВПО «КнАГТУ», 2004. -
34 с.
2. Горячев, В.Ф.
Автоматизация процессов металлообработки: учебное пособие/ В.Ф. Горячев, Н.Е.
Дерюжкова, В.И Суздорф. - Комсомольск-на-Амуре: ГОУВПО «КнАГТУ», 2001. - 89 с.
3. Дерюжкова, Н.Е.
Расчёты по автоматизированному электроприводу металлорежущих станков: Учеб.
пособие/ Н.Е. Дерюжкова, В.Ф. Горячев. - Хабаровск: Хабаровский политехнический
институт, 1985. - 90 с.
4. Соловьев, В.А.
Системы управления электроприводами. Ч. 1: Учеб. пособие/ В.А. Соловьёв -
Комсомольск-на-Амуре: ГОУВПО «КнАГТУ», 2004. - 153 с.
. Терехов, В.М. Элементы
автоматизированного электропривода/ В.М. Терехов - М.: Энергоатомиздат, 1987. -
224 с.
. Чернов, Е.А.
Комплектные электроприводы станков с ЧПУ: справочное пособие /Е.А. Чернов, В.П.
Кузьмин. - Горький: Волго-Вятское кн. изд-во, 1989. - 320 с.