|
Исходные
данные
|
Условные
обозначения
|
Значение
|
|
Наибольшая сила
резания (сила сопротивления), Н
|
FТ
|
80000
|
|
Наибольшая
скорость рабочего хода, м/мин
|
VПР.MAX
|
50
|
|
Скорость
обратного хода, м/мин
|
VОБР
|
80
|
|
Масса стола, кг
|
mcт
|
10000
|
|
Масса изделия,
кг
|
mизд
|
12000
|
|
Наибольшая
длина изделия, м
|
Lд
|
6
|
|
Число зубьев
ведущих шестеренок
|
z1, z3
|
10
|
|
Число зубьев
ведомой шестеренки
|
z2
|
62
|
|
Число зубьев
ведомой шестеренки
|
z4
|
57
|
|
Число заходов
червяка
|
z
|
10
|
|
Модуль
червячной передачи
|
m
|
38,2
|
|
Угол между осью
червяка и направлением движения стола,°
|
б
|
30
|
|
Угол подъема
винтовой линии червяка,°
|
в
|
15
|
|
Коэффициент
трения стола о направляющие
|
м
|
0,052
|
|
КПД редуктора
|
зред
|
0,9
|
|
КПД червячной
пары
|
зчерв
|
0,8
|
.3
Предварительный выбор двигателя
Найдем передаточное число редуктора.
, (2.1)
где z2, z4 - число зубьев ведомых шестеренок;
z1, z3 - число зубьев ведущих шестеренок.
Радиус приведения равен [6]:
м, (2.2)
где z - число заходов червяка;
m - модуль червячной передачи, мм;
б - угол между осью червяка и направлением движения стола;
в - угол подъема винтовой линии червяка.
Сила трения стола с изделием о направляющие:
где
- коэффициент трения стола о
направляющие;
- масса изделия, кг;
- масса стола, кг.
Произведем предварительный расчет мощности двигателя, исходя из
наибольшей силы резания и максимальной рабочей скорости [6]:
кВт, (2.4)
где VПР.MAX - максимальная скорость прямого хода;
- суммарный КПД механической передачи;
- КПД червячной передачи;
- КПД редуктора.
На основе предварительных расчетов из [2] выбираем асинхронный двигатель
переменного тока с короткозамкнутым ротором 4А280S4У3, серия 4А, высота оси вращения 280 мм, 4 полюса, IP55, класс изоляции F со следующими номинальными данными:
= 110 кВт - номинальная мощность двигателя;
= 380 В - номинальное напряжение двигателя;
= 198 А - номинальный ток двигателя;
= 0,941 - номинальный КПД двигателя;
= 1470 об/мин - номинальная скорость;
= 2,3 кг
м2 - момент инерции
двигателя;
= 0,023 - номинальное скольжение;
= 0,085 - критическое скольжение;
m = 655 кг - масса двигателя;
= 0,9 - косинус угла между векторами тока и напряжения;
= 6 - отношение пускового тока к номинальному;
= 1,2 - отношение пускового момента к номинальному;
=2,0 - перегрузочная способность двигателя.
Номинальная угловая скорость двигателя:
рад/с. (2.5)
Номинальный момент двигателя:
Нм. (2.6)
Пусковой момент:
Нм. (2.7)
.4
Расчет параметров нагрузочной диаграммы
Суммарный момент инерции, приведенный к валу двигателя [6]:

=3,281 кг
м2, (2.8)
где
- масса изделия, кг;
- масса стола, кг;
- момент инерции двигателя, кг
м2;
- радиус приведения, м.
Усилие, необходимое для перемещения стола в режиме холостого хода
[6]:
Н, (2.9)
где
- коэффициент трения стола о
направляющие;
- масса изделия, кг;
- масса стола, кг;
- ускорение свободного падения.
Момент сопротивления при строгании заготовки [6]:
Нм. (2.10)
Момент сопротивления при холостом ходе [6]:
Нм. (2.11)
Определим допустимое угловое ускорение изделия, исходя из
того, что пуск и торможение механизма будут происходить при помощи задатчика
интенсивности, следовательно время разгона и торможения будет одинаковым.
Допустимое ускорение будем определять на участке 4 (разгон при резе металла),
как наиболее неблагоприятном [1]:
, (2.12)
где
- пусковой момент;
- допустимое угловое ускорение.
Отсюда найдем допустимое ускорение:
1/с2. (2.13)
Исходя из технологических параметров, примем следующие значения
линейных скоростей:
Vрез =VПР.MAX
= 50 м/мин = 0,833 м/с - скорость резания;
Vврез =0,3Vрез = 0,25 м/с - скорость врезания резца в заготовку;
Vобр = 80 м/мин = 1,33 м/с - скорость обратного хода.
.5
Расчет участков нагрузочной диаграммы
По условиям технологического процесса пути, проходимые столом
на установившейся скорости на участках 2,3,7,8 (то есть перед врезанием резца в
заготовку, после врезания до разгона, перед выходом и после выхода резца) равны
2% от длины стола l или примерно 0,12 м. Примем S2 = S3 = S7 = S8 = 0,12 м.
Также установим технологическую паузу в конце рабочего и
обратного хода, которая требуется для поднятия резцов суппортов tп = 0,5 c.
Участок 1. Разгон на холостом ходу до скорости врезания (Vврез)
Угловая скорость:
=46,5 рад/с. (2.14)
Время разгона:
с. (2.15)
Момент, развиваемый двигателем:
=356,711 Нм. (2.16)
Путь, пройденный столом:
м. (2.17)
Участок 2. Движение на установившейся скорости до врезания резца.
Время движения:
с. (2.18)
Момент, развиваемый двигателем:
Нм. (2.19)
Участок 3. Движение на установившейся скорости после врезания
резца до разгона.
Время движения:
с. (2.20)
Момент, развиваемый двигателем:
Нм. (2.21)
Участок 4. Разгон при резе металла до скорости резания (Vрез).
Угловая скорость:
=155 рад/с. (2.22)
Время разгона:
с. (2.23)
Момент, развиваемый двигателем:
857,488 Нм. (2.24)
Путь, пройденный столом:
м. (2.25)
Участок 5. Рабочее движение на скорости Vрез.
Путь, пройденный столом:
м. (2.26)
Время движения:
с. (2.27)
Момент, развиваемый двигателем:
Нм. (2.28)
Участок 6. Торможение при резе металла до скорости выхода резца.
Время торможения:
с. (2.29)
Момент, развиваемый двигателем:
Нм. (2.30)
Путь, пройденный столом:
м. (2.31)
Участок 7. Движение на установившейся скорости перед выходом резца
из изделия.
Время движения:
с. (2.32)
Момент, развиваемый двигателем:
Нм. (2.33)
Участок 8. Движение на установившейся скорости после выхода резца.
Время движения:
с. (2.34)
Момент, развиваемый двигателем:
Нм. (2.35)
Участок 9. Торможение на холостом ходу до нулевой скорости.
Время торможения:
с. (2.36)
Момент, развиваемый двигателем:
Нм. (2.37)
Путь, пройденный столом:
м. (2.38)
Рассчитаем участки обратного хода:
Участок 10. Разгон на холостом ходу до скорости обратного
хода (Vобр)
Угловая скорость:
=248 рад/с. (2.39)
Время разгона:
с. (2.40)
Момент, развиваемый двигателем:
=-356.711 Нм. (2.41)
Путь, пройденный столом:
м. (2.42)
Так как двигатель разгоняется до скорости выше номинальной, то
рассчитаем фиктивный момент для этого участка:
Нм. (2.43)
Участок 12. Торможение на холостом ходу до нулевой скорости.
Время торможения:
с. (2.44)
Момент, развиваемый двигателем:
163,521 Нм. (2.45)
Путь, пройденный столом:
м. (2.46)
Фиктивный момент для этого участка:
Нм. (2.47)
Участок 11. Обратное движение на скорости Vобр.
Путь, пройденный столом:
м. (2.48)
Время движения:
с. (2.49)
Момент, развиваемый двигателем:
Нм. (2.50)
Фиктивный момент для этого участка:
Нм. (2.51)
.6
Проверка выбранного двигателя по нагреву и перегрузке
Регулируемый электропривод в системе ПЧ-АД при сравнительно
низкой стоимости, относительной простоте, хороших массогабаритных показателях и
высокой надежности обладает достаточно широкими техническими возможностями при
приемлемых в ряде случаев технико-экономических показателях. Это позволяет
применять его в механизмах циклического действия, которые требуют управляемых
пуско-тормозных режимов, кратковременного снижения скорости, точной отработки
позиционных перемещений.
Важной задачей при проектировании системы ПЧ-АД является
обоснованный выбор мощности электродвигателя. Нагрев двигателя в
повторно-кратковременном режиме определяется потерями энергии в машине на
участках разгона, торможения и установившейся скорости. При этом необходимо
обеспечить нормальное тепловое состояние двигателя, т.е. его работу без
перегрева.
Следует отметить, что выбранный двигатель имеет
принудительное охлаждение от внешнего вентилятора, следовательно не нужно
учитывать уменьшение теплоотвода при скоростях, меньше номинальной (как это
делают у самовентилируемых двигателей).
Проверим выбранный двигатель по нагреву, используя метод
эквивалентных потерь.
Эквивалентный момент должен быть меньше либо равен
номинальному.
Рассчитаем эквивалентный момент по нагрузочной диаграмме:


Нм (2.52)
Как мы видим, эквивалентный момент меньше номинального, двигатель
проходит по нагреву.
Оценим запас по нагреву:
(2.53)
Тахограмма и нагрузочная диаграмма представлены на рис. 2.1.
Проверка двигателя по перегрузке:
(2.54)
Выбранный двигатель проходит по перегрузке.

2.7
Выбор преобразователя частоты
Условия выбора преобразователя: номинальные выходные
напряжения и частота выбираются равными номинальному напряжению и частоте
двигателя, ток должен превышать среднеквадратичный ток двигателя, величина и
длительность перегрузки по току не должны превышать указанных в тех. данных
преобразователя.
Управление двигателем осуществляется путём задания в его статорные
обмотки трёхфазной системы токов, создающих в двигателе вращающееся магнитное
поле, от взаимодействия которого с током короткозамкнутой обмотки ротора
возникает вращающийся электромагнитный момент. Преобразование постоянного
напряжения в регулируемую по частоте и амплитуде трёхфазную систему токов для
питания двигателя осуществляется трёхфазным инвертором. Силовая часть инвертора
выполнена по мостовой схеме на транзисторных ключах тока, управление которыми
осуществляется регуляторами тока. Ключи поочерёдно подключают выводы обмотки
двигателя к положительному или отрицательному полюсу звена постоянного тока.
Для управления двигателем номинальной мощности и тока двигателя
выбираем частотный преобразователь фирмы Schneider Electric
типа Altivar 71 для сложных производственных
механизмов.
Серия преобразователей частоты Altivar 71 отвечает самым строгим требованиям применений благодаря
использованию разнообразных законов управления двигателем и многочисленным
функциональным возможностям. Она адаптирована для решения наиболее сложных
задач электропривода:
- момент и повышенная точность при работе
на очень низкой скорости и улучшенные динамические характеристики с алгоритмами
векторного управления потоком в разомкнутой или замкнутой системе привода;
расширенный диапазон выходной частоты для
высокоскоростных двигателей;
параллельное включение двигателей и
специальные приводы с использованием скалярного закона управления;
точность поддержания скорости и
энергосбережение для разомкнутого привода с синхронным двигателем;
плавное, безударное управление
несбалансированными механизмами с помощью системы адаптации мощности (Energy Adaptation System - ENA).
Многофункциональность преобразователя Altivar 71 увеличивает
производительность и гибкость использования машин для многочисленных
применений.
Преобразователь частоты Altivar 71 имеет встроенные протоколы
Modbus и CANopen, а также значительные
функциональные возможности.
Функциональность преобразователя может
быть увеличена с помощью дополнительных карт расширения входов-выходов,
коммуникационных карт и интерфейсных карт датчика обратной связи по скорости.
Диалоговые средства.
Преобразователь частоты Altivar 71 поставляется с
выносным графическим терминалом, который оснащен:
навигационной ручкой, обеспечивающей
простой и быстрый доступ к меню прокрутки;
графическим экраном с текстовым
отображением на 8 строках по 24 символа;
развитыми функциями отображения,
обеспечивающими легкий доступ к самым сложным функциям;
экранами индикации, меню и параметрами,
которые могут быть индивидуализированы для пользователя или механизма;
справочной системой;
функцией сохранения и пересылки
конфигураций (могут быть сохранены 4 конфигурации);
разъемами для многоточечной связи с
несколькими ПЧ по сети;
комплектом для установки на дверце шкафа
со степенью защиты IP 54 или IP 65;
интерфейсом на 6 языках (английском,
испанском, итальянском, китайском, немецком, французском). Есть возможность
перезаписи других языков.
Программное обеспечение PowerSuite позволяет
конфигурировать, настраивать и налаживать Altivar 71, как и все другие
устройства приводной техники Telemecanique. Оно может использоваться при прямом
подключении, через Ethernet, с помощью модема или по беспроводной технологии Bluetooth®.
Сервисные возможности.
Преобразователь частоты Altivar 71 содержит
многочисленные функции по обслуживанию, контролю и диагностике:
встроенные функции проверки ПЧ с экранами
диагностики на выносном графическом терминале;
отображение состояния входов-выходов;
отображение состояния связи по различным
портам;
функция осциллографа, доступная с
программным обеспечением PowerSuite;
управление несколькими ПЧ благодаря
перезаписываемой памяти микропроцессора;
дистанционное использование этих функций
при подключении преобразователя к модему через разъем Modbus;
идентификация всех составных элементов
преобразователя частоты, в частности версии ПО;
хронология неисправностей со значениями 16
переменных, зафиксированных в момент появления неисправности;
перезапись языков терминала;
возможность сохранения в ПЧ сообщения
размером до 5 строк по 24 символа.
Выбираем модель ATV 71 HC11N4.
Технические данные преобразователя частоты:
) номинальная мощность - 110 кВт;
) номинальное напряжение - 380 В;
) линейный сетевой ток - 202 А;
) максимальный выходной ток в установившемся режиме - 215 А;
) максимальный переходный ток в течение 60 с - 323 А;
) максимальный линейный ток к.з. - 35 кА;
) масса - 74 кг;
) диапазон частот на выходе - 0 ч 1600 Гц;
) входная частота - 47 ч 63 Гц;
) коэффициент мощности - 0,7;
) работа при перегрузках - 220% в течении 2 с, 170% в течении
60 с;
) тормозной момент - 30% от номинального при работе без
тормозного сопротивления, до 150% номинального при наличии тормозного
сопротивления;
) статическая точность - 0,01% в замкнутой системе с
импульсным датчиком скорости;
) закон управления:
векторное управление потоком с обратной связью по скорости
(вектор тока);
векторное управление потоком без обратной связи по скорости
(вектор тока или напряжения);
закон «напряжение / частота» по 2 или 5 точкам;
система адаптации мощности для неуравновешенных механизмов;
) защита от:
чрезмерного перегрева;
коротких замыканий между выходными фазами;
обрыва фазы сетевого питания;
перегрузки по току между выходными фазами и землей;
перенапряжений в звене постоянного тока;
обрыва цепи управления;
превышения ограничения скорости;
повышенного или пониженного напряжения питания;
потери фазы для трехфазного питания.
(2.55)
Для осуществления обратной связи по скорости применяем оптические
датчики скорости с интерфейсной картой для преобразователя.
Интерфейсная карта фотоимпульсного датчика (цифрового датчика
перемещений с относительным отсчетом) обеспечивает работу привода с алгоритмом
векторного управления потоком с датчиком обратной связи (режим FVC),
позволяющим получать оптимальные характеристики вне зависимости от момента
нагрузки на валу двигателя:
момент при неподвижном двигателе;
стабилизация скорости;
точное поддержание момента;
уменьшение времени реакции при набросе момента;
улучшение динамических характеристик в переходных режимах.
При других законах управления (векторное управление по напряжению,
скалярное управление U/f) интерфейсная карта импульсного датчика позволяет
улучшить статическую точность системы регулирования скорости.
Интерфейсная карта импульсного датчика может также использоваться
для обеспечения безопасности механизмов путем контроля:
превышения заданной скорости;
вращения в обратном направлении.
Интерфейсная карта импульсного датчика обеспечивает также задание
управляющего сигнала на преобразователь Altivar 71 с выхода датчика. Такое
применение предназначено для синхронизации скоростей нескольких приводов.
Карта устанавливается в предназначенное для нее место в ПЧ.
.8
Выбор тормозного сопротивления
Тормозное сопротивление обеспечивает работу преобразователя
Altivar 71 при торможении до полной остановки или во время снижения скорости
путем рассеивания энергии торможения. Оно обеспечивает максимальный переходный
тормозной момент.
Мощность торможения характеризуется максимальной (пиковой)
мощностью Pf, получаемой в начале торможения, которая уменьшается до нуля
пропорционально скорости.
Рис. 2.2. Процесс торможения двигателя
Время торможения с максимальной скорости при полной нагрузке
(с обратного хода, участок 12):
с. (2.56)
Частота вращения двигателя, с которой происходит торможение:
об/мин. (2.57)
Тормозной момент двигателя (участок 12):
Нм. (2.58)
Максимальная мощность торможения:
кВт. (2.59)
Средняя (постоянная) мощность торможения:
кВт. (2.60)
Выбираем по каталогу оборудования для Altivar 71 тормозное сопротивление VW3 A7 710 с постоянной мощностью торможения 25
кВт.
t, c
Рис. 2.3. График выбора времени торможения в зависимости от
мощности
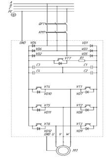
Рис. 2.4. Электрическая принципиальная схема силовой части
электропривода
3.
Разработка системы автоматического управления электропривода
Силовая часть системы состоит из асинхронного двигателя с
короткозамкнутым ротором и преобразователя частоты на основе автономного
инвертора напряжения с широтно-импульсной модуляцией.
Регуляторы строятся по принципу подчинённого регулирования,
замкнуты обратными связями. Расчёт систем автоматического управления ведётся от
внутреннего контура к внешнему. Для достижения абсолютно жёстких статических
характеристик система управления скорости строится на базе двукратно интегрирующей
системы. Функциональная схема системы управления построена на уровне
функциональных узлов и состоит из следующих элементов:
ЗО - звено ограничения;
РС - регулятор скорости;
РМ - регулятор момента;
РП - регулятор потокосцепления;
РТ - регулятор тока;
ПКН - преобразователь координат напряжения, осуществляет
обратное преобразование координат;
ПКТ - преобразователь координат тока, осуществляет прямое
преобразование координат;
ДС - датчик скорости;
ПЧ - преобразователь частоты на основе АИН с ШИМ.
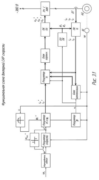
На рис. 3.1 приведена функциональная схема системы
управления.
.1
Расчёт параметров двигателя для номинального режима
Параметры двигателя даны для «Т» - образной схемы замещения
двигателя, приведённой на рис. 3.2.
«Т» - образная схема замещения двигателя
Рис. 3.2
Параметры схемы замещения [Кравчик]:
,
,
,
,
,
,
,
Все расчёты в пункте 3 ведутся по методике, изложенной в
литературе [19].
Угловая частота напряжения:
эл. рад/с (3.1)
Номинальная угловая частота тока ротора:
ДЩN = Щ1Н - p ЩН = 314 - 2 ∙ 153,9 = 6,283 эл.
рад/с. (3.2)
Величина, составляющая ток статора по оси 0X:
ISXN =
!Синтаксическая ошибка, F 52,964 A. (3.3)
Величина, составляющая ток статора, по оси 0Y:
274,242 A. (3.4)
Амплитудное значение тока статора:
ISN.MAX = = 279,309 A. (3.5)
Номинальное потокосцепление ротора:
ШRN =
0,826 В∙с. (3.6)
Номинальный момент двигателя:
MN = (3.7)
где mS - число фаз, mS = 3;
p - число пар полюсов, p =
2;
MN = 714,57 Н∙м.
.2
Расчёт эквивалентных параметров главной цепи двигателя
Индуктивность рассеяния обмотки фазы статора:
Lsу = 0,000388 Гн. (3.8)
Индуктивность рассеяния обмотки фазы ротора:
Lrу' = 0,000509 Гн. (3.9)
Коэффициент взаимной индукции обмотки статора и ротора:
Lm = 0,016 Гн. (3.10)
Полная индуктивность обмотки ротора:
Lr = Lm + Lrу' = 0,016 + 0,000509 = 0,0165 Гн. (3.11)
Эквивалентная постоянная времени цепи ротора:
Тr = (3.12)
Коэффициент связи ротора:
kr = . (3.13)
Эквивалентная индуктивность рассеяния фазы двигателя:
LЭ =
Lsу + kr2 Lrу' = 0,000388 + 0,9682 ∙
0,000509 = 0,0008659 Гн. (3.14)
Эквивалентное сопротивление:
RЭ = r1 + kr2 r2' = 0,023 + 0,9682
∙ 0,019 = 0,041 Ом. (3.15)
Электромагнитная постоянная времени главной цепи двигателя:
ТЭ = (3.16)
.3
Расчёт базовых величин силовой цепи электропривода
Базовая угловая частота напряжения:
Щб = Щ1Н =314 эл. рад/с. (3.17)
Базовый электромагнитный момент:
Мб = МN = 714,57 Н∙м. (3.18)
Базовая мощность:
Sб =
Рб = (3.19)
Базовая механическая угловая частота вращения:
щб = (3.20)
Базовый ток статора двигателя:
ISб = I1N = ∙ 198 = 280,014 A. (3.21)
Базовое напряжение:
USб = . (3.22)
Базовое потокосцепление:
Базовое сопротивление:
RSб = (3.24)
Базовая индуктивность:
LSб = (3.25)
.4
Расчёт параметров двигателя в относительных единицах
Сопротивление эквивалентное:
rэ = (3.26)
Индуктивность эквивалентная:
lэ =
(3.27)
Коэффициент взаимной индукции:
lm = (3.28)
Индуктивность рассеяния обмотки фазы статора:
lsу = (3.29)
Индуктивность рассеяния обмотки фазы ротора:
lrу = (3.30)
Сопротивление обмотки статора:
rs = (3.31)
Сопротивление обмотки ротора:
rr = (3.32)
Механическая постоянная:
Тj = JУ (3.33)
Вещественный коэффициент комплексного уравнения:
бr = (3.34)
Коэффициент преобразователя:
kп =
(3.35)
где Еп - ЭДС преобразователя;
Еп = Uф ∙
2,34 = 220 ∙ 2,24 = 514,8 В; (3.36)
где 2,34 - коэффициент схемы трёхфазного мостового неуправляемого
выпрямителя по напряжению;
U0 -
амплитуда опорного сигнала, для частотного преобразователя с ШИМ принимаем U0 = 10 B;
kп =
.
Значение проекции вектора напряжения статора в системе координат
на ось 0Х:
USX = (3.37)
Заданное значение проекции вектора напряжения статора в системе
координат на ось 0Х:
USX*= (3.38)
Для удобства расчёта перессчитаем kп и USX* т.к. значение USX* получилось слишком
мало, значение kп велико
kп =
kп ;
USX* = .
Модель строится по исходным данным дифференциальных уравнений
звеньев, входящих в модель асинхронного двигателя с короткозамкнутым ротором.
Уравнения звена тока (ЗТ):
USX = rэ(ТЭp + 1) isx - щкlэisy - щkr Шry - бrkrШrx; (3.39)
USY = rэ(ТЭp + 1) isy + щкlэisx + щkr Шrx - бr бrkrШry. (3.40)
Уравнения звена потокосцепления (ЗП):
rrkrisx = бr (ТЭp +
1) Шrx - (щк - щ) Шry; (3.41)
rrкrisy = бr (ТЭp + 1) Шry + (щк - щ) Шrx. (3.42)
Уравнение звена момента (ЗМ)
m = kr(Шrx isy - Шry isx). (3.43)
Уравнение звена механического действия
m - ms = Tj pщ. (3.44)
Теперь функционально свяжем эти четыре звена, которые образуют
математическую модель двигателя. На рис. 3.4 приведена структурная схема
асинхронного двигателя с короткозамкнутым ротором при управлении от ПЧ с ШИМ.
.5 Синтез регуляторов
Синтез передаточных функций регуляторов в современных
системах электропривода производится на основе принципа подчинённого регулирования
координат системы. Каждый регулятор выполняется в виде последовательно
корректирующего звена или устройства обеспечивающего желаемое свойство контура,
а именно статических и динамических характеристик. Синтез проводим на основе
структурной схемы системы управления двигателя, приведённой на рис. 3.4.
Синтез
регулятора тока
Выбор некомпенсируемой постоянной времени.
Величина некомпенсируемой постоянной времени Тм является «базовой» при
расчёте систем подчинённого регулирования, для которых характерно, что
динамические свойства системы не зависят от параметров объекта регулирования и
определяется только величиной постоянной времени фильтра Тм, установленного на входе
регулирующей части системы управления. Уменьшение Тм приводит к увеличению
быстродействия и снижению статической и динамической ошибок по скорости, при
приложении внешних возмущающих воздействий. С другой стороны величина Тм должна быть достаточно
большой, чтобы обеспечить высокую помехозащищённость системы. В реальных
системах автоматического управления с подчинённым регулированием параметров
величина Тм лежит в пределах 0,004 ч 0,01 с. Для проектируемой системы
управления выбираем Тм =0,001 с. На рис. 3.5 приведена расчётная схема
системы регулирования тока.
Расчётная схема системы регулирования тока
Передаточная функция регулятора тока:
Ri(p) = Wi-1(p) , (3.45)
где Ti - постоянная времени регулятора тока,
Тi = 2 Tм = 2 ∙ 0,001 = 0,002 с. (МО); (3.46)
Передаточная функция:
Wi = ; (3.47)
Ri(p) =
На рис. 3.6 приведена структурная схема контура тока.
Структурная схема контура тока
Синтез
регулятора потокосцепления ротора
Расчётная схема системы регулирования потокосцеплением
Так как в системе при синтезе используем уравнения при постоянстве
ротора Шr = const без учёта изменения индуктивности lm* =
lm, то можно использовать схему без
регулятора потокосцепления и подать на вход системы автоматического
регулирования тока isx.
Передаточная функция регулятора потокосцепления
WШr(p) = WШr(0) = . (3.48)
Требуемое значение тока isx*
isx* = (3.49)
Заданное значение потокосцепления
Шr* = isx* ∙ lm = 0,189 ∙ 0,016 = 0,003. (3.50)
На обратном ходу двигатель в течение определенного времени
работает на скорости выше номинальной (во второй зоне). Поэтому нам необходимо
ослаблять потокосцепление. Эту функцию выполняет элемент ФП - формирователь
потокосцепления. Рассчитаем потокосцепление при скорости обратного хода.
Шr min* = Шr * ∙ (3.51)
Синтез
регулятора электромагнитного момента
Расчётная схема регулятора электромагнитного момента
Регулятор представлен в виде обратного звена момента
m = krШr isy - звено момента (ЗМ); (3.52)
isy = (kr*Шr)-1
m* - регулятор момента (РМ). (3.53)
Регулятор момента формирует частоту скольжения координат. Нужно
ввести в регулятор момента вычислитель абсолютного скольжения вШr
вШr = rr* kr*
Шr*-1isy*; (3.54)
щШr = щ + вШr. (3.55)
Схема регулятора электромагнитного момента
РСК - регулятор скольжения.
rr* = rr = 0,017.
kr* = kr = 0,968.
Синтез
регулятора напряжения
Регулятор напряжения предотвратить выход на ограничение
регуляторов токов статора и, следовательно, размыкание системы при работе во
второй зоне. Регулятор выполняется интегральным с регулируемым ограничением и с
коррекцией коэффициента усиления по скорости. Выходом регуляора я вляется
заданное потокосцепление.
(3.56)
(3.57)
Синтез
регулятора скорости
Расчётная схема регулятора скорости
Согласно требованиям, предъявляемым к электроприводу, система
регулирования скорости выполняется двукратно интегрирующей. Задаёмся
быстродействием регулятора скорости т.е. величиной постоянной времени Тщ. Система управления по
скорости отрабатывает сигнал задатчика интенсивности с запаздыванием равным Тщ'. Зададимся
быстродействием допустимым в данном технологическом процессе Тщ' = 0,05 с.
Тщ = 0,05 с.
Тщ =0,025 с.
Тщ' = 2 Тщ = 0,05 с
Передаточная функция регулятора скорости [21]
Rщ = - «ПИ» - регулятор. (3.58)
Чтобы система управления не обладала слишком большим
быстродействием, вводим дополнительный фильтр с постоянной времени Тф
Согласуем работу фильтра с работой регулятора скорости т.е.
рассчитаем нужное значение Тф
Тщ =2 (Тф + Тi);
Тф = (3.59)
Структурная схема регулятора скорости
Расчёт задатчика интенсивности
Задатчик интенсивности устанавливается на входе САР скорости
и предназначен для формирования сигнала. Задатчик интенсивности ограничивает
темп нарастания задания на скорость и тем самым обеспечивает, чтобы ускорение и
динамический момент электропривода не превышали допустимых значений.
Темп задатчика интенсивности представляет собой величину
ускорения электропривода в относительных единицах
А = = (3.60)
Величина ограничения нелинейного элемента
Q = A ∙ TИ; (3.61)
где ТИ - постоянная времени интегратора, примем Ти
= 0,01 с.
Q = 0,252 ∙ 0,01 = 0,00252 c.
При моделировании системы управления мы добиваемся желаемой
интенсивности нарастания задающего сигнала путём изменения Q и ТИ.
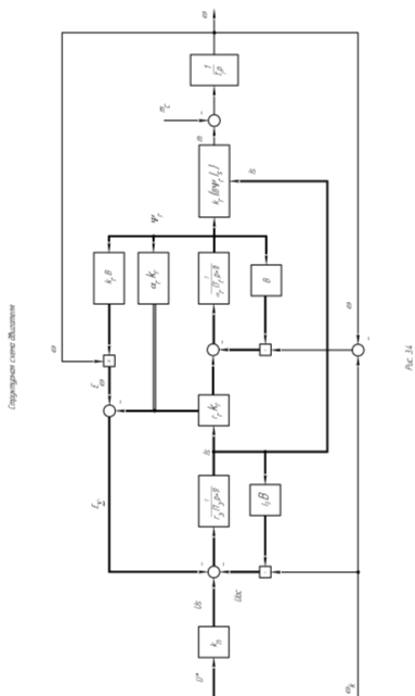
Структурная схема САР скорости представлена на рис. 3.14.
Результаты моделирования в пакете MatLab 6.5 представлены на рис. 3.15 и 3.16.
Структурная схема собранная в MatLab представлена на рис. 3.17 и 3.18.
Рис. 3.17. Структурная схема модели асинхронного двигателя
Рис. 3.18. Структурная схема системы автоматического
регулирования скорости
Рис. 3.15. Момент скорость и задатчик интенсивности при пуске
и выходе на номинальную скорость
Рис. 3.16. Потокосцепление и ток по осям OX и OY при пуске и выходе на
номинальную скорость
4.
Разработка схемы технологической автоматики
.1
Выбор программируемого контроллера
Программируемые логические контроллеры Twido предназначены для построения
относительно простых и недорогих систем автоматического управления и могут
использоваться для замены существующих релейно-контактных схем. Семейство
включает в свой состав модули центральных процессоров, модули ввода-вывода
дискретных и аналоговых сигналов, модуль позиционирования, а также
коммуникационные модули.
Контроллеры поддерживают мощную систему команд и способны
выполнять логические операции, математические операции с фиксированной и
плавающей точкой, поддерживать алгоритмы ПИД регулирования и позиционирования и
т.д.
Серия модульных программируемых контроллеров Twido включает в
себя пять контроллеров, различающихся производительностью процессора,
количеством и типом точек входа / выхода (20 или 40 точек с подключением через
винтовую клеммную колодку или разъем HE 10, с релейными или транзисторными
(источник / приемник) выходами). К контроллерам можно подключить любой модуль
расширения ввода / вывода (из 18-и дискретных и аналоговых модулей). Все
модульные контроллеры используют напряжение питания 24 В постоянного тока.
Преимущества модульных контроллеров Twido:
Модульная конструкция, обеспечивающая подключение от 4 до 7
модулей расширения дискретного или аналогового ввода / вывода к базовому
контроллеру.
Разнообразие дополнительных модулей, обеспечивающее степень
гибкости платформ больших контроллеров. К модульным контроллерам TWD LDMA
одновременно можно подключить модули картриджа памяти, картриджа часов
реального времени, цифрового дисплея или последовательного интерфейса. В
последние два модуля можно добавить адаптер второго последовательного порта RS
485 или RS 232C.
Программное обеспечение TwidoSoft - это простое
программирование при помощи инструкций языка Instruction List (STL) или графических
объектов языка Ladder (LAD).
Рис. 4.1. Внешний вид модульного контроллера Twido
Для наших целей применяем контроллер TWDLMDA40DTK. Его характеристики:
напряжение питания - 24 В постоянного тока;
24 входа (24 В постоянного тока) с оптронной развязкой,
входной ток 7 мА;
16 транзисторных выходов, выходной ток 0,3 А;
память программы на 3000 инструкций;
возможность подключения до 7 дополнительных модулей
расширения.
.2
Описание процесса технологической автоматики
Продольно-строгально-фрезерный станок 7216Г работает в 2-х
режимах: строгальном и фрезерном. Схемой технологической автоматики
предусматривается работа станка как в автоматическом, так и в ручном режиме.
Автоматический режим строгания с поднятием
резцедержателей суппортов.
Во время автоматической работы стол совершает
возвратно-поступательные движения.
Предварительно должен быть включен переключатель SA1 в положение
«Автоматическая работа», переключателем SA3 должны быть выбраны в
работу необходимые суппорты.
Скорость рабочего хода стола определяется положением
потенциометра RP1, обратного хода стола - потенциометром RP2.
Включением кнопки SB5 запускаем цикл. Стол начинает двигаться в
сторону рабочего хода, при замыкании конечника SQ3 происходит разгон до
номинальной скорости и строгание, при срабатывании индикатора замедления
рабочего хода SQ4 начинается торможение стола до пониженной скорости. При
замыкании конечного выключателя «Вперед» SQ1 стол полностью
останавливается, происходит подъем резцедержателей выбранных суппортов, стол
реверсируется и по тахограмме перемещается в сторону обратного хода. При
замыкании индикатора начала замедления на обратном ходу SQ6 привод стола совершает
торможение по тахограмме, срабатывает конечный выключатель «Назад» SQ2, стол останавливается и
происходит опускание резцедержателей выбранных суппортов. Затем происходит
подача суппортов на величину подачи (величина подачи определяется механической
коробкой подач).
Цикл повторяется до тех пор, пока не сработает конечный
выключатель перемещения вертикальных суппортов влево либо бокового суппорта
вверх, в зависимости от выбранных суппортов, либо пока не будет нажата кнопка
«Стоп автоматического режима строгания» SB6.
После окончания происходит зарядка суппортов (определяется
конечными выключателями).
Вход главной блокировки ПЧ:
PWR - ключ-бирка, разрешающая работу станку - KB;
Дискретные входы контроллера:
I0.0 - кнопка «Включение установочного перемещения стола
вперед» - SB3;
I0.1 - кнопка «Включение установочного перемещения стола
назад» - SB4;
I0.2 - кнопка «Пуск автоматического цикла строгания» - SB5;
I0.3 - кнопка «Стоп автоматического цикла строгания» - SB6;
I0.4 - кнопка «Подача бокового суппорта» - SB7;
I0.5 - кнопка «Зарядка бокового суппорта» - SB8;
I0.6 - кнопка «Подача вертикальных суппортов» - SB9;
I0.7 - кнопка «Зарядка вертикальных суппортов» - SB10;
I1.0 - переключатель режимов работы «Ручной - Автоматический»
- SA1;
I1.1 - переключатель выбора рабочих суппортов, положение
«Боковой суппорт» - SA2, положение 1;
I1.2 - переключатель выбора рабочих суппортов, положение «Вертикальные
суппорты» - SA3, положение 2;
I1.3 - реле давления масла (наличие смазки на направляющих
станины - RDM;
I1.4 - конечный выключатель рабочего хода стола «Вперед» - SQ1;
I1.5 - конечный выключатель обратного хода стола «Назад» - SQ2;
I1.6 - индикатор разгона до номинальной скорости при рабочем
ходе - SQ3;
I1.7 - индикатор торможения до пониженной скорости при рабочем
ходе - SQ4;
I2.0 - индикатор торможения до нуля при рабочем ходе - SQ5;
I2.1 - индикатор торможения до нуля при обратном ходе - SQ6;
I2.2 - аварийный выключатель рабочего хода стола - SQ7;
I2.3 - аварийный выключатель обратного хода стола - SQ8;
I2.4 - конечный выключатель перемещения вертикальных суппортов
вправо - SQ9;
I2.5 - конечный выключатель перемещения вертикальных суппортов
влево - SQ10;
I2.6 - конечный выключатель перемещения бокового суппорта
вверх - SQ11;
I2.7 - конечный выключатель перемещения бокового суппорта
вверх - SQ12;
Дискретные выходы контроллера:
Q0.1 - электромагнит подъема резцедержателя левого
вертикального суппорта - 1Э;
Q0.2 - электромагнит подъема резцедержателя правого
вертикального суппорта - 2Э;
Q0.3 - электромагнит подъема резцедержателя бокового суппорта
- 3Э;
Q0.4 - контактор электропривода подачи вертикальных суппортов
«Подача» (вправо) - КМ1.1;
Q0.5 - контактор электропривода подачи вертикальных суппортов
«Зарядка» (влево) - КМ1.2;
Q0.6 - контактор электропривода подачи бокового суппорта
«Подача» (вверх) - КМ2.1;
Q0.7 - контактор электропривода подачи бокового суппорта
«Зарядка» (вниз) - КМ2.2;
Q1.0 - контактор электропривода вентилятора двигателя
перемещения стола 1М - КМ3;
Q1.1 - пуск двигателя - вход преобразователя;
Q1.2 - фиксированная (пониженная) скорость - вход
преобразователя;
Q1.3 - реверс двигателя - вход преобразователя;
Q1.4 - толчковая подача - вход преобразователя;
Q1.2 - резервный выход - вход преобразователя;
Перечень внутренних переменных контроллера:
М1 - активно прямое направление движения станка;
М2 - активно обратное направление движения станка;
.3
Программа работы
Программа работы системы технологической автоматики написана
на языке Ladder Diagram (LAD).
NETWORK 1
// Разрешение работы станку в строгальном режиме
A LI6 // если включен строгальный режим
A LI13 // и есть давление масла
= LM1 // то работа разрешена
NETWORK 2
// Включение вентилятора двигателя
O LM2 // если стол передвигается вперед
O LM3 // или назад
= LO4 // то включается вентилятор
NETWORK 3
// Обработка аналоговых сигналов
L AI1 // загружаем сигнал с задатчика скорости
рабочего хода
T AM1 // и переносим его во внутреннюю переменную
L AI2 // загружаем сигнал с датчика скорости стола
T AM2 // и переносим его во внутреннюю переменную
L AI3 // загружаем сигнал с задатчика скорости
обратного хода
T AM3 // и переносим его во внутреннюю переменную
NETWORK 4
// Замедление двигателя при рабочем и обратном ходе
O LI53 // если нажат индикатор замедления рабочего
хода
O LI54 // или нажат индикатор замедления обратного
хода
S LM4 // то стол тормозит по первому
запрограммированному закону
O LI55 // если нажат аварийный выключатель «Вперед»
O LI56 // или нажат аварийный выключатель «Назад»
S LM5 // то стол тормозит по второму
запрограммированному закону
NETWORK 5
// Работа стола в ручном режиме
AN LI5 // если включен ручной режим
A LI1 // пока нажата кнопка «Включение устан. перем.
вперед»
AN LI51 // если не нажат концевой выключатель «Вперед»
AN LI55 // если не нажат аварийный выключатель
«Вперед»
= LM2 // то стол перемещается вперед
O // или
AN LI5 // если включен ручной режим
A LI2 // пока нажата кнопка «Включение устан. перем.
назад»
AN LI52 // если не нажат концевой выключатель «Назад»
AN LI56 // если не нажат аварийный выключатель «Назад»
= LM3 // то стол перемещается назад
NETWORK 6
// Работа стола в автоматическом режиме
A LI5 // если включен автоматический режим
A LI3 // если запущен автоматический цикл строгания
NETWORK 6
// Работа суппортов в автоматическом и ручном режимах
A LI51 // если нажат концевой выключатель «Вперед»
A LI11 // и выбран в работу боковой суппорт
S LO53 // то поднимаем резцедержатель бокового
суппорта
О // или
A LI51 // если нажат концевой выключатель «Вперед»
A LI12 // и выбраны в работу вертикальные суппорты
S LO51 // то поднимаем резцедержатель левого
вертикального суппорта
S LO52 // и поднимаем резцедержатель правого
вертикального суппорта
О // или
A LI52 // если нажат концевой выключатель «Назад»
A LI11 // и выбран в работу боковой суппорт
R LO53 // то опускаем резцедержатель бокового
суппорта
AN LI59 // и если не нажат концевой выключатель
«Вверх» перемещения бокового
// суппорта
= LO56 // осуществляем подачу бокового суппорта в течение
// времени остановки
O // или
A LI52 // если нажат концевой выключатель «Назад»
A LI12 // и выбраны в работу вертикальные суппорты
R LO51 // то опускаем резцедержатель левого
вертикального суппорта
R LO52 // и опускаем резцедержатель правого
вертикального суппорта
AN LI59 // и если не нажат концевой выключатель
«Вправо» перемещения вертикальных
// суппортов
= LO54 // осуществляем подачу вертикальных суппортов в течение
// времени остановки
O // или
A LM7 // если закончен цикл строгания
AN LI58 // и не нажат концевой выключатель «Влево»
перемещения вертикальных
// суппортов
= LO55 // происходит зарядка вертикальных суппортов
O // или
A LM7 // если закончен цикл строгания
AN LI60 // и не нажат концевой выключатель «Вниз» перемещения
бокового суппорта
= LO3 // происходит зарядка бокового суппорта
5. Технико-экономическое обоснование проекта
.1 Введение
Продольно-строгальные станки применяются в машиностроительной
отрасли более 50 лет, многие из них в настоящее время требуют реконструкции. В
данном технико-экономическом расчёте производится экономическое обоснование
модернизации продольно-строгального станка модели 7216Г, которая заключается в
замене физически и морально устаревшего привода механизма главного движения стола
на основе двигателя постоянного тока на систему преобразователь частоты -
асинхронный двигатель. Вследствие этого работа следующих электроприводов станка
исключается в силу ненужности:
электропривод генератора постоянного тока для двигателя
главного движения;
электромашинный усилитель привода главного движения;
генератор постоянного тока - возбудитель для двигателя
главного движения;
электропривод подачи стола во фрезерном режиме.
Таким образом, экономический эффект от внедрения
частотно-регулируемого электропривода складывается из экономии электроэнергии и
снижения эксплуатационных затрат.
По пожеланиям заказчика оборудование, необходимое для
реализации проекта, выбрано из каталогов фирмы Schneider Electric, как хорошо себя
зарекомендовавшей в области производства оборудования для автоматизации
промышленных установок.
В качестве преобразователя частоты предполагается
использование преобразователя частоты Altivar 71 фирмы Schneider Electric. Сравнивая стоимости ПЧ
серии Altivar 71 с прайсовыми ценами приводов той же мощности фирм АВВ (ACS800) и SIEMENS (Micromaster440) видим, что экономия
на приобретении ПЧ составит 5-10%.
Компания Schneider Electric является одним из
лидеров на рынке электротехнической продукции и зарекомендовала себя как
изготовитель качественных, надежных и высокотехнологичных изделий.
Плавные переходные процессы, обеспечиваемые частотно -
регулируемым приводом, приводят к значительному снижению динамических нагрузок
в элементах кинематической цепи привода, что позволяет повысить надежность и
долговечность работы механического оборудования станка, сократить время
простоев из-за неисправностей электрооборудования. Широкий диапазон
регулирования скорости вращения ротора приводного электродвигателя позволяет
получать любые оптимальные скорости реза заготовки и обратного хода, что в
итоге повышает производительность станка и качество обработки металла.
Применение современного программируемого контроллера значительно сократит время
перенастройки станка на новый вид продукции и повысит гибкость технологического
процесса.
В качестве управляющего контроллера
используется модульный микроконтроллер Twido фирмы Schneider Electric, так как в силу
небольшого объема автоматизации работы станка нет необходимости использовать
мощные ПЛК типа S7-300, S7-400 или Premium.
.2 Капитальные затраты
Капитальные затраты на реализацию проекта состоят из:
1) затрат на приобретение нового оборудования;
2) затрат на монтаж;
) затрат на пусконаладочные работы;
) затрат на проектирование;
) затрат на транспортировку.
Для определения затрат на покупку оборудования была
использована заказная спецификация на приобретение оборудования и прайсовые
цены производителей на 1 квартал 2012 г.
Таблица 5.1. Затраты на приобретение нового оборудования
|
№ п/п
|
Наименование
|
Кол-во
|
Стоимость, руб.
|
|
1
|
Шкаф автоматики
ША Rittal TS800 800x600x2000
|
1 шт.
|
40875,95
|
|
Двигатель
асинхронный 4А280S4У3 Pном = 110 кВт, nном = 1470
об/мин
|
1 шт.
|
136676,27
|
|
3
|
Преобразователь
частоты ATV71HC11N4 Pном=110
кВт, Uном сети ~380-480 В, линейный ток 202 А (при Uпит~380 В), 163 А (при Uпит~480
В), полная мощность 133 кВА, макс линейный ток к.з. 35 кА, макс. ток в устан.
режиме 215 А (при Uпит~380 В), макс. переходный ток в течение 60 с - 323 А, 2 с
- 355 А, масса 44 кг.
|
1 шт.
|
330527,25
|
|
4
|
Интерфейсная
карта датчика скорости VW3 A3 407
|
1 шт.
|
5728,44
|
|
5
|
Импульсный
датчик скорости XCC3912PR48PB
|
1 шт.
|
9204,09
|
|
6
|
1 шт.
|
122694,29
|
|
7
|
Автоматический
выключатель NS250H c расцепителем MA220
|
1 шт.
|
51039,33
|
|
8
|
Автоматический
выключатель С60N
|
2 шт.
|
143,51
|
|
9
|
Сетевой
контактор LC1 F185 M5 Uупр ~ 220 В
|
1 шт.
|
20562,19
|
|
10
|
ПЛК 24 вх/16
вых модульный Twido TWDLMDA40DTK
|
1 шт.
|
27008,09
|
|
11
|
Кнопка
управления XB6AW1B1B 1НО+1НЗ
|
10 шт.
|
6475,04
|
|
12
|
Выключатель
конечный XCKJ10541 металл. 1НО+1НЗ
|
12 шт.
|
23043,62
|
|
13
|
Ключ-бирка
XB6AGC5B 1НО+1НЗ
|
1 шт.
|
1 149,79
|
|
14
|
Переключатель
на 2 пол. с фиксацией K2D002WLH
|
2 шт.
|
4 107,47
|
|
15
|
Интерфейсное
реле Uупр = 24B CA3KN223ZD 2НО+2НЗ
|
13 шт.
|
5 441,42
|
|
16
|
Потенциометр
ZB4BD912 0…+10В
|
2 шт.
|
1 681,12
|
|
17
|
Клеммники ZDU2,5 разных цветов
|
100 шт.
|
3 227,30
|
|
18
|
Монтажный
комплект
|
1 шт.
|
23 950,28
|
|
ИТОГО по
оборудованию
|
|
813 535,47
|
. Определение затрат на монтаж
Определение затрат на монтаж опирается на территориальные
сметные нормативы Свердловской области 2001 г., сборник №8 «Электротехнические
установки».
Таблица 5.2. Стоимость монтажных работ
|
№ п/п
|
ТЕРм
|
Наименование
работ
|
ед. изм.
|
кол-во
|
стоимость за
ед., руб.
|
общая
стоимость, руб.
|
|
1
|
ТЕРм08-03-572-07
|
Демонтаж. Блок
управления шкафного исполнения или распределительный пункт (шкаф),
устанавливаемый на полу, высота и ширина до 1700х1100 мм
|
шт
|
1
|
1 248,38
|
1 248,38
|
|
2
|
ТЕРм08-03-572-07
|
Блок управления
шкафного исполнения или распределительный пункт (шкаф), устанавливаемый на
полу, высота и ширина до 1700х1100 мм
|
шт.
|
1
|
4 161,27
|
4 161,27
|
|
3
|
ТЕРм08-03-574-05
|
Разводка по
устройствам и подключение жил кабелей или проводов внешней сети к блокам
зажимов и к зажимам аппаратов и приборов, установленных на устройствах.
Кабели или провода, сечение до 95 мм2
|
шт.
|
4
|
6 166,62
|
24 666,47
|
|
|
|
|
|
|
|
|
Продолжение
табл. 5.2
|
|
№ п/п
|
ТЕРм
|
Наименование
работ
|
ед. изм.
|
кол-во
|
стоимость за
ед., руб.
|
общая
стоимость, руб.
|
|
4
|
ТЕРм08-03-481-07
|
Установка
машин. Машина со щитовыми подшипниками, поступающая в собранном виде,
устанавливаемая на салазках, раме или металлической плите, масса, до 1,2 т.
|
шт.
|
1
|
6 477,26
|
6 477,26
|
|
|
Итого по ценам
2012 г.:
|
|
|
|
36 553,39
|
|
|
Кроме того НДС
18%
|
|
|
|
6 579,61
|
|
|
Итого:
|
|
|
|
43 133,00
|
Таблица 5.3. Затраты на пусконаладочные работы
|
№\ п/п
|
ТЕРп
|
Наименование
работ
|
ед. изм.
|
кол-во
|
стоимость за
ед., руб.
|
общая
стоимость, руб.
|
|
1
|
ТЕРп01-08-022-01
|
Преобразователь
частоты напряжением до 1 кВ двухзвенный, ток до 200 А
|
шт.
|
1
|
44 492,26
|
44 492,26
|
|
2
|
ТЕРп01-03-002-06
|
Выключатель
трехполюсный напряжением до 1 кВ: с электромагнитным, тепловым или
комбинированным расцепителем, номинальный ток до 600 А
|
шт.
|
1
|
459,46
|
459,46
|
|
3
|
ТЕРп01-07-001-01
|
Электродвигатель
асинхронный с короткозамкнутым ротором, напряжением до 1 кВ
|
шт.
|
1
|
413,14
|
413,14
|
|
4
|
ТЕРп02-01-001-07
|
Автоматизированная
система управления I категории технической сложности с количеством каналов 40
|
шт.
|
1
|
43 435,50
|
43 435,50
|
|
|
Итого по ценам
2012 г.:
|
|
|
|
88800,34
|
|
|
Кроме того НДС
18%
|
|
|
|
15984,06
|
|
|
Итого:
|
|
|
|
104784,40
|
Расчёт стоимости электромонтажных и пусконаладочных работ
произведён с помощью программного продукта «Гранд-Смета».
. Расчет затрат на проектирование
При расчете стоимости проектирования была использована
система окладов ИТР. Расчет сделан на группу инженеров из 2 человек.
Проектирование и подготовка документации производится в течение 4 рабочих
недель.
Заработная плата ведущего инженера проектного отдела - 36 000
руб.
Заработная плата инженера проектного отдела I категории - 30 000 руб.
ЕСН = 30%
Уральский коэффициент = 15%
(5.1)
. Транспортные расходы
В связи с тем, что поставку оборудования и сборку НКУ осуществляла
фирма ООО «НПО Энергоавтоматика», которая является официальным интегратором
фирмы-производителя Schneider Electric, а общая стоимость поставки оборудования превышает 100000
рублей, то в соответствии с договорными отношениями транспортные расходы
включены в стоимость оборудования.
Суммарные капитальные затраты:
руб., (5.2)
где Kоб - капитальные затраты на оборудование, руб.;
Kм - капитальные затраты на монтаж, руб.;
Kпн - капитальные затраты на пусконаладку, руб.;
Kп - капитальные затраты на проетирование, руб.
.3 Расчет эксплуатационных расходов
Эксплуатационные расходы состоят из:
1) амортизационных отчислений;
2) затрат на обслуживающий персонал;
) затрат на электроэнергию.
. Расчет амортизационных отчислений
Расчет амортизационных отчислений производится линейным
способом
руб./год (5.3)
где K - суммарные капитальные затраты;
НА - норма амортизации при сроке
эксплуатации 10 лет.
2. Расчет затрат на заработную плату обслуживающему
персоналу
Расчет затрат на ремонт и техобслуживание складывается из
заработной платы ремонтного персонала и оплаты материалов, необходимых для
ремонта. Данные, приведенные в этом разделе, основаны на правилах
планово-профилактических ремонтов (ППР), одинаковых для всех предприятий и
графиков ППР для станка 7216Г данного предприятия.
Ремонт оборудования осуществляется электриком шестого разряда
с часовой тарифной ставкой Сч=90 руб./час согласно тарифной сетки,
установленной руководителем предприятия.
В затратах на ремонт и обслуживание учитывается количество
текущих (Т), средних (С) и капитальных (К) ремонтов в течение всего срока
службы лет Тс = 10 лет и трудоемкость ремонтов
Таблица 5.4. Трудоёмкость ремонтов
|
Оборудование
|
Количество
ремонтов Т-С-К
|
Трудоемкость
ремонтов Т-С-К, чел.∙ч
|
Суммарная
трудоемкость ремонта, чел.∙ч
|
|
Асинхронный
двигатель
|
20-2-1
|
2-4-10
|
58
|
|
Преобразователи
частоты
|
4-2-1
|
2-4-10
|
26
|
|
Двигатель
постоянного тока
|
40-5-1
|
4-4-10
|
110
|
Затраты на зарплату электрика за год на ремонт оборудования:
руб., (5.4)
где T∑ - суммарная трудоёмкость ремонта, чел.∙ч;
СЧ - часовая тарифная ставка, руб./ч;
kсоц
- единый социальный налог;
kр -
уральский коэффициент;
Tс -
срок службы.
Рассчитываем затраты на электроэнергию:
Зэл1=Тр·Цэ·Q1, (5.5)
где Тр - годовой фонд
рабочего времени, ч;
Цэ = 2,524 - цена за 1 кВт·ч
электроэнергии, руб.;
Q1 - энергия, потребляемая за час, кВт/ч.
Tp = ((Д - Двых - Дпр)·S·h
- Дпр·tH)
·(1 - Рпр/100), (5.6)
где Д - количество дней в году; h - количество часов в
смене; Дпр - количество праздничных дней; tH - время сокращения
работы в предпраздничный день; S - количество рабочих смен; Рпр -
процент простоя оборудования, %; Двых - количество выходных дней;
Д = 365; h = 8; Дпр=13; tH = 1 ч; S = 2; Двых=101;
Рпр=5% - новое оборудование. Тогда: Тр =((365 -
101 - 13)·2·8 - 13·1) ·(1 - 5/100) = 3802,85 ч
Энергия, потребляемая станком за час:
, (5.7)
где Qцп1 = 110 кВт/ч; - энергия, потребляемая электроприводом за
один час работы оборудования, кВт/ч; здв - коэффициент
полезного действия двигателя; зпр - коэффициент полезного
действия преобразователя; Kз - коэффициент загрузки. Коэффициент
загрузки определяется производственной инструкцией, технологической картой,
зависит от сортамента оборудования и составляет в среднем 0,7. здв =
0,9; зпр = 0,97; Цэ = 2, 524 руб. (по тарифу для
ООО «ПТЦ»).
кВт/ч, (5.8)
где Q1 - энергия, потребляемая за час, кВт/ч;
Qцп1 - энергия, потребляемая электроприводом
за один час работы оборудования, кВт/ч;
здв - коэффициент полезного действия
двигателя;
зпр - коэффициент полезного действия
преобразователя;
Kз - коэффициент загрузки.
Расход электроэнергии за год:

где Тр - годовой фонд рабочего времени, ч;
Цэ = 2,524 - цена за 1 кВт·ч электроэнергии, руб.;
Q1 - энергия, потребляемая за час, кВт/ч.
Суммарные эксплуатационные расходы:
руб., (5.9)
где ЗЗ1 - затраты на зарплату электрика за год, руб.;
СA - амортизационные отчисления, руб.;
Зэл1 - расход электроэнергии за год, руб.
Рассчитываем суммарные эксплуатационные расходы для старого
оборудования:
Затраты на зарплату электрика за год на ремонт оборудования:
руб.,
где T∑ - суммарная трудоёмкость ремонта, чел.∙ч;
СЧ - часовая тарифная ставка, руб./ч;
kсоц - единый социальный налог;
kр - уральский коэффициент;
Tс - срок службы.
Расход электроэнергии за год:
Зэл2=Тр·Цэ·Q2,
где Тр - годовой фонд рабочего времени, ч;
Цэ = 2,524 - цена за 1 кВт·ч
электроэнергии, руб.;
Q2 - энергия, потребляемая за час, кВт/ч
кВт/ч,
где Qцп1 = 160 кВт/ч - энергия, потребляемая электроприводом за один
час работы оборудования, кВт/ч;
здв = 0,85 - коэффициент полезного
действия двигателя;
Кз = 0,7 - коэффициент загрузки.
Расход электроэнергии за год:
кВт·руб.,
где Тр - годовой фонд рабочего времени, ч;
Цэ = 2,524 - цена за 1 кВт·ч
электроэнергии, руб.;
Q2 - энергия, потребляемая за час, кВт/ч.
Суммарные эксплуатационные расходы:
руб., (5.10)
где ЗЗ - затраты на зарплату электрика за год,
руб.;
Зэл - расход электроэнергии за год, руб.
.4 Расчет экономической эффективности
Экономическая эффективность внедрения частотно-регулируемого
электропривода определяется как разность суммарных эксплуатационных расходов на
техническое обслуживание станка с электроприводом постоянного тока и
аналогичных эксплуатационных расходов на станок с частотным электроприводом и
определяется по формуле:
руб., (5.11)
где Зтз2 - суммарные эксплуатационные расходы старого
оборудования, руб.;
Зтз - суммарные эксплуатационные расходы нового
оборудования, руб.
Срок окупаемости частотно-регулируемого электропривода:
, (5.12)
где K∑ - капитальные затраты, руб.;
ДЗтз - экономическая эффективность, руб.
.5 Выводы
1. Модернизация продольно-строгально-фрезерного станка
7216Г позволяет:
- снизить энергопотребление;
сократить затраты на техническое обслуживание и ремонт;
уменьшить износ оборудования вследствие плавности переходных
процессов.
2. Срок окупаемости составляет приблизительно 3,39 года,
что при сроке службы 10 лет является приемлемым.
Таблица 5.5. Таблица технико-экономических показателей
|
Экономические
показатели
|
Ед. изм.
|
Старое
оборудование
|
Новое
оборудование
|
|
1. Капитальные
затраты:
|
|
а). Расходы на
приобретение оборудования
|
руб.
|
-
|
813 535,47
|
|
б). Затраты на
монтаж
|
руб.
|
-
|
43 133,00
|
|
в). Затраты на
пусконаладочные работы
|
руб.
|
-
|
104 784,40
|
|
г). Затраты на
проектирование
|
руб.
|
-
|
98 670,00
|
|
д). Затраты на
транспортировку
|
руб.
|
-
|
-
|
|
Итого
капитальные затраты:
|
руб.
|
-
|
1 060 122,88
|
|
2.
Эксплуатационные расходы
|
|
а).
Амортизацинные отчисления
|
руб./год
|
-
|
106 012,29
|
|
б). Затраты на
ремонт оборудования
|
руб./год
|
1 480,05
|
1 130,22
|
|
в). Затраты на
электроэнергию
|
руб./год
|
1 264 684,31
|
846 578,30
|
|
Итого
эксплуатационные расходы
|
руб./год
|
1 266 164,36
|
953 720,51
|
|
3. Экономия
электроэнергии
|
руб./год
|
-
|
418 106,01
|
|
4. Годовой
экономический эффект от внедрения
|
руб./год
|
-
|
312 443,85
|
|
5. Срок
окупаемости
|
лет
|
-
|
3,39
|
Заключение
В данном проекте приводится расчет
электропривода механизма перемещения стола продольно-строгально-фрезерного
станка 7216Г и системы автоматического управления перемещением стола.
В пояснительной записке приводится описание технологического
процесса, выбор двигателя и расчет нагрузочной диаграммы, выбор
преобразователя, разработка и расчет системы автоматического регулирования,
моделирование двукратно интегрирующей САР скорости, разработка схемы
автоматического управления механизма движения стола
продольно-строгально-фрезерного станка 7216Г. Также приводится анализ
экономической целесообразности, безопасности и экологичности проекта, из
которого следует, что данный проект экономически выгоден и при выполнении всех
вышеизложенных рекомендаций безопасен.
Библиографический список
1. Шрейнер Р.Т. Математическое моделирование
электроприводов переменного тока с полупроводниковыми преобразователями частоты
Екатеринбург: УРО РАН, 2000. 654 с.
2. Соколов М.М. Автоматизированный
электропривод общепромышленных механизмов. Изд. 3-е, переработ. И доп., М.:
«Энергия», 1976.
. Ключев В.И., Терехов В.М. Электропривод
и автоматизация общепромышленных механизмов: Учебник для вузов. - М.: «Энергия»,
1980.
. Ключев В.И. Теория электропривода:
Учебник для вузов. - М.: Энергоатомиздат, 1985.
. Копылов И.П. Математическое
моделирование электрических машин: Учебник для вузов. - 3-е изд., перераб. и
доп. - М.: Высш. шк., 2001.
. Асинхронные двигатели серии 4А:
Справочник / А.Э. Кравчик, Е.А. Соболенская. - М.: Энергоиздат, 1982.
. Справочник по электрическим машинам: в 2
т. Т 2 /Под общ. ред. И.П. Копылова, Б.К. Клюкова. - М.: Энергоатомиздат, 1989.
. Справочник по автоматизированному
электроприводу / Под ред. В.А. Елисеева и А.В. Шинянского.-М.: Энергоатомиздат,
1983.
. Трофимов А.М. Металлорежущие станки. -
М.: Машиностроение, 1979.
. Организационно-экономическое обоснование
конструкторско-технологических проектов в условиях рыночной экономики: Методические
указания по дипломному проектированию / Состав. С.П. Павлов, В.А. Сорокин.
Екатеринбург: УГТУ, 1995. 39 с.