Выбор двигателя для электропривода станка
Содержание
Введение
1. Исходные данные
2. Описание детали
3. Выбор станка
4. Расчет и построение нагрузочной диаграммы главного
электропривода
4.1 Выбор электродвигателя главного электропривода
4.2 Проверка электродвигателя главного электропривода по нагреву
4.3 Построение нагрузочной диаграммы главного электропривода
5. Расчёт и построение нагрузочной диаграммы электропривода подачи
5.1 Выбор электродвигателя подачи
5.2 Проверка электродвигателя по нагреву
5.3 Построение нагрузочной диаграммы и тахограммы привода подачи
Список используемой литературы
Введение
Автоматизированные системы управления технологическим
процессом металлообработки (АСУ ТП МО) обеспечивают наиболее эффективную работу
автоматизированного объекта в целом по заданным технико-экономическим
критериям, с учётом технологических ограничений, путем сбора и переработки
информации для формирования управляющих воздействий на исполнительные
механизмы. Для успешного решения задач автоматизации необходимо хорошо знать
технологический процесс автоматизированного металлорежущего станка, особенности
идентификации процесса металлообработки, алгоритм управления этим процессом,
методы синтеза и анализа АСУ и ее конструктивных элементов.
Целью выполнения курсового проекта является приобретение
знаний и практических навыков в расчёте и построении нагрузочных диаграмм и
тахограмм электроприводов главного движения и подачи станка растачивания, по
результатам которых необходимо выбрать двигатели для данных электроприводов. В
завершении расчета для выбранных двигателей нужно провести проверку по нагреву,
по результатам которой оценить возможность использования двигателей для данного
станка.
1. Исходные
данные
Вид металлообработки - растачивание, обрабатываемый участок -
А, стабилизируемая величина - Vрез, вариант - 81.
Размер заготовки и готовой детали (мм):
а= 55мм; б = 125 мм; в = 10 мм; г = 235мм; ж =65 мм; з = 65
мм;
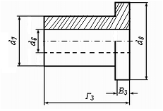
d1 =12.5 мм; d2= 31мм; d3 = 60мм; d4 = 155 мм; d5 = 92мм;
d6 = 34 мм; d7= 95 мм; d8 = 160мм; Г3 = 240 мм; В3 = 12 мм.
Коэффициенты и показатели степеней:
Сv= 270; Cf = 310; CӨ = 13; Xm= 0.11; Xf = 0.91; Xv = - 0.09;
mӨ = 0.27; nӨ = 0.16; qӨ = 0.09; Yf= 0.71; Yv= 0.25.
Технологические величины:
Т = 70 мин; ηнст= 0.77;
S1 = 0.5; h1 = 3мм - черновая обработка;
S2 = 0.21; h2 = 1 мм - чистовая обработка.
Величины, характеризующие движение подачи
металлообрабатывающего станка:
Масса поступательно движущихся частей Gто, кг 275;
Наибольшая суммарная масса движущихся поступ. Частей Gт, кг 325;
Коэффициент трения движения μ 0.06;
Коэффициент трения при трогании μ00.21;
Удельное усилие прилипания fпр, Н/
0.46;
Площадь прилипания направляющих Sпр,
530;
Средний диаметр ходового винта dв, мм 44;
Шаг винта Нв, мм 10;
Угол трения ходового винта ρ, град 4.75;
Передаточное отношение редуктора iрп14;
Номинальный КПД механизма подачи ηп 0.77;
Диапазон скоростей рабочих подач D400/1;
Максимальная скорость подачиVmax, мм/мин 630;
Момент инерции движущихся частей, приведенный к валу
Электродвигателей JΣ, кг·
0.006.
2. Описание
детали
Из металлической заготовки, представленной на рис. 1 (а),
изготавливается деталь, показанная на рис. 1 (б).
а) б)
Рисунок 1 Общий вид и размеры заготовки (а) и готовой детали
(б)
Размеры заготовки и готовой детали, параметры
технологического режима обработки этих участков детали и значения
коэффициентов, необходимых для расчёта статических усилий на главном
электроприводе и электроприводе подачи, приведены в исходных данных. Вид
металлообработки - растачивание.
двигатель электропривод станок нагрузочный
3. Выбор
станка
Для осуществления растачивания отверстия в металлической
детали подойдёт токарный станок: 16А20Ф3 c ЧПУ. Станок предназначен для
токарной обработки в полуавтоматическом режиме наружных и внутренних
поверхностей деталей типа тел вращения со ступенчатым и криволинейным профилем
различной сложности. По заказу станок может оснащаться системой ЧПУ и
электроприводами, как отечественного производства (NC-210), так и производства
зарубежных фирм Siemens, Fagor, Heidenhain, "FANUC". Область
применения станка 16А20Ф3: мелкосерийное и серийное производство.
Особенности конструкции:
высокопрочная станина, выполненная литьем из чугуна марки
СЧ20 с термообработанными шлифованными направляющими, обеспечивает длительный
срок службы и повышенную точность обработки;
привод главного движения 16А20Ф3, включающий главный
двигатель 30 кВт.
Наибольший диаметр изделия, устанавливаемого над станиной,
500 мм
Наибольший диаметр обрабатываемого изделия, мм
над станиной 320
над суппортом 200
Наибольшая длина устанавливаемого изделия в центрах, 1000 мм
Наибольшая длина обрабатываемого изделия при 8-ми позиционной
головке, 750 мм
Диаметр цилиндрического отверстия в шпинделе, 55 мм
Наибольший ход суппорта, мм
поперечный 210
продольный 905
Рисунок 2. Общий вид токарного станка 16А20Ф3 c ЧПУ
4. Расчет и
построение нагрузочной диаграммы главного электропривода
Скорость резания на i-ой операции:

Усилие резания на i-ой операции:
Мощность резания на i-ой операции:
Температура резания на i-ой операции:
Технологическое (машинное) время обработки на i-ой операции:

=г = 235 мм - расчетная длина обработки на i-ой операции.
Частота вращения шпинделя на i-ой операции:

- обрабатываемый участок детали.
Коэффициент загрузки на i-ой
операции:

- наибольшая мощность резания, кВт.
КПД станка при выполнении i-ой операции:
Мощность на валу электродвигателя шпинделя на i-ой операции:
Скорость подачи на i-ой операции:
Частота вращения ходового винта на i-ой операции:
Частота вращения двигателя подачи на i-ой операции:
Максимальная скорость подачи:

Для расчета вспомогательного времени составим технологическую
карту времени всего цикла роботы. Для этого воспользуемся справочником
вспомогательного времени:
) установка детали (
) = (0.072+0.0018+0.005∙2)
∙60 = 5.028 с;
) закрепление детали (
) =0.005∙60
= 0.3 с;
) подвод резца (
) =
∙60 = 8.25 с;
) черновая обработка (
) =
= 13.2 с;
) отведение резца (
) = 
7.98 с
) отвод резца (
) = 0.0045 ∙ 60 = 0.27 с;
) чистовая обработка (
) = 
= 22.8 c;
) вывод резца (
) = 2 ∙ 
= 15.96 с;
) снятие детали (
) = (0.0043 + 0.072 + 0.005 ∙ 2) ∙60 = 5.178 с.
Время цикла:
Средняя мощность электродвигателя на валу шпинделя:
4.1
Выбор электродвигателя главного электропривода
По мощности 
= 22.43 кВт, и частоте вращения 
выбираем электродвигатель:
Тип: А 225 М2;

= 55 кВт;

= 2955
;

= 55,4 А;
η = 93.5 %;
U = 380 В.
4.2 Проверка
электродвигателя главного электропривода по нагреву
Коэффициент загрузки электродвигателя на i-ой операции:
КПД двигателя при выполнении i-ой операции:
Потери мощности на валу электродвигателя шпинделя:
Средняя потеря мощности на валу электродвигателя шпинделя:
Номинальная потеря мощности на валу электродвигателя
шпинделя:
Так как: 
, то двигатель проходит по нагреву.
4.3
Построение нагрузочной диаграммы главного электропривода
Рисунок 3 Нагрузочная диаграмма главного привода
5. Расчёт и
построение нагрузочной диаграммы электропривода подачи
Осевое усилие подачи:
Усилие подачи при резании:
Усилие подачи при трогании суппорта с места:
Усилие подачи при быстром перемещении:
Момент вращения на ходовом винте:
Момент на ходовом винте при быстром перемещении и при
трогании суппорта с места:
Вращающий момент на валу электродвигателя:
Вращающий момент на валу электродвигателя при быстром
перемещении и при трогании суппорта с места:
Скорость вращения ходового винта:
Скорость вращения ходового винта при быстром перемещении и
при трогании суппорта с места:
Скорость вращения электродвигателя подачи:
Скорость вращения электродвигателя подачи при быстром
перемещении и при трогании суппорта с места:
Мощность электродвигателя подачи:
Мощность электродвигателя подачи при быстром перемещении и
при трогании суппорта с места:
5.1
Выбор электродвигателя подачи
Для привода подачи целесообразно использовать
электродвигатель постоянного тока серии ДПР-3, который предназначен для работы
в широко регулируемых автоматизированных электроприводах постоянного тока,
эксплуатации в механизмах станков. Применяется в приводах подачи металлорежущих
станков, промышленных роботах, манипуляторах и другом производственном
оборудовании.
По моменту 
кВт выбираем электродвигатель:
Тип: ДПР-3 РС-3-06;
Момент двигателя:
Время разгона:
5.2 Проверка
электродвигателя по нагреву
Проверку электродвигателя по нагреву проводим методом
эквивалентного момента:
Так как: 
, то двигатель проходит по нагреву.
5.3
Построение нагрузочной диаграммы и тахограммы привода подачи
Рисунок 4 Нагрузочная диаграмма привода подачи
Рисунок 5. Тахограмма привода подачи
Заключение
В ходе данного курсового проекта был изучен один из видов
технологического процесса металлообработки - точение (растачивание). Был выбран
токарный станок марки: 16А20Ф3 c ЧПУ. Далее были рассчитаны и построены -
нагрузочная диаграмма главного привода, тахограмма и нагрузочная диаграмма
привода подачи. Для осуществления движения главного привода был выбран
двигатель типа: А225М2 и электропривод: триол АТ04, который осуществляет
скалярное управление двигателем. Для осуществления движения подачи был выбран
двигатель типа: ДПР-3 РС-3-06 и преобразователь частоты: SiemensMICROMASTER440, которые осуществляют
векторное управление двигателем.
Список
используемой литературы
1. Зюбровский
Л.Г., Черепов В.А., Ковалев В.Е. Задание к курсовому проекту по дисциплине
"Автоматизация технологических процессов и комплексов” /Новочерк. гос.
техн. ун-т. - Новочеркасск: НГТУ, 1995. - 11 с.
2. Зюбровский
Л.Г., Черепов В.А., Ковалев В.Е. Методические указания к курсовому проекту по
дисциплине "Автоматизация производственных комплексов” /Юж. - Рос. гос.
техн. ун-т. - Новочеркасск: ЮРГТУ, 2001. - 26 с.
. Сандлер
А.С. Электропривод и автоматизация металлорежущих станков: Учеб. Пособие для
вузов. - М.: Высш. шк., 1972. - 440 с.
. Корытин
А.М., Петров Н.К. и др. Автоматизация типовых технологических процессов и
установок: Учеб. для вузов-М.: Энергоатомиздат, 1988-432 с.
. ‘‘Общемашиностроительные
нормативы вспомогательного времени и времени на обслуживание рабочего места на
работы выполняемые на металлорежущих станках’’ Издательство ‹‹Экономика››,
1988.
. Каталог
DA 51.2
2003/2004