Схема управления с зависимым изменением напряжения на якоре двигателя и потока возбуждения двигателя главного электропривода металлорежущего станка
Содержание
Введение
1. Исходные данные
2. Краткий анализ
функциональной и принципиальных схем тиристорного электропривода типа ЭТУ-3601Д
. Определение и уточнение
паспортных данных, конструктивных особенностей и условий работы применяемого
двигателя
. Выбор трансформатора,
расчет его параметров
. Расчет параметров и выбор
сглаживающего дросселя
. Выбор и проверка тиристоров
преобразователя
. Расчет и уточнение основных
коэффициентов электропривода
. Расчет контура тока
. Расчет контура скорости
. Расчет контура тока
возбуждения
. Расчет контура
регулирования ЭДС
. Расчет на ПК и построение
переходных процессов
Выводы и литература
Введение
В данной работе
исследуется схема управления с зависимым изменением напряжения на якоре
двигателя и потока возбуждения двигателя главного электропривода
металлорежущего станка. Принимаем, что в двухзонной системе применен точно
такой же двигатель, как и для электропривода подачи. Если для однозонного
электропривода был задан диапазон регулирования скорости D1, то теперь дополнительным условием
является обеспечения диапазона изменения скоростей D2 выше основной характеристики.
Таким образом, общий диапазон определяется произведением D1*D2. В ходе расчета двухзонного
электропривода, контур тока не претерпевает каких либо изменений, а в контуре
скорости изменяются лишь параметры настройки регулятора скорости и коэффициента
передачи обратной связи по скорости (Кс), определяемые увеличенным значением ω0. Дополнительно рассчитывается контур тока возбуждения и контур
ЭДС, настраиваемый на интегральный закон.
1. Исходные данные
Объект проектирования - тиристорный
электропривод постоянного тока. Необходимо рассчитать двухзонный электропривод
типа ЭТУ-3601Д механизма главного движения станка. Проектирование начинается с
расчета двухконтурной системы подчиненного регулирования координат (внутренний
контур - контур тока якоря, внешний контур - контур скорости). Затем
рассчитывается контур тока возбуждения и внешний по отношению к нему контур
регулирования ЭДС.
Таблица 1. Исходные данные
|
Тип
используемого двигателя:
|
ПБСТ-42МУ
|
|
Номинальная
мощность, Pн
|
2.1
кВт
|
|
Максимальная
мощность, Pм
|
2.9
кВт
|
|
Номинальное
напряжение, Uн
|
110
В
|
|
Номинальная
частота вращения, n н
|
1500
об/мин
|
|
Максимальная
частота вращения, n маx
|
3750
об/мин
|
|
Номинальный
к.п.д, h н
|
84.5
%;
|
|
Сопротивление
обмотки якоря при 15°С, RЯ(15оС)
|
0.19
Ом
|
|
Сопротивление
добавочных полюсов при 15°С,
Rдп(15оС)
|
0.15
Ом
|
|
Индуктивность
якорной цепи, L Я
|
4.5
мГн
|
|
Момент
инерции якоря, Jя
|
0.046
кг×м2
|
|
Номинальный
момент, Мн
|
13.7
Нм
|
|
Номинальный
поток, Фн
|
10
Вб
|
2. Краткий анализ
функциональной и принципиальных схем тиристорного электропривода типа ЭТУ-3601
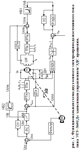
Функциональная
схема управления при зависимом изменении напряжения на якоре двигателя и потока
возбуждения двигателя главного привода станка изображена на рис.1. Якорь
двигателя и обмотка возбуждения получают питание от управляемых источников -
тиристорных преобразователей ТПя и ТПв. Управление
двигателем в зоне до основной скорости осуществляется двухконтурной системой,
состоящей из внешнего контура скорости и внутреннего контура тока якоря. Для
обеспечения постоянства ускорения и замедления сигнал задания контуру скорости U3C может формироваться при
помощи задатчика интенсивности ЗИ. Для управления потоком (током) возбуждения
использована двухконтурная система с внешним контуром регулирования ЭДС и
подчиненным ему внутренним контуром тока (потока) возбуждения. Для
преобразования сигнала задания потока Uзф в сигнал задания тока
возбуждения Uзтв служит нелинейный блок
НБ1.
В исходном состоянии,
сигнал на выходе задатчика интенсивности Uзс=0, на вход регулятора ЭДС поступает сигнал задания Uзэ, обычно соответствующий номинальной ЭДС (10 В). Так как двигатель
неподвижен, его ЭДС равна нулю, сигнал обратной связи по ЭДС тоже равен нулю.
Благодаря устройству ограничения УО сигнал на выходе интегрального регулятора
ЭДС соответствует заданию номинального потока возбуждения, которое
преобразуется в блоке НБ1 в сигнал задания номинального тока возбуждения.
двигатель тиристорный электропривод трансформатор
Разгон привода до
основной скорости происходит также, как и в системе однозонного регулирования
скорости. По мере разгона электропривода увеличивается сигнал обратной связи по
ЭДС двигателя и при достижении ЭДС номинального значения наступает равенство
сигналов Uоэ и Uзэ. При этом регулятор ЭДС, настроенный на интегральный закон, еще
вырабатывает задание на номинальный поток. Происходит дальнейшее увеличение
скорости двигателя за счет повышения напряжения на якоре, растет ЭДС двигателя
и сигнал Uоэ начинает превышать
величину задания Uзс. Выходной сигнал
регулятора ЭДС уменьшается, вызывая уменьшение потока. Так как регулятор ЭДС -
интегральный, в установившемся режиме, который наступает в конце разгона,
отклонение ЭДС двигателя от номинальной отсутствует.
В процессе разгона
существует небольшая скоростная ошибка, соответствующая отклонению ЭДС от
заданной (номинальной) на уровне 1...2%. Для поддержания постоянства момента
при разгоне задание по току поступает с выхода регулятора скорости на вход регулятора
тока через блок деления БД. В этом блоке происходит деление сигнала задания на
сигнал, пропорциональный потоку Uф, который формируется на
выходе нелинейного блока НБ2, С уменьшением потока результат деления, при том
же сигнале на выходе регулятора скорости, будет расти:
Так как Uвых
рс пропорционально моменту, а Uф
- потоку возбуждения, то последнее выражение можно записать в относительных
единицах:
При номинальном
потоке Ф* = 1 сигнал задания на ток якоря равен сигналу задания момента
двигателя. В рассматриваемой системе процессы в зоне выше основной скорости при
отработке задания и возмущения начинаются с изменения напряжения на якоре и
связанной с ним ЭДС двигателя, что вызывает соответствующее изменение потока
возбуждения до тех пор пока не будет достигнуто новое установившееся состояние.
Таким образом сигнал, управляющий изменением магнитного потока, зависит от
превышения ЭДС двигателя (или превышения напряжения преобразователя якоря)
заданной эталонной величины.
Рассматриваемый
электропривод представляет собой реверсивное устройство с пределом
регулирования напряжения +Uмах... 0...-Uмах по ТУ 16-536.573-78 в цепи якоря и нереверсивное управляемое по
цепи возбуждения. Буква "Д" в названии обозначает двухзонное
регулирование скорости за счет ослабления магнитного потока главных полюсов.
Функциональная схема электропривода приведена на рис.2. Работа канала
управления якорем полностью аналогична описанной в РГЗ работе однозонной
системы
Логическое
устройство (ЛУ или ЛПУ) осуществляет управление силовыми комплектами
вентилей, ЛУ выполняет следующие функции:
· выбор
нужного направления работы в зависимости от знака входного сигнала;
· включение
соответствующих ключей, определяющих требуемое направление тока
преобразователя;
· блокировка
входа ЛУ сигналом датчика состояния тиристоров и управляющими импульсами;
· создание
выдержки времени между снятием импульсов с работающего ранее комплекта и
подачей их на вступающий в работу комплект.
Функциональная
схема ЛУ изображена на рис.3. и включает в себя: нуль-орган НО, элементы
совпадения "И-НЕ" 1D1, 2DI на входе триггера заданного положения ТЗП; триггер ТЗП 3D1, 4D1; элементы совпадения
"И-НЕ" 1D2, 2D2 на входе триггера истинного положения ТИП; триггера ТИП 3D2, 4D2; элементы совпадения на выходе
триггеров 1D3, 2D3; элементы отсчета выдержки времени на переключение 3D3, С8, R22; элемент совпадения
"И-НЕ" 4D3; общие логические транзисторные ключи КН, КВ. Регулирующий
сигнал UH3B поступает на вход 1 НО, при этом отрицательный сигнал
устанавливает НО в положение "1", а положительный - в положение “0”.
Если на блокирующем входе 3 имеется сигнал "1" датчика проводимости
тока тиристоров ДПТВ и нет управляющих импульсов с ФИ, то элементы совпадения 1D1, 2D1 разрешают прохождение сигнала НО
на ТЗП. Элементы совпадения 1D2, 2D2 при наличии на их общем входе 8 сигнала "1" переводят
триггер ТИП в положение, соответствующее триггеру ТЗП. Выходы триггеров ТЗП и
ТИП подключены на элементы совпадения 1D3, 2D3, которые управляют общими
транзисторными ключами КН, KB, а последние, в свою очередь, управляют тремя парами ключей: HI, В1, Н2, В2, НЗ, ВЗ.
Силовые транзисторные ключи H1, B1 разрешают выдачу управляющих импульсов на комплекты тиристоров
"Назад" или "Вперед". Ключи Н2, В2 и НЗ, ВЗ осуществляют
переключения на входе управляющего органа СИФУ и в цепи обратной связи по току
(реверс сигнала).
При наличии тока в
силовой цепи с ДПТВ поступает на блокирующий вход 3 сигнал ("О"), тем
самым запрещается прохождение сигнала нуль-органа на вход триггера ТЗП до
исчезновения тока. Триггеры ТЗП и ТИП остаются в первоначальном положений, идет
режим работы в выбранном направлении. При реверсировании регулирующего сигнала
реверсируется сигнал на выходе нуль-органа НО. Ток в силовой цепи начинает
спадать, и как только ток пропадет, с ДП на вход 3 поступает сигнал
"1", разрешающий нуль-органу через элементы совпадения 1D1, 2D1 перевести триггер ТЗП в новое
положение. На выходе элементов совпадения 1D3, 2D3 наступает соответствие (сигналы
"1"), отключается ключ КН. Одновременно с элемента 4D3 снимается сигнал разрешения выдачи
импульсов в ФИ и начинается отсчет выдержки времени на приведение триггеров в
новое положение. На выходе 3D3 появляется сигнал"1",
конденсатор С8
начинает заряжаться, и как только напряжение на нем достигнет "1",
элементы совпадения 1D2, 2D2 переводят триггер ТИП в положение, соответствующее триггеру ТЗП.
При этом включится ключ КВ. На входе элемента 4D3 появится сигнал разрешения выдачи
импульсов в ФИ " 1" только после включения одного из каналов
устройства.
Так, после быстрого
снятия импульсов с ранее работавшего канала, для надежности осуществляется
кратковременная задержка выдачи управляющих импульсов по каналу нового
направления тока, исключающая аварийное включение тиристоров из-за ограниченной
(конечной) чувствительности датчика проводимости. Если же во время отсчета
выдержки времени на вход нуль-органа поступит команда на включение в
первоначальное положение, то триггер ТЗП возвращается в прежнее состояние,
соответствующее триггеру ТИП, и сразу разрешается выдача управляющих импульсов
на тиристоры первоначально выбранного комплекта. Это позволяет уменьшить время
регулирования тока нагрузки и способствует более плавной и устойчивой работе
электропривода.
Датчик
проводимости (ДП или ДПТВ) предназначен для индикации состояния (открыт или
закрыт) тиристоров и работает по принципу контроля напряжения на тиристорах
анодной или катодной группы. ДПТВ состоит из трех узлов потенциальной развязки,
соединенных по схеме "И" и нуль-органа. Рассмотрим первый узел
потенциальной развязки, состоящий из дополнительного моста V4 и оптрона V7. Подключенный через резисторы R8, R11 параллельно участку анод-катод
тиристора, узел потенциальной развязки фиксирует наличие на тиристоре
напряжения любой полярности. При подаче управляющих импульсов, два тиристора
(один в анодной группе, другой в катодной) открываются, и соответствующий
открытому тиристору узел потенциальной развязки срабатывает, разрывая цепь
управления нуль-органа; вход нуль-органа расшунтируется, и транзисторы V10, VI1 открываются. С выхода
датчика проводимости поступает сигнал запрета ("0") на переключение
логического устройства. Когда все три узла потенциальной развязки зафиксируют
наличие напряжения на тиристорах, вход нуль-органа шунтируется, транзисторы V10, V11 запираются и с выхода ДП
поступает сигнал разрешения ("1") на переключение логического
устройства раздельного управления (ЛПУ).
Адаптивный
регулятор тока (APT) позволяет резко улучшить динамические свойства системы
автоматического регулирования. Адаптивный регулятор тока состоит из регулятора
тока РТ, нелинейного звена НЗ и функционального преобразователя ЭДС (ФПЭ).
Управляющее напряжение на выходе APT представляет сумму сигналов, пропорциональных величине тока и ЭДС
двигателя. Сигнал, пропорциональный ЭДС двигателя Ue, формируется с помощью
функционального преобразователя ЭДС (ФПЭ), имеющего арксинусную характеристику Ue = Ки • arcsin(E ). Здесь Ки - коэффициент передачи
НЗ, Е - ЭДС двигателя. APT необходим для компенсации нелинейной характеристики управляемого
выпрямителя в режиме прерывистого тока. В двухзонных электроприводах
однозначная зависимость между напряжением тахогенератора и ЭДС отсутствует,
поэтому вход ФПЭ необходимо подавать сигнал с датчика ЭДС или напряжения.
Величина сигнала Ue выставляется с помощью резистора при номинальной частоте вращения
двигателя и холостом ходе таким образом, чтобы среднее значение выходного
напряжения регулятора тока Upт было равно нулю. При такой настройке сигнал Uрт становится пропорциональным
только току двигателя и поэтому ограничение его максимального уровня с помощью
резистора R33 обеспечивает также ограничение максимальной величины
составляющей выпрямленного напряжения Ud - Е = Id • Rя. Таким образом, осуществляется дополнительное ограничение
максимально-возможного тока двигателя (так называемое упреждающее
токоограничение). Так как основное ограничение тока осуществляется путем
ограничения сигнала задания тока (Upc) с помощью резистора R17, то дополнительное токоограничение, как менее точное,
используется для ограничения величины первого выброса тока, которого основное
токоограничение не исключает.
Адаптивный
регулятор скорости. В двухзонных электроприводах при изменении магнитного потока
изменяется электромеханическая постоянная Тм. Это приводит к искажению
амплитудно-частотной характеристики электропривода и при глубоком регулировании
поля (1:3 и более) возможно появление неустойчивого режима.
Чтобы
скомпенсировать изменение Тм и, следовательно, амплитудно-частотную
характеристику, в канал регулирования напряжения якоря введен специальный узел
- адаптивный регулятор скорости (АРС).
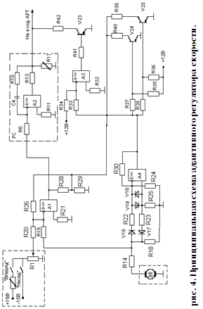
Схемная реализация
АРС приведена на рис.4. Усилитель А1 выполнен с регулируемой обратной связью
(элементы R26, R28, R29, R40 и соответствующие ключи VT24, VT25). При помощи двух
указанных ключей осуществляется двухступенчатое увеличение коэффициента
усиления. Данные ключи управляются в функции напряжения тахогенератора, которое
поступает на вход усилителя А4. Благодаря VD16, VD17 и использованию
инверсного и прямого входов усилителя (с единичным коэффициентом усиления), на
выходе А4 всегда имеем отрицательный сигнал. Отрицательный сигнал поступает на
выходы указанных выше ключей, где осуществляется его сравнение с заданными
уставками срабатывания каждой ступени. При Ф = const ключи закрыты и коэффициент усиления усилителя А1 минимальный. При
ослаблении поля и срабатывании первой ступени, параллельно R29 подключается R40, а при срабатывании второй
ступени (оба ключа замкнуты) дополнительно включается R39, увеличивая тем самым коэффициент
усиления А1. Кроме этого, при ослаблении поля осуществляется уменьшение уставки
токовой отсечки. Это осуществляется при помощи нуль-органа, выполненного на
основе усилителя A3, на входе которого суммируется напряжение "+12В"
и напряжение с выхода А4. При скорости двигателя, не превышающей номинальную,
на выходе A3 имеем положительный сигнал (+12В), который запирает ключ VT23. При ослаблении поля
и увеличении скорости, примерно до Зnном, (точка срабатывания
может перестраиваться) на выходе A3 появляется отрицательный сигнал, включается
ключ, подсоединяющий резистор R42 параллельно выходу PC. В результате снижается уровень токоограничения, что обеспечивает
нормальную коммутацию якоря двигателя при ослаблении поля. Ключи VT24, VT25 при соответствующих
частотах вращения двигателя подключают параллельно R29 резисторы R39, R40. В результате меняется
коэффициент обратной связи усилителя А1, а следовательно, и его коэффициент
усиления:
; (1)
где
-коэффициент
передачи потенциометра; (2)
Rx
- эквивалентное сопротивление регулируемого плеча обратной связи. Например, при
включении V24:
(3)
При этом, для соблюдения
зависимости, определяющей km рекомендуется иметь: R26
>> (RX+R28)
и ап-0,1-10. В АРС принято R28=R29=2,2 кОм; R26=2,7
кОм; R 19=47 кОм. При полном потоке двигателя имеем: ап =
0,5; km =
1.
При ослаблении поля на
первой ступени вводится резистор R40,
на второй ступени - R40 и R39. Таким образом, для АРС имеем: kи
= km * kкрс,
где kкрс - коэффициент передачи регулятора скорости, определяемый оптимальной
настройкой электропривода при Ф=ФН. Включение соответствующего ключа
(ступени) производится в функции напряжения тахогенератора BR, поступающего через диоды VD17,
VD16 на усилитель А2. Резисторами R37,
R38 определяется уставка каждой ступени. Через VD16 выходной сигнал поступает на инвертирующий вход А4, через VD17 - на прямой вход А4; в обоих случаях на выходе усилителя А4
имеем отрицательный сигнал. При ослаблении поля двигателя и отсутствии
адаптации, ЛАЧХ смещается параллельно вниз ло оси ординат, при этом сопрягающие
частоты ω3 и ω2 остаются неизменными, а частота среза ωс
уменьшится. При большом ослаблении поля ωс
может оказаться меньше ωз и система потеряет устойчивость,
Очевидно, что устройство
адаптации при ослаблении поля двигателя должно обеспечивать допустимое
изменение частоты среза. Для точного поддержания постоянства ωс
потребовалось бы бесконечное число ступеней изменения коэффициента
km. Практически большое число ступеней
усложняет устройство, поэтому применяют их ограниченное количество.
Датчик напряжения
(ДН) выполнен на основе оптронов, на вход которых через RC-фильтр (R13,C10) подается напряжение тахометрического моста (элементы R14, R15, R29). Выход оптрона включен на усилитель АЗ, напряжение выхода
которого можно использовать в системах электропривода с обратной связью по ЭДС
или напряжения двигателя. Для получения пропорциональной зависимости между
входом и выходом на стабилитроне VD12
формируется постоянное напряжение смещения, которое устанавливает рабочую точку
в линейной части на характеристике оптрона. Для компенсации начального
напряжения выхода усилителя A3, обусловленного напряжением стабилитрона VD12, используется переменное сопротивление R37.
Сигнал с выхода оптрона используется для управления потоком возбуждения
двигателя.
В ЭТУ-3601Д имеются
следующие источники питания с общей точкой: ±24В, ±15В, ±12В. Источники
напряжения 15В - стабилизированы. Для двухзонных электроприводов ЭТУ-3601Д для
питания обмотки возбуждения используется регулируемый тиристорный
преобразователь. Обычно собирается блок по однофазной силовой управляемой схеме
выпрямления и имеет одноканальную СИФУ.
В устройстве
использованы следующие виды защит: максимально-токовая; токовая
отсечка; времятоковая защита; от ухудшения условий охлаждения в устройствах с
принудительным охлаждением; защита от перенапряжения со стороны нагрузки в
регулируемых возбудителях; защита от пропадания фазы; узел блокировки
регуляторов; узел блокировки управляющих импульсов.
Времятоковую защиту
можно использовать для защиты от перегрева двигателя.
Принципиальная схема
узла защиты и блокировки приведена на рис. 5.
рис. 5. Принципиальная
схема узла защиты и блокировки.
3. Определение и уточнение
паспортных данных, конструктивных особенностей и условий работы применяемого
двигателя
1. Статический момент холостого
хода (минимальный статический момент сопротивления)
принят
равным 30% от номинального момента двигателя:
(4)
2. Суммарный приведенный к валу
электродвигателя, момент инерции механизма:
(5)
3. Перерегулирование по скорости s
%, при скачкообразном входном воздействии, для номинального режима работы
системы составляет не более 15%;
4. Номинальная угловая скорость:
(6)
5. Максимальный момент двигателя принят
равным:
(7)
6. Минимальное время переходного процесса:
(8)
7. Для управления двигателем механизма
подачи используется комплектный тиристорный однозонный электропривод подачи с
вертикальным способом управления и пилообразным опорным напряжением типа
ЭТУ-3601.
8. Мощность потерь в обмотке возбуждения
(ОВ):
(9)
9. Номинальный ток якоря:
(10)
10. Суммарное сопротивление якоря двигателя:
Сопротивлением щеток пренебрегаем, так как оно
учтено в сопротивлении якоря. В исходных данных приведены параметры для
сопротивлений при 15°С, нам нужно определить суммарное
сопротивление якоря в нагретом состоянии (65°С).
· Рассчитаем суммарное сопротивление
якоря при 15°С:
(11)
· Рассчитаем суммарное сопротивление
якоря при 0°С:
(12)
=>
(13)
· Рассчитаем суммарное сопротивление якоря при 65°С:
(14)
где:
- температурный коэффициент
сопротивления.
11. Конструктивный коэффициент двигателя:
(15)
4. Выбор трансформатора, расчет
его параметров
В настоящей работе, в силовой цепи используем
трансформатор, дающий напряжение для питания цепи якоря.
Полная мощность выбираемого трансформатора:
(16)
где
- коэффициент схемы выпрямления,
составляющий для мостовой трехфазной схемы 1.05.
. Выбираем трансформатор типа
ТТА-2.5 со следующими техническими параметрами:
полная номинальная мощность
трансформатора
кВА;
линейное выходное напряжение
трансформатора
В;
напряжение короткого замыкания
%;
мощность потерь при коротком
замыкании
Вт.
Рассчитаем активное сопротивление
фазы трансформатора:
(17)
Найдем ток одной фазы вторичной
обмотки:
(18)
Получив значение тока, определим
полное сопротивление фазы трансформатора:
(19)
Рассчитаем реактивное сопротивление
фазы трансформатора:
(20)
Индуктивность обмотки
трансформатора:
(21)
где f - частота
питающей сети 50 Гц.
5. Расчет параметров и выбор
сглаживающего дросселя
В системах раздельного и совместного управления
в якорную цепь обязательно устанавливается сглаживающий дроссель. Он выполняет
две функции: ограничивает зону прерывистых токов и сглаживает пульсации
выпрямленного тока и напряжения. Правильный выбор дросселя обеспечивает
требуемые массогабаритные показатели и динамику привода.
Индуктивность сглаживающего дросселя определяем
по двум критериям:
· из условия ограничения максимального
уровня выпрямительного тока и напряжения;
· из условия ограничения зоны
прерывистых токов.
1. Максимальная ЭДС на выходе выпрямителя:
(22)
где
- коэффициент схемы выпрямления,
равный для трехфазной мостовой схемы 1/0.427.
2. Необходимая индуктивность якорной цепи.
(23)
где:
и
-
относительные величины эффективных значений пульсации первых гармоник
выпрямленного напряжения и тока соответственно. Для мостовой схемы выпрямления
= 0.24,
= 0.03…0.07
(выбираем 0.04);
р - пульсность, составляющая для
мостовой схемы 6;
- угловая частота сети, равная 314
рад.
3. Требуемая индуктивность сглаживающего
дросселя:
(24)
4. Выбираем по каталогу сглаживающий
дроссель с индуктивностью большей расчетной и током, превышающим либо равным
номинальному току двигателя.
Выбираем два сглаживающих дросселя
типа РТП-7 с индуктивностью
мГн; номинальным током
А, что
удовлетворяет вышеприведенным условиям.
5. Индуктивность якорной цепи (с учетом
индуктивности выбранного дросселя):
(25)
Полученная индуктивность якорной
цепи обеспечит сглаживание пульсаций.
. Проверим сглаживающий
дроссель на условие ограничения прерывистых токов. Определяем
гранично-непрерывный ток при синусе угла управления, равному единице (
°):
(26)
Проверяем выполнение условия
, где
-
минимальный выпрямленный ток:
(27)
Условие выполняется, следовательно,
сглаживающий дроссель обеспечит ограничение зоны прерывистых токов.
6. Выбор и проверка тиристоров
преобразователя
1. Рассчитаем максимальное обратное
напряжение на тиристоре:
(28)
2. Рассчитаем средний ток через тиристоры:
(29)
где
- максимальный
выпрямленный ток.
3. По каталогу выбираем тиристор типа
Т10-25 с параметрами:
· средний ток
;
· обратное напряжение
.
4. Сопротивление открытого вентиля:
(30)
где
- падение напряжения на открытом
тиристоре.
7. Расчет и уточнение основных
коэффициентов электропривода
1. Суммарное
сопротивление якорной цепи:
(31)
где Rк -
сопротивление коммутации, равное
; (32)
Rл -
сопротивление линии, равное
; (33)
Rсдр -
сопротивление сглаживающего дросселя, равное
; (34)
- падение напряжения на
сглаживающем дросселе.
2. Максимальный ток через двигатель:
(35)
3. Определим кратность максимального тока:
(36)
Принимаем
, тогда
.
Вывод: выбранный двигатель
удовлетворяет условиям перегрузки, так как двигатель серии ПБСТ-33МУ допускают
четырехкратную перегрузку по току в течение 10 с.
4. Определение параметров тиристорного
преобразователя.
Тиристорный преобразователь упрощенно можно
описать устойчивым апериодическим звеном первого порядка:
где
- коэффициент передачи тиристорного
преобразователя;
- малая не компенсируемая постоянная
времени, включающая себя постоянную времени тиристорного преобразователя и
постоянные времени
всех малых инерционностей, которые мы не можем
или не хотим скомпенсировать.
4.1. Для определения
представим
тиристорный преобразователь в виде структурной схемы (рис. 6):
рис. 6. Структурная схема
тиристорного преобразователя.
Преобразователь представляется в виде трех
последовательно соединенных звеньев:
· 1-ое звено - статическое, определяет
коэффициент передачи СИФУ;
· 2-ое звено - статическое, определяет
коэффициент передачи силовой схемы;
· 3-е звено динамическое, учитывает
инерционность преобразователя.
Таким образом,
можно
представить в виде произведения:
(37)
- коэффициент преобразования
системы импульсно-фазового управления, которая преобразует входное напряжение
в
последовательность управляющих импульсов, определяющих угол управления
. Поэтому
можно
представить как отношение приращения выходного сигнала
к
приращению входного сигнала
:
(38)
.2. Для определения
необходимо
построить регулировочную характеристику тиристорного преобразователя, т.е.
зависимость среднего выпрямленного напряжения от угла управления. Поскольку
преобразователь работает на индуктивную нагрузку, регулировочная характеристика
описывается выражением:
(39)
Задаваясь значениями α, строим
регулировочную характеристику
в программной среде Mathcad 2000 (рис.
7).
Таблица 2
|
α, град
|
0
|
10
|
20
|
30
|
40
|
50
|
60
|
70
|
80
|
90
|
|
α, рад
|
0
|
0.17
|
0.35
|
0.52
|
0.7
|
0.87
|
1.05
|
1.22
|
1.4
|
1.57
|
|
Ud,В
|
320.4
|
315.5
|
301.1
|
277.5
|
245.4
|
205.9
|
160.2
|
109.6
|
55.6
|
0
|
рис. 7. Регулировочная
характеристика.
· Рассчитаем минимальное и
максимальное значения выпрямленного напряжения в заданном диапазоне
регулирования и углов управления:
(40)
(41)
где
- диапазон регулирования скорости
двигателя в первой зоне.
· Найдем минимальный и максимальный
углы открытия вентилей в заданном диапазоне регулирования:
(42)
(43)
· По регулировочной характеристике определяем
коэффициент
. Для этого
в точке
проводится
касательная,
определяется
отношением приращения выпрямленного напряжения к приращению угла управления
(тангенс угла наклона касательной к оси абсцисс):
(44)
· Аналогично определяем коэффициент
(касательная в точке
):
(45)
· Рассчитаем
как среднее арифметическое
коэффициентов
и
:
(46)
.3. Рассчитаем
:
(47)
.4. Определим малую суммарную не
компенсируемую постоянную времени
:
(48)
где
- среднестатистическое запаздывание
тиристорного преобразователя:
(49)
- постоянная времени устройства
управления, включающая в себя постоянную времени СИФУ, фильтра перед СИФУ, и
учитывающая быстродействие электронных компонентов, принимаем равной 0.006;
- постоянная времени фильтров,
установленных в цепи датчика тока и тахогенератора, принимаем равной 0.004.
8. Расчет контура тока
рис. 8. Структурная схема контура
тока.
Данная структурная схема содержит внутреннюю
обратную связь по ЭДС. Поскольку изменение тока происходит намного быстрее, чем
изменение скорости, то предварительно отбросим действие ОС по ЭДС и в
дальнейшем уточним ее влияние.
Данную систему будем настраивать на модульный
оптимум. Передаточная функция разомкнутой системы, настроенной на модульный
оптимум имеет вид:
(50)
Объект управления представлен в виде
произведения двух передаточных функций - компенсируемой и некомпенсируемой
частей объекта:
(51)
где
-
передаточная функция некомпенсируемой части объекта;
- передаточная функция
компенсируемой части объекта.
Передаточная функция регулятора тока имеет вид:
, (52)
где
-
электромагнитная постоянная времени;
- коэффициент обратной связи по
току;
- постоянная времени интегрирования
регулятора тока.
1. Рассчитаем требуемое значение
коэффициента обратной связи по току:
Ом (53)
где
-
максимальное напряжение датчика тока (5…10)В. Выше 10 В происходит насыщение
регулятора тока. В расчете
принимаем равным 10 В для того,
чтобы обратная связь по ЭДС не снизила значение тока ниже заданного.
2. Электромагнитная постоянная времени
якорной цепи:
с (54)
3. Электромеханическая постоянная времени:
с (55)
4. Постоянная интегрирования:
с (56)
5. Для моделирования необходимо также
рассчитать коэффициент регулятора тока Крт (из передаточной
функции регулятора, изложенной выше):
(57)
6. Структурная схема контура тока примет
следующий вид:
рис. 9. Структурная схема контура
тока.
7. Зная все необходимые коэффициенты, и
используя программную среду Matlab,
соберем приведенную на рис. 10 структурную схему и промоделируем ее.
рис. 10. Matlab - схема
контура тока.
рис. 11. График изменения тока якоря
при заданном задающем и возмущающем воздействии.
В данной схеме на рис. 10 задающее
воздействие (выход регулятора тока) установлено равным 7.15 В. При этом
установившийся ток якоря 65.29 А приблизительно равен рассчитанному раннее
А. Блоки Saturation
обеспечивают ограничение выходного сигнала регулятора (насыщение) на уровне 10
В.
Проанализируем теперь график
изменения тока якоря.
· установившееся значение тока, как было сказано
выше, приблизительно равно рассчитанному раннее
А;
· перерегулирование
где σнорм
- допустимое значение перерегулирования, равное 8%.
· время переходного процесса τпп
определим из структурной схемы замкнутой системы на рис. 9. Передаточная
функция замкнутой системы без влияния ОС по ЭДС имеет следующий вид:
(58)
где
- малая
некомпенсируемая постоянная времени контура тока.
с (59)
Переходный процесс в такой системе
должен завершиться через время, равное примерно
с. На
графике (рис. 9) переходный процесс завершился через 0.104 с, что
всего на 0.01 с отличается от рассчитанного.
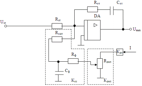
8. Расчет параметров схемы регулятора и
датчика тока.
Основу аналогового регулятора составляет
операционный усилитель - усилитель постоянного тока с высоким коэффициентом
усиления. Необходимые передаточные функции регуляторов получают за счет
комплексных активно-емкостных сопротивлений в цепи обратной связи и во входных
цепях.
рис. 12. Схема ПИ- регулятора тока
на операционном усилителе.
Рассчитаем и подберем номиналы элементов
принципиальной схемы регулятора.
·
,
- сопротивление резистора и емкость
конденсатора в цепи обратной связи определим из соотношений:
(60)
Задаемся значением емкости
конденсатора
из
стандартного ряда, рассчитаем
и
:
кОм (61)
кОм (62)
Выбираем резисторы из нормированных
рядов сопротивлений: Roт = 22 кОм, Rзт = 43 кОм.
· Рассчитаем сопротивление и емкость
фильтра из выражения:
, (63)
где
- постоянная
времени фильтра, установленного в цепи датчика тока, принимаем равной
0.002 с.
Задаемся значением емкости
конденсатора
из
стандартного ряда, рассчитаем сопротивление фильтра:
кОм (64)
Выбираем резистор из нормированного
ряда сопротивлений
.
· Запишем выражение для коэффициента
обратной связи по току:
, (65)
- коэффициент передачи датчика
тока, определяется по номинальному току двигателя из таблицы,
принимаем равным 0.042 Ом.
- коэффициент передачи
потенциометра, принимаем равным 0.5.
- коэффициент стабилизирующей
связи, определим из выражения:
(66)
, Þ
Ом (67)
Выбираем из нормированного ряда
сопротивлений Rодт = 5.6 кОм.
9. Расчет контура скорости
рис. 13. Структурная схема контура
скорости.
1. Данная структурная схема содержит в себе
усеченный замкнутый контур регулирования тока (ЗКРТ), регулятор скорости (РС),
механическую часть двигателя (МЧД) и датчик скорости (ДС). Передаточная функция
регулятора скорости, настраивающего систему на модульный оптимум, имеет
следующий вид:
, (68)
где Кс - коэффициент
обратной связи по скорости.

(69)
- коэффициент передачи
пропорционального регулятора скорости.

- максимальная скорость двигателя. (70)
- принимаемая в расчете
максимальная частота вращения двигателя.
2. Получившийся регулятор скорости не
обеспечит необходимого астатизма системы. Введение интегрирующего звена для
повышения астатизма приведет к неустойчивости замкнутой системы. Поэтому контур
регулирования скорости будем настраивать на симметричный оптимум. Передаточная
функция разомкнутой системы, настроенной на симметричный оптимум:
(71)
(72)
где
с - постоянная времени РС. (73)
4. Подставим полученную передаточную
функцию в схему на рис. 13 и получим передаточную функцию замкнутой системы:
(74)
Как видно, данная передаточная
функция содержит форсирующее звено
, действие которого негативно будет
сказываться на работе всей системы. Поэтому перед системой необходимо
установить фильтр, который скомпенсирует воздействие форсирующего звена.
рис. 14. Структурная схема
регулятора скорости с фильтром.
5. Передаточная функция замкнутой системы с
фильтром будет иметь вид:
(75)
где
с - малая
некомпенсируемая постоянная времени контура скорости.
6. Развернутая структурная схема замкнутого
контура скорости показана на рис. 15.
рис. 15. Развернутая структурная
схема контура скорости.
7. Расчет параметров схемы регулятора
скорости.
рис. 16. Схема ПИ-регулятора
скорости на операционном усилителе.
Рассчитаем и подберем номиналы элементов
принципиальной схемы регулятора.
·
,
- сопротивление резистора и емкость
конденсатора в цепи обратной связи определим из соотношений:
(76)
Задаемся значением емкости
конденсатора
из
стандартного ряда, рассчитаем
и
:
кОм (77)
кОм (78)
Выбираем резисторы из нормированных рядов
сопротивлений: Roс
= 91 кОм, Rзс
=
5.1 кОм.
· Рассчитаем сопротивление и емкость
входного фильтра:
(79)
где Rвх.ф - сопротивление
входного фильтра
Твх.ф = 8Тμ (80)
Свх.ф = 2 мкФ из
стандартного ряда емкостей.
Ом (81)
· Рассчитаем сопротивление и емкость
фильтра из выражения:
, (82)
где
- постоянная
времени фильтра, установленного в цепи датчика тока, принимаем равной
0.002 с.
Задаемся значением емкости
конденсатора
из
стандартного ряда, рассчитаем сопротивление фильтра:
кОм (83)
Выбираем резистор из нормированного
ряда сопротивлений
.
· Запишем выражение для коэффициента
обратной связи по току:
, (84)
- коэффициент передачи
тахогенератора:

(85)
где Uтг -
напряжение якоря тахогенератора 100 В;
wтгн - номинальная скорость вращения
тахогенератора 314.1 рад/с.
- коэффициент передачи
потенциометра, принимаем равным 0.5.
- коэффициент стабилизирующей
связи, определим из выражения:
(86)
, Þ
кОм (87)
Выбираем из нормированного ряда
сопротивлений Rс = 27 кОм.
10. Расчет контура тока
возбуждения
рис. 17. Структурная схема контура
тока возбуждения.
Данную систему будем настраивать на модульный
оптимум. Передаточная функция разомкнутой системы, настроенной на модульный
оптимум имеет вид:
Передаточная функция регулятора тока возбуждения
имеет вид:
, (88)
где
-
постоянная времени обмотки возбуждения (ОВ);
- коэффициент обратной связи по
току возбуждения;
- постоянная времени интегрирования
регулятора тока возбуждения.
1. Рассчитаем требуемое значение
коэффициента обратной связи по току возбуждения:
Ом (89)
где
-
максимальное напряжение датчика тока возбуждения (5…10)В. Выше 10 В происходит
насыщение регулятора тока возбуждения. В расчете
принимаем равным 9 В.
- номинальный ток ОВ. (90)
2. Постоянную времени ОВ рассчитаем
приближенно по формуле Жюильяра:
(91)
3. Постоянная времени тиристорного
преобразователя ОВ:
(92)
4. Сопротивление ОВ:
(93)
5. Для моделирования необходимо также
рассчитать коэффициент передачи тиристорного преобразователя ОВ. Для этого
сначала построим кривую намагничивания машины, используя программный пакет MathCAD
2000.
Данные для построения кривой
намагничивания приведены в таблице 3.
Таблица 3
|
Ф/Фн
|
0.195
|
0.375
|
0.525
|
0.65
|
0.76
|
0.84
|
0.9
|
0.945
|
0.975
|
1.0
|
1.025
|
1.05
|
|
Iн/Iвн
|
0.1
|
0.2
|
0.3
|
0.4
|
0.5
|
0.6
|
0.7
|
0.8
|
0.9
|
1.0
|
1.2
|
1.4
|
рис. 18. Кривая намагничивания
машины - реальная и линеаризированная.
Пояснения к рисунку 18:
·
- минимальный поток двигателя; (94)
·
- диапазон регулирования (95) скорости во
второй зоне;
·
- минимальный ток возбуждения
двигателя, соответствующий минимальному потоку.
Для определения
представим
тиристорный преобразователь ОВ в виде структурной схемы (рис. 19):
рис. 19. Структурная схема
тиристорного преобразователя.
Преобразователь представляется в виде трех
последовательно соединенных звеньев:
· 1-ое звено - статическое, определяет
коэффициент передачи СИФУ;
· 2-ое звено - статическое, определяет
коэффициент передачи силовой схемы;
· 3-е звено динамическое, учитывает
инерционность преобразователя.
Таким образом,
можно
представить в виде произведения:
(96)
- коэффициент преобразования
системы импульсно-фазового управления, которая преобразует входное напряжение
в
последовательность управляющих импульсов, определяющих угол управления
. Поэтому
можно
представить как отношение приращения выходного сигнала
к
приращению входного сигнала
:
(97)
Для определения
необходимо
построить регулировочную характеристику тиристорного преобразователя ОВ, т.е.
зависимость среднего выпрямленного напряжения от угла управления. Поскольку
преобразователь работает на индуктивную нагрузку, регулировочная характеристика
описывается выражением:
(98)
где
(99)
- фазное выходное напряжение
трансформатора.
Задаваясь значениями α, строим
регулировочную характеристику
в программной среде Mathcad 2000 (рис.
20).
Таблица 4
|
α, град
|
0
|
10
|
20
|
30
|
40
|
50
|
60
|
70
|
80
|
90
|
|
α, рад
|
0
|
0.17
|
0.35
|
0.52
|
0.7
|
0.87
|
1.05
|
1.22
|
1.4
|
1.57
|
|
Ud,В
|
123.3
|
121.4
|
115.9
|
106.8
|
94.5
|
79.3
|
61.7
|
42.2
|
28.4
|
0
|
рис. 20. Регулировочная
характеристика.
· Рассчитаем минимальное и
максимальное значения выпрямленного напряжения в заданном диапазоне
регулирования и углов управления:
(100)
(101)
· Найдем минимальный и максимальный
углы открытия вентилей в заданном диапазоне регулирования:
(102)
(103)
· По регулировочной характеристике определяем
коэффициент
. Для этого
в точке
проводится
касательная,
определяется
отношением приращения выпрямленного напряжения к приращению угла управления
(тангенс угла наклона касательной к оси абсцисс):
(104)
· Аналогично определяем коэффициент
(касательная в точке
):
(105)
· Рассчитаем
как среднее арифметическое
коэффициентов
и
:
(106)
· Коэффициент передачи тиристорного
преобразователя ОВ:
(107)
6. Постоянная времени интегрирования
регулятора тока возбуждения:
(108)
7. Коэффициент передачи регулятора тока
возбуждения:
(109)
8. Расчет параметров схемы регулятора и
датчика тока.
Рассчитаем и подберем номиналы элементов
принципиальной схемы регулятора.
·
,
- сопротивление резистора и емкость
конденсатора в цепи обратной связи определим из соотношений:
(110)
рис. 21. Схема ПИ- регулятора тока
на операционном усилителе.
Задаемся значением емкости
конденсатора
из
стандартного ряда, рассчитаем
:
кОм (111)
Выбираем резистор из нормированных рядов
сопротивлений: Roв
= 300 кОм.
кОм (112)
Выбираем резистор из нормированных
рядов сопротивлений: Rзв = 27 кОм.
· Запишем выражение для коэффициента
обратной связи по току:
, (113)
- коэффициент передачи датчика тока
возбуждения, определяется по номинальному току двигателя из таблицы, принимаем
равным 0.126 Ом.
- коэффициент стабилизирующей
связи, определим из выражения:
(114)
, Þ
Ом (115)
Выбираем из нормированного ряда
сопротивлений Rдв = 300 Ом.
11. Расчет контура регулирования
ЭДС
рис. 22. Структурная схема контура
регулирования ЭДС.
1. Рассчитаем конструкционный коэффициент
с:
(116)
2. Рассчитаем коэффициент линеаризации
кривой намагничивания Кф:
(117)
3. Рассчитаем коэффициент обратной связи по
ЭДС Кдэ:
(118)
где
-
напряжение с выхода датчика ЭДС.
4. Рассчитаем электромагнитную постоянную
времени якоря двигателя Тя:
(119)
где
- сопротивление
обмотки якоря при 65 оС;
- сопротивление обмотки якоря при
15 оС;
5. Передаточная функция регулятора тока
возбуждения имеет вид:
(120)
где
-
постоянная времени интегрирования регулятора тока возбуждения.
6. Расчет регулятора ЭДС на операционном
усилителе:
рис. 23. Схема И- регулятора ЭДС на
операционном усилителе.
Рассчитаем и подберем номиналы элементов
принципиальной схемы регулятора.
·
,
определим из соотношения:
(121)
Задаемся значением емкости
конденсатора
из
стандартного ряда, рассчитаем
:
кОм (122)
Выбираем резистор из нормированных рядов
сопротивлений: Roв
= 130 кОм.
кОм (123)
12. Расчет на ПК и построение
переходных процессов
Для построения переходных процессов используется
специализированная программа DVUHZONN,
в которой задаются необходимые исходные данные из пояснительной записки
курсового проекта и затем осуществляется разгон электропривода. По полученным
значениям строим графики переходных процессов при пуске привода, используя
прикладной пакет Microsoft
Excel.
При анализе переходных процессов
напряжение задания по скорости
принимаем равным:
· для первой зоны (контуры
регулирования тока возбуждения и ЭДС не работают) - 2.56 В;
· для второй зоны (контуры
регулирования тока возбуждения и ЭДС вступают в работу) - 7.68 В.
При моделировании были получены следующие
графики переходных процессов (см. рис. 24, 25).
рис. 24. Графики переходных
процессов при пуске электропривода в первой зоне.
рис. 25. Графики переходных
процессов при пуске электропривода в первой и во второй зонах.
Выводы
В данном курсовом проекте рассчитаны параметры
двухзонного электропривода ЭТУ-3601Д механизма главного движения станка,
произведен выбор трансформатора, сглаживающего дросселя и тиристоров
тиристорного преобразователя, рассчитаны и построены и динамические
характеристики управляемого электропривода.
Данная система обеспечивает
ограничение максимального тока якоря на уровне
при пуске двигателя.
Перерегулирование в данной системе
составляет:
· по току
o в первой зоне:
,
o во второй зоне:
;
· по скорости
o в первой зоне:
,
o во второй зоне:
.
Установившееся значение скорости при работе
электропривода и в первой, и во второй зоне соответствует заданному, т.е.
статическая ошибка равна нулю.
Длительность переходных процессов изменения тока
якоря составила 0.1 с, скорости двигателя - в первой зоне 0.53 с, во второй
зоне - 1.14 с, что практически соответствует теоретическим значениям.
На рис. 25 четко прослеживается переход привода
во вторую зону - точка пересечения графиков ω и
ωн,
т.е. при превышении скорости двигателя номинальной начинается ослабление
магнитного потока машины.
Установившееся значение момента на обоих
рисунках соответствует заданному статическому моменту - 4.11 Нм.
В целом, анализ динамических характеристик
электропривода позволяет сказать, что данный электропривод ЭТУ-3601Д и
управляемый им двигатель ПБСТ-42МУ с рассчитанными параметрами вполне
удовлетворяют современным требованиям к электроприводам главного движения
металлорежущих станков.
Литература
1. Методические указания к
курсовому проектированию по курсу «Автоматизированный электропривод станков и
промышленных роботов» для студентов очной формы обучения по специальности 92501
«Автоматизированное управление технологическими процессами». Одесса - 2001.