Типовые схемы обработки плоскостей

  • Вид работы:
    Реферат
  • Предмет:
    Другое
  • Язык:
    Русский
    ,
    Формат файла:
    MS Word
    542,74 Кб
  • Опубликовано:
    2015-05-14
Вы можете узнать стоимость помощи в написании студенческой работы.
Помощь в написании работы, которую точно примут!

Типовые схемы обработки плоскостей

Введение

Построение фрезерной операции на станке с ЧПУ, так же как и других операций, прежде всего связано с разработкой РТК. Общий порядок построения РТК, рассмотренный выше, сохраняется и здесь.

Определенной особенностью является построение траектории центра фрезы в двух плоскостях: YWX (плоская траектория - основная) и ZWX (высотная траектория).

В общем случае характер траектории движения инструмента при выполнении фрезерной операции в первую очередь обусловлен числом управляемых (в том числе одновременно) координат и принципов управления движением рабочих органов станка с ЧПУ. Так, двухкоординатное управление позволяет инструменту двигаться (в пределах рабочего диапазона перемещений) к любой точке плоскости, трехкоординатное управление - к любой точке пространства.

Увеличение числа управляемых координат до пяти дает возможность, например, изменять ориентацию оси инструмента, обеспечивая при обработке заготовки направление этой оси по нормали к обрабатываемой поверхности. В зависимости от числа одновременно управляемых координат различают прямоугольное, прямолинейное и криволинейное плоское и объемное формообразование.

При программировании технологических переходов фрезерованием целесообразно применять типовые схемы обработки контуров, плоских и объемных поверхностей.

1. Типовые схемы обработки плоских поверхностей

Обработка плоских поверхностей (плоскостей) производится преимущественно концевыми и торцовыми фрезами. В зависимости от расположения обрабатываемых плоскостей относительно граничащих с ними других элементов детали различают открытые, полуоткрытые и закрытые плоскости. Граница открытой плоскости не является препятствием для ввода и вывода инструмента на всех ее участках. Полуоткрытая плоскость имеет границу, на одном из участков которой можно вводить и выводить инструмент на уровне плоскости. Закрытая плоскость ограничена со всех сторон стенками, что позволяет вводить инструмент в зону резания только сверху либо врезанием, либо в заранее подготовленное отверстие.

Типовые схемы обработки показаны на рис. 1.

Рис. 1 - Типовые схемы обработки плоских поверхностей

Обработка открытых поверхностей ведется в прямом и обратном направлении по схеме "зигзаг" (рис. 1 а) при черновом фрезеровании и строками в прямом направлении по схеме "петля" (рис. 1 б) при чистовом фрезеровании.

Для обработки полуоткрытой плоскости применяется схема "лента" (рис. 1 в), а для обработки закрытой плоскости - схема "виток" (рис. 1 г). Расстояния между проходами принимают равными 0,6-0,8 диаметра фрезы (Dф).

Для обработки закрытой плоскости, ограниченной окружностью, лучшей траекторией, обеспечивающей равномерное снятие припуска, является архимедова спираль. В полярных координатах ρ и φ эта спираль описывается уравнением ρ=kφ, где k - коэффициент, определяющий шаг спирали.

Такая траектория может быть получена на станке с поворотным столом, если совместить центр окружности с осью вращения стола и придать равномерные движения -вращательное столу и поступательное инструменту. Это в большинстве случаев неприемлемо, как и аппроксимация спирали. Аппроксимация спирали связана с трудоемкими расчетами, приводит к большому числу кадров УП и, самое главное, - сводит на нет важное преимущество спирали - ее "гладкость", характеризуемую непрерывностью не только функции, но и ее первой производной.

На станках с линейно-круговой интерполяцией можно вести обработку закрытой плоскости по спирали, образованной сопряженными дугами окружностей, которая, так же как и архимедова спираль, удовлетворяет условию непрерывности первой производной. Спирали из сопряженных дуг окружностей строят с двумя и четырьмя полюсами.

Двухполюсная спираль (рис. 2) образуется из сопряженных дуг полуокружностей, центры которых поочередно находятся в полюсах A и В.

Полюс A располагается в центре окружности радиуса Rk, ограничивающей закрытую плоскость. Расстояние между полюсами B и A ровно половине шага спирали.

Рис. 2 - Схема фрезерования закрытой плоскости по траектории двухполюсной спирали

 

Rэ /(0,6 Dф)> a > Rэ /(0,8Dф)

причем меньшее его значение в этих пределах округляют до большего целого числа.

В иллюстрируемом случае спираль образована дугами полуокружностей радиусов R1 и R2 с центрами в полюсе B и дугой полуокружности радиуса R2 с центром в полюсе А. Полная траектория фрезы при обработке закрытой плоскости, ограниченной окружностью радиуса Rk, состоит из следующих частей: унастка ввода фрезы в зону резания (1-2), двухполюсной спирали (2-5), окружности радиуса Rэ (5-7), участка отвода фрезы от ограничивающей окружности радиуса Rk по сопряженной с окружностью радиуса Rэ, дуге окружности радиуса Rb (7-8) и участка возврата фрезы в исходную точку (8-1).

Достаточно просто может быть организована траектория и по четырехполюсной спирали.

Четырехполюсная спираль образуется из сопряженных четвертей окружностей с центрами в четырех полюсах. Полюсы располагаются в вершинах квадрата со стороной, равной четверти шага спирали. Квадрат полюсов строят так, чтобы одна из его вершин совпала с центром окружности радиусом, а стороны квадрата были параллельны осям этой окружности. Шаг спирали выбирают так же, как и при построении двухполюсной спирали. Четырехполюсная спираль более удобна для программирования, поскольку каждая из образующих ее дуг окружностей расположена в пределах одного квадранта.

. Пример программы для обработки детали

обработка фрезерование программирование деталь

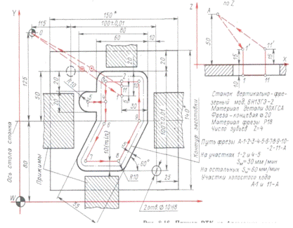
Вариант РТК на фрезерную операцию с плоским формообразованием показан на рис. 3.

Рис. 3 - Пример РТК на фрезерную обработку

Ниже приведена управляющая программа для обработки данной детали.

% LFG17 F0624 LFG01 Х+000000 F0642 L117 LFF0000 LFG01 Y+000000 F0642 L218 LFF0000 LFS48 М13 F0624 LFG01 Х+011000 Y-006000 Z-003500 F4712 LFZ-002500 F0712 LFY+001000 F0530 LF010 Х-002000 F0560 LF

N011 Y-002000 LF

N012 Х-002000 F0530 LFХ-002000 LFY-002000 F0560 LFХ-002309 Y-004000 LFХ+006350 LF

N017 Х-000041 Y+004000 LFY+004000 LFХ-002000 LFY-000500 LFХ-011000 Y+005500 Z+006000 F0712 LFG40 Х+000000 F0642 L117 LFG40 Y+000000 F0642 L218 LF

Список литературы

1 Серебреницкий П.П. , Схиртладзе А.Г. Программирование для автоматизированного оборудования.- М.: Высш. шк. 2003. - 592 с.

Султан-заде н,м., Клепиков В.В., Солдатов В.Ф. "Проектирование технологических операций для станков с ЧПУ" , компьютерный конспект лекций.

Похожие работы на - Типовые схемы обработки плоскостей

 

Не нашли материал для своей работы?
Поможем написать уникальную работу
Без плагиата!
Без нейросетей!