Составление управляющей программы обработки деталей на станках с ЧПУ

  • Вид работы:
    Курсовая работа (т)
  • Предмет:
    Другое
  • Язык:
    Русский
    ,
    Формат файла:
    MS Word
    2,11 Мб
  • Опубликовано:
    2015-06-08
Вы можете узнать стоимость помощи в написании студенческой работы.
Помощь в написании работы, которую точно примут!

Составление управляющей программы обработки деталей на станках с ЧПУ















Курсовая работа

Составление управляющей программы обработки деталей на станках с ЧПУ

Содержание

1. Программирование фрезерной обработки

.1Техническое задание

.2 Порядок обработки

.3 Выбор инструмента

.4 Технические характеристики станка

.5 Управляющая программа

.6 Наладка станка

. Программирование токарной обработки

.1 Техническое задание

.2 Порядок обработки

.3 Выбор инструмента

.4 Технические характеристики станка

.5 Управляющая программа

.6 Наладка станка

Введение

Структура управляющей программы.

% - начало программы.

Далее записывается номер программы. Управляющая программа состоит из кадров (N). Кадры нумеруются в порядке возрастания. Кадр состоит из слов. Слово состоит из адреса и числа.

Программа состоит из следующих частей:

.   Начало и название программы;

2.      Строка безопасности - переводит систему с ЧПУ в нужный режим работы, отменяет ненужные коррекции и функции;

.        Обработка конкретной поверхности:

3.1 Смена инструмента;

3.2    Подготовка к обработке (установка инструмента в нулевую точку обработки, задание режимов резания, включение шпинделя), рекомендуется оформлять в виде главного кадра;

.3      Процесс обработки, при обработке одинаковых поверхностей могут вызываться подпрограммы;

4. Конец программы.

Создание управляющей программы:

.   Создание схемы обработки;

2.      Подбор инструмента (режущего и вспомогательного). Предварительное определение координат вершины инструмента.

.        Устанавливается нуль программы. Пересчитываются размеры с приведением к нулю программы. Сравниваются необходимые величины перемещений при обработке с наибольшими перемещениями по осям станка с учетом размеров инструмента, необходимости его подвода и отвода.

4.   Расчет и проверка режимов резания.

5.      Разработка управляющей программы. Рекомендуется разрабатывать программу по блокам, по отдельным переходам.

5.1.   Устанавливаются опорные точки;

5.2.   Определение координат опорных точек;

.3.     Программирование смены инструмента, режимов резания, коррекции инструмента, размерных перемещений;

6. Проверка программы (путем симуляции).

фрезерный станок программное управление фланец

1. Программирование фрезерной обработки

1.1 Техническое задание

Задание на выполнение курсовой работы по курсу «Программирование автоматического оборудования (с ЧПУ)»

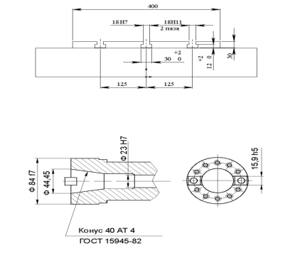
.   Объект программирования: деталь - фланец;

2.      Цель программирования: разработать управляющую программу детали и РТК обработки детали;

.        Параметры заготовки:Ø185ר60,6×75;

.        Обрабатываемый материал: Сталь 45

.        Деталирующий станок: V500.

Задание выдал: Хусаинов Р.М.

Задание принял: Мавлявиев Д.И.

1.2 Порядок обработки

1.1.   Фрезерование 4 пазов в два прохода;

1.2.   Обработка 4 отверстий:

.2.1.  Зацентровка 4 отверстий;

.2.2.  Сквозное сверление 4 отверстий Ø15мм;

Режимы резания:

)   Фрезерование плоскости (чистовое): S=500об/мин,

F=100мм/мин.

)   Сверление: S=800об/мин,

F=60 мм/мин.

)   Центровка S=1000об/мин,

F=60 мм/мин.

1.3 Выбор инструмента

Торцевая фреза (Т01): CoroMill 390.

, мм

,мм

, мм

, мм

, мм

СОЖ

C3

90

17,5

4

через центр


Базовый держатель BIG-PLUS, ISO 7388/1 (DIN 69871-ADB) 390.540

Конус

Размер соединения

СОЖ

40

С3

32

50

30

35

16

Через центр


Центровка (Т02): CoroDrill Delta C R840, цилиндрический хвостовик, наружный подвод СОЖ.

6

5

66

19

28


Сверло (T03): CoroDrill 854.

Подвод СОЖ

15

14,5

16

32

48

Наружный

Сверлильный патрон: Сx-391.31

40

1

10

44

47

60

27


Базовый держатель: ISO 7388/1 (DIN 69871-A) 390.140

Конус

Размер соединения

,мм

, мм

Подвод СОЖ

40

40

51

30

16

Через центр

Инструментальная карта

Т01


T02

T03


1.4 Технические характеристики станка

Наименование параметров

Значения

Параметры стола

Размер рабочей поверхности стола, мм

630Х1200

Ширина направляющего паза, мм

18Н7

Количество Т-образных пазов

5

Наибольшее расстояние от торца шпинделя до плоскости планшайбы, мм

590

Наибольшая масса обрабатываемой детали, мм

500

Шиндель

Конус шпинделя (DIN 69871)

SK 40/HSK 63

Номинальный крутящий момент на шпинделе, Нм

44,6/70

Пределы частот вращения шпинделя, Нм

0…..8000

Перемещения

Наибольшие перемещения по осям, мм

Продольное перемещение Х-салазок (Х)

1000

Поперечное перемещение Y-колонны (Y)

500

Вертикальное перемещение шпиндельной бабки (Z)

450

Точность позиционирования, мм

0,005

Диапазон рабочих подач по координатам мм/мин

1…..15000

Ускоренные хода по всем осям

15…..30

Инструментальный магазин

Ёмкость инструментального магазина, шт

20

Время смены инструмента, сек

7,5

Наибольший диаметр инструмента,мм

125

Наибольшая длина инструмента, устанавливаемая в шпинделе станка, мм

2500

Наибольшая масса оправки, устанавливаемой в магазине, кг

10

Характеристика электрооборудования

Мощность двигателя главного привода, кВт

7/11

Номинальная частота вращения, об/мин

1500

Максимальная частота вращения, об/мин

8000

Суммарная мощность установленных на станке электродвигателей, кВт

19/23

Система ЧПУ

Прочие характеристики

Габаритные размеры, мм

2350Х3165Х3000

Общая площадь станка в плане, кв.м

15,7

Масса, кг

7000



Габариты рабочего пространства


Эскиз стола и конца шпинделя


1.5 Управляющая программа

%Frez_obr

Обработка плоскости

N01G17G40G54G80G90 (строка безопасности)

N05T01M06 (выбор инструмента)

N10G43D01F100S500M3M08 (коррекция)

N15G00G41x-7,5y52 (выбор подачи, запуск шпинделя)

N20z-4 (начальная точка 0)

N25LLSUB1

N30G00G90 (коррекция на инструмент слева, линейная интерполяция)

N35G00X-7,5Y-52 (круговая интерполяция вокруг точки 1)

N40 LLSUB1 (отвод инструмента)

N45G00С0(быстрое перемещение)

N50G00G00X-7,5y52D02F50S1000

N55 LLSUB1 (коррекция на инструмент слева, линейная интерполяция)

N60G00C90 (круговая интерполяция вокруг точки 2)

N65G00X-7,5y-52 (отвод инструмента)

N70 LLSUB1 (перемещение в точку 0)

ЦентрованиеG00G90X0Y0Z50T02M06G43F50S1000 G93X0Y0 G00A0R75G81G99Z-75I-6F60G00A90G00A180G00A270G00G80Z100M05 (остановка шпинделя)

Сверление 4 отверстий

N120G00G90X0Y0Z50S800T03M03 (смена инструмента)

N125G03X0Y0G00A0R75G81G99Z-75I-22F60G00A90G00A180G00A270G00G80Z100M30 (конец программы) % SUB1165G01Y-52

N170G01X7,5

N175GO1Y52

N180M17

1.6 Порядок наладки фрезерного станка с ЧПУ

1. Производится разработка управляющей программы;

. Подготовка технологической оснастки:

.1.Подбор режущего и вспомогательного инструмента, их сборка, определение координат вершины инструмента. Эти действия необходимо выполнять во время обработки предыдущей детали с помощью устройств предварительной настройки инструмента;

.2.Сборка приспособления для закрепления заготовки, установка ее на паллете, определение начала координат детали. Эти действия желательно выполнять во время обработки предыдущей детали;

. Включение, прогрев станка, выполнение мероприятий по техобслуживанию;

.Вывод подвижных узлов станка в нулевое положение (реферирование), подвижные узлы в ручном режиме перемещаются в начало координат станка. Это необходимо для того, чтобы определить нуль станка.

.Установка инструментов. При этом производится установка инструментов в гнезда магазина. Одновременно с установкой инструмента производится ввод его параметров.

Система ЧПУ автоматически определяет вылет инструмента, как разность между координатой датчика и координатой шпинделя в момент касания.

Привязка инструмента.

Все инструменты, установленные в магазине, естественно, имеют различную длину, т.е. их режущие кромки находятся в различных точках пространства. Операция, во время которой мы сообщаем станку, где именно находятся эти точки, называется привязкой инструмента.

Разница в длине между «нулевым» инструментом и текущим, называется «корректор на длину». Номер корректора не обязательно должен совпадать с номером инструмента, однако, для удобства, имеет смысл задавать одинаковые номера. Коррекция на длину - понятие относительно, поэтому нулевой уровень может быть взят где угодно. Кроме того, для привязки могут использоваться различные ручные и автоматические приспособления.

Привязка детали.

При написании программы обработки, принимаем за точку отсчета реальную точку детали. После установки заготовки на станок, оператор должен сообщить станку, где находится «нулевая» точка, т.е. задать локальную систему координат.

Это можно сделать использую либо фрезу, либо специальные ручные и автоматические датчики. Для привязки по оси Z удобнее использовать инструмент с корректором на длину 0. Если же корректор отличен от нулевого значения, то в процессе привязки к нулю детали по оси Z необходимо будет набрать : G55-Zn-MEASURE, где n - величина корректора на длину инструмента. Чтобы автоматизировать процесс привязки к нулю детали, можно использовать автоматическую измерительную головку, которая устанавливается в шпиндель и обменивается данными с системой с ЧПУ по радиоканалу.

2. Программирование токарной обработки

2.1 Техническое задание

Задание

на выполнение курсовой работы

по курсу «Программирование автоматического оборудования (с ЧПУ)»

.   Объект программирования: деталь-фланец;

2.      Цель программирования: разработать управляющую программу детали и РТК обработки детали;

.        Параметры заготовки: l=59мм, d=185мм;

.        Обрабатываемый материал: Ст45 ();

.        Деталирующий станок: САТ400.

Задание выдал: Хусаинов Р.М.

Задание принял: Мавлявиев Д.И.

2.2 Порядок обработки

1.Обработка наружной поверхности:

.1.Черновое точение;

.2.Чистовое точение;

Режимы резания

)   Наружное точение: S=500 об/мин; F=0,5 мм/об;

Резец (Т0101): CoroTurn RC (DCLNR/L), режим повышенной жесткости.

мм

мм

мм

СОЖ

40

125

145

27

55

-6

Внутренний подвод

Резец (Т0202): CoroTurn RC (R/LFG)

мм

40

27

50


Револьверная головка VDI угловой.

, мм

мм

40

86

38

75

54

30

75

51


Инструментальная карта

Т0101

T0202



Револьверная головка



2.4 Технические характеристики станка





Технические характеристики

Наибольший диаметр обрабатываемого изделия: мм -над станиной -над суппортом

  535 380

Номинальное расстояние между центрами, мм

1000

Максимальное перемещение суппорта, мм: -по оси «Х» -по оси «Z»

 230 1100

Максимальный вес обрабатываемой детали, кг: -в патроне -в центрах

 200 600

Диаметр отверстия в шпинделе, мм

55(102*)

Пределы частот вращения шпинделя, переключаемых автоматически, об/мин

 35…4000

Мощность главного привода /30мин.,кВт

22/26

Максимальный крутящий момент на шпинделе /30 мин.,Нм

 630/754

Скорость рабочих подач суппорта: -по оси «Х», мм/мин -по оси «Z», мм/мин -по оси «С» шпинделя, об/мин

Скорость быстрого перемещения суппорта, мм/мин: -по оси «Х» -по оси «Z»

  20000 24000

Ось «С»: -предельная частота вращения шпинделя, об/мин -крутящий момент, кг*м -мощность, кВт

  0…17 300 1,6

Задняя бабка: -диаметр пиноли, мм -ход пиноли, мм

 90 150

Габаритные размеры станка, мм: Длина Ширина Высота

 4200 1750 1900

Масса станка, кг

7300

2.5 Управляющая программа

%tok_obrab

N01G18G40G54G80G90 (строка безопасности)

N05T0101 (выбор инструмента)

N10F0,5S500M03M08

N15G00X150Z150 (начальная точка 0)

N20 N15G66P0 65,6P1 5P4 1P5 2P7 0,5P8 1P9 0,05P12 30P13 30P14 85G25N90 G00X65,6Z5 (точка 1)G01Z0 (точка 2)40X83(точка 3)

N45Z-4 (точка 4)

N50X87(точка 5)

N55G02X90,5Z-30(точка 6)

N60GO2Z-36R3

N65X118(точка 7)

N70Z-42(точка 8)

N75X126(точка9)

N80Z-54(точка 10)

N85X185(точка 11)

N90G00 X150Z150(начальная точка 0)

N95M05M30

2.6 Порядок наладки токарного станка с ЧПУ

1. Установка инструмента:

•перед установкой инструмента необходимо тщательно протереть инструмент и гнезда револьверной головки ветошью;

•в неиспользуемые гнезда для осевого инструмента установить заглушки, а также установить заглушки в неиспользуемые резьбовые отверстия;

•законтрить в держателях осевого инструмента винты зажима инструмента;

•при установке (замене) пластин очистить посадочные места и элементы крепления от стружки;

•при установке кулачков необходимо очистить зубчатую поверхность реек патрона и кулачков кисточкой или зубной щеткой;

•чтобы затянуть винты кулачков, в режиме MDI задайте команду М19 -ориентация шпинделя: привод не даст вращаться патрону и кулачки можно надежно затянуть;

•при закреплении инструмента пользоваться исправными ключами и не применять приспособления, усиливающие зажим.

2. Привязка инструмента:

Привязка инструмента является одной из наиболее ответственных работ, выполняемых наладчиком станка. От правильного понимания теории и аккуратного безошибочного выполнения процесса привязки зависит безаварийная работа станка.

Привязка инструмента заключается в определении и занесении в таблицу корректоров (MENU OFFSET) вылетов инструментов по осям X и Z.

В настоящее время практически все токарные станки оснащаются датчиками (Tool setter) фирмы Renishaw. У станков, не имеющих датчика, привязка осуществляется в традиционным методом - протачиванием заготовки по диаметру и подрезкой торца. Привязка с помощью датчика достаточно полно описана в «Руководстве по программированию для станков с Fanuc» Н-2000-6030-0В-А, методика привязки протачиванием - в «Руководстве оператора Fanuc серия 0i-TB» В-63834. Поэтому далее будут изложены принципы определения вылетов инструмента, т.к. в зависимости от этого производится как калибровка датчика, так и привязка инструмента методом протачивания заготовки.

В качестве начала координат для измерения вылетов инструмента предлагается использовать:

по оси Х - центр отверстия держателя осевого инструмента.

по оси Z - торец револьверной головки. Для станков с державками VDI по DIN 69880 - торец резцовой державки типа «В», например В3-30х20.

Внимание: направление осей вылета инструмента никак не связано с осями координат станка.

Хин и Zин - вылеты инструмента соответственно по осям X и Z, которые заносятся в таблицу корректоров.

Такой принцип отсчета вылетов инструмента обусловлен следующими соображениями:

.   Центр отверстия держателя осевого инструмента в токарных станках ВСЕГДА находится на оси вращения детали, поэтому корректор по Х для сверл, метчиков и другого аналогичного осевого инструмента ВСЕГДА равен 0. Кроме того, для расточных резцов в каталогах инструмента, выполненного по стандарту ISO, указывается расстояние от центра круглой державки до вершины режущей пластины, поэтому эту величину (удвоенную) по Х можно сразу ввести в таблицу корректоров.

2.      В обычной револьверной головке крепление наружных резцов, выполненных по стандарту ISO, осуществляется клином и боковая поверхность державки практически заподлицо с торцом револьверной головки. В каталогах инструмента указывается расстояние от боковой поверхности державки до вершины режущей пластины, таким образом, величину вылета по Z также можно сразу внести в таблицу корректоров.

.        Ориентировочные вылеты осевого инструмента по Z удобно измерять штангенциркулем - «колумбусом».

.        Занесение предварительно измеренных или определенных из каталогов значений вылетов в таблицу корректоров при наличии датчика (Tool setter) привязки инструмента позволяет пользоваться программой автоматической привязки, что существенно сокращает время наладки станка.

Таким образом, глядя на величину и знак корректоров по Х и Z в таблице корректоров, легко определить тип инструмента, визуально проверить правильность установки инструмента в соответствующие позиции. При этом естественно подразумевается, что номер корректора равен номеру инструмента. ПРИМЕЧАНИЕ: При привязке инструмента методом протачивания корректор должен быть включен, т.е. для инструмента, установленного в гнезде 1 - Т0101.

. Определение нуля детали;

Необходимо заметить, что нуль детали и корректора на инструмент формально никак не связаны. Определение нуля детали производится ПОСЛЕ привязки инструмента. Поверхность, выбранная в качестве плоскости нуля детали должна быть физической, чтобы ее можно было коснуться инструментом, обычно это торец детали.

Существует два способа определения нуля детали:

.   С помощью функции G50, при этом нуль детали при выключении станка системой ЧПУ не запоминается.

2.      С помощью функций G54 - G59, при этом способе нуль детали сохраняется в памяти системы ЧПУ.

. Ввод и вывод управляющих программ;

 Ввод и вывод УП не представляет каких-либо трудностей и осуществляется в режиме EDITс помощью последовательного нажатия программных клавиш READ (ввод) или PUNCH (вывод) и программной клавиши EXEC (выполнить). К разъему RS232 станка должен быть подключен специальный кабель (обязательно при выключенном питании), соединяющий станок с устройством ввода - вывода. Таким устройством может быть персональный компьютер, имеющий специальную программу приема - передачи управляющих программ, специальный DNC - терминал или другое подобное средство. При выполнении ввода - вывода ключ защиты программ должен быть выключен.

5. Графический контроль управляющих программ;

Эта процедура применяется в случаях, если программа вводилась вручную с пульта системы ЧПУ, в рабочую программу вводилось большое количество изменений, т.е. во всех случаях, когда происходило РУЧНОЕ изменение программы. При этом часто не дожимаются или не нажимаются клавиши буквенно-цифровой информации, клавиши редактирования. И это соответственно приводит к неправильной работе станка, поломки его и инструмента. Необходимо иметь ввиду, что режим графического контроля отображает только траекторию движения БЕЗ УЧЕТА коррекции на инструмент. Режим графического контроля включается кнопкой AUX GRAPH.

Необходимо в окне графических параметров ввести диаметр и длину детали в ДИСКРЕТАХ, например Ш 40 соответствует 40000. Система ЧПУ сама установит масштаб отображения. ЧПУ последних моделей ( Fanuc 0i-TD) имеет программные клавиши, позволяющие запускать режим контроля и видеть на экране процесс обработки, но при этом не происходит вращения шпинделя, смены инструмента, движения суппорта. Переключатель режимов при этом необходимо установить в положение AUTO и нажать на кнопку START. На предыдущих моделях систем таких клавиш не было и для запуска режима графического контроля необходимо нажать клавишу MACHINE LOCK, включить режим AUTOи нажать кнопку START. Дополнительно можно нажать кнопку AUX LOCK - функции M, S, T выполняться не будут.

ВНИМАНИЕ! Не забудьте после работы в режиме MACHINE LOCK обязательно выйти в нуль станка в режиме HOME. Если этого не сделать, то, вследствие изменения системы отсчета, при запуске станка в автоматическом режиме может возникнуть аварийная ситуация (поломка станка и инструмента).

6.Особенности работы в автоматическом режиме.

Отработку новой управляющей программы необходимо производить в покадровом режиме (SINGLE BLOCK)на скорости быстрых перемещений F0. При непрерывном выполнении программы нужно прислушаться к звукам резания и держать руку на кнопке FEED HOLD, чтобы при малейшем нарушении процесса обработки успеть ее нажать и не допустить поломки инструмента. Если произошло нарушение процесса и была нажата кнопка FEED HOLD, то далее должна быть нажата кнопка RESET. В памяти системы ЧПУ хранится следующий для исполнения кадр управляющей программы и если не нажать кнопку RESET, перейти в режим MDI или AUTO и выполнять какую-либо команду, сначала будет выполнена команда, хранящаяся в памяти и движение рабочих органов станка не будет соответствовать ожидаемым.

Начать выполнение управляющей программы можно с любого кадра. Поскольку размер управляющих программ для токарных станков невелик, в большинстве систем ЧПУ отсутствует функция рестарта программы. Запуск программы необходимо производить с начала инструментального блока - точки смены инструмента.

Для этого необходимо перейти в режим EDIT, найти нужный кадр и установить на нем курсор, перейти в режим AUTO и нажать кнопку START.

Программа начнет выполняться с выбранного кадра.

Список литературы

1. Д.Ю. Кряжев «Фрезерная обработка на станках с ЧПУ»: Санкт-Питербург, Москва, Екатеринбург, 2005.

. Гжиров, Серебреницкий «Программирование обработки на токарных станках с ЧПУ».

. Схиртладзе, Серебреницкий «Программирование станков с ЧПУ». Ловыгин А.А. «Современный станок с ЧПУ.САО/СДМ система».

Похожие работы на - Составление управляющей программы обработки деталей на станках с ЧПУ

 

Не нашли материал для своей работы?
Поможем написать уникальную работу
Без плагиата!
Без нейросетей!