Станки с числовым программным управлением

  • Вид работы:
    Дипломная (ВКР)
  • Предмет:
    Другое
  • Язык:
    Русский
    ,
    Формат файла:
    MS Word
    1,15 Мб
  • Опубликовано:
    2016-01-07
Вы можете узнать стоимость помощи в написании студенческой работы.
Помощь в написании работы, которую точно примут!

Станки с числовым программным управлением

СОДЕРЖАНИЕ

 

ВВЕДЕНИЕ

. КОНСТРУКТИВНО-ТЕХНОЛОГИЧЕСКАЯ ЧАСТЬ

.1 Описание, назначение и область применения системы ЧПУ "Электроника НЦ-31"

.2 Технические характеристики и конструкция устройства ЧПУ "Электроника НЦ-31"

.3 Описание режимов работы ЧПУ

.3.1 Переключение режимов УЧПУ

.3.2 Режим работы от маховика

.3.3 Режим работы от клавиш ручного управления

.3.4 Автоматический режим

.3.5 Режим вывода (индикация) содержимого памяти программы

.3.6 Режим ввода программы обработки параметров

.3.7 Режим размерной привязки инструмента

.4 Описание, назначение и область применения Правой втулки

. РАСЧЕТНО-НАЛАДОЧНАЯ ЧАСТЬ

.1 Описание модуля контроллер привода

.2 Описание элементной базы модуля КП

.3 Описание методики определения возможных неисправностей

.4 Составление маршрутного технологического процесса

.5 Проектирование инструментальной наладки

.6 Составление управляющей программы по обработке участка детали

. ОРГАНИЗАЦИОННАЯ ЧАСТЬ

.1 Организация обслуживания станков с ЧПУ

.2 Мероприятия по ТБ и охране труда при обслуживании и ремонте

. ЭКОНОМИЧЕСКАЯ ЧАСТЬ

.1 Расчет трудоемкости работ по обслуживанию и ремонту станков с УЧПУ "Электроника НЦ-31" на 2013 год

.2 Расчет потребности в рабочей силе

.3 Определение фонда заработной платы

.4 Определение расхода материалов

.5 Технико-экономические показатели по обслуживанию и ремонту

ЗАКЛЮЧЕНИЕ

ЛИТЕРАТУРА

 


ВВЕДЕНИЕ

контроллер привод наладка инструментальный

В настоящее время особое место в машиностроении занимает внедрение в производство станков с числовым программным управлением (ЧПУ). Программное управление получило значительный размах в ряде ведущих отраслей машиностроения. На многих предприятиях работают станки с ЧПУ (рисунок 1), выполняющие различные операции. Расширяется также выпуск многооперационных станков с ЧПУ и с автоматической сменой инструмента, концентрирующих на одном рабочем месте ряд технологических операций. Успешно работают автоматические линии, участки и целые производства с ЧПУ, на которых применяется централизованное управление на базе ЭВМ.

Рисунок 1 -Токарно-винторезный 16К20Ф3с ЧПУ

Внедрение станков с ЧПУ позволяет осуществить определенную программу обработки а автоматическом и полуавтоматическом цикле и создает условия для сравнительно простого и достаточно точного выполнения переналадки и подналадки станка, путем ввода в него заранее рассчитанной и записанной на магнитную ленту или другом программоносителе программы работы.

Путем регулирования корректоров можно вводить необходимые размерные поправки для обеспечения требуемой точности обрабатываемой детали. При этом механизацией и автоматизацией могут быть также охвачены подналадка и смена инструмента, изменение режимов резания и другие элементы обслуживания и управления станком.

Современные станки с ЧПУ отличаются повышенной надежностью и жесткостью, быстродействием рабочих органов и точностью работы. В них успешно применяются гидравлические и электромеханические приводы. Эти станки комплектуются оснасткой для автоматической смены инструмента и устройствами для цифровой индикации действий исполнительных органов, а также электромагнитными муфтами для переключения скорости и шариковыми винтовыми парами.

При работе на станках с ЧПУ необходимо уделять особое внимание выбору и правильному использованию режущего инструмента. Внедрение этих станков потребовало создание новых принципов технологии механической обработки. При этом в значительной степени изменились задачи и функции конструкторов изделий и оснастки, технологов и мастеров, наладчиков и рабочих-операторов. Большая насыщенность электроникой и автоматикой и другие особенности станков с ЧПУ, их широкие возможности в повышении производительности труда и обеспечении стабильного качества продукции в значительной мере повысили значение безупречного соблюдения условий их обслуживания и эксплуатации, без чего не могут быть полностью использованы возможности станков с ЧПУ.

Применение станков с числовым программным управлением позволяют улучшить условия труда рабочих-станочников и значительно уменьшить долю тяжелого ручного труда.

Автоматизированные системы управления на сегодняшний день являются одной из профилирующих отраслей в развитии экономики не только нашей страны, но и всего мира.

Автоматизированная система управления позволяет объединить комплекс технических средств, экономико-математические методы, математическое, лингвистическое, информационное, организационное, юридическое и методическое обеспечение, а так же коллектив людей объединенных общей целью. Управляющее решение принимается в соавторстве человека с машиной.

Машиностроительное предприятие представляет собой иерархическую техническую систему, которая характеризуется связями с окружающей средой, структурой, программным комплексом и показателями хозяйственной деятельности.

Применение программных комплексов для автоматизации конструкторской подготовки производства позволяет повысить качество и сократить сроки проектирования изделия, а также минимизировать соответствующие статьи постоянных затрат.

Использование программных комплексов и оборудования с ЧПУ позволяют реализовать на предприятиях схему сквозного проектирования и производства изделий. Такое производство является "безбумажным" и малолюдным и обеспечивает повышение уровня и гибкости управления производственными процессами изготовления продукции.

Таким образом, создание и широкое внедрение оборудования с ЧПУ, в котором универсальность сочетается с автоматизацией, открыли новые возможности для совершенствования производственных процессов.

1. КОНСТРУКТИВНО-ТЕХНОЛОГИЧЕСКАЯ ЧАСТЬ

1.1 Описание, назначение и область применения системы ЧПУ"Электроника НЦ-31"

Устройство "Электроника НЦ-31" обеспечивает ввод, отладку и редактирование программ обработки непосредственно на станке с помощью клавиатуры. Программа вводится оператором с чертежа детали или при обработке сложных деталей - с бланка, подготовленного технологом-программистом. Контроль программы осуществляют с помощью цифровой индикации, а ее корректировку - непосредственно на станке от клавиатуры панели управления. В данном устройстве (Рисунок 2) возможна передача программы в кассету внешней памяти (КВП) для хранения вне станка и последующего ввода программы из КВП в систему управления. Устройство ЧПУ - контурное, оперативно управляет следящими электроприводами подач по двум координатным осям. Интерполяция может быть линейной или круговой. В память устройства введены стандартные рабочие циклы: точение конусов, обработка любых дуг окружности, нарезание резьбы, продольное и поперечное точение с разделением величины припуска на рабочие ходы и т. д. Такие циклы упрощают работу оператора и уменьшают время ввода программы в память устройства. Разрешающая способность по координате Z 0,01 мм, по координате X 0,005 мм.

Данная система числового программного управления является одной из наиболее распространенных систем ЧПУ для станков токарной группы, несмотря на свой более чем 20-летний возраст.

Отсутствие в настоящий момент комплектующих и запасных частей к НЦ- 31 в комплексе с довольно большим износом, и как следствие большим количеством сбоев и отказов, сделало эту популярную систему довольно неудобной в эксплуатации.

Несмотря на это, простота программирования, небольшие габариты и привычка обслуживающего персонала, останавливают многих пользователей на пути замены СЧПУ "Электроника НЦ-31" на более современные системы, такие как "NC-200", "WL" и т. п. Кроме того такая замена требует немалых финансовых затрат и проведения комплекса работ по перемонтажу электрической части станка, а также переобучения технического персонала.

В результате была разработана СЧПУ "НЦ-31-М". Она аналогична СЧПУ "Электроника НЦ-31" по интерфейсу и программному обеспечению, но выполнена на современной элементной базе. Данное устройство полностью функционально заменяет СЧПУ "Электроника НЦ-31". Также известны и другие клоны "Электроника НЦ-31" - Модуль НЦ31 и УЧПУ НЦ31-10.

Рисунок 2 - Пульт управления станком

- кнопочные переключатели продольного и поперечного перемещения суппорта:

- установка перемещения по X (1);

- установка перемещения по Z (2);

- цифровая индикация запрограммированного значения подачи;

- цифровая индикация команд, показывающая порядок облегчить поиск необходимой команды или участка программы для их корректировки, повторения, анн6улирования или пропуска;

- цифровая индикация положения суппортной группы;

- кнопочные переключатели набора отдельных команд и циклов обработки:

- остановка управляющей программы (3);

- запуск управляющей программы (4);

- команда ввода-вывода (5);

- номер кадра (6);

- подготовительная функция или постоянный цикл (7);

- ввод координаты X (8);

- признак обработки фаски (9);

- признак обработки фаски (10);

- ввод координаты Z (11);

- вспомогательная функция (12);

- функция главного движения (13);

- функция инструмента (14);

- функция подачи (15);

- признак для объединения группы кадров (16);

- параметры станка, параметры в G-циклах, переходы по номеру кадра (17);

- команда сброс (18);

- кнопочные переключатели режима работы:

- режим работы от маховика (19);

- режим ручного управления (20);

- режим автоматической работы (21);

- режим вывода (22);

- режим ввода (23);

- режим размерной привязки инструмента (24);

- кнопочные переключатели ручного режима скорости подачи, а также быстрых перемещений в продольном и поперечном направлениях;

- перемещение суппорта по оси (-Z) (25);

- перемещение суппорта по оси (+Z) (26);

- перемещение суппорта по оси (-Z) (27);

- перемещение суппорта по оси (+Z) (28);

- быстрый ход (29);

В состав остальных служебных команд входят следующие:

- очистка (30);

- отработка программы без перемещения суппорта (31);

- покадровый режим отработки программы (32);

- признак быстрого хода (33);

- признак относительной системы отсчета (34);

- деблокировка памяти (35);

- ввод параметров станка (36).

1.2 Технические характеристики и конструкция устройства ЧПУ"Электроника НЦ-31"

Основная техническая характеристика УЧПУ "Электроника НЦ-31" приведена в таблице 1.

Конструктивно устройство рассчитано на встройку в станок. Им оснащают токарные станки различных типоразмеров, в том числе встраиваемые в ГПС. В последнем случае УЧПУ оснащают дополнительным модулем. УЧПУ "Электроника НЦ-31" обеспечивает контурное управление при следящем приводе подач и импульсных датчиках обратной связи.

Таблица 1. Техническая характеристика УЧПУ "Электроника НЦ-31"

Наименованиепараметра

Тип, значение

Объёмпостояннойпамяти

16 Кбайт

Объёмоперативнойпамяти

8 Кбайт

Количествокоординатвсего

до 3

Одновременноуправляемых

2

Импульсныхпреобразователейнастанке

4 шт.типа BE-178

Количество связей сэлектроавтоматикой станка

16 входов 16 выходов

Параметрыпервичнойэлектросети

220В, 50 Гц

Мощность, потребляемаяотэлектросети

400 Вт

Температураокружающейсреды

От +5 до +45° С

Тип конструктивного исполнения

встраиваемый


Ввод программы может быть выполнен тремя способами: с клавиатуры УЧПУ, с кассеты электронной памяти и по каналу связи от ЭВМ верхнего ранга.

Вычислительная часть УЧПУ "Электроника НЦ-31" состоит из процессора П1 (П2); ОЗУ (4К слов), адаптера магистрали и таймера. Базовое программное обеспечение заносится в ПЗУ на этапе изготовления УЧПУ. Модули УЧПУ взаимодействуют между собой с использованием магистрали типа "общая шина". Одновременно могут взаимодействовать только два из них, выполняя одну из двух функций: передачу управления магистралью или обмен информацией. В свою очередь, обмен информацией подразделяется на чтение и запись по нему.

Ведомые модули (ОЗУ и контроллер привода) участвуют в обменах только после адресного вызова от одного из остальных ведущих модулей. Обмен информацией по магистрали осуществляется 16-разрядными словами. Объем адресного пространства, в котором возможны обмены по "Общей шине", равен 64К слов. Запросы на обмен информацией по магистрали возникают от ведущих модулей асинхронно и независимо. Предоставление магистрали одному из ведущих модулей, запросивших обмен, выполняется арбитром магистрали, входящим в состав процессора.

Кроме магистрали "общая шина" имеется дополнительный радиальный канал для связи модулей. Дополнительный канал, управляемый адаптером магистрали, увеличивает функциональную гибкость УЧПУ в целом и позволяет упростить аппаратную реализацию модулей. Адаптер магистрали реализует также функцию отсчета программно задаваемых интервалов времени (максимальная длительность задаваемого интервала 64К дискрет по 0,1 мс). Задание на отработку интервала времени поступает в адаптер от процессора и по окончании отработки сообщается процессору, вызывая его прерывание. При необходимости обмена информацией с пультом оператора или с одним из контроллеров инициатор обмена запрашивает разрешение захвата общей магистрали и после разрешения генерирует адрес ведомого устройства. Модуль адаптера преобразует этот адрес в сообщение по радиальному каналу на вызываемый ведомый модуль.

Контроллер электроавтоматики (16 входов и выходов) обеспечивает электрическое согласование сигналов между УЧПУ и электрооборудованием станка, а также вызывает прерывание процессора при поступлении сигнала электроавтоматики. Обеспечена возможность адресного маскирования (запрета) прерывания процессора. Для организации прерываний могут быть использованы восемь входов. Все входы и выходы в УЧПУ "Электроника НЦ-31" так же, как и в других микропроцессорных системах управления, имеют оптронную развязку с электрическими цепями станка. Указанное число входов и выходов является достаточным лишь при несложных задачах управления электроавтоматикой. ДляГП-модулей предусматривается программируемыйкомандо-аппарат, связанный по каналам электроавтоматики с УЧПУ.

В УЧПУ "Электроника НЦ-31 предусмотрено четыре входа от импульсных измерительных преобразователей. Один из входов используется для импульсного преобразователя электронного маховика ручного управления. В токарных станках, кроме импульсных преобразователей по координатам, устанавливается датчик на главном приводе для обеспечения режима резьбонарезания. Остальные импульсные преобразователи выполняют функцию датчиков обратной связи по пути (координаты X, Z). Программное обеспечение УЧПУ позволяет работать в режиме, обучения. В этом режиме при ручном управлении и работе от маховика параллельно с обработкой детали формируется управляющая программа для обработки последующих деталей в автоматическом режиме. Разбиение управляющей программы на кадры, включающие команды по адресам М, S, Т также выполняется автоматически.

Контроллер привода обеспечивает управление скоростью движения (подачи) по осям X, Z выполняя функцию преобразования двоичного кода скорости подачи в пропорциональный этому коду аналоговый сигнал (дискретность 5 мВ; диапазон ±10 В).

Рисунок 3. Структурная схема УЧПУ "Электроника НЦ-31"

Расшифровка аббревиатур, используемых на рисунке 2, приведена в таблице 2.

Таблица 2. Аббревиатуры, приведенные на структурной схеме УЧПУ

МНЦ

Магистраль (типа "общаяшина")

П1,П2

Процессоры

ОЗУ

Оперативноезапоминающееустройство

АМТ

Адаптер магистрали МНИ и программируемый таймер

КЭ

Контроллерэлектроавтоматикистанка

КИП

Контроллер измерительных преобразователей в код угла поворота по осям X,Z, штурвала и шпинделя станка

КП

Контроллер привода по осям X,Y станка

ПО

Пультоператора

ОЗУ,ВП

Внешняяоперативнаяпамять


Модуль пульта оператора обеспечивает взаимодействия оператора с УЧПУ. Элементы индикации позволяют индицировать: скорость подачи; номер и параметры кадра управляющей программы; информацию о состоянии УЧПУ.

Клавиши панели пульта оператора обеспечивают ввод и отработку управляющей программы по шагам либо в автоматическом режиме.

Модуль ОЗУ внешней памяти выполнен в виде кассеты электронной памяти. Он позволяет расширить объем оперативной памяти УЧПУ от 4К слов в модуле ОЗУ до 8К слов суммарного объема и выполнить ввод или вывод из УЧПУ отлаженных программ обработки. Кассета имеет аккумуляторный источник питания, обеспечивающий сохранение информации не менее 100 ч. В основном исполнении УЧПУ "Электроника НЦ-31" имеет специализированное программное обеспечение, ориентированное на выполнение функций токарной обработки. Обеспечивается выполнение развитых технологических циклов, оформленных в виде G-функций. К ним относятся циклы продольного и поперечного точения (G70, G71), многопроходной черновой обработки (G77, G78), глубокого сверления (G73, G72), нарезания торцовых и цилиндрических канавок (G74, G75 ), нарезания резьбы (G31, G33 ). В УЧПУ предусмотрена возможность параметрического задания подпрограмм циклов и выполнение команд условных переходов по внешнему сигналу. Основным способом коррекции инструмента является повторный выход в режим размерной привязки. В результате этой процедуры устройство автоматически формирует величины корректоров и запоминает их значения в области памяти корректоров. При этом дискретность величин корректоров соответствует дискретности измерительных преобразователей обратной связи по пути, а не дискретности задания размеров. Область памяти корректоров доступна по записи и чтению с пульта оператора.

Программное обеспечение УЧПУ "Электроника НЦ-31" предусматривает диагностику ошибок и после обнаружения их останавливает отработку управляющей программы. Диагностика превышения допустимых скоростей в определенном диапазоне носит предупредительный характер.

1.3 Описание режимов работы ЧПУ

Устройство предоставляет возможность работы в следующих режимах:

)         режим работы от маховика;

)         режим работы от клавиш ручного управления;

) автоматический режим;

) режим вывода (индикация) содержимого памяти программы обработки и параметров;

) режим ввода программы обработки параметров;

) режим размерной привязки инструмента.

1.3.1 Переключение режимов УЧПУ

В каждый момент времени можно работать только в одном из режимов. Переход от одного режима к другому осуществляется нажатием соответствующей клавиши включения режима - из группы режимных клавиш. После нажатия клавиши, над ней загорается индикатор, сигнализируя о том, что система готова к работе в выбранном режиме.

Предыдущий режим отменяется, и устройство переходит в новый режим работы. Индикатор подрежимов предыдущего режима и индикаторы числа гаснут. Исключение составляют индикации положения, сохраняющиеся при смене режимов и особый случай перехода из режима ввода в режим вывода и обратно. В этом случае подрежимы сохраняются, а индикатор буквенного адреса, признаков и индикатор числа гаснут только при переходе из режима ввода в режим вывода. При переходе из режима вывода в режим ввода находящаяся на индикаторах информация сохраняется, позволяя редактировать выведенный кадр или параметр. Переход из режима автоматический в любой другой режим возможен до нажатия клавиши 4 или после нажатия клавиши 3, точнее срабатывания лампочки над клавишей "ОСТАНОВ". Для работы в любом режиме необходима только часть всего набора клавиш пульта. Нажатие любой клавиши, не используемой в данном режиме, устройством не воспринимается.

1.3.2 Режим работы от маховика

Для работы в этом режиме необходимо нажать клавишу 19. Над ней загорается индикатор. Устройство готово к работе в режиме от маховика. В данном режиме имеются два подрежима:

)         подрежим мерных перемещений;

)         подрежим обучения.

В подрежиме мерных перемещений можно перемещать суппорт по одному из направлений X или Z, вращая моховичок и выдавать технологические команды М, S, Т на исполнение электроавтоматикой станка.

Для управления движением суппорта от маховика нужно сначала нажатием клавиши 1 или 2 выбрать направление движения:

)         клавиша 1 соответствует перемещению в поперечном направлении,

ось X;

)         клавиша 2 соответствует перемещению в продольном направлении,

ось Z.

Перемещение по оси X в направлении к оси точения обозначается "-Х".

Перемещение по оси X в направлении от оси точения обозначается "+Х".

Перемещение в сторону передней бабки по оси Z обозначается как "-Z", а в сторону задней бабки - как "+Z".

При нажатии любой из клавиш 1или 2, загораются два индикатора:

)         над клавишей;

)         буквенного адреса (X или Z).

А на индикаторе числа появляется значение положения инструмента по выбранной оси относительно введенной нулевой точки.

Если нулевая точка еще не установлена, то это - произвольное число. Например, для выбора направления вдоль оси нажимают клавишу 2.

Теперь дляосуществления движения трёхпозиционный переключатель должен находиться в крайнем правом положении 1.

Для отработки одной из команд М, S, Т в режиме работы от маховика нужно проделать следующую процедуру:

)         вызвать необходимый адрес (М, S, Т);

)         набрать код команды <число> ;

) выдать команду на отработку (клавиша 4).

Например: Вызвать в рабочую позицию инструмент №6:

)         нажать клавишу 19;

)         нажать клавишу 14;

) код команды - число 6:

) нажать клавишу 4.

Шкала маховика имеет 100 делений; цена одного деления - соответствует первой дискрете задания. Вращением маховика осуществляется движение суппорта. Величину перемещения можно наблюдать на цифровом индикаторе. Если при движении суппорт наезжает на конечные выключатели, движение прекращается и загорается индикатор "ВНИМАНИЕ" - аварийной ситуации. Вращая маховичок в обратном направлении, производится съезд с конечника, а затем нажатием клавиши 30 - гашение индикатора "ВНИМАНИЕ".

В режиме работы от маховика в подрежиме обучения можно параллельно с обработкой формировать управляющую программу.

1.3.3 Режим работы от клавиш ручного управления

Режим ручного управления используется для управления перемещениями суппорта от клавиш ручного управления, как на быстром ходу, так и на заданной подаче. Переход в этот режим осуществляется нажатием клавиши 20.

В режиме ручного управления имеются следующие подрежимы:

)         подрежим немерных перемещений;

)         подрежим выхода в фиксированную точку;

)         подрежим обучения.

При нажатии кнопки 20 устанавливается подрежим немерных перемещений.

Подрежим немерных перемещений

В подрежиме немерных перемещений ускоренные перемещения осуществляются одновременным нажатием одной из клавиш 25,26,27,28и клавиши ускоренного перемещения (клавиша 33 ). Перемещение осуществляется до тех пор, пока клавиши нажаты.

Максимальные величины скорости быстрого хода являются параметрами системы и могут быть установлены в пределах, допускаемых станком. Например, перемещение на быстром ходу в направлении "-Z" осуществляется одновременным нажатием клавиш 25, 33, а в направлении "+Х" - клавиш 28 и 33

Клавиши 1 и 2 для перемещений в ручном режиме не нужны. Индикация положения включается самостоятельно при нажатии одной из клавиш 25, 26, 27, 28 как с клавишей 33, так и без нее. Например, при нажатии клавиши 2, загорается индикатор над клавишей 33, под буквой "Z", а на индикаторе числа высвечивается положение по оси "Z". При движении индикация меняется, отражая изменение положения. После отпускания клавиш 25, 33 индикация положения остается, как если бы просто нажали клавишу 2.

Перемещение суппорта на рабочей подаче осуществляется только нажатием клавиш 25, 26, 27, 28 без клавиши 33, при этом должна быть задана рабочая подача (при задании оборотной подачи должен быть включен главный привод и задана скорость вращения шпинделя S и величина оборотной подачи F).

Ввод величины подачи рассмотрим на примере. Например, необходимо ввести подачу 50 дискрет/на оборот, тогда следует нажать клавишу 15. Загорается соответствующий индикатор.

Нажать клавишу 13 - на цифровом индикаторе высветится цифра 5, ввести 0 - цифра 5 смещается на одну ячейку влево, а цифра 0 занимает ее старое место.

Теперь на индикаторе: | || || | 5 | 0 |.

Нажатием клавиши 5 набранное значение вводится в устройство. В результате значение подачи на индикаторе числа гаснет, и число 50 появляется на индикаторе подачи: | | | 5 | 0 |.

Клавиша 5 очень важна. Ввод всей информации производится нажатием этой клавиши после того, как информация набрана на пульте. Теперь нажатием клавиши 25, 26, 27, 28 можно осуществить движение в любом выбранном направлении.

Введенное значение подачи сохраняется устройством до введения нового значения F. Оно не зависит от изменения значения подачи автоматического режима, и каждый раз при переходе в ручной режим восстанавливается на индикаторе подачи.

В ручном режиме для отработки команд М, S и Т необходимо проделать следующую процедуру:

)         набрать адрес команды клавишей 12, 13 или 14;

)         набрать код команды <число>;

) выдать команду на отработку клавишей 4.

Например, задать вращение шпинделя по часовой стрелке:

)         нажать клавишу 12;

) ввести число 3;

) нажать клавишу 4.

Подрежим выхода в фиксированную точку

Подрежим используется для фиксирования исходной точки резцедержки. Фиксированная точка служит для привязки измерительной системы устройства ЧПУ и базовой поверхности станка. Эта точка служит промежуточной нулевой точкой, к которой затем осуществляется размерная привязка инструмента.

Положение исходной точки определяется положением конечников замедления.

При наезде на конечники замедления производится блокировкабыстрого хода и выход на ползучую подачу. Наезд на конечники может осуществляться с любой стороны. Съезд с конечника осуществляется в направлении, где предполагается положение фиксированной точки. После съезда с конечника система следит за прохождением нулевой метки датчика положения. Прохождение нулевой метки датчика фиксируется, производится сброс ошибки положения привода. Одновременно блокируются кнопки, задающие перемещение. Снимается подрежим (прекращается пульсация индикатора, см. ниже).

Выход в фиксированную точку производится раздельно по каждой координате. Процедура выхода в фиксированную точку по оси X выполняется в следующей последовательности.

)         нажать клавиши 20 и 28;

)         нажать клавишу 34, индикатор ручного режима начинает пульсировать;

) задать рабочую подачу минутную или оборотную. Для задания оборотной подачи необходимо включить главный привод, задать скорость вращения шпинделя S, величину оборотной подачи F;

) нажать клавиши 23 и 28;

) нажать 28 после выхода в фиксированную точку пульсация индикатора режима прекращается.

Для повторения цикла по другой оси нужно повторно нажать клавиши 25, 34, 33,26.

Если после вывода суппорта в фиксированное положение необходимо продолжить работу в режиме ручного управления, то в этом случае нужно повторно вызвать этот режим. Вывод суппорта в фиксированное положение рекомендуется производить после включения устройства, (устройство запоминает последнее положение суппорта в момент отключения) в тех случаях, когда возникают системные сбои устройства (неисправна контрольная сумма параметров, коды 721, 621 и т.д.) При диагностическом сообщении о сбое привода вывод суппорта в фиксированную точку обязателен.

Подрежим обучения

В режимах ручного управления и работы от маховика можно параллельно с обработкой детали скомпоновать управляющую программу для обработки последующих деталей в автоматическом режиме (режим обучения системы).

Вход в режим обучения осуществляется нажатием клавиши 35 в режимах ручного управления и работе от маховика. Индикатор, горящий над клавишей 35 в этих режимах, сигнализирует о нахождении системы в режиме обучения. Для выхода из него нужно повторно нажать клавишу 35. Система выходит из режима обучения и индикатор гаснет.

В режиме обучения формирование кадров М, S, Т и F происходит автоматически при их отработке системой. При этом номер кадра увеличивается на 1 и его новое значение индицируется на индикаторе номера кадра. Изменить номер кадра можно так же, как и в режимах ввода и вывода.

В режиме обучения можно формировать кадры, содержащие индицируемое положение по выбранной координате X или с признаком движения.

Например, если положение инструмента Х-1234, а номера кадра 151, то нажатием клавиши 5 запись в УП формируется в кадр, 151 X -1234, вызывающий при автоматическом выполнении перемещение по оси X в точку с координатой X = -1234. После ввода номер кадра увеличивается на 1. Если в кадре необходим признак быстрого хода, то сначала нажмите клавишу 33. Над ней загорится индикатор. Теперь нажатием клавиши в УП вводится кадр Х-1234*. Признак * вызывается нажатием клавиши 16. При этом загорается индикатор над клавишей 5. Такая процедура аналогична процедуре набора кадра в режиме ввода. При формировании признаков быстрого хода (клавиша 33 ) и объединения группы кадров (клавиша 16) она позволяет сформировать фрагмент управляющей программы для автоматического выполнения перемещений в точку, в которой находится инструмент, на быстром ходу и рабочей подаче, по одной или одновременно двум координатам.

Поясним это на следующем примере.

Пусть в ручном режиме перемещение совершилось на быстром ходу сначала по оси X, затем по оси Z в точку Х=9801, Z=5678 и номер кадра, индицируемый на индикаторе, равен 152.

Нажатием клавиши:

- над клавишей зажигается индикатор;

- над клавишей зажигается индикатор, индицирующий признак *;

- индикаторы над клавишами 33, 2, 5 и под буквой Z гаснут, числовой индикатор затемняется, индикатор номера увеличивается на 1 и показывает 153, в УП под номером 152 вводится кадр: Z 5678 V'y*.

Для формирования следующего кадра перемещения по оси X предварительно нужно вывести значение координаты на индикацию нажатием клавиши 1, над клавишей и под буквой X зажигается индикатор, на числовом индикаторе высвечивается положение по оси X (в примере число 9801). Нажатием клавиши 5 вводится в УП под номером 153 кадр: X 9801.

Таким образом, в кадрах 152, 153 сформирован фрагмент УП на перемещение в точку Х=9801, Z=5678 на быстром ходу одновременно по двум координатам. Из режима обучения можно перейти в режим индикации - для просмотра сформированного фрагмента УП - или в режим ввода. Это удобно, когда выполнение операций в режиме ручного управления или режиме управления от маховика чередуется с обработкой по циклам в автоматическом режиме. Например, в режиме ввода можно ввести многопроходный цикл, перейти в автоматический режим и в покадровом подрежиме отработать этот цикл. Затем вернуться в режим обучения, выполнить необходимые операции (с параллельным формированием УП). Перед следующим циклом перейти в режим ввода и т. д.

1.3.4 Автоматический режим

Этот режим предназначен для отладки и выполнения предварительно введенной программы обработки детали.

В этот режим устройство переходит при нажатии клавиши 21. Над ней загорается индикатор. Одновременно загорается индикатор над клавишей 32 - включается подрежим покадровой работы.

Для отладки УП используются два подрежима: покадровой отработки - с остановом в конце кадра и подрежим отработки без перемещения суппорта.

В покадровом подрежиме отработки УП после нажатия клавиши 32 устройство отрабатывает один элемент УП (кадр или проход многопроходного цикла), после чего выполнение УП останавливается, индикатор над клавишей 3 гаснет. Для отработки следующего кадра нужно снова нажать на клавишу "пуск".

В подрежиме отработки УП без перемещения суппорта (клавиша 31) система не выполняет перемещение суппорта, а только имитирует его. Все остальное, например, технологические команды, изменение подачи система выполняет.

В любом подрежиме выполнения УП на индикатор числа можно вывести текущее значение по координате X нажатием клавиши и по координате Z . Управляющая программа выполняется последовательно, кадр за кадром, начиная с номера, заданного на индикаторе номера.

Во время выполнения УП на индикаторе номера кадра всегда высвечивается номер того кадра, который отрабатывается в данный момент. Если же отрабатывается цикл, состоящий из нескольких кадров, то индицируется номер, с которого начинается цикл. После выполнения цикла автоматически индицируется следующий кадр после цикла.

Отработка УП осуществляется при нажатии клавиши 4. Индикатор над ней загорается и горит до остановки отработки УП.

Выполнение УП можно прервать нажатием клавиши 3. При этом останов происходит в любом месте траектории (исключение - резьбонарезание) и загорается индикатор над клавишей.

В этом режиме можно вводить коррекцию на рабочую подачу. Значение величины рабочей подачи может быть оперативно изменено набором с пульта оператора как во время выполнения УП, так и при остановах. Это значение заменяет предыдущее и действует до нового задания подачи.

Оперативное изменение подачи производится так же, как задание подачи в ручном режиме.

Ввод рабочей подачи осуществляется следующим образом:

Например, необходимо ввести подачу 50 дискретна оборот, тогда следует нажать клавишу 15. Над ней загорится индикатор.

Набрать "50" и нажатием на клавишу 5 набранное значение ввести в устройство.

1.3.5 Режим вывода (индикация) содержимого памяти программы обработки и параметров

Переход в этот режим осуществляется нажатием клавиши 22 и подтверждается контрольным индикатором над ней.

В этом режиме особенное внимание нужно уделять значению индикатора номера кадра. Именно это значение указывает номер кадра программы или параметра, который выведен на индикацию в настоящее время или будет выведен в будущем.

Тип индикации определяется состоянием индикатора над клавишей 36. Если индикатор погашен, то индицируются кадры программы обработки, если индикатор горит - индицируются параметр станка. Состояние индикатора меняются при каждом нажатии на клавишу.

Для задания начального номера кадра нужно нажать на клавишу 6. Цифровые индикаторы, индикатор номера кадра и положения инструмента гаснут при этом индикатор номера готов к приему номера.

После нажатия исполнительной клавиши 5 кадр и его содержимое выводится на индикацию.

Для индикации следующего кадра не нужно набирать его номер - достаточно снова нажать на клавишу 5.

Номер кадра автоматически увеличится на 1 и на индикацию будет выведен следующий кадр и его содержимое. Таким образом, последовательно можно просмотреть всю программу или часть ее, начинающуюся заданным номером.

Все параметры станка выводятся с буквенным адресом Р.Просмотр параметров осуществляется точно так же как и кадров программы.

1.3.6 Режим ввода программы обработки параметров

Переход в этот режим осуществляется при нажатии клавиши 23 - над ней загорается индикатор. Затем для осуществления ввода необходимо деблокировать память, нажав клавишу 35. Индикатор над клавишей загорается и горит все время ввода.

Номер кадра набирается на индикаторе номера следующим образом: нажимается клавиша 6, после чего гаснет индикатор номера кадра. При последовательном вводе цифр 1, 2, 3 на индикаторе номера появляется число 123.

Для ввода буквенного адреса необходимо нажать одну из буквенных клавиш. При этом загорается индикатор, соответствующий этому адресу, а индикатор числа очищается для приема значения адреса.

Теперь, нажимая цифровые клавиши на индикаторе числа, набирается требуемое число. Знак минус можно набирать в любой момент ввода цифр.

Также в кадр могут быть введены признаки.

Набор признаков осуществляется нажатием соответствующих клавиш признаков - при этом загораются контрольные индикаторы. Для сброса признака необходимо второй раз нажать клавишу - индикатор признака гаснет. Набирать признаки можно в любом порядке при задании кадра. В кадре программы могут присутствовать признаки:

)         признак быстрого хода;

) задание относительной системы отсчета;

) признаки обработки фаски под углом 45;

) признак звездочка (служит для объединения группы кадров).

Для ввода кадра в программу нажимается клавиша 23. После ввода номер кадра на индикаторе увеличивается на 1, а набранная информация гаснет, подготавливая пульт и индикаторы для ввода следующего кадра.

Если сразу после ввода кадра нажать на клавишу 22, то номер кадра уменьшится на 1 и будет указывать на номер только что введенного кадра. Теперь нажатием клавиши можно про индицировать его. Это создает определенные удобства при выводе и редактировании кадров после их ввода их в память.

1.3.7 Режим размерной привязки инструмента

Привязка инструмента к измерительной системе производится после выхода в фиксированное положение, т. е. после фиксирования исходной точки резцедержателя. Фиксированная точка служит для привязки измерительной системы УЧПУ и базовой поверхности станка (см. пункт 1.3.3.2). Привязка установленного на станке инструмента заключается в определении реальных размеров, которые получаются на детали в результате контрольной проточки. Полученные размеры вводятся в память устройства для привязки измерительной системы и режущего инструмента.

Ввод размеров осуществляется при активной клавише 34. После набора размера он вводится в память с помощью клавиши 5. Размерная привязка инструмента выполняется по следующей методике:

)         нажать клавишу 20;

)         установить в патрон станка заготовку;

) вызвать инструмент в рабочую позицию (нажать клавишу 14, ввести номер, нажать клавишу 4);

) включить шпиндель (ввести команду М3, нажать клавишу 4, нажать клавишу 13, ввести число оборотов шпинделя, нажать клавишу 4);

) ввести соответствующую величину рабочей подачи (нажать клавишу 15, ввести число, нажать клавишу 5);

) пользуясь клавишами 25, 26, 27, 28, 33 и моховиком подрезать торец

) отвести инструмент по оси X, не меняя положения по Z;

) выключить вращение шпинделя;

) замерить расстояние от нуля станка до торца обрабатываемой заготовки;

) установить режим привязки, нажав клавишу 34;

) ввести измеренную величину Zизм (нажать клавишу 11, ввести число, нажать клавишу 5 );

) проконтролировать правильность ввода, нажав клавишу 2;

) нажать 20 и включить шпиндель;

) пользуясь клавишами 25, 26, 27, 28, 33 и моховиком обточить наружный диаметр;

) отвести инструмент по оси Z, не изменяя его положение по оси X;

) измерить диаметр проточенной заготовки;

) нажать 34;

) ввести измеренную величину Хизм (нажать клавишу 8, ввести число, нажать клавишу 5 );

) проконтролировать правильность ввода, нажав клавишу 1.

1.4 Описание, назначение и область применения Правой втулки


Согласно заданию в дипломном проекте нужно рассмотреть Правую втулку.

Втулка - деталь машины, механизма, прибора цилиндрической или конической формы (с осевой симметрией), имеющая осевое отверстие, в которое входит сопрягаемая деталь. Втулки классифицируются:

В зависимости от назначения:

-        подшипниковые;

-        закрепительные;

-        стяжные;

-        переходные.

Втулка переходная - инструмент, используемый на металлообрабатывающем оборудовании для установки инструмента с разными конусами Морзе.

На токарном станке втулка переходная используется для установки инструмента в заднюю бабку, неподвижного центра в переднюю бабку.

Для фрезерного станка втулка переходная - основной переходный элемент, позволяющий значительно снизить затраты на технологическую подготовку производства.

2. РАСЧЕТНО-НАЛАДОЧНАЯ ЧАСТЬ

2.1 Описание модуля контроллер привода

Согласно заданию в дипломном проекте нужно рассмотреть модуль контроллер привода по осям X,Y станка (КП), который обеспечивает управление от УЧПУ скоростью движения(подачи) режущего инструмента по осям x, yвыполняя функция преобразователя двоичного кода скорости подачи в строго пропорциональный этому кода аналоговый сигнал.

Модуль КП предназначен для приема и хранения информации о величине уставки, эквивалентной скорости подачи исполнительного механизма привода и формирования пропорционального ей аналогового сигнала постоянного тока. КП подключается к каналу связи с процессором через модуль АМТ и состоит из двух идентичных каналов управления приводами подач станка.

Элементная база - интегральные микросхемы (ИМС) серии К155, К589, К594, К553.

Блок-схема КП представлена на рисунка 4.

Входная информация - параллельный двоичный дополнительный код.

Число разрядов - II двоичных разрядов и одинаковый разряд.

Частота смены входной информации ≥ 50Гц.

Входной сигнал - напряжение постоянного тока с максимальными значениями ± 10В.

Время установления выходного напряжения - не более 20 мкс.

В состав КП входят следующие основные узлы:

-        источник опорного напряжения;

-        схема адресации;

-        два формирователя управляющего канала.

Источник опорного напряжения предназначен для выработки высокостабильного напряжения постоянного тока величиной 10В, используемого для работы цифроаналогового преобразователя (ЦАП).

Схема адресации обеспечивает при наличии сигнала ВБ<3>=0 выработку управляющих сигналов для записи информации (при ЗП=0) или для чтения её (при ЗП=I) во входном регистре ЦАП соответствующей координаты. Номер координаты определяется комбинацией сигналов ПА <1 - 2>.

Формирователь управляющего напряжения состоит из входного 12-разрядного регистра, шинного формирователя, оптронов.

-разрядный код, включая и знаковый разряд, подается через шинные формирователи на входной регистр, откуда код с инверсных выходов регистра, кроме знакового разряда, подается через оптроны на вход ЦАП. Оптроны используются для гальванической развязки сигнальных цепей УЧПУ от цепей станка. Код, поданный на вход ЦАП, преобразуется в аналоговый ток, который с помощью операционного усилителя (ОУ1) преобразуется в выходное аналоговое напряжение. Усилителя (ОУ2) используется для развязки источника оптронного напряжения по двум каналам.

Смещение нуля выходного напряжения не более ± 2,5мВ при 20°± 5°С; дрейф нуля выходного напряжения при изменении температуры окружающей среды составляет не более ± 2,5 мВ на каждые 10°С

В составе модуля КП имеется два регистра (по одному на координату), которые имеют каждый свой фиксированный адрес в МНЦ. Процессор (П) имеет возможность записывать на эти регистры принципиальные коды. Код, преобразуемый в аналоговый сигнал, имеет разрядность 12 бит, включая знаковый разряд. Диапазон измерения аналогового сигнала от -10В до +10В, дискретность измерения -5В. Нулевой код соответствует отсутствию движению режущего инструмента по соответствующей оси.

Рисунок 4 - Структурная схема КП

2.2 Описание элементной базы модуля КП

Согласно заданию на дипломный проект следует описать элементную базу части функционального узла устройства числового программного управления "Электроника НЦ-31" контроллера привода.

В данную схему входят резисторы с корпусом MJIT, список и характеристики резисторов указаны в таблице 3. Так же в схеме присутствуют алюминиевые и керамические конденсаторы, список которых приведен в таблице 4. В таблице 5 приведены параметры импульсного диода КД521А. Основная часть элементной базы состоит из интегральных микросхем серий К155,их параметры приведены в таблице 6. Описание микросхем приведено в таблице 7.

Таблица 3 - Резисторы и их параметры

Наименование

Мощность, Вт

Сопротивление, Ом Ом

Допуск, %

Обозначение на схеме

МЛТ-0,125 1 кОм ±10%

0,125

1000

±10

R11

МЛТ-0,125-10 Ом ±10%

0,125

10

±10

R1,R10, R18…R20

МЛТ-0,125-15 кОм ±10%

0,125

15000

±10

R2

МЛТ-0,25-390 Ом ±10%

0,25

390

±10

R5

МЛТ-0,125-2,7 кОм ±10%

0,125

2700

±10

R3,R4

МЛТ-0,125-39 Ом ±10%

0,125

39

±10

R12,R22,R23

МЛТ-0,125-360 Ом ±5%

0,125

360

±5

R1,R2

Таблица 4 - Конденсаторы и их параметры

Наименование

Напряжение, В

Емкость, мкФ

Допуск, %

Обозначение насхеме

К53-14-6,ЗВ-100мкФ±20%

6,3

100

±20

С1, С2

50

0,1

-20±80%

С3...С13

К53-14-6,ЗВ-6,8мкФ±10%

6,3

6,8

±10

С14

Таблица 5 - Параметры микросхем серий К155

Характеристики

Значения

Входной ток низкого уровня, мА

Не более -1,6

Входной ток высокого уровня, мА

Неболее 0,04

Входное напряжение низкого уровня, В

Неболее 0,4

Входное напряжение высокого уровня, В

Неболее 2,4

Выходной ток низкого уровня, мА

Неболее 16

Выходной ток высокого уровня, мА

Неболее -0,4

Нагрузочнаяспособность

10

Время задержки распространения сигнала при включении (Сн = 50пФ), нс

18,5

Время задержки распространения сигнала при выключении (Сн = 50пФ), нс

18,5

Токпотребления, мА

Неболее 15

Помехоустойчивость, В

Неболее 0,4

Частотапереключения, МГц

Неболее 15

Напряжениепитания, В

4,5 - 5,5

Максимальное напряжение на входе, В

5,5

Минимальное напряжение на входе, В

-0,4

Максимальнаяемкостьнагрузки, пФ

200

Диапазонрабочихтемператур, °С

-60…+125

Таблица 6 - Описание микросхем

Микросхема

Входы

Выходы

Функционал

Обозначение

К589АП16

1,3,4,6, 7,9,10, 12,13,15

2,5,8, 11,14,16

Микросхемаявляется параллельнымдвунаправленным формирователем сигналов

D9…D11

К155ТМ7

2,3,4,6,7, 13

8,9,10,11, 14,15,16

Микросхемапредставляет собой счетверенный D-триггер

D12, D14

К155ИД4

1,2,3,8, 13,14,15

4,5,6,7,9, 10,11,12

Микросхема является сдвоенным дешифратором-демультиплексором 2 на 4

D5

К155ЛА6

1,2,4,5,9, 10,12,13

6,8

Микросхема включает в себядва Логическихэлемента 4И-НЕ

D7, D8

К155ЛА3

1,2,4,5,7,9, 10,12,13, 14

3,6,8,11

Микросхемавключает в себя четырелогических элемента 2И-НЕ

D4

КМ551УД1А

2,3

4,5,6,7,8

Микросхема представляет собойоперационный усилитель средней точности

D16, D17

К555ЛН1

1,3,5,9,11,13,

2,4,6,8,10,

Микросхема включает в себя шесть логических элементов НЕ

D1

КР551УД1А

2,3

4,5,6,7,8

Микросхема представляет собой операционный усилитель средней точности

D2

К555ЛА3

1,2,4,5,9, 10,12,13

3,6,8,11

Микросхема представляет собой четыре логических элемента 2И-НЕ

D3

К594ПА1

1,2,3,4,6,7,8,11,12

5,14,15,16,17,18,19,20

Микросхема представляет собой двенадцатиразрядный параллельный цифро-аналоговый преобразователь с суммированием токов

D15

КР551УД1А

2,3

4,5,6,7,8

Микросхема представляет собой операционный усилитель средней точности

D6


2.3 Описание методики определения возможных неисправностей


Для определения возможных неисправностей существует установка УТК-2М (рисунок 4), которая предназначена для автоматизированного тестового контроля и диагностики узлов, автоматической проверки их логического функционирования, контроля уровней напряжений логических 0 и 1, контроля временных задержек цепей в микро-ЭВМ.

Рисунок 5 - Установка УТК-2М

Контроль правильности функционирования испытуемой ячейки проводится следующим образом. Программа автоматического контроля проверяемого узла с перфоленты считывается с помощью фотосчитывающего устройства и через устройства ввода поступает в устройство контроля, а затем на проверяемую ячейку. Информация с выходов проверяемой ячейки также поступает в устройство контроля, где происходит ее сравнение с контрольной. Информация о результате сравнения из устройства контроля поступает на устройство печати и индуцируется на табло блока контроля.

При контроле уровней напряжений логических сигналов последовательно подвергаются контролю входные и выходные сигналы проверяемого узла с помощью коммутатора и дискриминаторов. Если уровни напряжения отличаются от контрольных, в устройстве управления формируется информация о наличии неисправностей с печатью на бумажной ленте, а также индуцируется на табло блока контроля.

При контроле задержек распространения сигнала от входа цифрового узла до выхода информация о максимально допустимой величине задержки поступает в блок контроля задержек. Затем в момент времени информация контрольного теста

поступает в регистр блока контроля задержек,устройство контроля и на вход проверяемого узла. В момент времени происходит запись информации, возникающей на выходе проверяемого узла, в регистр результата блока контроля задержек. Затем эта информация поступает в устройство контроля, где она сравнивается с контрольной.

Промежуток времени равен максимально допустимой величине задержки. Если к моменту времени на выходе контролируемой ячейки не появилась информация, то в регистр результата блока контроля задержек будет записан искаженный результат, что приведет к возникновению сигнала „Неисправность по задержке". Информация с устройства контроля о результате сравнения поступает на индикацию и устройство управления печатью.

2.4 Составление маршрутного технологического процесса


При составлении плана обработки конкретной детали следует учитывать ее конструктивные особенности и особенности выполнения операции на станке с ЧПУ. С этой целью полезно знать и применять следующие практические рекомендации:

в первую очередь обрабатывать поверхности, при удалении припуска с которых в наименьшей степени снижается жесткость заготовки:

для повышения эффективности действия СОЖ при обработке внутренних поверхностей, особенно при сверлении, толщина стенки детали на длине прохода должна быть по возможности наименьшей;

нагрузку на режущие инструменты, в первую очередь на резец распределят так, чтобы осуществлять замену одновременно возможного числа изношенных инструментов;

при неустойчивом процессе разделения стружки на части, например при обработке с малыми толщинами среза, выполнять контурное точение наружных поверхностей с направлением подачи "слева - направо", используя левые резцы;

при обработке деталей в автоматической режиме предпочтение следует отдавать более надёжным и простым в наладке универсальным инструментам (резцам) по сравнению с мерными (развертки, метчики, плашки и другие).

План обработки составляют на основе чертежа детали (рисунок 5). Для выполнения операций используются резцы и сверла, изображенные на рисунке 6. Наименование инструментов приведено в таблице 8. План обработки детали приведен в таблице 9.

Рисунок 6 - Деталь после конструкторской доработки

Рисунок 7 - Инструменты, используемые для обработки детали

Таблица 7 - Режущие инструменты, применяемые для обработки детали

Обозн.

Наименованиеинструмента

Дополнительные сведения по базовой конструкции

1

Резец токарный канавочныйиз быстрорежущей стали

2120-0503 ГОСТ 18868-73

2

Сверло спиральное с коническим хвостовиком

2301-0443ГОСТ 10903-77

3

Резец токарный проходной с пластинами из твердого сплава

2101-0051 ГОСТ 18859-73

4

Резец токарный отрезной с пластинами из твердого сплава

2120-0513 ГОСТ 18884-73

5

Резец токарный резьбовой с пластинами из твердого сплава

2101-0412ГОСТ 18883-73

6

Резец токарный подрезной торцовый с пластинами из быстрорежущей стали

2120-0034ГОСТ 18871-73


Таблица 8 - План обработки детали

Код

Наименование операции

Эскиз детали

Оборудование

005

Заготовительная



010

Токарная

16К20Ф3с ЧПУ "Электроника НЦ-31"

015

Токарная

16К20Ф3 с ЧПУ "Электроника НЦ-31"

020

Токарная

16К20Ф3 с ЧПУ "Электроника НЦ-31"

025

Токарная

16К20Ф3 с ЧПУ "Электроника НЦ-31"

030

Токарная

16К20Ф3 с ЧПУ "Электроника НЦ-31"

035

Контроль


Контрольный стол

 

.5 Проектирование инструментальной наладки

Проектирование наладки осуществляют на основе плана обработки детали. Раздел включает выполнение следующих работ:

1)   составление координатных чертежей;

2)       выбор вспомогательных инструментов;

)         составление схемы установки инструментов в револьверной головке ;

)         составление управлявшей программы (на пятый переход).

Получение формы и размеров на токарных станках с ЧПУ обеспечивается движением инструмента по траектории, заданной управляющей программой. Для составления программы используют опорные точки. К опорным точкам согласно ГОСТ 20523-00 относят точки расчетной траектории, в которых происходит изменение закона, описывая его траекторию, или условий протекания технологического процесса.

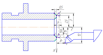
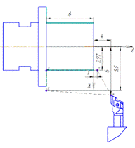
Определение траектории перемещения инструмента с последующей размерной привязкой ее к заготовке осуществляют с помощью системы координат. Обычно начало системы совпадает с технологической или измерительной базами заготовки, а направление осей принимают одинаковым с направлением координатных осей станка. При обработке деталей из прутка в качестве технологической и измерительной баз использует правый торец заготовки. Расчетные координаты опорных точек траектории инструмента, заданные в выбранной системе координат, составляют, основное содержание координатного чертежа. Координатные чертежи приведены на рисунках 8,9, 10, 11, 12, 13, 14, 15, а координаты опорных точек приведены в таблицах10, 11, 12, 13, 14, 15, 16, 17.

В качестве вспомогательных инструментов используют: для закрепления резцов - державки, для закрепления хвостовых инструментов - втулки. Типы и основные размеры вспомогательных инструментов, входящих в комплект поставки станка, приведены в таблице 20. Закрепление инструментов в револьверной головке показано на рисунке 17.Общий вид инструментальной наладки приведен так же на рисунке 17.

Рисунок 8 - Первый переход

Таблица 9 - Координаты опорных точек первого перехода

№ опорной точки

Координата по Z, мм

Координата по X, мм

1

1

5

2

-11,5

5

3

-11,5

7

4

4

12


Рисунок 9 - Второй переход

Таблица 10 - Координаты опорных точек второго перехода

№ опорной точкиКоордината по Z, ммКоордината по X, мм



1

3

0

2

-14,5

0

3

3

0

4

8

12


Рисунок 10 - Третий переход

Таблица 11 - Координаты опорных точек третьего перехода

№ опорной точки

Координата по Z, мм

Координата по X, мм

1

1

3

2

-4,5

3

3

-4,5

6

4

4

10


Рисунок 11 - Четвертый переход

Таблица 12 - Координаты опорных точек четвертого перехода

№ опорной точки

Координата по Z, мм

Координата по X, мм

1

1

4

2

-4,5

4

3

-4,5

2,5

4

-4,5

4

5

1

4

6

10

5


Рисунок 12 - Пятый переход

Таблица 13 - Координаты опорных точек пятого перехода

№ опорной точкиКоордината по Z, ммКоордината по X, мм



1

1

2,97

2

-6

2,97

3

-6

5,5

4

4

6


Рисунок 13 - Шестой переход

Таблица 14 - Координаты опорных точек шестого перехода

№ опорной точкиКоордината по Z, ммКоордината по X, мм



1

1

2,15

2

0

2,15

3

-0,5

1,65

4

1

1,65

5

1

-2,5

6

0

-2,5

7

-0,5

-3

8

1

-3

9

8

12


Рисунок 14 - Седьмой переход

Таблица 15 - Координаты опорных точек седьмого перехода

№ опорной точкиКоордината по Z, ммКоордината по X, мм



1

1

2,15

2

0

2,15

3

-0,5

1,65

4

1

1,65

5

8

12


Рисунок 15 - Восьмой переход

Таблица 16 - Координаты опорных точек восьмого перехода

№ опорной точки

Координата по Z, мм

Координата по X, мм

1

1

2,7

2

-4,4

2,7

3

-4,4

4

4

8

12

Рисунок 16- Схема инструментальной наладки

2.6 Составление управляющей программы по обработке участкадетали

Одним из основных требований к инструментальной наладке является обеспечение обработки детали по чертежу или операционному эскизу. Для станка с ЧПУ выполнение этого требования в полном объёме будет в том случае, если к наладке приложена управляющая программа. Управляющая программа представляет собой совокупность команд на языке программирования, соответствующая заданному алгоритму функционирования станка для обработки конкретной заготовки.

Для удобства программирования, точку смены инструмента для всех переходов операции, выполняемых с револьверного суппорта, целесообразно принять одну и ту же. По условиям безопасной работы, для поперечного перемещения её следует расположить на оси шпинделя, а для продольного, так что бы минимальное расстояние между инструментом и заготовкой составляло 100... 150 мм. В соответствии с заданием управляющая программа составлена на шестой переход. Эскиз обработки детали представлен на рисунке 12, а сама управляющая программа в таблице 17.

Координаты опорных точек

Программа

Описание команды

№ точ.

X

Z

№ кадра

Код



1

G90

Задаем абсолютную систему координат


2

Т1

Вызвать на рабочую позицию инструмент, закреплённый в гнезде 2

И.Т

6

4

3

X 600

Переместить инструмент в исходную точку перехода на быстром ходу.




4

Z 400



5

М4

Задать левое вращение шпинделя.


6

S 700

Установить частоту вращение шпинделя 700 об/мин.


7

F 2

Установить рабочую подачу 0,02 мм/об


8

М00

Включить охлаждение

1

2,97

1

9

Х297

Переместить инструмент в точку 1 на быстром ходу.




10

Z 100


2

2,97

-6

11

X 297

Переместить инструмент в точку 2 по оси X на рабочей подаче.




12

Z -600


3

5,5

-6

13

Z-600

Переместить инструмент в точку 3 на быстром ходу.

И.Т

6

4

19

X 600

Переместить инструмент в исходную точку перехода на быстром ходу.




20

Z 400










3. ОРГАНИЗАЦИОННАЯ ЧАСТЬ

3.1 Организация обслуживания станков с ЧПУ

Работы по техническому обслуживанию и ремонту выполняются бригадами, такая организация труда способствует достижению высоких результатов, сокращению потерь и непроизводительных затрат рабочего времени, повышению производительности труда и т.п.

Основой для определения численного состава работников по обслуживанию оборудования, является плановый объем работ по трудоемкости, приходящийся на данную группу станков с ЧПУ, закрепленной за ними.

Профессиональный и квалифицированный состав работников определяется на основе трудоемкости обслуживания систем программного управления.

Рациональная организация труда предусматривает использование агрегатного метода, при котором электротехнические и электронные части заменяются новыми или заранее отремонтированными, что значительно сокращает время восстановления работоспособности обслуживаемого оборудования после отказа. По мере накопления опыта по обслуживанию и ремонту, предусматривается разработка и подготовка инструкции, по устранению наиболее существенных неисправностей и отказов с указанием причин возникновения и способов устранения.

Основным условием, обеспечивающим качественное выполнение работ, является рациональная организация рабочего места, которая предусматривает наличие технических паспортов, электрических схем, обслуживаемого оборудования и соответствующими техническими условиями.

Приводятся так же требования по освещенности и санитарно- гигиеническим требованиям.

По сравнению с обычными универсальными станками, станки с ЧПУ для обеспечения безотказной и точной работы требуют более тщательного за собойухода и строгого соблюдения правил по уходу и эксплуатации, предусмотренных в прилагаемом к станкам "Руководстве по обслуживанию". Достаточно надежный по конструкции станок с ЧПУ из-за относительно высокой сложности будет иметь большое число отказов в работе, если при его монтаже, обслуживании и особенно при ремонте допускают отклонения от установленных технических требований. Безотказную работу станка с ЧПУ обеспечивают поддержанием чистоты всех узлов, панелей и механизмов устройства ЧПУ и станка, строгим соблюдением сроков профилактических проверок, осмотров, регулировок, очисток и ремонтов, предусмотренных в "Руководстве по обслуживанию", а также предохранением механизмов и устройств от перегрузки. Регулировку подверженных износу механизмов производят при плановых осмотрах, но не реже одного раза в шесть месяцев. Для проверки работоспособности системы на холостом ходу в автоматическом режиме, в руководстве к станку прилагают специальную тест- программу.

При организации обслуживания и ремонта станков с ЧПУ возникают трудности, вызванные недостатком специалистов, знакомых со сложными электронными схемами и точной механикой, а также необходимостью при возникновении отказов в работе вызывать для ремонта специалистов различных служб завода: электронщиков из бюро обслуживания станков с ЧПУ электриков из службы главного энергетика и механиков из службы главного механика. В результате поиск неисправности может занять несколько часов, а иногда и дней, хотя на ее устранение требуются считанные минуты.

На заводах, где только начинают внедрять оборудование с ЧПУ, и число таких станков не превышает 30-50 единиц, рекомендуется создавать при отделе главного энергетика (или главного механика, а на отдельных заводах это делают при службе главного технолога) лаборатории, группы или бюро обслуживания программных станков. Создание такого специализированного подразделения позволяет сконцентрировать специалистов для ускорения внедрения и улучшения эксплуатации станков. Специалисты, осуществляющие уход и ремонт системы ЧПУ, должны пройти курс обучения и быть аттестованы на специальных курсах при заводах-изготовителях системы или станков с ЧПУ.

В задачу такого подразделения входит обеспечение, внедрения и рационального использования оборудования с программным управлением. Внедрение в производство и отладка вновь поступающих станков (оборудования) с ЧПУ, обучение станочников-операторов и наладчиков станков с ЧПУ правилам работы, наладки и ухода, техническое обслуживание и участие в ремонте станков, ремонт устройств ЧПУ, а также контроль над их эксплуатацией.

Рекомендуется ремонт и обслуживание собственно станка производить силами ремонтных служб главного механика и энергетика. Ремонт узлов системы ЧПУ (самого устройства, датчика обратной связи и связанных с ним элементов) производят специалисты службы обслуживания. По мере накопления опыта обслуживания и увеличения на заводе числа станков с ЧПУ все функции ремонта передают ремонтным службам цеха или завода.

При увеличении числа станков с ЧПУ на заводе целесообразно применение технических автоматизированных средств объективного контроля и учета их использования. Для этой цели могут быть применены установки УПИ-1 при числе станков с ЧПУ до 40 шт. и УПИ-100 при числе оборудования до 100 шт. Эти установки автоматически регистрируют машинное время работы станка и время простоев с указанием причин простоев ( до девяти) и автоматически сигнализируют о них на диспетчерское табло планово-распределительного бюро (ПРБ) цеха или планово-диспетчерского отдела (ПДО) завода для своевременного принятия мер.

3.2 Мероприятия по ТБ и охране труда при обслуживании и ремонте


В промышленную безопасность входят мероприятия по созданию наиболее благоприятных условий для сохранения здоровья работников, исключения несчастных случаев и травматизма.

Перед тем как приступить к какой-либо работе по обслуживанию электрического и электромеханического оборудования, проверяют состояние защитного заземления. В том случае, когда работу разрешено выполнять лишь при снятом напряжении, в отсутствии напряжения на электроприводе убеждаются при помощи указателя напряжения. Указатель напряжения в свою очередь перед употреблением проверяют на исправность действия.

При осмотрах элементов работающего электрооборудования не следует приближаться к токоведущим частям электроустановки. Важно также проявлять осторожность при очистке элементов электропривода, поскольку такие работы, выполняемые без снятия напряжения, создают опасность для исполнения.

Опасность, вызванная нарушением правил техники безопасности, при обслуживании электрооборудования возрастает в цехах, которые относятся к категории помещений с "повышенной опасностью" и "особо опасным".

Без снятия напряжения с электроустановки, но с соблюдением мер необходимой осторожности можно при эксплуатации выполнять такие работы, как чистку и обтирку корпусов электрооборудования, доливку масла в подшипники электродвигателей, замену трубчатых или пробочных предохранителей.

Если требуется произвести какие-либо ремонтные работы в электродвигателях или аппаратах управления, а также заменить плавкие вставки открытого типа, такие работы разрешается выполнять одному лицу после предварительного отключения этого электродвигателя или аппарата от источников питания. Отключение производится не менее чем в двух местах (например, на щите и непосредственно на месте работы) рубильником, со снятием предохранителей. Во избежание ошибочной подачи напряжения к месту работ персонал, произведший отключение, должен вывесить предупредительные плакаты "Не включать работают люди". Плакаты вывешиваются на рукоятках отключающих аппаратов, при помощи которых может быть подано напряжение. По окончании работ плакаты снимают.

Ремонтные работы должны производиться не менее чем двумя лицами. Ручное управление пусковыми устройствами, имеющими открытые токоведущие части, является операцией, могущей при несоблюдении правил техники безопасности представлять опасность для обслуживающего персонала. Поэтому указанную операцию необходимо выполнять в диэлектрических перчатках. В сырых местах перед пусковыми устройствами кладут изолирующие подкладки.

В процессе эксплуатации может возникнуть необходимость в том, чтобы открыть ящик пускового устройства, находящийся под напряжением.

Открывать ящик разрешается лицу, имеющему необходимую для таких работ квалификацию. Если выявится надобность в выполнении каких-либо работ внутри ящика, предварительно с ремонтируемого устройства снимают напряжение.

При вращении электродвигателей производить какие-либо работы в его цепях опасно. Если возникает необходимость произвести работы в цепи реостата ротора во время вращения электродвигателя, то это разрешается только при поднятых щетках или полностью выведенном реостате. Эту работу выполняют в диэлектрических перчатках или инструментом с изолированными рукоятками, стоя на резиновом коврике.

Если электродвигатель длительно работает с повышенной вибрацией, что вредно для здоровья обслуживающего персонала, то указанную ненормальность подлежит устранить в возможно короткий срок.

Мероприятия по ТБ:

соблюдайте указания руководства по эксплуатации, регулярность технического обслуживания станков указана в руководстве по эксплуатации в соответствии с количеством отработанных часов, пользователь заботится о том, чтобы регулярность обслуживания была соблюдена, для того чтобы станок оптимально функционировал в течение всего срока эксплуатации;

разрешается проводить только такие работы, которые описаны в руководстве по эксплуатации, для других работ следует обращаться в нашу службу сервиса;

перед началом всех работ по чистке и обслуживанию удостоверьтесь в отключении станка с помощью главного выключателя и заблокируйте его, так вы предупредите случайное включение станка во время проведения обслуживающих работ;

сообщите обслуживающему станок персоналу о проведении работ, а зоны технического обслуживания должны быть доступны;

станок и в особенности подключения и соединения должны быть очищены от грязи до начала работ;

не используйте агрессивные очищающие средства, используйте только ветошь без длинных нитей;

удалите инструмент, и детали до начала работ.

Таким образом, вы предупредите возможность столкновения и травм. Из-за длинных рабочих участков движения вы можете получить травмы при проведении работ.

4. ЭКОНОМИЧЕСКАЯ ЧАСТЬ

В экономической части необходимо определить годовые затраты на проведение ремонта и обслуживание группы станков с ЧПУ системы НЦ-31 в количестве двадцати пяти штук.

Графиком планово-предупредительного ремонта на 2013 год предусмотрено выполнить следующие работы:

1)   капитальных ремонтов - 6;

2)       текущих ремонтов - 9;

)         техническое обслуживание всей группы станков.

4.1 Расчет трудоемкости работ по обслуживанию и ремонту станков с УЧПУ "Электроника НЦ-31" на 2013 год

На основе годового графика ППР определяется плановый объём работ по трудоёмкости на обслуживание и ремонт оборудования.

Произведем расчет трудоемкости на проведение капитальных ремонтов, которых планируется провести 6.

В соответствии с типовыми нормами времени на работы по ремонту станков с ЧПУ определим трудоемкость одного капитального ремонта по таблице 18.

Таблица 18 - Расчет трудоемкости на проведение ремонтов

Наименованиеоперации (карты №9,12)

Разрядработы

Нормавремени, чел/час

 

1

2

3

 

Демонтажпультауправления

4

4,1

 

Демонтажпанели № 1

4

5,5

 

Демонтажпанели №2

4

5,75

 

Демонтажпанели №3

4

7

 

Демонтажэлектропроводов

4

17,2

 




 

Демонтаж электрооборудования

4

26,5

Очистка электрооборудования станка от пыли и грязи

2

10,7

Дефектация электрооборудования станка

4

12,6

Ремонт пульта управления

4

10,9

Ремонт панели №1

4

6,3

Ремонт панели №2

4

9,1

Ремонт панели №3

4

6,8

Ремонт электрооборудования

4

8,35

Монтаж пульта управления

4

8

Монтаж панели №1

4

37,25

Монтаж панели №2

4

37,7

Монтаж панели №3

4

39,75

Монтаж электропроводов

4

33,5

Монтаж электрооборудования

4

46,9

Регулирование электрооборудования

5

17,1

Всего на ремонт электрической части станка


351

Демонтаж системы

4

0,20

Замена контроллера привода

4

0,25

Диагностика узлов системы для выявления неисправностей

5

5,95

Замена контроллера электроавтоматики

4

0,25

Замена процессора

4

0,20

Замена адаптера

4

0,20

Замена пульта оператора

4

0,25

Замена ОЗУ

4

0,20

Монтаж системы

4

0,40

Итого на ремонт электронной системы


8,9

Всего на ремонт


359,9


Трудоёмкость на проведение текущих ремонтов составит:

(1)

(2)

Общая трудоемкость на проведение ремонтов составит:

(3)

4.2 Расчет потребности в рабочей силе

Техническое обслуживание выполняется по графику ППР в период между ремонтами. Содержание работ и их последовательность представлены в соответствующих картах в зависимости от системы управления и модели управления.

Трудоёмкость на эти работы складывается из времени, затраченного на техническое обслуживание:

а) системы управления карты 22, з, где на 1000 часов оперативного времени работы одного станка трудовые затраты составят 13,4.

Коэффициент увеличения определим по формуле:

(4)

где - Топ год - оперативное время работы в год, ч;

Оперативное время работы в год определяется по формуле:

(5)

где Е3ф - эффективный (действительный) фонд годового времени работы оборудования (определяется в зависимости от количества смен работы и категории ремонтной сложности);

К3 - коэффициент загрузки станка (0,85 );

а - коэффициент дополнительных потерь на переналадку при типе производства: 0,05 ^ 0,08 среднесерийном, мелкосерийном 0,08 ОД;

Побл = 8% - процент времени на обслуживание рабочего места и отдыха.

(6)

Таким образом, с учетом коэффициента увеличения годовая трудоёмкость будет равна:

(7)

б) Электротехнической части карты 14, в, где на 1000 часов оперативного времени работы одного станка норма времени определена 83,91 чел/час.

Годовая трудоемкость будет равна:

(8)

Годовая трудоемкость на техническое обслуживание всей группы станков составит:

(9)

Плановая трудоёмкость на все виды ремонтных работ с учётом возможных

отказов и возникающие необходимости производить из-за этого внеплановые работы составит:

(10)

где - трудоёмкость на проведение капитальных ремонтов, чел/час;

 - трудоёмкость на проведение текущих ремонтов чел/час;

- годовая трудоемкость на техническое обслуживание всей группы станков, чел/час.

(11)

Основой для определения численности обслуживающего персонала является плановый объем работ по трудоёмкости и эффективный фонд рабочего времени на плановый период 2013 год.

Таблица 19 - Баланс рабочего времени рабочего на 2013 год


Расчет численности рабочих для производства плановых ремонтных работ определяется по формуле:

(12)

 

где Тпп - трудоемкость годовых регламентных работ, вчел/час;

Квн - коэффициент выполнения норм (1,1-1,5).

(13)

Численность наладчиков примем 5.

4.3 Определение фонда заработной платы

Плановый годовой фонд заработной платы в рублях персонала обслуживающего оборудования определим, исходя из предстоящего объема работы средней часовой тарифной ставки и соответствующих доплат по формуле:

(14)

где ЗПтариф - сумма заработка за работу по содержанию и ремонту оборудования без доплат в рублях;

 - коэффициент доплат к тарифу.

Коэффициент доплат к тарифу определяется по формуле:

(15)

где Кпр - коэффициент, зависящий от размера премии (до 40% от тарифа)

Крайон.коэф. - коэффициент учитывающий поясную надбавку 15%;

 - коэффициент потерь рабочего времени в год, определяемый по балансу (за исключением невыходов по болезни)

Примем коэффициенты Кпр = 1,4, и Кр = 1,15,

(16)

(17)

(18)

Для определения тарифной заработной платы определим средний тарифный коэффициент по ремонту и обслуживанию оборудования с ЧПУ по формуле:

(19)

 

где - трудоемкость работ по соответствующим картам на техническое обслуживание и ремонтные мероприятия системы управления и электротехнической части выбранного станка (таблица 3);

 - суммарная трудоемкость регламентных работ по графику ППР, час;

 - тарифные коэффициенты соответствующих разрядов.

Расчеты выполним по таблице 20.

Таблица 20 - Тарифные коэффициенты по обслуживанию и ремонту оборудования с ЧПУ

Разрядыработ


1

2

3

4

5

6

Тарифныйкоэффициент








Кт



1,5

1,8

2,0

2,2

2,5

Трудоёмкость выполнения ремонтных мероприятий и техобслуживание системы управления и электротехнической части

Карта 9


10,7


323,2

17,10



Карта 12




2,95

5,95



Карта 22, з


4,59


25,3




Карта 14, в



3,05

3,53

23,51


Всего (Чел/час)



15,29

3,05

354,98

46,56



Средний тарифный коэффициент на ремонт и техобслуживание оборудования (Ктср) определяется по формуле:

(20)

 

где - трудоемкость работ по соответствующим картам на техническое обслуживание и ремонтные мероприятия системы управления и электротехнической части выбранного станка (таблица 20), ч;

 - суммарная трудоемкость регламентных работ по графику ППР, час;

 - тарифные коэффициенты соответствующих разрядов.

(21)

Определяем средний разряд по формуле:

 

(23)

Зная часовую тарифную ставку первого разряда, действующую на предприятии в данный период Ктср, можно определить годовую заработную плату ЗПгод в руб. по формуле:

(24)

(25)

(26)

 


4.4 Определение расхода материалов

Подготовка ремонтных работ и устранение возникающих отказов в процессе работы оборудования предусматривают своевременное получение материалов, запчастей и покупных комплектующих изделий. Их потребность определяется на основе изучения фактического расхода за прошлый период, состояния оборудования и его предстоящей загрузки.

Основанием для заявок необходимых запчастей должны служить ведомости дефектов, составляемые в процессе выполнения ТО и ремонтов и статистические данные, взятые из журналов эксплуатации.

На предприятии эти затраты составляют 35% от годового фонда заработной платы, включая затраты на доставку и хранение.

(27)

(28)

4.5 Технико-экономические показатели по обслуживанию и ремонту


Смету затрат на содержание и обслуживание оборудования представим в таблице 21.

Таблица 21 - Смета затрат на содержание и обслуживание оборудования

Статья

Наименованиестатейзатрат

Сумма в рублях

1

Материалы, комплектующиеизделия, запчасти

2

Основная зарплата на наладку и ремонт

3

Дополнительнаязаработнаяплата

4

Отчисления в пенсионный фонд, соц. страхование

5

Общепроизводственные расходы (350% от основной заработной платы)


Итого:

5637110,59



Пояснения к заполнению таблицы 21:

Основную заработную плату на наладку и ремонт ЗПосн определим

по формуле:

(29)

где - средняя часовая ставка

 - коэффициент доплат по тарифу, определяется по формуле:

(30)

(31)


Дополнительная заработная плата ЗПдоп определяется по формуле:

(33)

(34)

Отчисления в пенсионный фонд, социальное страхование и др. определяются поформуле:

(35)

(36)

Общепроизводственные расходы принимаем в размере 350% от основной зарплаты:

(37)

(38)

Средняя заработная плата на человека ЗПср определяется по формуле:

(39)

40)

Себестоимость единицы оборудования Себобщ определяется по формуле:

(41)

где  - сумма затрат на содержание и обслуживание оборудования (таб.21);

КС - количество станков.

(42)

Таблица 22 - Технико-экономические показатели

Показатели

Единица измерения

Количество

Объём работ по наладке и ремонту группы оборудования

Чел./час


Руб.

5637110,59

Количество работающих

Чел.

5

Общий фонд заработной платы

Руб.

Средняя заработная плата

Руб.

Себестоимость единицы оборудования

Руб.

Средний разрядработ


4,03



ЗАКЛЮЧЕНИЕ

В дипломном проекте был рассмотрен станок 16К20Ф1 с числовым программным управлением "Электроника НЦ-31", а так же разработан технологический процесс для изготовления Правой втулки. Данная система позволяет довольно просто осуществить обработку заготовки, сокращая время на изготовление детали, при этом обеспечивая высокую точность.

Устройство числового программного управления "Электроника НЦ-31" довольно проста в эксплуатации, имеет несколько режимов работы, такие как режим работы от маховика, режим работы от клавиш ручного управления, автоматический режим. Так же в проекте рассмотрен контроллер привода. Далее рассматривалась принципиальная схема. Элементная база в основном состоит из интегральных микросхем серий К155. Затем был разработан технологический процесс механической обработки правой втулки. Для этого понадобилось выбрать необходимые режущие инструменты, составить план обработки, координатные чертежи на каждый переход, выбрать вспомогательные инструменты, и составить карту наладки станка. В результате получилось семь операций, на которые приходится восемь переходов. Так же рассмотрена техника безопасности при работе на станке с ЧПУ и мероприятия по охране труда. Далее разобрана экономическая часть дипломного проекта. Парк состоит из двадцати пяти станков, в плане на две тысячи десятый тринадцатый год провести шесть капитальных и девять текущих ремонтов. В результате получилось что затраты на содержание и обслуживание станков составляет пять миллионов шестьсот тридцать семь тысяч сто десять рублей пятьдесят девять копеек, количество рабочих для обслуживания станков достаточно пять человек, а средняя заработная плата составила семнадцать тысяч сто два рубля три копейки.

ЛИТЕРАТУРА


ГОСТ 2.701-84* Схемы. Виды и типы. Общие требования к выполнению.

ГОСТ 2.710-81* Обозначения буквенно-цифровые в электрических схемах.

ГОСТ 2.730-73* Обозначения условные графические в схемах. Приборы полупроводниковые.

ГОСТ 2.105-95 Общие требования к текстовым документам.

ГОСТ 2.106-96 Текстовые документы.

ГОСТ 2 702-75* Правила выполнения электрических схем.

ГОСТ 2 721-74* Обозначения условные графические в схемах. Обозначения общего применения.

ГОСТ 2.759-82* Обозначения условные графические в схемах. Элементы аналоговой техники.

1.      Голомедов А. В. Справочник по полупроводниковым приборам: выпрямительным диодам, стабилитронам и тиристорам, - М.: Радио и связь 1988 - 528 с.

2.       Единая система ППР ... - М.: ЭНИМС. издание шестое Машиностроение, 1967г.

.         Интегральные микросхемы: Справочник / Б. В. Тарабрин, Л. Ф. Лунин, Ю. Н. Смирнов и др.; Под ред. Б.В.Тарабрина. - М.: Радио и связь, 1983. - 528 с., ил.

.         Л. П. Екимова, Белим В. Ф. Нормоконтроль при дипломном проектировании, методическая разработка - Омск, Омавиат, 2007 - 27 с.

.         Локтева С. Е. Станки с программным управлением и промышленные роботы - М.: 1986-320 с.

.         М. М. Лисина Справочник по резисторам, - М.: Радио и связь,1991г.

.         Марголит Р.В. Эксплуатация и наладка станков с программным управлением и промышленных роботов-М.: Машиностроение, 1991г.

.         Методическое пособие для проведения практикума по проектированию технологических процессов и выполнения дипломного проекта под редакцией Быкова Е. Г., Омавиат, 2005 - 47 с.

.         Нефедов А.В. Интегральные микросхемы и их зарубежные аналоги: Справочник. Том 1-12. - M.:КУбК-а.

.         Нефедов Н А. Дипломное проектирование в машиностроительных техникумах - М.: В.Ш., 1986г.

.         Принципиальные схемы и перечни элементов блока УЧПУ НЦ-31 в составе его эксплуатационной документации.

.         Ратмиров В. А. Управление станками гибких производственных систем - М.: 1987-272 с.

.         Рациональная система технического обслуживания и ремонта станков с ЧПУ-М.: ЭНИМС, 1979г.

.         Рекомендации по определению категорий сложности ремонта станков с ЧПУ - М.: ЭНИМС, 1972г.

.         Сотников В.И. Программирование и работа на станках, оснащенных системой ЧПУ 2Р22, учебное пособие - Орел, ОрелГТУ, 2009 - 84 с.

.         Справочник по конденсаторам под общей редакцией И. И. Четверткова и В. Ф. Смирнова. - М.: Радио и связь 1983 - 576 с.

17.     Cыров В.В. Программирование и работа на станках, оснащенных системой ЧПУ "Электроника НЦ-31"

.         Центральное бюро нормативов по труду ГоскомитетаCCCР по труду и соц. вопросам РФ "Типовые нормы времени по техническому обслуживанию с танков с ЧПУ и роботов (манипуляторов)" - М.: Экономика 1990г.

.         Шульгин О. А., Шульгина И. Б., Воробьев А. В. Справочник по полупроводниковым приборам, цифровым логическим и аналоговым микросхемам. Copyright (С) 1997, LaserArt. (программное обеспечение).

.         Якубовский С. В. Справочник цифровые и аналоговые интегральные микросхемы, - М.: Радио и связь 1990 -496 с.

Похожие работы на - Станки с числовым программным управлением

 

Не нашли материал для своей работы?
Поможем написать уникальную работу
Без плагиата!
Без нейросетей!