Автоматизированный участок обработки деталей типа “Крышка”
Аннотация
Данный дипломный проект содержит в своем составе 170 листов. Каждый
раздел пояснительной записки иллюстрируется чертежами и таблицами для более
наглядного представления выполненной работы.
Тема проекта - автоматизированный участок обработки деталей типа
"Крышка".
В приведенном дипломном проекте разработан групповой технологический
процесс обработки деталей "Крышка" в сравнении с базовым вариантом,
спроектирован автоматизированный участок групповой обработки данных деталей на
основе станков с ЧПУ, детально разобраны все стадии производства детали в
условиях группового производства.
В конструкторской части дипломного проекта спроектированы специальные
средства технологического оснащения: специальное приспособление для обработки
всей номенклатуры деталей на одной из технологических операций; комбинированный
инструмент, для обработки отверстий в детали; специальный калибр для измерения
расположения отверстий; специальное контрольно - измерительное приспособление
для измерения биения поверхностей детали; спроектировано средство автоматизации
- автоматизированный склад.
В проекте также рассмотрены вопросы контроля качества деталей и
стандартизации; проведены организационно-экономические расчеты
производственного подразделения; рассмотрены вопросы обеспечения безопасности и
экологичности при работе спроектированного участка.
В научно - исследовательской части дипломного проекта проведен анализ
развития форм и методов организации работ улучшению качества, выявление
возможности приложения к работам по качеству принципов общей теории управления.
Содержание
Введение
. Техническое задание
.1 Характеристика объекта проектирования
.2 Объем выпуска и тип производства
.3 Режим работы участка и фонды времени
планируемого подразделения
. Технологическая часть
.1 Основное направление проектирования
технологических процессов изготовления группы деталей
.2 Служебное назначение детали
.3 Анализ технологичности конструкции
детали
.4 Нормоконтроль и метрологическая
экспертиза чертежа
.5 Анализ действующего технологического
процесса
.6 Анализ задач, решаемых с
использованием ЭВМ
.7 Выбор вида заготовки
.8 Разработка маршрутного
технологического процесса изготовления детали
.9 Разработка операционного
технологического процесса
.9.1 Назначение оборудования
.9.2 Технологические эскизы обработки и
схемы установки
.9.3 Расчет операционных и межоперационных
припусков
.9.4 Выбор станочных приспособлений
.9.5 Назначение режущих инструментов
.9.6 Выбор средств измерения
.9.7 Расчет режимов резания
.9.8 Техническое нормирование
.9.9 Разработка управляющей программы на
станок с ЧПУ
.10 Особенности проектирования групповой
технологии
. Технологические расчеты производственного подразделения
.1 Определение количества и типа
основного и вспомогтельного производственного оборудования
.2 Состав и количество работников
поизводственного подразделения
.2.1 Количество основных рабочих
.2.2 Колиство вспомогательных рабочих
.2.3 Численность ИТР,СКП,МОП
3.3 Станкоемкость и трудоемкость
.4 Технологическое проектирование
вспомогательных служб участка
3.4.1 Заготовительное отделение
.4.2 Технологическое оснаение участка
.5 Материалы и грузооборот участка
.6 Складская и транспортная системы
.7 Технологическая подсистема смазочно -
охлаждающих жидкостей
.8 Отделение сбора и переработки стружки
.9 Энергетика участка
.10 Механизация и автоматизация
.11 Планировка участка
. Конструкторская часть
.1 Проектирование станочного
приспособления
.2 Проектирование специального режущего
инструмента
.3 Проектирование
контрольно-измерительных средств
.3.1 Проектирование контрольно-измерительных
припособления
4.3.2 Проектирование
контрольно-измерительного инструмента
. Стандартизация и управление качеством выпускаемых изделий
.1 Отражение требований стандартизации в
проекте
.2 Управление качеством выпускаемых
изделий
6. Анализ видов и
последствий потенциальных несоответствий технологических процессов (FMEA)
6.1 Организационная часть
.1.1 Информационные технлогии в управлении
производством
.2 Экономическая часть
.2.1 Опделение стоимости основных фондов и
амортизационных отчислений
.2.2 Расчёт стоимости основных и
вспомогальных матриалов
.2.3 Расчёт фодов зароботной платы
.2.4 Расчёт и составление сметы расходов
на содержание и эксплуатацию оборудования
.2.5 Цеховые расходы
.2.6 Затраты на подготовку и освоение
производства
.2.7 Затраты на иструмент и оснасту
целевого назначения
.2.8 Калькуляция цеховой себестоимости
детали
.2.9 Определение показателей годовой
эффективности
. Безопасность и экологичность проекта
.1 Опасные и вредные производственные факторы
.2 Мероприятия по охране труда на
проектируемом участке
.3 Санитарно - гигиенические мероприятия
.4 Пожарная безопасность
.5 Охрана окружающей среды
. Научно-исследовательская часть
Заключение
Список литературы
Приложения
деталь крышка стандартизация технологический
Введение
Главной задачей машиностроения в новых экономических условиях является
улучшение качества выпускаемых машин, повышение их технического уровня,
производительности и надёжности работы. Всё это предусматривает дальнейшее
совершенствование методов обработки металлов, внедрение в машиностроительную
практику прогрессивных технологических процессов, высокопроизводительного
оборудования и инструментов. Особенно это относится к изготовлению деталей
сложной формы и в частности, длинномерных деталей, типа ходовых винтов,
ступенчатых валов со шлицами и продольными пазами и т.д. При изготовлении таких
деталей основная трудоёмкость, как правило, приводится на обработку сложных
элементов, к точности, шероховатости и эксплуатационной прочности которых
предъявляются высокие требования. Проблема обработки таких поверхностей
актуальна для многих отраслей машиностроения. Она обусловлена многими
конструктивно-технологическими факторами: низкой жёсткостью обрабатываемых
деталей, режущих инструментов и их державок; сложностью протекания процесса
резания; трудностью контроля профильных поверхностей детали и др.
В данном проекте детали типа тел вращения обрабатываются в условиях ГАУ
на станках с ЧПУ. Использование этих станков позволило получить следующие
преимущества: повышение производительности обработки, сокращение времени
производственного цикла, уменьшение объёмов незавершённого производства.
Применение ГАУ на производстве даст непосредственный экономический
эффект, обусловленный, в первую очередь, высвобождением производственного
персонала и увеличением сменности работы технологического и управляющего
персонала.
Тема данного дипломного проекта касается проблемы обработки детали типа
"тело вращения". В частности разрабатывается технология и
конструируется специальное приспособление для обработки.
1. Техническое задание
.1 Характеристика объекта проектирования
Для разработки оптимального технологического процесса необходимо, чтобы
исходные данные рассматриваемой детали способствовали назначению экономически
целесообразных методов и видов обработки на рационально выбранном
технологическом оборудовании для принятого производства.
Рисунок 1.1. Внешний вид
детали
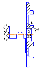
Служебное назначение детали.
Деталь "Крышка" предназначена для герметичного закрытия
агрегата.
Ø52 плотно закрывает цилиндр агрегата. По
4 отверстиям Ø6 происходит крепление крышки к цилиндру. Ø14
служит для выхода
поршня.
.2 Объём выпуска и тип производства
Как видно из задания, годовой объем выпуска одной
детали равен Nизд = 4500 штук, а=1. Количество
деталей в группе N=19штук.
Годовой объем выпуска детали Q определим по формуле:
где Qi -
годовой объем выпуска изделия А
а - число деталей в изделии =1.
б - процент запасных частей, принимаем 2%
в - процент технологический потерь, принимаем 1%.
Исходя из годовой программы выпуска деталей и примерной массы каждой
детали m =340гр = 0,34 кг предварительно
приним средне-серийный тип производства [15,табл.56].
Таблица 1.2 - Программа выпуска деталей в укрупненном
виде
Основным признаком средне-серийного производства является групповая форма
организации производства, при которой запуск деталей производится партиями с
определенной периодичностью, технологический процесс следует строить на
принципах группового метода обработки детали, дающего возможность сокращать
время на подготовку производства, эффективно применять используемое
оборудование и резко повышать производительность труда.
При данном типе производства техпроцесс изготовления детали
преимущественно дифференцирован (то есть отдельные технологические операции
выполняются на отдельных станках); оправдано применение станков - автоматов и
полуавтоматов, обеспечивающих максимальную производительность.
Универсальное станочное оборудование должно быть оборудовано специальными
наладками для существенного сокращения основного и вспомогательного машинного
времени. Режущий, вспомогательный и мерительный инструмент может быть как
стандартным, так и специальным и комбинированным - позволяющим совмещать
обработку нескольких поверхностей.
При средне-серийном типе производства экономически оправдано получение
заготовок по форме приближенным к форме готовых деталей (различные виды литья,
поковки, штамповки и т.д.), так как затраты на дополнительную оснастку для
изготовления заготовок могут окупиться стоимостью сэкономленного металла,
уменьшением затрат на производство детали (снижение трудоемкости механической
обработки, уменьшение износа оборудования).
.3 Режим работы участка и фонды времени планируемого подразделения
Для проектируемого гибкого автоматизированного участка
принимаем 3-х сменный режим работы в полуавтоматическом цикле т.к.
предусматриваем определенное количество операторов, контрольный персонал и
различные вспомогательные подразделения, с периодическим пересмотром и
переналадкой оборудования участка. Т.о для определения фонда времени работы
оборудования и рабочих принимаем следующие данные:
- полное календарное количество дней в году - 365.
- Количество дней отдыха - 117
Количество рабочих дней в году 249день.
Продолжительность рабочей недели - 40час.
Продолжительность смены - 8час.
Тогда номинальный годовой фонд времени работы будет равен:
Фн рм= 8ч*249день =1992 час.
На основании принятого для рабочих при трехсменном режиме работы,
номинальный фонд времени работы оборудования будет равен:
Фн об = 1992*3=5976 часов.
Действительный годовой фонд времени работы оборудования и рабочих мест
проектируемого участка с учетом потерь, где потери для оборудования и рабочих
мест принимаем 10%.
Фэф об = 5976-(5976*10%) = 5378,4час
Фэф раб = 1992-(1992*10%)=1792,8 час.
Принимаем Фэф об = 5379 час
Принимаем Фэф раб = 1793 час
Расчетные данные по участку сведем в таблицу 1.3.
Так как по расчетам на участке тип производства серийный, то при таком
производстве изготавливают серию изделий регулярно повторяющихся через
определенные промежутки времени. Признаком серийного производства является
групповая форма организации производства, при которой запуск деталей
производится партиями с определенной периодичностью
Таблица 1.3 Режим работы и фонд времени работы участка.
Количество деталей в партии для одновременного запуска
определим по формуле:
где N -
годовая программа выпуска детали А.
N= 4635 шт.
F - число месяцев, F = 12
а - число запусков в месяц, а = 1.
принимаем n = 387шт.
2. Технологическая часть
.1 Основные направления проектирования технологических процессов
изготовления группы деталей
На базовом предприятии, где изготавливаются данные детали группы, для
изготовления данных деталей применяют универсальное оборудование.
В качестве исходной заготовки применяют калиброванный пруток.
Разработка технологических процессов осуществляется по методике
единичного технологического процесса.
На заводе встали задачи оптимизации подготовки производства и перевод, и
составление технологических процессов не вручную, с выбором базовых и схожих с
аналогом элементов, а с привлечением электронной техники с единой базой данных,
для типизации процессов и переходом на групповые технологические процессы.
В связи с потребностями рынка сбыта заданной продукции, в которую входят
данные детали группы, надо стремится к более конкурентной способности продукции
с минимальной ее себестоимостью.
Одна из возможностей снижения себестоимости - это дешевизна заготовки и
повышение производительности труда. Что требует внедрения
высокопроизводительных методов производства, быстрой и эффективной переналадки
оборудования на изменяющихся сменных заданиях.
По заданию на дипломное проектирование надо спроектировать гибкий
автоматизированный участок.
В условиях гибкого автоматизированного участка основной особенностью
проектирования технологических процессов является в проектировании групповой
технологии. Основные особенности групповой обработки связаны с формированием
групп деталей с участием различных организационно-технических факторов.
Наибольшее распространение получил метод группирования по типу оборудования
применяемого для обработки, единства технологического и общности настройки
станка с использованием комплексной детали.
При разработке группового технологического процесса для механической
обработки деталей типа "Крышка" будем исходить из:
последовательность технологических операций и переходов должны обеспечить
полную обработку любой детали данной группы в соответствии с чертежом и
технологическими требованиями;
технологическая оснастка группового процесса должна обеспечивать
возможность изготовления любой детали данной группы;
применяемое оборудование и технологическое оснащение должно обеспечивать
высокопроизводительную обработку деталей группы;
Ко всем поверхностям детали обеспечивается свободный доступ инструмента.
Имеется возможность применения высокопроизводительных методов обработки детали,
что снижает трудоемкость детали.
При изготовлении деталей предъявляются высокие требования к шероховатости
некоторых поверхностей, их точности обработки.
На проектируемом участке по возможности до минимума снижен процент
использования ручного труда. Применение станков с ЧПУ и быстродействующей
оснастки помогает снизить вспомогательное время на подготовку детали к
обработке. На участке используется многостаночное обслуживание, что позволяет
уменьшить количество основных производственных рабочих.
Изучив по заданным эскизам детали данной группы, их конструктивные и технологические
особенности приходим к следующим выводам:
Данные детали группы относятся к телам вращения (втулки, крышки,
крышкаки) с различными конфигурациями и типами поверхностей.
Габариты деталей группы имеют небольшой разброс: диаметры от 120…150, длины
в пределах 60…80мм, то есть, возможна их обработка на станках с определенным
диапазоном габаритов и межцентрового расстояния.
Проведем анализ деталей группы - составим таблицу 2.1 элементарных
обрабатываемых поверхностей деталей.
Таблица 2.1- Классификация обрабатываемых поверхностей деталей.
Проанализировав результаты таблицы 2.1, выбираем наиболее сложную деталь
- А с наибольшим числом разнообразных обрабатываемых поверхностей в качестве
детали, по которой будет разрабатываться техпроцесс.
В дальнейшем при разработке групповой технологии для проектируемого
участка эту деталь возьмем за базовую, и для нее будем разрабатывать
мерительную и технологическую оснастку и групповой техпроцесс. Для остальных
деталей группы составим матрицу группового технологического процесса.
.2 Служебное назначение детали
Деталь "Крышка" предназначена для герметичного закрытия
агрегата.
Ø52 плотно закрывает цилиндр агрегата. По
4 отверстиям Ø6 происходит крепление крышки к цилиндру. Ø14
служит для выхода
поршня.
Т.к. данная деталь - крышка, работает на срез, то и материалу
применяемому при ее изготовлении предъявляются следующие требования: прочность,
жесткость, износоустойчивость, твердость.
Данная деталь - "Крышка" изготавливается из нержавеющей стали
12Х18Н10Т по ТУ14-1-377-72.
Из данного материала изготавливаются детали, работающие до 600 °С.
Сварные аппараты и сосуды, работающие в разбавленных растворах азотной,
уксусной, фосфорной кислот, растворах щелочей и солей и другие детали, работающие
под давлением при температуре от -196 до +600 °С, а при наличии агрессивных
сред до +350 °С.; сталь аустенитного класса
Таблица 2.2. Химический состав стали
2.3 Анализ технологичности конструкции детали
Целью данного анализа является выявление недостатков конструкции, а также
возможностей улучшения технологичности в условиях производства.
Под технологичностью изделия понимают свойства изделия заключенные в них
при конструировании и позволяющие в полной мере использовать все возможности и
особенности экономического производственного процесса, обеспечивающего их
требуемое количество при надлежащем объеме выпуска и типу производства. Для анализа чертежа детали на соответствие с требованиями
стандартов на чертеж в машиностроении, пронумеруем все обрабатываемые
поверхности.
Рисунок 2.1 Поверхности детали
Пронумеровав поверхности детали, определим их вид и составим таблицу 2.3
Таблица 2.3 Виды поверхностей детали
Технологичность детали.
Т.к. тип производства - среднесерийный, то для него
характерна более универсальная, быстропереналаживаемая технологическая
оснастка, и универсальное оборудование с ЧПУ.
В целом считаем деталь технологичной, но имеющей
несколько признаков нетехнологичности:
¾ Имеет сложную геометрическую форму, для выполнения которой
необходимы специальные приспособления, для закрепления детали, и инструмент для
изготовления.
¾ внутренняя поверхность
Ø14М7(-0,018) с
шероховатостью Ra=0,4
(имеет повышенные требования к поверхности и допуску );
¾ наружная поверхность Ø52h4
с шероховатостью Ra=0.4
(имеет повышенные требования к поверхности и допуску).
¾ Для выполнения торцовой канавки необходим специальный
инструмент.
2.4 Нормоконтроль и метрологическая экспертиза чертежа
Согласно рекомендации государственной системы обеспечения средств
измерений (ГСИ) нормоконтроль может быть совмещен с метрологической экспертизой
чертежа детали, используя рекомендации и пункты последовательности экспертизы в
литературе [2], и требований, изложенных в ГОСТ 2.111-68 ЕСКД. Ведём проверку
правильности указания норм точности размеров, формы и расположения
поверхностей, а также указанной шероховатости от точности поверхностей.
Цель метрологической экспертизы и нормоконтроля - соблюдение требований
ЕСКД с учётом принятых изменений, соблюдение рядов предпочтительности для
линейных и угловых размеров, полей допусков и группировка размеров с точки
зрения удобства чтения чертежа и обработки детали. Деталь должна быть
контролепригодна, то есть все заданные нормы точности обеспечены средствами
измерений, а поверхности доступны для подвода к ним измерительных средств.
Метрологическая экспертиза чертежа детали.
Метрологическая экспертиза технической документации - это анализ и оценка
технических решений в части метрологического обеспечения (технических решений
по выбору измеряемых параметров, установлению требований к точности измерений,
выбору методов и средств измерений, их метрологическому обслуживанию).
Исходные данные: чертёж детали "Крышка", тип производства -
среднесерийный. Чертёж имеет ряд нарушений действующих стандартов, поэтому
выполнен нормоконтроль и метрологический контроль.
В соответствии с требованиями ЕСКД базовый чертеж имеет несколько
недостатков:
параметры шероховатости проставлены старыми обозначениями, необходимо
перевести в параметры Ra;
в технических требованиях на поле чертежа пункт "Неуказанные размеры
и допуски на свободные размеры по 722АТ" заменить на "Общие допуски
по ГОСТ 30893.2-mK"
точность поверхностей указана устаревшими знаками, необходимо привести к
современному виду;
Таблица 2.4 Перевод классов точности в квалитеты
На чертеже принят числовой, а иногда встречается смешанный способ
простановки предельных отклонений, что не соответствует заданному типу
производства. Для серийного производства нужно использовать символьный способ
простановки. Но поскольку смешанный способ более наглядный и он упрощает
контроль детали, то принимаем смешанный способ простановки предельных
отклонений.
Допуски на размеры в чертеже соответствуют ГОСТ 30893.2-2002.
Анализ правильности задания норм точности
На чертеже поля допусков на наружные диаметральные размеры заданы в
системе вала, на отверстия заданы по системе отверстия. На чертеже принят
смешанный способ обозначения полей допусков, что упрощает их контроль.
Необходимо заменить на чертеже простановку шероховатости в соответствии с
требованиями ГОСТ 2.309. Перед числовым значением проставить обозначение
параметра Ra.
Параметры шероховатости также соответствуют допускаемым отклонениям. Не
соответствует лишь параметр шероховатости на размер 40, 39, и 6, 7.
Определим задание шероховатости поверхности №40 и 39 6d11
в зависимости от допуска на размер и
относительной геометрической точности.
По таблице П4 [3,c.16]; определили, что относительная геометрическая точность
поверхности нормальная. Следовательно, отклонение формы допускается в пределах
поля допуска размера:
¾ Цилиндрические 30%Т
¾ Плоскости 60%Т.
Определим параметр шероховатости, мкм, в зависимости
от допуска и относительной геометрической точности. [3, c.17, табл. П6].
Ra £ 0,05T
где Т - допуск размера
Ra £ 0,05 · 75 = 3,75мкм.
Примем по предпочтительному ряду Ra =3,2 мкм.
Определим задание шероховатости поверхности №6 и7 Ø6Н7(+0,012) в зависимости
от допуска на размер и относительной геометрической точности.
Ra £ 0,05 · 12 = 0,6мкм.
Примем предпочтительное значение Ra=0,4 мкм.
Для поверхностей 31, 32, 33 34, 35, 36, 37,38 задан параметр
шероховатости Ra = 1,6мкм, что не соответствует
допускаемым отклонениям на размер. Зададим на эти поверхности шероховатость Ra = 3,2мкм.
Контролепригодность конструкции изделия - это составная часть
технологичности его конструкции. Контролепригодность определяет техническую
возможность измерительного контроля необходимых параметров в процессе
изготовления, монтажа, наладки, испытаний, эксплуатации и ремонта изделий,
оценивается трудоёмкость контрольных операций и затраты на них.
Результаты метрологического контроля чертежа детали cведём в таблицу 6.
Таблица 2.5 Характеристика поверхностей
|
№ пов-ти
|
Данные чертежа
|
Универсальные средства
измерения
|
|
Размер
|
IT
|
Ra
|
Тф
|
Тр
|
|
|
1
|
2
|
3
|
4
|
5
|
6
|
7
|
|
1, 9
|
66-0,12
|
h10
|
3,2
|
-
|
-
|
Штангенциркуль ШЦЦI-160-0,01
ГОСТ166-89 Образцы шероховатости ГОСТ9378-93
|
|
2, 4, 10, 11
|
М4-5Н6Н
|
|
3,2
|
|
|
Калибр-пробка резьбовая
8221-3023 5Н6Н ГОСТ 17758-72
|
|
3, 5, 8, 12
|
Ø6+0,12
|
Н12
|
3,2
|
|
|
Калибр-пробка 8133-0633 Н12
ГОСТ14810-69
|
|
6, 7
|
Ø6+0,012
|
Н7
|
0,4
|
-
|
-
|
Калибр-пробка 8133-0633 Н7
ГОСТ14810-69
|
|
13, 14
|
12+0,18 300±30/
|
Н12
|
3,2
|
-
|
-
|
Спец. калибр.
|
|
15
|
10+0,15 R5
|
Н12
|
3,2
|
-
|
-
|
Спец. калибр.
|
|
16, 30
|
27-0,12
|
h12
|
3,2
|
-
|
-
|
Штангенциркуль ШЦЦI-160-0,01
ГОСТ166-89.
|
|
17
|
Ø52-0,013
|
h5
|
0.8
|
-
|
-
|
Скоба индикаторная СИ-75 ГОСТ11098-75
|
|
18
|
2x450
|
|
3.2
|
-
|
-
|
Фаскомер
|
|
19
|
Ø70-0.19
|
h11
|
3,2
|
-
|
-
|
Штангенциркуль ШЦII-250-0,05
ГОСТ166-89
|
|
20,30
|
19+0.13
|
H11
|
3,2
|
-
|
-
|
Штангенглубиномер ШГ-160
ГОСТ162-90
|
|
21, 43
|
13,4-0,18
|
h12
|
3,2
|
-
|
-
|
Штангенциркуль ШЦII-250-0,05
ГОСТ166-89
|
|
22
|
8+0,15 R4
|
Н12
|
3,2
|
-
|
-
|
Спец. калибр.
|
|
23
|
Ø14
|
M6
|
0,4
|
-
|
0,02
|
Калибр - пробка 8133-0928
М6 ГОСТ 14810-69
|
|
24
|
0,6х450
|
|
3,2
|
-
|
-
|
Фаскомер
|
|
16, 25
|
2+0,1
|
Н12
|
3,2
|
-
|
-
|
Штангенглубиномер ШГ-160
ГОСТ162-90
|
|
26
|
0,6х450
|
|
3,2
|
-
|
-
|
Фаскомер
|
|
16, 27
|
Н12
|
3,2
|
-
|
-
|
Штангенглубиномер ШГ-160
ГОСТ162-90
|
|
16, 28
|
4+0,1
|
Н12
|
3,2
|
-
|
0,02
|
Штангенглубиномер ШГ-160
ГОСТ162-90
|
|
29, 30
|
17,8±0,09
|
js12
|
3,2
|
-
|
-
|
Штангенглубиномер ШГ-160
ГОСТ162-90
|
|
31, 37
|
10+0,15 30+0,21
|
Н12
|
3,2
|
-
|
-
|
Спец. калибр.
|
|
32,33
|
12+0,11
|
Н11
|
3,2
|
-
|
-
|
Штангенциркуль ШЦЦI-160-0,01
ГОСТ166-89.
|
|
36,38
|
12+0,11
|
Н11
|
3,2
|
-
|
-
|
Штангенциркуль ШЦЦI-160-0,01
ГОСТ166-89.
|
|
34,35
|
2,4-0,25
|
h14
|
3,2
|
-
|
-
|
Штангенциркуль ШЦЦI-160-0,01
ГОСТ166-89.
|
.5 Анализ действующего технологического процесса
Предприятие, на котором взяты материалы для дипломного проекта, выпускает
детали мелкими партиями или мелкими сериями. На данном предприятии объемы
выпуска каждой детали выполняются, причем оборудование в основном простаивает
из-за недостатка деталей для выпуска.
Предприятие с достаточной точностью способно выполнять заданную точность
размеров, формы и взаимного расположения поверхностей деталей. Имеется большой
запас оборудования, которое способно выполнять достаточно высокие требования к
размерам поверхностей деталей, качеству поверхностей.
Однако на предприятии, если рассматривать технологический процесс
изготовления крышки имеются недостатки в чередовании последовательности
операций, выполнения этапности при изготовлении продукции, хотя это и не влияет
на окончательные параметры изделий, т.к. конструктора, инженеры и рабочие имеют
достаточный опыт в изготовлении как гражданской так и оборонной продукции.
Однако это не всегда осмысленно, т.к. это приводит к более дорогостоящей механической
обработке.
При изготовлении деталей применяются различные методы обработки, однако
некоторые методы обработки не всегда используются в соответствии с более
экономичным технологическим процессом. Так например, некоторые операции
фрезерования, выполняемые в базовом варианте на разных станках можно выполнять
на одном станке с ЧПУ и без переустановов производить последующее сверление и
зенкерование отверстий. Также операции, снятием фасок и заусенцев в базовом
варианте выполняемые на слесарных операциях, с использованием универсального
оборудования, где точность получения поверхности зависит только от мастерства
самого рабочего, можно вполне выполнить на станке с ЧПУ с использованием
прогрессивного инструмента. Эти, а также некоторые другие моменты будут решены
в разрабатываемом технологическом процессе.
В технологическом процессе изготовления крышки в операционных эскизах не
всегда указываются обрабатываемые размеры, правильно проставляются базы, а
также для станков нет описания технологических переходов обработки
поверхностей, не проставлено время обработки на операциях и режимы резания.
В операционных картах не везде указаны режущие, мерительные, рабочие
инструменты и приспособления. Простановка шероховатостей поверхностей
соответствует старым стандартам, допуски на размеры проставлены с отклонениями
от требований стандартов.
Таблица 2.6 Действующий технологический процесс
|
№ опер
|
Наименование операции
|
базы
|
приспос
|
Мод. станка
|
|
|
|
|
|
|
015
|
Токарно-винторезная
|
Поверхн прутка
|
патрон
|
SV18R
|
|
020
|
Токарно-винторезная
|
Ø80
|
патрон
|
SV18R
|
|
025
|
Токарно-винторезная
|
Ø52,8
|
патрон
|
SV18R
|
|
030
|
Токарная с ЧПУ
|
Ø52,8
|
патрон
|
ТПК-125В
|
|
035
|
Комбинированная с ЧПУ
|
Ø30
|
Приспособление
|
МС12-250
|
|
040
|
Cлесарная
|
|
|
|
|
045
|
Токарная с ЧПУ
|
Ø30
|
патрон
|
ТПК-125В
|
|
050
|
Слесарная
|
|
|
|
|
055
|
Плоскошлифовальная
|
Ø13,94,
Ø5,9
|
Приспособление
|
371М
|
|
060
|
Плоскошлифовальная
|
Ø13,94,
Ø5,9
|
Приспособление
|
371М
|
|
065
|
Слесарная
|
|
|
2А112
|
|
070
|
Фрезерная с ЧПУ
|
Ø52,4
|
Приспособление
|
КФПЭ-250Н
|
|
075
|
Фрезерная с ЧПУ
|
Ø52,4
|
Приспособление
|
КФПЭ-250Н
|
|
080
|
Вертикально - фрезерная
|
Ø52,4
|
Приспособление
|
ОФ-55
|
|
085
|
Вертикально - расточная
|
Ø52,4
|
Приспособление
|
2У-430
|
|
080
|
Слесарная
|
|
|
|
|
095
|
Слесарная
|
|
|
|
|
100
|
Доводочная
|
-
|
|
ГС-12
|
|
105
|
Оптикошлифовальная
|
Ø13,94
|
Приспособление
|
SWPO-80
|
|
110
|
Вертикально-сверлильная
|
|
Приспособление
|
НС-12А
|
|
115
|
Контрольная
|
|
|
|
Заводской техпроцесс содержит много операций с применением ручного труда
и ручной оснастки, например: слесарная, доводочная.
Станки применяются для обработки как чистовых, так и черновых операций,
что при длительном использовании оборудования снижает жесткость системы СПИД, и
станки не дают достаточной точности при чистовых операциях.
Специальных контрольно-измерительных приспособлений не применятся,
контрольный инструмент применяется универсальный.
Метод контроля применяется пассивный, выборочный контроль деталей.
Режущий и вспомогательный инструмент применяется стандартный универсальный, без
различных способов повышения размерной износостойкости. Ручная зачистка
заусенцев, во-первых, очень трудоемка, во-вторых, приводит к снижению качества
обрабатываемых поверхностей из-за царапин, неровностей.
Делая общий вывод о действующем технологическом процессе, хочется
подчеркнуть, что данный технологический процесс не удовлетворяет требованиям,
предъявляемым к современному металлообрабатывающему производству и нуждается в
серьезной реконструкции на основе применения современного автоматизированного
оборудования с ЧПУ и другой вспомогательной оснастки, позволяющей исключить
ручной труд, уменьшить трудоемкость обработки, увеличить точность и качество изготовления
детали.
.6 Анализ задач, решаемых с использованием ЭВМ
На базе предприятия создан отдел автоматизированной системы управления
производством (ОАСУП), интенсивно внедряется электронно-вычислительная техника.
Создана рациональная структура отдела с несколькими подразделениями: приема и
контроля информации, подготовки данных, электронной обработки информации,
регистрации и выдачи документов.
ОАСУП ведет:
1. оперативный учет движения деталей из
цеха в цех, выдает задания цехам, ведет учет деталей, дефицит, отсчет брака;
2. бухгалтерский учет, баланс
предприятия, зарплата, жилищно-коммунальные платежи;
3. учет кадров;
4. метрологическое обслуживание;
5. учет материалов;
6. нормативная база.
На персональных компьютерах производится разработка технологических
процессов, маршрутных и операционных карт, ведомостей оснастки. Пополнение базы
данных: режущего и вспомогательного инструмента, приспособлений, оборудования,
режимов резания. Также производится проектирование эскизов к технологическим
процессам, чертежей инструментов. Разрабатываются информационно-поисковые
системы по выбору режущего и мерительного инструмента.
.7 Выбор вида заготовки
Важнейшей задачей машиностроения является снижение доли механической
обработки в общей трудоемкости изготовления машин на основе повышения точности
заготовки, приближение их форм и размеров к готовым деталям. Возникает
необходимость разработки и внедрения новых материалосберегающих процессов
получения заготовок с достаточно точными размерами и малой шероховатостью поверхности,
требующих незначительной механической обработки или не нуждающихся в ней.
Актуальной проблемой для производства является поиск рационального способа
получения готовой детали в заготовительной фазе.
Вид заготовки определяется назначением и конструкцией детали, материалом
и техническими требованиями на изготовление, объемом выпуска и экономичностью
изготовления.
Выбор вида заготовки зависит от эксплуатационных условий работы детали,
ее размеров и формы.
Наиболее широкое распространение для получения заготовок получили три
способа:
1. Из проката (прутка) .
. Ковка - штамповка.
. Литье
На предприятии - изготовителе деталь изготавливается из калиброванного
проката, при этом большая часть материала уходит в стружку. Рассмотрим способы
получения заготовок позволяющих сократить затраты на материал.
В базовом технологическом процессе в качестве заготовки используется
пруток
мм L=32мм. Такой вид заготовки приводит к снижению коэффициента
использования материала, необоснованно большому расходу материала на стружку.
Второй способ (литьё) по экономическим и технологическим признакам не
подходит. Все виды литья применяются в основном для корпусных деталей и деталей
сложной формы. Этот способ очень энергоёмкий и требует специального
оборудования и помещения. При этом способе заготовка не будет отвечать
физико-механическим и эксплуатационным свойствам, структура металла получается
неоднородной, и в некоторых случаях будут иметь место скрытые и внешние дефекты
(пористость, раковины, трещины), которые обнаруживаются после механической
обработки.
Наиболее подходящий способ - это применение штампованной заготовки на
горизонтально-ковочной машине.
Штамповкой на горизонтально-ковочных машинах получают поковки массой 0,1
- 100 кг с максимальным диаметром Ø315 мм. Штамповка на ГКМ является одним
из производительных способов и может быть рентабельной для определенного вида
заготовок. Производительность до 400 поковок в час.
Припуски на номинальные размеры принимаем ориентировочно по таблице 18
[6, с.140], для определения габаритов и массы заготовки, с учётом различных
потерь (угар, прижоги и т.д.) эскиз заготовки с примерными размерами изобразим
на рисунке 2.2
Сравним экономически два вида заготовки.
Общие исходные данные:
Материал детали: 12Х18Н10Т
Масса детали: q = 0,34 кг.
Годовая программа: N = 4636 шт.
Производство: среднесерийное
Рисунок 2.2 Эскиз заготовки
Масса заготовки из проката:
где:
диаметр прутка: 76мм
длина заготовки: 32мм
удельный вес материала:
Масса штамповки:
Таблица 2.7. Данные для расчётов стоимости заготовки по вариантам
|
Наименование показателей
|
Вариант А
|
Вариант Б
|
|
Вид заготовки
|
Прокат
|
Штамповка
|
|
Масса заготовки Q, кг.
|
1,14
|
0,73
|
|
Стоимость 1 кг заготовок,
принятых за базу Сi , руб.
|
118
|
118
|
|
Стоимость 1 тонны стружки Sотх
, руб.
|
1700
|
1700
|
Стоимость заготовки по варианту А
где: Мз - масса заготовки, кг.
См - цена 1 кг материала заготовки, руб.
Мд - масса готовой детали, кг.
СОТХ - цена 1 тонны отходов, руб.
руб
Стоимость заготовки по варианту Б
руб
Из двух предложенных вариантов вариант Б экономически более
целесообразен, чем вариант А.
Окончательно в качестве нового вида заготовки принимаем штамповку.
2.8 Разработка маршрутного технологического процесса изготовления детали
Определяющим фактором при разработке маршрутного
технологического процесса является тип и организационная форма производства. С
учетом типа детали и вида обрабатываемых поверхностей устанавливаем
рациональную группу станков для обработки основных поверхностей детали.
Любая деталь представляет собой совокупность элементарных поверхностей.
Чтобы составить маршрут обработки детали, необходимо выявить типовые планы
обработки элементарных поверхностей.
Рисунок 2.3. Элементарные поверхности детали
Для каждой элементарной поверхности (ЭП) детали
определяем точность и качество и количество видов обработки и сводим результат
в таблицу 7.
Таблица 2.8. Назначение видов обработки поверхностей детали
|
№ поверх.
|
Вид поверхности
|
Кол-во
|
квалитет
|
Ra
|
Виды обработки
|
|
1, 9
|
ТП 66-0,12
|
1
|
10
|
3,2
|
черновая, получистовая,
чистовая
|
|
2, 4, 10, 11
|
ВРП М4-5Н6Н
|
1
|
|
|
черновая, получистовая.
|
|
3, 5, 8, 12
|
ВЦП Ø6+0.12
|
1
|
12
|
3.2
|
Черновая, отделочная
|
|
6, 7
|
ВЦПØ6+0,012
|
1
|
7
|
0,4
|
Черновая, получистовая,
Чистовая, Повышенной точн.
|
|
13, 14
|
ПП
|
1
|
12
|
3,2
|
Черновая, отделочная
|
|
15
|
ФП
|
1
|
12
|
3,2
|
Черновая, отделочная
|
|
16, 30
|
ТП
|
1
|
12
|
3,2
|
Черновая, отделочная
|
|
17
|
ВЦП
|
1
|
5
|
0,8
|
Черновая, получистовая,
Чистовая, Повышенной точн. Высокой точн. О.в. точности
|
|
18
|
НФП
|
1
|
12
|
3,2
|
Черновая, отделочная
|
|
19
|
НЦП
|
1
|
11
|
3,2
|
Черновая, получистовая
|
|
20
|
ТП
|
1
|
11
|
3,2
|
Черновая, получистовая
|
|
21, 43
|
ПП
|
1
|
12
|
3,2
|
Черновая, отделочная
|
|
22
|
ФП
|
1
|
12
|
3,2
|
Черновая, отделочная
|
|
23
|
ВЦП
|
1
|
6
|
0,4
|
Черновая, получистовая,
Чистовая, Повышенной точн. Высокой точн.
|
|
24
|
ВФП
|
1
|
12
|
3,2
|
Черновая, отделочная
|
|
25
|
ПП
|
1
|
12
|
3,2
|
Черновая, отделочная
|
|
26
|
НФП
|
1
|
12
|
3,2
|
Черновая, отделочная
|
|
27
|
ПП
|
2
|
12
|
3,2
|
Черновая, отделочная
|
|
28
|
ТП
|
1
|
12
|
3,2
|
Черновая, отделочная
|
|
29
|
ТП
|
1
|
12
|
3,2
|
Черновая, отделочная
|
ФП
|
1
|
12
|
3,2
|
Черновая, отделочная
|
|
32, 33, 34, 35 ,36, 37, 38
|
ПП
|
1
|
12
|
3,2
|
Черновая, отделочная
|
|
39, 40
|
РП
|
1
|
12
|
3,2
|
Черновая, отделочная
|
|
41
|
РП
|
1
|
8
|
1,6
|
Черновая, получистовая,
Чистовая, Повышенной точн.
|
|
42
|
ВФП
|
4
|
11
|
3,2
|
Черновая, получистовая
|
|
44
|
ВФП
|
2
|
12
|
3,2
|
Черновая, Отделочная.
|
Выбор оптимального маршрута обработки поверхностей детали производится в
соответствии с [5,таблицы 1,2,3]. Данный способ учитывает вид заготовки,
качество обработки (шероховатость, точность размеров) и позволяет оценить
различные варианты маршрута по трудоемкости. Исходными данными для выбора и
последующей разработки оптимального маршрута обработки являются чертеж детали и
технические требования на изготовление, определяющими из которых служат
точностные размеры.
Таблица 2.9 Назначение маршрутов обработки
|
№ пов
|
Вид пов-ти
|
Кв-т
|
Ra
|
Кол-во
|
Виды обработки
|
1вариант
|
2вариант
|
|
1. 9
|
ТП
|
12 11 10
|
12,5 6,3 3,2
|
1
|
Чернов. Получист. Чистов.
|
Фрезеров. Фрезеров. Шлифов.
|
Фрезеров. Фрезеров.
Фрезеров.
|
|
2, 4, 11, 10
|
ВРП
|
12 11
|
6,3 3,2
|
1
|
Чернов. Получист.
|
Сверление Нарез. рез
|
Сверление Нарез. рез
|
|
3, 5, 8, 12
|
ВЦП
|
12
|
6,3 3,2
|
1
|
Чернов. Отделочн.
|
Сверление
|
Сверление
|
|
6, 7
|
ВЦП
|
12 11 9 7
|
6,3 3,2 1,6 0,4
|
1
|
Чернов. Получист. Чистов.
Повыш. точн.
|
Сверление Рассверлив.
Растачив. растачив.
|
Сверление Зенкеров. Разверт.
П.т. Разверт в.т
|
|
13, 14
|
ПП
|
12
|
6,3 3,2
|
1
|
Чернов. Отделочн.
|
Шлифован.
|
Фрезерован.
|
|
15
|
ФП
|
12
|
3,2
|
1
|
Чернов. Отделочн.
|
Фрезерован.
|
Фрезерован.
|
|
16, 30
|
ТП
|
12
|
3,2
|
1
|
Чернов. Отделочн.
|
Фрезерован.
|
Точение
|
|
17
|
ВЦП
|
12 11 10 8 6 5
|
12,5 6,3 3,2 1,6 0,8 0,4
|
1
|
Черновая, получистовая,
Чистовая, Повышенной точн. Высокой точн. О.в. точности
|
Точение Точение Шлифов.
Шлифов. Шлифов. Шлифов.
|
Точение Точение Точение
Точение Шлифов. Шлифов.
|
|
18
|
НФП
|
12
|
6,3 3,2
|
1
|
Черновая, отделочная
|
Точение
|
Точение
|
|
19
|
НЦП
|
12 11
|
6,3 3,2
|
1
|
Черновая, получистовая
|
Точение Точение
|
Точение Точение
|
|
20
|
ТП
|
12 11
|
6,3 3,2
|
1
|
Черновая, получистовая
|
Точение Точение
|
Точение Точение
|
|
21, 43
|
ПП
|
12
|
3,2
|
1
|
Черновая, отделочная
|
Фрезеров.
|
Фрезеров.
|
|
22
|
ФП
|
12
|
3,2
|
1
|
Черновая, отделочная
|
Фрезерован.
|
Фрезерован.
|
|
23
|
ВЦП
|
12 11 10 8 6
|
6,3 3,2 1,6 0,8 0,4
|
1
|
Черновая, получистовая,
Чистовая, Повышенной точн. Высокой точности
|
Сверление Рассверл.
Растачив. Шлифован. Шлифован.
|
Сверление Растачив.
Растачив. Растачив. Растачив.
|
|
24
|
ВФП
|
12
|
3,2
|
1
|
Черновая, отделочная
|
Зенкован.
|
Растачив.
|
|
25
|
ПП
|
12
|
3,2
|
1
|
Черновая, отделочная
|
Шлифов.
|
Фрезеров.
|
|
26
|
НФП
|
12
|
3,2
|
1
|
Черновая, отделочная
|
Точение
|
Точение
|
|
27
|
ПП
|
12
|
3,2
|
2
|
Черновая, отделочная
|
Шлифов.
|
Фрезеров.
|
|
28
|
ТП
|
12
|
3,2
|
1
|
Черновая, отделочная
|
Точение.
|
Точение
|
|
29
|
ТП
|
12
|
3,2
|
1
|
Черновая, отделочная
|
Точение
|
Точение.
|
|
31, 37
|
ФП
|
12
|
3,2
|
1
|
Черновая, отделочная
|
Фрезеров.
|
Фрезеров.
|
|
32, 33, 34, 35 ,36, 37, 38
|
ПП
|
12
|
3,2
|
1
|
Черновая, отделочная
|
Фрезеров.
|
Фрезеров.
|
|
39, 40
|
РП
|
12
|
3,2
|
1
|
Черновая, отделочная
|
Точение
|
Точение
|
|
41
|
РП
|
12 11 9 8
|
12,56,3 3,2 1,6
|
1
|
Черновая, получистовая,
Чистовая, Повышенной точн.
|
Точение Точение Шлифов.
Шлифов.
|
Точение Точение Точение
Точение
|
|
42
|
ВФП
|
12 11
|
6,3 3,2
|
4
|
Черновая, получистовая
|
Зенкован.
|
Зенкован.
|
|
44
|
ВФП
|
12
|
6,3 3,2
|
2
|
Черновая, Отделочная.
|
Растачив
|
Зенкеров.
|
На основании таблицы 8, анализируя данные маршруты, определяем
оптимальный, где содержание операции технологического маршрута формируется по
принципу максимальной концентрации при выполнении установов, позиций и
переходов. Таким является второй маршрут обработки.
Поверхности 3, 5, 8, 12, 13, 14, 15, 16, 30, 18, 19, 20, 21, 22, 43, 24,
25, 26, 27, 28, 29, 31, 32, 33, 34, 35, 36, 37, 38, 39, 40,42, 44 выполняются
по 12 квалитету, но на них указана шероховатость Ra 3,2, которая соответствует 11 квалитету. Поэтому в
техпроцесс введены отделочные виды обработки. Учитывая современные методы
достижения точности обработки поверхностей, выберем оптимальные режимы резания
и геометрию режущих инструментов, чтобы достичь необходимую шероховатость (Ra 3,2) на черновом этапе. Поэтому в
таблицу 9 запишем только черновой этап обработки на вышеперечисленные
поверхности.
Сформируем этапы обработки, сведем полученные
результаты в таблицу 2.10.
Таблица 2.10 Формирование этапов обработки
поверхностей
|
№ пов
|
Этапы обработки
|
|
Эчр
|
Эп/ч
|
Эч
|
Эп/т
|
Эв/т.
|
Эов/т
|
|
1. 9
|
Фрезеров.
|
Фрезеров.
|
Фрезеров.
|
|
|
|
|
2, 4, 11, 10
|
Сверлен.
|
Нарезание резьбы
|
|
|
|
|
|
3, 5, 8, 12
|
Сверление
|
|
|
|
|
|
|
6, 7
|
Сверление
|
Зенкеров.
|
Разверт.
|
Разверт.
|
|
|
|
13, 14
|
Фрезерован.
|
|
|
|
|
|
|
15
|
Фрезерован.
|
|
|
|
|
|
|
16, 30
|
Точение
|
|
|
|
|
|
|
17
|
Точение
|
Точение
|
Точение
|
Точение
|
Шлифов.
|
Шлифов
|
|
18
|
Точение
|
|
|
|
|
|
|
19
|
Точение
|
Точение
|
|
|
|
|
|
20
|
Точение
|
Точение
|
|
|
|
|
|
21, 43
|
Фрезерован.
|
|
|
|
|
|
|
22
|
Фрезерован.
|
|
|
|
|
|
|
23
|
Сверление
|
Растач.
|
Растачив.
|
Растачив.
|
Растачив
|
|
|
24
|
Растачив.
|
|
|
|
|
|
|
25
|
Фрезерован.
|
|
|
|
|
|
|
26
|
Точение
|
|
|
|
|
|
|
27
|
Фрезерован.
|
|
|
|
|
|
|
28
|
Точение
|
|
|
|
|
|
|
29
|
Точение.
|
|
|
|
|
|
|
31, 37
|
Фрезерован.
|
|
|
|
|
|
|
32, 3, 34,35, 36, 37, 38
|
Фрезерован.
|
|
|
|
|
|
|
39, 40
|
Точение
|
|
|
|
|
|
|
41
|
Точение
|
Точение
|
Точение
|
Точение
|
|
|
|
42
|
Зенкован.
|
|
|
|
|
|
|
44
|
Зенкерован.
|
|
|
|
|
|
Для начала проведём анализ базирования. Выбор баз на операциях
определяется из условия их последовательного чередования от одного этапа к
другому.
Далее проведём анализ баз и схем базирования предлагаемых в новом
технологическом процессе.
Для достижения высокой точности обработки, необходимо выполнение принципа
единства и постоянства баз, что в базовом технологическом процессе не совсем
удаётся.
В разрабатываемом технологическом процессе обработка производится в
патроне, центрах и в специальном приспособлении, которое применяется на многих
операциях, т.е. принцип единства баз на основных операциях сохраняется.
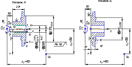
На первой операции, за базу принимаем наружные поверхности заготовки и
торец бурта.
Рисунок 2.4 Схема базирования заготовки на первой операции.
Рисунок 2.5 Схема базирования заготовки на второй операции.
На третьей операции применяется та же схема базирования, что и на первой.
На четвертой операции применим схему базирования по торцу, наружному
диаметру и отверстию.
Рисунок 2.6 Схема базирования заготовки на четвертой операции.
Рисунок 2.7 Схема базирования заготовки на пятой операции.
На основании этого формируем технологический маршрут, в основу которого
закладываем назначенные этапы обработки. Содержание операций технологического
маршрута формируем по принципу максимальной концентрации выполнении установов,
позиций, переходов.
На основании выше изложенного формируем этапы маршрута обработки. Данные
сводим в таблицу 2.11
Таблица 2.11 Этапы маршрута обработки
|
Базовые поверхности
|
№ обрабатыв. поверхности
|
№ операции
|
Установ
|
Оборудован.
|
|
16, 19
|
30 черн. 23 черн. 41 черн.
20 черн. 39 черн. 40 черн. 29 черн.
|
005
|
А
|
Токарный полуавтомат
16А20Ф3
|
|
39, 30
|
16 черн. 19 черн. 17 черн.
28 черн. 18 черн. 26 черн.
|
|
Б
|
|
|
39,30
|
5 черн. 8 черн. 12 черн. 3
черн. 37 черн. 31 черн. 32 черн. 33 черн. 34 черн. 35 черн. 36 черн. 37 черн.
38 черн. 27 черн. 25 черн. 15 черн.
|
010
|
А
|
Фрезерно - сверлильный с
ЧПУ ROBODRILL a - N21iE
|
|
39, 30
|
17 п/ч 17 чист 19 п/ч 23
п/ч 23 чист. 24 черн.
|
015
|
А
|
Токарный полуавтомат
16А20Ф3
|
|
17, 16
|
41 п/ч 41чист. 20 п/ч.
|
|
Б
|
|
|
39, 30
|
17 п/т. 23 п/т. 23 в/т.
|
020
|
А
|
Токарный полуавтомат
16А20Ф3
|
|
17, 16
|
41 п/т
|
|
Б
|
|
|
39, 5, 30
|
1 черн. 9 черн. 1 п/ч. 9
п/ч. 1 чист. 9 чист. 6, 7 черн. 6, 7 п/ч 6,7 чист. 6, 7 п/т. 44 черн.
|
025
|
А
|
Фрезерно - сверлильный с
ЧПУ ROBODRILL a - N21iE
|
|
16, 17, 5
|
2, 4, 10, 11 черн. 2, 4,
10, 11 п/ч 13, 14 черн. 21, 43 черн. 22 черн. 42 черн.
|
|
Б
|
|
|
23
|
17 в/т 17ов/т
|
030
|
А
|
Круглошлифова-льный
полуавтомат повышенной точности - 3А151Ф2.
|
МАРШРУТНАЯ КАРТА ТЕХНОЛОГИЧЕСКОГО ПРОЦЕССА
Наименование детали - Крышка
Материал - 12Х18Н10Т
Вид заготовки - штамповка
Таблица 2.12 Маршрутная карта технологического
процесса
|
№ опер
|
Наименование и краткое
содержание операций
|
Базы
|
Тип оборуд
|
|
005
|
Токарная с ЧПУ АI: 30, 23,
41, 20, 39, 40, 29 БI:16,19,17,28,18,26
|
19, 16 39,30
|
16А20Ф3
|
|
010
|
Многоцелевая АI:5, 8, 12,
3, 37, 31, 32, 33, 34, 35, 36, 37, 38, 27, 25, 15
|
39,20
|
ROBODRILL
|
|
015
|
АI: 17, 17, 19, 23, 23, 24
БI:41, 41, 20, 39, 40
|
39, 30 17, 16
|
16А20Ф3
|
|
020
|
Токарная с ЧПУ АI: 17, 23,
23 БI:41
|
39, 30 17, 16
|
16А20Ф3
|
|
025
|
Многоцелевая АI: 1, 9, 1,
9, 1, 9, 6, 7, 6, 7, 6, 7, 6, 7, 44 БI:2, 4, 10, 11, 2, 4, 10, 11, 13, 14,
21, 43, 22, 42
|
39, 5, 20 16,17,5
|
ROBODRILL
|
|
030
|
Круглошлифовальная АI: 17,
17
|
23
|
3А151Ф2
|
Такая последовательность обработки обеспечивает
изготовление детали с меньшими затратами труда и обеспечивает точное
изготовление этой детали.
В некоторых операциях техпроцесса, а в частности в
операции 025, после получистовых этапов и этапов повышенной точности
выполняются черновые этапы. Эта необходимость вызвана конструкцией детали.
.9 Разработка операционного технологического процесса
.9.1 Назначение оборудования
Назначение оборудования производится в зависимости от
размеров и формы детали, а также от технических требований, определяющих
параметры точность и качество поверхности.
В проектируемом технологическом процессе предполагается использовать
следующее технологическое оборудование:
На токарной операции для чернового, получистового и чистового точения
будет применяться станок модели 16А20Ф3. Станок предназначен для токарной
обработки наружных и внутренних поверхностей детали типа тел вращения со
ступенчатым и криволинейным профилями в один или несколько рабочих ходов в
замкнутом полуавтоматическом цикле, а также для нарезания крепёжных резьб.
Техническая характеристика станка приведена ниже .
Этот станок подходит нам по габаритам, обеспечивает
достаточную точность для изготовления представленной группы деталей. Обладает
возможностью быстрой переналадки изготовления различных деталей группы. Может
обеспечить установку 6 инструментам.
На операциях 010, 025 принимаем фрезерно - сверлильный станок с ЧПУ ROBODRILL a - N21iE. Станок предназначен для
фрезерования, сверления, растачивания отверстий в заготовках изготавливаемых из
различных материалов. Обработка может производится под различным углом к
шпинделю станка. Шпиндель расположен вертикально.
- координата Х, мм - 500
координата Y,мм - 400
координата Z, мм - 330
Размер стола, мм - 650х400
Число оборотов шпинделя, об/мин - 100-10000
Ускоренное перемещение, м/мин - 54
Рабочая подача, м/мин - 1-30
Количество инструментов в револьверном магазине, шт - 21
Мощность Эл. двигателя, кВт - 5,5
Для круглошлифовальной операции 030 применяем круглошлифовальный
полуавтомат повышенной точности - 3А151Ф2.
Данный станок предназначен для одновременного шлифования цилиндрических
поверхностей, и торца буртика деталей типа тел вращения, при установке в
патроне или в центрах.
На данном станке может устанавливаться система активного контроля с
электронной отчетно-измерительной системой. Устройство ЧПУ обеспечивает
заданные скорости непрерывных подач, времени выхаживания, величины компенсации
правки, циклов до очередной правки, координат перезарядки, начала черновой,
чистовой и доводочной подач, величины смещения нуля отсчета. Имеется цифровая
индикация текущего припуска и отдельный блок индикации, предназначенный для
контроля перемещений шлифовального блока по всем диапазонам обрабатываемых на
станке размеров и позволяет производить перенастройку станка с одного размера
на другой без пробных шлифовок.
Техническая характеристика
Наибольший размер обрабатываемой детали- 200×700
мм
Число оборотов шпинделя изделия- 63¸400 об/мин
Число скоростей круга - бесступенчатое регулирование
Максимальный размер шлифовального круга - 600×63×305
мм
Наибольший угол поворота стола- +3° -10°
Пределы подач по осям координат, мм/мин:
поперечная- 0,01¸10
продольная- 100¸500
Число подач - дроссельное регулирование
Скорость быстрого перемещения по осям координат:
x -
1000 мм/мин
z -
5000 мм/мин
Наибольшая длина перемещения по осям координат, мм:
x -
225 мм
z -
700 мм
Дискретность отсчета по осям координат, мм:
x -
0,001 мм
z -
0,01 мм
Мощность привода главного движения- 7,5 кВт
Габаритные размеры - 4365×2165×2170 мм
2.9.2 Технологические эскизы обработки и схемы установки
Основные схемы установки показаны на рисунках: 2.4, 2.5, 2.6. Из
вышеперечисленных рисунков видно, что в основе схемы установки лежит схема
базирования, предопределяющая рациональную простановку операционных размеров.
Разновидностями эскизов обработки являются операционный эскиз,
технологический эскиз и технологическая наладка.
Операционный эскиз выполняется при обработке поверхностей стандартным
инструментом на универсальном станке (одноинструментальная обработка).
Технологический эскиз представляется при обработке поверхностей деталей
на настроенных станках комплектом инструментов при одной наладке (как правило,
многоинструментальная наладка или обработка по копиру или программе).
Технологическая наладка по сути является технологическим эскизом, на
котором рабочее приспособление вместо условных символов показывается в
полуконструктивном виде. Рекомендуется в тех случаях, когда требуется наглядное
изображение рабочего приспособления. Наиболее предпочтительным для разработки
является технологический эскиз.
Технологический эскиз выполняется для каждой технологической позиции,
последняя включает в себя технологические переходы одного этапа обработки.
На все основные операции механической обработки вычерчиваются
технологические эскизы на форматах А1.
Операционные размеры проставляются с предельными отклонениями (цифрами
или буквами) в соответствии с выполняемым этапом обработки. Каждый размер
обозначается арабскими цифрами, начинается с первого номера. Номер
проставляется в окружности диаметром 6-8мм и соединяется с размерной или
выносной линией. Нумеровать операционные размеры следует в направлении движения
часовой стрелки.
При обработке деталей на станках с ЧПУ и ОЦ на технологическом эскизе
обязательно указывается координатная система детали, нулевая и исходные точки,
необходимые константы.
Режущий инструмент на технологических эскизах изображается схематично.
Положение инструмента на эскизе определяется в зависимости от вида
технологического перехода и наличия конструктивно выполненных позиций у
применяемого оборудования.
Для каждого инструмента на эскизе указывается материал режущей части. На
свободном поле эскиза, обычно внизу справа, проводятся значения элементов
режимов резания для каждого инструмента: скорости, подачи и глубины резания в
табличной форме.
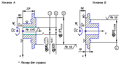
.9.3 Расчёт операционных и межоперационных припусков
Расчет диаметральных размеров.
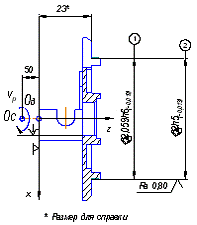
Выполним расчет поверхности 17 (Ø52h5 Ra0,8) расчетно-аналитическим методом.
. Для данной поверхности определим по [7.c,17 табл.П1] количество этапов
обработки: черновой, получистовой, чистовой, повышенной точности, высокой
точности, особо высокой точности. Квалитеты соответственно: 12, 11, 10, 8, 6,
5.
.Строим схему расположения припусков и допусков с
учетом принятого количества этапов обработки (рисунок 9)
. Так как выбран опытно - аналитический метод решения,
то рассчитаем минимальное значение припуска 2Zmin по формуле:
где Rzi-1- высота микронеровностей
поверхности, которая осталась после выполнения предшествующего перехода.
hi-1 - глубина дефектного поверхностного слоя оставшегося при
выполнении предшествующего перехода;
eyi- погрешность установки на
выполняемом этапе.
Следуя рекомендациям пункта 3 [7], строим схему
расположения припусков и допусков с учетом принятого количества этапов
обработки.
Значение h для промежуточных этапов берем из таблицы П1 [7], для заготовки П8 [7].

Параметр Rz для заготовки определим по таблице П8 [7], для промежуточных этапов по
формуле:
Rz = 0,2T
где Т - допуск на соответствующем этапе.












Определяем суммарное отклонение расположения ΔΣ:
;
где:
отклонение оси детали от прямолинейности после штамповки на
горизонтально-ковочной машине;
смещение ступеней в плоскости разъёма штампа; [14,c.187]
.
При консольном закреплении (в трёх кулачковом патроне)
где:
кривизна поковок (мкм на 1мм),
- длина поковки, мм
Определяем величину остаточного отклонения расположения заготовки 
:
;
где: ky = 0,06 - после чернового обтачивания;y =
0,05 - после получистового обтачивания;y = 0,04 - после чистового
обтачивания;y = 0,03 - после обтачивания повышенной точности;y
= 0,02 - после шлифования высокой точности;y = 0,01 - после
шлифования особо высокой точности;
Определяем погрешность установки заготовки при базировании в
самоцентрирующий трёх кулачковый патрон:
;
где:
погрешность базирования, мкм;
- погрешность закрепления, мкм;
,то
;
где: Тз - допуск на диаметральный размер заготовки, мкм;
Определяем величину погрешности установки на промежуточных этапах:
Определяем минимальные припуски на каждый этап
обработки:
припуск на черновую обработку
припуск на получистовую обработку
припуск на чистовую обработку
припуск на обработку повышенной точности
припуск на обработку высокой точности
припуск на обработку высокой точности
. Численные значения допусков для промежуточных этапов
определим по таблице П9
. Определяем значение максимальных припусков на каждом
этапе обработки по формуле:
где Тi-1- допуски размеров на предыдущем
этапе (переходе)
Тi - допуски размеров на выполняемом переходе.
припуск на черновую обработку:
припуск на получистовую обработку:
припуск на чистовую обработку
припуск на обработку повышенной точности
припуск на обработку высокой точности
припуск на обработку особо высокой точности
Рисунок 2.8.Схема расположения допусков и припусков на
обработку вала Ø52h5.
Определяем предельные межоперационные размеры и
окончательные размеры заготовки по формулам для внутренних цилиндрических
поверхностей:
Amaxi-1 = Amaxi+2Zmini+ Тi-1[7, с.9]-1 = Amaxi+2Zmini
максимальные размеры:
в/т = Amax
ов/т +2Zmin ов/т+Тв/т =52+0,04+0,019=52,059 мм
Amaxп/т = Amax
в/т +2Zmin в/т+Тп/т =52,059+0,07+0,046=52,175
мм
Amaxч = Amax
п/т +2Zmin п/т+Тч =52,175+0,13+0,12=52,425 мм
Amaxп/ч= Amax
чис+2Zmin чис +Тп/ч= 52,425+0,18+0,19=52,795
мм
Amaxчр= Amax
п/ч+2Zmin п/ч+Тчр = 52,795+0,3+0,3=53,395мм
Amax заг =Amaxчр+2Zmin чр+Тзаг = 53,395+1,9+1,1=56,395мм
минимальные размеры:
в/т = Amax
ов/т +2Zmin ов/т =52+0,04=52,04мм
Aminп/т = Amax в/т
+2Zmin в/т =52,059+0,07=52,129мм
Aminч = Amax
п/т +2Zmin пт =52,175+0,13=52,305 мм
Aminп/ч= Amax
чис+2Zmin чис= 52,425+0,18=52,245мм
Aminчр= Amax
п/ч+2Zmin п/ч = 52,795+0,3=53,095мм
Amin заг =Amaxчр+2Zmin чр = 53,395+1,9=55,295мм
Все результаты сводим в таблицу 2.13
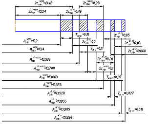
Таблица 2.13 Результаты расчета припусков
межоперационных размеров и размеров заготовки
Выполним расчет поверхности 23 - (Ø14М6
) Ra0,4)
опытно-статистическим методом
Для данной элементарной поверхности определяем количество этапов
обработки: черновой, получистовой, чистовой, повышенной точности, высокой
точности. Квалитеты соответственно 12, 11, 10, 8, 6. Все этапы выполняются
растачиванием.
Минимальное значение припуска 2Zmin определим по таблице П3 [7].
Сверление
IT12=0,18мм
Растачивание п/чистовое
IT11=0,11мм
Растачивание чистовое
IT10=0,07мм
Растачивание п/точности
IT8=0,027мм
Растачивание в/точности
IT6=0,011мм
Определяется 
для каждого этапа обработки:
где
допуски размеров на предшествующем этапе
допуски размеров на выполняемом переходе
Для внутренних цилиндрических поверхностей:
[7, c.9]
Определение предельных межпереходных размеров и окончательных размеров
заготовки:
минимальные размеры
- максимальные размеры:
Таблица 2.14 Расчёт припусков и межоперационных размеров на Ø14М6
опытно-статическим методом.
|
Вид заготовки и план
обработки поверхности
|
Допуск размера Т, мм
|
2Zmin
|
2Zmax
|
Предельные размеры
|
Номинальное значение размера с
отклонением
|
|
|
|
|
Amax
|
Amin
|
|
|
Сверление
|
0,18
|
13,24
|
13,42
|
13,4
|
13,2
|
13,2+0,18
|
|
Растач. п/чистовое
|
0,11
|
0,2
|
0,49
|
13,708
|
13,598
|
13,598+0,11
|
|
Растач. чистовое
|
0,07
|
0,1
|
0,28
|
13,878
|
13,808
|
13,878+0,07
|
|
Растач. п/точности
|
0,027
|
0,05
|
0,39
|
13,955
|
13,928
|
13,928+0,027
|
|
Растач. в/точности
|
0,011
|
0,03
|
0,068
|
13,996
|
13,985
|
14
|
Рисунок 2.9 Схема припусков на размер Ø14М6
Расчет линейных операционных размеров.
Последовательность составления размерной цепи:
· Технологические размерные цепи всегда относятся к 1-ой
детали. Вычерчивается эскиз детали над которым проставляются конструкторские
размеры.
· В соответствии с маршрутом обработки под эскизом строится
схема операционных припусков и размеров. Построение схемы производится по ходу
обработки. На схеме каждый операционный размер обозначается размерной линией
имеющей по концам точку и стрелку. Точка показывает технологическую базу,
стрелка- обрабатываемую поверхность.
· Выявляют замыкающее звенья (припуск или конструкторский
размер полученный косвенным путём) каждое замыкающее звено должно входить
только в одну размерную цепь.
· Выявление составляющих звеньев, которые вместе с замыкающим
образуют замкнутый контур. Составляющие звенья могут входить в разные размерные
цепи.
· Выявление и расчёт размерных цепей выполняют от
конструкторских размеров к размерам заготовки.
· Число уравнений размерных цепей должно быть равно числу
технологических размеров по размерной схеме процесса.
· В каждое уравнение размерной цепи может входить только один
размер заготовки и один припуск (в качестве замыкающего).
· Количество размеров заготовки равно количеству торцев минус
один (п-1).
· Размеры заготовки должны задаваться координатным методом от
поверхности, которая на первой операции назначается базовой.
Значения минимальных припусков на обработку линейных
размеров берем из таблицы 2
, в зависимости от размеров заготовки и способа обработки.
A1min = Amax - Bmin = 27 - 19 = 8ммmax = A1min + T = 8 + 0,09 = 8,09 мм
А5 = А А5max = 27мм А5 min = 26,79мм
А6min = Вmin + Дmin =
19 + 3,9 = 22,9 мм
А6мах = Вмах + Дмах = 19,13 + 4 = 23,13мм
(
- допуск на размер "А5" по
11 квалитету)
следовательно:
Рисунок 2.10 Схема припусков и операционных размеров.
Остальные размеры определим аналогичным способом и результаты занесем в
таблицу 2.15
Таблица 2.15 Расчетные значения операционных размеров
|
№
|
Уравнение
|
Неизвестный размер
|
Zmin
|
Значение неизвестных
параметров
|
|
|
|
|
|
Amin
|
Amax
|
Aном
|
|
1
|
А1min=Amax-Bmin
|
A1
|
-
|
0,09
|
8
|
8,09
|
8,09-0,09
|
|
2
|
Z5min=A2min-A5max
|
A2
|
1,0
|
0,21
|
28
|
28,21
|
28,21-0,21
|
|
3
|
Z1min=A1max-A5min+A2max-A3min
|
A3
|
1,0
|
0,15
|
8,51
|
8,66
|
8,66-0,15
|
|
4
|
A4min=A2max-Cmin
|
A4
|
1,0
|
0,18
|
10,32
|
10,5
|
10,5-0,18
|
|
5
|
Z2min=A31min-A2max
|
A31
|
1,0
|
1,1
|
29,21
|
30,31
|
29,6
|
|
6
|
Z4min=A32min-A4max
|
A32
|
1,0
|
1,1
|
11,6
|
12,7
|
12
|
2.9.4 Выбор рабочих приспособлений
Вследствие характерных особенностей станков с ЧПУ к станочным
приспособлениям предъявляются специфические конструктивные требования.
Одна из основных особенностей станков с ЧПУ - их высокая точность.
Станочные приспособления оказывают существенное влияние на повышение точности
обработки, поскольку погрешность, возникающая при базировании заготовки в
приспособлении, является одной из основных составляющих суммарной погрешности
обработки. Следовательно, приспособления к станкам с ЧПУ должны обеспечивать
большую точность установки заготовок, чем приспособления к универсальным
станкам. Для этого необходимо исключить погрешность базирования путем
совмещения баз, погрешность закрепления заготовок должна быть сведена к
минимуму, точки приложения зажимных сил нужно выбирать таким образом, чтобы по
возможности полностью исключить деформацию заготовок. Точность изготовления
приспособлении к станкам с ЧПУ должна быть значительно выше, чем приспособлений
к универсальным станкам. Погрешность установки приспособлений на станках должна
быть минимальной.
Станки с ЧПУ имеют повышенную жесткость. Следовательно, станочные
приспособления для них не должны снижать жесткость системы при использовании
полной мощности станков, а значит, жесткость приспособлений к станкам с
программным управлением должна быть выше жесткости приспособлений к
универсальным станкам. Поэтому приспособления нужно изготовлять из легированных
сталей (с термической обработкой рабочих поверхностей) или модифицированных
чугунов.
Поскольку при обработке на станках с ЧПУ программируемые перемещения
станка и инструмента задаются от начала отсчета координат, в ряде случаев
приспособления должны обеспечивать полную ориентацию заготовок относительно
установочных элементов приспособления, т. е. должны лишить ее всех степеней
свободы. При этом необходимо также полное базирование приспособлении на станке
для обеспечения их точной ориентации относительно нулевой точки станка.
Следовательно, одной из основных особенностей приспособлений к станкам с ЧПУ
является необходимость ориентации приспособлений не только в поперечном
направлении относительно продольного паза стола станка, но и в продольном
направлении.
Для быстрой полной ориентации приспособлений на столах станков в
последних помимо продольных пазов делают поперечный паз или отверстие (или и то
и другое). Приспособление базируется по пазам станка посредством трех
призматических или цилиндрических шпонок, по отверстию и пазу - штырем и
шпонкой или двумя штырями.
Ориентация инструментов для обработки отверстий на станках с программным
управлением осуществляется автоматически по заданной программе, поэтому в
приспособлениях отсутствуют элементы для ориентации и направлении инструмента -
кондукторные втулки. Следовательно, на станках с ЧПУ вместо сложных кондукторов
применяют простые установочно-зажимные приспособления.
Важная особенность станков с ЧПУ - обработка максимального числа
поверхностей с одной установки заготовки. Следовательно, приспособления должны
быть спроектированы таким образом, чтобы установочные элементы и зажимные
устройства не препятствовали подходу режущего инструмента к обрабатываемым
поверхностям заготовки, обеспечивая при этом ее закрепление без
"перехвата". Наиболее эффективным средством при обработке пяти
плоскостей является закрепление заготовок со стороны установочной опорной
поверхности.
Основные требования, предъявляемые к деталям, обрабатываемым на станках с
ЧПУ, и влияющие на конструкцию приспособлений, могут быть сформулированы
следующим образом:
. Заготовки должны иметь хорошо оформленные установочные базовые
поверхности, обеспечивающие точность базирования и надежность установки, а
также удобные места для приложения сил зажима, обеспечивающие надежность
закрепления без деформации. При отсутствии надежных установочных баз необходимо
предусматривать технологические приливы, платики, бобышки, отверстия и т. д.,
обеспечивающие надежное базирование заготовок по трем плоскостям или по
плоскости и двум отверстиям. При отсутствии удобных мест для приложения сил
зажима необходимо предусматривать технологические выступающие платики, буртики,
бобышки, гладкие или резьбовые отверстия и т. д., обеспечивающие возможность
надежного зажима заготовок без перезакрепления их в процессе обработки. Места
приложения сил зажима должны быть расположены так, чтобы зажимные устройства не
препятствовали свободному подходу инструмента ко всем обрабатываемым
поверхностям. На станках с ЧПУ наиболее целесообразно обрабатывать детали
прямоугольных форм со сплошными платиками и приливами.
. Для исключения переустановки детали или применения дополнительных
приспособлений желательно, чтобы детали не имели поверхностей и отверстий,
расположенных под углом.
. Для обеспечения высокой точности базирования предпочтительно
конструировать детали, позволяющие базировать их по трем плоскостям. При этом
применяют в основном чистые базовые поверхности, которые на первых операциях
подготовляют на обычных универсальных станках.
. Если при обработке невозможно базировать заготовку по трем плоскостям,
применяют менее точную схему базирования - по плоскости и двум отверстиям. При
этом отверстия должны быть максимально удалены друг от друга и выполнены не
ниже чем по 7-му квалитету.
Станки с программным управлением являются полуавтоматами, выгодно
отличающимися от традиционных полуавтоматов тем, что обеспечивают возможность
быстрого перехода от одной партии обрабатываемых деталей к другой с минимальным
временем простоя станка. Переналадка станка, как правило, сводится лишь к замене
программоносителя, на что затрачивается незначительное время. Однако
существенные затраты подготовительно-заключительного времени связаны с
транспортированием, установкой, закреплением, раскреплением и съемом
приспособлений. Это повышает время простоя станка, доля которого в общем
балансе времени обработки увеличивается с уменьшением партии обрабатываемых
деталей. Большое значение имеет также отсутствие простоев станков, связанных с
подготовкой приспособлений при переналадке станков на обработку новых партий
деталей. Следовательно, конструкции приспособлений должны также обладать
гибкостью, т. е. обеспечивать быструю переналадку, ориентацию и закрепление на
станке, а также легкое отсоединение и присоединение их пневмо- или гидросистемы
к источнику давления.
Как известно, наибольшая доля времени простоя станков приходится на
транспортирование, установку, закрепление, раскрепление и съем обрабатываемых
заготовок. На станках с ЧПУ при установке заготовок на столе станка и в
стационарных приспособлениях заготовки меняют при остановке станка.
Следовательно, сокращение вспомогательного времени на транспортирование и
установку заготовок позволяет значительно повысить эффективность использования
станков с программным управлением, особенно многоцелевых станков. Целесообразно
при небольшом времени обработки применять быстродействующие ручные или
механизированные зажимы, позволяющие значительно сократить вспомогательное
время на закрепление и разжим обрабатываемых заготовок. В качестве зажимных
устройств широко применяют универсальные гидравлические зажимные устройства с
пневмогидравлическими усилителями давления. На расточных и многоцелевых
(фрезерно-сверлильно-расточных) станках, поскольку заготовки обрабатывают с
нескольких сторон, приспособления устанавливают на поворотном столе станка. Для
подвода рабочей среды механизированных приводов к пневмо- или гидроцилиндрам
зажимных устройств приспособлений необходимо предусмотреть в осях поворотных
столов отверстия для присоединения трубопроводов.
Характерной особенностью применения станков с ЧПУ является увеличение
затрат времени на технологическую подготовку производства. Даже при
использовании работающих в автоматическом цикле многоцелевых станков,
обеспечивающих автоматическую смену инструмента и заготовок, требуется значительное
время на технологическую подготовку производства. Следовательно, обработка
деталей на станках с ЧПУ увеличивает трудоемкость подготовки производства, и
любое мероприятие, повышающее производительность труда на этапе технологической
подготовки производства, значительно повышает эффективность применения станков
с ЧПУ. В этом плане выгодно применять компоновки из заранее изготовленных
унифицированных агрегатов, узлов и деталей или быстро переналаживать заранее
изготовленные установочно-зажимные приспособления.
Возможность обработки на станках с ЧПУ, особенно на многоцелевых станках,
большого числа поверхностей с одной установки резко сокращает число станочных
приспособлений, необходимых для установки и закрепления заготовки при ее
переустановке. Отсутствие направляющих элементов приспособлений,
предназначенных для ориентации и направления инструмента, повышает точность
обработки, а заменяющая их программа с течением времени не изнашивается.
Упрощение конструкций и удешевление приспособлений наряду с резким
сокращением их числа обеспечивает существенную экономию затрат на подготовку
производства. Помимо этого сокращаются затраты на ремонт приспособлении и их
хранение.
Стандартизация унифицированных агрегатов, узлов, деталей и конструкций
универсальных и специализированных приспособлений создает предпосылки для их
централизованного изготовления, что в значительной мере снижает их
себестоимость, повышает точность и долговечность, в результате чего повышается
экономическая эффективность применения станков с ЧПУ за счет сокращения
капитальных вложении на помещение и оборудование инструментальных цехов и
высвобождения квалифицированных рабочих-инструментальщиков.
На станках с ЧПУ наиболее целесообразно применять системы обратимых
переналаживаемых приспособлений, т. е. заранее изготовленных приспособлений
многократного использования, не требующих затрат времени и средств на их
проектирование и изготовление.
Поскольку на станках с ЧПУ обрабатывается максимально возможное число
поверхностей с одной установки заготовки и, следовательно, время обработки
велико, наиболее эффективно производить смену заготовок в приспособлениях вне
рабочей зоны станка, совмещая время на смену заготовки с временем работы
станка. Для этой цели целесообразно применять маятниковый способ обработки,
двухпозиционные поворотные накладные столы, а также универсально-наладочные
угольники с двумя или четырьмя установочными поверхностями, располагаемыми на
поворотных столах. Таким образом, время смены заготовок в разгрузочной позиции
совмещается со временем обработки заготовки, установленной в рабочей позиции.
Исходя из вышесказанного, можно сделать вывод, что пременяемые
приспособления должны обладать точным позиционированием детали, надежным
закреплением детали и быстрой сменой обработанной детали. Выбранные
приспособления приведем в таблицу 2.16.
Таблица 2.16 Приспособления применяемые при обработки
детали
|
№ опер
|
Наименование опрерации
|
Приспособление
|
|
005
|
Токарная с ЧПУ
|
Самоцентрирующий клиновой
быстропереналаживаемый патрон
|
|
010
|
Многоцелевая
|
Самоцентрирующиеся
приспособление с пневмозажимом.
|
|
015
|
Токарная с ЧПУ
|
Самоцентрирующий клиновой
быстропереналаживаемый патрон
|
|
020
|
Токарная с ЧПУ
|
Самоцентрирующий клиновой
быстропереналаживаемый патрон
|
|
025
|
Многоцелевая
|
Самоцентрирующиеся
приспособление с пневмозажимом.
|
|
030
|
Круглошлифовальная
|
Оправка цанговая. Поводок.
|
.9.5 Назначение режущих инструментов
При выборе типа и конструкции режущего инструмента следует учитывать
следующие основные факторы:
) характер производства;
) тип станка;
) метод обработки;
) размер и конфигурацию обрабатываемой детали;
) качество обработки;
) точность обработки;
) материал обрабатываемой детали;
) материал режущего инструмента.
Характер производства (серийность) влияет на выбор режущего инструмента с
экономической точки зрения. Так, при серийном и массовом производстве
применение специального инструмента может быть экономически целесообразным, так
как затраты на изготовление специального инструмента в условиях серийного или
массового производства могут быть быстро покрыты за счет удешевлением
себестоимости детали в связи с ускорением ее обработки или улучшением ее
качества.
Тип станка влияет на выбор инструмента в том отношении, что в зависимости
от выбранного для выполнения той или иной операции оборудования определяется
тип инструмента - сверло, резец и т.д.
Наличие мощных и точных станков, а также приспособлений при работе на которых обеспечивается точность и жесткость крепления
обрабатываемой детали и инструмента, позволяют применять более производительный
инструмент.
Метод обработки, выбранный для выполнения операции, определяет выбор типа
инструмента, так как различные варианты выполнения операции по-разному решают
вопрос использования того или иного типа инструмента.
Размер и конфигурация обрабатываемой детали влияют на выбор инструмента в
отношении его размеров и конструкции, причем к специальной конструкции
инструмента прибегают из необходимости обработки фасонных или точных
поверхностей, обработка которых с помощью нормализованного инструмента экономически нецелесообразна или технически
невозможна.
Качество обработки в основном влияет на выбор инструмента и на режим
обработки этим инструментом.
Точность обработки влияет на выбор типа конструкции отделочного
инструмента. Например, в зависимости от точности отверстия окончательная
обработка его может быть произведена сверлом, зенкером, разверткой или резцом.
Материал обрабатываемой детали влияет в основном на выбор материала
режущего инструмента и на геометрические параметры режущей части.
Материал режущего инструмента лимитирует выбор его для обработки деталей различной точности, твердости и других факторов.
Исходя из вышесказанного, выбираем режущий высокопроизводительный
инструмент, который приведен в таблице 2.17.
Таблица 2.17 Инструмент применяемый при обработки
детали
|
№ опер
|
Наименование опрерации
|
Инструмент
|
|
005
|
Токарная с ЧПУ
|
Резец контурный Т15К6.
Сверло центровочное Р6М5К5 Сверло Ø13,2 Р6М5К5 ГОСТ 4010-83 Резец специальный канавочный
Т15К6
|
|
010
|
Многоцелевая
|
Фреза концевая Ø12 Т15К6. Фреза концевая Ø10 Т15К6. Сверло центровочное Р6М5К5 Сверло Ø6 Р6М5К5 ГОСТ 4010-83
|
|
015
|
Токарная с ЧПУ
|
Резец контурный Т15К6.
Резец расточной Т15К6
|
|
020
|
Токарная с ЧПУ
|
Резец контурный Т15К6.
Резец расточной Т15К6
|
|
025
|
Многоцелевая
|
Фреза концевая Ø12 Т15К6. Сверло - зенкер Р6М5 Развертка Р6М5К5
Развертка Р6М5К5 Ø6Н7 Зенкер Р6М5К5 Ø8
|
|
030
|
Круглошлифова-льная
|
Круг с односторонней
конической вытачкой 20-300/200х40/20х127 25А 10П М2 8 35м/с ГОСТ 2424-83.
|
2.9.6 Выбор
средств технического контроля
При выборе типа и конструкции средств технического контроля следует
учитывать следующие основные факторы:
) точность требуемого измерения;
) характер производства;
) размер измеряемой поверхности;
) качество измеряемых поверхностей.
Точность требуемого измерения влияет на выбор точности средств технического
контроля. Характер производства влияет на выбор конструкции и типа
измерительного инструмента. Например при большом количестве одинаковых деталей
их целесообразно измерять калибрами или специальными измерительными
инструментами. При индивидуальном изготовлении деталей применение специальных
измерительных инструментов нецелесообразно. В этих условиях обычно пользуются
универсальными измерительными инструментами и приспособлениями.
Размер измеряемой поверхности влияет на выбор размера средств технического
контроля.
Качество измеряемой поверхности влияет на выбор типа конструкции
измерительного инструмента. Так как грубообработанные поверхности обычно не
подвергаются точным измерениям, то применять для их измерения точный инструмент
не следует. В этом случае рабочие поверхности мерительного инструмента будут
быстро изнашиваться, инструмент выйдет из строя и будет негоден для
использования по прямому назначению, то есть для точных измерений.
Для промежуточного контроля изготовления детали применены как универсальные
измерительные инструменты и приборы, специальные измерительные инструменты
(калибры) и координатно-измерительная машина для комплексного контроля деталей
и заготовок.
Для входного контроля геометрических параметров заготовок используются
измерительные инструменты малой точности - штангенциркули типа 1 (с линейкой
для измерения глубин) с пределами измерения от 0 до 125 мм с ценой деления 0,1
мм.
Для быстрого операционного контроля обработки детали в процессе обработки
используются различные комбинированные измерительные инструменты - калибры
гладкие, калибры расположения (для контроля взаимного расположения отверстий),
пневморотаметр для измерения окончательно обработанного отверстия Æ14М6 и т.д. Применение такого
большого набора специальных мерительных инструментов и приспособлений оправдано
тем, что вся гамма обрабатываемых на участке деталей имеет общие габаритные и
посадочные размеры, а различаются лишь материалом и расположением некоторых
отверстий, то есть один комплект калибров используется для замера всей
программы выпуска участка.
Выборочный межоперационный контроль деталей, изготовленных на станках
участка, выполняется оператором-контролером на рабочей позиции
"Контроль", которая укомплектована всей необходимой оснасткой и
приборами. Контролируемые заготовки и детали на спутниках подаются на позицию
при помощи штабелера автоматизированной транспортно-складской системы.
Для точных измерений окончательном контроле, а также на периодическом
контроле деталей в процессе их изготовления применена координатно-измерительная
машина с программным управлением, подключенная к центральной ЭВМ управления
ГПС.
Координатно-измерительная машина типа КИМ-600 для измерения различных
деталей абсолютным методом. С помощью машины определяют линейные (X,Y,Z) и угловые (С)
координаты, характеризующие геометрические параметры: размеры, форму и взаимное
расположение деталей путем обхода ее по запрограммируемой траектории. Отсчет
размеров в контрольных точках выполняется при помощи контактной щуповой готовки
и измерительных линеек с последующей обработкой результатов измерений по
специальной программе на встроенной микро-ЭВМ.
Координатно-измерительная машина состоит из трехкоординатной (оси X, Y, Z) измерительной
станции, несущей щуповую головку для измерения координат контрольных точек
детали. Деталь устанавливается на рабочей поверхности поворотного стола,
необходимого для измерения углового положения С.
Обработка измерительной информации осуществляется электронным устройством
со встроенной микро-ЭВМ.Результаты обработки передаются на печатающее
устройство и видеомонитор.
Таблица 2.18 - Технические характеристики координатно-измерительной
машины КИМ-600
|
Метод измерения
|
абсолютный
|
|
Система координатных
перемещений
|
прямоугольная и полярная
|
|
Диапазон перемещений
линейных, мм Х Z угловых, градусов С
|
900 400 360
|
|
Предельная погрешность
измерения координатных перемещений
|
0,012
|
|
Наибольшие размеры
измеряемой детали L x B x H, мм
|
800 x 800 x 350
|
|
Наибольшая масса измеряемой
детали, кг
|
250
|
|
Дискретность шкалы
отсчетных систем с блоком цифровой индикации прямоугольной, мм полярной, мин
|
0,001 5
|
|
Тип направляющих
перемещений линейных и круговых
|
аэростатический
|
|
Материал направляющих
линейных и круговых
|
гранит
|
|
Масса,кг
|
1500
|
Из склада заготовок и деталей они в таре доставляются штабелером на
приемный роликовый конвейер, а с конвейера с помощью транспортной тележки
транспортируются к координатно-измерительной машине.
Применение координатно-измерительной машины для окончательного контроля
готовых деталей или пооперационного контроля позволяет обеспечить высокую
точность и качество измерений, автоматизировать процесс проверки деталей
(заготовок), сократить расходы на специальные измерительные инструменты, в
результате чего получить экономию времени на 90%.
Измерения проводятся в специальном помещении отдела технического
контроля, где для повышения точности измерений поддерживается постоянная
температура и влажность воздуха.
2.9.7 Расчет режимов резания
Подробно расчет произведем на две операции.
Расчёт режимов резания на операцию 020 Токарная с ЧПУ.
Таблица 2.19 Исходные данные для расчета режимов
резания на операцию 020
|
№ пер
|
Содержание перехода
|
Обору-дование
|
Режущий инструмент
|
Марка РИ
|
Припуск t,
мм
|
|
1
|
Точение повышенной точности
Ø52,175мм
|
Токарный станок с ЧПУ
нормальной точности 16А20Ф3
|
Резец контурный
|
Т15К6
|
|
|
2
|
Растачивание повышенной
точности отверстия Ø13,928мм
|
|
Резец расточной
|
Т15К6
|
|
|
3
|
Точение повышенной точности
Ø48-0,039
|
|
Резец контурный
|
Т15К6
|
|
|
Переустанов детали
|
|
|
|
4
|
Растачивание высокой
точности отверстия Ø мм
|
|
Резец расточной
|
Т15К6
|
|
Рисунок 2.11 Эскиз к операции 020 - токарная с ЧПУ.
Определяем режимы резания на 1 и 2 переходы.
. Расчет длины рабочего хода Lрх для каждого инструмента.
= Lрез +
y +Lдоп [9, c. 14]
где Lрез -
длина резания,мм;
у - длина подвода, врезания и перебега инструмента.
Lдоп - дополнительная длина хода.
. Назначение подачи на оборот шпинделя.
3.Определение стойкости инструмента по нормативам
Тр=Тм·λ [9, c.26]
где Тм- стойкость машинной работы станка, мин.
λ - коэффициент времени резания. При λ
> 0,7 ее не учитывают.
4. Расчет скорости резания V, числа оборотов шпинделя станка в
минуту.
Определим скорость резания для первого перехода:
= Vтабл
· К1·К2·К3 [9, c.29]
где К1 - коэффициент, зависящий от обрабатываемого
материала,
К2 - коэффициент, зависящий от стойкости и марки
твердого сплава,
К3 - коэффициент, зависящий от вида обработки.
V = 160 · 0,85·1,25·1,35=229,5м/мин
Определим скорость резания для второго перехода:
= 160 · 0,85·1,25·1,35=229,5м/мин
Определим скорость резания для третьего перехода:
= 160 · 0,85·1,25·1,35=229,5м/мин
Определим скорость резания для четвертого перехода:
= 160 · 0,85·1,25·1,35=229,5м/мин
5. Расчет числа оборотов шпинделя.
Расчет числа оборотов шпинделя для первого
инструмента:
[9, c.14]
Принимаем N1 = 1400 мин-1
Расчет числа оборотов шпинделя для второго перехода:
Принимаем N2 = 4000мин-1
(максимальные обороты станка)
Расчет числа оборотов шпинделя для третьего перехода:
Принимаем N3 = 4000мин-1
(максимальные обороты станка)
Расчет числа оборотов шпинделя для четвертого
перехода:
Принимаем N4 = 1500мин-1
(максимальные обороты станка)
6. Уточнение скорости резания по принятым
оборотам шпинделя
[9, c.15]
7. Расчет основного машинного времени обработки
То.
Т.к. время обработки неперекрывающиеся, то То
определим по формуле:
[9, c. 16]= Lрх / (S0·n)=7/ (0,15·1400)=
0,03мин= 14/(0,08·4000)=0,04мин= 14/(0,05·4000)=0,07мин= 3,5/(0,15·1500)=0,015мин
То= 0,03+0,04+0,07+0,015=0,155мин
Сводим полученные результаты в таблицу 2.19.
Таблица 2.20 Режимы резания операции 020.
Расчёт режимов резания на операцию 030 шлифовальная с ЧПУ
Рисунок 2.12 Эскиз к операции 030 - шлифовальная с ЧПУ.
1. Выбор характеристики шлифовального круга.
Выберем круг с односторонней конической выточкой
20-300/200х40/20х127 25А 10П М2 8 35м/с ГОСТ 2424-83.
Д=300 мм, ширина круга =40мм
Таблица 2.21 Исходные данные для расчета режимов
резания на операцию 030
2. Расчет скорости шлифовального круга.
Где Д- диаметр шлифовального круга
nкр - число оборотов круга по станку
3. Расчет скорости вращения детали V,в м/мин и
числа оборотов детали в минуту, n.
Выбор рекомендуемой нормативами скорости
деталидет=25м/мин [9,с.173]
Расчет числа оборотов детали, соответствующей рекомендуемой
скорости, и уточнение его по паспорту станка.
где d-
диаметр деталидет - скорость детали
принимаем: N=150мин-1
Уточнение скорости детали по принятым оборотам
4. Выбор минутной поперечной подачи Sм, мм/мин
Sм = 2,1 мм/мин [9,с.173]
5. Определение времени выхаживания Твых, мин
Твых = 0,11 мин [9,с.175]
6. Расчет основного машинного времени То, в мин
где - а вр =(0,3-0,35)а - припуск на этапе врезания
а вр= 0,3*0,03 = 0,009мм
а ок = 0,03 - припуск на этапе окончательной подачи
Таблица 2.22 Режимы резания операции 030
Смазочно-охлаждающие жидкости, применяемые при обработке
К смазочно-охлаждающим жидкостям, применяемым при резании предъявляются
следующие основные требования: высокая охлаждающая и смазочно-режущая
способность, стойкость, антикоррозионность и безвредность для работающего. Все применяемые смазочно-охлаждающие
жидкости можно разделить на две основные группы: охлаждающие и смазывающие.
К первой группе относятся жидкости с малой вязкостью, большой
теплоёмкостью и теплопроводностью: водяные растворы минеральных электролитов
(кальцинированная сода, нитрит натрия и т.д.) и водные эмульсии. Ввиду большой
теплоемкости их применяют в тех случаях, когда основной целью является
охлаждающее действие - для повышения стойкости режущего инструмента (например,
при обдирочных работах, когда происходит большое тепловыделение и шероховатость
обработанной поверхности не имеет особого значения).
К жидкостям второй группы, обладающим высокой маслянистостью, относятся
минеральные, растительные, животные и компаундированные масла (смесь
минеральных масел с растительными или животными), а также керосин и растворы в
масле или керосин не поверхностно-активных веществ. Жидкость этой группы
применяют при чистовых и отделочных работах, когда требуется низкая
шероховатость и высокая точность обработанной поверхности. В машиностроении
широкое распространение нашли так называемые осерненные масла (сульфофрезолы),
содержащие в качестве активированной добавки серу.
Широко распространенные водяные эмульсии приготовлены из эмульсолов,
представляющих собой коллоидные растворы мыл и органических кислот в
минеральных маслах, стабилизированных водой или водой со спиртом. При
смешивании с водой получается эмульсия цвета от молочно-белого до коричневого
(2 - 20% масла и 0,3 - 2% мыла).
Лучшей жидкостью будет та, которая наряду с высокими охлаждающими
свойствами обладает и хорошей маслянистостью, что достигается введением в
жидкость поверхностно-активных веществ.
В связи с этим в промышленности широкое распространение получили
активированные эмульсолы, к которым относится, например, осерненный эмульсол
следующего состава: 25% сульфированного касторового масла; 13,5% осерненного
соевого масла; 17% минерального масла; 32% воды и 20% - ный раствор
каустической соды - остальное (до получения прозрачного масла). На основе
вышеописанного эмульсола (СОЖ "Ивкат") используется его 5 - 10%
водный раствор.
2.9.8 Техническое нормирование
При серийном производстве рассчитывается штучно-калькуляционное время по
формуле:
,
где n - партия запуска деталей,
принимается n = 387 шт.
Штучное время обработки детали:
Тшт = tо + tв + tобс + tп,
где to - основное машинное время на
операцию;
tв = tв.у + tм.в - вспомогательное время, включающее
время tв.у на установку и снятие заготовки и
вспомогательное время tм.в, связанное с выполнением
вспомогательных ходов и перемещений при
обработке поверхности, мин;
tобс - время на обслуживание рабочего
места;
tп - время на личные потребности, мин
(назначается в процентах от оперативного времени
оп=(tо + tв.у + tм.в).
Время работы станка по программе управления (время цикла обработки) tп.у равно неполному оперативному времени
работы станка:
п.у = tо + tм.в = tоп.н.
Машинно-вспомогательное время tм.в включает комплекс приемов, связанных с позиционированием, ускоренным
перемещением рабочих органов станка, подводом инструмента вдоль оси в зону
обработки и последующим отводом, автоматической смены режущего инструмента из
инструментального магазина. Эти элементы времени зависят от скоростей
перемещения рабочих органов и длины перемещений. При составления программы
управления (ПУ) следует учитывать возможность совмещения приемов и назначать
такую последовательность выполнения переходов обработки, чтобы tм.в было минимальным. Так, при
обработке на станках с крестовым столом и поворотной револьверной головкой
следует полностью с одного позиционирования обрабатывать одно (центровать,
сверлит и т.д.), а затем другое и т.д. отверстия, так как время на смену
инструмента значительно меньше времени на позиционирование (tпоз >> t см.и). Для сверлильно-фрезерно-расточных станков с
магазинами tсм.и >> tпоз, поэтому целесообразно проводить
обработку всех отверстий сначала одним, а затем другим инструментом. На станках
со сменными палетами-спутниками учитывается только время на смену палеты и
перемещение стола в рабочую позицию.
В состав работ по организационному обслуживанию рабочего места включены:
осмотр, нагрев системы ЧПУ и гидросистемы, опробование оборудования, получение
инструмента от мастера (наладчика) в течении смены, смазывание и очистка станка
в течении смены, предъявление контролеру ОТК пробной детали, уборка станка и
рабочего места по окончании работы.
К техническому обслуживанию рабочего места относится: смена затупившегося
инструмента, коррекция инструмента на заданные размеры, регулирование и
подналадка станка на в течении смены, удаление стружки из зоны резания в
процессе работы.
Подготовительно - заключительное время Тп-з при обработке на станках с
ЧПУ состоит из затрат времени (приемов) Тп-з1, из затрат Тп-з2, учитывающих
дополнительные работы, и времени Тп-з3 на пробную обработку детали:
Тп-з = Тп-з1 + Тп-з2 + Тп-з3
В затраты Тп-з1 включено время на получение наряда, чертежа,
технологической документации на рабочем месте в начале смены и сдачу в конце
смены. В соответствии с руководящим материалом Оргстанкинпрома принята единая
норма (Тп-з1 = 12 мин) для всех станков с ЧПУ.
Для станков типа "обрабатывающий центр" и других, на которых
после обработки первой детали проводят коррекцию инструмента на заданные
размеры, время Тп-з3 включено в нормативы на техническое обслуживание станков.
Расчет норм времени для операции 020
Определение машинного времени на операцию:
Тмаш= tом+tвм
где tом - основное машинное время, связанное
непосредственно с резанием.
tвм - вспомогательное машинное время на
операцию
вм=Lno/Sуск;
no - длина подвода, отвода инструмента в зону резания.(400 мм)
Sуск - ускоренная подача.(30 м/мин)
вм= 0,4/30 = 0,013 мин
Ввиду большой скорости перемещения револьверной головки станка время
ускоренного подвода инструмента отличается незначительно следовательно на 4
подводов-отводов режущего инструмента занимает
Так как деталь на данной операции выполняется с переустановом, то учтем
это время. t пер = 0,12 мин.
вм = tвм ∙ 4 ∙ 2 =0,013 ∙
14+0,12 = 0,224 мин
Тмаш=Σ tом+tвм = 0,155+0,224=0,379 мин
Определение вспомогательного времени на операцию.
Твсп = tуст+tконтр
уст - время на установ, снятие детали
tуст=0,12 мин [9 стр.127 ]
tконтр - время на контроль детали
Произвести проверку калибрами размеров детали
tконтр=0,2*4=0,8мин
Твсп=0,12+0,8=0,92мин
Оперативное время на операцию:
Топ=Тмаш+Твсп=0,259+0,92=1,179 мин
Определение времени на обслуживание рабочего места:
Тобсл = tорг +tтех
орг - время на организацию обслуживания
tтех - время на техническое обслуживание
орг=3,3%* Топ=0,033∙1,179=0,04 мин
tтех=1,5%* Топ=0,015∙1,179=0,02
мин
Тобсл =0,04+0,02=0,06 мин
Определение времени на отдых и личные надобности:
Определяем штучное время на операцию:
Тшт=0,379+0,92+1,179+0,06+0,02=2,293 мин
Определение подготовительно-заключительного времени на партию деталей Тпз
Таблица 2.23
Определяем штучно-калькуляционное время на операцию:
Расчет норм времени для операции 030
Определение машинного времени на операцию:
Тмаш= tом+tвм
где tом - основное машинное время, связанное
непосредственно с резанием.
tвм - вспомогательное машинное время на
операцию
вм=Lno/Sуск;
no - длина подвода, отвода инструмента в зону резания.(400 мм)
Sуск - ускоренная подача.(30 м/мин)
tвм= 0,4/30 = 0,013 мин
Тмаш=Σ tом+tвм = 0,16+0,013=0,173 мин
Определение вспомогательного времени на операцию.
Твсп = tуст+tконтр
уст - время на установ, снятие детали
tуст=0,2 мин [9 стр.127 ]
tконтр - время на контроль детали
Произвести проверку калибрами размеров детали
контр=0,2*2=0,4мин
Твсп=0,2+0,4=0,6мин
Оперативное время на операцию:
Топ=Тмаш+Твсп=0,173+0,6=0,773 мин
Определение времени на обслуживание рабочего места:
Тобсл = tорг +tтех
орг - время на организацию обслуживания
tтех - время на техническое обслуживание
орг=3,3%* Топ=0,033∙0,773=0,03 мин
tтех=1,5%* Топ=0,015∙0,773=0,01
мин
Тобсл =0,03+0,03=0,04 мин
Определение времени на отдых и личные надобности:
Тотд=2%* Топ=0,02∙0,773=0,015 мин
Определяем штучное время на операцию:
Тшт=0,773+0,04+0,015=0,828 мин
Подготовительно-заключительного времени на партию деталей Тпз
= 24,127мин
Определяем штучно-калькуляционное время на операцию:
Нормы времени на остальные операции технологического
процесса приведены в таблице 2.24.
Таблица 2.24 Нормы времени на операции
технологического процесса
|
№ опер.
|
005
|
010
|
015
|
020
|
025
|
030
|
|
Тшт-к, мин
|
2,5
|
4,9
|
2,5
|
2,4
|
5,1
|
0,94
|
å Тшт-к = 18,34 мин
.9.9 Разработка управляющей программы на станок с ЧПУ
Программирование токарных операций начинается с составления
расчетно-технологической карты (РТК), определения координат опорных точек и
т.д. Эскиз обрабатываемой детали представляют в двух системах координат: станка
и детали. Для сравнительно простых операций на РТК показывают исходное
положение всех используемых инструментов (указывают также их вылет) и шпинделя.
До расчета траектории инструментов при обработке сначала определяют
состав переходов для каждого инструмента, затем уточняют состав переходов и
общую их последовательность.
В общем случае кодирование информации управляющей программы (УП) сводится
к кодированию процесса замены инструмента, кодированию перемещения
(позиционирования).
Программирование обработки значительно проще, если использовать
возможности УЧПУ по смещению нуля и вводить коррекцию на инструмент в период
наладки (настойки) станка исходя из действительного его вылета. Это не только
упрощает кодирование информации, но и в значительной мере упрощает составление
РТК: нет необходимости задаваться вылетом инструментов, не нужен пересчет
координатных точек из системы координат детали в систему координат станка и
т.д.
Все это объясняется тем, что нуль станка смещается в начало координат
детали и отсчет программных перемещений в процессе отработки УП ведется от
точки нуля детали. Кроме того, при настройке станка вылет L каждого инструмента вводится (с
обратным знаком) в корректор этого инструмента. Величину коррекции определяют
при настройке инструмента.
Расчет координат опорных точек детали и разработка
управляющей программы обработки детали на станке с ЧПУ произведем для операции
020 - токарная. Маршрут обработки на данной операции берем из маршрутной карты.
Рисунок 2.13 Обработки детали на операции 020.
На основании рисунка 2.13 определим координаты опорных
точек методом размерных цепей, и занесем расчетные координаты в таблицу 2.25
Таблица 2.25 Координаты опорных точек детали в
миллиметрах
|
№ точки
|
координаты
|
№ точки
|
координаты
|
|
Х
|
Z
|
|
Х
|
Z
|
|
1
|
26,08
|
30
|
8
|
7
|
30
|
|
2
|
26,08
|
23
|
9
|
7
|
-3
|
|
3
|
28
|
25
|
10
|
5
|
-3
|
|
4
|
6,96
|
30
|
11
|
5
|
30
|
|
5
|
6,96
|
-3
|
12
|
24
|
13
|
|
6
|
5
|
-3
|
13
|
24
|
8
|
|
7
|
5
|
30
|
14
|
26
|
13
|
Для данной детали выбираем правую прямоугольную
систему координат.
Назначим код инструмента:
ТО1 - резец контурный
Т02 - резец расточной
Составим управляющую программу с УЧПУ Siemens:
% - начало программы
№1. Т1# - первый инструмент
№5. М40# - разблокировка шпинделя
№6 М3# - вращение шпинделя по часовой стрелке
№10 S1400 M8# - число оборотов, включение СОЖ
№15 G1 Z30 X26,08 F15# - линейная интерполяция, перемещение по прямой
линии с заданной подачей
№20 Z23# - координата точки по оси Z
№25 Z25 Х28#
№30 Z150 X150 F200
#- перемещение инструмента в 0.
№35 Т02 М06# - смена инструмента
№40 X6.96 Z30 F200 S4000#
№45 X-3 F8#
№50 X5#
№55 Z30 F200#
№60 X7 F5#
№65 Z-3#
№70 X5#
№75 Z30 F200#
№80 Z150 X150 F200 #
№85 М00# - программируемый останов
№90 Т01 М06#
№95 X24 Z13 F200 S1500#
№100 Z8 F15#
№105 X26 Z13#
№110 Z150 X150 F200 #
№115 M05# - выключение шпинделя и охлаждения
№120 М02# - конец программы
%
2.10 Особенности проектирования групповой технологии
Под групповым методом понимают такой метод, при
котором для группы однородной по тем или иным схожим конструктивно-
технологическим признакам продукции, устанавливаются однотипные,
высокопроизводительные методы обработки, с использованием однородных и
быстропереналаживаемых орудий производства. Разработчиком данного метода
является С. П. Митрофанов, цель метода - приближение мелкосерийного и
среднесерийного производства к крупносерийному и массовому.
За основу группового метода принимается
технологическая классификация деталей, заканчивающаяся формированием группы.
Под группой понимается совокупность деталей, характеризуемая при обработке
общностью оборудования, оснастки, построения всего технологического процесса в
целом или отдельных операций.
Методы группирования деталей:
по конструктивному технологическому сходству
по элементарным поверхностям
по преобладающим видам обработки,
единству технологического оснащения и общности наладки
станка
по модульному принципу, основанному на создании
модулей
поверхностей.
Под групповым технологическим процессом понимается -
совокупность групповых технологических операций, обеспечивающих изготовление
деталей группы по общему технологическому маршруту.
Согласно ГОСТ П.316-75 предъявляются основные
требования:
.Последовательность технологических операций и
переходов должна обеспечивать полную обработку любой детали данной группы, в
соответствии с требованиями чертежа.
.Технологическая оснастка группового технологического
процесса / приспособления, инструмент, также должна обеспечивать изготовление
любой детали данной группы.
.Допускаются пропуски некоторых операций.
Составим групповой технологический процесс в виде
матрицы.
Таблица 2. 26 Матрица группового технологического
маршрута.
|
№ опер
|
Наименование операции
|
Обозначение детали в группе
|
Модель станка
|
|
|
А
|
Б
|
В
|
Г
|
Д
|
|
|
005
|
Токарная с ЧПУ
|
1
|
1
|
1
|
1
|
1
|
16А20Ф3
|
|
010
|
Многоцелевая
|
1
|
1
|
1
|
1
|
1
|
ROBODRILL
|
|
015
|
Токарная с ЧПУ
|
1
|
1
|
1
|
1
|
1
|
16А20Ф3
|
|
020
|
Токарная с ЧПУ
|
1
|
1
|
1
|
1
|
1
|
16А20Ф3
|
|
025
|
Многоцелевая
|
1
|
1
|
1
|
1
|
1
|
ROBODRILL
|
|
030
|
Круглошлифовальная
|
1
|
1
|
1
|
1
|
1
|
3А151Ф2
|
|
035
|
Контрольная
|
1
|
1
|
1
|
1
|
1
|
|
3.
Технологическиерасчеты производственного подразделения
3.1 Определение количества и типа основного
производственного оборудования
Количество основного производственного оборудования
определим для каждой технологической операции, исходя из станкоемкости в
соответствии с технологическим процессом механической обработки, по формуле:
где Киспл - коэффициент использования оборудования,
Ки = 0,85 - станки с ЧПУ, Кзагр = 0,85, Кнал
= 0.93..0,98
Дуч - программа участка. = 88065шт
Фз.о. - действительный годовой фонд времени работы
оборудования. Фз.о = 5379 час.
станок
станка
станок
станок
станка
станок
Из выше расчитанного можно сделать вывод, что Кзо
оборудования на операции 030 очень мал. Для дозагрузки оборудования увеличим Nг для чего используем детали цеха не
входящие в представленную группу деталей.
Примем Nг для
станка операции 030 равное 40000штук.
станок
Определим коэффициент загрузки оборудования:
Кз=Sрас/Sприн
Средний коэффициент использования оборудования:
.
Принятое оборудование на участке сведем в таблицу 3.1.
Таблица 3.1 Расчет коэффициента загрузки оборудования
|
№ операции
|
Sрас
|
Sприн
|
Кз
|
|
005
|
0,96
|
1
|
0,96
|
|
010
|
1,88
|
2
|
0,94
|
|
015
|
0,96
|
1
|
0,96
|
|
020
|
0,95
|
1
|
0,95
|
|
025
|
1,96
|
2
|
0,98
|
|
030
|
0,85
|
1
|
0,85
|
|
Итого:
|
|
8
|
Кз ср = 0,945
|
Рисунок 3.1 График загрузки оборудования
Определим площадь необходимую для расположения
производственного оборудования.
гдеSуд = 16 м2 - норма удельной площади для единицы
оборудования
- коэффициент учета для автоматизированных участков, площади
вспомогательного оборудования;ст = 9 (8 станков + 1 моечная машина);
м2
.2 Состав и количество работающих
Состав и число работающих определяется характером
производственного процесса, степенью его автоматизации, уровнем кооперации и
специализации вспомогательных служб, структурой и степенью автоматизации системы
управления производством.
Определение численности работающих на участке начинаем
с рабочих основного производства - производственных рабочих.
Так как, проектируемый участок явлюется
автоматизированным, то целесообразно применить на участке промышленных роботов.
В состав работающих входят
производственные и вспомогательные рабочие,
инженерно-технические работники,
счетно-конторский персонал,
младший обслуживающий персонал
работники технического контроля.
К производственным рабочим относятся
операторы и наладчики станков с ЧПУ,
слесари, слесари-сборщики и слесари-электрики.
Состав и количество работающих на участке сведем в
таблицу 3.2.
Таблица 3.2 Состав и количество работающих
|
Наименование
|
Кол-во
|
|
1см
|
2см
|
3 см
|
|
Оператор станка с ЧПУ
|
1
|
1
|
1
|
|
Наладчик станков с ЧПУ
|
2
|
2
|
2
|
|
Вспомогательный рабочий
|
1
|
1
|
1
|
|
Наладчик РИ
|
1
|
1
|
1
|
|
Контролер ОТК
|
2
|
2
|
2
|
|
Диспетчер АТСС и ТР
|
1
|
1
|
1
|
|
Мастер
|
1
|
1
|
1
|
|
Технолог программист
|
1
|
-
|
-
|
|
Инженер электронщик
|
1
|
-
|
-
|
11
|
9
|
9
|
|
Итого
|
29
|
Остальной обслуживающий персонал находится в составе
общецеховой службы. Например, бригада слесарей по ремонту транспортных и
грузоподъемных устройств, электрики, смазчики, слесаря по текущему ремонту
обслуживают несколько участков.
В цеху создана единая служба нормирования, бригада
специальных уборщиков, гардероб, и т.д.
.3 Станкоемкость и трудоемкость
Станкоемкость - это сумма затрат станочных работ,
необходимых для изготовления изделия.
Станкоемкость и трудоемкость обработки определяется по
технологическому процессу.
Станкоемкость обработки детали по проектируемому
варианту определяется в пункте 2.9.7 пояснительной записки.
Тст.ч = åТшт-к/60 =18,34мин/60 =0,28ст-ч
Трудоемкость - затраты труда основного
производственного рабочего по выполнению данной операции.
С учетом многостаночного обслуживания на оборудовании
с ЧПУ трудоемкость определяется
Тчел.час = Тст-ч/Sp
где Sp-
коэффициент многостаночного обслуживания.
где: Коб - количество оборудования на участке
Краб - количество производственных рабочих
Тчел.час = 0,28/2,7=0,1
Трудоемкость остальных деталей группы представителей,
обрабатываемых на проектируемом участке определяем укрупнено, и данные сведем в
таблицу 3.3.
Таблица 3.3 Трудоемкость остальных деталей группы
|
Наименование изделия
|
Станкоемкость и
трудоемкость
|
|
По существующим данным
|
По проектным данным
|
|
Тст-ч
|
Тчел-ч
|
Тст-ч
|
Тчел-ч
|
|
Деталь А
|
5,55
|
5,55
|
0,28
|
0,1
|
|
Деталь Б
|
5,4
|
5,4
|
0,25
|
0,1
|
|
Деталь В
|
5,0
|
5,0
|
0,23
|
0,1
|
|
Деталь Г
|
4,8
|
4,8
|
0,20
|
0,1
|
|
Деталь Д
|
4,8
|
4,8
|
0,20
|
0,1
|
.4 Технологическое проектирование вспомогательных
служб участка
3.4.1 3аготовительное отделение
Заготовительное отделение на участке отсутствует, т.к.
заготовки поступают на участок из заготовительного цеха.
.4.2 Технологическое оснащение участка
Заточное отделение
В металлообрабатывающих цехах заточка инструмента
осуществляется централизованно в заточных отделениях, оснащенных специальными
станками и приспособлениями, поэтому рассчитывать его нет необходимости.
Кладовые инструментального хозяйства
Количество инструментальных кладовых в цехе
определяется масштабом обслуживания производства. Так для производственных
цехов с количеством производственного оборудования менее 200 единиц, делается
одна общая кладовая для всех видов инструментов (за исключением абразивного)
вспомогательного и мерительного инструментов и кладовой приспособлений.
Поэтому, ввиду малого количества производственного оборудования на
проектируемом участке, кладовая инструментального хозяйства проектируется
отдельно, на другом участке цеха.
Мастерская для ремонта приспособлений и
вспомогательного инструмента
Мастерская по ремонту механической оснастки организуется
в цехах при числе станков >100 шт. При меньшем числе станков ремонт оснастки
выполняется в инструментальном цехе завода, не организовывая отдельную
мастерскую в основном производстве.
Участок настройки инструмента для станков с ЧПУ
Площадь отделения для настройки инструмента для
станков с ЧПУ, рассчитываем по укрупленной формуле:
Fнастр = 0,345*åSпр
Fнастр = 0,345*8= 2,76 м2
Принимаем Fнастр = 3м2
Контрольные пункты
Контрольные пункты предназначены для проведения
окончательного контроля детали после полной ее обработки. Пункт располагают по
пути движения детали согласно технологического маршрута.
Площадь контрольного пункта
Fкп= Кр.ор*Кк*Рк
где Кр.об - коэффициент, учитывающий расположение
оборудования, инвентаря для контроля, Кр.об = 1,65
К к - норма площади на одного работника-контролера,
Кк=5м2
Рк - число контролеров, работающих в одну смену,
Рк = 1.
к = 1,65*5*1 = 8,25м2
.5 Материалы и грузооборот участка
Материалы подразделяют на основные и вспомогательные.
Основные материалы предназначены для изготовления деталей. Вспомогательные
предназначены для технологического прочеса и в связи с эксплуатацией и ремонтом
оборудования, инструмента, приспособлений, используемые для цеховых
хозяйственных нужд.
Расход основных материалов сведем в таблицу.
Таблица 3.4 Расход основных материалов
|
Поступление
|
Отправление
|
|
Наименование
|
Масса
|
Наименование
|
Масса
|
|
штамповка
|
0,73кг*88065шт=
64287кг=64,3т
|
Детали на сборку
|
0,34кг*88065шт=
29942кг=29,9т
|
|
|
Стружка
|
64,3-29,9=34,4т
|
|
Итого поступления
|
64,3т
|
Итого отправления
|
64,3т
|
.6 Складская и транспортная системы
Склады служат для накопления, хранения и регулирования
необходимых межцеховыхи внутрицеховых заделов заготовок и готовых деталей,
обеспечивающих бесперебойную работу механических цехов.
На проектируемом участке используются следующие
транспортные средства:
для перемещения заготовок и готовых деталей от склада
на участок и наоборот предусмотрен кран - штабелер
на участке перемещение деталей от станка к станку
происходит при помощи автооператора
для уборки и пакетирования стружки предусмотрен
шнековый подпольный конвейер
По рекомендациям [2, с.96, глава 3.2] подсчитаем основные параметры
автоматизированного склада заготовок и деталей и по расчетным данным подберем
количество и тип кранов - штабелеров и габариты склада.
Предварительно по рекомендациям [2, с.101] принимаем стеллажный склад с
блочными стеллажами, со стеллажным краном - штабелером.
Исходными данными для расчета являются:
Тшт.к = 16,74 мин;
Число рабочих смен - 3;
Количество операций - 6;г = 88065 шт.
. Ёмкость склада заготовок и деталей рассчитывается по формуле:
Где Rз
- коэффициент неравномерности запасов,
Rз = 1,5¸1,3, принимаем Rз =1,3.- годовой грузооборот груза. Q = Nг
= 88065 шт.
Тпхр - время хранения заготовок и деталей.
Тпхр = 5 дней [2, с.97, табл.3.1].
Тр - количество рабочих дней в году, Тр = 249 дней.
шт.
. Количество ячеек определяем по формуле:
гдеNт - количество деталей в таре.
Так как заготовки с деталями передаются в кассетах, то ёмкость одной
кассеты принимаем Nт = 48 шт. [2, с.108].
ячеек
Для данной детали представителя с известными габаритными размерами L =
27мм, d = 70 мм по таблице 3.3 [2, с.99] выбираем кассету с габаритными
размерами a´b´h = 550´490´110 мм.
3. Расчёт интенсивности внешнего грузопотока.
Где aD - процент брака деталей, aD = 2%;
Rп - коэффициент неравномерности поступления грузов, принимаем Rп = 1,3; Тсм - продолжительность смены, Тсм - 8 часов;
Т - количество рабочих дней в году, Т = 249 дней;и -
коэффициент использования рабочего времени, принимаем
Rи = 0,85; Nт = 48 штуки;см
- количество рабочих смен, Nсм = 3 смены.
кассеты/час
4. Расчет интенсивности выдачи готовых изделий.
гдеRв - коэффициент выдачи готовых изделий.
кассеты/час
5. Выбор габаритов склада.
Так как предусмотрен совмещенный склад заготовок и деталей, то общее
количество ячеек с учетом запаса будет равно:
NячS = Еяч×Rз ,
гдеRз - коэффициент запаса,
принимаем Rз = 1,2 [2, с.108].
NячS =48×1,2 =
57,6
58 ячеек.
С учётом рассчитанного числа ячеек и принимая во внимание габаритные
размеры кассеты, по рекомендациям [2, с.110] принимаем габариты
автоматизированного склада с учётом зазора между кассетами и целого числа,
принимаем по высоте 8 ячейки, в длину 8 ячейки, а ширина b = 620 мм
Исходя из этого, длина склада будет равна:
гдеLкассеты = а = 490 мм;
l1 = 60 мм -
боковой зазор между кассетами;
l2 = 110 мм -
зазор между тарой и стенкой стеллажа.
м.
Высота склада будет равна:
гдеHп - высота от пола до первого яруса,
принимаем Hп = 700 мм [2, с.115];= 8 - число ярусов;я
= 110 мм - высота ячейки;в = 1500 мм - расстояние от верхнего
стеллажа до штабеля.
м.
Габариты склада будут равны: L´B´H=4,62´0,62´3 м.
Площадь склада будет равна: S =L´В=4,62×0,62=2,9 м2.
Для рассчитанного автоматизированного склада заготовок и деталей по [16,
с.159, табл.2] кран-штабелер модели СА-ТСС-0,16.
Грузоподъемность - 50 кг.
Маршевая скорость крана - vм = 60 м/мин;
Скорость перемещения каретки по высоте - vв = 18 м/мин;
Скорость выдвижения грузозахвата - vг = 15 м/мин.
Мощность электродвигателя - Nэл.дв = 4 кВт.
По рекомендациям [7, с.529] количество кранов-штабелеров для данного склада
принимаем один.
.7 Технологическая подсистема смазочно-охлаждающих
жидкостей
Существует три способа подачи СОЖ:
а) Централизованный - применяется для цехов со станками использующими
однотипную СОЖ
б) Централизованный групповой - применяется для определенных групп
станков использующих разные виды СОЖ
в) Децентрализованный - наличие в цехе небольшого количества станков
использующих СОЖ.
Потребность СОЖ зависит от её технологической стойкости, режима работы,
обрабатываемого материала, интенсивности загрузки оборудования, объёма
выходящей стружки.
На данном участке применяются однотипный вид СОЖ: Эмульсол
"Ивкат" (5-10%), следовательно на участке применяется
централизованный групповой способ подачи СОЖ к станкам, от групповых
циркуляционных установок цеха.
Для предварительной очистки СОЖ используют различные сетчатые фильтры, а
для тонкой очистки - магнитные сепараторы, бумажные фильтры, центрифуги и др.
Определение потребности в СОЖ (т/год):
Qо = Qз + Qд + Qв , [21,
с.63]
гдеQз - потребность для периодической замены жидкости в
системе по окончании периода технологической стойкости СОЖ;д -
потребность для периодического долива, т/год;в - количество СОЖ,
возвращающееся в систему, т/год.
[21, с.63]
где
- количество замен жидкости в
системе в год;
гдеТСОЖ - технологическая стойкость СОЖ;
ТвСОЖ = 3 месяца [21, с.63, табл.11.6.1];3
= 12/3 = 4 раза - для водорастворимых;
r0 -
плотность жидкости:
r0 = 0,95
кг/л - для водных СОЖ [21, с.63]с - полная ёмкость системы, л.
,
где Vб -емкость бака отдельного станка.
Принимаем Vб = 100 л [21, с.63].
;
nст = 8 станков;
литров
т/год;
[21, с.63]
гдеКд - коэффициент долива
Кд = 0,05 [21, с.63] - для водных СОЖ;
Фст - полезный фонд рабочего времени оборудования, смена/год,
Фст =
смен/год.
т/год;
[21, с.63]
гдеКр - коэффициент долива:
Кр = 0,7 [21, с.64] - для водных СОЖ;
т/год;о = 3 +3,55 + 2,1 = 8,65 т/год;
Площадь участка для сбора, приготовления и регенерации СОЖ рассчитывается
один для цеха.
Учитывая пожароопасность участок располагают у наружной стены здания с
отдельным выходом наружу, смежно с участком переработки стружки.
Подача СОЖ к режущим инструментам участка -
централизованная.
СОЖ со станков сливается в грязевой бак со скребковым
транспортером, окуда насосом подается в фильтр и поступает в бак с чистой СОЖ,
из которого насосами СОЖ подается на станки.
3.8 Отделение сбора и переработки стружки
Определим объем выхода стружки на участке:
кг/час.
При обработке данной детали получается мелкая
элементная стружка.
Для участковрасположенных на площади 400…700м2
и выходом стружки до 0,3 т/час целесообразно устанавливать линейные конвееры
вдоль технологических линий. На линейный конвеер стружка автоматически подается
станочным транспортером. Линейные конвееры располагаются в непроходных каналах
глубиной600..700мм. тара со стружкой вывозится из цеха колесным транспортером.
Стружку легированной стали, следует сдавать
рассортированной по группам. Собранная стружка подлежит дальнейшей обработке:
дроблению, грохочению, обезжириванию, магнитной сепарации, брикетированию.
Режущие инструменты снабжены стружколомающими лунками
для отвода и дробления стружки.
В качестве средства для транспортирования принимается
гидротранспортер с охлаждающей жидкостью. Он имеет много преимуществ по сравнению
с другими механизмами: меньшую стоимость изготовления, монтажа и наладки на 1
погонный метр трассы, незначительные эксплутационные расходы, большие сроки
эксплуатации.
Безнапорный гидротранспортер представляет собой
наклонные открытые желоба, по которым самотеком перемещается СОЖ. Энергии
движущейся жидкости достаточно для транспортирования стружки.
Площадь отделения для сборки и переработки стружки определим укрупненно:
3.9 Энергетика участка
.9.1 Электрическая энергия
а) Оборудование
[21, с.69]
гдеNср - средняя мощность оборудования, Nср = 10
кВт;
Собщ - общее число оборудования;
Собщ = Сосн.ст. + Свсп.об.
Сосн.ст. = 8 - основное оборудование;
Свсп.об. = 5 - количество вспомогательного оборудования
(роботы, электрозажимные приспособления, моечная машина);
Собщ =8 +5 = 13 единиц
Фэф.об = 5379 часов;
Кс - коэффициент спроса, принимаем Кс = 0,25 [21,
с.69];т - число токоприемников, принимаем nт = 3;
кВт ч.
б) Освещение
[21, с.70]
гдеFуч - площадь участка;уд = 15 кВт/час×м2 - удельный расход
электроэнергии;
Тог - годовое число часов работы приборов освещения,
Тог = 2100 часов [21, с.70];
r = 0,75 - коэффициент использования осветительной нагрузки [21, с.70];
кВт ч.
Общий часовой расход равен:
Wобщ = Wобр + Wосв = 524452,5 + 10483=
534935,5 кВт×ч.
3.9.2 Сжатый воздух
Средний часовой расход сжатого воздуха (м3/час) на группу
потребителей определяется по формуле:
[21, с.70]
где дн - номинальный расход сжатого воздуха,
дн1 = 0,9 м3/час - приспособления, патроны;
дн2 = 0,8 м3/час - пылесосы;
Ки = 0,5 - коэффициент использования воздуха;в -
число потребителей,в1 = 7 - число потребителей воздуха на зажатие
деталей;в2 = 2 - число потребителей отсоса грязного воздуха;
м3/час.
м3/час.
м3/час.
Годовой расход воздуха:
[21, с.70]
м3
Площадь компрессорной установки равна:
м2
3.9.3 Годовой
расход пара
Годовой расход пара на технологические нужды определим укрупненно по
рекомендациям [2, с.199, п.7.9]. Подогрев СОЖ - Qг.п = 2720 ккал/м3.
3.9.4 Годовой
расход воды
Вода используется для приготовления СОЖ и промывки деталей.
Определение среднего расхода воды на один станок:
гдедв.ср = 0,6 л/час - средний годовой расход воды на один
станок;
л/час.
Годовой расход воды:
м3
Результаты расчётов сведём в таблицу 3.5.
Таблица 3.5 Энергетика участка.
|
Вид энергии
|
Потребители
|
Единица измерения
|
Годовой расход
|
|
1. Электроэнергия
|
а) оборудование б)
освещение Итого
|
кВт
|
524452,5 10483 534935,9
|
|
2. Сжатый воздух
|
а) приспособления и патроны
б) пылесосы Итого
|
м3/ч м3/ч
м3
|
3,15 0,8 18060
|
|
3. Пар
|
Подогрев СОЖ
|
ккал/ч
|
2720
|
|
4. Вода
|
Приготовление СОЖ
|
м3
|
24690
|
3.10 Механизация и автоматизация
На спроектированном участке все основные переходы охвачены
механизированным трудом. Здесь применяется автоматизированный склад заготовок и
деталей со стеллажным краном-штабелером. Основные характеристики смотри в
разделе 3.4.4. На участке применяется автоматизированное оборудование с ЧПУ.
Заготовки с деталями подаются по ленточному конвейеру в кассетах, а
устанавливаются и снимаются со станка промышленным роботом портального типа
модели: СМ40Ф2.80.01
Техническая характеристика промышленного робота портального типа модели:
СМ40Ф2.80.01:
Грузоподъемность(кг) - 40
Число степеней подвижности (без захвата) - 4
Тип привода - гидравлический
Система управления - позиционная
Число программируемых координат - 3
Погрешность позиционирования - ±1 мм
Наибольший вылет руки - 1900 мм
Линейное перемещение - 10000 мм
Скорость линейных перемещений (горизонтальное) - 0,8м/с
Угловые перемещения - Q1 = 90°, Q2 = 90°¸180°
Масса - 3400 кг
Подсчитаем уровень автоматизации
гдеСа - количество автоматизированных станков,
Са = 8 станков;
Собщ = 8 станков;
3.11 Планировка участка