Анализ технологии переработки сельскохозяйственной птицы
Введение
Положительные перемены в развитии мясного
птицеводства в мире и России обусловлены разработкой и внедрением в
производство высокопродуктивных кроссов мясной птицы промышленных технологий
выращивания, содержания и переработки. На качество мяса птицы влияет ряд
факторов: генетические, селекционные, кормовые, технологии выращивания,
доставки, убоя и переработки [5, С. 4].
Сырьем перерабатывающей промышленности служат
сухопутная и водоплавающая птица: куры, индейки, цесарки, утки и гуси.
Продуктами первичной переработки являются мясо птицы, пищевые субпродукты,
перопуховое сырье и технические отходы, используемые для производства животных
кормов, биологически активных препаратов и гидролизатов [11, С. 126].
Предприятие, перерабатывающее птицу, представляет
собой хорошо скоординированную систему механизированных операций, в которой
птица забивается, удаляются несъедобные части тушки, а съедобные упаковываются
и отправляются потребителю или на хранение. Эффективность обработки в
значительной степени зависит от однородности тушек, позволяющей каждой машине
обрабатывать одну птицу за другой без корректировки или с незначительной
корректировкой между ними [12, С. 36].
Целью настоящей курсовой работы является анализ
технологии переработки сельскохозяйственной птицы в части рассмотрения
различных аспектов убоя и первичной переработки.
Курсовая работа изложена на страницах, состоит
из введения, двух разделов, включающих семь подразделов, заключения и списка
использованной литературы. Материал работы проиллюстрирован 2 таблицами и 10
рисунками.
1. Технологическая схема
переработки птицы
Согласно требованиям ГОСТ Р 52837-2007
сельскохозяйственная птица, предназначенная для убоя, должна быть здоровой,
соответствовать правилам ветеринарного осмотра убойных животных и ветеринарной
экспертизы мяса и мясопродуктов [2].
Птицу перерабатывают на механизированных или
автоматизированных линиях. Птица транспортируется подвесными цепными или
тросовыми конвейерами. Основными условиями надежной работы автоматизированной
линии переработки птицы являются прочность и надежность тягового органа (цепи
или троса), строгое выдерживание расстояния между подвесками, фиксирование
подвески во время выполнения технологической операции, автоматическая и
синхронная с движением конвейеров работа всех единиц технологического
оборудования.
Обычно линия переработки птицы состоит из
нескольких конвейеров: первичной обработки, воскования (только водоплавающей
птицы), потрошения, охлаждения, сортировки, каждый из которых имеет отдельный
привод. В соответствии с особенностями технологии обработки птицу навешивают
последовательно с конвейера первичной обработки на конвейер воскования,
потрошения, охлаждения, сортировки [4, С. 12, 25]; [13, С. 133].
Операции, отмеченные на схеме пунктирными
линиями, выполняют не во всех случаях. Маховое и хвостовое оперение при хорошо
налаженных дисковых автоматах, когда пальцы рабочих органов плотно облегают
тушку, полностью удаляется при ощипке на дисковых автоматах, так что
необходимость выдергивания маховых и хвостовых перьев вручную отпадает. Если
маховое и хвостовое оперение не удаляется при ощипке на машинах, то его удаляют
вручную как до, так и после шпарки.
Рисунок 1 - Схема первичной обработки сухопутной
птицы
Операцию доощипки необходимо проводить при
обработке старой птицы или при обработке взрослой птицы по очень мягкому
режиму. Обычно вместо доощипки контролируют качество ощипки. Операцию отделения
голов можно осуществлять как на конвейере первичной обработки птицы, так и на
конвейере потрошения. При выдергивании махового и хвостового оперения вручную
эту операцию проводят как до, так и после шпарки. Подшпарку в большинстве
случаев не проводят [6, С. 51-52];
[9,
С. 23-24].
Рисунок 2 - Схема первичной обработки
водоплавающей птицы
2. Описание технологического процесса
.1 Навешивание на конвейер первичной обработки
Собственно процесс переработки начинается с
навешивания птицы на конвейер первичной обработки. Птицу закрепляют в подвесках
конвейера вручную, фиксируя в определенном положении. Для этой же цели подвески
конвейера имеют специальные направляющие и жестко выдержанные стандартные
размеры. Рабочие места для навешивания птицы выбирают таким образом, чтобы
птицу надо было навешивать спиной к рабочему [6, С. 12].
При навешивании птицы, так же как и при ее
отлове, следует стремиться обращаться с ней по возможности осторожно, чтобы
избежать излишней возбудимости птицы. За время прохождения птицы на конвейере
от места навешивания до места оглушения она должна успокоиться. Птица, спокойно
висящая в подвесках конвейера, практически вся оглушается, тогда как птица
возбужденная, дергающаяся в подвесках, поднимающая голову, часто проходит через
аппарат электрооглушения только частично оглушенной или вообще без признаков
оглушения.
При навешивании птицы непосредственно из клеток
или контейнеров, установленных сбоку конвейера первичной обработки, рабочий,
навешивающий птицу на конвейер, должен поворачиваться за ней на 180°. При этом
птица несколько дольше держится в руках рабочего и вся операция навешивания и
подачи птицы к месту навешивания осуществляется на свету [9, С. 28]; [11, С.
127].
.2 Оглушение
Для обездвиживания птицу перед убоем оглушают.
При последующем убое обездвиженную птицу можно точно зафиксировать в
определенном положении в направляющих машины для убоя птицы и тем самым
обеспечить точность выполнения разреза кровеносных сосудов, что, в свою
очередь, влияет на эффективность последующей обработки птицы.
В соответствие с [1] под оглушением понимают
целенаправленное воздействие на организм птицы для убоя временного ограничения
ее способности к движению при работе сердца перед убоем, например, при
использовании электроглушения.
Электрический ток воздействует не только на
центральную нервную систему, он вызывает изменения функции сердечнососудистой
системы, пищеварительной и других систем. Воздействие электрического тока на
сердечнососудистую систему проявляется в угнетении работы сердца, а в некоторых
случаях приводит к полному подавлению его деятельности.
В промышленных условиях для оглушения птицы
применяют аппараты переменного электрического тока промышленной частоты (50 Гц)
или высокой частоты (до 3000 Гц) с замыканием электрической цепи через все тело
птицы от ног к голове или с подводом энергии через голову птицы [9, С. 29].
Наибольшее распространение в промышленности в
основном из-за простоты конструкции получили аппараты переменного тока
промышленной частоты с прохождением тока через все тело птицы. Через тело птицы
пропускают электрический ток напряжением выше 25 В, что вызывает у нее
электрический шок, который проявляется в судорожном сокращении мускулатуры типа
тетануса, прекращении дыхания, нарушении деятельности сердца.
Действие электрического тока на организм птиц
подвержено значительным индивидуальным колебаниям. В некоторых случаях птица
погибает после действия тока 48 мА в течение 10 с (взрослая утка), тогда как
другая такая же птица при такой же силе тока выходит из шокового состояния
менее чем за 30 с. Оглушение взрослой сухопутной птицы током силой 24…36 мА
(напряжение 85…170 В) в течение 7 с вызывает у взрослых кур-несушек шоковое
состояние, которое длится не менее 30 с. При уменьшении силы тока до 9 мА и
соответствующем увеличении продолжительности действия тока до 14 с также
обеспечивается удовлетворительное оглушение кур, хотя продолжительность шока
сокращается; При повышении силы тока до 90 мА и уменьшении продолжительности
действия тока до 4 с достигается оглушение практически всей птицы при
продолжительном действии шока после снятия тока.
Оглушение водоплавающей птицы (взрослых уток и
гусей, утят) электрическим током силой 19…56 мВ (напряжение 50…200 В) в течение
7 с обеспечивает стойкий шок в течение 60… 200 с. При оглушении утят силой тока
более 22…36 мА (напряжение 100…160 В) в течение 10 с наступает шок, который
продолжается более 1 мин [3, С. 19-22]; [13, С. 124-125].
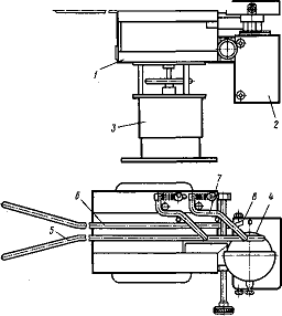
Оборудование для оглушения должно обеспечивать
надежный контакт птицы с источником тока (рис. 3).
Рисунок 3 - Устройство для оглушения птицы: 1 -
птица; 2 - штанга; 3 - проводник; 4 - зажим вторичной обмотки трансформатора; 5
- зажимы первичной обработки трансформатора; 6 - металлическая балка; 7 -
корпус устройства; 8 - упругие элементы
Одним из электродов, соединенным с источником
тока, является подвеска конвейера переработки птицы, в которой закрепляются
ноги птицы; другим электродом, соединенным с источником тока, служат гибкие
металлические пружины (упругие пластины, прутья, проволока и т.п.) или вода (слабый
раствор электролита).
Простотой и большой надежностью отличается
оборудование для оглушения птицы, в котором контакт птицы с источником тока
осуществляется через воду или слабый раствор электролита (рис. 4).
Рисунок 4 - Устройство для оглушения птицы: 1 -
птица; 2 - проводник; 3 - штанга; 4 - зажим вторичной обмотки трансформатора; 5
- зажимы первичной обмотки трансформатора; 6 - металлическая пластина; 7 -
электролит; 8 - корпус ванны
Птицу закрепляют в подвеску конвейера первичной
обработки птицы. Ниже конвейера расположена ванна из электроизоляционного
материала. При входе птицы во время движения конвейера в автомат для оглушения
ее голова попадает в раствор электролита, и электрическая цепь вторичной
обмотки трансформатора замыкается через зажим, проводник, электролит, туловище
птицы, штангу, проводник и зажимы. Погружение головы тушки в воду (электролит)
обеспечивает хороший электрический контакт, так что оглушение можно проводить
при небольшом напряжении тока (70…110 В).
На линиях переработки птицу оглушают
автоматически. Установку для электрооглушения располагают на некотором
расстоянии от места навешивания птицы с тем, чтобы после закрепления птицы в
подвеске до оглушения прошло не менее 7…10 с. Сразу после навешивания птица
дергается в подвесках и поднимает голову, и если установка для электрооглушения
птицы находится рядом с местом навешивания, птица может миновать ее
неоглушенной. Спустя несколько секунд после навешивания птица затихает и
опускает голову [9, С. 33]; [11, С. 128].
В европейских странах в целях замены электрошока
были разработаны другие методы оглушения. Одним из промышленных методов
является выдержка птиц в атмосфере газа, вызывающего анестезию или кислородное
голодание. Для этого может использоваться двуокись углерода - анестезирующий
газ, который быстро приводит к потере сознания, изменяя рН спинномозговой
жидкости.
Существуют две основные системы оглушения
домашней птицы с помощью газа. В первой из них используется смесь углекислого
газа (от 10 до 40%) и воздуха (от 60 до 90%), которая воздействует в течение
непродолжительного времени (от 30 до 45 с), при этом оглушает, но не умертвляет
птицу до механического убоя. Другие системы, использующие смеси аргона (от 55
до 70%), азота (от 0 до 15%) и углекислого газа (30%), действуют дольше (от 2
до 3 мин) и приводят к тому, что птица поступает на перерезание горла уже
мертвой. Таким образом, система с использованием углекислого газа наиболее
близка к электрооглушению с небольшой силой тока, и, подобно ей, отличается
обратимостью процесса оглушения, в то время как аргоновая система схожа по
воздействию с методами, использующими электрошок [12, С. 39].
.3 Убой и обескровливание
Промышленные способы убоя птицы основаны на
перерезании сонной артерии и яремной вены. При разрезании головы птицы сбоку
вдоль туловища на расстоянии 8…10 мм от ушного отверстия перерезают кровеносные
сосуды головы: подглазничную, мозговую, глазничную артерии, нисходящую ветвь
сонной артерии, анастомоз ее с позвоночной артерией, затылочную часть сонной
артерии, внутреннюю и наружную части сонной артерии, подъязычную и небную
артерии и яремную вену. При этом перерезаются основные кровеносные сосуды
головы птицы и обеспечивается такое же полное обескровливание тушки, как и при
отрезании головы, когда перерезаются все кровеносные сосуды, снабжающие голову
кровью.
На промышленных линиях переработки кур, цыплят и
цыплят-бройлеров применяют автоматы для убоя путем частичного разрезания шеи
птицы со стороны спины или бокового разреза кожи шеи, перерезания сонной
артерии и яремной вены с левой стороны головы со смещением к затылочной части
[12, С. 39].
В отдельных конструкциях автоматов для более
надежного фиксирования головы удерживают с помощью шнеков, вращающихся
синхронно с конвейером, или системы направляющих (рис. 5).
Рисунок 5 - Машина для убоя птицы: 1 - каркас; 2
- привод; 3 - стойки; 4 - дисковый нож; 5,6 - направляющие; 7 - подпружиненные
рычаги; 8 - копир для ориентации положения головы
Оглушенная птица, закрепленная в подвесках,
перемещается конвейером к машине. Голова птицы попадает в зазор между
направляющими, перемещается между ними до первого подпружиненного рычага. При
этом голова птицы фиксируется в направляющих и, преодолевая усилие пружины,
попадает в зону, находящуюся между двумя упорами, где происходит определенная
ориентация по отношению к ножу. Здесь голова окончательно подтягивается к
направляющим, клюв птицы попадает на копир для ориентации положения головы,
которая фиксируется в определенном положении по отношению к ножу, чем
обеспечивается правильный разрез на левой стороне головы без повреждения трахеи
и пищевода. Убой осуществляется дисковым ножом со стороны затылка птицы [9, С.
37].
При автоматическом убое уток и утят дисковым
ножом отрезается клюв на уровне глазных впадин, при этом перерезаются и главные
кровеносные артерии. Автоматы для убоя птицы путем перерезания клюва более
просты по конструкции, но при таком способе убоя перерезается трахея, что
исключает возможность автоматического удаления трахеи и пищевода. Контроль
правильности убоя птицы следует определять на некотором расстоянии от места
убоя (примерно через 10 с), так чтобы можно было видеть струю крови и
определить необходимость дорезания птицы вручную. Следует ежедневно проверять
заточку ножа [6, С. 21-22].
Убой крупных видов птицы осуществляют вручную
наружным или внутренним способом.
При наружном одностороннем способе специальным
ножом перерезают кожу, яремную вену, ветви сонной и лицевой артерий на 15…20 мм
ниже ушного отверстия. Во избежание отрыва головы при дальнейшей обработке
длина разреза должна быть не более 10…15 мм у кур, цыплят, цыплят-бройлеров,
цесарок, цесарят, гусят, утят, индюшат и не более 20…25 мм у гусей, уток и
индеек.
При наружном двустороннем способе убоя
специальным ножом прокалывают кожу на 10 мм ниже ушного отверстия. Движением
ножа слегка справа перерезают одновременно правую и левую сонную артерии и
яремную вену. Лезвием ножа прокалывают кожу с противоположной стороны головы,
образуя сквозное отверстие для вытекания крови. Длина разреза должна быть не
более 15 мм.
При внутреннем способе убоя в ротовую полость
вводят ножницы с остро отточенными концами и перерезают кровеносные сосуды в
задней части нёба над языком, в месте соединения яремной и мостовой вен.
При правильном убое за 1,5…2 мин из тушек
удаляется до 50% крови, содержащейся в живой птице (всего удаляется около 60%
крови). Продолжительность обескровливания кур, цыплят, цыплят-бройлеров,
цесарок, цесарят 90…120 с; уток; утят, гусей, гусят, индеек, индюшат 150…180 с.
Выход крови приведен в табл. 1. Во время обескровливания конвейер с птицей
проходит под специальным желобом для сбора крови [10, С. 36-38]; [12, С. 40];
[13, С. 125].
Таблица 1 - Выход крови при обескровливании
птицы, % к массе [11, С. 129]
|
Вид
птицы
|
При
наружном способе убоя
|
При
внутреннем способе убоя
|
|
Цыплята
|
5
|
4,3
|
|
Куры
|
4,1
|
3
|
|
Гуси
|
5,1
|
4,8
|
|
Утки
|
5
|
4,9
|
|
Индейки
|
3,9
|
.4 Шпарка
Для ослабления удерживаемости оперения тушки
шпарят. На живой птице оперение удерживается сравнительно сильно, хотя ручная
ощипка вполне возможна и применяется для выщипывания пера и пуха у живых гусей.
При шпарке тушек под действием тепла мышцы,
удерживающие перо в перьевой сумке, расслабляются, сила удерживаемости пера
уменьшается и удаление перьевого покрова, или ощипка, облегчается. После шпарки
перо легко удаляется с помощью машин. При повышении температуры шпарки и ее
продолжительности удерживаемость оперения все более уменьшается, но
увеличивается повреждение кожи птицы и ухудшается товарный вид тушки. При более
высокой теплоотдаче от греющей среды к поверхности кожи скорость нагрева дермы
и подкожного слоя будет более высокой, эффективность шпарки возрастает.
Заметно ослабляется удерживание оперения уже при
температуре шпарки около 45 °С. При повышении температуры шпарки сила
удерживаемости оперения заметно уменьшается. Экспериментальное определение силы
удерживаемости оперения дает определенное представление о влиянии температуры
шпарки. Сила удерживаемости оперения на спинной части тушки индейки (сила
выдергивания одного зрелого пера) после шпарки при 50 °С и продолжительности 60
с составляет 12,0 Н, а после шпарки при 60 °С и такой же продолжительности -
3,2 H На тушках индюков
эти значения равны соответственно 9,3 и 4,1 Н [9, С. 41].
В промышленных условиях применяют мягкие и
жесткие режимы шпарки. При мягких режимах частично повреждается роговой слой
эпидермиса кожи, а ростковый слой и собственно кожа практически не повреждаются
(рис 6). Тушки, обработанные по мягкому режиму, имеют привлекательный внешний
вид, особенно при охлаждении на воздухе.
Рисунок 6 - Схема слоев кожи птицы
При шпарке птицы по жесткому режиму
обеспечивается значительное ослабление удерживаемости оперения, так что на
машинах для ощипки удаляется практически все перо. Доощипки не требуется,
осуществляют только контроль качества обработки. Однако во время шпарки по
жесткому режиму почти полностью повреждаются эпидермис (роговой и ростковый
слои) и частично дерма. После удаления эпидермиса поверхность тушки становится
глянцеватой и слегка липкой на ощупь.
Тушки, ошпаренные по мягкому режиму, несколько
более устойчивы при хранении. На поверхности таких тушек условия для развития
микроорганизмов менее благоприятны, чем на поверхности тушек, ошпаренных по
жесткому режиму [12, С. 40-41].
Шпарку водоплавающей птицы осуществляют при
более высокой температуре, нежели сухопутной. Это обусловлено особенностями ее
физиологии: поверхность тела водоплавающей птицы смазана жироподобным секретом,
выделяемым копчиковой железой, который предохраняет перья и кожу от влаги,
облегчает скольжение птиц по водной поверхности. Поэтому режим шпарки
водоплавающей птицы должен обеспечивать расплавление секрета и доступ горячей
воды к коже птицы. Температура шпарки утят 58…60 °С, уток 63…66 °С, гусят 65…67
°С, гусей 70…72 °С, продолжительность шпарки 90…180 с.
Режимы шпарки, применяемые для обработки птицы в
наиболее распространенных аппаратах шпарки птицы горячей водой, приведены в
табл 2.
Таблица 2
-
Режимы шпарки птицы
|
Вид
птицы
|
Температура
воды (в оС, не более) при режиме
|
Продолжительность,
с
|
|
мягком
|
жестком
|
|
|
Цыплята
|
53-54
|
60
|
80-120
|
|
Цыплята-бройлеры
|
53-54
|
60
|
80-120
|
|
Куры
|
53-54
|
62
|
80-120
|
|
Утята
|
59-60
|
63
|
120-180
|
|
Утки
|
64
|
66
|
120-180
|
|
Гусята
|
66
|
-
|
120-180
|
|
Гуси
|
71
|
-
|
120-180
|
|
Индюшата
|
53
|
60
|
80-120
|
|
Индейки
|
53
|
62
|
80-120
|
|
Цесарята
|
53-54
|
60
|
80-120
|
|
Цесарки
|
53-54
|
62
|
80-120
|
|
Перепела
|
53-55
|
-
|
30-45
|
Мягкие режимы шпарки применяют в тех случаях,
когда технологией предусматривается охлаждение неупакованных тушек (в
полимерную пленку) на воздухе с последующим замораживанием: жесткие режимы -
когда тушки охлаждают в ледяной воде и (или) после охлаждения их упаковывают в
пакеты из полимерной пленки и замораживают в упакованном виде [13, С. 127-128].
В классификации режимов шпарки тушек, изложенной
в [11, С. 129], вместо двух выделяют три режима шпарки: жесткий (58…65 оС),
средний (52…54 оС) и мягкий (не выше 51 оС).
В настоящее время имеется большое число
промышленных аппаратов для шпарки птицы, конструкция и принцип действия которых
сильно различаются. Известны аппараты для шпарки водяным паром, горячим
воздухом, погружением в горячую воду, орошением горячей водой при
последовательном воздействии на тушки двух или более этих способов обработки.
Наиболее распространенными промышленными аппаратами являются аппараты, в
которых тушки шпарятся в горячей воде.
Известны промышленные установки для шпарки тушек
орошением горячей водой. В этом случае после убоя тушки конвейером подаются в
шпарильную камеру установки, где на них из форсунок под давлением и под разными
углами направляется большое количество струй воды. Температуру, давление и
направление струй воды можно изменять в зависимости от вида птицы, ее размеров
и относительной силы удерживаемости оперения.
В некоторых случаях, особенно при использовании
несовершенных машин для ощипки и обработки старой птицы, после шпарки не
обеспечивается полная ощипка тушек птицы: оперение в области шеи и крыльев
большей частью не снимается. Поэтому в линиях обработки птицы иногда применяют
аппараты для подшпарки. Назначение подшпарки такое же, как и шпарки. Уровень
воды в аппаратах подшпарки должен обеспечивать полное погружение шеи и крыльев
и не доставать груди тушки. Подшпарку шеи и крыльев утят проводят при 58…61 °С,
уток - 63…66 °С в течение 50 с, остальных видов птицы - при 61…65 °С в течение
30 с.
Во время обработки птицы в аппараты для шпарки и
подшпарки постоянно добавляют воду для поддержания заданного уровня, а в
течение смены полностью меняют воду не менее одного раза. Кроме того, для
улучшения санитарно-гигиенического состояния воды в аппаратах шпарки и
подшпарки в воду допускается добавлять 20…40 мг/л хлористоводородной кислоты
[4, С. 273].
.5 Ощипка и доощипка
Ощипку убитой птицы на линиях переработки
осуществляют автоматически, доощипку - вручную. При оптимальных условиях
обработки, т.е. при использовании машин для ощипки совершенной конструкции,
качественного их регулирования и обслуживания, поступлении на обработку птицы в
соответствии с зоотехническими рекомендациями, т.е. оптимальным возрастом и
откормом, во время автоматической ощипки обеспечивается полное снятие оперения
с тушки и после ощипки только контролируют качество обработки [7, С. 40].
В современных промышленных линиях переработки
птицы основная масса оперения с тушек птицы удаляется на дисковых автоматах,
конструктивным отличием являются диски с закрепленными на них перпендикулярно
направлению движения конвейера с тушками птицы эластичными резиновыми пальцами.
Вертегал предложил универсальную конструкцию дискового автомата для ощипки
убитой птицы, который можно использовать для обработки птицы разного размера.
Благодаря простой конструкции, возможности быстрой замены вышедшей из строя
части, большой универсальности эти автоматы (или близкие им по конструкции)
широко используются в промышленности.
Основными конструктивными особенностями
универсального дискового автомата являются группирование дисков с эластичными
резиновыми пальцами в ряду, автономное вращение дисков каждого ряда от отдельного
электродвигателя, возможность изменения положения рядов с дисками в трех
направлениях - горизонтальном, вертикальном и вокруг оси, возможность
использования различного числа рядов и быстрой замены любого ряда дисков в
случае выхода из строя двигателя или другой поломки. Ряды крепятся на стойках,
которые, в свою очередь, закреплены на раме, устанавливаемой на опорах (рис. 7)
[12, С. 41].
Рисунок 7 -Универсальный дисковый автомат для
ощипки тушек птицы
Дисковый автомат для ощипки птицы (рис. 8)
состоит из двух панелей, двух опорных рам, системы подвода горячей воды и
рычажной системы. На каждой панели смонтировано по три ряда дисков (по семь
дисков в каждом ряду). Каждую панель крепят к двум винтовым телескопическим
опорам, которые позволяют наклонять панели и изменять их положение по высоте.
Системой рычагов панели в считанные секунды сдвигаются и раздвигаются вдоль
опорных рам, каждая из которых состоит из двух опорных и одной стягивающей
труб, последняя служит направляющей для ползунов. На входе и выходе тушек к
автомату закреплены резиновые шторки, предотвращающие разбрызгивание воды [4,
С. 278].
Рисунок 8 - Дисковый автомат для ощипки тушек
птицы: 1- панель; 2 - резиновая шторка; 3 - система подвода горячей воды; 4 -
рычажная система; 5 - телескопические опоры; 6 - рукоятка рычага; 7 - рифленый
палец диска
Дисковые автоматы конструктивно являются очень
удачными машинами для ощипки тушек птицы, так как обеспечивают большую величину
поверхности истинного контакта S
между резиновыми органами (пальцами) и перьевым покровом тушки, имеют большой
охват поверхности тушки.. Особые трудности вызывает удаление оперения между
обнаженной и покрытой пером поверхностью ног, между крыльями и концами крыльев,
на шее и голове. При жестких режимах шпарки птицы обеспечивается практически
полное удаление оперения с тушек и ручную доощипку, как правило, не применяют.
Ощипка птицы на линии осуществляется, как
правило, на нескольких дисковых автоматах одной или разных моделей,
отрегулированных (по высоте) для снятия оперения с разных частей тушек,
например с нижней и верхней. Ощипка убитой птицы на нескольких машинах более
эффективна по сравнению с удалением почти всей массы оперения на одной машине. Во
время ощипки в дисковых автоматах тушки орошаются горячей водой (лучше воду
подавать на диски, тогда она будет смывать перья с резиновых пальцев и лучше
разбрызгиваться по поверхности тушки). При этом обеспечивается некоторый
дополнительный эффект шпарки. Усиление этого эффекта достигается за счет
полного закрытия машины металлическим кожухом, так как в этом случае тушки
обрабатываются в закрытом пространстве, чем облегчается контроль влажности и
температуры воздуха и контроль всего процесса ощипки [8, С. 30-32].
После ощипки тушки попадают в бильно-очистные
машины, основное назначение которых - мойка тушек, а затем - на участок
доощипки, где контролируют качество ощипки и удаляют оперение, оставшееся после
обработки на машинах.
В линиях переработки сухопутной птицы необходимо
предусматривать установку устройств для опалки тушек птицы, во время обработки
на которых удаляется (сжигается) волосовидное перо на тушках цыплят,
цыплят-бройлеров и кур. Для более полного удаления волосовидного пера тушки
подсушивают потоком теплого воздуха [9, С. 51].
.6 Воскование тушек водоплавающей птицы
При переработке водоплавающей птицы в период
линьки на автоматах для ощипки на тушках после обработки остаются неудаленные
пеньки. Пеньки с тушек птицы удаляют воскованием, во время которого с тушек
удаляются и другие остатки оперения.
Под воскованием понимают обработку поверхности
тушек птицы легкоплавящейся и быстрозастывающей воскообразной массой
установленного состава с целью удаления пеньков и остатков оперения [1].
Воскование положительно влияет на качество
обработки. После воскования улучшаются товарные качества тушки, сглаживаются
дефекты технологической обработки, благодаря образованию тонкого глянцующего
слоя воскомассы на поверхности улучшаются цвет и товарный вид тушек птицы [7,
С. 42-43].
Выбор режимов воскования определяется свойствами
применяемой воскомассы. Хорошая воскомасса характеризуется большой величиной
адгезии к оперению и незначительной к коже птицы, высокой пластичностью и в то
же время достаточной хрупкостью в застывшем состоянии, хорошими регенерирующими
свойствами. В настоящее время в промышленности используют преимущественно
синтетическую воскомассу, в состав которой входят парафин, полиизобутилен,
бутилкаучук, инденкумароновая смола. Парафин определяет пластичность воскомассы
и ее пенькоснимающую способность, которые максимальны при содержании парафина
65 % в воскомассе. Адгезия воскомассы к оперению в основном определяется
содержанием в ней присадок: полиизобутилена и бутилкаучука. Изменение адгезии связано
с изменением пенькоснимающей способности, максимум которой приходится на
воскомассы с содержанием полиизобутилена 2,6%, бутилкаучука 2,5%. Хрупкость
воскомассы зависит от содержания в ней инденкумароновой смолы с максимумом при
ее содержании 1,8%.
Качество удаления пеньков и остатков оперения
зависит от температуры воскования (76…88 °С) с максимумом пенькоснимающей
способности при использовании синтетических воскомасс на основе парафина,
полиизобутилена, бутилкаучука и инденкумароновой смолы. Для нанесения воскового
покрытия достаточно погрузить тушки в горячую воскомассу на 1…3 с. Погружение
тушек в воскомассу на 5…6 с не меняет результатов воскования, а через 7…10 с
толщина воскового покрова уменьшается.
При температуре на 1…2 °С выше температуры каплепадения
воскомасс на поверхности тушек образуется восковой покров максимальной толщины,
но неравномерный по поверхности тушки, и на ней после удаления воскомассы
остаются пеньки и остатки оперения. При увеличении разности между температурой
воскования и каплепадения толщина воскового покрова на поверхности тушки
уменьшается, но одновременно увеличивается адгезия остатков оперения к
воскомассе и пенькоснимающая способность [9, С. 52].
Обычно воскование тушек при повышенной
температуре производится в две стадии: на первой стадии температуру воскомассы
поддерживают на уровне 80…85 °С, на второй стадии - на уровне 70…75 °С.
Целесообразно для каждой партии воскомассы определять температуру каплепадения
и корректировать по ней температуру воскования, которая должна быть на первой
стадии на 10…14 °С, на второй стадии - на 2…3 °С выше температуры каплепадения.
При этом обеспечивается сокращение продолжительности воскования до нескольких
секунд и практически полное удаление остатков оперения с тушек, в том числе с тушек,
обработанных при мягких режимах шпарки и механическом снятии оперения. В линиях
переработки воскование проводят на конвейере путем двухкратного или
трехкратного погружения тушек в воскомассу. Продолжительность каждого
погружения 3…6 с, выдержка для стекания и застывания воскомассы между
погружениями 20 с.
Обработанные тушки охлаждаются водой для
затвердевания воскомассы. При охлаждении холодной водой температурой 0…2 °С
полное застывание воскомассы происходит в течение 90…120 с.
Застывшую воскомассу с тушек снимают на
специальных машинах (рис. 9), которые по конструкции аналогичны пальцевым
автоматам, или на оборудовании, используемом для ощипки птицы, например
дисковых автоматах.
Рисунок 9 - Машина для снятия воскомассы с тушек
птицы: 1 - панель; 2 - привод; 3 - барабан с пальцами; 4 - ползун; 5 - опорная
рама; 6 - телескопическая опора
При удалении воскомассы на пальцевой машине
снятие воска начинается с головы птицы и постепенно перемещается к гузке
благодаря уклону барабанов с пальцами. Воскомасса с перьями и пеньками падает
на расположенный ниже транспортер, которым она подается на регенерацию. Снятую
с тушек воскомассу регенерируют естественным охлаждением и центрифугированием
[4, С. 291-292]; [13, С. 128-129].
.7 Отрезание ног
Завершают обработку птицы на конвейере первичной
обработки отрезанием ног. При отрезании ног вручную их отделяют от тушки точно
по заплюсневому суставу. На машине ноги отделяют по заплюсневому суставу или
немного ниже по плюсневой («беговой») кости не более чем на 20 мм от
заплюсневого сустава [6, С. 77].
На современных автоматах для отделения ног
производится фиксирование тушки с помощью направляющих (рис. 10).

Рисунок 10 - Машина для отрезания ног: 1 -
каркас; 2 - ведущее колесо; 3 - шарнирный вал; 4 - привод дискового ножа; 5 -
лоток; 6 - винт ступицы; 7-направляющая; 8 - направляющая ведущего колеса
Тушки подаются в автомат грудкой к ведущему
колесу, захватываются направляющей ведущего колеса и перемещаются к дисковому
ножу. Под действием направляющих ноги сгибаются в суставах на торце ведущего
колеса и отрезаются дисковым ножом по заплюсневому суставу. Тушки попадают в
лоток, а ноги остаются в подвесках конвейера, откуда удаляются сбрасывающим
устройством.
Для отделения ног вручную используют нож для
разреза брюшной полости и удаления ног. После отделения ног тушки птицы падают
на транспортер или приемный стол, откуда их навешивают в подвески конвейера
потрошения за заплюсневые суставы ног. Отрезанные ноги удаляются из подвесок
сбрасывающим устройством или вручную.
За исключением навешивания птицы на конвейер все
операции первичной обработки можно выполнять в автоматическом режиме, в том
числе на отечественном оборудовании, которое может работать эффективно и
надежно. Тем не менее, на многих птицеперерабатывающих предприятиях операции
убоя, отделения голов, отрезания ног и их удаления из подвесок выполняют
вручную [4, С. 289-291]; [9, С. 58].
Заключение
Таким образом, на основании изложенного в тексте
курсовой работы материала можно сформулировать следующие положения.
Этап первичной переработки птицы очень важен,
поскольку в ходе него живой организм превращается в пищевое сырье.
Физиологические реакции животного и его тканей важны для гарантии качества
продукции. Помимо качества продукции также важен и объем ее производства,
обычно увеличивающийся за счет уменьшения потерь. Потери же могут возникнуть
из-за низкой производительности труда персонала в результате наличия пустых
подвесок на конвейере навешивания или неправильного закрепления, применения
чрезмерной или ненужной дополнительной зачистки, а также плохо
отрегулированного оборудования, делающего неправильные надрезы. Поскольку
первичная обработка является необходимой ступенью в процессе превращения птицы
в набор различных продуктов, поступающих на рынок пищевых товаров, важно, чтобы
весь цикл от убоя до охлаждения выполнялся правильно и эффективно.
Для усовершенствования технологии первичной
переработки птицы предлагается следующее.
В настоящее время актуальным является вопрос
гуманности убоя сельскохозяйственных животных и птицы, предусматривающий
минимизацию страданий и болевых ощущений при оглушении и собственно умерщвлении
последних.
Оглушение птиц может быть достигнуто путем
воздействия на них электрическим током или путем помещения домашней птицы в
камеру, содержащую оглушающий газ. Оба способа имеют свои недостатки. Перед
оглушением ноги птиц помещают в оковы, заставляющие их находиться в
перевернутом положении, в котором их оглушают. Это положение приводит к
повышению в крови уровня кортикостерона, гормона, связанного с общим
самочувствием птиц, свидетельствующего о повышенном уровне стресса. Далее,
птицы могут вырываться перед наступлением шока, что приводит к перелому крыльев
и другому повреждению птицы, что снижает ценность мяса, полученного в
промышленном птицеводстве, а также увеличивает степень страдания птиц.
Оглушение газом обычно включает введение таких
газов, как диоксид углерода, аргон, азот и кислород, в закрытую камеру. Однако
применение этих газов может быть вредным для человека, может требовать
избыточно долгого времени воздействия, и часто ведет к судорожному припадку у
птиц, наводящему на мысль о крайней боли. Кроме того, в случае остановки
предприятия во время процесса оглушения газом, птиц в камере нельзя извлечь до
тех пор, пока газ не выветрится полностью, и некоторые не погибшие птицы могут
выжить и будут страдать от значительного стресса.
Предлагается вместо использования при оглушении
птицы электрического тока или смеси газов применять контролируемое низкое
атмосферное давление. Постепенное снижение давления в герметичной камере до
давления декомпрессии, которое ниже атмосферного, сводит к минимуму
стресс-реакцию птицы, процесс оглушения проходит в более щадящем для них
режиме, обеспечивая при том получение мяса высокого качества.
мясо птица шпарка оперение
Список использованной литературы
1. ГОСТ Р 52469-2005.
Птицеперерабатывающая промышленность. Переработка птицы. Термины и определения,
2006. - 11 с.
. ГОСТ Р 52837-2007. Птица
сельскохозяйственная для убоя. Технические условия, 2008. - 9 с.
. Агафонычев, В.П.
Электрическое оглушение птицы: новый взгляд / В.П. Агафонычев, Г.И. Пышненко //
Птица и птицепродукты. - 2005. - №3. - С. 19-22.
. Алексеева, Л.И.
Оборудование для убоя скота, птицы, производства колбасных изделий и
птицепродуктов / Л.И. Алексеева, И.М. Болтенков, О.В. Большаков и др.; под ред.
В.М. Горбатова. - М.: Пищевая промышленность, 1975. - С. 12, 25, 273, 278,
289-292.
. Гущин, В.В. Повышение
качества и снижение потерь мяса птицы на стадиях производства / В.В. Гущин:
дис. … д-ра с.-х. наук. - Сергиев Посад, 2003. - С. 4.
. Зеленов, Г.Н. Переработка
мяса птицы и яиц / Г.Н. Зеленов, В.В. Наумова. - Ульяновск: УГСХА, 2010. - С.
12, 21-22, 51-52, 77.
. Косилов, В.И. Технология
первичной переработки животных и птицы / В.И. Косилов, В.Е. Никитченко, П.А.
Емельченко. - Оренбург, 1997. - С. 40, 42-43.
. Матвеев, И.И. Современная
техника и технология оглушения, шпарки, снятия оперения, охлаждения мяса птицы
/ И.И. Матвеев // Повышение уровня безопасности и качества продукции
птицеперерабатывающей промышленности / Всерос. науч.-исслед. ин-т
птицеперерабатывающей промышленности. - Ржавки, 2009. - С. 30-32.
. Переработка птицы / Н.С.
Митрофанов, Ю.А. Плясов, Е.Г. Шумков и др. - М.: Агропромиздат, 1990. - С.
23-24, 28-29, 33, 37, 41, 44, 51-52, 58.
. Пышненко, Г.И. Убой птицы и
качество тушек / Г.И. Пышненко // Птица и птицепродукты. - 2009. - №6. - С.
36-38.
. Рогов, И.А. Технология мяса
и мясных продуктов / И.А. Рогов, А.Г. Забашта, Г.П. Казюлин. - Кн. 1: Общая
технология мяса. - М.: КолосС, 2009. - С. 126-129.
. Сэмс, Р.А. Переработка мяса
птицы / Под ред. Алана Р. Сэмса; пер. с англ., под науч. ред. В.В. Гущина. -
СПб: Профессия, 2007. - С. 36, 39-41.
. Технология мяса и
мясопродуктов / Л.Т. Алехина, В.Г. Боресков, А.И. Жаринов и др.; Под ред. И.А.
Рогова. - М.: Агропромиздат, 1988. - С. 124-125, 127-129, 133.