|
Поз. обозначение
|
Наименование
|
Кол-во, шт
|
Примечание
|
|
1
|
Термопреобразователь
сопротивления
|
|
|
|
ТСМ 012-19 РГАЖ2.012-19
0ExiaIICT3
|
1
|
I=160 мм., 50 М
|
|
2
|
Манометр показывающий МПТИ
|
2
|
Рпред 0,4 МПа
|
|
3
|
Манометр показывающий МПТИ
|
1
|
Рпред 4 МПа
|
|
4
|
Манометр показывающий МПТИ
|
2
|
Рпред 10 МПа
|
|
5
|
Датчик избыточного давления
типа Метран-100 1ExdIICT3
|
1
|
Рпред 4 МПа
|
|
6
|
Датчик избыточного давления
типа EJX 530A 1ExdIICT3
|
2
|
Рпред 10 МПа
|
|
7
|
Датчик разности давлений
типа EJA 110A 1ExdIICT3
|
1
|
Рпред 0,4 МПа
|
|
8
|
Манометр электроконтактный
1005 1ExdIICT3
|
1
|
Рпред 4 Мпа
|
|
9
|
Манометр электроконтактный
1005 1ExdIICT3
|
2
|
Рпред 10 Мпа
|
|
10
|
Сигнализатор уровня OMUV
05/1 EExd
|
1
|
Нпред 500 мм
|
|
11
|
Прибор адресный
приемно-контрольный «Страж»
|
1
|
|
|
12
|
Устройство регулирующее
типа УР-94
|
1
|
|
3.1 Основные функции автоматизации
− защита оборудования НПС (общестанционными и агрегатными
защитами);
− управление оборудованием НПС;
− регулирование давления в МН;
− контроль технологических параметров и параметров состояния
оборудования;
− отображение и регистрация информации;
− связь с другими системами.
Система автоматизации насосной станции предусматривает следующие защиты и
сигнализации:
− аварийная остановка насосного агрегата из операторной и по
месту;
− пожар на площадке;
− аварийная загазованность;
− аварийный максимальный и минимальный уровень на сборнике
утечек;
− затопление насосного цеха и блок-боксов вспомогательных
систем;
− неисправность вспомогательных систем;
− минимальное давление всасывания станции;
− максимальное давление нагнетания станции;
− максимальное или минимальное давление
нагнетания (всасывания) насоса;
− повреждение или авария в регулирующих устройствах;
− сигнал о прохождении скребка при пуске, пропуске или
приёме;
− остановка станции с РДП с разрешением нового запуска.
В зависимости от параметра, по которому срабатывает общестанционная
защита, система может осуществлять:
− одновременное отключение всех работающих магистральных
агрегатов;
− поочередное отключение всех работающих магистральных
агрегатов, начиная с первого по потоку нефти.
Функции управления должны предусматривать программный пуск и остановку
магистральных, подпорных насосных агрегатов и вспомогательных систем.
Управление магистральными и подпорными насосными агрегатами должно быть
реализовано в следующих режимах:
- дистанционный из РДП, ТДП (телемеханический);
- программный из операторной (основной);
- резервный;
- кнопочный;
- ремонтный;
- испытательный.
Управление вспомогательными системами должно быть реализовано в режимах:
− автоматический основной;
− автоматический резервный;
− ремонтный;
− кнопочный.
Вспомогательные системы (смазки, охлаждения, вентиляции), которые
являются общими для всех агрегатов и всегда работают при работающих
магистральных и подпорных агрегатах, могут включаться одновременно одной
командой. Их отключение может проводиться также общей командой после остановки
всех агрегатов.
Системы подпорной вентиляции должны включаться перед включением в работу
первого (по потоку) магистрального агрегата.
В системе подачи масла к подшипниковым узлам насосных агрегатов следует
предусматривать:
− измерение и сигнализацию температуры масла;
− сигнализацию минимального уровня в аккумулирующем баке
маслосистемы;
− сигнализацию максимального и минимального уровня в баках
маслосистемы.
Насосы системы откачки утечки нефти могут управляться автоматически в
зависимости от предельных уровней в резервуаре-сборнике. Автоматическое
отключение насоса, откачивающее нефть из резервуара-сборника, может
производиться по минимальному уровню или через определенное время после
включения.
В системе откачки утечек рекомендуется предусматривать автоматическое
включение резервного насоса параллельно основному, если через заданное время
(1,5 мин.) после запуска основного насоса уровень в сборнике не снижается.
Схема откачки утечек на НПС должна предусматривать контроль аварийного
максимального уровня в емкостях сбора утечек с помощью независимых датчиков .
Средства автоматического регулирования давления магистральной насосной
предназначены для поддержания давления на приеме НПС не ниже допустимого
значения по условиям кавитации насосов и давления в магистральном нефтепроводе
на выходе НПС (после регуляторов давления), не выше допустимого значения по
гидравлическому расчету линейной части нефтепровода или исходя из
технологического режима перекачки.
Функции контроля должны предусматривать:
− контроль соответствия текущих значений основных технологических
параметров заданным значениям;
− контроль изменения состояния оборудования НПС, срабатывания
защит, что должно сопровождаться звуковой и световой сигнализацией [5].
3.2 Автоматизированная система управления технологическими
процессами НПС
НПС «Мраково» управляется в автоматическом и дистанционном режимах и
обеспечена системами защиты и контроля за давлением, вибрацией, температурой,
утечками из торцовых уплотнений, оснащена системами контроля загазованности,
затопления и пожара.
На НПС «Мраково» внедрена блочно-комплексная система автоматики с 1979
года, система прошла реконструкцию в 2004 году.
Блочная система автоматизации предназначена для сигнализации, контроля,
защиты и управления технологическим оборудованием НПС.
Система автоматики обеспечивает:
− централизованный контроль и отображение информации о работе
технологического оборудования НПС;
− автоматическую защиту технологического оборудования НПС;
− управление технологическим оборудованием НПС;
− изменение режима работы НПС по командам оператора НПС или
диспетчера РДП;
− связь с системой ТМ, КСАППТ и СИУ.
Система контроля и
управления технологическим оборудованием НПС имеет трехуровневую структуру: нижний,
средний и верхний уровни.
Основными приборами нижнего уровня системы автоматизации НПС являются:
− датчики температуры подшипников насосов и электродвигателей
магистральных насосных агрегатов, корпусов насосов, масла в трубопроводе к
подшипникам, воздуха в помещениях НПС;
− датчики избыточного давления нефти в трубопроводе (на
приеме магистральных насосов, на входе и выходе узла регулирования давления, на
входе отдельных МНА);
− датчики уровня в сборнике нефти разгрузки;
− технические манометры для местного измерения давления;
− сигнализаторы давления жидкости (нефти, масла);
− сигнализаторы давления воздуха в системах контроля вентиляции;
− сигнализаторы уровня жидкости;
− датчики-реле уровня агрегатных утечек;
− приборы виброконтроля МНА;
− измерительные преобразователи силы тока электродвигателей МНА;
− приборы пожарной сигнализации;
− приборы контроля прохождения очистного устройства.
К среднему уровню системы автоматизации
относятся программно-аппаратные модули (блоки) управления
узлов и агрегатов НПС на базе ПЛК.
Блок ручного управления предназначен для осуществления
функций резервирования аварийных защит, как в ручном, так и в автоматическом
режимах, вне зависимости от состояния микропроцессорной системы.
Структурная схема автоматизации НПС представлена на рисунке 3.2.
Рисунок 3.2 - Структурная схема автоматизации НПС
Контроллеры обеспечивают:
– сбор информации от
датчиков, блоков управления и т.д., устанавливаемых по месту;
– обработку и
передачу информации о состоянии объектов на верхний уровень системы
автоматизации;
– прием информации с верхнего уровня
системы автоматизации и формирование управляющих
воздействий на исполнительные механизмы.
Основой серии на НПС являются свободно программируемые
микропроцессорные контроллеры ЭЛСИ-Т, в которых сосредоточен основной
интеллект, управляющий технологическим процессом. Программирование контроллеров
осуществляется в единой программной среде на базе пакета Open PCS фирмы
Infoteam, который соответствует международному стандарту IEC-1131.
В состав нормализованной серии входят следующие щиты:
− управления, контроля и защиты станции;
− приборный;
− САРД;
− управления магистральным агрегатом;
− управления узлом подключения станции;
− управления вспомогательными системами НПС;
− щит управления электроприводами;
− управления закрытое распределительное устройство напряжением 6
или 10 кВ;
− управления системой пожаротушения.
В состав верхнего уровня системы автоматизации входят:
− серверы ввода/вывода;
− компьютеры оператора МДП;
− компьютер начальника станции или системный компьютер;
− цветной струйный или лазерный принтер.
Верхний уровень
системы автоматизации обеспечивает:
− прием информации о состоянии объекта;
− мониторинг
технологического процесса и получение трендов измеряемых технологических
параметров;
− оперативное
управление технологическим процессом;
− архивацию
событий нижнего уровня, действий оператора и команд РДП;
− формирование
базы данных.
Указанная структура сформирована следующим образом. В составе
технологического оборудования станции выделены отдельные узлы и агрегаты исходя
из условия минимизации информационного процесса обмена между ними. Каждый узел
оснащен необходимыми датчиками, исполнительными механизмами и имеет
соответствующий щит управления.
Система, построенная по такому принципу, называется распределенной. К
положительным качествам такой системы можно отнести:
− упрощение прикладного программного обеспечения в результате
разбиения общей программы управления на простые подпрограммы, функционирующие
параллельно и автономно (обмен между подпрограммами осуществляется стандартными
сетевыми средствами);
− повышение быстродействия системы за счет распараллеливания
вычислений;
− возможность пространственного приближения интеллекта к
технологическому узлу и соответственно сокращение затрат на кабельную
продукцию;
− повышенную «живучесть» системы без 100%-ного резервирования
интеллектуальных ресурсов;
− возможность резервирования интеллектуальных технических ресурсов
в соответствии с правилами резервирования, принятыми в технологии;
− возможность незапланированного наращивания системы, вызванного
наращиванием технологических мощностей (в централизованной системе ресурс для
этого должен предусматриваться заранее);
− возможность проведения последовательной реконструкции автоматики
НПС исходя из наличия инвестиционных ресурсов;
− возможность создания нормализованной серии щитов автоматики,
подобной существующим на станциях релейным системам.
Щиты блоков управления.
Основой технических средств комплекса является нормализованная серия
щитов управления. В каждом щите, за исключением приборного щита, установлен
один или два программируемых контроллера, которые функционируют совместно с
соответствующими агрегатами или технологическими узлами. При этом
обеспечивается:
- прием информации от датчиков технологических параметров и ее первичная
обработка (фильтрация, масштабирования; определение достоверности и др.);
- автоматическое управление агрегатом с выдачей соответствующих команд
на исполнительные механизмы;
- защитные блокировки;
- передача информации о состоянии объекта в технологическую сеть;
- прием информации из технологической сети.
Конструктивно щиты выполнены в закрытом исполнении, с передним
обслуживанием. На внутренних панелях щитов размещаются:
программируемые контроллеры;
блоки питания;
- активные искробезопасные барьеры для ввода сигналов от аналоговых и
дискретных датчиков, размещенных во взрывоопасной зоне;
- блоки сопряжения с электроприводами задвижек;
- блоки защиты от наведенных перенапряжений;
- выходные реле контроллеров;
- блоки зажимов.
Вторичные приборы системы контроля загазованности (щит приборный),
виброконтроля (щит управления магистральным агрегатом) устанавливаются внутри
щитов на специальных поворотных рамах.
Система противоаварийной защиты.
Надежность функционирования систем обеспечения безопасности опасных
объектов промышленности целиком зависит от состояния электронных и
программируемых электронных систем, связанных с безопасностью. Эти системы
называются системами ПАЗ. Такие системы должны быть способны сохранять свою работоспособность
даже в случае отказа других функций АСУ ТП нефтеперекачивающей станции.
Рассмотрим главные задачи, возлагаемые на такие системы:
- предотвращение аварий и минимизация последствий аварий;
- блокирование (предотвращения) намеренного или ненамеренного вмеша-
тельства в технологию объекта, могущего привести к развитию опасной ситуации и
инициировать срабатывание ПАЗ.
Для некоторых защит предусматривается наличие задержки между обнаружением
аварийного сигнала и защитным отключением. Отключение основных вспомсистем,
закрытие задвижек подключения НПС к МН.
Структура контроллерной системы аварийной защиты представлена на рисунке
3.3.
Рисунок 3.3 - Структура контроллерной системы ПАЗ
В таблице 3.2 представлен перечень блокировок.
Таблица 3.2 - Перечень блокировок
|
№ сценария
|
Позиционное обозначение
|
Условие срабатывания
|
Действие защиты
|
|
1
|
3,5,8
|
Давление ниже 0,7 МПа
|
Запрет включения агрегатов
следующих по ходу нефти
|
|
|
Давление 0,5 МПа
|
Через 15 сек. отключение
первого по ходу нефти
|
|
|
Давление 0,45 МПа
|
Через 20 сек. аварийное
отключение НПС
|
|
2
|
10
|
Превышение уровня утечек
выше 70 мм. от дна
|
Аварийное отключение НПС
|
|
3
|
4,6,9
|
Давление ниже 4,55 МПа
|
Запрет включения агрегатов
следующих по ходу нефти
|
|
|
Давление 5,65 МПа
|
Отключение первого по ходу
нефти
|
|
|
Давление 6 МПа
|
Аварийное отключение НПС
|
|
4
|
4,6,9
|
Давление 5,2 МПа
|
Отключение первого по ходу
нефти
|
|
|
Давление 5,5 МПа
|
Аварийное отключение НПС
|
|
5
|
11
|
Пожар
|
Аварийное отключение НПС
|
Алгоритмическое содержание функций ПАЗ состоит в реализации следующего
условия: при выходе значений определенных технологических параметров,
характеризующих состояние процесса или оборудования, за установленные
(допустимые) пределы должно проводиться отключение соответствующего агрегата или
всей станции.
Входную информацию для группы функций противоаварийной защиты содержат
сигналы о текущих значениях контролируемых технологических параметров,
поступающие на логические блоки (программируемые контроллеры) от
соответствующих первичных измерительных преобразователей, и цифровые данные о
допустимых предельных значениях этих параметров, поступающие на контроллеры с
пульта АРМ оператора НПС. Выходная информация функций противоаварийной защиты
представлена совокупностью управляющих сигналов, посылаемых контроллерами на
исполнительные органы систем защиты.
Система регулирования давления.
Система регулирования давления обеспечивает поддержание давления на входе
и выходе НПС в заданных пределах. Щит САРД входит в состав нормализованной
серии. Базовым его элементом является программируемый контроллер класса ЭЛСИ,
который принимает сигналы от датчиков давления и положения регулирующих
заслонок и реализует функции ПИД-регуляторов давления на входе и выходе
станции.
Для управления асинхронными электродвигателями регулирующих заслонок
использованы преобразователи частоты на базе силовых IGBT-транзисторов.
Преобразователи частоты обеспечивают закон изменения частоты и напряжения на
статоре двигателя U/f = const с форсировкой напряжения на нижних частотах вращения.
Кроме того, в преобразователях используется современная технология векторного
управления, которая позволяет избежать применения датчиков обратной связи по
скорости электродвигателя. Преобразователи рассчитаны на управление трехфазными
асинхронными электродвигателями мощностью до 5,5 кВт.
Сетевые средства и протоколы передачи информации.
В системе автоматизации используются две технологии: Ethernet и CAN. Сеть
Ethernet является внутренней сетью одного узла (система взаимодействия с
оператором и внешней средой), входящего в свою очередь в САN. Данная сеть
обеспечивает взаимодействие между компьютерами узла. Кроме того, она легко
включается в существующую корпоративную сеть предприятия в качестве сегмента,
поскольку на предприятиях, эксплуатирующих нефтепроводы, как правило,
существуют сети на базе Ethernet.
Сеть САN является основной системообразующей сетью, выбор ее технологии
обусловливают следующие факторы:
- существование САN на рынке более 10 лет;
- широкая аппаратная поддержка (протокол САN реализован на одном
кристалле, и соответствующие микросхемы производятся многими фирмами) и как
следствие низкая цена на электронные компоненты;
- ориентирование САN на распределенные системы управления
(широковещательная передача в сочетании с событийным протоколом и множественным
доступом к шине);
высокая надежность, обеспечиваемая высокой устойчивостью к
электромагнитным помехам и низкой вероятностью ошибок (одна в 1000 лет);
различная среда передачи (витая пара, оптоволокно, ИК-канал, радиоканал);
упрощенная интеграция новых узлов в существующую сеть.
Программное обеспечение системы.
Программный комплекс Восток, являющийся основой SCADA системы, состоит из
сервера Восток, клиентской части и программных средств коммуникации с другими
проектами и системами. Сервер имеет модульную структуру.
В состав ОРС-сервера Восток входят следующие компоненты:
− модуль алармов, обеспечивающий генерацию сообщений об авариях,
их рассылку и сохранение в базу данных;
− модуль трендов, обеспечивающий накопление и представление текущих
данных в виде графических зависимостей от времени;
− модуль логики, позволяющий реализовывать сложные алгоритмы
пересчета данных, анализировать логические выражения и др.;
− модуль ОРС, предназначенный для чтения записи данных, полученных
от сторонних ОРС-серверов;
− модуль истории, обеспечивающий сохранение в БД технологических
параметров в хронологическом порядке;
− модуль резервирования, обеспечивающий функцию автоматического
резервного сервера при выходе из строя основного и наоборот;
− модуль CAN, позволяющий осуществлять обмен информацией по сети
САN между контроллерами среднего уровня системы и компьютерами верхнего уровня;
− модуль МЭК, обеспечивающий обмен информацией между системой
автоматики НПС и другими системами по протоколу МЭК-870 (РДП, ТДП, КП линейных
сооружений).
На компьютерах операторов и других рабочих станциях устанавливается
следующее программное обеспечение:
− визуально-графический инструментальный фирмы Iconics;
− программное обеспечение для отображения трендов аналоговых сигналов
разработки ЗАО «ЭлеСи»;
− программное обеспечение для отображения оперативных и
исторических алармов разработки ЗАО «ЭлеСи».
При этом с помощью SCADA-пакет Genesis
32 производится:
− отображение технологических схем;
− отображение оперативных, предупредительных и аварийных
сообщений;
− отображение текущих измеряемых параметров;
− отображение табличных форм.
3.3 Контрольно-измерительная аппаратура
Контроллер ЭЛСИ - ТМ.
Контроллер предназначен для построения
распределенных гибких автоматизированных программно-технических комплексов
контроля и управления объектами нефтяной и газовой промышленности энергетики,
перерабатывающих отраслей, транспорта, коммунального хозяйства и др.
Контроллер осуществляет сбор и обработку
информации с первичных датчиков, формирование сигналов управления по заданным
алгоритмам, прием и передачу информации по последовательным каналам связи.
Контроллер представляет собой набор
функционально-законченных модулей, что позволяет создавать контроллеры для
различных применений.
Имеющийся набор модулей, в состав которого
входят коммуникационные модули, модули ввода
аналоговых сигналов, модули ввода дискретных сигналов, модули вывода
дискретных сигналов, специализированные модули, позволяет наиболее оптимально
сконфигурировать контроллер для определенных задач.
Технические характеристики контроллера приведены в таблице 3.3.
Таблица 3.3 - Технические характеристики контроллера типа ЭЛСИ - ТМ
|
Наименование параметра
|
Значение
|
|
Номинальное значение
напряжения питания переменного тока, В
|
220
|
|
Отклонение напряжение
питания переменного тока от номинального значения, В
|
±44
|
|
Частота питающей сети, Гц
|
50
|
|
Номинальное значение
напряжения питания постоянного тока, В
|
220
|
|
Отклонение напряжение
питания постоянного тока от номинального значения, В
|
-20, +130
|
|
Потребляемая мощность, Вт,
не более
|
60
|
|
Габаритные размеры (без
кабельной части), мм, не более
|
435х230х220
|
|
Масса, кг, не более
|
10
|
|
Вероятность безотказной
работы за 10000 ч, не менее
|
0,95
|
|
Срок службы, лет, не менее
|
10
|
Конструкция контроллера представляет собой
набор модулей, объединенных коммутационной панелью ТК-103.
Каждый модуль контроллера представляет
собой функционально - законченный блок.
Контроллер реализован с применением
микропроцессорной техники по модульному принципу.
Условное обозначение модулей контроллера формируется
следующим образом: «Модуль ТХ - ХХХ.Х», где Т- обозначение серии контроллеров
типа Элси-ТМ; Х - основное функциональное назначение:
- К - модуль коммутационный (панель);
С - модуль центрального процессора;
А - модуль аналогового ввода-вывода;
D -
модуль дискретного ввода-вывода;
P -
модуль питания;
N -
модуль интерфейсный.
XXX -
порядковый номер разработки; X -
код варианта исполнения модуля.
Контроллер реализован по модульному принципу на основе параллельной магистрали
(шины).
Магистраль контроллера содержит:
шину адреса;
шину данных;
шину управления;
шину прерываний;
шину питания.
Модули контроллера подключены к шине параллельно и посредством магистрали
производят обмен данными с процессором, а также подключение к питающим
напряжениям.
Центральный процессор выполняет функции:
самопроверки и проверки работоспособности функциональных модулей;
коммуникации данных между модулями;
логической обработки данных и выдачи сигналов управления в соответствии с
прикладной программой;
сохранения данных в энергонезависимой памяти;
обслуживания часов реального времени;
автоматического перезапуска контроллера при подаче питания или сбое в
работе.
Функциональные модули выполняются на основе микроконтроллера с
программным управлением. Источник питания контроллера, в зависимости от
исполнения, преобразует напряжение сети питания 220 В частотой 50 Гц или
В постоянного тока в напряжение питания модулей: плюс 5 В, плюс 12 В,
минус 12 В. Программное обеспечение контроллера состоит из:
программного обеспечения центрального процессора (ПО ЦП);
программного обеспечения функциональных модулей;
сервисного программного обеспечения (сервисного ПО).
В состав ПО ЦП входят:
многозадачная операционная система;
модули поддержки протоколов обмена по последовательным интерфейсам;
модуль поддержки прикладной программы;
конфигуратор.
Многозадачная операционная система обеспечивает управление работой
запущенных на центральном процессоре задач и системных устройств (таймеров, flash-памяти, часов реального времени и
т.д.). Модуль поддержки протоколов предоставляет программе пользователя
возможность работы с последовательными интерфейсами по заданным протоколам
передачи данных. Модуль поддержки прикладной программы производит выполнение
пользовательской логики обработки сигналов в соответствии со стандартом IEC1131. Максимальный объем прикладной
программы - 512 кб. Программное обеспечение модулей реализует:
проверку работоспособности модулей в фоновом режиме;
индикацию состояния модулей;
в модулях аналогового ввода - усреднение и интегрирование входных
сигналов, проверку и калибровку каналов для исключения временных и
температурных дрейфов;
в модулях дискретного ввода - проверку каналов, последовательный опрос
каналов, цифровую фильтрацию входных сигналов, подсчет количества и частоты
следования импульсов;
в интерфейсных модулях - протокол обмена.
Структурная схема модуля приведена на рисунке 3.4.
Рисунок 3.4 - Структурная схема контроллера типа Элси-ТМ
Для проведения работ по проверке технического состояния контроллера при
обслуживании, а также для тестирования и отладки прикладного программного
обеспечения, в составе комплекта поставки контроллера имеются сервисные
средства, в частности, переносной пульт инженера (пульт ППИ64х45). Пульт
инженера является переносным портативным устройством и позволяет производить
вывод значений сигналов контроллера, просмотр и редактирование параметров.
Подключение ППИ осуществляется через разъем интерфейса RS-232, находящегося на модуле центрального процессора ТС-306.
Сигнализатор утечек нефти из насоса типа OMUV 05/1.
При нормальной работе центробежных магистральных насосов через
уплотнительные устройства происходят небольшие утечки нефти. Эта нефть
собирается и подаётся в специальный резервуар-сборник, откуда откачивается по
мере накопления. Если уплотнительные устройства насоса неисправны, утечки нефти
могут достигнуть значительной величины.
Для контроля и сигнализации допустимого количества утечек из торцовых
уплотнений насоса предназначен сигнализатор типа OMUV 05/1
Сигнализатор уровня жидкости типа OMUV 05/1 предназначен для сигнализации одного, двух или
трехпредельных уровней жидкости в аппаратах и резервуарах технологических
установок, находящихся во взрывоопасных зонах.
В стальном хромоникелевом зонде, выполненном в виде двойного футляра,
размещено реле Геркон. Относительно зонда перемещается вверх или вниз - в
зависимости от уровня жидкости - поплавок, внутри которого имеется кольцевой
магнит, который вызывает срабатывание реле Геркон при достижение определенного
уровня. Поверхность поплавка имеет тефлоновое покрытие, назначением которого
является предотвращение статической зарядки поплавка, а также коррозии.
Движение поплавка осуществляют 6 шт. статически заряженных пружин которые поддерживают
поплавок постоянно на потенциале земли. В зонде с двойной стенкой располагаются
залитые силиконовым каучуком реле Геркон. Заливка силиконовым каучуком защищает
реле от сотрясений и прочих внешних воздействий. Если реле имеют моностабильное
состояние, т.е. не имеют предварительного натяга, то их срабатывание может
произойти только под воздействием сильного магнитного поля.
Корпус закрыт крышкой. Резиновая прокладка предохраняет корпус от
попадания в него влаги. Для подведения и герметизации внешних проводов служит
специальное вводное устройство.
Прибор типа OMUV 05/1 (рисунок
3.5) является выключателем уровня. Сигнализатор работает следующим образом.
Утечки из уплотнений насоса попадают в «карманы», а затем по отводящему
трубопроводу в емкость для сбора утечек. В отводящем трубопроводе стоит
диафрагма с определенным диаметром. Если утечки не успевают утекать в емкость
для сбора утечек, поплавок начинает подниматься до определенной высоты и
замыкает контакт реле, которое подаёт сигнал в схему автоматики о неисправности
уплотнений насоса.
- поплавковая камера; 2 - кран
Рисунок 3.5 - Сигнализатор утечек нефти типа OMUV 05/1
Аварийное поступление нефти сбрасывается через переливной патрубок в
ёмкость сбора утечек.
В процессе эксплуатации необходимо производить внешний осмотр датчика и
подвергать его периодическому техническому обслуживанию.
При ежемесячном внешнем осмотре необходимо проверить:
отсутствие обрывов или повреждений изоляции линий связи между датчиком и
регистрирующим устройством;
отсутствие обрывов заземляющих проводов;
надежность подключения кабелей к элементам датчика;
отсутствие вмятин, видимых механических повреждений датчика.
При техническом обслуживании должны выполняться следующие операции:
чистка электрических соединителей;
проверка прочности крепления датчика на обьекте измерения;
корректировка нуля.
Микропроцессорный датчик давления типа EJХ 530А
Датчик давления типа EJХ
530А фирмы «Yokogawa» - предназначен для измерения
избыточного давления различных сред: жидкости, газа и пара.
Датчики давления серии «EJA» и «EJX» обладают всеми функциями современных
интеллектуальных датчиков. Отличительной особенностью преобразователей серий «EJA» и «EJX» является метод измерения давления: в качестве
чувствительного элемента в них используется кремниевый механический резонатор -
уникальная разработка фирмы «Yokogawa».
«EJX» в своей основе используют тот же,
что и в преобразователях «EJA», "частотно-резонансный" метод
преобразования давления в частотный сигнал на базе кремниевого кристалла
(DPHarp технология). При этом в серии «EJX» уменьшено время отклика, оно
составляет 95 мс.
Серия DPharp EJA - новейшая серия интеллектуальных датчиков сверхвысокой
технологии, использующих в качестве детектора кремниевый резонатор.
Приборы относятся к интеллектуальной серии, поддерживающей двусторонний
обмен информацией по BRAIN- или HART-протоколу. Благодаря этому пользователь
имеет возможность сам сконфигурировать основные параметры измерения давления и
настроить выходной сигнал.
Встроенные функции самодиагностики позволяют непрерывно отслеживать
исправность прибора и нахождение процесса в допустимых пределах.
Технические данные датчика типа EJA 530А представлены в таблице 3.4.
Таблица 3.4 - Технические данные датчика типа EJХ 530А
|
Наименование параметра
|
Значение
|
|
Рабочие среды
|
Газ, пар, жидкость
|
|
Температура окружающей
среды, °С
|
-40 …120
|
|
Выходной сигнал: токовый,
мА цифровой
|
4…20 BRAIN или
HART-протокол
|
|
Приведенная погрешность, %
шкалы
|
±0,075
|
Кремниевый резонатор представляет собой параллелепипед плоской формы,
защищенный герметичной капсулой и интегрированный в плоскость кремниевой
мембраны. При изготовлении чувствительных элементов применяются самые
современные технологи роста кристаллов, благодаря чему вся эта сложная
структура получается с единой монокристаллической решеткой.
В зависимости от знака приложенного давления резонатор растягивается или
сжимается, в результате чего частота его собственных механических колебаний
соответственно растет или уменьшается. Колебания механического резонатора в
постоянном магнитном поле преобразуются в колебания электрического контура, и,
в итоге, на выходе чувствительного элемента получается цифровой (частотный)
сигнал, точно отражающий величину измеряемого давления.
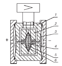
Датчик избыточного давления типа Метран-100-Вн-ДИ.
Датчик избыточного давления типа Метран-100-Вн-ДИ состоит из
преобразователя давления и электронного преобразователя. Конструкция датчика
представлена на рисунке 3.6.
Мембранный тензопреобразователь 3 размещен внутри основания 2. Внутренняя
полость 4 заполнена кремний органической жидкостью и отделена от измеряемой
среды металлической гофрированной мембраной 5, приваренной по наружному контуру
к основанию 2. Полость 7 сообщается с окружающей атмосферой.
Измеряемое давление подается в камеру 6 фланца 9, который уплотнен
прокладкой 8. Измеряемое давление воздействует на мембрану 5 и через жидкость
воздействует на мембрану тензопреобразователя, вызывая ее прогиб и изменение
сопротивления тензорезисторов.
Электрический сигнал от тензопреобразователя передается из блока
чувствительного элемента в электронный преобразователь 1. Полость 7
герметизирована и сигнал передается в электронный преобразователь по проводам
через гермоввод 10.
1 - электронный преобразователь; 2 - основание; 3 - Мембранный
тензопреобразователь; 4 - внутренняя полость; 5 - гофрированная мембрана; 6 -
камера; 7 - полость; 8 - прокладка; 9 - фланец; 10 - гермоввод
Рисунок 3.6 - Конструкция датчика давления типа Метран-100-Вн-ДИ
В таблице 3.5 приведены основные технические характеристики датчика
избыточного давления типа Метран-100-Вн-ДИ.
Таблица 3.5 - Основные технические характеристики типа Метран-100-Вн-ДИ
|
Характеристика
|
Значение
|
|
|
Диапазон измерений
давления, МПа
|
0 … 100
|
|
|
Основная приведенная
погрешность канала измерения давления, %
|
±0,15
|
|
|
Температура измеряемой
среды, 0С
|
- 40 … + 70
|
|
|
Температура окружающей
среды, 0С
|
- 40 … + 70
|
|
|
Наработка датчика на отказ,
час, не менее
|
150000
|
|
|
Средний срок службы, лет,
не менее
|
15
|
|
|
Стоимость, руб
|
100000
|
Функционально электронный преобразователь состоит из АЦП, источника
опорного напряжения, блока памяти АЦП, микроконтроллера с блоком памяти, ЦАП,
стабилизатора напряжения, фильтра радиопомех и НАRТ-модема для преобразователей.
Кроме того, в электронный преобразователь входит жидкокристаллический
индикатор. АЦП, источник опорного напряжения и блок памяти АЦП размещаются на
плате АЦП, которая объединяется с измерительным блоком в сборочную единицу -
чувствительный элемент давления.
Остальные элементы функциональной схемы размещаются в корпусе
электронного преобразователя.
Плата АЦП принимает аналоговые сигналы преобразователя давления,
пропорциональные давлению и преобразовывает их в цифровые коды.
Энергонезависимая память предназначена для хранения коэффициентов
коррекции характеристик блока чувствительного элемента и других данных о блоке
чувствительного элемента.
Микроконтроллер, установленный на микропроцессорной плате, принимает
цифровые сигналы с платы АЦП вместе с коэффициентами коррекции, производит
коррекцию и линеаризацию характеристики блока чувствительного элемента,
вычисляет скорректированное значение выходного сигнала датчика и передаёт его в
ЦАП. Цифро-аналоговый преобразователь преобразует цифровой сигнал, поступающий
с микроконтроллера, в выходной аналоговый токовый сигнал.
4. Модернизация фильтра-грязеуловителя
Актуальность автоматизации ФГУ возросла в связи с наличием на
НПС «Мраково» морально устаревших манометров и отсутствием автоматизированного
контроля за перепадом давления на ФГУ. На блоке фильтров стоят манометры избыточного давления, для
измерения давлений на входе и выходе.
Технические осмотры ФГУ проводятся: дежурным персоналом НПС - 2 раза в смену с контролем перепада
давления; инженерами служб - 1 раз в день; заместителем начальника НПС - 1 раз в 2 дня; начальником НПС - 1 раз в месяц при общем обходе НПС.
При очистке магистрального трубопровода, а также после его ремонта и пропуска
диагностических устройств в течение не менее 12 ч осуществляется контроль
перепада давления с периодичностью не реже одного раза в час. На фильтрах
отсутствует автоматизированный контроль за перепадом давления. Он
осуществляется визуально обслуживающим персоналом. Для упрощения процедуры
замера перепада давления непосредственно на площадке ФГУ в данном дипломном
проекте предлагается внедрить датчик разности давлений.
4.1 Общие сведения о ФГУ
ФГУ входит в состав технологических трубопроводов и предназначен для
защиты приборов и оборудования нефтепроводов от механических примесей,
парафино-смолистых отложений, посторонних предметов.
Технологическая схема ФГУ представлена на рисунке 4.1.
Нефть проходит через ФГУ №№ 1, 2, где она очищается. Значение
максимального перепада давления на ФГУ принимается по техническим требованиям
завода-изготовителя. Для очистки ФГУ № 1 необходимо закрыть задвижки №№ 1, 2,
предварительно включив резервный ФГУ № 2; для очистки ФГУ № 2 закрыть задвижки
№№ 3, 4, предварительно включив ФГУ № 1.
Далее нефть поступает в магистральную насосную.
1, 2, 3, 4 - задвижки; Ф-1, Ф-2 - ФГУ №1, 2
Рисунок 4.1 - Технологическая схема ФГУ
Основные технические данные и характеристики ФГУ приведены в таблице 4.1.
Таблица 4.1 - Основные технические данные и характеристики ФГУ
|
Характеристика
|
Значение
|
|
Условный проход Ду, мм
|
500
|
|
Условное давление Ру, МПа
|
4,0
|
|
Масса, кг
|
3700
|
|
Объем, м 3
|
|
|
Срок службы, лет
|
25
|
|
Рабочая среда
|
Нефть
|
Условия установки по взрывоопасности - в зонах по взрывоопасности
относящихся к классу В-1Г, с парами ЛВЖ, образующими взрывоопасные смеси с
воздухом категории II А группы Т3 по
ГОСТ 12.1.011 класса опасности вредных веществ 4 по ГОСТ 12.1.007.
Условия
эксплуатации - на открытом воздухе в условиях умеренного «У» (средняя
температура наиболее холодной пятидневки не ниже минус 40
С) или умеренного и холодного климата «УХЛ» (средняя
температура наиболее холодной пятидневки не ниже минус 60
С) категории размещения 1 по ГОСТ 15150 [7].
Контроль перепада давления.
Система ФГУ должна иметь в резерве не менее одного исправного фильтра.
После монтажа нового фильтра или его очистки должен быть зарегистрирован
перепад давления на чистом фильтре-грязеуловителе (DPW, МПа) с указанием, соответствующих
на данный период времени, вязкости (n, сСт) и производительности (Q, м3/ч).
Контроль работоспособности ФГУ при эксплуатации осуществляется сравнением
текущих значений со значениями перепада давления на чистом ФГУ. Оперативный
персонал (оператор) должен иметь таблицу или график пересчета перепада давления
на чистом фильтре для значений производительности и вязкости, которые могут
иметь место на данной НПС.
При выявлении оператором увеличения перепада давления на блоке
фильтров-грязеуловителей на величину более чем 0,03 МПа, дежурный персонал, по
согласованию с оператором, осуществляет поочередное отключение работающих
фильтров задвижками на входе и выходе, чтобы в работе остался один
фильтр-грязеуловитель, с целью выявления степени его загрязнения.
По результатам оценки, если перепад давления на фильтре увеличился на
величину больше чем 0,05 МПа по сравнению с чистым фильтром с учетом текущих
значений производительности и вязкости, принимается решение о его вскрытии,
осмотре технического состояния и очистке.
При ежедневном осмотре ФГУ выполняется внешний осмотр с целью выявления
протечек нефти по фланцевым и резьбовым соединениям, механических повреждений,
контролируется перепад давления, ФГУ прослушиваются на отсутствие посторонних
шумов.
Мнемосхема работы НПС «Мраково» представлена на рисунке 4.2.
Рисунок 4.2 - Мнемосхема работы НПС «Мраково»
4.2 Выбор датчика разности давлений для
автоматизации ФГУ
Основные критерии выбора датчика разности давлений:
) основная
приведенная погрешность;
) диапазон измерений давления;
) диапазон измеряемой среды;
) диапазон окружающей среды;
) стоимость.
В данном дипломном проекте рассмотрим несколько современных датчиков
разности давлений. Сопоставив их характеристики с требованиями, предъявляемыми
к датчикам разности давлений на НПС, выберем наиболее оптимальный датчик.
На сегодняшнее время на рынке множество датчиков разности давлений и на
производстве остро стоит вопрос его выбора. Проведем сравнительный анализ между
датчиками разности давлений типа Rosemount 3051s («Rosemount», США), Метран-150 (ЗАО Промышленная
группа Метран, Россия), EJA
110A («Yokogawa Electric Corporation»,
Япония), которые будут рассмотрены ниже.
Датчик разности давлений типа Rosemount 3051s.
Новое поколение датчиков по функциональности, техническим характеристикам
и удобству применения. Особенностью являются малые значения основной
приведенной погрешности, дополнительной погрешности от влияния температуры и
статического давления, улучшенные показатели нестабильности измерений во
времени.
В датчиках давления Rosemount 3051s мембраны расположены не параллельно
друг другу (как традиционный бипланарный дизайн), а в одной плоскости (рисунок
4.3).

а) б)
а) традиционный бипланарный дизайн датчиков давления; б) копланарный
дизайн «Coplanar™» датчиков давления;
Рисунок 4.3 - Расположение мембран в зависимости от конструктивного
исполнения датчиков давления
Схема получила название «Coplanar™». В отличие от распространенной
бипланарной схемы, обеспечивает минимальные габариты и массу датчика и
позволяет интегрально соединить различные первичные элементы, фланцы уровня,
клапанные блоки, выносные мембраны и т.д.
Уникальная герметичная платформа «SuperModule™» (см. рисунок 4.4)
представляет собой сварной корпус, заполненный инертным газом, из нержавеющей
стали и имеет очень высокую степень защиты от воздействия пыли и воды.
Рисунок 4.4 - Уникальная платформа «SuperModule™»
Единственная плата электроники внутри «SuperModule™» преобразует
аналоговый сигнал от изменения давления с емкостного чувствительного элемента в
самый распространенный промышленный аналоговый сигнал 4-20 мА с наложенным на
него цифровым протоколом HART™, то есть объединяет функции аналогово-цифрового
и цифро-аналогового преобразователей. Это позволяет для решения некоторых задач
измерения не применять электронный блок, а сразу подключить датчик-сенсор
«SuperModule™» к промышленной АСУТП, поддерживающей сигнал 4-20 мА или HART™,
через специальный разъем. Таким образом «SuperModule™» является фактически
законченным датчиком давления [8].
Общий вид датчика разности давлений типа Rosemount 3051s показан на рисунке 4.5.
Рисунок 4.5 - Общий вид датчика разности давлений типа Rosemount 3051s
Основные технические характеристики датчика разности давлений типа Rosemount 3051s приведены в таблице 4.2.
Таблица 4.2 - Основные технические характеристики датчика разности
давлений типа Rosemount 3051s
|
Наименование показателя
|
Значение
|
|
|
Диапазон измерений давления
(шкала прибора), МПа
|
0-68,9
|
|
|
Основная приведенная
погрешность, %
|
0,025
|
|
|
Температура измеряемой
среды, °С
|
- 40…149
|
|
|
Температура окружающей
среды, °С
|
-40…85
|
|
|
Стоимость, руб
|
90000
|
100000
|
Датчик разности давлений типа Метран-150.
Интеллектуальный датчик разности давлений серии Метран-150, общий вид
которого представлен на рисунке 4.6, предназначен для непрерывного
преобразования в унифицированный токовый выходной сигнал и/или цифровой сигнал
в стандарте протокола HART
разности давлений;
Управление параметрами датчика:
с помощью HART-коммуникатора;
удаленно с помощью программы HART-Master, HART-модема и компьютера или программных средств АСУТП;
Улучшенный дизайн и компактная конструкция:
поворотный электронный блок и ЖКИ;
высокая перегрузочная способность;
защита от переходных процессов;
внешняя кнопка установки «нуля» и диапазона;
непрерывная самодиагностика.
Рисунок 4.6 - Общий вид датчика разности давлений типа Метран-150
Основные технические характеристики датчика разности давлений типа
Метран-150 приведены в таблице 4.3.
Таблица 4.3 - Основные технические характеристики датчика разности
давлений типа Метран-150
|
Наименование показателя
|
Значение
|
|
|
Диапазон измерений давления
(шкала прибора), МПа
|
0-68
|
|
|
Основная приведенная
погрешность, %
|
0,075
|
|
|
Температура измеряемой
среды, °С
|
-40…149
|
|
|
Температура окружающей
среды, °С
|
-40…80
|
|
|
Стоимость, руб
|
20000
|
100000
|
Датчик состоит из сенсора и электронного преобразователя.
Сенсор состоит из измерительного блока, схема которого представлена на рисунке
4.7, и платы аналого-цифрового преобразователя (АЦП). Давление подается в
камеру измерительного блока, преобразуется в деформацию чувствительного элемента
и изменение электрического сигнала.
- корпус; 2 - емкостная измерительная ячейка;
3 - разделительная мембрана; 4 - разделительная жидкость; 5 - измерительная мембрана; 6 - пластины конденсатора;
Рисунок 4.7 - Схема измерительного блока
Измерительный блок датчиков этих моделей состоит из корпуса
1 и емкостной измерительной ячейки Rosemount 2. Емкостная ячейка изолирована
механически, электрически и термически от измеряемой и окружающей сред.
Измеряемое давление передается через разделительные мембраны 3 и разделительную
жидкость 4 к измерительной мембране 5, расположенной в центре емкостной ячейки.
Воздействие давления вызывает изменение положения измерительной мембраны 5, что
приводит к появлению разности емкостей между измерительной мембраной и
пластинами конденсатора 6, расположенным по обеим сторонам от измерительной
мембраны. Разность емкостей измеряется АЦП и преобразуется электронным
преобразователем в выходной сигнал [8].
Датчик разности давлений типа EJА 110A.
Датчик дифференциального давления типа EJА 110A,
представленный на рисунке 4.8, предназначен для измерения расхода жидкости газа
или пара, а также может быть использован для измерения уровня, плотности и
давления.
Рисунок 4.8 - Общий вид датчика разности давлений типа EJА 110A
Основные технические характеристики датчика типа EJА
110A приведены в таблице 4.4.
Таблица 4.4 - Основные технические характеристики датчика типа EJА 110A
|
Наименование показателя
|
Значение
|
|
|
Диапазон измерений
давления, МПа
|
-0,5 до 14
|
|
|
Основная приведенная
погрешность, %
|
0,075
|
|
|
Температура измеряемой
среды, °С
|
-40…120
|
|
|
Температура окружающей
среды, °С
|
-45…85
|
|
|
Средний срок службы не
менее, лет
|
12
|
|
|
Стоимость, руб
|
27140
|
100000
|
Важнейшей особенностью датчиков давления серии EJA 110А является резонансный принцип измерения давления,
основанный на преобразовании упругой деформации монокристаллической кремниевой
мембраны, возникающей под действием приложенной разности давлений, в частотный
электрический сигнал. Преобразование осуществляется при помощи двух
микроскопических полых Н-образных резонаторов (представленных на рисунке 4.9),
сформированных на поверхности кремниевой мембраны, которые служат
частотно-задающими элементами для двух генераторов переменного напряжения.
Механическая конструкция мембраны такова, что при ее деформации частота одного
резонатора уменьшается, а другого - увеличивается. Возникающая при этом
разность частот линейно зависит от приложенной разности давлений и практически
не зависит от температуры и статического давления (при их измерении частоты
обоих резонаторов изменяются на одну и ту же величину, а их разность остается
неизменной).
Резонаторы
Рисунок 4.9 - Кремниевая мембрана
Благодаря тому, что частота выходного сигнала с резонансного сенсора
может измеряться непосредственно цифровыми счетчиками, вся обработка сигнала в
электронном модуле датчиков сделана полностью цифровой (кроме преобразования
результатов измерений в аналоговый выходной сигнал 4...20 мА).
Отсутствие аналого-цифрового преобразования существенно повышает
надежность и метрологические характеристики датчиков. Кроме того, датчикам типа
EJA 110А не требуется подстройка нуля и
калибровка после перенастройки шкалы, что значительно уменьшает объем работ по
обслуживанию датчиков и снижает расходы на их эксплуатацию. При передаче
результатов измерений по цифровым протоколам связи датчики типа EJA 110А в перенастройке шкалы вообще не
нуждаются [9].
Обоснование выбора датчика.
После рассмотрения ряда датчиков разности давлений, существующих на
рынке, составлена сводная таблица основных характеристик приборов (таблица 4.4)
Таблица 4.4 - Сводная таблица основных характеристик приборов
|
Характеристика
|
Тип датчика
|
|
Rosemount 3051s
|
Метран-150
|
EJА 110A
|
|
Диапазон измерений давления,
МПа
|
0 - 68,9
|
0 - 68
|
- 0,5 - 14
|
|
Основная приведенная
погрешность, %
|
0,025 0,075 0,075
|
|
|
|
Температура измеряемой
среды, °С
|
- 40…149
|
- 40…149
|
- 40…120
|
|
Температура окружающей
среды, °С
|
- 40…85
|
-40…80
|
- 45…85
|
|
Стоимость, руб
|
90000
|
20000
|
27140
|
Из таблицы видно, что датчик разности давлений типа EJА 110A, обладает рядом преимуществ перед
остальными рассмотренными альтернативами.
Диапазон измерения давления вполне достаточен для нормальной работы
фильтра-грязеуловителя. Основная приведенная погрешность достаточна, чтобы
обеспечить точное измерение.
Датчик разности давлений типа EJА 110A
имеет широкий диапазон температур измеряемой и окружающей среды, благодаря чему
прибор может использоваться в разных температурных условиях. Стоимость датчика
приемлемая, соответствующая понятию «цена-качество»
Отличительные черты и преимущества:
- высокая надежность и приспособленность к промышленным условиям
эксплуатации;
полностью цифровая обработка сигнала с сенсора, расширенная
самодиагностика;
- лучшее в мире соотношение цена/качество, минимальная стоимость
владения.
4.3 Дополнительные сведения о датчике разности давлений типа EJA 110A
В датчиках давления серии EJA
110А в полной мере реализованы все функциональные возможности, характерные для
современных микропроцессорных датчиков давления:
- местная и дистанционная перенастройка нуля и шкалы как с заданием
эталонного давления, так и без него;
- выбор единиц измерения, вида выходной характеристики (прямая/обратная,
линейная/ корнеизвлекающая);
- проверка и, при необходимости, подстройка аналогового выходного
сигнала:
- установка постоянной демпфирования;
- непрерывная самодиагностика с выдачей результатов на встроенный
дисплей, а также через аналоговый выходной сигнал и цифровые протоколы связи.
Кроме того, датчики серии EJA
110А имеют ряд дополнительных возможностей:
- непрерывный контроль температуры электронного модуля и капсулы сенсора,
а также статического давления, проверка их соответствия допустимым пределам;
- наличие нескольких вариантов режима отсечки малых сигналов для
обеспечения стабильных измерений при малых расходах;
- возможность изменения сторон низкого и высокого давления без отключения
от процесса;
Датчики давления серии EJA
110А могут оснащаться съемным жидкокристаллическим дисплеем (рисунок 4.10),
предназначенным для:
- отображения выходного сигнала в % шкалы;
- отображения измеренной разности давлений в стандартных или
нестандартных единицах измерения (в том числе, попеременно с отображением
выходного сигнала в % шкалы);
- отображения расхода (в приближении постоянной плотности) в % шкалы или
других единицах измерения (в т.ч. попеременно с отображением выходного сигнала
в % шкалы);
- отображения выбранных стандартных единиц измерения (из 14 возможных)
выбранной выходной характеристики, результатов самодиагностики;
- перенастройки нуля и шкалы по месту с использованием винта
перенастройки на корпусе датчика.
Рисунок 4.10 - Съемный жидкокристаллический дисплей
Узел приема давления представлен на рисунке 4.11.
Рисунок 4.11 - Узел приема давления
Узел приема давления рассчитан на работу как с обычными, так и с
коррозионно-активными средами. Конструкция капсулы сенсора обеспечивает защиту
сенсора от односторонней перегрузки величиной вплоть до предельно допустимого
статического давления.
Широкий диапазон перенастройки шкалы (1:100 у большинства модификаций),
отличная приспособленность к промышленным условиям эксплуатации, заложенная уже
в базовых исполнениях датчиков «EJA
110А», максимальная унификация элементов конструкции в пределах модельного ряда
и четкая сегментация моделей по применениям - все это позволяет снизить расходы
на проектирование, минимизировать вероятность ошибок при выборе модели и
исполнения датчиков и обеспечивает максимальную гибкость и эффективность
применения датчиков давления серии «EJA 110А» в промышленности.
С другой стороны, широкий выбор дополнительных опций дает возможность
оптимальным образом подобрать исполнение датчиков даже для самых сложных условий
эксплуатации. Масса равна 3,9 кг.
У приборов в исполнении 1ExdIICT4…T6 взрывозащита обеспечивается
специальной конструкцией корпуса с использованием взрывонепроницаемых
кабелевводов и заглушек, соблюдением требований ГОСТ Р 51330.0-99, ГОСТ Р
51330.13-99, гл.7.3 ПУЭ и других нормативных документов к прокладке
неискробезопасных кабельных линий во взрывоопасных зонах.
На рисунке 4.12 представлена схема включения датчика.
Рисунок 4.12 - Схема включения
В комплект поставки входит:
) датчик разности давлений «EJA 110A» в соответствии с кодом заказа;
) принадлежности в соответствии с кодом заказа;
) руководство пользователя;
) копия свидетельства Ростехрегулирования об утверждении типа СИ;
) методика поверки;
) свидетельство о первичной поверке;
) разрешение Ростехнадзора на применение на опасных производственных
объектах;
) копия сертификата соответствия ГОСТ Р на датчики давления серии «EJA 110А» и взрывонепроницаемые
кабельные вводы и заглушки (при их заказе).
4.4 Разработка программного обеспечения
логического управления ФГУ
Алгоритм управления ФГУ.
Система ФГУ на входе НПС имеет в резерве один исправный фильтр
заполненный нефтью с закрытой приемной задвижкой. Перевод
фильтра-грязеуловителя из «резерва» в «работу» проводится с периодичностью 1
раз в месяц при проведении технического обслуживания. При загрязнении ФГУ № 1,
автоматически в работу включается ФГУ № 2.
При нормальной работе Ф-1 нефть протекает через задвижки № 1, 2. Ф-2
находится в «резерве» (см. рисунок 4.1). Если при перепаде давления больше чем
0,03 МПа с выдержкой времени 3 сек. давление не нормализовалось, то включается
сигнализация о засорении Ф-1. Открываются задвижки № 3, 4. Проводится измерение
перепада давления на Ф-2. Если есть перепад, но после 3 сек. давление пришло в
норму, то закрываются задвижки № 1, 2, Ф-1 переводится в «резерв». Проводится
чистка Ф-1, замеряется давление после чистки. Если есть перепад давления на
Ф-2, то включается аварийная сигнализация, оба фильтра находятся в неработоспособном
состоянии, производится остановка станции, проводят ремонт фильтров.
Граф переходов, представленный на рисунке 4.13, составлен на
основе словесного описания алгоритма управления.
Рисунок 4.13 - Граф переходов
Программирование.
Автоматизация сбора и обработки измерительной информации связана с
задачей программирования логики работы инструментальных средств автоматизации -
логических контроллеров.
Использование стандартных языков и компьютерных средств программирования
позволяют существенно снизить затраты на разработку прикладного программного
обеспечения контроллеров и обеспечить его переносимость с одного контроллера на
другой.
Инструменты программирования ПЛК на языках МЭК 61131-3 могут
быть специализированными для отдельного семейства ПЛК (например, STEP 7 для
контроллеров SIMATIC S7-300/400) или универсальными, работающими с несколькими
(но далеко не всеми) типами контроллеров: CoDeSys, ISaGRAF, ИСР
"КРУГОЛ", Beremiz.
Для программирования ПЛК используются стандартизированные
языки МЭК (IEC) стандарта IEC61131-3:
- графические:
1)LD - язык релейных схем;
)FBD - язык функциональных блоков;
)SFC - язык диаграмм состояний - используется для программирования
автоматов;
- текстовые:
1)IL - список инструкций;
)ST - структурированный текст.
Языком программирования был выбран язык ST. ST - язык структурированного текста. Относится к классу
языков высокого уровня, похожих на Паскаль, удобен для программирования сложных
логических и вычислительных процедур, которые сложно или невозможно описать
графическими языками.
Порядок создания программы:
- создание проекта;
объявление переменных: booleans (булевые), analog (аналоговые), timers (таймерные);
создание программ;
написание текста программы на выбранном языке с помощью соответствующего
редактора;
присоединение переменных ввода-вывода, позволяет программисту определить
физические платы системы исполнения и то, каким образом переменные ввода-вывода
присоединяются к каналам этих плат;
генерация кода прикладной программы, включающая проверку синтаксиса
программы;
тестирование или имитация. Используется для отладки программ на
компьютере, когда аппаратные средства системы исполнения недоступны;
загрузка программы в контроллер [10].
Список переменных, используемых в программе для данного проекта,
приводится в таблице 4.5.
Таблица 4.5 - Описание переменных применяемых в программе
|
№ п/п
|
Условное обозначение
|
Тип переменных
|
Наименование сигнала
|
|
Входные сигналы
|
|
1
|
Р11
|
bool
|
Сигнал - превышение
давления на Ф-1 больше 0,03 МПа
|
|
2
|
Р22
|
bool
|
Сигнал - превышение
давления на Ф-2 больше 0,03 МПа
|
|
3
|
Х1
|
bool
|
Cигнал на закрытие задвижки
№ 1
|
|
4
|
Х2
|
bool
|
Cигнал на закрытие задвижки
№ 2
|
|
5
|
Х3
|
bool
|
Cигнал на закрытие задвижки
№ 3
|
|
6
|
Х4
|
bool
|
Cигнал на закрытие задвижки
№ 4
|
|
7
|
Ysb
|
bool
|
Сброс всех параметров
|
|
Выходные сигналы
|
|
15
|
Uf1
|
bool
|
Сигнал о работе Ф-1
|
|
16
|
Uf2
|
bool
|
Сигнал о работе Ф-2
|
|
17
|
Z1
|
bool
|
Управление на открытие
задвижки № 1
|
|
18
|
Z2
|
bool
|
Управление на закрытие
задвижки № 2
|
|
19
|
Z3
|
bool
|
Управление на открытие
задвижки № 3
|
|
20
|
Z4
|
bool
|
Управление на закрытие
задвижки № 4
|
|
21
|
Ic1
|
bool
|
Сигнализация о
неисправности Ф-1
|
|
22
|
Ic2
|
bool
|
Сигнализация о
неисправности Ф-2
|
|
Внутренние переменные
|
|
23
|
T1
|
timer
|
Сигнал о включении таймера
Т1
|
|
24
|
T2
|
timer
|
Сигнал о включении таймера
Т2
|
|
25
|
T3
|
timer
|
Сигнал о включении таймера
Т3
|
Листинг программы на языке ST
представлен в приложении Б.
На рисунке 4.14 приведены результаты работы программы.
а) б)
в)
г) д)
а) исходное состояние; б) включение в работу Ф-2; в) включение в работу
Ф-1; г) оба фильтра в резерве; д) включение в работу Ф-1 после его чистки;
Рисунок 4.14 -
Результаты работы программы
5. Охрана труда и техника безопасности на НПС «Мраково»
Темой дипломного проекта является автоматизация НПС «Мраково». С целью
обеспечения безопасности производства при монтаже и эксплуатации средств
автоматизации, рассмотренных в технической части, необходимо дать
характеристику производственной среды, в которой производится автоматизация,
сделать анализ производственных опасностей и вредностей.
Охрана труда и техника безопасности, на НПС, должны соблюдаться при всех
видах работ, связанных с монтажом, обслуживанием и наладкой средств
автоматизации.
Несоблюдение требований безопасности производства на НПС может привести к
производственным травмам, отравлениям, а экологической безопасности - к
загрязнению окружающей среды.
Надежность работы системы автоматизации увеличивается, рассматриваемый
объект становится более безопасным и безвредным, при соблюдении техники
безопасности во время всех видов работ исключается возможность возникновения
аварийных ситуаций, взрывов, пожаров и получения производственных травм.
5.1 Анализ потенциальных опасностей и производственных
вредностей на НПС «Мраково»
Первичные датчики устанавливаются непосредственно на технологические
объекты (трубопроводы, емкости дренажные), где в процессе эксплуатации системы
рабочей средой является нефть, а вторичные приборы в операторной.
Нефть, являясь легковоспламеняющейся жидкостью, при выходе на поверхность
в случае аварии на трубопроводе создает предпосылки для возникновения
пожароопасных событий.
Испарение легких компонентов из разлившейся нефти может привести к
образованию газовоздушной смеси и взрывоопасной концентрации.
Взрывоопасные и токсические свойства нефти на НПС «Мраково» приведены в
таблице 5.1.
Таблица 5.1 - Взрывоопасные и токсические свойства нефти на НПС «Мраково»
|
Наименование вещества на
рассматриваемом объекте
|
Агрегатное состояние
|
Класс опасного вещества
|
Температура, єС
|
Концентрационный предел
взрываемости, % объем
|
Характеристика токсичности
(воздействие на организм человека)
|
|
|
|
вспышки
|
самовоспламенения
|
нижний предел
|
верхний предел
|
|
|
|
нефть
|
Ж(п)
|
4
|
18,0
|
33
|
1,1
|
7,4
|
|
10,0
|
|
попутный нефтяной газ
|
Г
|
4
|
-
|
56
|
6
|
13,5
|
|
300,0
|
Производственные опасности и вредности могут быть обусловлены следующими
факторами:
- при монтаже, эксплуатации первичных приборов в насосном зале может
возникнуть опасность отравления парами нефтяного газа через неплотные
соединения арматуры, трубопроводов. В таблице 5.1 приведены токсические свойства
и попутного нефтяного газа;
взрывопожароопасность обусловлена тем фактом, что при обслуживании
системы автоматизации в производственной среде возможно наличие
взрывожароопасных смесей и при нарушении норм, правил и инструкций по технике
безопасности не исключена возможность возникновения источника зажигания (искра,
открытый огонь), и как следствие, пожара и взрыва;
поражение электрическим током с напряжением U = 380 В, в случае выхода из строя заземления
электрооборудования или пробоя электроизоляции, неприменения средств защиты и
так далее при обслуживании средств автоматизации;
- воздействие электрического тока с напряжением В, при смене вторичной
аппаратуры, из-за случайного прикосновения к токоведущим частям стоек системы
контроля и управления, а также в случае нарушения изоляции кабелей, проводов
без снятия напряжения;
опасности, связанные с наличием давления при обслуживании первичных
приборов (P ≤ 0,6 МПа возникают при
нарушении «Правил устройства и безопасной эксплуатации сосудов, работающих с давлением»
ПБ 03-576-03, а также в случае отказа регулирующих органов и приборов контроля
системы автоматизации) [11];
воздействие атмосферного (удар молнии) и статического электричества.
Прямой удар молнии, при котором ток может достигнуть 200 А, напряжением 150
миллионов вольт, а температура более 200 єС вызывает разрушения большой силы;
производственные травмы, причиной которых может быть недостаточное
освещение рабочего места. Освещение, несоответствующее условиям работы,
вызывает повышенную утомленность, замедленную реакцию, приводит к ухудшению
зрения и может явиться существенной причиной травматизма;
во время монтажа, ремонта на дренажных ёмкостях датчиков может возникнуть
опасность падения с высоты, а также возможность получения механических травм у
персонала обслуживающего средства автоматизации;
метрологические параметры должны соответствовать допустимым нормам
производственного микроклимата в операторной. В связи с тем, что продуктом
перекачки является нефть, насосный зал НПС относится к категории А.
Помещение операторной, где установлены вторичные приборы, согласно НПБ
105-03 «Определение категорий помещений, зданий и наружных установок по
взрывопожарной и пожарной опасности», относится к помещениям без повышенной
опасности к категории Д.
Классификация помещений по взрывоопасности приведена в таблице 5.2.
Таблица 5.2 - Классификация помещений по взрывоопасности
|
Наименование
производственных зданий, помещений, наружных установок
|
Категория
взрывопожароопасной и пожарной опасности зданий и помещений (НПБ 105-03)
|
Классификация зон внутри и
вне помещений
|
|
|
класс взрывопожароопасной
или пожарной зон (ПУЭ и ПБ 08-624-03)
|
категория и группа
взрывопожароопасных смесей (ГОСТ 12.1.011-078) Р51330.5-99, Р51330.11-99
|
|
Зал насосной станции НПС
|
А
|
В-1а
|
II-АТЗ
|
|
Операторная
|
Д
|
-
|
-
|
5.2 Мероприятия по обеспечению безопасных и безвредных
условий труда
Мероприятия по технике безопасности при эксплуатации объектов НПС
«Мраково».
Во избежание несчастных случаев при обслуживании объектов НПС,
направляемый на работу, персонал должен иметь соответствующую подготовку,
пройти производственный инструктаж, ознакомиться с правилами внутреннего
распорядка, общими правилами техники безопасности и с безопасными методами
работы при обслуживании объектов НПС, а также с методами оказания первой
помощи. По окончании инструктажа направляемые на работу сдают экзамен по
технике пожарной безопасности, ПУЭ, ПТБ, ПТЭ и получают удостоверение с
присвоенной квалификационной группы. Инструктажи допуска персонала к
самостоятельной работе соответствуют требованиям ГОСТ 12.0.004-90 (1999) «ССБТ.
Организация обучения безопасности труда. Общие положения» [12].
Безопасные и безвредные условия труда, при проведении работ, связанных с
облуживанием АСУ ТП, достигаются следующим:
заземление оборудования. Емкостей, коммуникаций, в которых возникают
заряды статического электричества (Rз ≤ 100 Ом). Необходимая защита от поражения электрическим током
обеспечивается защитным заземлением корпусов всех приборов и оборудования.
Электрическая изоляция между отдельными электрическими цепями и корпусом должна
выдерживать в течение минуты действии испытательного повышенного напряжения
1000 В промышленной частоты. Электрическая изоляция между отдельными
электрическими цепями и корпусом должна быть не менее 0,5 МОм.
по способу защиты человека от поражения электрическим током изделия АСУ
ТП соответствуют классам 1 и 2 (для изделий, предназначенных для соединения с
источником напряжения U=220
В) и классу 3 (для изделий, предназначенных для соединения с источником
напряжения 24 В);
электрическое сопротивление между элементами защитного заземления и
корпусом коммутационного панельного каркаса не более 0,1 Ом. Измерение
сопротивления заземляющего устройства производится не реже одного раза в год;
все токоведущие части, находящиеся под напряжением, превышающим U = 2 В по отношению к корпусу, имеют
защиту от случайных прикосновений во время работы;
подключение внешних цепей, разъемов, проведение ремонтных работ должны
осуществляться только при отключенных напряжениях питания;
подключение источников сетевого питания должно осуществляться через
автоматические выключатели;
- защита технологических трубопроводов от атмосферного электричества и
вторичных проявлений молний;
автоматическая аварийная защита технологического оборудования, позволяющая
отключить возможность работы его в аварийных условиях;
оснащенность наглядными плакатами, четкими надписями, табличками,
запорная арматура пронумерована;
насосы снабжены предохранительными клапанами, которые не допускают
повышения давления выше регламентируемого;
конструкцией приборов: все части устройств, находящихся под напряжением
размещены в корпусах, обеспечивающих защиту обслуживающего персонала от
прикосновения к деталям, находящихся под напряжением;
надежным креплением оборудования при монтаже на объекте автоматизации;
подключение разъемов, замена плавких вставок, предохранителей
производится только при отключенных напряжениях питания устройств. Подключение
напряжения питания осуществляется через автоматы защиты.
Таким образом, в НПС осуществляется комплекс организационных и
технических мероприятий, обеспечивающих надежность, эффективность, безопасность
работы объектов с необходимой степенью защиты персонала и окружающей среды.
Мероприятия по промышленной санитарии.
К ним относятся требования по спецодежде, требования к освещению,
микроклимату, требования к организации и оборудованию рабочего места, которые
нормируются ГОСТ 12.4.103-83 (2002) «ССБТ. Одежда специальная защитная,
средства индивидуальной защиты ног и рук. Классификация» [13].
Требования к спецодежде:
спецодежда и спецобувь выдаются операторам, технологам, слесарям КИП и А,
слесарям-ремонтникам, слесарям-монтажникам в пределах установленных норм;
во время работы рабочие обязаны пользоваться выданной им спецодеждой и
спецобувью.
Так же стоит заметить, что персонал объекта должен быть оснащен
противогазами.
Противогазы применяют при объемной доле свободного кислорода в воздухе не
менее 18 % и суммарной объемной доле паро и газообразных вредных примесей не
более 0,5 %. Средством индивидуальной защиты служит противогаз с коробкой марки
ДОТ 600 А2В3Е3Р3. Индивидуальные фильтрующие противогазы должны храниться в
специальных шкафах каждый в отдельной ячейке с надписью фамилии рабочего.
Передача противогаза другому лицу запрещается. Ремонтные рабочие (при
выполнении работ по ремонту и очистке различных емкостей, а также при ремонтных
работах в колодцах, подвальных помещениях и пр.) обязаны иметь шланговые
противогазы типа ПШ-1М.
Шланговые противогазы предназначены для защиты органов дыхания и глаз
человека при работе в атмосфере с объемной долей вредных веществ более 0,5 % и
объемной долей кислорода в воздухе менее 18 %.
На рабочих местах НПС предусмотрено рабочее и аварийное освещение.
Напряжение сети рабочего и аварийного освещения составляет 220 В. Для
аварийного и рабочего освещения предусмотрены светильники ВЗГ-200
(взрывозащитное исполнение) с освещенностью равной 50 лк, в соответствии со
СНИП 23-05-95 (2003) «Естественное и искусственное освещение» [14].
Температуре воздуха в помещении насосной станции должна быть от 5 до 35
єС, относительная влажность воздуха - не более 80 % при 25 єС.
5.3 Мероприятия по пожарной безопасности
Мероприятия по пожарной безопасности при автоматизации НПС разработаны в
соответствии с нормативным документом ППБ-01-03 «Правила пожарной безопасности
в РФ» и в соответствии с ГОСТ 12.1.004-91 (1999 года) «ССТ. Пожарная
безопасность. Общие требования» [15].
Перед началом работы ёмкостей, насосов система автоматизации должна быть
в исправном состоянии, а в случае необходимости отремонтирована. При
неисправности системы автоматизации эксплуатация объектов запрещается.
Основные мероприятия по пожарной безопасности:
территория нефтеперекачивающей станции должна содержаться в чистоте и
порядке. Не допускается замазученность территории: загрязнение горючим мусором
и хламом. Загромождение дорог, проездов к зданиям, сооружениям и средствам
пожаротушения, а также противопожарных разрывов;
при производстве работ в газовой среде воспрещается применение ударных
инструментов, изготовленных из стали: ударные инструменты должны быть
изготовлены из цветного металла (меди, латуни, бронзы). Режущие инструменты
должны обильно смазываться маслом, тавотом или мыльным раствором;
на объектах должен быть организован контроль воздушной среды газоанализаторами,
предназначенными для контроля многокомпонентных смесей;
отогрев замерзших нефтепроводов допускается только паром или горячей
водой или горячим песком при закрытой запорной арматуре;
категорически запрещается применение для освещения насосных, резервуаров
и других производственных сооружений факелов, спичек. Свечей, керосиновых
фонарей и других источников открытого огня;
необходимо постоянно следить за исправностью силовой и осветительной
электропроводки. Различные неисправности электросетей, которые могут вызвать
пожар, должны быть устранены;
обслуживающий персонал обязан знать устройство и инструкции по применению
первичных средств пожаротушения;
для тушения электропроводки и электрооборудования разрешается
использовать только углекислотные огнетушители ОПУ-5;
предусматривается молниезащита взрывоопасных зданий и сооружений согласно
«Инструкции по устройству молниезащиты зданий и сооружений» СО
153-34.21.122-03. Молниезащита нефтеперекачивающей станции предназначена для
безопасности людей, сохранности зданий, сооружений от удара молнии. В комплекс
грозозащитных устройств входят молниеприемники, токоотводы и заземление [16].
Пожарную защиту объектов НПС обеспечивает автоматическая система
пенотушения, которая включает в себя средства обнаружения пожара, системы
сигнализации, управления, пожаротушения. Срабатывание системы пенотушения
происходит: автоматически, дистанционно или вручную. При возникновении пожара
сигнал от пожарных датчиков, приводит в действие систему пожаротушения согласно
ГОСТ 12.3.046-91 (2001) «ССБТ. Установки пожаротушения автоматические. Общие
технические требования» [17].
Охлаждение технологических установок осуществляется из стационарных
комбинированных лафетных стволов и от пожарных гидрантов, установленных на сети
противопожарного водопровода с использованием передвижной пожарной техники.
5.4 Расчет вентиляции в насосном зале НПС
Исходными данными для расчета вентиляции являются:
1 - рабочее давление, Р = 4 МПа;
2 - температура перекачиваемого
нефтепродукта, Т = 283 К;
3 - объём помещения, Vп = 760 м3;
4 - суммарный объем аппаратуры, Vа = 15 м3;
5 - свободный объём помещения, V=Vп - Vа = 760 - 15 = 745 м3.
Количество газа, выделяющееся через не
плотности оборудования и трубопроводов, определяется по формуле
, кг/час, (5.1)
где К - коэффициент, учитывающий износ оборудования и равен 1,2;
I - коэффициент, зависящий от рабочего
давления и степени негерметичности равен 0,25;
М - молекулярная масса газа. Подставляя в формулу (5.1), находим:
кг/час.
Требуемый воздухообмен в производственном помещении, исходя из
расчёта разбавления выделяющихся вредных газов до предельно допустимой
концентрации, находится по формуле:
, (5.2)
м3/час.
где n = 1 - коэффициент, учитывающий долю
производственных вредностей, которые поступают в рабочую зону, и определяются
опытным путём;
g = 300 - предельно допустимая концентрация, мг/м3;
k = 0,002 - степень не герметичности технологического оборудования.
Определяем кратность воздухообмена, то есть сменяемость воздуха
(число полных смен) в объёме помещения за час:
(5.3)
По необходимому воздухообмену и кратности воздухообмена подбираем
вентилятор, который удовлетворяет рассчитанным данным.
Производственная вентиляция, рассчитанная выше, соответствует
следующим требованиям:
- производственная
вентиляции не должна быть источником дополнительной опасности и вредности;
- производственная
вентиляция должна быть взрывопожаробезопасной;
- производственная
вентиляция должна быть экономичной.
6. Оценка экономической эффективности от внедрения датчика
разности давлений типа EJA 110A
6.1 Методика расчета
экономической эффективности инвестиций
Так как темой дипломного проекта является
автоматизация НПС и рассматривается внедрение датчика разности давлений, то в
данной главе целесообразно оценить экономическую эффективность её применения.
В результате внедрения нового датчика ожидается:
- сокращение затрат на ремонт и обслуживание
оборудования;
- сокращение затрат по сбору, обработке
и анализу информации обслуживаемого объекта;
- сокращение затрат, вызванное
сокращением обслуживающего персонала;
Внедрение более совершенных средств измерения позволит
повысить уровень автоматизации.
Цель расчета - определить
экономический эффект от внедрения датчика разности давлений типа EJA 110A.
Таким образом, можно определить экономическую эффективность от внедрения
данного датчика.
Для оценки эффективности инвестиционных проектов
применяется метод дисконтированной оценки, который базируется на учете
временного фактора. Данный метод учитывает временной фактор с позиции стоимости
денег в будущем. Данный метод учитывает временной фактор с позиции стоимости
денег в будущем. В соответствии с методическими
рекомендациями оценка эффективности инвестиционных проектов предусматривает
расчет следующих показателей:
- чистый дисконтированный доход (ЧДД);
- индекс доходности инвестиций (ИД);
- внутренняя норма доходности (ВНД);
- срок окупаемости инвестиций (СО).
Расчетный период разбивается на шаги, в пределах которых производится
агрегирование данных, используемых для оценки финансовых показателей. Шаги
расчета определяются их номерами (0, 1, …). Время в расчетном периоде
измеряется в годах или долях года и отсчитывается от фиксированного момента,
принимаемого за базовый (обычно в качестве базового принимается момент начала
или конца нулевого шага).
Норма дисконта (приведения) отражает возможную стоимость капитала,
соответствующую возможной прибыли инвестора, которую он мог бы получить на ту
же сумму капитала, вкладывая его в другом месте, при допущении, что финансовые
риски одинаковы для обоих вариантов инвестирования. Другими словами, норма дисконта
должна являться минимальной нормой прибыли, ниже которой предприниматель счел
бы инвестиции невыгодными для себя.
Для инвестиционного проекта в качестве нормы дисконта иногда используется
ставка процента по долгосрочным ссудам на рынке капитала или ставка процента,
которая уплачивается получателем ссуды.
Если рассчитанный ЧДД положителен, то прибыльность инвестиций выше нормы
дисконта и проект следует принять. Если ЧДД равен нулю, то прибыльность равна
норме дисконта. Если ЧДД меньше нуля, то прибыльность инвестиций ниже нормы
дисконта и от этого проекта следует отказаться. При сравнении альтернативных
проектов предпочтение должно отдаваться проекту с большим значением ЧДД.
Важнейшим показателем эффективности инвестиционного проекта
является чистый денежный доход (другие названия ЧДД - интегральный
экономический эффект, чистая текущая приведенная стоимость, чистая текущая
стоимость, Net Present Value, NPV) - накопленный дисконтированный эффект за
расчетный период. ЧДД рассчитывается по следующей формуле:
, (6.1)
где
-
чистая прибыль, полученная в t-ом году от реализации инвестиционного проекта;
- амортизационные
отчисления в t-ом году;
-
инвестиции, необходимые для реализации
проекта в t-ом году;
Е
- норма дисконта (является экзогенно
задаваемым основным экономическим нормативом) - это
коэффициент доходности инвестиций;
- коэффициент
дисконтирования в t-ом году, позволяет привести величины затрат и прибыли
на момент сравнения (t).
Если
ЧДД > 0, проект следует принимать;
ЧДД
= 0, проект ни прибыльный, ни убыточный;
ЧДД
< 0, проект убыточный и его следует отвергнуть.
Метод чистого дисконтированного дохода не дает ответа на все
вопросы, связанные с экономической эффективностью капиталовложений. Этот метод
дает ответ лишь на вопрос, способствует ли анализируемый вариант инвестирования
росту ценности фирмы или богатства инвестора вообще, но никак не говорит об
относительной мере такого роста. А эта мера всегда имеет большое значение для
любого инвестора. Для восполнения такого пробела используется иной показатель -
метод расчета рентабельности инвестиций.
Индекс доходности дисконтированных инвестиций (другие
названия - ИД, рентабельность инвестиций, Profitability Index, PI) -
отношение суммы дисконтированных элементов денежного потока от операционной
деятельности к абсолютной величине дисконтированной суммы элементов денежного
потока от инвестиционной деятельности. ИД равен увеличенному на единицу
отношению ЧДД (NPV) к накопленному дисконтированному объему инвестиций.
Формула для определения ИД имеет следующий вид:
(6.2)
Если ИД > 1 - проект
эффективен, если ИД < 1 - проект
неэффективен.
В отличие от ЧДД индекс доходности является
относительным показателем, что позволяет осуществлять выбор одного проекта из
ряда альтернативных, имеющих приблизительно одинаковое значение ЧДД.
Внутренняя норма доходности (другие названия - ВНД,
внутренняя норма дисконта, внутренняя норма прибыли, внутренний коэффициент
эффективности, Internal Rate of Return, IRR).
Внутренней нормой доходности называется такое положительное
число Ев, что при норме дисконта Е=Ев ЧДД проекта обращается в 0, при всех
больших значениях Е - отрицательна, при всех меньших значениях Е -
положительна. Если не выполнено хотя бы одно из этих условий, считается, что
ВНД не существует.
ВНД определяется из равенства:
, (6.3)
Величина
ВНД, найденная из этого равенства, сравнивается с заданной инвестором величиной
дохода на капитал
. Если
- проект эффективен. Смысл
расчета этого коэффициента при анализе эффективности планируемых инвестиций
заключается в следующем: ВНД показывает максимально допустимый относительный
уровень расходов при реализации проекта. Например, если проект полностью
финансируется за счет ссуды коммерческого банка, то значение ВНД показывает
верхнюю границу допустимого уровня банковской процентной ставки, превышение
которой делает проект убыточным.
На
практике любое предприятие финансирует свою деятельность, в том числе и
инвестиционную, из различных источников.
За
пользование авансированными финансовыми ресурсами предприятия уплачивают
проценты, дивиденды, вознаграждения и т. п., то есть несут определенные
обоснованные расходы на поддержание своего экономического потенциала.
Показатель, характеризующий относительный уровень этих расходов, называют
«ценой» авансированного капитала (СС). Этот показатель характеризует минимум
возврата на вложенный в деятельность предприятия капитал, его рентабельность.
Для инвестиций справедливо утверждение о том, что чем выше
норма дисконта (Е), тем меньше величина интегрального эффекта (NPV), что как
раз и иллюстрирует рисунок 6.1.
Рисунок 6.1 - Зависимость величины ЧДД от уровня нормы
дисконта (Е)
Как видно из рисунка 6.1, ВНД - это та величина нормы
дисконта (Е), при которой кривая изменения ЧДД пересекает горизонтальную ось,
т.е. ЧДД оказывается равным нулю.
Экономический смысл этого показателя заключается в
следующем:
- если ВНД > СС, то проект следует принять;
- если ВНД < СС, то проект следует отклонить;
- если ВНД = СС, то проект ни прибыльный, ни убыточный.
Точный расчет ВНД возможен только на компьютере или
калькуляторе с встроенной функцией для расчета.
Если при решении равенства (6.3) функция ВНД имеет
несколько корней, то данный критерий неприменим.
Сроком окупаемости инвестиций с учетом дисконтирования
называется продолжительность периода от начального момента до момента
окупаемости с учетом дисконтирования.
Начальный момент указывается в задании на проектирование
(обычно это начало операционной деятельности). Момент окупаемости - это тот
наиболее ранний момент, когда поступления от производственной деятельности
предприятия начинают покрывать затраты на инвестиции.
Алгоритм расчета срока окупаемости зависит от равномерности
распределения прогнозируемых доходов от инвестиций. Если доход распределен по
годам равномерно, то срок окупаемости рассчитывается делением единовременных
затрат на величину годового дохода, обусловленного ими.
Если доход по годам распределен неравномерно, то срок окупаемости
рассчитывается прямым подсчетом числа лет, в течение которых инвестиции будут
погашены кумулятивным доходом.
Используя показатель срока окупаемости (Ток)
при анализе, следует обратить внимание на ряд его недостатков:
- не учитывает влияния доходов последних периодов;
- не обладает свойством аддитивности;
- не делает различия между проектами с одинаковой суммой
кумулятивных доходов, но различным распределением их по годам, если при расчете
срока окупаемости использовать не дисконтированные величины.
Помимо рассмотренных выше показателей эффективности
инвестиционных проектов в Методических рекомендациях предусмотрено применение
нижеследующих показателей:
- чистый доход;
- потребность в дополнительном финансировании;
- индексы доходности затрат и инвестиций.
Чистым доходом называется накопленный эффект за
расчетный период (сальдо денежного потока).
Потребность в дополнительном финансировании (ПФ) - максимальное значение абсолютной величины
отрицательного накопительного сальдо от инвестиционной и операционной
деятельности. Величина ПФ показывает минимальный объем внешнего финансирования
проекта, необходимый для обеспечения его финансовой реализуемости. Поэтому ПФ
называют еще капиталом риска.
Индекс доходности затрат - отношение
суммы денежных притоков (накопительных поступлений) к сумме денежных оттоков
(накопленным платежам).
Индекс доходности инвестиций - отношение суммы
элементов денежного потока от операционной деятельности к абсолютной величине
суммы элементов денежного потока от инвестиционной деятельности [18].
6.2 Расчет эффективности проекта
К капитальным вложениям относятся затраты на приобретение оборудования,
монтаж и наладку приборов. Стоимостные показатели предоставлены плановым
отделом приведены в таблице 6.1.
Объём капиталовложений рассчитывается по формуле:
КВ = Зоб +Зпнр +Зсмр , (6.4)
где К- объём капиталовложений, тыс. руб;
Зоб- затраты на оборудование, тыс. руб;
Зпнр- затраты на пуско-наладочные работы (ПНР), тыс. руб;
Зсмр- затраты на строительно-монтажные работы (СМР), тыс. руб.
Капитальные вложения должны учитывать
транспортные и монтажные расходы, которые определяются в процентах от стоимости
приборов и средств автоматизации.
Капитальные вложения также приведены в
таблице 6.1.
Таблица 6.1 - Капитальные вложения на
средства автоматизации
|
Виды затрат
|
Сумма, тыс. рублей
|
|
Стоимость оборудования
|
644,597
|
|
Строительно-монтажные
работы
|
20
|
|
ИТОГО:
|
664,597
|
КВ = 664,597 тыс. руб. Данный
укрупненный показатель стоимости включает в себя приобретение, установку,
подключение.
Годовые эксплуатационные затраты,
связанные с обслуживанием и эксплуатацией приборов, средств или систем
автоматизации, рассчитываются по следующей формуле:
, (6.5)
где Звспом- затраты на вспомогательные
материалы;
Зрем- затраты на
ремонт;
Зобор- затраты на
обслуживание оборудования, т.е. на заработную плату работника (работников),
занимающегося обслуживанием;
Зам- амортизационные
отчисления по приборам, средствам автоматизации, внедряемому оборудованию;
-
заработная плата персонала обслуживающего оборудование, тыс.руб.;
-
отчисления на социальные нужды, тыс. руб.;
Зпр - прочие затраты.
Затраты на вспомогательные материалы
составляют 20% от стоимости капитальных вложений:
, (6.6)
тыс. руб.
Затраты на ремонт оборудования составляют 25 % от капитальных
вложений:
, (6.7)
тыс.руб.
Затраты на амортизацию составляют 10% от капитальных вложений,
т.к. эксплуатационный срок оборудования 10 лет:
, (6.8) где На - норма
амортизации.
тыс.руб.
Затраты на содержание и эксплуатацию оборудования
составляют 40% от капитальных вложений:
, (6.9)
тыс. руб.
Затраты системы на потребление электроэнергии
составляют:
Зпот = Wу·Тр·Sэ, (6.10)
где Wy - установленная электромощность, 5 кВт;
Tp - число рабочих часов, (24·365 = 8760);
Sэ - тариф на электроэнергию, руб./кВт·ч
(2,4).
тыс.руб.
Заработная
плата персонала обслуживающего оборудование:
ЗПоб
= (ЗПс·N с+ЗПо·N о) ·12, (6.11)
где ЗПс, ЗПо - ЗП соответственно слесаря КИП и А и
оператора,(14; 19 тыс.руб.);
Nс, Nо - количество соответственно слесарей КИП и
операторов, (2;5 чел.)
12 - количество месяцев в году.
ЗПоб = (14·5+19·10)·12 = 3120 тыс. руб.;
ЗПоб = (14·2+19·5)·12 = 1476 тыс. руб.
Со = ЗПоб·0,3;
Со - отчисления на социальные нужды, тыс. руб.;
Со = 3120·0,3 = 936 тыс. руб.;
Со = 1476·0,3 = 442,8 тыс. руб.
Величина прочих затрат принимается равной
25% от суммы других затрат:
Зпр = 0,25·(3вспом+3рем+3обор+3ам+3пот) (6.12)
Зпр = 0,25·(132,9194+166,149+66,459+265,838+105,12)
= 736,4854
Результаты расчета эксплуатационных затрат
представлены в таблице 6.2.
Таблица 6.2 - Текущие затраты при
использовании микропроцессорной системы автоматики на НПС
|
Наименование затрат
|
Результат, тыс.руб.
|
|
Вспомогательные материалы
|
132,9194
|
|
Ремонт
|
166,149
|
|
Затраты от потерь энергии
|
105,12
|
|
Амортизация
|
66,459
|
|
Прочие
|
736,4854
|
|
Фонд оплаты труда
|
До внедрения
|
После внедрения
|
|
3120
|
1476
|
|
Отчисления на социальные
нужды
|
936
|
442,8
|
|
Эксплуатационные затраты
|
2137,2
|
Внедрение датчика позволит уменьшить расходы за счет:
)сокращения количества обслуживающего персонала:
Эп1 = (Nдв- Nпв)·ЗПс·12 = (5-2)·14·12 = 504 тыс. руб.;
Эп2 = (Nдв- Nпв)·ЗПо·12 = (10-5)·19·12 =1140 тыс. руб.
)сокращения отчислений на социальные нужды за счет сокращения фонда
оплаты труда:
Эсн = (Эп1 +Эп1)·0,3=493,2 тыс. руб.
Результаты формирования выгод от внедрения нового оборудования сведены в
таблицу 6.3.
Таблица 6.3 - Выгоды от внедрения
|
Показатели
|
Значение, тыс. руб.
|
|
Сокращение количества
обслуживающего персонала
|
1644,00
|
|
Сокращение отчислений на
социальные нужды
|
493,2
|
|
Итого
|
3125,93
|
Таким образом экономические выгоды составляют 3125,93 тыс. руб. в год. При расчете экономической эффективности
инвестиционного проекта расчетный период Т складывается из времени внедрения
объекта в производство, которое принимается равным одному году, и времени
эксплуатации объекта, которое составляет 10 лет. Результаты расчета налога на имущества заносим в таблицу 6.4. Проводим расчеты экономической эффективности проекта для
всех расчетных годов по приведённым формулам, а результаты вычислений заносим в
таблицу 6.4.
По результатам расчета экономической эффективности построим финансовый
профиль инвестиционного проекта для определения срока окупаемости.
Изменение денежных потоков наличности изображено на рисунке 6.2.
Срок окупаемости проекта составляет около 0,7 года.
Рисунок 6.2 - Динамика денежных потоков наличности
Внутреннюю норму доходности определим по графику на рисунке 6.3,
построенному на основании данных из таблицы 6.5.
Рисунок 6.3 - Определение внутренней нормы доходности
Таблица 6.4 - Расчет налога на имущество
|
Показатель
|
год
|
|
1
|
2
|
3
|
4
|
5
|
6
|
7
|
8
|
9
|
10
|
|
1. Остаточная стоимость
основных фондов на начало года
|
664,6
|
598,137
|
538,324
|
484,491
|
436,042
|
392,438
|
353,194
|
317,8747
|
286,0872
|
257,4784947
|
|
2. Амортизационные
отчисления
|
66,4597
|
59,8137
|
53,8324
|
48,4491
|
43,6042
|
39,2438
|
35,3194
|
31,78747
|
28,60872
|
25,74784947
|
|
3. Остаточная стоимость
основных фондов на конец года
|
598,137
|
538,324
|
484,491
|
436,042
|
392,438
|
353,194
|
317,875
|
286,0872
|
257,4785
|
0
|
|
4. Среднегодовая стоимость
основных фондов
|
631,367
|
568,23
|
511,407
|
460,267
|
414,24
|
372,816
|
335,534
|
301,981
|
128,7392474
|
|
5. Налог на имущество
|
12,6273
|
11,3646
|
10,2281
|
9,20533
|
8,2848
|
7,45632
|
6,71069
|
6,039619
|
5,435657
|
2,574784947
|
Таблица 6.5 - Расчет эффективности проекта
|
Показатель
|
год
|
|
0
|
1
|
2
|
3
|
4
|
5
|
6
|
7
|
8
|
9
|
10
|
|
Капитальные вложения
(инвестиции)
|
664,60
|
|
|
|
|
|
|
|
|
|
|
|
Выгоды
|
-
|
3125,93
|
3125,93
|
3125,93
|
3125,93
|
3125,93
|
3125,93
|
3125,93
|
3125,93
|
3125,93
|
3125,93
|
|
Текущие затраты
|
-
|
106,33
|
99,69
|
93,71
|
88,32
|
83,48
|
79,12
|
75,20
|
71,66
|
68,48
|
65,62
|
|
Амортизация
|
-
|
66,46
|
59,81
|
53,83
|
48,45
|
43,60
|
39,24
|
35,32
|
31,79
|
28,61
|
25,75
|
|
Прочие затраты
|
-
|
39,88
|
39,88
|
39,88
|
39,88
|
39,88
|
39,88
|
39,88
|
39,88
|
39,88
|
39,88
|
|
Налог на имущество
|
-
|
12,63
|
11,36
|
10,23
|
9,21
|
8,28
|
7,46
|
6,71
|
6,04
|
5,44
|
2,57
|
|
Валовая прибыль
|
-
|
3006,97
|
3014,88
|
3021,99
|
3028,40
|
3034,17
|
3039,35
|
3044,02
|
3048,23
|
3052,01
|
3057,73
|
|
Чистая прибыль
|
-
|
2405,57
|
2411,90
|
2417,59
|
2422,72
|
2427,33
|
2431,48
|
2435,22
|
2438,58
|
2441,61
|
2446,19
|
|
Чистый доход
|
-664,60
|
2472,03
|
2471,71
|
2471,43
|
2471,17
|
2470,94
|
2470,73
|
2470,54
|
2470,37
|
2470,22
|
2471,93
|
|
Коэффициент
дисконтирования
|
1,00
|
0,88
|
0,78
|
0,69
|
0,61
|
0,54
|
0,48
|
0,43
|
0,38
|
0,33
|
0,29
|
|
Чистые дисконтированные
денежные поступления проекта
|
-664,60
|
2187,64
|
1935,71
|
1712,82
|
1515,61
|
1341,13
|
1186,74
|
1050,13
|
929,25
|
822,30
|
728,20
|
|
Чистые дисконтированные
денежные поступления проекта нарастающим итогом
|
-664,60
|
1523,04
|
3458,76
|
5171,58
|
6687,20
|
8028,32
|
9215,06
|
10265,19
|
11194,44
|
12016,74
|
12744,94
|
|
Коэффициент дисконтирования
|
1,00
|
0,79
|
0,63
|
0,50
|
0,40
|
0,31
|
0,25
|
0,20
|
0,16
|
0,12
|
0,10
|
|
Чистые дисконтированные
денежные поступления проекта
|
-664,60
|
1961,93
|
1556,89
|
1235,48
|
980,44
|
778,05
|
617,45
|
490,00
|
388,86
|
308,60
|
245,09
|
|
Чистые дисконтированные денежные
поступления проекта нарастающим итогом
|
-664,60
|
1297,33
|
2854,22
|
4089,70
|
5070,14
|
5848,19
|
6465,64
|
6955,65
|
7344,51
|
7653,11
|
7898,21
|
Обобщающие экономические показатели эффективности проекта приведем в
таблице 6.6.
Таблица 6.6 - Эффективность проекта
|
Показатель
|
Значение
|
|
Инвестиции, тыс.руб.
|
664,60
|
|
Расчетный период, лет
|
10
|
|
Годовые выгоды, тыс.руб.
|
3125,93
|
|
Ставка дисконтирования, %
|
15
|
|
Чистый дисконтированный
доход, тыс.руб.
|
12744,9
|
|
Индекс доходности, дол.ед.
|
1,41
|
|
Внутренняя норма
доходности, %
|
65
|
|
Срок окупаемости, лет
|
0,7
|
Так как ЧДД имеет положительное значение и ИД > 1, внутренняя норма доходности 65% и срок окупаемости составил
0,7 года, то данный проект является экономически эффективным и его можно
внедрять не только с технологической, но и с
экономической точек зрения
ЗАКЛЮЧЕНИЕ
В данном дипломном проекте разработана система автоматизации ФГУ на НПС «Мраково» на базе датчика
разности давлений типа EJA 110A. Эта система позволяет
обеспечить контроль за перепадом давления на ФГУ с минимальным участием
оператора. Составлена
программа для логической части алгоритма работы задвижек ФГУ на языке
программирования ST, позволяющая
автоматически управлять работой задвижек.
Низкий уровень автоматики, отсутствие
автоматизированного контроля за перепадом давления на ФГУ требует модернизации
ФГУ путем внедрения датчика разности давлений. Поэтому контроль за перепадом
давления на ФГУ с
помощью датчика позволит уменьшить затраты за счет сокращения
количества обслуживающего персонала. Анализ экономической эффективности, в ходе которого была
произведена оценка экономической эффективности
от внедрения датчика разности давлений типа EJA 110A показывает
целесообразность автоматизации ФГУ на НПС
предложенным в данном дипломном проекте способом.
Внедрение датчика разности
давлений типа EJA 110A в процессы управления дает возможность контролировать перепад
давления дистанционно по системе автоматики НПС и использовать текущие значения
параметров (либо их оценки) для формирования управляющих воздействий.
Предлагаемый проект
обеспечит бесперебойную
работу ФГУ. Постоянное усложнение задач
автоматизации, рост их масштабов и повышение требований, предъявляемых к
надежности контроля давления подталкивают к применению современного
оборудования. Это позволит выйти на качественно новый уровень.
СПИСОК ИСПОЛЬЗОВАННЫХ ИСТОЧНИКОВ
1 Мастобаев Б. Н, Эксплуатация насосных станций: Учеб.
Пособие / Б.Н. Мастобаев, И.М. Руфанова.- Уфа: Издательство УГНТУ, 2000. - 135
с.
Журнал «Control Engineering»
[Электронный ресурс] - http://controlengrussia.com
Прахова М.Ю. Автоматизация производственных процессов в
трубопроводном транспорте: Учеб. пособие: В 3ч. - Уфа: Издательство УГНТУ,
2002. - Ч.3. Автоматизация некоторых объектов транспорта нефти. - 304 с.
Певзнер В.Б. Основы автоматизации нефтегазопроводов и
нефтебаз. - М.: Недра, 1975, - 240 с.
5 РД 153-39.4-087-08 Автоматизация и
телемеханизация магистральных нефтепроводов. Основные положения.
6 Журнал интеллектуальных технологий «itech». - 2008. - № 11. - C. 8-19.
7 Фильтры жидкостные сетчатые для
трубопроводов http://www. mashzavod. com
8 Датчики давления «Rosemount 3051s»
[Электронный ресурс] - http://suer.ru
9 Каталог датчиков давления «Yokogawa» [Электронный ресурс] -
http://www.forus.spb.ru
10 Шамашов, М. А. Инструментальная система программирования
логических контроллеров ISaGRAF // Самара: Самарский муниципальный комплекс
непрерывного образования. - Учебное пособие. - 1996. - 156 с.
«Правила безопасности в нефтяной и газовой промышленности» ПБ
08-624-03 -[Электронный ресурс] - http://www.complexdoc.ru/URL
«ССБТ. Организация обучения безопасности труда. Общие
положения» ГОСТ 12.0.004-90 (1999) - [Электронный ресурс] - http://www.truddoc.narod.ru
«ССБТ. Одежда специальная защитная, средства индивидуальной
защиты ног и рук. Классификация» ГОСТ 12.4.103-83 (2002) - [Электронный ресурс]
- http://www.doc-load.ru
«Естественное и искусственное освещение» СНИП 23-05-95 (2003)
- [Электронный ресурс] - http://www.introkub.ru
«ССБТ. Пожарная безопасность. Общие требования» ГОСТ
12.1.004-91 (1999 года) - [Электронный ресурс] - http://www.snipov.net
«Инструкция по устройству молниезащиты зданий, сооружений и
промышленных коммуникаций» СО 153-34.21.122-2003 - [Электронный ресурс] -
http://www.elec.ru/URL
«ССБТ. Установки пожаротушения автоматические. Общие
технические требования» ГОСТ 12.3.046-91 (2001) - [Электронный ресурс] -
http://www.truddoc.narod.ru
Михайлова, Э. А. Экономическая оценка инвестиций / Э. А.
Михайлова, Л.Н. Орлова. - Рыбинск: РГАТА, 2008. - 57 с.
Приложение А
(обязательное)
Перечень демонстрационных листов
1 Титульный лист.
2 Цель и задачи ВКР.
Технологическая схема НПС «Мраково» (копия рисунка 1.1).
Структурная схема автоматизации НПС (копия рисунка 3.2).
Функциональная схема автоматизации НПС (копия рисунка 3.1).
Общие сведения о фильте-грязеуловителе.
График осмотров фильтров-грязеуловителей с контролем перепада
давления.
Сравнительные характеристики датчиков разности давлений.
Отличительные черты и преимущества датчика разности давлений
типа EJA 110A.
Граф переходов алгоритма управления фильтра-грязеуловителя.
Оценка экономической эффективности модернизации ФГУ путем
внедрения датчика разности давлений типа EJA 110A.
Заключение.
ПРИЛОЖЕНИЕ Б
Листинг программы управления задвижками ФГУ на
языке ST
CASE step of
: Uf1:= TRUE;
Uf2:=FALSE;
Z1:= TRUE;
Z2:= TRUE;
Z3:= FALSE;
Z4:= FALSE;
Tstop(T1);
Ic1:= FALSE;
Ic2:= FALSE;
IF P11 THEN step:= 1; END_IF;
T1:=t#0s;
T2:=t#0s;
T3:=t#0s;
: Tstart(T1);
Ic1:= TRUE ;
IF T1>t#3s AND P11 THEN step:= 2; END_IF;
IF T1>t#3s AND not P11 THEN step:= 0; END_IF;
IF X3 AND X4 THEN step:= 3; END_IF;
2: Tstop(T1);:= TRUE;
Z4:= TRUE;
Uf2:= TRUE;
Tstart(T2); P22 AND T2>t#3s AND not X3 AND not X4 and not
X1 and not X2 THEN step:= 5; END_IF;
IF not P22 AND T2>t#3s AND not X1 AND not X2 THEN step:=
3; END_IF;
5: Tstop(T2);
Uf1:= FALSE;
Uf2:=FALSE;
Z1:= FALSE;
Z2:= FALSE;
Z3:= FALSE;
Z4:= FALSE;
Ic2:= TRUE ;
IF Ysb THEN step:= 0; END_IF;
: Uf1:= FALSE;
Z1:= FALSE;
Z2:= FALSE;
Tstop(T3);
IF X1 AND X2 and not P11 THEN step:0; END_IF;
IF X1 AND X2 and P11 THEN step:=4; END_IF;
4: Tstart(T3);
IF T3>t#3s and not P11 and X1 and X2 THEN step:0; END_IF;
IF T3>t#3s and P11 and not( X1 and X2) THEN step:=3;
END_IF;
END_CASE;