Энергоснабжение нефтеперекачивающей станции ОАО 'Сибнефтепровод' Тобольское УМН ЛПДС 'Демьянское'
СОДЕРЖАНИЕ
1. Введение
. Технологическая характеристика
НПС-3
.1 Назначение и состав
нефтеперекачивающей станции
.2 Оборудование нефтеперекачивающей
станции
.3 Характеристика оборудования НПС-3
. Электрические нагрузки
. Система внешнего энергоснабжения
. Система внутреннего
энергоснабжения
. Система учета электроэнергии
. устройство защитного заземления
НПС-3
. устройство молниезащиты НПС-3
. Производственные работы
Заключение
Список литературы
Приложение А - План размещения
объектов на ЛПДС «Демьянское»
Приложение Б - Технологическая схема
НПС-3 ЛПДС «Демьянское»
Приложение В - Принципиальная
однолинейная схема электроснабжения НПС-3 ЛПДС «Демьянское»
Приложение Г - Схема заземления и
молниезащиты НПС-3 ЛПДС «Демьянское»
. ВВЕДЕНИЕ
Современное состояние системы электроснабжения и
автоматизации нефтеперекачивающей станции во многом определяется условиями и
особенностями трубопроводного транспорта.
Повышенные требования к качеству эксплуатации
предопределяют условия работы нефтепроводов, связанные с большой нагрузкой и
предъявляют большие требования к электроснабжающей организации по качеству
электроэнергии, её приёму и распределению, требующие принятия неординарных и
экономически целесообразных решений. Исходя из этого в современные
распределительные устройства нефтеперекачивающих станций целесообразно ввести
микропроцессорный контроль за параметрами режима работы и состояния станции.
Головная НПС предназначена для приёма нефти с
промыслов и подачи её в нефтепровод. Она имеет резервуарный парк, играющий роль
буферной ёмкости между магистралями и промыслами и роль аварийной ёмкости при
аварии на магистрали или промыслах.
Потребители электроэнергии НПС относятся к I
категории электроприёмников по надёжности электроснабжения. Поэтому важно
обеспечить потребителей надёжным электропитанием.
. ТЕХНОЛОГИЧЕСКАЯ ХАРАКТЕРИСТИКА НПС-3
2.1 Назначение и состав
нефтеперекачивающей станции
Перекачивающая станция - это сложный комплекс
инженерных сооружений, предназначенных для обеспечения перекачки заданного
количества нефтепродуктов. Перекачивающие станции размещают по трассе
трубопровода в соответствии с гидравлическим расчетом на расстоянии 80-150 км
одна от другой. Головная нефтеперекачивающая станция (ГНПС) предназначена
главным образом для приёма нефти с промыслов и подачи её в нефтепровод. Она
включает в себя насосную, резервуарный парк, камеру пуска скребка, совмещённую
с узлом подключения перекачивающей станции к магистральному продуктопроводу,
сеть технологических трубопроводов площадками фильтров и камер задвижек или
узлами переключения.
Линейная производственно-диспетчерская станция
«Демьянское» производит следующие технологические операции:
закачка нефти в резервуар и откачка нефти из
резервуара подпорными насосами с подачей на основные насосы;
перекачка по нефтепроводу, минуя станцию;
перекачка нефти из одного трубопровода в другой
через блокировочные задвижки.
Головные нефтеперекачивающие станции, являясь
наиболее ответственной часть всего комплекса нефтепровода, во многом определяют
его работу в целом.
Технологическая схема НПС-3 ЛПДС приведена в
приложении Б.
Основной путь прохождения нефти показан
стрелками.
Нефть с промыслов поступает на ГНПС и проходит
последовательно узел предохранительных устройств (УП), защищающий оборудование
и трубопроводы от повышенных давлений, узел учёта (УУ),измеряющий количество
поступающей с промыслов нефти, и направляется в резервуарный парк.
Из резервуарного парка нефть отбирается насосами
подпорной станции (ПНС) и подаётся с требуемым напором на вход насосов основной
насосной станции (НС). Между подпорной насосной станцией и насосной станцией
нефть проходит второй узел предохранительных устройств и второй узел учёта.
Второй узел учёта используется для изменения количества нефти, поступающей в
магистраль.
После насосной станции нефть через узел
регулирования давления (УР) и камеру пуска скребка направляется непосредственно
в магистральный нефтепровод. Узел регулирования давления служит для изменения
производительности давления на выходе ГНПС с помощью дросселирования потока на
регулирующих заслонках или в регуляторах давления, установленных узле.
Камера пуска скребка представляет собой
устройство, предназначенное для запуска в магистраль средств очистки её
внутренних загрязнений. С помощью скребка производиться периодическая очистка
трубопровода от грязепарафинов и отложений.
Узел предохранительных устройств состоит из
соединительных параллельно предохранительных клапанов подъёмного типа, пружина
которых отрегулирована на определенное давление. При повышении давления в
трубопроводе они открываются и сбрасывают часть нефти по трубопроводу сброса в
резервуарный парк, где для её приёма предусматривается не менее двух
резервуаров. Узлы учёта существующих ГНПС в качестве средства изменения
количества перекачиваемой нефти в основном имеют турбинные счётчики типа
«Турбоквант». Точность показаний счётчика достаточно высока лишь для
определённого диапазона производительности. Поэтому для обеспечения измерения
высокой точности при любых производительностях нефтепровода узлы учёта оборудуются
несколькими параллельно установленными счетчиками. Счетчики устанавливаются на
измерительных линиях. Перед каждым из них находиться сетчатый фильтр и
струевыпрямитель.
Так же на ГНПС установлена система сглаживания
ударной волны. Система сглаживания ударной волны применяется на нефтепроводах
диаметром 720 мм и выше для защиты линейной части магистралей и оборудования
нефтеперекачивающей станции от гидравлического удара - кинетического нарастания
давления при резком прикрытии задвижек, остановка насосов и т.п. Сглаживание
волны давления состоит в уменьшении скорости нарастания давления в трубопроводе
путём сброса части нефти из приёмного трубопровода нефтеперекачивающей станции
в безнапорную ёмкость. Сброс происходит через специальные без инерционные клапаны,
сбрасывающие только при интенсивном нарастании давления и не регулирующие на
постепенное его повышение.
2.2 Оборудование
нефтеперекачивающей станции
К основному оборудованию перекачивающих станций
относят насосы (основные и подпорные) и соответствующие приводы.
В качестве основных применяются
высокопроизводительные насосы
Нормального ряда специального ряда специального
назначения. Для магистральных продуктопроводов насосы выпускают в двух
исполнениях: многоступенчатом (высоконапорном) и одноступенчатом
(низконапорном).
В последнем случае для создания рабочего напора
в трубопроводе два или три насоса работают последовательно.
Современным типом основных насосов являются
магистральные насосы, которые выпускаются на подачу от 125 до 1000
/час.
Для отбора нефти из резервуарного парка и подачи
её на выход основным насосом с требуемым давлением, используют подпорные
насосы. Современным типом подпорных насосов являются насосы НВП (нефтяные
подпорные вертикальные), которые выпускаются на подачу 60, 80, 90, 120
/час.
В качестве привода к основным насосам
используются асинхронные и синхронные электродвигатели высокого напряжения. Из
асинхронных наиболее широко применяются электродвигатели с короткозамкнутым
ротором серии АТД. Двигатели серии АТД монтируют в одном здании с насосами. Во
взрывобезопасном исполнении в корпусе двигателя поддерживаться избыточное
давление воздуха 0,05-0,07 МПа, что исключает возможность попадания паров
нефтепродукта в электродвигатель.
Из синхронных продуваемых используют
электродвигатели серии СТД, СТМП, СТМС. Из них, благодаря высокому коэффициенту
полезного действия наиболее широкое применение нашли электродвигатели СТД.
Вспомогательное оборудование перекачивающих
станций условно можно разделить на две категории: оборудование насосных станций
и объектов обслуживающего назначения. Общий перечень энергетического
оборудования используемого на НПС-3 представлен в таблице 1.
К первой категории относится всё оборудование
систем смазки, уплотнения и охлаждения, вентиляции, ко второй - котлы, насосы
системы канализации и очистки, оборудование водоподготовки, насосы
теплоснабжения, пожарного, производственного и хозяйственно-питьевого
водоснабжения, приборы и аппараты производственно-технологической связи, защиты
от статического электричества и молниезащиты, химлаборатории и др.
Таблица 1 - Перечень энергетического
оборудования
|
№
|
Наименование
оборудования
|
Кол-во
|
|
НПС-3
|
|
1
|
Ячейки
К- XII
|
36
|
|
2
|
Выключатели
ВВ/TEL-10
|
20
|
|
3
|
---"---
ВБКЭ-10
|
4
|
|
4
|
Разъединители
|
4
|
|
5
|
Ограничители
перенапряжения ОПН
|
4
|
|
6
|
Трансформаторы
напряжения НТМИ, НОМ
|
8
|
|
7
|
Трансформаторы
тока 1500/5
|
8
|
|
8
|
---"---
1000/5
|
5
|
|
9
|
---"---
600/5
|
5
|
|
10
|
---"---
300/5
|
2
|
|
11
|
---"---
150/5
|
10
|
|
12
|
Электродвигатели
8000 кВт
|
4
|
|
13
|
---"---
100 кВт
|
2
|
|
14
|
---"---
40 кВт
|
1
|
|
15
|
---"---
37 кВт
|
1
|
|
16
|
---"---
27 кВт
|
1
|
|
17
|
---"---
15 кВт
|
1
|
|
18
|
---"---
13 кВт
|
1
|
|
19
|
---"---
10 кВт
|
10
|
|
20
|
---"---
7,5 кВт
|
19
|
|
21
|
---"---
5,5 кВт
|
14
|
|
22
|
---"---
3 кВт
|
7
|
|
23
|
---"---
2,2 кВт
|
3
|
|
24
|
---"---
0,6 кВт
|
6
|
|
25
|
---"---
0,75 кВт
|
1
|
|
26
|
---"---
0,27 кВт
|
2
|
|
27
|
Рубильники
Iном = 630 А
|
3
|
|
28
|
---"---
400 А
|
3
|
|
29
|
---"---
100 А
|
55
|
|
30
|
Автоматические
выключатели Iном = 1000 А
|
3
|
|
31
|
---"---
Iном = 800 А
|
1
|
|
32
|
---"---
Iном = 630 А
|
2
|
|
33
|
---"---
Iном = 500 А
|
3
|
|
34
|
---"---
Iном = 250 А
|
4
|
|
35
|
---"---
Iном = 200 А
|
1
|
|
36
|
---"---
Iном = 160 А
|
2
|
|
37
|
---"---
Iном = 100 А
|
2
|
|
38
|
---"---
Iном = 80 А
|
7
|
|
39
|
---"---
Iном = 63 А
|
2
|
|
40
|
---"---
Iном = 50 А
|
3
|
|
41
|
---"---
Iном = 40 А
|
11
|
|
42
|
---"---
Iном = 31,5 А
|
21
|
|
43
|
---"---
Iном = 25 А
|
3
|
|
44
|
---"---
Iном = 20 А
|
7
|
|
45
|
---"---
Iном = 16 А
|
17
|
|
46
|
---"---
Iном = 12,5 А
|
26
|
|
47
|
---"---
Iном = 10 А
|
9
|
|
48
|
---"---
Iном = до 10 А
|
43
|
|
49
|
Контактор
Iном = 400 А
|
3
|
|
50
|
---"---
Iном = 250 А
|
2
|
|
51
|
Магнитный
пускатель реверсивный Iном = 25 А
|
23
|
|
52
|
---"---
Iном = 10 А
|
31
|
|
53
|
Магнитный
пускатель нереверсивный Iном = 100 А
|
2
|
|
54
|
---"---
Iном = 63 А
|
2
|
|
55
|
---"---
Iном = 40 А
|
3
|
|
56
|
---"---
Iном = 25 А
|
9
|
|
57
|
---"---
Iном = 10 А
|
11
|
|
58
|
Тепловой
элемент Iном.откл = (68-92)А
|
2
|
|
59
|
---"---
Iном.откл = (53,2-72,3)А
|
2
|
|
60
|
---"---
Iном.откл = (27,2-36,5)А
|
2
|
|
61
|
---"---
Iном.откл = (18-25)А
|
19
|
|
62
|
---"---
Iном.откл = (13-19)А
|
9
|
|
63
|
---"---
Iном.откл = (9,5-14)А
|
6
|
|
64
|
---"---
Iном.откл = (7-10)А
|
19
|
|
65
|
---"---
Iном.откл = до 10 А
|
24
|
|
66
|
Трансформаторы
10/0,4 630 кВА
|
2
|
|
67
|
Конденсаторы
|
2
|
|
68
|
Светильники
ПКН
|
4
|
|
69
|
---"---
ПГ
|
61
|
|
70
|
---"---
В3Г
|
108
|
|
71
|
---"---
ЛБО
|
68
|
|
72
|
---"---
ЛН
|
41
|
|
73
|
---"---
ДРЛ
|
35
|
|
74
|
Розетки
|
12
|
|
75
|
Выключатели
|
30
|
|
76
|
Щитки
освещения
|
10
|
|
77
|
ШУОТ
|
3
|
|
78
|
Щит
временных потребителей
|
2
|
|
79
|
Печь
ПЭТ-4 1 кВт
|
4
|
|
Релейная
защита и автоматика
|
|
|
80
|
Блоки
БМРЗ - КЛ
|
14
|
|
81
|
БМРЗ
- ДА
|
4
|
|
82
|
БМРЗ
- ДС
|
3
|
|
83
|
БМРЗ
- СВ
|
2
|
|
84
|
БМРЗ
- ВВ
|
2
|
|
85
|
БМЦС
|
1
|
|
86
|
БМАЧР
|
2
|
|
87
|
Реле
ДЗЛ-2
|
4
|
|
88
|
РП-23
|
4
|
|
89
|
РУ-21
|
4
|
|
90
|
РН
53/200
|
2
|
|
91
|
Амперметры
|
24
|
|
92
|
Киловольтметр
|
6
|
|
93
|
Автомат
АП-50
|
34
|
|
94
|
Преобразователь
мощности
|
4
|
|
95
|
Трансформатор
изолирующий ТИ-1
|
4
|
|
96
|
Кнопки
управления КУ-91
|
46
|
|
97
|
---"---
КУ-92
|
22
|
|
98
|
---"---
КУ-93
|
|
99
|
Клемные
коробки
|
110
|
|
100
|
Токопровод
10 кВ , м
|
2010
|
|
101
|
Кабельные
сети 10 кВ, м
|
3500
|
|
102
|
Кабельные
сети 0,4 кВ, м
|
16700
|
2.3 Характеристика
оборудования НПС-3
На НПС-3 ЛПДС «Демьянское» эксплуатируется
резервуарный парк с единичной мощностью резервуара 20000
в
количестве двух штук и установлены следующие технологические сооружения:
- общее укрытие магистральных
сооружений:
- площадка с подпорными вертикальными
насосами;
блок фильтров-грязеуловителей, диаметр
корпуса 1400 мм, с патрубками диаметром 700мм;
блок регуляторов давления с тремя
электроприводными регулирующими заслонками, соединение параллельное;
блок гашения ударной волны (Аркрон);
безнапорная ёмкость ЕП - 40 для
аварийного сбора нефти погружными насосами;
ёмкость-манифольд;
узел подключения станции;
площадки с узлами задвижек.
На нефтеперекачивающей станции «Демьянское»
нефтепровода Нижневартовск-Курган-Куйбышев установлены в общем укрытии
магистральные агрегаты НМ-10000-210 с ротором на подачу 12500 м/час. В качестве
привода к основным насосам используются электродвигатели СТД-8000-2 с мощностью
на валу 8000 кВт, с частотой вращения вала 3000 об/мин. НПС-3 оборудована
четырьмя насосными агрегатами.
Схема соединения основных насосов «из насоса в
насос». Данные насосы предназначены для непосредственного транспорта нефти.
Основные насосы размещены в общем укрытии, разделённом воздухонепроницаемой
огнестойкой перегородкой на два отдельных помещения: зал насосов и зал
электродвигателей. Насосы соединяются с электродвигателями без промежуточного
вала, через специальные отверстия с герметизирующей камерой в разделительной
стене. На подпорной насосной станции с ёмкостями в качестве подпорных насосов
установлены два центробежных вертикальных насоса с производительностью 5000
/час.,
частотой вращения 980 об/мин, с приводом от асинхронного электродвигателя АТД
мощностью 2000 кВт и числом оборотов 995 об/мин.
Технологическая схема линейной
производственно-диспетчерской станции «Демьянское» позволяет производить
следующие операции:
закачка нефти в резервуар и откачка нефти из
резервуара подпорными насосами с подачей на основные насосы;
перекачка по трубопроводу, минуя станцию;
перекачка нефти из одного трубопровода в другой
через блокировочные задвижки.
По требованиям надёжности электроснабжения в
целом НПС относится к I категории электроснабжения, а внутри к особо
ответственным относятся электроприёмники насосного зала, системы пенного
пожаротушения, оборотного водоснабжения, циркуляции и пожарного водоснабжения.
. ЭЛЕКТРИЧЕСКИЕ НАГРУЗКИ
нефтеперекачивающий станция энергоснабжение
заземление
Электрические нагрузки являются исходными
данными для решения сложного комплекса технических и экономических задач.
Определение электрических нагрузок составляет первый этап проектирования любой
системы электроснабжения и производится с целью выбора и проверки токоведущих
элементов (шин, кабелей, проводов), силовых трансформаторов и преобразователей
по пропускной способности (нагреву) и экономическим параметрам, расчета потерь,
отклонений и колебаний напряжения, выбора компенсирующих установок, защитных
устройств и т.д. От правильной оценки ожидаемых электрических нагрузок зависит
рациональность выбора схемы и всех элементов системы электроснабжения и ее
технико-экономические показатели.
От ЗРУ 10 кВ «НПС-3» производится электроснабжение
НПС-3 ЛПДС «Демьянское», где основными потребителями электроэнергии являются :
Таблица 2 - Основные потребители НПС-3
|
Оборудование
|
Кол-во
|
Рном
, кВт
|
|
СТД-8000
|
3
|
8000
|
|
4АРМ-8000
|
1
|
8000
|
|
АТД-2000
|
4
|
2000
|
|
АТД-400
|
1
|
400
|
|
Потребители
0,4 кВ (включая подпорную)
|
158
|
∑
2022,5
|
|
∑42422,5
кВт
|
|
|
|
|
. СИСТЕМА ВНЕШНЕГО ЭНЕРГОСНАБЖЕНИЯ
Поставщиком электрической энергии объектов ЛПДС
«Демьянское» по договору № 13-003-0047 в границах «Тюменьэнерго» от 22.11.2007
г. является ООО «Русэнергоресурс». Нефтеперекачивающие станции запитаны: НПС 1
от ПС 500/110/6кВ. «Демьянская, НПС-2, НПС-3, НПС-4 от ПС-500/220/110/10
«Демьянская».
Граница эксплуатационной и балансовой
принадлежности между энергоснабжающей организацией и ЛПДС, согласно договору,
проходят:
· Для НПС-1 на наружных контактах
проходных изоляторов проходящих фидеров НПС-1, НПС-2 установленных в стене РУ-6
кВ ПС «Демьянская»
· Для НПС-2 на наружных контактах
проходных изоляторов отходящих фидеров БКНС3,4 установленных в стене РУ-10 кВ
ПС «Демьянская»
· Для НПС-3 на наружных контактах
проходных изоляторов отходящих фидеров БКНС 1,2 установленных в стене РУ-10 кВ
ПС «Демьянская»
· Для НПС-4 на наружных контактах
проходных изоляторов отходящих фидеров БКНС 5,6,7,8 установленных в стене РУ-10
кВ ПС «Демьянская»
Электроприёмники установок по добыче, подготовке
и транспортировке нефти и газа практически все относятся к первой категории
надежности. Для электроснабжения потребителей первой категории надежности
предусмотрены два независимых источника электроснабжения. Из приложения Г видно
что электроснабжение НПС-3 производится от двух независимых
автотрансформаторных групп 1АТГ(3х167МВА) и 2АТГ (3х167МВА). Известно что
последним звеном в автотрансформаторной группе является трансформатор
ТРДН-40000/110/10, откоторого и производиться питание НПС-3.
Данные установленного трансформатора на питающей
подстанции 500/220/110/10 кВ «Демьянское» типа ТРДН:
Таблица 3 - Параметры трансформатора
ТРДН-40000/110/10
|
Номинальная
мощность трансформатора
|
Sном.т
= 40000 кВА
|
|
Потери
холостого хода
|
DР0
= 50,0 кВт;
|
|
Потери
короткого замыкания
|
DРк
= 160,0 кВт;
|
|
Напряжение
короткого замыкания
|
Uк
= 10,5 %;
|
|
Ток
холостого хода
|
I0
= 0,65 %.
|
Передача электрической энергии от подстанции
«Демьянское» до ЗРУ НПС-3 осуществляется по ВЛ 10кВ. Протяженность токопровода
составляет 1005м. Сечение подводящей линии 2х600мм. Тип опор - железобетонные,
металлические.
Рис.1 Схема токопровода НПС-3
. СИСТЕМА ВНУТРЕННЕГО
ЭНЕРГОСНАБЖЕНИЯ
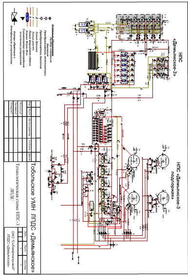
От ЗРУ 10 кВ «НПС-3» производится
электроснабжение НПС-3 ЛПДС «Демьянское». Принципиальная однолинейная схема
электроснабжения НПС-3 представлена в приложении В.
Таблица 4 - Распределительные
устройства высокого напряжения
|
Тип
подстанции
|
Тип
, марка
|
Завод
изготовитель и заводской номер
|
Год
изготовления
|
Установка
|
Мощность
|
Напряжение
|
Загрузка
трансформатора
|
Кол-во
отходящих фидеров
|
|
|
|
|
|
|
Номин.
|
Корот.
замык.
|
|
|
|
ЗРУ-10кВ
|
-
|
-
|
1978
|
ЗРУ-
10
|
-
|
10
кВ
|
-
|
-
|
-
|
|
КТП-630/0,4
|
ТМЗ-630/10
(2 шт)
|
370614
|
1998
|
б/б
КТП ОН
|
2х630
кВА
|
10
кВ
|
5,5
%
|
-
|
7
|
|
|
370628
|
1998
|
|
|
|
|
-
|
4
|
|
КТП-630/0,4
|
ТМЗ-630/10
(2 шт)
|
370333
|
1996
|
б/б
КТП ПН
|
2х630
кВА
|
10кВ
|
5,58%
|
-
|
2
|
|
|
370283
|
1996
|
|
|
|
5,34%
|
-
|
4
|
|
КТП-1000/0,4
|
ТСЗГЛ-1000/10
(2 шт)
|
1470738
|
2002
|
КТП
КСАП
|
2х1000
кВА
|
10кВ
|
6,34%
|
-
|
4
|
|
|
1470739
|
2002
|
|
|
|
6,34%
|
-
|
8
|
Таблица 5 - Параметры трансформаторов ТМ-630/10
|
Номинальная
мощность трансформатора
|
Sном.т
= 630 кВ∙А;
|
|
Потери
холостого хода
|
DР0
= 1,9 кВт;
|
|
Потери
короткого замыкания
|
DРк
= 7,6 кВт;
|
|
Напряжение
короткого замыкания
|
Uк
= 6,5 %;
|
|
Ток
холостого хода
|
I0
= 2,0 %.
|
. СИСТЕМА УЧЕТА ЭЛЕКТРОЭНЕРГИИ
Структурная схема типового канала технического
учета электроэнергии включает в себя измерительные трансформаторы тока и
напряжения, счетчик электрической энергии, измерительную линию между ТН и
счетчиком электрической энергии, контроллер технического учета и сервер НПС.
Информационно-вычислительные средства:
. коммутатор Cisco 2950-24 для
подключения АРМ и серверов;
. маршрутизатор Cisco 2801с
установленным интерфейсом G.703;
. коммутатор MiCOM H 354 для организации
связи с технологическим оборудованием.
В качестве каналообразующего оборудования
используется :
. для стыков G.703 модем Зелакс
ГМ-2Д-АС-9 при расстоянии между узлами более 400м
. для стыка Y.35 модем Зелакс ГМ-2С-АС9;
. для стыка Enternet модем Зелакс
М-1Д-АС9 если расстояние между узлом связи сервером больше 100м, но меньше 2км
и модем Зелакс М-30А если больше 2км.
Серверное оборудование предусмотрено на основе
Rack ProLiant DL360R04p.
Для организации АРМ дежурного электрика НПС,
энергетика НПС используются персональные компьютеры НР.
Питание оборудования системы АСТУЭ предусмотрено
от существующих сети 220В, через ИБП.
Дополнительно предусмотрены:
. телефонная диспетчерская связь;
. система синхронизации времени;
Предусмотрены решения по сетевой безопасности.
Разработано специальное программное обеспечение
для функционирования системы учета.
Активное оборудование установлено в
телекоммуникационных шкафах Rital.
Магистральные сети передачи данных предусмотрены
на основе существующих каналов ОАО «Связьтранснефть».
Таблица 6 - Перечень установленного оборудования
АСТУЭ
|
Счетчик
|
ПСЧ-4ТМ.05.01
|
.0309072306
|
25.09.2007
|
25.09.2007
|
яч.5
СТД-1
|
|
ПСЧ-4ТМ.05.01
|
.0309072182
|
25.09.2007
|
25.09.2007
|
яч.29
СТД-2
|
|
ПСЧ-4ТМ.05.01
|
.0309072350
|
25.09.2007
|
25.09.2007
|
яч.
Резерв
|
|
ПСЧ-4ТМ.05.01
|
.0309072356
|
25.09.2007
|
25.09.2007
|
яч.3
АТД-1
|
|
ПСЧ-4ТМ.05.01
|
.0309072177
|
25.09.2007
|
25.09.2007
|
яч.27
АТД-2
|
|
ПСЧ-4ТМ.05.01
|
.0309072643
|
25.09.2007
|
25.09.2007
|
яч.21
Т-1 КСАП
|
|
ПСЧ-4ТМ.05.01
|
.0309072621
|
25.09.2007
|
25.09.2007
|
яч.25
ТСН-1 ОН
|
|
ПСЧ-4ТМ.05.01
|
.0309072576
|
25.09.2007
|
25.09.2007
|
яч.33
ТСН-1 ПН
|
|
ПСЧ-4ТМ.05.01
|
.0309072185
|
25.09.2007
|
25.09.2007
|
яч.6
СТД-3
|
|
ПСЧ-4ТМ.05.01
|
.0309072364
|
25.09.2007
|
25.09.2007
|
яч.4
АТД-3
|
|
ПСЧ-4ТМ.05.01
|
.0309072322
|
25.09.2007
|
25.09.2007
|
яч.20
ТСН-2 ОН
|
|
ПСЧ-4ТМ.05.01
|
.0309072106
|
25.09.2007
|
25.09.2007
|
яч.2
ТСН-2 ПН
|
|
ПСЧ-4ТМ.05.01
|
.0309072311
|
25.09.2007
|
25.09.2007
|
яч.18
Т-2 КСАП
|
|
ПСЧ-4ТМ.05.01
|
.0309072024
|
25.09.2007
|
25.09.2007
|
яч.8
АТД Зачистной
|
|
ПСЧ-4ТМ.05.01
|
.0309072204
|
25.09.2007
|
25.09.2007
|
яч.26
4АРМ-4
|
|
ПСЧ-4ТМ.05.01
|
.0309072726
|
25.09.2007
|
25.09.2007
|
яч.24
АТД-4
|
|
ТТ-А
|
ТШП-0,66-5-0,5-300/5
У3
|
.0076856
|
28.07.2007
|
28.07.2007
|
ввод
№ 1
|
|
ТТ-В
|
|
.0077686
|
28.07.2007
|
28.07.2007
|
ЩСУ-0,4
кВ КСАП-3
|
|
ТТ-С
|
|
.0071405
|
28.07.2007
|
28.07.2007
|
|
|
ТТ-А
|
ТШП-0,66-5-0,5-300/5
У3
|
.0038699
|
21.04.2007
|
21.04.2007
|
ввод
№ 1 учет
|
|
ТТ-В
|
|
.0038070
|
19.04.2007
|
19.04.2007
|
ЩСУ-0,4
кВ КСАП-3
|
|
ТТ-С
|
|
.0038338
|
20.04.2007
|
20.04.2007
|
|
|
ТТ-А
|
ТШП-0,66-5-0,5-300/5
У3
|
.0076892
|
26.07.2007
|
26.07.2007
|
ввод
№ 2
|
|
ТТ-В
|
|
.0076901
|
26.07.2007
|
26.07.2007
|
ЩСУ-0,4
кВ КСАП-3
|
|
ТТ-С
|
|
.0076893
|
26.07.2007
|
26.07.2007
|
|
|
ТТ-А
|
ТШП-0,66-5-0,5-300/5
У3
|
.0040119
|
26.04.2007
|
26.04.2007
|
ввод
№ 2 учет
|
|
ТТ-В
|
|
.0040178
|
26.04.2007
|
26.04.2007
|
ЩСУ-0,4
кВ КСАП-3
|
|
ТТ-С
|
|
.0040203
|
26.04.2007
|
26.04.2007
|
|
|
ТТ-А
|
ТШП-0,66-5-0,5-300/5
У3
|
.0085309
|
25.07.2007
|
25.07.2007
|
ЦРВД
№ 1
|
|
ТТ-В
|
|
.0085635
|
25.07.2007
|
25.07.2007
|
НПС-3
|
|
ТТ-С
|
|
.0085279
|
25.07.2007
|
25.07.2007
|
|
|
ТТ-А
|
ТШП-0,66-5-0,5-300/5
У3
|
.0085910
|
25.07.2007
|
25.07.2007
|
ЦРВД
№ 2
|
|
ТТ-В
|
|
.0085878
|
25.07.2007
|
25.07.2007
|
НПС-3
|
|
ТТ-С
|
|
.0085911
|
25.07.2007
|
25.07.2007
|
|
|
ТТ
|
ТОП-0,66-5-0,5-50/5
У3
|
21.03.2007
|
21.03.2007
|
АВ-
ЩСУ ПН П6-2 СКЗ-
|
|
ТТ
|
ТОП-0,66-5-0,5-50/5
У3
|
.0026403
|
22.03.2007
|
22.03.2007
|
АВ-
ЩСУ ОН П6-2 СКЗ-
|
|
ТТ
|
ТОП-0,66-5-0,5-50/5
У3
|
.0025564
|
22.03.2007
|
22.03.2007
|
АВ-
ЩСУ ОН П6-2 СКЗ-
|
|
ТТ
|
ТОП-0,66-5-0,5-50/5
У3
|
.0025536
|
22.03.2007
|
22.03.2007
|
АВ-
ЩСУ ОН П6-2 СКЗ-
|
|
ТТ
|
ТОП-0,66-5-0,5-50/5
У3
|
.0022389
|
11.03.2007
|
11.03.2007
|
АВ-
ЩСУ КСАП П7-1 СКЗ-
|
|
ТТ
|
ТОП-0,66-5-0,5-50/5
У3
|
.0022377
|
11.03.2007
|
11.03.2007
|
АВ-
ЩСУ КСАП П7-1 СКЗ-
|
|
ТТ
|
ТОП-0,66-5-0,5-50/5
У3
|
.0020692
|
05.03.2007
|
05.03.2007
|
АВ-
ЩСУ КСАП П7-1 СКЗ-
|
|
Измеритель
показателей качества э/э
|
Ресурс-UF2
|
645
|
III
кв. 2007 г.
|
09.07.2007
|
яч.15
ввод 1В (БКНС-1)
|
|
Измеритель
показателей качества э/э
|
Ресурс-UF2
|
709
|
III
кв. 2007 г.
|
06.09.2007
|
яч.30
ввод 2В (БКНС-2)
|
. УСТРОЙСТВО ЗАЩИТНОГО ЗАЗЕМЛЕНИЯ НПС-3
В пределах территории подстанции возможно
замыкание на землю в любой точке. В месте перехода тока в землю, если не
предусмотрены особые устройства для проведения тока в землю, возникают значительные
потенциалы, опасные для людей, находящихся вблизи. Для устранения этой
опасности на подстанции предусматривают заземляющие устройства, назначение
которых заключается в снижении потенциалов до приемлемых значений.
Заземляющие устройства НПС"Демьянское-3"
введены в работу в 1978 году. На рисунке 2 изображена схема заземления основных
объектов НПС-3.
Общая схема заземления рассмотрена в приложении
Д.
Рис.2 Заземление здания ЗРУ 10 кВ
НПС-3
1. Число заземляющих электродов и их
конструкция: 24шт. Сталь круглая Ф12 мм, L=5м
. Материал и сечение заземляющих
проводов: сталь полосовая 40*4
. Характеристика грунта очага
заземления: суглинок.
. Глубина заполнения горизонтальных
заземлителей: не менее 0,5 м
. Расчетная величина сопротивления
растекания тока на землю ≤ 4 Ом
. УСТРОЙСТВО МОЛНИЕЗАЩИТЫ НПС-3
Основным элементом внешней МЗС является
молниеотвод - возвышающиеся над защищаемым объектом устройство, воспринимающее
прямой удар молнии и отводящее токи молнии в землю.
Отдельно стоящие молниеотводы обеспечивают
растекание тока молнии минуя защищаемые объекты. Молниеотводы, установленные на
самом объекте, обеспечивают растекание тока молнии по контролируемым путям так,
чтобы обеспечивать низкую вероятность поражения людей, взрыва или пожара.
Отдельно стоящий молниеотвод состоит из
следующих элементов:
· молниеприемника,
непосредственно воспринимающего прямой удар молнии;
· несущей конструкции (опоры),
предназначенной для установки молниеприемника;
· токоотвода, обеспечивающего
отвод тока молнии от молниеприемника к заземлителю;
· заземлителя, создающего
непосредственный контакт с землей для стекания тока молнии.
Система молниезащиты НПС-3 была построена в 1978
году.
Она включает в себя шесть молниеприёмников
расположенных по периметру станции (приложение Г).
Рис.3 Конструкция молниеотвода №1,3,4,6 НПС-3
- стальная несущая конструкция; 2 - тросостойка;
3 - молниеприемник; 4 - прожекторная площадка; 5 - ограждение площадки; 6 - крепежный
элемент лестницы
Рис.3 Конструкция молниеотвода №2,5 НПС-3
. ПРОИЗВОДСТВЕННЫЕ РАБОТЫ
|
№№
ПП
|
Дата
|
Описание
выполненных работ
|
|
1
|
18.01.2012
|
Изучение
инструкций по охране труда на рабочем месте. Инструктаж по охране труда на
рабочем месте. Изучение положения об участке обслуживания энергетического
оборудования ЛПДС.
|
|
2
|
19.01.2012
|
Ревизия
эл. проводки в гараже №1
|
|
3
|
20.01.2012
|
Демонтаж
коробов
|
|
4
|
23.01.2012
|
Монтаж
электропроводки
|
|
5
|
24.01.2012
|
Подключение
временных потребителей на Аркрон
|
|
6
|
25.01.2012
|
Замена
ламп,ревизия светильников в ЗРУ-10кВ, НПС-2
|
|
7
|
26.01.2012
|
Замена
ламп освещения на объектах НПС-2
|
|
8
|
27.01.2012
|
Очистка
от снега вдоль трассового оборудования260-245км н/п УБИУА
|
|
9
|
30.01.2012
|
Очистка
от снега вдоль трассового оборудования228-248км н/п УБО-2
|
|
10
|
31.01.2012
|
Очистка
от снега вдоль трассового оборудования248-260 км н/п УБО-2
|
|
11
|
1.02.2012
|
Ревизия
схемы ДЗЛ НПС-3
|
|
12
|
2.02.2012
|
Подключение
и отключение временных потребителей 225 км н/п УБИУА
|
|
13
|
3.02.2012
|
Ревизия
схем отопления на 271,274,277 км н/п УБИУА
|
|
14
|
6.02.2012
|
Ревизия
схем отопления на 225,245 км н/п УБИУА
|
|
15
|
7.02.2012
|
Устранение
обрыва провода ВЛ 10 кВ.
|
|
16
|
8.02.2012
|
Осмотр
видимой части устройств заземлений электрооборудования ГЭВВЛ и ЭХЗ ЛПДС
«Демьянское».
|
|
17
|
9.02.2012
|
Проверка
наличия и состояния защитных средств в б/боксах ЩСУ-0,4кВ объектов ВЛ и ЭХЗ
ЛПДС «Демьянское»;
|
|
18
|
10.02.2012
|
ТО
СКЗ №1-5 н/п УБО-2
|
|
19
|
13.02.2012
|
ТО
СТД-8000 МНА-3 НПС-3
|
|
20
|
14.02.2012
|
ТО
АД-2000 МНА-1 НПС-3
|
|
21
|
15.02.2012
|
Осмотр
электрооборудования на 280 км УБО-2
|
|
22
|
16.02.2012
|
Обновление
знаков опор ВЛ, диспетчерских наименований распределительных щитов 0,4кВ и
панелей ЩСУ-0,4кВ.
|
|
23
|
17.02.2012
|
Проверка
на соответствие схем электрических соединений ЩСУ-0,4кВ объектов ВЛ и ЭХЗ
ЛПДС «Демьянское»
|
|
24
|
20.02.2012
|
Техническое
обслуживание двигателей 0,4кВ на узлах задвижек ГЭВВЛ и ЭХЗ
|
|
25
|
21.02.2012
|
Подключение
и отключение временных потребителей 225 км н/п УБИУА
|
|
26
|
22.02.2012
|
Сбор
информации для диплома
|
|
27
|
24.02.2012
|
Сбор
информации для диплома
|
ЗАКЛЮЧЕНИЕ
Преддипломную практику я проходил на предприятии
ОАО «Сибнефтепровод» Тобольского УМН ЛПДС «Демьянское».
В ходе шести недельной практики я закрепил
теоретические и практические знания, полученные мною при изучении
общепрофессиональных и специальных дисциплин; приобрел практические знания,
производственные навыки, опыт применения полученных знаний в решении конкретных
производственных, проектных и научно-исследовательских задач; приобрел знания,
способствующие успешному написанию дипломного проекта.
В процессе практики собрал всю необходимую
информацию для дипломного проекта, которую в кратком виде отразил в данном
отчете. Мною были рассмотрены следующие темы:
. структура предприятия
. технологический процесс
. оборудование
. нагрузки
. система учета электроэнергии
. устройство заземления и молниезащиты
СПИСОК ЛИТЕРАТУРЫ
1. Быстрицкий,
Г.Ф. Выбор и эксплуатация силовых трансформаторов [Текст]: Учеб. пособие для
вузов / Г.Ф. Быстрицкий, Б.И. Кудрин. - М.: Издательский центр «Академия»,
2003. -176 с.
2. Правила
устройства электроустановок. [Текст] - 7-е изд. с изм. и доп. - М.:
Госэнергонадзор, 2003.-944 с.
.
#"802606.files/image006.gif">
Приложение Б
Технологическая схема НПС-3 ЛПДС «Демьянское»
Приложение В
Принципиальная однолинейная схема
электроснабжения НПС-3
Приложение Г
Схема заземления и молниезащиты НПС-3ЛПДС
«Демьянское»