Автоматизация нефтеперекачивающей станции 'Дебесы'

  • Вид работы:
    Дипломная (ВКР)
  • Предмет:
    Другое
  • Язык:
    Русский
    ,
    Формат файла:
    MS Word
    1,16 Мб
  • Опубликовано:
    2015-04-02
Вы можете узнать стоимость помощи в написании студенческой работы.
Помощь в написании работы, которую точно примут!

Автоматизация нефтеперекачивающей станции 'Дебесы'

Федеральное государственное бюджетное образовательное учреждение

высшего профессионального образования

"Уфимский государственный нефтяной технический университет"

Кафедра автоматизации технологических процессов и производств






Дипломный проект

АВТОМАТИЗАЦИЯ НЕФТЕПЕРЕКАЧИВАЮЩЕЙ СТАНЦИИ "ДЕБЕСЫ"

220301 011ПЗ


Студент гр. АГ 07-01Р.Ю. Ившин

Руководитель доц. М.Ю. Прахова








Уфа 2012

Реферат

 

Дипломный проект ___ с., 29 рисунков, 11 таблиц, 9 использованных источников, 1 приложение.

ИЗМЕРЕНИЕ ДАВЛЕНИЯ, СИСТЕМА АВТОМАТИЧЕСКОГО РЕГУЛИРОВАНИЯ ДАВЛЕНИЯ, ПРОГРАММИРУЕМЫЙ ЛОГИЧЕСКИЙ КОНТРОЛЛЕР, СТАНДАРТНЫЕ ЯЗЫКИ МЭК 61131, ЦИФРОВОЙ ПИД-РЕГУЛЯТОР

Объектом исследования является система автоматического регулирования давления нефтеперекачивающей станции.

В процессе исследования рассмотрены существующие системы автоматического регулирования давления, исследованы алгоритмы, необходимые для обеспечения качественной работы.

Цель работы - модернизация системы автоматического регулирования давления, реализация исследованных алгоритмов, создание мнемосхемы для графической панели оператора.

В результате исследования выбрана система автоматического регулирования, реализованы алгоритмы управления на одном из стандартных языков МЭК 61131.

Технико-экономические показатели свидетельствуют об улучшении качества регулирования, снижении числа аварийных ситуаций.

Внедрение отсутствует.

Эффективность проекта заключается в улучшении качества регулирования технологического процесса, снижении вероятности аварийных ситуаций при транспорте нефти.

автоматизация нефтеперекачивающая станция управление

Содержание

 

Определения, обозначения и сокращения

Введение

1. Технологическое описание НПС

1.1 Назначение и состав НПС без емкости

1.2 Технологические схемы объектов и их характеристики

1.2.1 Насосный цех

1.2.2 Вспомогательные системы насосных агрегатов

1.2.3 Фильтры-грязеуловители

1.2.4 Система сглаживания волн давления

1.2.5 Узел регулирования давления

1.2.6 Система автоматического пожаротушения

2. Патентная проработка

3. Системы и средства автоматизации и телемеханизации НПС

3.1 Система автоматики НПС

3.1.1 Назначение системы автоматики НПС

3.2 Система автоматического регулирования давления

3.2.1 Назначение САРД

3.2.2 Устройство САРД

3.2.3 Описание работы САРД

4. Модернизация системы автоматического регулирования давления НПС "Дебесы"

4.1 Анализ существующих систем автоматического регулирования давления

4.1.1 САРД ООО НТО "Терси-М"

4.1.2 САРД ОАО "НПО "Спецэлектромеханика""

4.1.3 САРД ЗАО "ЭМИКОН"

4.1.4 САРД ООО "Системы автоматического регулирования"

4.1.5 САРД ОАО "Специальное конструкторское бюро систем промышленной автоматики"

4.2 Выбор системы автоматического регулирования давления

4.3 Разработка алгоритмов  для контроллера серии Quantum фирмы Schneider Electric

4.3.1 Инструменты программирования ПЛК

4.3.1 Постановка задачи логического управления

4.4 Составление мнемосхемы для графической панели оператора

5. Охрана труда и техника безопасности

5.1 Анализ производственных опасностей и вредностей

5.2 Мероприятия по обеспечению безопасных и безвредных условий труда

5.2.1 Мероприятия по технике безопасности при эксплуатации объектов НПС "Дебесы"

5.2.2 Мероприятия по промышленной санитарии

5.2.3 Мероприятия по пожарной безопасности

5.3 Расчет освещенности в помещении операторной НПС

6. Оценка экономической эффективности проекта

6.1 Методика расчета экономической эффективности инвестиций

6.2 Расчёт капиталовложений

6.3 Расчет экономической эффективности проекта

Заключение

Список использованных источников

Приложения

Определения, обозначения и сокращения

МН - магистральный нефтепровод

НПС - нефтеперекачивающая станция

ССВД - система сглаживания волн давления

КПП СОД - камеры пуска и приема средств отчистки и диагностики

МНА - магистральный насосный агрегат

АСУ ТП - автоматизированной системы управления технологическим процессом

ПЛК - программируемый логический контроллер

ТМ - телемеханика

АРМ - автоматизированное рабочее место

БРУ - блок ручного управления

ПК - персональный компьютер

РДП - районный диспетчерский пункт

ИБП - источник бесперебойного питания

САРД - система автоматического регулирования давления

ПИД - пропорционально-интегрально-дифференциальный.

Введение


Основным элементом магистрального нефтепровода, выполняющим функции передачи энергии потоку нефти для его перемещения к конечному пункту трубопровода, является нефтеперекачивающая станция (НПС).

Нефтеперекачивающие станции являются структурными подразделениями магистрального нефтепровода (МН) и представляют комплекс сооружений, установок и оборудования, предназначенных для обеспечения транспорта нефти по трубопроводу.

Изменение величины подачи нефти в результате сезонных и годовых колебаний добычи, появление нестационарных процессов в нефтепроводах, связанных с различными технологическими операциями и колебаниями физических параметров перекачиваемой нефти, а также аварийные и ремонтные ситуации приводят к изменениям режимов работы станций. В некоторых случаях эти изменения могут привести к аварийной остановке НПС и другим неблагоприятным ситуациям, сопровождаемым большими экономическими потерями. Поэтому актуальным является осуществление непрерывного согласования работы станций на всех участках транспортировки, а также выполнять защиту оборудования и нефтепровода, что осуществляется посредством внедрения систем автоматизации.

Автоматизация и телемеханизация объектов магистральных нефтепроводов должны обеспечивать безопасную и безаварийную организацию эксплуатации объектов МН при оптимальном числе обслуживающего персонала.

Система автоматического регулирования давления обеспечивает поддержание давления на входе и выходе станции в пределах нормы, это необходимо для обеспечения нормальной работы насосов не только на данной станции, но и по всему магистральному нефтепроводу.

Цель данного дипломного проекта - модернизация системы автоматического регулирования давления НПС "Дебесы".

Задачами дипломного проекта являются:

изучение технологии перекачки нефти через промежуточную нефтеперекачивающую станцию;

рассмотрение автоматизированной системы управления нефтеперекачивающей станции на базе современных микропроцессорных систем;

анализ существующих систем автоматического регулирования давления;

разработка алгоритмов для программируемого логического контроллера системы автоматического регулирования давления;

создание мнемосхемы системы автоматического регулирования давления для графической панели оператора.

При работе над проектом были использованы материалы ОАО "АК "Транснефть"".

1. Технологическое описание НПС


1.1 Назначение и состав НПС без емкости


НПС без емкости предназначена для повышения давления в магистральном нефтепроводе при перекачке нефти.

Нефтеперекачивающая станция представляет собой комплекс сооружений и устройств (рисунок 1.1) для перекачки нефти по магистральным нефтепроводам.

В состав НПС входят:

насосный цех с магистральными насосными агрегатами и системой смазки, охлаждения и откачки утечек;

фильтры-грязеуловители;

узел регуляторов давления;

система сглаживания волн давления (ССВД);

технологические трубопроводы;

системы водоснабжения, теплоснабжения, вентиляции, канализации, пожаротушения, электроснабжения, автоматики, телемеханики, связи, производственно-бытовые здания и сооружения.

Нефть от предыдущей станции с давлением, больше необходимого для бескавитационной работы насосов, поступает в устройство приема и пуска скребка, а затем, пройдя фильтры-грязеуловители, попадает во всасывающую линию насосной с подключенными к ней сбросными предохранительными устройствами. Пройдя последовательно насосные агрегаты, нефть через регулирующие клапаны направляется в магистраль.

Утечки нефти с торцевых уплотнений магистральных насосных агрегатов, камер пуска и приема средств отчистки и диагностики (КПП СОД), регуляторов давления и узла сброса давления поступают в подземные емкости. Откачка нефти из емкостей сбора утечек производится автоматически, включением насоса в подводящий технологический трубопровод НПС.

Рисунок 1.1 - Технологическая схема НПС "Дебесы"

 


1.2 Технологические схемы объектов и их характеристики

 

.2.1 Насосный цех

Насосный цех (рисунок 1.2) - сооружение нефтеперекачивающей станции, в котором устанавливается основное (магистральные насосы, электродвигатели) и вспомогательное (системы смазки, охлаждения, подачи топлива, контроля и защит) оборудование [1].

Рисунок 1.2 - Технологическая схема насосного цеха

Насосные относятся к взрывоопасным помещениям класса В-1а, в которых при нормальной эксплуатации взрывоопасных смесей горючих паров с воздухом быть не должно; их появление возможно только в результате аварий или неисправностей. Оборудование насосных делится на основное и вспомогательное. К основному оборудованию относятся магистральные насосы и электродвигатели к ним, к вспомогательному - системы, предназначенные для обслуживания основного оборудования: смазки подшипников насосов, оборотного водоснабжения для охлаждения масла в маслоохладителях и воздушного пространства электродвигателей при замкнутом цикле вентиляции, отвода перекачиваемой жидкости от разгрузочных устройств насосов и отвода утечек от торцовых уплотнений, вентиляции, отопления, а также грузоподъемные механизмы [2].

Основным оборудованием насосного цеха являются четыре магистральных насосных агрегата (МНА) типа НМ 1000-210 с электроприводом СТДП5000-2У4 во взрывозащищенном исполнении.

Насосы типа НМ - центробежные горизонтальные одноступенчатые с рабочим колесом двухстороннего входа.

Предназначены для перекачивания нефти с температурой от 5 до 80 оС кинематической вязкостью не более 3∙10-4 м2/с, с содержанием механических примесей по объему не более 0,05% и размером не более 0,2 мм. Предельное давление 75 кгс/см2.

Характеристики насоса НМ 10000-210:

подача, м3/ч                                    10000

напор, м                                          210

частота вращения, об/мин             3000

масса, кг                                          32150

габариты LxBxH, мм.                    7250x3600x2223

На каждом из насосных агрегатов контролируются следующие параметры:

давление на входе насоса;

давление на выходе насоса;

температура подшипников насоса;

температура корпуса насоса;

вибрации на опоре подшипника.

Управление магистральными насосными агрегатами предусматривается в различных режимах.

Автоматический. В этом режиме пуск или остановка агрегата происходит по программе при получении соответствующей команды непосредственно из операторной, местного диспетчерского пункта или пункта управления более высокого уровня.

Резервный. В этом режиме осуществляется автоматическое включение данного агрегата при отключении из-за неисправности одного из работавших насосных агрегатов устройствами защиты работавшего агрегата. При переводе агрегата в режим "резервный" должна быть выполнена часть программы запуска, предшествующая включению масляного выключателя.

Кнопочный. В этом режиме управление каждым элементом агрегата выполняется по индивидуальным командам из операторной или по месту.

Испытательный. В этом режиме проводится проверка работы схемы управления агрегатом без включения масляного выключателя (или приводов всех элементов магистрального насосного агрегата).

В зависимости от пусковых характеристик электродвигателя, схемы электроснабжения и системы разгрузки уплотнений могут применяться различные программы пуска, отличающиеся положением задвижки на выходе насоса в момент пуска основного электродвигателя:

на открытую (полностью) задвижку;

на закрытую задвижку;

на открывающуюся задвижку (задвижка стронулась с закрытого положения или находится в промежуточном положении).

Программа пуска "на открытую задвижку" является предпочтительной, так как обеспечивает наименьшие динамические нагрузки в трубопроводной обвязке агрегата и наименьшие хлопки обратных клапанов, установленных на обводной линии насосов. Программа применяется, если пусковые характеристики электродвигателя и схема электроснабжения рассчитаны на соответствующие пусковые режимы.

Программа пуска "на закрытую задвижку" применяется, если установленное электрооборудование не может обеспечить пуск на открытую задвижку.

Программа пуска "на открывающуюся задвижку" применяется, когда неприемлема программа "на открытую задвижку" и когда установленные у насоса задвижки имеют привод небольшой мощности и поэтому не могут быть открыты при перепаде давления, создаваемом насосным агрегатом при закрытой задвижке.

Программа автоматического отключения предусматривает остановку магистрального насосного агрегата, а также закрытие задвижек агрегата.

При срабатывании систем автоматической защиты магистральной насосной или магистрального насосного агрегата выполняется программа автоматического отключения магистральных насосных агрегатов, переведенных на режим "автоматический" и "резервный".

В схемах автоматики магистрального насосного агрегата предусматривается:

время задержки срабатывания защиты (по вибрации) на период переходного процесса при включении и отключении любого из магистральных насосных агрегатов (в пределах до 15 с);

прекращение программы пуска агрегата и остановку задвижек при получении команды на его отключение до завершения ранее выполнявшейся программы запуска;

отключение агрегата и выдачу аварийного сигнала при произвольном изменении положения любой из задвижек включенного агрегата, работающего в режимах "автоматический" или "резервный";

подачу команды на включение основного электродвигателя коротким импульсом длительностью 1 с;

постоянный контроль исправности цепей включения и отключения масляного выключателя;

перевод в другой режим управления без изменения состояния агрегата, если такое изменение не предусматривается при переводе в другой режим.

Для каждого магистрального насосного агрегата кроме показывающих манометров для контроля давлений на приеме и выходе насоса установлены приборы контроля давления масла, охлаждающей воды, а также кнопки аварийного отключения [1].

1.2.2 Вспомогательные системы насосных агрегатов

Каждый насосный агрегат оборудован и оснащен системами:

принудительной смазки подшипников качения и скольжения;

сбора утечек нефти:

охлаждения;

вентиляции;

разгрузки торцевых уплотнений.

.2.2.1 Маслосистема. Маслосистема предназначена для принудительной смазки подшипников качения и скольжения насосов и электродвигателей. В качестве смазки подшипников применяется турбинное масло Т-22 или Т-30. Техническая характеристика масла, применяемого в маслосистеме, должна соответствовать требованиям ГОСТ-32-74.

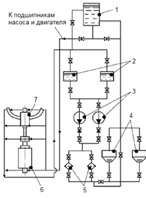
Система смазки магистральных насосных агрегатов состоит из рабочего и резервного масляного насосов, оборудованных фильтрами очистки масла, рабочего и резервного маслобаков, аккумулирующего маслобака и маслоохладителей (рисунок 1.3).

Масло с основного маслобака забирается работающим маслонасосом типа "Ш" проходит через маслофильтр и подается на маслоохладители, откуда поступает в аккумулирующий бак, расположенный на высоте 6-8 м от уровня пола насосной. С аккумулирующего бака масло подается к подшипникам насосного агрегата и далее возвращается в рабочий маслобак. Рабочая температура масла в общем коллекторе перед поступлением на магистральные насосные агрегаты должна находится в пределе от +35 0С до +55 0С, при превышении температуры масла на выходе из маслоохладителя более +55 0С, автоматически включаются дополнительные вентиляторы обдува. При низкой температуре масла допускается работа маслосистемы, минуя маслоохладители.

Давление масла перед подшипниками насоса и электродвигателя устанавливается не более 0,08 МПа и не менее 0,03 МПа. Регулирование подачи масла к каждому подшипнику осуществляется с помощью подбора дроссельных шайб, устанавливаемых на подводящих маслопроводах.

1 - аккумулирующая емкость; 2 - маслобаки; 3 - маслонасос; 4 - агрегат воздушного охлаждения масла; 5 - фильтры; 6 - электродвигатель; 7 - насос

Рисунок 1.3 - Система смазки подшипниковых узлов насосных агрегатов

В маслосистеме предусмотрено:

регулирование, измерение и сигнализация температуры масла;

сигнализация максимального и минимального уровней в баках маслосистемы;

сигнализация максимального и минимального уровней в аккумулирующем баке при работе маслосистемы.

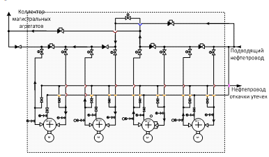
.2.2.2 Система сбора утечек нефти. Данная система служит для сбора утечек нефти с магистральных насосных агрегатов и состоит из насосов откачки утечек и четырех емкостей сбора утечек объемом 100 м3.

Утечки нефти с торцовых уплотнений насосов поступают в емкости сбора утечек.

Система утечек оснащена защитой по максимальным утечкам. Для контроля утечек магистральных насосных агрегатов установлен бачок сигнализации особой конструкции. При превышении рабочего уровня нефти в сосуде срабатывает защита на отключение насосного агрегата.

Откачка нефти из емкостей сбора утечек производится автоматически, включением вертикального насоса Worthington типа 4WUC-9 в подводящий технологический трубопровод НПС.

.2.2.3 Система охлаждения насосных агрегатов. Система охлаждения насосных агрегатов предназначена для обеспечения требуемого температурного режима электродвигателей и охлаждения масла, подаваемого к подшипникам насосного агрегата.

Взрывозащищенные электродвигатели типа СТДП, установленные в одном зале с насосом, имеют водяное охлаждение. Вода циркулирует по замкнутому контуру при помощи насосов, устанавливаемых в специальном помещении. В жаркое время года вода охлаждается в радиаторах, имеющих воздушное охлаждение.

.2.2.4 Система приточно-вытяжной вентиляции насосной. Система состоит из двух приточных вентиляторов с калориферами, четырех вытяжных вентиляторов и разводящих воздуховодов. В функции системы приточно-вытяжной вентиляции входит:

ограничение максимальной концентрации паров в воздухе насосного зала;

подача воздуха для отопления машинного зала и поддержания температуры в пределах требований, предъявляемых по техническим уровням установленного там оборудования и аппаратуры автоматики;

Вентиляторы установлены снаружи помещения. Вытягиваемый из насоса воздух по воздуховоду направляется наверх выше крыши здания насосной. Воздуховод заканчивается перекидным клапаном и факельной насадкой. Вентиляторы расположены попарно с каждого торца здания. Один из вентиляторов каждой пары - резервный.

Пристенные воздушные насадки, располагаемые внутри насосной, обеспечивают забор и отсос воздуха из помещения. Воздушные насадки вытяжной вентиляции установлены также в приямке насосного зала, где расположены маслонасосы.

В состав вытяжной вентиляции входят также дефлекторы, установленные на крыше насосной. Дефлекторы имеют шибера, регулирующие расход воздуха. Открытие шибера осуществляется при помощи троса. Дефлекторы обеспечивают естественное удаление из верхней зоны помещения воздуха, в котором могут содержаться взрывоопасные смеси газов [1].

1.2.3 Фильтры-грязеуловители

Фильтры-грязеуловители установлены на приеме насосной станции для улавливания крупных механических частиц (рисунок 1.4). О работоспособности фильтров судят по разнице давлений на приеме и выходе фильтров. При увеличении перепада давления до величины более 0,05 МПа или уменьшении до величины менее 0,03 МПа, которое свидетельствуют о засорении или повреждении фильтрующего элемента, должно проводиться переключение на резервный фильтр.

Рисунок 1.4 - Технологическая схема площадки фильтров-грязеуловителей

1.2.4 Система сглаживания волн давления

ССВД (рисунок 1.5) служит для предохранения приемного коллектора технологических трубопроводов НПС от чрезмерных давлений на приеме станции, возникающих при внезапных отключениях НПС. Сброс избыточного давления производится в безнапорные технологические емкости. ССВД работает по следующему принципу: при резком нарастании давления на приеме станции со скоростью более 0,2 МПа/с открываются гибкие клапаны "Флекс-Фло" и происходит уменьшение скорости нарастания давления, что гарантирует невозможность гидравлического удара. При постепенном нарастании давления (со скоростью менее 0,2 МПа/с) ССВД не срабатывает [1].

Рисунок 1.5 - Технологическая схема ССВД НПС

1.2.5 Узел регулирования давления

Для обеспечения нормальной работы насосов и магистрального нефтепровода в целом необходимо поддержание определённого давления на входе и выходе нефтеперекачивающей станции.

Регулирование давления осуществляется методом дросселирования. Метод дросселирования заключается в частичном перекрытии потока регулирующими заслонками (рисунок 1.6).

Рисунок 1.6 - Технологическая схема узла регулирования давления

1.2.6 Система автоматического пожаротушения

Система автоматического пожаротушения помещений со взрывоопасными зонами предусмотрено на НПС согласно СНиП 2.04.09-84.

Система автоматического пожаротушения одновременно выполняет функцию автоматической пожарной сигнализации.

Система автоматического пожаротушения включает:

автоматическую световую и звуковую сигнализацию в пункте управления и в защищаемом помещении о возникновении пожара;

автоматическое, дистанционное и местное управление средствами автоматического пожаротушения;

автоматическую защиту помещений и оборудования по пожару - автоматическое отключение насосных агрегатов, закрытие задвижек подключения магистральной насосной к нефтепроводу или резервуарному парку, отключение системы вентиляции в защищаемом помещении и включение аварийной вентиляции при срабатывании газосигнализаторов согласно СНиП 2.04.05-91;

устройства переключения с автоматического пуска на ручной с соответствующей сигнализацией.

Селективная сигнализация пожара, дистанционное управление средствами автоматического пожаротушения установлена в операторной с дублированием сигнализации о пожаре и срабатывании системы автоматического пожаротушения на пожарном посту [1].

2. Патентная проработка


Патентная проработка не проводилась ввиду того, что задачей дипломного проекта является разработка и реализация алгоритмов работы для программируемого логического контроллера системы автоматического регулирования давления, которые не являются охраноспособным объектом.

3. Системы и средства автоматизации и телемеханизации НПС


3.1 Система автоматики НПС


3.1.1 Назначение системы автоматики НПС

Комплекс технических средств автоматизированной системы управления технологическим процессом (АСУ ТП) НПС предназначен для контроля, защиты и управления оборудованием НПС, автономного поддержания заданного режима работы насосной станции и его изменения по командам с пульта оператора НПС и из вышестоящего уровня управления - районного диспетчерского пункта.

Микропроцессорная система автоматики построена на базе программируемых логических контроллеров (ПЛК) Modicon TSX-Quantum.

Комплекс технических средств выполняет следующие функции:

анализ режимов технологического оборудования;

контроль технологических параметров;

управление (открытие, закрытие, стоп) и контроль станционных и агрегатных задвижек;

контроль режимов перекачки, готовности магистральных насосных агрегатов к запуску;

обработка предельных значений параметров по агрегату;

управление (программный и кнопочный пуск, программное и кнопочное отключение) и контроль магистральных насосных агрегатов;

управление вспомогательными системами;

управление (пуск, отключение) и контроль агрегатов вспомогательной системы и вспомогательных сооружений;

контроль исправности, напряжения на вводах 10 кВ;

контроль и сигнализация пожара;

автоматическое пожаротушение;

обработка измерений и контроль достоверности измеряемых параметров;

отображение информации и документирование, формирование кадров отображения технологических процессов, табличных форм представления информации, форм печати оперативных сообщений, архивных данных, отчетных документов;

прием и передача сигналов в систему телемеханики (ТМ).

3.1.2 Состав системы

Комплекс технических средств состоит из следующих составных частей:

шкаф устройств связи с объектом (УСО) 1.1, совмещенный с основным и резервным контроллером;

шкаф УСО 1.2;

шкаф УСО 1.3;

шкаф УСО 2.0;

автоматизированное рабочее место (АРМ) оператора;

шкаф блока ручного управления (БРУ).

.1.2.1 Шкафы устройств связи с объектом. Шкафы УСО являются составной частью комплекса технических средств.

Шкафы УСО предназначены для:

подачи питания на датчики, установленные на объектах управления;

приема сигналов от датчиков, установленных на объектах управления;

выдачи команд на объекты управления;

приема от центрального процессора и передачи в центральный процессор данных по сети удаленного ввода/вывода RIO.

.1.2.2 Шкаф БРУ. Шкаф БРУ настенного исполнения содержит блок ручного управления, который предназначен для резервирования функций аварийных защит автоматизируемого объекта.

.1.2.3 АРМ оператора. АРМ оператора построены на базе двух персональных компьютеров (ПК) с включением дополнительного оборудования, обеспечивающего выполнение заданных функций.

3.1.3 Устройство и работа системы

Структура комплекса технических (рисунок 3.1) средств АСУ ТП НПС соответствует магистрально-модульному принципу построения с сетевой организацией обмена информацией между устройствами и имеет распределенное программное обеспечение и базу данных.

Рисунок 3.1 - Структурная схема автоматики НПС

Для обеспечения надёжности работы системы управления, на каждой из станций предусмотрено резервирование контроллера и питания. Две одинаково сконфигурированные системы связываются между собой через процессор резервного контроллера, установленный в каждой из систем. В конфигурации каждого из контроллеров определены область и объём передаваемых данных и информации о состоянии между обоими контроллерами. Система автоматики выполнена по схеме удалённого ввода/вывода повышенной надёжности, что предусматривает двойную сеть, предохраняющую систему от последствий выхода из строя одной из них. Арбитраж кабеля и проверка целостности проводятся автоматически на головном конце и каждом из узлов. Система автоматизации НПС имеет трехуровневую структуру: нижний, средний и верхний уровни.

Аппаратура верхнего уровня представляет собой ПК промышленного исполнения. Верхний уровень системы также решает задачи архивирования информации, поступающей от всех элементов системы. Информация хранится на жестком диске.

Рабочие станции АРМ связаны друг с другом посредством сети Ethernet, по протоколу TCP/IP. К АРМ оператора подключен лазерный принтер для печати выводимых на экраны мониторов таблиц, периодических отчетов о работе станции, перечней событий за сутки, неделю, месяц и другую документацию. Питание АРМ осуществляется от источников бесперебойного питания (ИБП).

Верхний уровень системы автоматизации обеспечивает:

прием информации о состоянии объекта;

мониторинг технологического процесса и получение трендов измеряемых технологических параметров;

оперативное управление технологическим процессом;

архивацию событий нижнего уровня, действий оператора и команд районного диспетчерского пункта (РДП);

формирование базы данных.

На принтер АРМ оператора выводится информация:

таблицы, отображаемые на видеомониторе;

периодические отчеты о работе НПС;

перечни аварийных ситуаций за сутки, неделю, месяц;

перечни неисправностей с указанием времени их возникновения;

иная информация, формируемая АРМ оператора.

Компьютеры из состава АРМ оператора работают независимо друг от друга и связаны с контроллерами среднего уровня по собственным независимым (дублированным) полевым шинам.

Программное обеспечение верхнего уровня выполнено гибко настраиваемым и универсальным. Листы защит выполнены настраиваемыми из базы данных, что позволяет ввести новую защиту, разрешить или запретить маскирование, деблокировку или симуляцию защиты не останавливая рабочую программу. Тренды аналоговых сигналов позволяют настроить периодичность и процент изменения сигнала для сохранения данных по четырём независимым группам. При помощи процента изменения сигнала можно существенно сократить объём сохраняемой информации. Сводки работы оборудования легко можно настроить под любой вид и состав сигналов, что позволяет получить отчёт нужного вида. Базы данных сохраняемой информации имеют полное дублирование, что повышает надёжность системы при выходе из строя любого компьютера. Есть возможность синхронизации баз данных на компьютерах. Оперативные сообщения выполнены настраиваемыми с верхнего уровня, т.е. есть возможность задать название, цвет, звуковую сигнализацию, необходимость квитирования для каждого сообщения. Можно проконтролировать время появления аварийного сообщения и время реакции оператора на это сообщение. Контроллер имеет внутренний буфер оперативных сообщений, что позволяет даже при отсутствии связи с контроллером позже получить все сообщения. Оперативные сообщения всегда поступают в реальной последовательности, что обеспечивается передачей времени сообщения из контроллера. Имеется возможность введения скрытых сообщений для возможности просмотра более подробно отдельных параметров системы, а также для контроля за действиями оператора. Выполнена полная синхронизация времени на компьютерах и контроллерах. Контроллер может устанавливать время по телемеханике, либо от одного из компьютеров, при этом остальные компьютеры устанавливают время с контроллера. При отказе компьютера, устанавливающего время, контроллер автоматически переключается на установку времени с другого компьютера. Выполнена гибкая система паролирования, позволяющая настроить уровень допуска к управлению системой для каждого пользователя. Возможен сброс доступа к управлению системой, при этом возможен только просмотр состояний системы. Реализована удобная диагностика оборудования, доступная обслуживающему персоналу, которая включает в себя состояние работы контроллера, каналов интерфейсной связи и всех блоков ввода-вывода. Для каждого модуля ввода-вывода контроллера из любого шкафа УСО можно увидеть реальное состояние каналов, для аналоговых модулей отображается код аналого-цифрового преобразователя и преобразованное значение в инженерных единицах. Также возможно управление выходными каналами для модулей дискретного и аналогового вывода для возможности проверки работы оборудования и каналов.

К среднему уровню системы автоматизации относятся шкафы управления и установленные в них программно-аппаратные модули (блоки) управления.

Набор модулей, устанавливаемый в шкафы управления, обеспечивает:

сбор информации от датчиков, устанавливаемых по месту;

обработку и передачу информации о состоянии объектов на верхний уровень системы автоматизации НПС (центральный контроллер в операторной);

автоматическое управление технологическим оборудованием станции и контроль его работы;

прием информации с верхнего уровня системы автоматизации и формирование управляющих воздействий на исполнительные механизмы.

К нижнему уровню системы автоматизации относятся:

датчики технологических параметров;

исполнительные механизмы;

система автоматического регулирования;

показывающие приборы, устанавливаемые по месту.

К нижнему уровню относится также блок ручного управления, который размещается в месте постоянного присутствия оперативного персонала и имеет в своем составе сигнализацию непосредственно от датчиков сигналов и кнопки управления, воздействующие непосредственно на магнитные пускатели или соленоиды масляных выключателей.

Для различных классов технологического оборудования (задвижка, вспомсистема, МНА) реализованы типовые алгоритмы, которые настраиваются под различные типы данного класса оборудования. Алгоритмы нижнего уровня гибко адаптируются к технологическому оборудованию с разнообразными характеристикам. В алгоритмах среднего уровня предусмотрен многоуровневый контроль состояния с выявлением множества неисправностей, возникающих во всех режимах работы оборудования. Программный модуль обработки входных аналоговых сигналов для среднего уровня полностью конфигурируется с верхнего уровня:

верхний и нижний код аналого-цифрового преобразователя;

адрес источника сигнала;

уставки пределов измерений, аварийные и предупредительные, гистерезиса, коэффициента сглаживания;

установка признака выдачи сообщения и включения сигнализации при срабатывании любой уставки.

Уставки хранятся как на верхнем, в сторонней базе данных, так и на нижнем уровне. Передача уставок в контроллер осуществляется с проверкой их записи.

3.2 Система автоматического регулирования давления


3.2.1 Назначение САРД

САРД предназначена для поддержания безопасного давления нефти в трубопроводе при максимальной производительности. Также система предусматривает диагностику протекающих процессов в трубопроводе и вывод информации на информационные табло и в устройства верхнего уровня [3].

3.2.2 Устройство САРД

САРД включает в себя следующие устройства (рисунок 3.2):

         датчики давления нефти;

-        шкаф САР;

         система верхнего уровня (система автоматики);

         регулирующие заслонки;

         шкаф ЩСУ.

- датчики давления нефти; 2 - шкаф САР; 3 - система верхнего уровня; 4 - регулирующие заслонки; 5 - шкаф ЩСУ

Рисунок 3.2 - Система автоматического регулирования давления

.2.2.1 Датчики давления. Предназначены для преобразования величины давления нефти в трубопроводе в унифицированный сигнал 4-20 мА для передачи его на вторичные приборы. В системе используются цифровые преобразователи давления типа 2600T фирмы ABB.

Цифровые измерительные преобразователи давления - это полевые приборы, поддерживающие обмен данными, с электронной системой управления на базе микропроцессора.

Возможен двусторонний обмен данными, для этого на выходной сигнал 4.20 мA накладывается FSK-сигнал по протоколу HART.

С помощью графического пользовательского интерфейса можно настраивать, опрашивать и тестировать измерительный преобразователь, используя ПК. Обмен данными возможен также с помощью переносного терминала.

Для локального управления на электронной части имеется переключатель, с помощью которого настраивается начало и конец диапазона измерения. В комбинации с опциональным графическим ЖК-дисплеем преобразователь также можно настраивать с помощью четырех кнопок.

Измерительный преобразователь (рисунок 3.3) имеет компактную конструкцию и состоит из механизма измерения давления и электронного блока с кнопкой управления.

Прочный корпус электронной части изготовлен из нержавеющей стали и, таким образом, даже в стандартном исполнении защищен от воздействия агрессивной атмосферы. Присоединительный элемент выполнен из нержавеющей стали.

В преобразователе используется интегральные чувствительные элементы на основе монокристаллического кремния. Кремниевые преобразователи имеют на порядок большую временную и температурную стабильности по сравнению с приборами на основе структур "кремний на сапфире". Кремниевый интегральный преобразователь давления представляет собой мембрану из монокристаллического кремния с диффузионными тензорезисторами, подключенными в мостовую схему (рисунок 3.4). Чувствительным элементом служит кристалл кремния, установленный на диэлектрическое основание с использованием легкоплавкого стекла или методом анодного сращивания.

- присоединительный элемент; 2 - разделительная мембрана; 3 - заправочная жидкость; 4 - измерительный механизм; 5 - сенсор давления; 6 - кнопка установки начала и конца диапазона; 7 - электронный блок с микропроцессорным управлением; 8 - выход питания

Рисунок 3.3 - Схема цифрового измерительного преобразователя давления типа 2600Т

Принцип действия сенсора для тензорезистивного датчика давления основан на тензорезистивном эффекте - изменении сопротивления при наложении механического давления. Резисторы размещают на мембране таким образом, чтобы продольные и поперечные коэффициенты тензочувствительности были разных знаков, тогда и изменения сопротивлений резисторов будут противоположными. Интегральные преобразователи давления на основе монокристаллического кремния устойчивы к воздействию ударных и знакопеременных нагрузок. Если не происходит механического разрушения чувствительного элемента, то после снятия нагрузки он возвращается к первоначальному состоянию, что объясняется использованием идеально-упругого материала.

- стеклянное основание, 2 - кремниевый кристалл; 3 - алюминиевая дорожка, 4 - контактная площадка, 5 - мембрана, 6 - отверстие для подвода давления, 7 - диффузионные тензорезисторы, 8 - датчик температуры

Рисунок 3.4 - Конструкция кремниевого тензорезисторного преобразователя (структура КНК)

В зависимости от исполнения измерительный преобразователь подключается к системе через цапфу с наружной или внутренней резьбой, мембрану заподлицо со специальной резьбой для установки, например, в шаровой кран, или через различные датчики давления.

Преобразователь давления работает по двухпроводной технологии. Для рабочего напряжения и стандартизированного выходного сигнала используются те же провода. Электрическое подключение производится через кабельный ввод или посредством штекера.

Для измерения выходного сигнала и настройки/калибровки преобразователя давления амперметр подключается непосредственно к выходной цепи. Начало и конец диапазона измерения настраиваются с помощью переключателя, находящегося на электронном блоке.

Измерительный преобразователь может быть оснащен направленным вверх ЖК-дисплеем. При наличии такого ЖК-дисплея можно управлять и полностью настраивать важнейшие функции/параметры преобразователя с помощью локального блока управления (четыре кнопки на дисплее).

.2.2.2 Шкаф САР. Шкаф САР (рисунок 3.4) установленный в помещении операторной, содержит в своем составе следующие приборы и устройства:

ИБП Powerware 9125;

панель информационных индикаторов и оповещателя неисправности Sonitron

индикатор положения заслонок, действующего давления и уставок панель оператора;

контроллер К-2000С;

кнопки ручного управления САРД.

- ИБП Powerware 9125; 2 - панель информационных индикаторов и оповещателя неисправности Sonitron; 3 - электронный самописец К-2000С; 4 - кнопки ручного управления САРД; 5 - индикатор положения заслонок, действующего давления и уставок - панель оператора

Рисунок 3.4 - Шкаф САР

.2.2.3 Контроллер К-2000С. Контроллер предназначен для сбора, отображения, обработки и сохранения измеренной аналоговой и цифровой информации с привязкой к реальному времени, а также реализации логических схем автоматики на управляемых дискретных выходах.

Контроллер построен по модульному принципу и кроме обязательных для всех исполнений блоков - питания БПК, индикации и управления, универсального измерительно-регистрирующего контроллера, может содержать следующие блоки и устройства:

-        токовых входов и регулятора - ТВР;

-        входов термопреобразователей, термопар и компенсации холодного спая термопар - ТДК;

         дискретного ввода-вывода ДВВ;

         репитер-транскодер РТК;

         устройство записи/чтения на Flash-накопители.

ТДК предназначен для выполнения функций ввода-вывода и измерения электрических величин - ЭДС термоэлектрических преобразователей (термопар) типа ТХК, ТХА, ТЖК по ГОСТ Р 50431 и/или сопротивления термопреобразователей типа ТСМ, ТСП по ГОСТ 6651 датчиков, расположенных во взрывоопасных зонах.

ДВВ предназначен для выполнения функций ввода дискретных сигналов управления, их логической обработки и ввода-вывода данных по интерфейсу RS-485.

Логика работы контроллера построена по многозадачному принципу: обмен информацией по интерфейсам связи, формирование и сохранение исторической информации, отработка логики формирования выходных сигналов и т.д. осуществляются параллельно, что обеспечивает неразрывность сохранения исторической информации (трендов, событий) во времени вне зависимости от текущего режима работы.

На рисунке 3.5 приведена схема, поясняющая логику работу контроллера как измерительно-регистрирующего прибора.

Работа контроллера построена по принципу повторяющихся каждые 125 мс циклов, в течении которых контроллер опрашивает все периферийные источники информации (измерительный блоки, блоки дискретного ввода, другие контроллеры и устройства), отрабатывает математические и логические функции, принимает решение и управляет исполнительными устройствами.

После опроса измерительных блоков и просчета математических каналов текущие значения, а также возникшие в процессе измерения ошибки (обрыв, короткое замыкание измерительных линий, выходы за пределы измерения и т.д.) поступают на формирование трендов реального времени, регистрацию в файле-отчете и логический аппарат управления исполнительными устройствами, результаты работы которого также фиксируются.

Рисунок 3.5 - Схема логики работы контроллера

Сохраненная информация в виде файл-отчета формируется на внутреннем дисковом накопителе, и может быть скопирована на внешний Flash накопитель по запросу пользователя.

Для промежуточного хранения файл-отчетов внутри прибора существует выделенная энергонезависимая память объемом 2 Гб, что, в среднем, достаточно для автономной работы прибора в течение одного года при максимальной информационной загрузке. В случае переполнения дискового пространства внутреннего накопителя самый новый файл-отчет затирает самый старый.

Для большей гибкости в применении прохождение и хранение информации в контроллере построено по принципу логических привязок (рисунок 3.6).

Датчики физически подключаются к входным цепям измерительных блоков. Типы и градуировки датчиков, стандарты тока и напряжения входных физических сигналов, а также пределы изменения реальных физических величин задаются непосредственно в измерительных блоках, например, через "Терминал периферийного модуля". Далее, каждый из каналов контроллера настраивается на какой-либо канал одного из измерительных блоков.

Рисунок 3.6 - Принцип логических привязок

Вся дальнейшая логика работы построена на внутренних каналах контроллера: текущие данные поступают на сохранение в файл-отчет, логический аппарат отработки контрольных значений (уставок), релейных полей, передачу данных системам верхнего уровня. Также каналы контроллера участвуют в формировании трендов реального времени, причем единицей отображения данных на трендах являются перья, для удобства представления информации каждое из которых может иметь индивидуальную скорость прокрутки и быть настроено на любой из каналов. Допускается настройка нескольких перьев отображения на один внутренний канал контроллера, что позволяет наблюдать записываемый процесс в разных комбинациях с другими процессами.

Логический аппарат контроллера включает в себя определение перехода минимальных и максимальных (в зависимости от настройки конкретного канала) пределов и управление в зависимости от этого (в том числе и удаленными) дискретными выходными сигналами [4].

.2.2.4 Блок токовых входов и регулятора. Данный блок предназначен для выполнения функций ввода-вывода и измерения электрических величин - тока, напряжения, получаемых от датчиков или преобразователей, расположенных во взрывоопасных зонах.

ТВР обеспечивает релейный и ПИД алгоритмы регулирования. Структура ПИД-регулятора показана на рисунке 3.7.

Регулятор имеет два входа, к которым подключаются датчики объекта регулирования. Датчики формируют сигнал постоянного тока 4-20 мА.

Входами регулятора являются входы каналов 0 и 1 платы ТВР. Канал 0 является обратным входом регулятора, канал 1 - прямым.

Оба канала имеют нижнюю и верхнюю уставки. При снижении уровня сигнала ниже нижней уставки или превышения верхней уставки, формируются сигналы рассогласования.

Сигналы а1 и а2 являются выходными значениями сигналов датчика 0 и датчика 1 и входными для каналов 0 и 1 регулятора.

При снижении значения входного сигнала канала 0 ниже нижней уставки канала 0 модулем А1 формируется рассогласование b1, которое вычисляется исходя из разности входного значения сигнала с уставкой и шириной зоны регулирования. Численное значение b1 лежит в пределах 0.1. При рассогласовании большим, чем ширина зоны, величина b1 принимает максимальное значение.

Рисунок 3.7 - Структура ПИД-регулятора

Аналогично вычисляются рассогласования b2, b3, b4.

 (3.1)

 (3.2)

 (3.3)

 (3.4)

где High_0, Low_0 - верхняя и нижняя уставки канала 0;_1, Low_1 - верхняя и нижняя уставки канала 1;- ширина зоны регулирования канала 0;- ширина зоны регулирования канала 1;

Сигналы b2 и b3 поступают на селектор max сигнала А5, где выделяется сигнал с1. Сигналы b1 и b4 поступают на селектор max сигнала А6, где выделяется сигнал с2.

Из сигналов с1 и с2 на селекторе max сигнала А7 выделяется больший - фактически один из них равен нулю, и поступает на ПИД - звено А8, где к нему добавляется интегральная составляющая, дифференциальная составляющая, смещение. Полученный результат умножается на пропорциональную составляющую и поступает на выход устройства в виде токового сигнала 4.20 мА.

На входе ПИД-звена присутствует сигнал d, который может принимать значения 0.1. Интегральная составляющая I рассчитывается следующим образом: I → d на величину, не превышающую значения STEP_I за единицу времени, равную 20 мс. STEP_I - параметр, определяющий постоянную времени интегрирующего звена. Его величина программируется при настройке регулятора. Таким образом при входном сигнале d = 0.1, интегральная составляющая может принимать значения 0.1.

Дифференциальная составляющая D зависит от изменения величины входного сигнала и стремится к 0 на величину, не превышающую STEP_D за единицу времени, равную 20 мс.


Таким образом, при изменении входного сигнала d в пределах 0.1, дифференциальная составляющая может принимать значения - 1.1.

Следующей операцией является сложение входного сигнала d (пропорциональной составляющей сигнала) с интегральной I и дифференциальной D составляющей, а также со смещением E, лежащим в пределах - 1.1, которое также программируется при настройке регулятора.

 (3.6)

Полученная величина F может принимать значения - 2.4, в зависимости от величины смещения Е и настроек временных параметров интегрирующего и дифференцирующего звеньев.

Далее отрицательные значения F ограничиваются на уровне 0. В результате F может принимать значения 0.4.

Полученное таким образом значение F умножается на коэффициент пропорциональности P, принимающий значения 0.9,999, который программируется при настройке регулятора.

 (3.7)

При G = 0 выходной ток регулятора равен 4 мА;

при G = 2 выходной ток регулятора равен 20 мА;

при G > 2 выходной ток регулятора ограничивается на уровне 21 мА.

Выходной ток рассчитывается по формуле:

 (3.8)

где INT, DIF - интегральная и дифференциальная составляющие; R - величина рассогласования (в пределах 0.1); N - величина смещения (-9999.9999); P - коэффициент пропорциональности.

Временные параметры интегральной и дифференциальной составляющей (STEP_I и STEP_D) равны:

 (3.9)

 (3.10)

где Kd - значение "дифференциальной составляющей", программируемое при настройке регулятора (Kd = 0.9999);i - значение "интегральной составляющей", программируемое при настройке регулятора (Ki = 0.9999) [5].

.2.2.3 Шкаф ЩСУ (рисунок 3.8) включает в себя следующие компоненты:

силовые модули - инверторы (А1, А2);

входные и выходные реакторы (А3-А6);

силовые автоматические выключатели (4,10);

вставки плавкие (FU) и силовые клеммы подключений (6);

гасящие резисторы (А7, А8).

Рисунок 3.8 - Шкаф ЩСУ

Инверторы обеспечивают подачу необходимого напряжения для работы заслонок. Реакторы необходимы для подавления помех, возникающих при работе инверторов. Гасящие резисторы предназначены для рассеивания избыточной энергии, возникающей в моменты резкого торможения привода.

3.2.3 Описание работы САРД

Система автоматического регулирования давления работает в двух режимах.

Ручной режим управления двигателями заслонок. Предназначен для регулирования положения заслонок оператором в случаях, когда заслонки должны находиться в определённом положении не зависящем от давления в системе, либо в случае отказа блоков автоматики.

В этом случае изменение положения заслонок производится нажатием кнопок "открыть" или "закрыть" независимо от сигналов управления поступающих с блоков регулятора.

Управление заслонками производится независимо друг от друга. При этом на панели оператора отображается в графическом виде и процентном соотношении положение заслонок а также выводится вся информация с датчиков давления. Уровень максимального открытия и закрытия определяется в ручном режиме положением физических концевиков заслонки. Также предусмотрена функция замедления вращения привода при приближении заслонки к крайним положениям.

Автоматический режим управления двигателями заслонок. Это основной режим работы системы. В этом режиме изменение положения заслонок производится автоматически в зависимости от величины давления в трубопроводе и величин уставок регулирования установленных пользователем. Уровень максимального открытия и закрытия определяется в автоматическом режиме, как положением физических концевиков заслонки так и программно задаваемыми логическими концевиками. Для обеспечения скорости открытия меньшей скорости закрытия в несколько раз, открытие регулирующих заслонок в автоматическом режиме производится с помощью кратковременных включений. Это обеспечивает высокую устойчивость САР к автоколебаниям регулирующих заслонок. При пуске МНА система автоматики НПС формирует дискретный сигнал "RAMP", что приводит к прикрытию регулирующих заслонок до момента установки давления на приеме НПС на 1 кгс/см2 выше, а на нагнетании НПС на 1 кгс/см2 ниже значений давлений на момент поступления сигнала "RAMP". После снятия этого сигнала САР регулирует давления согласно технологическим уставкам. При выполнении RAMP-функции на передней панели шкафа включается индикаторная лампочка "RAMP" [3].

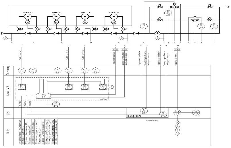
Функциональная схема автоматизации системы автоматического регулирования давления приведена на рисунке 3.9.

Измерение давления в коллекторе магистральных агрегатов, на входе и выходе регуляторов измеряется преобразователями давления, данные с которых, в виде стандартного токового сигнала, передаются на контроллер К-2000С. Величина перепада давления рассчитывается контроллером. Значения давлений выводятся на индикатор и сохраняются в памяти контроллера в виде трендов.

На основании введенных уставок и текущего значения давлений на входе и выходе регулятора, контроллер реализует ПИД-алгоритм регулирования. Управляющий сигнал 4.20 мА поступает на преобразователь частоты BС, осуществляющий управление приводами регулирующих заслонок. Положение заслонок выводится на индикатор контроллера.

Температура обмоток электродвигателя измеряется термопреобразователями сопротивления, сигнал с которых поступает на преобразователь частоты, осуществляющий индикацию состояния приводов.

В случае перегрева обмоток электродвигателей срабатывают термореле TS, сигнал с которых поступает на контроллер.

Контроллер К-2000С связан с преобразователем частоты и УСО1.1 посредством интерфейса RS-485.

Рисунок 3.9 - Функциональная схема автоматизации системы автоматического регулирования давления

На УСО1.1 передаются значения:

перепада давления на узле регулирования;

давления на входе НПС;

давления в коллекторе НПС;

давления на выходе НПС;

степени прикрытия заслонки 1;

степени прикрытия заслонки 2;

действующей уставки по приему НПС;

действующей уставки по выходу НПС;

сигнализируется:

о неисправности САР;

о телемеханическом режиме САР.

С верхнего уровня автоматизации контроллером принимаются значения уставок давления по приему и выходу НПС.

Перечень технических средств автоматизации представлен в таблице 3.1.

Таблица 3.1 - Перечень технических средств автоматизации

Поз. обозначение

Наименование

Кол.

Примечание

1, 2, 3

Датчик давления ABB 2600T

3

2ExnLIICT6

4, 5

Термореле типа TI 9C-5

2

1ExiadIIBT4

5-1

Контроллер К-2000С

1

ExibIIA

6-1, 7-1

Термопреобразователь типа ТСП

2

1ExdIICT4

6-2, 7-2

Преобразователь частоты типа AV-300i

2


9-1

Магнитный пускатель

4



Элементами системы противоаварийной защиты являются:

преобразователи давления;

магнитные пускатели МНА.

Условия срабатывания и действия системы противоаварийной защиты представлены в таблице 3.2.

Таблица 3.2 - Условия срабатывания и действия системы противоаварийной защиты

№ сценария защиты

№ позиции

Условие срабатывания

Действие защиты

1

1

Давление ниже уставки 3 кгс/см2

С выдержкой 7 секунд - отключение первого по потоку МНА



Давление ниже уставки 2,8 кгс/см2

Последовательное отключение всех МНА

2

2

Давление выше уставки 64 кгс/см2

Запрет запуска агрегатов



Давление выше уставки 67,2 кгс/см2

Отключение первого по потоку МНА



Давление выше уставки 69,8 кгс/см2

Последовательное отключение всех МНА

3

3

Давление выше уставки 45,8 кгс/см2

Последовательное отключение всех МНА

4

6-2

Давление выше уставки 30 кгс/см2

Отключение первого по потоку МНА



4. Модернизация системы автоматического регулирования давления НПС "Дебесы"


4.1 Анализ существующих систем автоматического регулирования давления


В настоящее время на рынке существует множество систем автоматического регулирования давления. В качестве замены существующей системы рассмотрим САРД следующих фирм: ООО НТО "Терси-М", ОАО "НПО "Спецэлектромеханика"", ЗАО "ЭМИКОН", ООО "Системы автоматического регулирования", ОАО "Специальное конструкторское бюро систем промышленной автоматики".

Основные функции, выполняемые всеми системами:

поддержание давления нефти на приеме и выходе НПС в соответствии с заданными уставками;

автоматическая корректировка уставок регулирования при пуске магистрального насосного агрегата;

индикация, регистрация и архивация значений технологических параметров;

обмен информацией с системой автоматизации станции.

 

.1.1 САРД ООО НТО "Терси-М"

САР давления состоит из оборудования, размещаемого в помещении операторной станции, на выходе станции (на площадке регуляторов) и на приеме станции.

В операторной устанавливается напольный шкаф, включающий в себя корзину с ПЛК, модулями ввода/вывода, модулем связи с МДП, блоками питания. В шкаф встроены панельная рабочая станция с клавиатурой и экраном, электронный самописец, клеммные колодки. Здесь могут размещаться БРУ для приводов с индикацией, а также (в зависимости от типов применяемых приводов) блоки их силовых частей. На площадке регуляторов устанавливается регулирующая арматура с электроприводами и датчики давления нефти перед и за регуляторами.

Контроллер серии TSX Quantum (фирма Schneider Electric) осуществляет сбор, обработку входных аналоговых и дискретных сигналов от датчиков и параллельное независимое управление исполнительными устройствами. Управление осуществляется по селективному, многоконтурному, несимметричному пропорционально-интегрально-дифференциальному закону регулирования. Выбор контура регулирования осуществляется автоматически в соответствии с текущими значениями технологических параметров и заданным режимом управления. Предусматривается пять режимов работы (управления) системы:

автоматический по давлению (основной режим управления, при котором автоматически поддерживается давление нефти на приеме НПС не ниже и на выходе НПС не выше уставочного значения, а, также, осуществляется упреждающее регулирование при пусках насосных агрегатов с целью снижения нагрузки на электродвигатели насосных агрегатов);

автоматический по дросселированию (дополнительный режим управления, при котором автоматически поддерживается перепад давления нефти на регулирующей арматуре равный уставочному значению);

автоматический по позиционированию (дополнительный режим управления, при котором производится автоматическая установка регулирующей арматуры в заданное положение);

кнопочный (дополнительный режим управления, при котором управление регулирующей арматурой производится вручную оператором с ПРС);

ремонтный (дополнительный режим управления, при котором управление регулирующей арматурой блокируется).

В системе предусмотрена возможность формирования выходных управляющих сигналов, сообщений и звуковой сигнализации при возникновении предаварийных и аварийных значений технологических параметров. Система может быть интегрирована с другими системами автоматического управления НПС и системами телемеханики, как на аппаратном уровне (за счет имеющегося резерва входных и выходных каналов), так и по стандартным протоколам связи Modbus, Modbus+, Ethernet 10/100. Программное обеспечение контроллера создается с помощью стандартных языков программирования на базе пакета Concept фирмы Schneider Electric.

Устанавливаемые блоки ручного управления позволяют осуществлять управление регулирующей арматурой, независимо от контроллера.

Панельная рабочая станция на основе графического терминала Magelis (фирма Schneider Electric) обеспечивает отображение текущего значения технологических параметров и уставок, текущего состояния и режима управления технологическим оборудованием, предупредительных и аварийных сообщений на своем экране, также, обеспечивает установку и изменение технологических уставок и режимов управления технологическим оборудованием со встроенной клавиатуры.

Электронный самописец JUMO (JUMO GmbH&Co.) служит для независимого отображения и архивирования значений технологических параметров.

4.1.2 САРД ОАО "НПО "Спецэлектромеханика""

В состав системы входит:

датчики давления;

электроприводы;

регулирующие устройства;

шкаф силовой;

шкаф управления.

Микропроцессорная система автоматического регулирования давления представляет собой трехуровневую структуру:

нижний уровень;

средний уровень;

верхний уровень.

Нижний уровень САРД включает в себя датчики и вторичные преобразователи, обеспечивающие формирование входных электрических аналоговых и дискретных сигналов САРД и исполнительные механизмы (электроприводы).

В подсистему нижнего уровня входит также БРУ, устанавливаемый в шкафу САРД, который находится в операторной НПС, и обеспечивает сигнализацию и непосредственное управление исполнительными механизмами в случае потери работоспособности САРД.

Средний уровень САРД включает в себя программируемый логический контроллер серии TSX Quantum (фирма Schneider Electric), работающий в локальной вычислительной сети MODBUS+.

Верхний уровень САРД включает в себя графический терминал оператора Magelis (фирма Schneider Electric) с цветным жидкокристаллическим экраном. Графический терминал содержит процессор, жесткий диск, последовательные порты COM, параллельный порт LPT1, гнездо для подключения клавиатуры.

Приложения для графического терминала разрабатываются на обычных персональных компьютерах, с использованием необходимых программ. Далее приложения загружается по COM-порту в графический терминал. Для ускорения работы приложения, возможна запись его на карту флэш-памяти.

Надежность системы.

САРД относится к многофункциональному, многоканальному, восстанавливаемому изделию.

Назначенный срок службы САРД - 10 лет.

Срок службы шкафов и стоек приборных (оборудование нижнего уровня) - 10 лет.

Показатели надежности шкафов САРД НПС:

назначенный срок службы шкафов - 10 лет;

вероятность безотказной работы за 2000 часов - не менее 0,92;

время наработки на отказ - не менее 20000 часов;

Показатели надежности АРМ:

средний срок службы - 10 лет;

среднее время восстановления работоспособности - не более 2 часов при наличии ЗИП.

4.1.3 САРД ЗАО "ЭМИКОН"

В состав САРД входят:

программируемый логический контроллер (ЭК-2000 или DCS-2000);

БРУ для дистанционного управления положением регулирующего органа;

преобразователь частоты общепромышленного применения;

электропривод регулирующих заслонок (как правило, асинхронный с червячным редуктором);

датчики избыточного давления на входе, выходе и в коллекторе станции;

электронный регистратор.

САРД, как правило, выполняется в напольном шкафу. В шкафу САРД устанавливается контроллер, БРУ и электронный регистратор.

На лицевой панели устанавливаются:

панель оператора, предназначенная для задания режима работы, отображения процессов работы, настройки САРД;

блок ручного управления, состоящий из ключей выбора режима работы "автоматический - ручной" и кнопок "открыть - закрыть" регулирующую заслонку;

независимый электронный регистратор с автономным программным обеспечением.

Частотные преобразователи монтируются как в шкафу САРД, так и вне его.

Система САРД выполняется в вариантах управления двумя или тремя регулирующими органами.

В систему САРД может быть включено управление задвижками на входе/выходе регулирующих заслонок, управление "открыть-закрыть" задвижки может осуществляться как с панели оператора, так и от системы автоматики.

Система САРД рассчитана на круглосуточный режим работы при сохранении условий эксплуатации, имеет систему гарантированного электропитания, которая обеспечивает работу ПЛК, первичных и вторичных преобразователей САРД в течение не менее 1-го часа с момента пропадания основного напряжения питания.

4.1.4 САРД ООО "Системы автоматического регулирования"

Назначение системы - поддержание заданного давления на приёме и на нагнетании НПС в кнопочном, ручном и автоматических режимах. Система состоит из следующих основных узлов:

щит приборов на приёме, находящийся в насосном зале. В щите установлен датчик давления 0-40 кгс/см2 с арматурной обвязкой;

щит нагнетания, находящийся возле регулирующих заслонок. В щите установлены два датчика с арматурной обвязкой: 0-70 кгс/см2 - нагнетание станции, 0-100 кгс/см2 - нагнетание насосов;

две регулирующих заслонки открытого исполнения с электрическим приводом;

щит управления, установленный в операторной. Содержит основную часть приборов преобразования, контроля и управления технологическим процессом регулирования давления нефти.

На передней панели щита управления расположены следующие приборы:

регуляторы Digitric по приёму и нагнетанию;

задатчики уставок по приёму и нагнетанию;

самопишущий регистратор давлений;

приборы положения заслонок (0% - открыто, 100% - закрыто);

тумблеры включения силовых электроник (вверх - включено, вниз - выключено);

кнопки режима управления (автоматическое - нажато, кнопочное - отжато) и кнопки управления заслонками (открыть/закрыть);

лампы сигнализации крайних положений заслонок, минимальной температуры масла (ниже - 20°С), индикаторы работы двух заслонок и командного сигнала прикрытия заслонок при пуске из микропроцессорной системы автоматики;

ключ выбора рабочих уставок САР (на задатчике отображается уставка САР, на экранах Digitric - выбранная ключом уставка).

Система автоматического управления построена по двухконтурной схеме. Контур регулирования давления на приёме НПС состоит из датчика давления, регулятора Digitric. Контур регулирования давления на выходе НПС состоит из датчиков давления и регулятора Digitric.

4.1.5 САРД ОАО "Специальное конструкторское бюро систем промышленной автоматики"

Система управления СУ-93 предназначена для управления поворотными затворами, регулирующими давление на приеме и выходе (НПС). Обеспечивает качественное регулирование давления нефти на приеме НПС не ниже заданного, на выходе НПС не выше заданного. Поставлена и установлена более чем на 100 НПС.

В состав системы входят: датчики давления, регулирующее устройство, шкаф управления (для станций с местным диспетчерским пунктом) и электрические исполнительные механизмы МЭО во взрывозащищенном исполнении с номинальными крутящими моментами 2000, 4000 и 10000 Нм.

Регулирующее устройство устанавливается в операторной и в нем размещаются приборы, осуществляющие основные функции системы и управление системой. УР изготавливается на базе контроллеров фирм Волмаг, Schneider Electric. При применении контроллера фирм Schneider Electric изменение и отображение параметров системы управления СУ-93 осуществляется при помощи графического терминала. Регистрация параметров системы производится самописцем фирм YOKOGAWA, JUMO. Источник бесперебойного питания обеспечивает питание в течение 1 ч после отключения напряжения сети.

Датчики давления типа ТЖИУ 406, фирмы YOKOGAWA, 3051 фирмы Fisher-Rosemount применяются на приеме, на выходе, в коллекторе нефтеперекачивающей станции.

Средний срок службы системы 15 лет.

 

4.2 Выбор системы автоматического регулирования давления


Сравнительные характеристики САРД представлены в таблице 4.1.

На основании имеющихся данных наиболее подходящей в качестве замены будет САРД фирмы ООО НТО "Терси-М".

В системе применяется селективный, многоконтурный ПИД закон регулирования, что обеспечивает лучшее качество регулирования, уменьшает перерегулирование.

Панельная рабочая станция обеспечивает наглядность состояния технологического процесса и удобство управления.

Система построена на базе контроллера TSX-Quantum, что позволяет легко интегрировать её с АСУ НПС, в которой используется аналогичный контроллер, также возможно использование уже имеющихся датчиков давления и электроприводов заслонок.

4.3 Разработка алгоритмов  для контроллера серии Quantum фирмы Schneider Electric


4.3.1 Инструменты программирования ПЛК

Разработка программ для контроллеров TSX-Quantum осуществляется в пакете Concept.

Пакет Concept позволяет создавать программы на пяти языках программирования, соответствующих международному стандарту МЭК 61131-3.

Таблица 4.1 - Сравнительные характеристики САРД

САРД

Контроллер

Регулятор

Графическая панель

Датчики давления

Исполнительные механизмы

ООО НТО "Терси-М"

TSX-Quantum

Программно-реализуемый многоконтурный ПИД

Есть

По требованиям заказчика

По требованиям заказчика

ОАО "НПО "Спецэлектромеханика""

TSX-Quantum

Программно-реализуемый ПИД

Есть

По требованиям заказчика

По требованиям заказчика

САРД ЗАО "ЭМИКОН"

ЭК-2000 DCS-2000

Программно-реализуемый ПИД

Есть

По требованиям заказчика

По требованиям заказчика

ООО "САР"

ABB Digitric

Программно-реализуемый ПИД

Нет

По требованиям заказчика

По требованиям заказчика

ОАО "СКБ СПА"

TSX-Quantum КР-500

Программно-реализуемый ПИД

Есть

ТЖИУ 406, YOKOGAWA, 3051 Fisher-Rosemount

МЭО


Графические языки:- язык функциональных блоковых диаграммы;- язык релейных диаграмм;- язык последовательных функциональных диаграмм.

Текстовые языки:- структурированный текст;- список инструкций.

Также в пакете Concept содержится один нестандартный язык LL984 [6].

.3.1.1 Function Block Diagram. FBD - это графический язык программирования. Диаграмма FBD очень напоминает принципиальную схему электронного устройства на микросхемах. Шины питания на FBD диаграмме не показываются. Выходы блоков могут быть поданы на входы других блоков либо непосредственно на выходы ПЛК. Сами блоки, представленные на схеме как "черные ящики", могут выполнять любые функции.схемы очень четко отражают взаимосвязь входов и выходов диаграммы. Если алгоритм изначально хорошо описывается с позиции сигналов, то его FBD-представление всегда получается намного нагляднее, чем в текстовых языках.

.3.1.2 Ladder Diagram. Язык релейных диаграмм или релейно-контактных схем - графический язык, реализующий структуры электрических цепей.

Графически LD-диаграмма представлена в виде двух вертикальных шин питания. Между ними расположены цепи, образованные соединением контактов. Нагрузкой каждой цепи служит реле. Каждое реле имеет контакты, которые можно использовать в других цепях.

Логически последовательное (И), параллельное (ИЛИ) соединение контактов и инверсия (НЕ) образуют базис булевой логики. В результате LD идеально подходит не только для построения релейных автоматов, но и для программной реализации комбинационных логических схем. Благодаря возможности включения в LD функций и функциональных блоков, выполненных на других языках, сфера применения языка практически не ограничена.

.3.1.3 Sequential Function Chart. Диаграммы SFC являются высокоуровневым графическим инструментом. Прототипом для разработки SFC послужили сети Петри.

Графическая диаграмма SFC состоит из шагов и переходов между ними. Разрешение перехода определяется условием. С шагом связаны определенные действия. Описания действий выполняются на любом языке МЭК. Сам SFC не содержит каких-либо управляющих команд ПЛК. Действия могут быть описаны и в виде вложенной SFC-схемы. Можно создать несколько уровней подобных вложений, но в конечном счете действия нижнего уровня все равно необходимо будет описать на IL, ST, LD или FBD.

Целью применения SFC является разделение задачи на простые этапы с формально определенной логикой работы системы. SFC дает возможность быстрого построения прототипа системы без программирования. Причем для отработки верхнего уровня не требуется детальное описание действий, так же как и привязка к конкретным аппаратным средствам.

.3.1.4 Structured Text. Язык ST - это язык высокого уровня. Синтаксически ST представляет собой несколько адаптированный язык Паскаль. Вместо процедур Паскаля в ST используются компоненты программ стандарта МЭК.

В большинстве комплексов программирования ПЛК язык ST по умолчанию предлагается для описания действий и условий переходов SFC. Это действительно максимально мощный тандем, позволяющий эффективно решать любые задачи.

.3.1.5 Instruction List. Текст на IL - это текстовый список последовательных инструкций. Каждая инструкция записывается на отдельной строке. Инструкция может включать 4 поля, разделенные пробелами или знаками табуляции.

Метка инструкции не является обязательной, она ставится только там, где нужно. Оператор присутствует обязательно. Операнд необходим почти всегда. Комментарий - необязательное поле, записывается в конце строки. Ставить комментарии между полями инструкции нельзя.

Язык IL обычно используется для оптимизации и написания самых критичных частей программы [7].

4.3.1 Постановка задачи логического управления

Для обеспечения оптимального качества регулирования необходимо осуществлять перенастройку регуляторов САРД при существенном изменении режимов перекачки. Поскольку далеко не всегда это представляется возможным, то приходиться использовать универсальные настройки, которые обеспечивают работу регулятора на всех режимах, но с более низким качеством.

Для корректировки коэффициентов регулирования возможно применение автонастройки, она осуществляется по специальному алгоритму, входящему в программу регулятора. Это способствует лучшему соответствию настроечных параметров и реальной динамикой объекта. Но автонастройка требует регулярных пробных возмущений объекта управления, что крайне нежелательно.

Для повышения качества регулирования возможно использование адаптивных систем, в которых все операции настройки регулятора на регулируемый объект выполняются автоматически. Настройки системы регулирования находятся из соотношения между некоторым вектором числовых характеристик технологического процесса и самыми оптимальными настройками. Таким образом можно узнать необходимость перенастройки системы регулирования и осуществить её, без предварительного вмешательства в технологический процесс.

Реакция системы регулирования давления изменяется в соответствии с имеющимися на данный момент характеристиками нефтепровода (его производительностью, режимом работы и т.д.) и текущими параметрами компонентов САРД (регулирующими органами, их приводами и т.д.). Это позволит минимизировать перерегулирование и сократить время переходного процесса.

Для обеспечения качества регулирования и уменьшения вероятности аварийных ситуаций в САРД необходима реализация следующих алгоритмов:

автоматическое изменение коэффициентов настройки регулятора давления от производительности нефтепровода, перепада давления на регулирующем органе с учетом нелинейности расходной характеристики регулирующего органа и нелинейность перепада давления на нем;

"безударный" переход с автоматического режима регулирования на ручной. Это исключает возможность ошибки оператора НПС, которая может привести к остановке магистрального агрегата по технологической защите;

алгоритм "безударность изменения уставок", значительно снижает вероятность ошибки оператора НПС при изменении уставки регулирования;

алгоритм "прикрытие заслонок перед пуском МНА" позволяет облегчить пуск магистрального насосного агрегата и исключает возможность остановки НПС по минимальному давлению при его запуске.

.3.2 Реализация алгоритмов управления на языке FBD в пакете Concept.

Табличное управление коэффициентами регулятора является наиболее простым методом адаптации ПИД-регулятора к изменяющимся свойствам объекта управления. Оно может быть использовано не только для адаптивного управления, но и для управления нелинейными объектами (рисунок 4.1), нестационарными процессами, при необходимости изменять параметры в зависимости от некоторых условий.

Принцип табличного управления очень прост. Зная заранее возможные изменения режима работы системы, выполняют идентификацию объекта для нескольких разных режимов и для каждого из них находят параметры регулятора. Значения этих параметров записывают в таблицу. В процессе функционирования системы измеряют величину, которая характеризует режим работы системы и в зависимости от ее значений выбирают из таблицы величины коэффициентов ПИД-регулятора.

Рисунок 4.1 - Адаптация настроек ПИД-регулятора к объекту с переходной кривой высокого порядка

Описанную систему можно рассматривать как систему с двумя контурами регулирования. Однако контур, служащий для адаптации является разомкнутым. По этой причине табличное управление характеризуется высоким быстродействием, отсутствием ложного срабатывания или расхождения алгоритмов адаптации [8].

При изменении параметров ПИД-регулятора могут появиться нежелательные выбросы регулируемой величины, если не принять специальных мер. Поэтому возникает задача плавного ("безударного") переключения режимов работы или параметров регулятора.

Основной метод решения проблемы заключается в построении такой структуры регулятора, когда изменение параметра выполнятся до этапа интегрирования. Например, при изменяющемся параметре интегральный член можно записать в двух формах:

 (4.1)

 (4.2)

В первом случае при скачкообразном изменении Ti (t) интегральный член будет меняться скачком, во втором случае - плавно, поскольку Ti (t) находится под знаком интеграла, значение которого не может изменяться скачком.

Такой метод реализуется в инкрементной форме ПИД-регулятора, где интегрирование выполняется на заключительной стадии вычисления управляющего воздействия.

Инкрементная форма ПИД-регулятора получается путём дифференцирования классического уравнения:

 (4.3)

 (4.4)

Переходя в полученном выражении к конечным разностям, получим дискретную форму инкрементного ПИД-регулятора:

 (4.5)

где

Для получения значения управляющей величины можно выполнить накопительное суммирование на финальной стадии вычислений:

 (4.7)

Инкрементная форма регулятора также удобна для применения в микроконтроллерах, поскольку в ней основная часть вычислений выполняется с приращениями, для представления которых можно использовать слово с малым количеством двоичных разрядов [9].

Пакет Concept содержит множество библиотек готовых функциональных блоков, обеспечивающих необходимые функции. Так библиотека CONT_CTL содержит блок PIDFF (рисунок 4.2), являющийся ПИД-регулятором, построенным в инкрементной форме. Данный блок также обеспечивает безударное переключение режимов автоматический/ручной. Блок PIDFF имеет множество настроек (рисунок 4.3), позволяющих обеспечить необходимые функции регулятора.

Рисунок 4.2 - Блок ПИД-регулятора на языке FBD

Рисунок 4.3 - Настройки блока PIDFF

.3.2.1 Алгоритм регулирования технологических параметров. Данный алгоритм является основным при работе САРД, его блок-схема представлена на рисунке 4.4.

Обработка показаний датчиков необходима для перевода сигнала значения сигнала с датчика в значение давления. Обрыв линии связи контролируется модулями аналогового ввода-вывода, для которых в адресном пространстве ПЛК задаются специальные "слова состояния", значения битов которых соответствуют состояниям линий связи.

В случае обрыва линий связи система переходит в ручной режим, так как не может адекватно производить автоматическое регулирование.

Параметры ПИД-регулятора определяются в соответствии с текущим режимом НПС и значениями давлений. Соответствие между параметрами ПИД-регулятора и текущим режимом задается заранее, по результатам исследования объекта.

Рисунок 4.4 - Блок-схема алгоритма регулирования технологических параметров

Секция программы на языке FBD, в которой обрабатываются аналоговые вводы и выводы, представлена на рисунке 4.5.

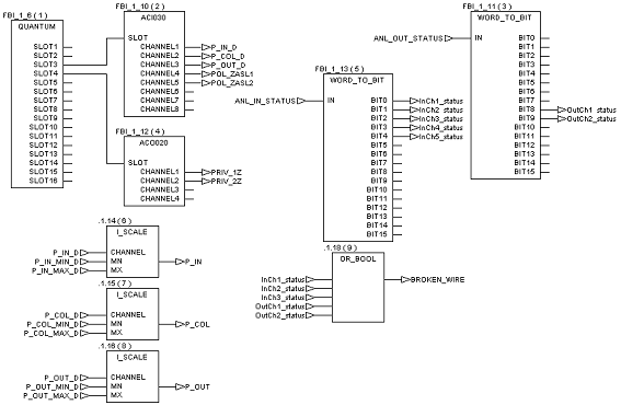
Функциональный блок Quantum представляет собой "шасси" ПЛК, к нему подключаются блоки модулей ввода-вывода - ACI030 и ACO020. Выходы блоков ввода-вывода соединены с переменными, в которых хранятся необработанные данные с датчиков.

Блок I_SCALE производит перевод необработанных данных с датчиков в значение давления, с учетом шкалы прибора.

В переменных ANL_IN_STATUS и ANL_OUT_STATUS хранятся слова состояния вводов и выводов, из которых с помощью блоков WORD_TO_BIT выделяются отдельные биты. Если значение бита равно "1", то в линии связи соответствующей номеру бита произошёл обрыв.

Рисунок 4.5 - Секция обработки аналоговых вводов и выводов

Секция программы на языке FBD, в которой выполняется алгоритм регулирования, представлена на рисунке 4.6.

Функциональный блок MS осуществляет переключение в ручной режим, в зависимости от значения переменной REGIM, кроме того, данный блок задает скорость нарастания выходного значения, а также ограничивает его максимальное и минимальное значения.

В случае обрыва линий связи или неисправности привода, регулятор переходит в ручной режим.

Два блока PIDFF обеспечивают регулирование входного и выходного давлений.

Значение параметров ПИД-регуляторов задаются блоком MUX_INT, в зависимости от значения переменной PID_regim.

Рисунок 4.6 - Секция регулирования

.3.2.2 Алгоритм "Прикрытие заслонок перед пуском МНА". Алгоритм (рисунок 4.7) позволяет облегчить пуск магистрального насосного агрегата и исключает возможность остановки НПС по минимальному давлению при его запуске. Сигнал ПУСК приходит с верхнего уровня автоматизации перед запуском МНА.

В случае обрыва линий связи датчиков или неисправности приводов регуляторов, система выдает сигнал на верхний уровень автоматизации о запрете пуска МНА.

Если неисправностей нет, то подается сигнал на прикрытие регулирующих заслонок. После выдачи сигнала, производится выдержка по времени равному времени прикрытия заслонок из полностью открытого состояния.

После этого на верхний уровень автоматизации выдается сигнал о готовности САРД к пуску МНА. Затем система переходит в автоматический режим регулирования.

Рисунок 4.7 - Блок-схема алгоритма "Прикрытие заслонок перед пуском МНА"

Секция программы на языке FBD, в которой выполняется алгоритм прикрытия заслонок перед пуском МНА, представлена на рисунке 4.8.

Переменная PR_ZASL устанавливается в 1, если был принят сигнал на пуск МНА и в системе нет неисправностей. Данная переменная управляет входом блока SEL (см. рисунок 4.6), который переключает систему с автоматического режима, для прикрытия заслонок.

Рисунок 4.8 - Секция алгоритма прикрытия заслонок перед пуском МНА

 

.4 Составление мнемосхемы для графической панели оператора


Графическая панель оператора, представляющая собой компактную вычислительная машину со встроенным жидкокристаллическим дисплеем, предназначена для визуализации параметров процесса и осуществления операторского управления. Графическая панель является элементом построения человеко-машинного интерфейса системы управления. Для реализации функций управления панель снабжена сенсорным экраном.

Графическая панель оператора предоставляет следующую функциональность:

визуализация технологического объекта;

управление и обработка аварийных сообщений, регистрация времени и даты возникновения аварийных сообщений;

ручное управление с помощью сенсорного экрана;

возможность свободного программирования графики и настройки функциональных клавиш;

построение диаграмм и трендов.

Визуализация объекта происходит с помощью интерактивной мнемосхемы. Мнемосхема должна наглядно показывать работу технологического объекта. На ней отображаются значения технологических параметров, их уставок, состояние оборудования.

Разработка мнемосхемы для графических панелей Magelis осуществляется в пакете Vijeo Designer фирмы Schneider Electric.

Разработанная мнемосхема САРД представлена на рисунке 4.9.

Рисунок 4.9 - Мнемосхема САРД

На мнемосхеме схематично изображена технологическая схема узла регулирования давления. Показаны основные трубопроводы и регулирующие заслонки.

На мнемосхеме отражаются значения давлений на входе и выходе НПС, их уставки в САР, также значение давления в коллекторе МНА.

Степень закрытия регулирующих заслонок отображается на горизонтальном ползунке, а также в виде цифрового значения. Для каждого регулятора отображается режим его работы (автоматический или ручной). В случае неисправности электроприводов отображается анимированный предупреждающий знак и выводится поясняющее сообщение.

Сообщения выводятся на экран в следующих случаях:

достижение давления уставки САР;

при изменении уставок САР;

неполадок с электроприводами заслонок;

изменении режима работы САР (ручной/автоматический).

Все сообщения архивируются с указанием даты и времени появления. Архив сообщений можно просмотреть, нажав кнопку "История сообщений" на мнемосхеме. Таким же образом можно просмотреть тренды значений технологических параметров.

5. Охрана труда и техника безопасности


Темой данного дипломного проекта, как уже отмечено ранее, является автоматизация нефтеперекачивающей станции "Дебесы" ОАО "СЗМН" Удмуртского РНУ.

С целью обеспечения безопасности производства при монтаже, эксплуатации и ремонте средств автоматизации, в данном разделе необходимо дать характеристику производственной среды, в которой будет произведена модернизация системы автоматики, и провести анализ опасных и вредных производственных факторов.

Безопасность производства и экологическая безопасность должны соблюдаться по всем видам работ, связанных с монтажом, эксплуатацией и ремонтом средств автоматизации.

Нарушение требований правил техники безопасности производства при монтаже, эксплуатации и ремонте средств автоматизации может привести к авариям и производственным травмам, а экологической безопасности - к загрязнению окружающей среды.

Вследствие того, что нефтеперекачивающая насосная станция является вредным и опасным производственным объектом, в данном разделе будут рассматриваться мероприятия по безопасной эксплуатации оборудования и будет произведен анализ безопасной работы средств автоматизации.

 

5.1 Анализ производственных опасностей и вредностей


Первичные приборы контроля состояния технологического процесса (датчики давления, уровня, температуры, расхода, загазованности и т.д.) устанавливаются непосредственно в насосной, где в процессе эксплуатации рабочей средой является нефть и возможно возникновение взрывоопасных смесей.

Взрывопожароопасные и токсические свойства нефти в рассматриваемой производственной среде:

класс опасности 4

температура вспышки, оС - 18

температура самовоспламенения, оС 233

нижний концентрационный предел взрываемости, % объем 1,1

верхний концентрационный предел взрываемости, % объем 7,4

ПДК в воздухе рабочей зоны производственных помещений 10

Пары нефтепродуктов действуют, главным образом, на центральную нервную систему. Признаки отравления чаще всего проявляются в головокружении, сухости во рту, головной боли, тошноте, сердцебиении, общей слабости и потери сознания.

На быстроту поступления паров нефтепродуктов из воздуха в кровь влияет их растворимость в воде, близкая к растворимости в крови.

Перекачиваемая нефть легко испаряется и способна образовывать взрывоопасную смесь. Нефтепродукты относятся к легковоспламеняющимся веществам. Их пары с воздухом образуют взрывоопасную смесь. Это выдвигает повышенные требования к надежности и эффективности пожаро и взрывозащиты. Пары нефтепродуктов способны создавать опасность воспламенения от источника огня. Блуждающие пары тяжелее воздуха, поэтому они стелятся по поверхности пола в цехе, затекают с воздухом и образуют горючие и взрывоопасные смеси.

Пожароопасность технологических процессов в значительной степени определяется физико-химическими свойствами нефтепродуктов.

Классификация сооружений по НПБ 105-03 и ПУЭ приведена в таблице 5.1.

Таблица 5.1 - Взрывопожарная и пожарная опасность, санитарная характеристика производственных зданий, помещений и наружных установок

Наименование производственных зданий, помещений, наружных установок

Категории взрывопожароопасной и пожарной опасности зданий и помещений (НПБ 105-03)

Классификация зон внутри помещений



Класс взрывоопасной или пожароопасной зоны (ПУЭ и ПБ 08-624-03)

Категория и группа взрывопожароопасных смесей (ГОСТ 12.1.011-78) Р51330.5-99 Р51330.11-99

Насосная

А

В-1а

IIА-Т3

Операторная

Д

-

-


При обслуживании первичных датчиков в насосном зале, возникает опасность воздействия на человека шума и вибрации источником которых является насосно-силовое оборудование. Длительное воздействие вибрации высоких уровней на организм человека приводит к развитию преждевременного утомления, нарушению вестибулярного аппарата, снижению остроты слуха, нередко к возникновению профессиональной патологии - вибрационной болезни. Допустимые уровни шума на рабочих местах нормируются документами СН 2.2.4/2.1.8.562-96 "Шум на рабочих местах, в помещениях жилых, общественных зданий и на территории жилой застройки" и СНиП 23-03-2003 "Защита от шума" и не должны превышать 80 дБ.

Согласно ГОСТ 12.1.019-96, насосный зал относится к помещениям с повышенной опасностью, так как имеет токопроводящие полы, возможно, одновременное прикосновение человека к соединяемым с землей технологическим аппаратом с одной стороны и к металлическим корпусам средств автоматизации с другой.

В процессе эксплуатации средств автоматизации существует опасность поражения электрическим током. Приборы и средства автоматизации находятся под напряжением 24 В постоянного тока. Так как насосный зал имеет токопроводящие полы, то возможно, одновременное прикосновение человека к соединяемым с землей технологическим аппаратом с одной стороны и к металлическим корпусам средств автоматизации с другой.

Удар электрическим током вызывает рефлекторную реакцию со стороны центральной нервной системы и ведет к нарушению нормального ритма работы сердца. В результате наблюдается нарушение или полное прекращение деятельности органов дыхания и кровообращения.

При монтаже, наладке, эксплуатации и ремонте систем автоматики производственные опасности и вредности могут быть обусловлены следующими факторами:

недостаточная освещенность насосного зала при работе в темное время суток, вызывающая повышенную утомляемость, замедляющая реакцию, что может явиться причиной травм;

воздействием атмосферного электричества в насосном зале в летнее время. Прямой удар молнии, при котором ток может достигать 200 кА, напряжение 100 кВ, а температура в канале молнии приблизительно 25000°С, вызывает разрушения большой силы.

при перекачке нефтепродуктов создаются условия для накопления статического электричества с потенциалом до 80 кВ. Это является причиной нарушения технологических процессов, снижения точности показания приборов автоматики, неблагоприятно отражается на здоровье рабочих;

наличием давления в аппаратах трубопровода до 5,4 МПа и т.д., в которых эксплуатируются приборы и средства автоматизации производственных процессов. В случаях разгерметизации, отказа регулирующих органов и приборов контроля системы автоматизации, а также при несоблюдении требований ГОСТ 12.2.085-2002 "ССБТ. Сосуды, работающие под давлением. Клапаны предохранительные", возможно возникновение аварийной ситуации;

воздействием движущихся и вращающихся частей оборудования насосов при монтаже, демонтаже и эксплуатации приборов и средств автоматизации;

воздействием шума и вибрации как на приборы, так и на обслуживающий персонал.

 

5.2 Мероприятия по обеспечению безопасных и безвредных условий труда


В данном разделе рассмотрены правила и требования, которые необходимо соблюдать, чтобы избежать воздействия вредных и опасных производственных факторов, возникающих при монтаже, эксплуатации и ремонте системы автоматизации НПС "Дебесы".

5.2.1 Мероприятия по технике безопасности при эксплуатации объектов НПС "Дебесы"

Согласно регламентам и правилам ПТЭ, ПТБ, ПУЭ и РД 153-39.4-056-00, во избежание несчастных случаев при обслуживании оборудования, направляемый на работу персонал должен иметь соответствующую подготовку, пройти производственный инструктаж, ознакомиться с правилами внутреннего распорядка, общими правилами техники безопасности и должностной инструкцией на поручаемом ему для обслуживания участке или агрегате, а также с методами оказания первой помощи. По окончании инструктажа направляемые на работу сдают экзамен по технике безопасности в соответствии с ПБ 08-624-03 и другими руководящими нормативными документами и получают удостоверение с присвоением квалификационной группы. Инструктажи допуска персонала к самостоятельной работе соответствуют требованиям ГОСТ 12.0.004-90 (1999)"ССБТ. Организация обучения безопасности труда. Общие положения". Перед ремонтом оборудования должны быть назначены ответственные лица за организацию и проведение ремонта, подготовку к нему аппаратуры, оборудования и коммуникаций, выполнение мероприятий по пожарной безопасности и охране труда, предусматриваемых планом организации и проведения работ.

Для защиты от поражения электрическим током при монтаже, эксплуатации и ремонте средств автоматизации, согласно ГОСТ 12.1.030-81 (2001)"ССБТ. Электробезопасность. Защитное заземление. Зануление" предусматриваются следующие мероприятия:

защитное заземление металлических нетоковедущих частей в сетях до 1000 В. Сопротивление, оказываемое заземляющим устройством R < 4 Ом;

зануление в сетях до 1000 В;

защитное отключение при появлении напряжения на корпусе оборудования;

предупредительная сигнализация, блокировка, знаки безопасности; ограждение неизолированных токоведущих частей.

Для предотвращения возникновения зарядов статического электричества согласно ГОСТ 12.1.018-93 (2001)"ССБТ. Пожаровзрывобезопасность статического электричества". Общие требования" все металлические и электропроводные неметаллические части технологического оборудования должны быть заземлены. Сопротивление защитного устройства от статического электричества не должно превышать 100 Ом.

Во избежание утечек в насосной НПС "Дебесы" важнейшим фактором при перекачке нефтепродуктов является герметизация основного насосного оборудования и системы трубопроводов. Герметизация обеспечена за счет сварного соединения стыковочных мест. Гибкие связи, в системе технологических трубопроводов, герметизируются при помощи хомутов с использованием герметика марки МГ-5.

Основными мероприятиями для предотвращения превышения давления сверх допустимого являются:

постоянный контроль за режимом работы насосов, автоматизация процесса при превышении разрешенного давления автоматически останавливается насос;

своевременное и качественное проведение ППР оборудования и контроль за состоянием торцевых уплотнений насосов, фланцевых соединений трубопроводов;

периодическое прохождение обслуживающим персоналом инструктажа и обучение безопасным методам работы.

 

.2.2 Мероприятия по промышленной санитарии

К ним относятся требования к спецодежде, освещению, микроклимату, требования к организации и оборудованию рабочего места.

.2.2.1 Требования к спецодежде. Обеспечение работников специальной одеждой и обувью выполняется согласно ГОСТ 12.4.011-89 (2001) ССБТ "Средства защиты работающих. Общие требования и классификация". Средства индивидуальной защиты приведены в таблице 5.2.

Таблица 5.2 - Средства индивидуальной защиты

Виды происшествий, приводящие к несчастным случаям

Средства индивидуальной защиты

воздействие вредных веществ (отравление, воздействие на кожу)

фильтрующие противогазы марки АБКФ, шланговые противогазы ПШ-1 и ПШ-2

поражение эл. током.

диэлектрические перчатки, калоши, коврики, указатели низкого напряжения, инструменты с изолированными рукоятками

падение с высоты

Спец. одежда, спец. обувь, защитные каски


Выдаваемые работникам средства индивидуальной защиты, должны соответствовать характеру, условиям работы и обеспечивать безопасность труда.

.2.2.2 Требования к освещению. В дневное время суток освещение естественное. В ночное предусмотрено местное и общее освещение. В насосном цехе применяются светильники взрывозащищенного исполнения ВЗГ-200, кроме того, предусмотрено аварийное освещение, независимое от основного.

В качестве источников света при искусственном освещении операторной следует применять преимущественно люминесцентные лампы типа ЛД и компактные люминесцентные лампы. Для обеспечения нормируемых значений освещенности в помещении операторной и насосном цехе следует проводить чистку стекол и светильников не реже двух раз в год и проводить своевременную замену перегоревших ламп.

Освещенность местного и основного освещения в насосном цехе согласно СНИП-23-05-95* должна Е = 75 лк. Освещенность рабочих поверхностей мест производства работ, расположенных в операторной Е = 100 лк.

.2.2.3 Требования к микроклимату. Показателями, характеризующими микроклимат, являются:

температура воздуха;

относительная влажность воздуха;

скорость движения воздуха.

В помещении операторной должны соблюдаться оптимальные величины параметров воздуха согласно ГОСТ 12.1.005-88:

температуры 21 - 23°С в холодный период года, 22 - 24°С - в теплый;

относительной влажности - 40 - 60%;

скорости движения - 0,1 м/с в холодный период года, 0,2 м/с - в теплый.

Микроклимат в помещении операторной согласно СНиП 2.04.05-91* поддерживается отоплением, приточно-вытяжной вентиляцией и кондиционированием. Для повышения влажности воздуха в помещениях с ПЭВМ следует применять увлажнители воздуха, заправляемые ежедневно дистиллированной или прокипяченной питьевой водой.

Содержание вредных химических веществ в производственных помещениях, работа на ПК в которых является основной (диспетчерские, операторские и др.), не должно превышать "Предельно допустимых концентраций загрязняющих веществ в атмосферном воздухе населенных пунктов".

Методы борьбы с шумом и вибрацией сводятся к уменьшению их возникновения. Для снижения или исключения вибрации СНиП 23-03-2003 предусматривает следующие меры:

правильное проектирование оснований под оборудование, с учетом динамических нагрузок и изоляция их от несущих конструкций и инженерных коммуникаций;

центровка и балансировка вращающихся частей агрегатов.

В качестве индивидуальных средств защиты от шума используются наушники или антифоны. Рабочие, подвергающиеся воздействию вибрации должны регулярно проходить медосмотр.

5.2.3 Мероприятия по пожарной безопасности

Пожарная безопасность на электроустановках, находящихся в помещении НПС соблюдается в соответствии с ППБ 01-03 "Правила пожарной безопасности в Российской федерации" и ГОСТ 12.1.004-91 (1999)"ССБТ. Безопасность. Общие требования":

вспомогательное оборудование, электродвигатели, аппараты управления должны иметь степень защиты, соответствующее классу зоны, а также должны иметь аппараты защиты от коротких замыканий и перегрузок;

запрещается использовать электрические аппараты и приборы в условиях, не соответствующих рекомендациям предприятий изготовителей или неисправных, создающие угрозу возникновения пожара, а также;

электропровода и кабели с поврежденной или потерявшей защитные свойства изоляцией;

запрещается пользоваться розетками, рубильниками и другими средствами с открытыми контактами;

запрещается пользоваться электронагревательными приборами;

во взрывоопасных зонах работать только с инструментом не дающим искру;

смазочные материалы хранятся в специальных металлических лотках бочках с плотно закрывающимися крышками, промасленная ветошь собирается в специально отведенные места;

запрещается курить и разводить открытый огонь в необорудованных для этого местах, для предупреждения вывешиваются предупредительные плакаты "НЕ КУРИТЬ".

Все первичные приборы контроля и регулирования, установленные по месту, в зонах возможного возникновения загазованности предусматривается выполнять в искробезопасном исполнении 2ExiIIАТ2 и 1ExdIIАТЗ, что позволяет производить измерение во взрывоопасной среде.

Насосная станция оснащена системой автоматического пожаротушения, позволяющей тушить возможные очаги пожара автоматически.

Вентиляция в насосном зале установлена приточно-вытяжная кратностью воздухообмена 4: 1 для удаления взрывоопасной смеси воздуха с парами нефти.

В дополнение к этому предусматривается установка обратных клапанов на трубопроводе, срабатывающие термоэлементы для включения системы автоматического пожаротушения, установка дверей и окон, открывающихся наружу, заземление металлического оборудования от статического и атмосферного электричества. При аварийном нарушении герметичности трубопроводов и оборудования, автоматически отключается вышедший из строя агрегат.

Система пожаротушения оборудована резервным питанием, а на станции пенотушения установлен дизель-генератор на случай отсутствия электроэнергии.

Система пожаротушения управляется контроллером сигнальным автоматического пожаротушения, осуществляющий контроль за состоянием насосной станции. В насосной станции установлены инфракрасные датчики контроля. При возникновении пожара, на объектах охраны контроллер автоматически запускает пенный насос и открывает соответствующие задвижки на насосную, сигнал с контроллера поступает в пожарное депо где находятся две дежурные пожарные машины и пожарный расчет. На каждом из входов в насосную устанавливаются ручные пожарные извещатели.

Для ликвидации небольших очагов возгорания, на территории предусмотрена установка щитов с пожарным инвентарем, песок, кошма, багор, лом, ведра, огнетушители серии ОХП-Ю и ОУ-8. Пожарный инвентарь окрашивается в красный цвет.

 

5.3 Расчет освещенности в помещении операторной НПС


Для освещения рабочего места оператора ПК и щитов управления (рисунок 5.1) используются люминесцентные светильники типа ПЛ. Необходимо рассчитать, удовлетворяет ли существующая освещенность установленным нормам.

Суть метода расчета заключается в следующем:

определяется освещенность, если известны тип и количество используемых ламп;

подсчитанная освещенность сравнивается с нормированной освещенностью Ен.

Согласно СНиП 23-05-95*, освещенность Ен = 100 лк (норма освещенности рабочего места операторной).

Рисунок 5.1 - Помещение операторной

Определение освещенности производится по следующей формуле:

 (5.1)

где Ф - световой поток одной лампы, лм; n - количество ламп (или светильников), шт; η - коэффициент использования светового потока. Это отношение потока, подающего на расчетную поверхность, к суммарному потоку света всех ламп. S - освещаемая площадь, м k - коэффициент запаса, учитывающий снижение освещенности вследствие старения ламп, запыления ламп, светильников, загрязнения отражающих поверхностей помещения; z - коэффициент неравномерности освещенности. Это отношение средней освещенности к минимальной. Для определения коэффициента использования светового потока находится индекс помещения I и предположительно оцениваются коэффициенты отражения поверхностей помещения: потолка - рn стен - рс, расчетной поверхности или пола - рр.

Индекс помещения находится по формуле:

 (5.2)

где А - длина помещения, м;- ширина помещения, м;- расчетная высота подвеса над уровнем рабочей поверхности, м.

 (5.3)

где H - высота помещения, м;

hc - расстояние от потолка до светильника (свес), м;

hp - высота рабочей поверхности, м.

Исходные данные для расчета:

А = 9 м; В = 8 м; Н = 4 м;

лампы ЛД 40, Ф = 2340 лм; n = 12 шт;= 1,6; z = 1.15;

 

рп = 70%; рс = 50%; рр = 10%; hc = 0,5 м; hp = 0,8 м.

По формуле (5.3) находим расчетную высоту


По формуле (5.2) находим индекс помещения


Полученное в результате расчетов значение округляем в сторону увеличения и получаем индекс помещения I = 2. Учитывая также коэффициенты отражения поверхностей помещения и то, что в помещении операторной используются светильники типа ПЛ, коэффициент использования светового потока η = 0,53.

По формуле (5.1) рассчитываем освещенность:


Сравнивая расчетное значение освещенности Е = 112 лк с нормированным значением освещенности Е = 100 лк видим, что освещенность в помещении удовлетворяет нормам.

6. Оценка экономической эффективности проекта


Цель расчета определить экономический эффект модернизации системы автоматического регулирования давления на нефтеперекачивающей станции "Дебесы".

Основными факторы, обеспечивающие экономический эффект являются:

повышение качества регулирования давления;

снижение потерь энергии на дросселирующем органе;

снижение числа аварийных остановок станции.

 

6.1 Методика расчета экономической эффективности инвестиций


Оценка эффективности инвестиционных проектов основывается на расчете следующих показателей:

чистого дисконтированного дохода (ЧДД);

индекса доходности (ИД);

внутренней нормы доходности (ВНД);

срока окупаемости (Ток) с учетом фактора времени (дисконтирования).

Эффективность инвестиционного проекта оценивается в течение расчетного периода, охватывающего временной интервал от начала проекта до его прекращения.

Чистый дисконтированный доход определяется как сумма текущих потоков реальных денег за весь расчетный период. ЧДД рассчитывается по следующей формуле:

 (6.1)

гдеPt - стоимостная оценка результата реализации проекта (приток денежных средств);

Зt - стоимостная оценка затрат, включая капитальные вложения (отток денежных средств);

Т - срок жизни проекта (расчетный период);- ставка (норма) дисконта;

(Pt - Зt) - поток реальных денег для проекта в целом или отдельного его участника.

Норма дисконта (приведения) отражает возможную стоимость капитала, соответствующую возможной прибыли инвестора, которую он мог бы получить на ту же сумму капитала, вкладывая его в другом месте, при допущении, что финансовые риски одинаковы для обоих вариантов инвестирования. Другими словами, норма дисконта должна являться минимальной нормой прибыли, ниже которой предприниматель счел бы инвестиции невыгодными для себя.

Если рассчитанный ЧДД положителен, то прибыльность инвестиций выше нормы дисконта и проект следует принять. Если ЧДД равен нулю, то прибыльность равна норме дисконта. Если ЧДД меньше нуля, то прибыльность инвестиций ниже нормы дисконта и от этого проекта следует отказаться. При сравнении альтернативных проектов предпочтение должно отдаваться проекту с большим значением ЧДД.

Индекс доходности дисконтированных инвестиций - отношение суммы дисконтированных элементов денежного потока от операционной деятельности к абсолютной величине дисконтированной суммы элементов денежного потока от инвестиционной деятельности. ИД равен увеличенному на единицу отношению ЧДД к накопленному дисконтированному объему инвестиций.

Формула для определения ИД имеет вид

 (6.2)

В отличие от ЧДД индекс доходности является относительным показателем, что позволяет осуществлять выбор одного проекта из ряда альтернативных, имеющих приблизительно одинаковое значение ЧДД.

При анализе эффективности инвестиций индекс доходности капитальных вложений рассчитывается по формуле (индекс доходности):

 (6.3)

Считается, что:

если ИД = 1, то приведенные доходы равны приведенным инвестициям;

если ИД > 1, то инвестиционный проект имеет доходность;

если ИД < 1 - это означает неэффективность проекта.

Для анализа эффективности единовременных затрат на разработку и внедрение системы используется показатель внутренней нормы доходности. Внутренней нормой доходности (ВНД) называется такое положительное число ЕВН, что при норме дисконта Е = ЕВН ЧДД проекта обращается в 0, при всех больших значениях Е - отрицательна, при всех меньших значениях Е - положительна. Если не выполнено хотя бы одно из этих условий, считается, что ВНД не существует.

ВНД определяется из соотношения

 (6.4)

ВНД характеризует ежегодный процент прироста доходов от проекта. Сравнивая полученную величину с Е можно сделать вывод о том, обеспечивает ли данный проект доходность выше заданной.

Другим назначением показателя ВНД является оценка возможности привлечения заемных средств на разработку и внедрение системы. Расчетное значение ВНД соответствует максимально допустимому проценту за кредит, который может быть использован для полного финансирования единовременных затрат по данной системе. Если величина ВНД равна проценту за кредит, то чистая текущая стоимость оказывается равной нулю. Таким образом, вычисляемое значение позволяет судить о приемлемости для предприятия условий кредитования. Для предварительной оценки экономической эффективности капитальных вложений обычно применяется срок окупаемости капитальных вложений. Он означает период времени, в течение, которого инвестиции будут возращены за счет доходов, полученных от реализации проекта. Величина Т находится путем последовательного суммирования ряда дисконтированных доходов до тех пор, пока не будет получена сумма равная объему капитальных вложений.

 

6.2 Расчёт капиталовложений


Общие затраты (3t) проекта складываются из капитальных вложений (KB) и эксплуатационных затрат (Зэк):

 (6.5)

Капитальные вложения учитывают транспортные и монтажные расходы, которые определяются в процентах от стоимости приборов и средств автоматизации, значения размера капиталовложений представлены в таблице 6.1.

Таблица 6.1 - Капитальные вложения

Наименование затрат

Стоимость, тыс. руб

Технические средств автоматизации (ЗТСА)

1350

Затраты на тару и упаковку (2% от ЗТСА)

27

Затраты на доставку (5% от ЗТСА)

67,5

Затраты на заготовительно-складские работы (1,2% от ЗТСА)

16,2

Затраты на запасные части (2% от ЗТСА)

27

Затраты на монтаж оборудования (20% от ЗТСА)

270

Непредвиденные затраты (2% от ЗТСА)

27

Затраты на пусконаладочные работы (5% от ЗТСА)

67,5

Итого

1852,2


Годовые эксплуатационные затраты, связанные с обслуживанием и эксплуатацией приборов, средств и системы автоматизации, рассчитываются по следующей формуле:

 (6.6)

где Звспом - затраты на вспомогательные материалы (20% от стоимости капитальных вложений);

Зрем - затраты на ремонт (25% от стоимости капитальных вложений);

Зобор - затраты на обслуживание оборудования, т.е. на заработную плату работников, занимающегося обслуживанием (40% от стоимости капитальных вложений);

Зам - амортизационные отчисления по приборам, средствам автоматизации, внедряемому оборудованию (10% от стоимости капитальных вложений);

Зпот - затраты, связанные с потреблением электроэнергии;

Зпр - прочие затраты (25% от суммы других затрат).

Значения годовых эксплуатационных затрат представлены в таблице 6.2.

Таблица 6.2 - Годовые эксплуатационные затраты

Наименование затрат

Стоимость, тыс. руб

Затраты на вспомогательные материалы

370,44

Затраты на ремонт оборудования

463,05

Затраты на содержание и эксплуатацию оборудования

740,88

Затраты на амортизацию составляют

185,22

Затраты от потерь электроэнергии

92,22

Прочие затраты

462,95

Итого

2314,76


6.3 Расчет экономической эффективности проекта


Экономия электроэнергии получается за счет уменьшения потерь энергии на дросселирующем органе, благодаря повышению качества регулирования. Годовые затраты на электроэнергию, по данным ОАО "СЗМН", - 73391,84 тыс. р. Для расчета среднее значение экономии возьмем 0,5%. Выгоды от снижения числа аварийных остановок по превышению давления, оцениваются на статистических данных компании ОАО "АК "Транснефть"". Данные сведены в таблице 6.3.

Таблица 6.3 - Годовая экономическая эффективность

Наименование источника

Эффективность, тыс. руб

Сокращение затрат электроэнергии

366,96

Снижения числа аварийных остановок

2484,56

Итого выгоды

2851,52


При расчете экономической эффективности инвестиционного проекта расчетный период Т складывается из времени внедрения объекта в производство, которое принимается равным одному году, и времени эксплуатации объекта, которое составляет 10 лет.

Расчет для первого года.

Стоимость основных фондов на начало года равна капиталовложениям - 1852,2 тыс. р.

Амортизационные отчисления - это 10% от стоимости основных фондов на начало год - 185,22 тыс. р.

Стоимость основных фондов на конец года - разность стоимости основных фондов на начало года и амортизационных отчислений - 1666,98 тыс. р.

Среднегодовая стоимость основных фондов - сумма значений стоимости основных фондов на начало года и на конец года, поделенная на 2:


Налог на имущество - произведение среднегодовой стоимости на ставку налога на имущество (2%) - 35,19 тыс. р.

Валовая прибыль - выгоды минус эксплуатационные затраты и налог на имущество:


Налог на прибыль - произведение значения валовой прибыли на ставку налога на прибыль (20%) - 100,31 тыс. р.

Чистый операционный доход - валовая прибыль за вычетом налога на прибыль, с учетом амортизационных отчислений:


Сальдо денежного потока от операционной деятельности - сумма чистого операционного дохода и амортизационных отчислений - 771,69 тыс. р.

Сальдо денежного потока от инвестиционной деятельности - равно нулю, так как затраты на инвестиционную деятельность только при реализации проекта.

Сальдо двух потоков - сумма сальдо денежного потока от операционной деятельности и от инвестиционной деятельности - 771,69 тыс. р.

Коэффициент дисконтирования рассчитывается по формуле:

 (6.7)


Чистые дисконтированные денежные поступления проекта - произведение сальдо двух потоков на коэффициент дисконтирования - 671,04 тыс. р.

Чистые дисконтированные денежные поступления нарастающим итогом - сумма чистых дисконтированных денежных поступлений проекта за текущий год и за все предыдущие - 1181,16 тыс. р.

Расчет для последующих годов производится аналогично. Результаты расчетов приводятся в таблицах 6.4 и 6.5.

По точке пересечения графика на рисунке 6.1 с осью абсцисс определяется срок окупаемости проекта.

Рисунок 6.1 - Определение срока окупаемости

Таблица 6.4 - Расчет налога на имущество

Показатель, тыс. руб

1

2

3

4

5

6

7

8

9

10

Стоимость основных фондов на начало года

1852,2

1666,98

1481,76

1296,54

1111,32

926,10

740,88

555,66

370,44

185,22

Амортизационные отчисления

185,22

185,22

185,22

185,22

185,22

185,22

185,22

185,22

185,22

185,22

Стоимость основных фондов на конец года

1666,98

1481,76

1296,54

1111,32

926,10

740,88

555,66

370,44

185,22

0,00

Среднегодовая стоимость основных фондов

926,10

833,49

740,88

648,27

555,66

463,05

370,44

277,83

185,22

92,61

Налог на имущество

18,52

16,67

14,82

12,97

11,11

9,26

7,41

5,56

3,70

1,85


Таблица 6.5 - Расчет эффективности проекта

Показатель

Годы


0

1

2

3

4

5

6

7

8

9

10

Капиталовложения, тыс. руб

1852,2

-

-

-

-

-

-

-

-

-

-

Выгоды, тыс. руб


2851,52

2851,52

2851,52

2851,52

2851,52

2851,52

2851,52

2851,52

2851,52

2851,52

Эксплуатационные затраты, тыс. руб

-

2314,76

2314,76

2314,76

2314,76

2314,76

2314,76

2314,76

2314,76

2314,76

Амортизация, тыс. руб

-

185,22

185,22

185,22

185,22

185,22

185,22

185,22

185,22

185,22

185,22

Налог на имущество, тыс. руб

-

35, 19

31,49

27,78

24,08

20,37

16,67

12,97

9,26

5,56

1,85

Валовая прибыль, тыс. руб

-

501,57

505,27

508,98

512,68

516,39

520,09

523,79

527,50

531, 20

534,91

Налогов на прибыль, тыс. руб

-

100,31

101,05

101,80

102,54

103,28

104,02

104,76

105,50

106,24

106,98

Чистый операционный доход, тыс. руб

-

586,47

589,44

592,40

595,37

598,33

601,29

604,26

607,22

610,18

613,15

Сальдо денежного потока от операционной деятельности, тыс. руб

-

771,69

774,66

777,62

780,59

783,55

786,51

789,48

792,44

795,40

798,37

Сальдо денежного потока от инвестиционной деятельности, тыс. руб

-1852,2

-

-

-

-

-

-

-

-

-

-

Сальдо двух потоков, тыс. руб

-1852,2

771,69

774,66

777,62

780,59

783,55

786,51

789,48

792,44

795,40

798,37

Коэффициент дисконтирования

1,00

0,87

0,76

0,66

0,57

0,50

0,43

0,38

0,33

0,28

0,25

Чистые дисконтированные денежные поступления проекта, тыс. руб

-1852,2

671,04

585,75

511,30

446,30

389,56

340,03

296,79

259,05

226,10

197,34

Чистые дисконтированные денежные поступления проекта нарастающим итогом, тыс. руб

-1852,2

-1181,16

-595,41

-84,11

362, 19

751,75

1091,79

1388,58

1647,63

1873,73

2071,08


Диаграмма изменения денежных потоков наличности представлена на рисунке 6.2.

Рисунок 6.2 - Изменение денежных потоков наличности

По графику внутренней нормы доходности на рисунке 6.3 определяется максимальная банковская ставка при которой проект является прибыльным.

Рисунок 6.3 - Определение внутренней нормы доходности

В таблице 6.6 представлены основные показатели эффективности проекта.

Таблица 6.6 - Эффективность проекта

Показатель

Значение

Инвестиции, тыс. руб.

1852,2

Расчетный период, лет

10

Годовые выгоды, тыс. руб.

2851,52

Ставка дисконтирования, %

15

Чистый дисконтированный доход, тыс. руб.

2071,08

Индекс доходности, дол. ед.

2,12

Внутренняя норма доходности, %

42

Срок окупаемости, лет

4,2


Как видно из расчетов, внедрение системы автоматизации целесообразно, т.к. дисконтированный денежный поток по проекту положительный, внутренняя норма доходности выше цены капитала, а индекс рентабельности больше 1.

Заключение


В дипломном проекте были рассмотрены системы автоматического регулирования давления на базе современных программируемых логических контроллеров. Были предложены алгоритмы управления, обеспечивающие поддержание выполнения технологического процесса регулирования давления на необходимом уровне качества, с соблюдением требуемых объемов автоматизации.

Внедрение предложенных алгоритмов позволит достигнуть:

работы САРД на всех режимах перекачки;

продление срока службы САРД;

уменьшение количества выездов специалистов для перенастройки регулятора на новые режимы перекачки;

сокращение вероятности остановок НПС, вызванных переходными процессами, выходом из строя узлов САРД и ошибочных действий оперативного персонала НПС.

Использование данных алгоритмов позволяет достигнуть качественно новых возможностей и эффективности в обеспечении перекачки нефти, сократить до минимума внеплановые отключения технологического оборудования, обеспечить защиту нефтепроводов от распространения волн давления. Эти алгоритмы могут быть реализованы на большинстве современных цифровых контроллеров.

Список использованных источников


1. Гумеров, А.Г. Эксплуатация оборудования нефтеперекачивающих станций / А.Г. Гумеров, Р.С. Гумеров, А.М. Акбердин. - М.: ООО "Недра-Бизнесцентр", 2001. - 475 с.

. Васильев, Г.Г. Трубопроводный транспорт нефти: учебник для вузов: в 2 т. / Г.Г. Васильев, Г.Е. Коробков, А.А. Коршак [и др.]. - М.: ООО "Недра-Бизнесцентр", 2002. - Т.1. - 407 с.

. Комплекс устройств регулирования САР "Вектор": руководство пользователя. - Саратов: ООО ВИП "Синкросс", 2005. - 25 с.

. Контроллер К-2000: руководство пользователя самописца. - Саратов: ООО ВИП "Синкросс", 2002. - 25 с.

. Блок токовых входов и регулятора ТВР: паспорт С5.103.001. - Саратов: ООО ВИП "Синкросс", 2001. - 30 с.

. Деменков, Н.П. Языки программирования промышленных контроллеров: учебное пособие / Н.П. Деменков. - М.: МГТУ им. Н.Э. Баумана, 2004. - 172 с.

. Петров, И.В. Программируемые контроллеры. Стандартные языки и приемы прикладного проектирования / И.В. Петров. - М.: СОЛОН-Пресс, 2004. - 256 с.

. Денисенко, В.В. ПИД-регуляторы: вопросы реализации. Часть 1/В.В. Денисенко // Современные технологии автоматизации. - 2007. - № 4. - С.86-97.

. Денисенко, В.В. ПИД-регуляторы: вопросы реализации. Часть 2/В.В. Денисенко // Современные технологии автоматизации. - 2008. - № 1. - С.86-99.

Приложения

Приложение А

Перечень демонстрационных листов

. Титульный лист.

. Цель и задачи.

. Технологическая схема НПС "Дебесы".

. Система автоматики НПС "Дебесы".

. Функциональная схема автоматизации САРД.

. Датчик давления типа 2600Т фирмы АВВ.

. Структура ПИД-регулятора.

. Блок-схема алгоритма регулирования давления.

. Секция обработки аналоговых вводов и выводов, на языке FBD.

. Секция регулирования, на языке FBD.

. Блок-схема алгоритма прикрытия заслонок перед пуском МНА.

. Мнемосхема САРД.

. Выводы.

Похожие работы на - Автоматизация нефтеперекачивающей станции 'Дебесы'

 

Не нашли материал для своей работы?
Поможем написать уникальную работу
Без плагиата!
Без нейросетей!