Исследование качества процессов регулирования автоматических систем
ГБОУ
ВПО "Сургутский государственный университет ХМАО - Югры"
Политехнический
институт
Кафедра
автоматики и компьютерных систем
ОТЧЕТ
По
лабораторной работе №1
Исследование
качества процессов регулирования автоматических систем
Выполнила:студентка
группы 12-21
И.С. Суркова
Проверила:
старший
преподаватель кафедры АиКС:
Е.Н. Паук
Сургут,
2015г.
Цель лабораторной работы: исследование
систем автоматического регулирования прямыми и корневыми оценками качества.
Ход работы:
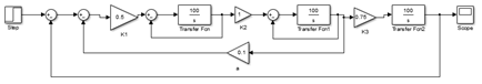
. Схема моделирования системы третьего
порядка (Рис. 1)
К1=0.1
Рис.1. Схема моделирования третьего порядка
Кривая переходного процесса. (Рис.2)
Рис. 2.
По графику видно, что при К1 = 0,1 переходный
процесс сходящийся монотонный.
Переходная функция W(s)
Характеристическое уравнение: s^3
+ 200 s^2 + 1.01e04
s + 7.5e04
= 0
Корни характеристического уравнения:
s 1 = -122.62 s 2 = -8.936 s 3 = -68.444
Корни s1,2,3 вещественные и левые, переходный процесс является монотонным
сходящимся.
Схема моделирования системы третьего порядка
(Рис. 3)
К1 = 1
Рис.3.
Кривая переходного процесса (Рис. 4)
Рис. 4.
По графику видно, что при К1 = 1 переходный
процесс сходящийся колебательный.
Переходная функция W(s)
Характеристическое уравнение: s^3
+ 200 s^2 + 1.1e04
s + 7.5e05
= 0
Корни характеристического уравнения:
s 1 = -160.584 s 2 = -19.708 + i × (-65.437),
s 3 = -19.708 - i × (-65.437)
Действительная часть комплексных
корней s2,3 отрицательна,
переходный процесс является колебательным сходящимся.
Схема моделирования системы третьего порядка
(Рис. 5)
К1 = 5
Рис.5.
Кривая переходного процесса. (Рис. 6)
Рис. 6.
По графику видно, что при К1 = 5 переходный
процесс колебательный. расходящийся
Переходная функция W(s)
Характеристическое уравнение:
=
0
Корни характеристического уравнения:
s 1 = -212.47 s 2 = 6.235 + i × (-132.705) s 3 = 6.235 - i × (-132.705)
Действительная часть комплексных
корней s2,3 положительна,
переходный процесс является расходящимся колебательным.
. Определение
вида переходного процесса по диаграмме Вышнеградского.

- параметры Вышнеградского
|
К1 = 0,1
|
|
А
|
В
|
d0
|
d1
|
d2
|
d3
|
|
4,74
|
5,679
|
1
|
200
|
1,01е04
|
7,5е04
|
|
К1 = 1
|
1,332
|
1
|
200
|
1,1е04
|
7,5е05
|
|
К1 = 5
|
|
1,287
|
0,621
|
1
|
200
|
1,5е04
|
3,75е06
|
Находим соответствующие полученным координатам
точки. (Рис. 7)
Рис. 7. Области устойчивости.
Из полученной диаграммы видно, что при К1 = 0,1
система находится в зоне монотонного процесса. При К1 = 1 - в периодически
сходящегося процесса. При К1 = 5 - в зоне расходящегося процесса.
3. Определение
перерегулирования
,% и время
регулирования tp при К1 =
0,5; 0,75;1
K1 = 0,5
Схема моделирования системы третьего порядка.
(Рис. 8)
Рис. 8
Кривая переходного процесса. (Рис. 9)
Рис.9
= 12,85%
tp = 0.1125
(с)
Расчет коэффициента перерегулирования и времени
регулирования:
tp=
(с)
К1 = 0,75
Схема моделирования третьего порядка. (Рис. 10)
Рис. 10
Рис. 11.
=23%
tр=0,12413 c
Расчета коэффициента
перерегулирования и времени регулирования:
tpрасчет.=
(с)
К1 = 1.
Схема моделирования третьего порядка. (Рис. 12)
Рис. 12
Кривая переходного процесса. (Рис. 13)
Рис. 13.
Ymax=1,253
=25,38%
tр.=0,0886 с
Расчета коэффициента
перерегулирования и времени регулирования:
tpрасчет.=
Расчетные данные и значения,
определенные по графику. (Таблица1,2)
Таблица 1.
|
К1
|
Ymax
|
Yуст
|
,% (эксп) ,%
(расчет.)tpэксп.tpрасчет.
|
|
|
|
|
0,5
|
1,128
|
1
|
12,85
|
13,85
|
0,1125
|
0,11
|
|
0,75
|
1,23
|
25,38
|
27,36
|
0,124
|
0,13
|
|
1
|
1,357
|
1
|
34,66
|
38,81
|
0,116
|
0,116
|
Таблица 2.
|
К1
|
Характеристическое уравнение
|
s 1
|
s 2
|
s 3
|
|
0,5
|
s^3 + 200 s^2 +
1.05e04 s + 3.75e05
|
-145,565
|
-27,2175
+ i × (-42,8413)
|
-27,2175
- i × 42,8413
|
|
0,75
|
s^3
+ 200 s^2 + 1.075e04
s + 5.625e05
|
-153,898
|
-23,0509 + i × (-55,8898)
|
-23,0509 - i × 55,8898
|
|
1
|
s^3 + 200 s^2 + 1.1e04 s + 7.5e05
|
-160,584
|
-19,7079 + i × (-65,4373)
|
-19,7079 - i × 65,4373
|
Сравнив полученные результаты, можно сделать
вывод: данные, полученные экспериментально и аналитически, с учетом
погрешности, соответственно равны.
4. Построение корневого годографа.
Корни характеристического уравнения данной
системы для различных значений K1.
(Таблица 3). По данным этой таблицы был построен корневой годограф.
Таблица 3.
|
K1
|
s1
|
s2
|
s3
|
|
0,1
|
-122,62
|
-68,4439
|
-8,93648
|
|
0,2
|
-130,774
|
-27,468
|
-41,758
|
|
0,21
|
-131,437
|
- 34,2814 - i(4,80356)
|
- 34,2814 - i(4,80356)
|
|
0,3
|
-136,689
|
- 31,656 - i(25,3771)
|
- 31,656 - i(25,3771)
|
|
0,4
|
-141,478
|
- 29,2608 - i(35,5566)
|
- 29,2608 + i(35,5566)
|
|
0,5
|
-145,565
|
- 27,2175 - i(42,8413)
|
- 27,2175 + i(42,8413)
|
|
0,6
|
-149,162
|
- 25,4192 - i(48,6901)
|
- 25,4192 + i(48,6901)
|
|
0,7
|
-152,393
|
- 23,8034 + i(53,651)
|
|
0,8
|
-155,34
|
- 22,3301 - i(57,9989)
|
- 22,3301 + i(57,9989)
|
|
0,9
|
-158,057
|
- 20,9715 - i(61,8935)
|
- 20,9715 + i(61,8935)
|
|
1
|
-160,584
|
- 19,708 - i(65,437)
|
- 19,708 + i(65,437)
|
|
1,1
|
-162,951
|
- 18,5244 - i(68,7002)
|
- 18,5244 + i(68,7002)
|
|
1,2
|
-165,181
|
- 17,4095 - i(71,732)
|
- 17,4095 + i(71,732)
|
|
1,3
|
-167,292
|
- 16,3542 - i(74,57)
|
- 16,3542 + i(74,57)
|
|
1,4
|
-169,297
|
- 15,3514 - i(77,2428)
|
- 15,3514 + i(77,2428)
|
|
1,5
|
-171,21
|
- 14,395 - i(79,7726)
|
- 14,395 + i(79,7726)
|
|
1,6
|
-173,04
|
- 13,4801 - i(82,1773)
|
- 13,4801 + i(82,1773)
|
|
1,7
|
-174,795
|
- 12,6026 - i(84,4715)
|
- 12,6026 + i(84,4715)
|
|
1,8
|
-176,482
|
- 11,759 - i(86,6674)
|
- 11,759 + i(86,6674)
|
|
1,9
|
-178,108
|
- 10,9462 - i(88,7748)
|
- 10,9462 + i(88,7748)
|
|
2
|
-179,676
|
- 10,1618 - i(90,8024)
|
- 10,1618 + i(90,8024)
|
|
2,5
|
-186,814
|
- 6,59289 - i(99,9662)
|
- 6,59289 + i(99,9662)
|
|
3
|
-193,037
|
- 3,48168 - i(107,906)
|
- 3,48168 + i(107,906)
|
|
3,5
|
-198,583
|
- 0,708412 - i(114,97)
|
- 0,708412 + i(114,97)
|
|
3,6
|
-199,626
|
- 0,187089 - i(116,298)
|
- 0,187089 + i(116,298)
|
|
3,633
|
- 116,732i
|
116,732i
|
|
3,634
|
-200
|
- 116,748i
|
116,748i
|
|
4
|
-203,606
|
1,80324 - i(121,372)
|
1,80324 + i(121,372)
|
|
4,5
|
-208,211
|
4,10533 - i(127,251)
|
4,10533 + i(127,251)
|
|
5
|
-212,47
|
6,235 - i(132,705)
|
6,235 - i(132,705)
|
переходный вышнеградский диаграмма
регулирование
По годографу видно, что:
) При К1 > 3,634 - система не
устойчива, переходный процесс расходящийся колебательный, в корнях
характеристического уравнения вещественная часть положительна.
) При К1 = 3,634. - система на границе
устойчивости, переходный процесс периодический колебательный, в комплексно -
сопряженных корнях характеристического уравнения отсутствует вещественная
часть.
) При К1 < 3,634 - система устойчива,
переходный процесс апериодически (монотонно)сходящийся, в корнях
характеристического уравнения вещественная часть отрицательна.
Вывод: в ходе лабораторной работы было
исследовано влияние коэффициента К1 на систему третьего порядка. Определены
аналитически и экспериментально основные параметры системы: время
регулирования, перерегулирования. По кривым переходных процессов и диаграмме
Вышнеградского был определен характер их протекания при различных значениях К1.
Был построен корневой годограф, с помощью которого был определено такое
значение К1, при котором система находилась на границе устойчивости.