2.2 Расчет тихоходной червячной передачи
Выбор материалов и допускаемых напряжений.
Срок
службы передачи
Передача
работает с режимом II
Суммарное
число циклов перемены напряжений
N∑=60∙t∑∙n2=60∙9000∙697,5=376∙106
Ожидаемое
значение скорости скольжения
Для
изготовления червяка выбираем сталь 45 с закалкой до твердости не менее HRC45
и с последующим шлифованием
Для
червячного колеса выбираем материал II группы - бронзу АЖ9-4 с
отливкой в металлическую форму. ув=500 МПа ут=200 МПа (при
)
Эквивалентное
число циклов перемены напряжений для расчёта на прочность рабочих поверхностей
зубьев червячного колеса
NHE=N∑∙KHE=962∙106∙0,2=192,4∙106
KHE=0,2 (табл.
2.2)
Для
расчёта на изгибную выносливость
NFE=N∑∙KFE=962∙106∙0,1=96,2∙106
KFE=0,1 (табл.
2.2)
Допускаемые
напряжения для расчёта зубьев на прочность рабочих поверхностей
(табл.2.4)
Допускаемые
напряжения для расчёта зубьев на изгибную выносливость
SF=1,75
Предельные
допускаемые контактные напряжения
Предельные
допускаемые напряжения изгиба
Ориентировочное
значение коэффициента нагрузки
(рис 3,2)
; 
.3 Расчёт параметров передачи
Предварительное значение межосевого расстояния
Округляем
до стандартного значения и принимаем
aW=150 мм
При
U=50, z1=1 (число заходов червяка)
Z2=Z1∙U=1∙50=50
Осевой
модуль
Принимаем
m’=5
Принимаем
q=10
Коэффициент
смещения
2.8.3 Уточнение расчётных параметров и размеров червячной
пары
Коэффициент нагрузки

=108
(табл 3.3)
Х=0,5
- коэффициент режима
Окружная
скорость червячного колеса
При
КV=1
Окружная
скорость червяка
Скорость
скольжения в зацеплении
-делительный
угол подъёма витка
Уточняем
значение допускаемого напряжения с учётом полученного значения
Расчётное
напряжение
(погрешность<
5%)
2.4 Геометрические размеры червячной передачи
Червяк
Диаметр делительный - d1=m∙q=5∙10=50 мм
Диаметр начальный - d1w=m∙(q-2x)=5(10)=50
Диаметр вершин витков - dа1= d1+2m=50+2∙5=60 мм
Диаметр впадин витков - df1= d1-2∙1.2∙m=50-2∙1,2∙5=38 мм
Длина нарезанной части
b1≥
(11+0,06∙Z2)m+3m=(11+0,06∙50)5+3∙5=85мм
Принимаем b1=85 мм
Червячное колесо
d2=m∙Z2=5∙50=250мм
dа2= d2+2(1-x)m=250+2(1+0)∙5=260
мм
df2= d2-2∙(nf-x)∙m=250-2∙(1,2+0)∙5=238мм
Диаметр наибольший
=260+
Ширина
венца
Принимаем
b2=45 мм
2.5 Силы, действующие на валы
Окружная сила на колесе, равная осевой силе на червяке
Радиальная
сила
Окружная
сила на червяке, равная осевой силе на колесе
2.6 Напряжения изгиба в зубьях червячного колеса

(табл.
3.6) - коэф. формы зуба, определяемый по эквивалентному числу зубьев
.7 Проверка передачи на кратковременную пиковую нагрузку
2.8 Коэффициент полезного действия
(табл.
3.7) - угол трения
.9
Проверка редуктора на нагрев
Температура
нагрева установленного на металлической раме редуктора при естественном
охлаждении
Т.
к. температура нагрева редуктора при естественном охлаждении не превышает
допустимую, то искусственного охлаждения не потребуется.
3. Определение предварительных диаметров валов
Моменты
на валах:
Быстроходный
Т= 28,6 H×м
Предварительные
значения диаметров (мм) различных участков стальных валов редуктора определяют
по формулам:
(В
согласовании с валом электродвигателя)
Из
конструктивных требований принимаем
Для
быстроходного:
конструктивно
принимаем
Для
тихоходного:
конструктивно
принимаем
4. Выбор типа и схемы установки подшипников
I. Для
быстроходного вала: роликовый радиальный с короткими цилиндрическими роликами
по ГОСТ 8328-75 тип 2205 d=25мм, D=52мм, В=15мм;
-
динамическая грузоподъёмность,
-
статическая грузоподъёмность,
-
предельная частота вращения при пластичной смазке.
роликовые конические однорядные с большим углом конусности по ГОСТ
27365-87 тип 1027305A d=25мм, D=62мм, В=17мм.
-
динамическая грузоподъёмность,
-
статическая грузоподъёмность,
-
предельная частота вращения при пластичной смазке.
II.
Для тихоходного вала: роликовые конические однорядные по ГОСТ 27365-87 7310A d=50мм, D=110мм, В=27мм.
-
динамическая грузоподъёмность,
-
статическая грузоподъёмность,
-
предельная частота вращения при пластичной смазке. Расчетный ресурс: 23000
часа. На подшипник действуют:
- осевая
сила,
- радиальная сила. Частота оборотов
. Найдём:
-
коэффициент безопасности
- температурный коэффициент;
- коэффициент вращения.
Определяем
эквивалентную нагрузку:
.
По
табл. находим коэффициент осевого нагружения е=0,35. Проверим условие, что
:
. По
табл. определяем значение коэффициента радиальной динамической нагрузки
и коэффициента осевой динамической нагрузки
.
Определяем
эквивалентную радиальную динамическую нагрузку
.
Рассчитаем
ресурс принятых подшипников:
, или
, что
удовлетворяет требованиям.
Быстроходный вал: фиксирующая опора - левая. Тихоходный вал: схема
установки - «враспор».
5. Конструирование деталей передач
Червячная передача.
Длина посадочного отверстия колеса:
, диаметр
для
ступицы:
,
толщина
наплавленного венца:
, размеры
пазов:
.
Червяк
¾ цилиндрический.
6. Проверочный расчет наиболее нагруженного вала на
усталостную прочность
Действующие
силы: Ft=8536(H), - окружная, Fa=1138(H) -
осевая, Fr=3106(H) - радиальная, момент на валу T=1067(Hм).
,
,
,
.
Определяем
допускаемую радиальную нагрузку на выходном конце вала:
Определим
реакции опор в вертикальной плоскости.
.
,
,
.
Отсюда
находим, что
.
.
,
,
.
Получаем,
что
.
Выполним
проверку:
,
,
,
Следовательно,
вертикальные реакции найдены верно.
Определим
реакции опор в горизонтальной плоскости (Fм прикладываем так, чтобы она
увеличивала прогиб от FT).
.
,
,
,
получаем,
что
.
.
,
,
,
отсюда
.
Выполним
проверку:
,
,
, -
верно.

Материал вала Сталь 20Х
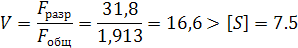
Значения этих коэффициентов для опасного сечения:
Напряжения в опасных сечениях:
Коэффициент
запаса прочности:
допустимое
значение [S] = 2 , т.к S
> [S] прочность
вала обеспечена
Проверяем жёсткость вала. По условиям работы зубчатого зацепления опасным
является прогиб под колесом.
Полярный момент равен:
Прогиб
в вертикальной плоскости от силы Fr:
Погиб
в горизонтальной плоскости от сил Ft и Fм:
Суммарный
прогиб:
Допускаемый
прогиб:
- условие выполняется.
7. Расчет приводного вала
) Определим диаметр приводного вала:
,
где
- момент на приводном валу. Примем
(согласно ряда нормальных линейных размеров). Для
найденного диаметра вала выбираем значения:
-
приблизительная высота буртика,
-
максимальный радиус фаски подшипника. Определим диаметр посадочной поверхности
подшипника:
. Принимаем
.
Рассчитаем диаметр буртика для упора подшипника:
.
Примем
.
)
Для приводного вала редуктора выберем шарикоподшипники сферические двухрядные
средней серии
. Для него имеем:
-
диаметр внутреннего кольца,
-
диаметр наружного кольца,
- ширина подшипника,
-
динамическая грузоподъёмность,
-
статическая грузоподъёмность.
3) Расчет звездочки втулочной цепной передачи М20 неразборной
конструкции. Исходные данные: p=125мм
- шаг цепи, z=11 - число зубьев звездочки цепи, d1=6мм - диаметр ролика цепи, Ввн=15мм
- расстояние между внутренними плоскостями пластин цепи, h=18мм - ширина пластин цепи.
Радиус впадины: r=0,5025d1-0,05=0,5025∙6-0,05≈3мм.
Делительный диаметр:
;
Диаметр
окружности выступов:
;
Диаметр
окружности впадин:
;
Диаметр
проточки:
;
Ширина
зуба цепи:
Радиус
закругления зуба:
;
Толщина
обода:
;
Толщина
диска:
.
8. Расчет шпоночных соединений
Все шпонки редуктора призматические со скругленными торцами, размеры
длины, ширина и высоты соответствуют ГОСТ 23360-78. Материал шпонок ¾ Сталь 45 ГОСТ 1050-88
нормализованная. Все шпонки проверяются на смятие из условия прочности по
формуле:
,
где
.
.Шпонка
6´6´28 .
,
.
.Шпонка
8´7´32 .
,
.
.Шпонка
18´11´63 .
,
.
.Шпонка
14´9´63 .
,
.
Все
шпонки удовлетворяют условиям прочности.
9. Смазка зубчатых зацеплений и
подшипников
Для смазывания передачи применена картерная система.
Для уменьшения потерь мощности на трение и снижения интенсивности износа
трущихся поверхностей, а также для предохранения их от заедания, задиров,
коррозии и лучшего отвода теплоты трущиеся поверхности деталей должны иметь
надежную смазку. Система смазывания - погружением. Отличительная особенность -
погружение червяка так, чтобы начальный цилиндр был полностью погружен в
масляную ванну. Выбор смазочного материала основан на опыте эксплуатации машин.
Принцип назначения сорта масла следующий: чем выше окружная скорость колеса,
тем меньше должна быть вязкость масла, чем выше контактные давления в зубьях,
тем большей вязкостью должно обладать масло. Поэтому требуемую вязкость масла
определяют в зависимости от контактного напряжения и окружной скорости колес.
Предварительно определяют окружную скорость, затем по скорости и контактным
напряжениям находят требуемую кинематическую вязкость и марку масла.
По табл. 11.1 и 11.2 (П.Ф.Дунаев, О.П.Лелиликов) выбираем масло
И-Т-С-320 по ГОСТ 17479.4-87
И - индустриальное масло
Т - для тяжелонагруженных систем
С - масло с антиокислительными, антикоррозионными и противоизносными
присадками
320 - класс кинематической вязкости
Расчитаем
предельно допустимый уровень погружения червяка редуктора в масляную ванну:
,
Подшипники редуктора смазываются тем же маслом, т.к. имеем картерную
систему смазывания. При сборке редуктора подшипники необходимо предварительно
промаслить.
10. Конструирование корпусных деталей
.1 Конструирование корпуса
Корпусная деталь состоит из стенок, ребер, бобышек, фланцев, и других
элементов, соединенных в единое целое.
При конструировании литой корпусной детали стенки следует по возможности
выполнять одинаковой толщины. Толщину стенок литых деталей уменьшают до
величины, определяемой условиями хорошего заполнения формы жидким металлом.
Поэтому чем больше размеры корпуса, тем толще должны быть его стенки. Материал
корпуса - серый чугун СЧ15. Толщина стенки, отвечающая требованиям технологии
литья, необходимой прочности и жесткости корпуса, вычислим по формуле:
,
где
Т - крутящий момент на выходном валу.
При
проектировании редуктора следует все выступающие элементы устранить с наружных
поверхностей и ввести внутрь корпуса. Это обеспечит большую жесткость и лучшие
вибро-акустические свойства.
10.2 Крепление крышки редуктора к корпусу
Для крепления крышки к корпусу используем винты с цилиндрической головкой
и шестигранным углублением «под ключ». Диаметр винтов крепления крышки
рассчитаем по формуле:
принимаем
винты: М14.
Длину
винтов выбираем из расчета конусов давления. Их положение выбираем, стремясь
добиться лучшей фиксации подшипников.
Для
точной фиксации крышки относительно корпуса при сборке необходимо использовать
штифты. Это позволит избежать перекоса крышек подшипников и наружных колец
самих подшипников. Диаметр штифта определим по формуле:
,
принимаем dшт=10(мм)
.3
Сборка привода
В нижнюю часть корпуса редуктора устанавливаем промежуточный вал, один
тихоходный и один быстроходный валы предварительно надев на них зубчатые колеса
и подшипники. Устанавливаем закладные крышки с набором прокладок для
подшипников. Устанавливаем верхнюю часть корпуса.
10.4 Выбор посадок основных деталей редуктора
|
Посадка
|
Применение
|
|
|
Зубчатые и червячные колеса на валы
|
|
|
Крышки торцевых узлов на подшипниках качения, распорные
втулки
|
|
|
Распорные кольца, манжеты
|
|
|
Внутренние кольца подшипников качения на валы
|
|
|
Наружные кольца подшипников качения в корпус
|
|
|
Муфта
|
|
|
Призматические шпонки в канавках валов
|
|
|
Призматические шпонки в канавках зубчатых колес, муфт
|
11. Расчет цепной передачи
Исходные данные:
крутящий момент на меньшей звездочке….Т2 = 8001,8 Нм
частота вращения меньшей звездочки……15 об/мин
передаточное число цепной передачи……..u=1,34
цепь однорядная,
нагрузка толчкообразная,
регулировка натяжения передвижением опор,
передача вертикальная,
смазка периодическая,
работа односменная.
) Определяем приближенное значение шага цепи:
Где

-
коэффициент, учитывающий рядность цепи
)
Выбираем стандартную роликовую цепь
Цепь
ПР-19,05-3180 ГОСТ 13568-75
Шаг
цепи Р=19,05 м. Площадь проекции опорной поверхности шарнира цепи А=105,8 мм2
Разрешающая нагрузка 
, масса 1
метра цепи 
)
Числа зубьев звездочек

принимаем
22

4)
Частота вращения малой звездочки не превышает допустимых значений, приведенных
в таблице 2 [3 c 8],

)
Задаем межосевое расстояние
)
Число звеньев цепи

Принмаем

)
Уточняем межосевое расстояние

)
Делительные диаметры звездочек
)
Оценка долговечности цепи по частоте ударов звена цепи о звездочки
Долговечность
цепи обеспечивается.
)
Окружная сила на звездочке

Где

-
коэффициент динамичности нагрузки

-
коэффициент, учитывающий способ натяжения цепи

-
коэффициент, учитывающий величину межосевого расстояния

-
коэффициент, учитывающий наклон передачи

-
коэффициент, учитывающий способ смазки цепи

-
коэффициент, учитывающий влияние сменности работы передачи
)
Допускаемое давление в шарнире цепи из условия износостойкости шарнира цепи.
При 
и 

)
Расчетное давление в шарнире цепи


Износостойкость
шарнира цепи обеспечивается.
)
Общее натяжение цепи
Где

-
натяжение от собственного веса цепи

-
натяжение цепи от действия центробежных сил
Где

-
коэффициент, зависящий от положения линии центров звездочек

-
ускорение свободного падения
Где

-
средняя скорость цепи
)
Запас прочности цепи на разрушение
Прочность
цепи на разрыв обеспечивается
)
Нагрузка на вал от звездочки цепной передачи:
СПИСОК
ЛИТЕРАТУРЫ
1 Иванов М.Н. Детали машин. - М.: 1998, 2000, 2006, 2007. -
384 с.
. Колпаков А.П., Карнаухов И.Е. Проектирование и расчет
механических передач. - М.: 2000. - 328 с.
. Ерохин М.Н. Детали машин и основы конструирования .-М.:
2004 - 462 с.
. Дунаев П.Ф., Леликов О.П. Конструирование узлов и деталей
машин. - М.: 2006. - 416 с.,
. Курсовое проектирование деталей машин/ Чернавсккий С.А. М.:
2005. - 416 с.
. Набиев Т.С., Васильев В.В. Оформление графической части
курсовых проектов. - Уфа: 2003. - 81 с.
. Набиев Т.С., Валеев В.Ш. Курсовое проектирование по деталям
машин и основам конструирования.- Уфа:2004.- 84 с.
. Шейнблит А.Е. Курсовое проектирование деталей машин. -
Калининград: Янтар, 2002. - 454 с.
ПРИЛОЖЕНИЕ
Подшипник ГОСТ 8338-75
|
обозначение
|
Размеры, мм
|
Грузоподъемность, кН
|
|
d
|
D
|
B
|
r
|
Cr
|
C0r
|
|
|
|
|
|
|
|
Шпонка ГОСТ 23360-78
|
обозначение
|
d
|
b
|
h
|
t1
|
t2
|
l
|
|
|
|
|
|
|
|