Вытяжная вентиляция птичника

  • Вид работы:
    Курсовая работа (т)
  • Предмет:
    Технология машиностроения
  • Язык:
    Русский
    ,
    Формат файла:
    MS Word
    313,02 kb
  • Опубликовано:
    2009-12-05
Вы можете узнать стоимость помощи в написании студенческой работы.
Помощь в написании работы, которую точно примут!

Вытяжная вентиляция птичника

Введение

На животноводческих комплексах промышленного типа, во многих передовых хозяйствах электрофицированны почти все производственные процессы. Используется прогрессивная технология и современные машины. Все больше находят применение новые системы автоматического дистанционного контроля и управления технологическими процессами.

Электрический привод потребляет более двух третей электроэнергии, вырабатываемой в стране. Электропривод сельскохозяйственных машин является основой, на которой базируется комплексная механизация стационарных процессов всех отраслей сельскохозяйственного производства. Опыт эксплуатации животноводческих помещений промышленного типа показывает, что затраты труда на производство молока в 2-3 раза меньше, а число животных одним работником в 1,5-2,5 раза больше, чем на существующих фермах.

Для поддержания оптимального состава воздуха в производственных помещениях необходима систематическая вентиляция с обменом воздуха во всех слоях. В животноводческих помещениях воздух загрязняют выделяемые животными элементы, углекислый газ , сероводород, водяные пары, избыточная теплота, образующийся в помещении аммиак и метан. Неудовлетворительный температурно-влажностный режим и газовый состав воздуха в помещении приводят к снижению яйценоскости кур на 15-20%, а излишняя скорость воздуха, вызывает простудные заболевании.

Интенсификация птицеводства предполагает концентрацию большого поголовья птиц в одном помещении, поэтому без поддержания оптимального уровня микроклимата здесь не обойтись. При этом происходит повышение яйценоскости птиц на 15%, сокращение выбраковки в 2 раза.

Основные цели курсового проектирования являются :

-систематизировать и закрепить теоретические знания и практические навыки по пройденным дисциплинам «электропривод сельскохозяйственных машин», «механизация сельского хозяйства», «инженерная графика», «охрана труда».

-углубить теоретические знания по выбору электропривода вентиляционной установки, для развития профессиональных знаний.

-уметь применять теоретические знания в разработке технологической схемы, схемы электрической расположения в расчете и выборе электропривода вентиляционной установки, силовой сети.

-развить техническую и творческую инициативу, самостоятельность.

-разработать мероприятия по экономии электроэнергии в электроприводе противопожарные мероприятия, мероприятия по электробезопасности и охране труда.

-закрепит методику выбора и проверку пускозащитной аппаратуры электродвигателя, провода и кабеля для питания электроприемеников.

1. Общая характеристика птичника на 10 тыс. голов

Птичник предназначен для содержания кур от 140 дневного возраста с клеточным содержанием.

Размер птичника 96*18*3,8м. Состоит из 2-х изолированных друг от друга залов для содержания кур и подсобных помещений: вытяжной камеры, служебной и инвентарной комнаты, коридоров, гардероба.

На птицеводческих фермах используется клеточное и напольное содержание птиц. Наиболее перспективное клеточное содержание. Куря несушки содержатся в клеточных батареях при искусственном освещении. Птичник оборудован механизированными батареями КБН-1, в в которых имеются механизмы для раздачи кормов, сбора яиц и удаления помета.

Кормление птиц производится кормораздатчиком. Поение птиц осуществляется с помощью скребкового механизма батареи. От батареи помет сбрасывается через люк в полу на транспортер скребковый ТСН-3,0Б, который перегружает его в транспортное средство.

2. Обоснование выбора типа установки

Комплект вентиляционного оборудования «Климат-45» предназначен для создания необходимого воздухообмена в птицеводческих помещениях. В комплект входят низкоаппаратные вентиляторы, позволяющие ступенчато регулировать подачу воздуха.

Комплект «Климат-45» обеспечивает регулирование частоты вращения электроприводов в диапазоне 3:1, автоматический переход на низкую ступень при понижении температуры воздуха в помещении или на высшую ступень при повышении температуры. Так при изменении температуры воздуха автоматический включается и отключается одна из групп вентиляторов. Диапазон регулирования от +5 до +35 0С. Предусмотрено ручное управление вентиляторами, контроль подаваемого напряжения осуществляется сигнальными лампами.

3. Технологическая схема вентиляционной установки в птичнике

Рисунок-1 Технологическая схема вытяжной вентиляции: 1-2 -Вентилятор осевой ВО-7.1; 3-Клапан приточный регулируемый; 4-Вентиляторы приточный крышный или приточная шахта с клапаном;

В комплект вентиляционного оборудования «Климат-45» входят осевые вентиляторы типа ВО-7.1, автоматические выключатели серии АЕ-2000, станция управления вентиляторами ШАП 5701-03-А2Д с панелью первичных преобразователей температуры и автотрансформатором АТ-10. По командам регуляторов температуры изменяется подводимое к электродвигателю вентиляторов через автотрансформатор напряжение и число работающих вентиляторов, вследствие чего изменяется подача вентиляторной установки.

Вентиляторы вытяжной вентиляции разделены на три группы, одна из которых работает постоянно. В зимний период, когда не требуется большого воздухообмена, возможен перепад на нисшую ступень, тоесть работа одной группы вентиляторов, а в летний период года включить остальные группы, если это необходимо для создания нужного воздухообмена.

4. Определение мощности и выбор электродвигателя для привода вытяжной вентиляции

4.1 Расчет мощности и выбор электродвигателя по режиму работы, частоте вращения, типу и исполнению

Вентилятор ВО-7.1 имеет постоянно-продолжительный режим нагрузки, так как нагрузка у вентиляторов всегда одинакова и отключение вентиляторов в птичнике не допустимо, технологический процесс вентиляторов закончен после полного остановки вентиляторов, следовательно, вентилятор будет испытывать продолжительный режим нагрузки.


где ℧-кривая нагрева электродвигателя;

℧уст- установившаяся температура;

Рн- номинальная мощность;

Для того чтобы определить количество вентиляторов типа ВО-7.1 и мощность двигателя, необходимо знать подачу воздуха обеспечивающего вентилятором, если подача одного вентилятора Qв=11000 м3/ч

Определяем часовой воздухообмен Lв в м3/ч ориентировочно по формуле [4, 54]

Lв=G*Lн (1)

где G=22500 –сумарная масса птиц, кг:

Lн – воздухообмен на 1 кг живой массы, м3:

В зимний период воздухообмен составляет

Lв =22500*1,1=24750 м3/ч

В переходный период воздухообмен составляет

Lв=22500*3,6=81000 м3/ч

В летний период воздухообмен составляет

Lв=22500*5,5=123750 м3/ч

Для определения количества вентиляторов выбираем воздухообмен с наибольшим показателем, т.е при Lв=123750 м3/ч. Количество вентиляторов определяется по формуле [5, 150]

N= Lв/Qв (2)

где Qв=11000 – подача одного вентилятора типа ВО-7.1, м3/ч

N=123750/11000=11,25 штук

Выбираю 12 вентиляторов ВО-7.1

Определяем расчетное давление Н (Па)

Н=Y℧2/2*(λl/d+∑β) (3)

где Y=1,2 – плотность воздуха, кг|м2;

℧=12 – скорость движения воздуха в трубе, м|с;

λ=0,02 – коэффициент трения в трубе;

l – длина воздуховода, м;

∑β– сумма коэффициентов местных сопротивлений;

d=0,75 – внутренний диаметр трубы, м;

Н=1,2*122/2(0,02*0,7/0,75+0,29)=26,7 Па

Определяем расчетную мощность электропривода Ррасч в кВт для вентилятора по формуле [4, 56]

Ррасч=Qв*H/(3,6ηвηп) (4)

где Qв – подача вентилятора, м3|ч;

ηв=0,25 – к.п.д. вентилятора;

ηп=1 – к.п.д. передачи;

Ррасч=11000*26,7/(3,6*106*0,25*1)=0,35 кВт

Номинальную мощность двигателя выбирают по условию [4, 56]

Р≥Ррасч*Кз (5)

где Кз=1,1 – коэффициент запаса;

Рн≥Р=1,1*0,35=0,4 кВт

Рн=0,55 кВт

Выбираем электродвигатель АИР71В6У3

Таблица 1 – технические характеристики двигателя

Марка

4АПА80А6У2

Мощность при номинальной нагрузке, кВт

0,55

Частота вращения при номинальной нагрузке, об|мин

930

Сила тока статора при номинальной нагрузке, А

2,1

КПД, %

67,5

Коэффициент мощности

0,7

Кратность пускового тока

4

Кратность пускового момента

2

Кратность максимального момента

2,2

Кратность минимального момента

1,8


4.2 Проверка выбранного двигателя по нагреву, перегрузочной способности и по условиям пуска.

По условиям нагрева должно соблюдаться условие

Рн ≥ Ррасч (6)

где Рн – номинальная мощность двигателя, кВт;

Ррасч=0,35 – расчетная мощность, кВт;

0,55 ≥ 0,35

По условии пуска перегрузки должно соблюдаться условие

Мн≥Мпер (7)

где Мн – номинальный момент электродвигателя, Н*м;

Мпер –номинальный момент по условии перегрузки, Н*м;

Определяем номинальный момент электродвигателя, Н*м;

Мн=9550*Рн/n (8)

где Рн – номинальная мощность двигателя, кВт;

n – частота вращения двигателя, мин-1;

Мн=9,55*550/930=5,6 Н*м

Номинальный момент по условию перегрузки

Мпер=Мс/0,75* Кmax, (9)

где Мс – статический момент уставки, Н*м;

Кmax – кратность максимального момента;

Статический момент уставки по формуле [3, 134]

Мс=9,55 Ррасч/nн (10)

где Ррасч=350 Вт - расчетная мощность;

Мс=9,55*350/930=3,5 Н*м

Мпер=3,5/0,75*2,2=2,1 Н*м

5,6 ≥ 2,1

Следовательно условия соблюдаются

Проверяем электродвигатель по условиям пуска с учетом условия

Мн≥Мн.п (11)

где Мн.п. – номинальный момент при пуске, Н*м;

Определяем номинальный момент при пуске

Мн.п=1,25*Мс/(Кmin*u2) (12)

где Кmin =1,8 – кратность минимального момента электродвигателя;

u=0,925 – напряжение на зажимах электродвигателях с учетом его отключения во время пуска в относительных единицах.

Мн.п=1,25*3,5/(1,8*0,952)=2,9 Н*м

5,6 ≥ 2,9

Следовательно выбранный электродвигатель выбран правильно

6 Расчет механической характеристики и продолжительности пуска электропривода вытяжной вентиляции

Определяем моменты двигателя:

Пусковой момент Мп в Н*м

Мп=Мн*Кп (13)

где Кп=2 – кратность пускового момента;

Мн=5,6 – номинальный момент, Н*м;

Мп=5,6*2=11,2 Н*м

Рассчитываем максимальный момент, Н*м;

Мmax=Kmax*Mн (14)

где Kmax=2,2 – кратность максимального момента;

Mн – номинальный момент;

Мmax=2,2*5,6=12,32 Н*м

Рассчитываем минимальный момент, Н*м

Мmin=Kmin*Мн (15)

где Kmin=1,8 – кратность минимального момента;

Мн – номинальный момент, Н*м;

Мmin=1,8*5,6=10,08 Н*м

Определяем номинальное скольжение Sн по формуле [2. 89]

Sн=(n0-nн)/n0 (16)

где n0 – начальная частота вращения ротора, об/мин;

nн=930 – номинальная частота вращения ротора, об/мин;

n0=60f/p (17)

где f=50 – частота сети, Гц;

р – число пар полюсов;

n0=60*50/3=1000 об/мин

Sн=(1000-930)/930=0,075

Определяем критическое скольжение по формуле [2. 90]

Sк=Sн(Кк+) (18)

где Кк=2,2 – кратность максимального момента;

Sк=0,075(2,2+)=0,31

Определяем поправочный коэффициент

ε=(1/Sk+Sk-2M1)/2(M1-1) (19)

где Sk – критическое скольжение, Н*м;

М1=Kmax/Ki=1,1 – приведенный момент;

ε=(1/0,31+0,31-2*1,1)/2(1,1-1)=6,6

Рассчитываем моменты при снижении напряжения в сети на 10% ;

Мi|=0,81*Мi (20)

Мн|=0,81*5,6=4,53 Н*м

Мп|=0,81*11,2=9,07 Н*м

Мmax|=0,81*12,32=9,97 Н*м

Мmin|=0,81*10,08=8,16 Н*м

По упрощенной формуле Клосса определяем рабочий участок механической характеристики

М=2Мmax/(S/Sk+Sk/S) (21)

где S – скольжение;

Sk – критическое скольжение;

Мmax=12,32 – максимальный момент, Н*м;

Таблица 2 – Расчетные данные для построения механической характеристики двигателя

Расчетные данные

Значение скольжения

Sk

0,1

0,15

0,18

0,22

0,28

0,42

0,48

S/Sк

0,24

1

0,32

0,48

0,58

0,7

0,9

1,3

1,5

Sк/S

4,13

1

3,1

2

1,7

1,4

1,1

0,7

0,6

S/Sк+Sк/S+2* ε

17,57

15,2

16,6

15,68

15,48

15,3

15,2

15,2

15,3

М, Н*м

5,6

12,32

7,2

9,9

11

11,7

12,32

12,32

11,7

1-S

0,925

0,69

0,9

0,85

0,82

0,78

0,72

0,58

0,52

ω=ω0(1-S)

96,125

72,45

94,5

89,25

86,1

81,9

75,6

60,9

54,6

М|, Н*м

4,5

9,9

5,8

8

8,91

9,4

9,9

9,9

9,4


Расчет моментов двигателя в Н*м

S=0,1

S/Sк=0,1/0,31=0,32

Sк/S=0,31/0,1=3,1

S/Sк+Sк/S+2* ε =0,31/0,1+0,1/0,31+2*6,6=16,6

М=2Мmax/(S/Sk+Sk/S)=2*12,32/(0,1/0,31+0,31/0,1)=7,2 Н*м

Мi|=0,81*Мi=0,81*7,2=5,8 Н*м

ω=ω0(1-S)=105*(1-0,1)=94,5 рад/с-1

5.1 Расчет механических характеристик рабочей машины

Рассчитывают статический момент, Н*м

Мс=М0+(Мс.н-М0)*(ω/ωн)х (22)

где Мс – момент сопротивления механизма при скорости ωм , Н*м;

М0 –начальный момент сопротивления на приводном валу, Н*м;

Мс.н, – момент сопротивления при номинальной угловой скорости, Н*м;

Х=2 – показатель степени, характеризующий изменение момента сопротивления при изменении угловой скорости.

М0=0,3*Мс.н (23)

М0=0,3*5,6=1,68 Н*м

Таблица 3 – расчетные данные для построения механической характеристики рабочей машины.

Расчетная величина

Значение скольжения

0,1

0,2

0,3

0,4

0,5

0,6

0,7

0,8

0,9

1

ω=ω0(1-S)

97,125

94,5

84

73,5

63

52,5

42

31,5

21

10,5

0

Мс , Н*м

3,5

3,4

3,2

3

2,8

2,6

2,4

2,2

2

1,8

1,6


5.2 Построение механических характеристик и определение продолжительности пуска электродвигателя

Рассчитываем момент инерции J, кг*м2;

J=FJJдв (24)

где FJ=3,1 – коэффициент инерции производственного механизма, кг*м2;

Jдв=0,00203 – момент инерции двигателя, кг*м2;

J=0,00203*3,1=0,00629 кг*м2

Рассчитывают время разгона для каждого участка, t [2 , с 121]

ti=Jωi/Мдинi (25)

где ωi – угловая скорость на участке, рад/с;

Мдин – момент динамический на участке, Н*м;

t1=0,00629 *13,1/6,6=0,012 с

t2=0,00629 *10,5/8,5=0,0077 с

t3=0,00629 *10,5/9,3=0,0071 с

t4=0,00629 *10,5/9=0,0073 с

t5=0,00629 *10,5/7,6=0,0086 с

t6=0,00629 *10,5/7,2=0,0091 с

t7=0,00629 *10,5/6,5=0,010 с

t8=0,00629 *10,5/5,9=0,011 с

t9=0,00629 *10,5/5,4=0,012с

Находим время разгона электродвигателя с, по формуле

t=∑ti (26)

t=0,012+0,0077+0,0071+0,0073+0,0086+0,0091+0,010+0,011+0,012=0,0848с

6. Разработка схемы подключения. Выбор аппаратуры управления и защиты, проводов и кабелей силовой сети

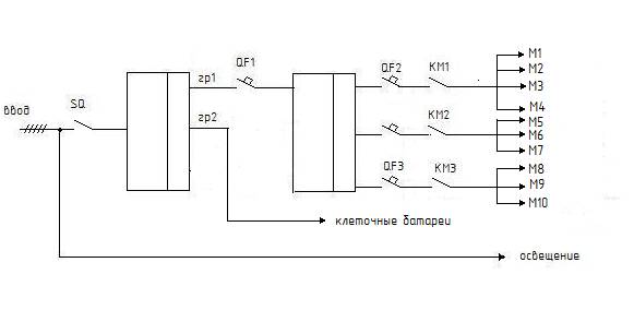
Рисунок 7.1 – схема подключения силовой сети

6.1 Выбираем пускозащитную аппаратуру

6.1.1 Выбираем магнитный пускатель по условию [4, 25]

Uн.п.≥Uн.дв. (27)

Iн.п.≥Iн.дв.

Iн.п.≥Iпуск/6

где Uн.п – номинальное напряжение магнитного пускателя, В;

Uн.дв. – номинальное напряжение электродвигателя, в;

Iн.п. – номинальный ток магнитного пускателя, А;

Iн.дв. – номинальный ток электродвигателя, А;

Iпуск – пусковой ток электродвигателя, А;

Выбор магнитного пускателя КМ1

380=380

10А ≥ 8,4А

10А ≥ 5,6А

Условия выполняются выбираем магнитный пускатель первой величины типа ПМЛ-1110У3 с номинальным током 10А

Выбор магнитного пускателя КМ2, КМ3

10А ≥ 6,3А

10А ≥ 4,2А

Условия выполняются выбираем магнитный пускатель первой величины типа ПМЛ-1110У3 с номинальным током 10А

7.1.2 Выбираем автоматические выключатели по условию [4, 33]

Uн.а.≥Uн. дв. (28)

Iн.а.≥Iн.дв.

Iн.э.≥Кн.э.∑Iн

Iн.тр.≥Кн.т.∑Iн.дв.

где Uн.а – номинальное напряжение автоматического выключателя, В;

Iн.а – номинальный ток автоматического выключателя, А;

∑Iн.дв. – номинальные токи электродвигателей, А;

Iн.тр – номинальный ток теплового расцепителя, А;

Кн.т – коэффициент надежности теплового расцепителя;

Iн.э – номинальный ток электромагнитного расцепителя, А;

Выбираем автоматический выключатель QF3, QF4

380В = 380В

25А ≥ 6,3А

Iн.э = 6,93

8А ≥ 6,93А

k=0,9

Условия соблюдаются, выбираем автоматический выключатель типа АЕ-2036РУ3 с номинальным током теплового расцепителя Iн.тр=8А и устанавливаем регулятор на 0,9

Выбираем автоматический выключатель QF2

380В = 380В

25А ≥ 8,4А

Iн.э = 9,24А

10А ≥ 9,24А

k=0,9

Условия соблюдаются, выбираем автоматический выключатель типа АЕ-2036РУ3 с номинальным током теплового расцепителя Iн.тр=10А и устанавливаем регулятор на 0,9. Выбираю автоматический выключатель QF1

380В = 380В

25А ≥ 21А

Iн.э = 23,1А

25А ≥ 23,1А

k=0,9

Условия соблюдаются, выбираем автоматический выключатель типа АЕ-2036РУ3 с номинальным током теплового расцепителя Iн.тр=25А и устанавливаем регулятор на 0,9

6.1.3 Выбираем фазочувствительную защиту по условию

Iр.ф ≥Iн.дв. (29)

где Iр.ф – рабочий ток фазочувствительной защиты, А;

Iн.дв. – номинальный ток электродвигателя

16А ≥ 8,4А (А1)

8А ≥ 6,3А (А2, А3)

Условия выполняются, выбираем фазочувствительнуюю защиту типа ФУЗ-4М с рабочим диапазоном тока от 8 до 16А и фазочувствительнуюю защиту типа ФУЗ-3М с рабочим диапазоном тока от 4 до 8А

6.1.4 Выбираем кнопочный пост в цепь управления

По конструктивным особенностям, количеству органов управления, климатическому исполнению и категории размещения выбираем кнопочный пост типа ПКЕ 212-У3.

6.1.5 Выбираем рубильник на ввод щита СПА.

6.1.5.1 Определяем суммарную мощность на вводе щита СПА кВт, по формуле

Рспа = ∑Рн.дв.+∑Рк.б. (30)

где ∑Рн.дв – сумма номинальных мощностей электроприводов вентиляционной установки;

∑Рк.б. – мощность электроприводов клеточных батарей КБН-1

Рспа=6,6+30=36,6 кВт

6.1.5.2 Определяем ток на вводе щита СПА, А, по формуле

Iспа= Рспа/Ucos (31)

Где Рспа - суммарная мощность на вводе щита СПА, Вт

U – напряжение питающей сети, В;

Cos=0,71 – коэффициент мощности;

Iспа=36600/*380*0,71=78,4

6.1.5.3 выбираем рубильник на вводе щита СПА по условии

Iн ≥ Iспа (32)

где Iн – номинальный ток рубильника, А;

Iспа – ток на вводе щита, А;

100А ≥ 78,4А

Условия выполняются, выбираем рубильник типа РБ-31 с номинальным током 100А

6.2 Выбираем провода и кабели силовой сети

Провода и кабели выбираются в зависимости от категории размещения, условий окружающей среды, вида проводки и способа прокладки. Площадь сечения проводов и кабелей определяют по условиям допустимого нагрева.

6.2.1 Выбираем марку провода на участках от СПА до ШАП и от ШАП до двигателя по условию [4, 121]

Iдоп ≥ Iн.р. (33)

где Iдоп - допустимый ток провода, А;

Iн.р. – номинальный ток теплового расцепителя автоматического выключателя, А;

Выбираем марку провода на участках от ШАП до двигателей

16А ≥ 10А

Условия выполняются, выбираем кабель типа АВРГ 5*2,5, с допустимым током 16А, которому соответствует сечение 2,5мм2

Выбираем марку кабеля на участке от СПА до ШАП

26А ≥ 25А

Условия выполняется, выбираем кабель типа АВРГ 5*6 , с допустимым током Iдоп=26А, которому соответствует сечение 6 мм2

6.2.2 Выбираем марку кабеля на вводе с учетом осветительной нагрузки

6.2.2.1 Находим мощность освещения, Вт, по формуле

Росв=РудS (34)

где Руд=5,8 – удельная мошьность освещения Вт/м2;

S=1728 –площадь основного помещения, м2;

Росв=5,8*1728=10024,4 Вт

6.2.2.2 Находим рабочий ток осветительной нагрузки, А, по формуле

Iосв.р.=Росв/Ucos (35)

где Росв – мощность освещения, Вт;

U – напряжение питающей сети, В;

Cos=0,85 – коэффициент мощности;

Iосв.р.=10024,4/*380*0,85 =17,9 А

6.2.2.3 Находим установившуюся мощность на вводе, кВт, по формуле

Руст=Рспа+Росв (36)

где Росв – мощность освещения, Вт;

Рспа - суммарная мощность на вводе щита СПА, Вт;

6.2.2.5 Находим установившийся ток на вводе. А, по формуле

Iуст=Iспа+Iосв.р. (37)

где Iспа – ток на воле щита СПА, А;

Iосв.р – рабочий ток осветительной нагрузки, А;

Iуст=78,4+17,9=96,3А

6.2.2.5 Определяем кабель на вводе по условию

Iдоп ≥ Iуст (38)

где Iдоп – допустимый ток кабеля, А;

Iуст – установившийся ток на вводе, А;

105А ≥ 96,3А

Условия выполняются, выбираем кабель марки АВРГ5*50 с допустимым током 105А и сечением 50 мм.2

7 Разработка схемы управления электропривода и ее описание

Схема электрическая принципиальная изображена в графической части проекта (лист1, формат А1)

Принцип управления электродвигателем вентиляторов осуществляется а ручном режиме.

При включении рубильника QS, напряжение подается на автоматический выключатель QF1, при включении которого напряжение подается в цепь управления и силовую цепь. При включении однофазного автоматического выключателя SF запитывается цепь управления, о чем сигнализирует лампа HL1. При нажатии пусковой кнопки SB2, катушка магнитноко пускателя KM1 срабатывает и его блок контакты замыкаются, при этом напряжение подается на электродвигатели М1-М4 и они начинают работать, об этом сигнализирует лампа HL2. При нажатии стоповой кнопки SB1, блок контакты размыкаются, в следствии обесточивания катушки магнитного пускателя. Двигатели отключаются.

Остальные группы вентиляторов работают аналогично.

8. Разработка мероприятий по экономии электроэнергии в электроприводе

Для повышения эффективности сельскохозяйственного производства и снижения затрат на электроэнергию необходимо применять следующие мероприятия:

-анализ расхода электроэнергии предприятиями;

-внедрение энергосберегающих ресурсов и технологий, замена контактных схем управления на бесконтактные;

-учет электропотребления в хозяйстве;

-обоснованный выбор электрооборудования: вентиляторов, пускозащитной аппаратуры, правильный выбор кабелей;

-внедрение автоматизированных систем управления и контроля;

-применение электроустановок с повышенным коэффициентом мощности и КПД;

-применение двигателей новой серии.

Кроме того можно выделить следующие пути экономии электроэнергии в вентиляторных установках:

-автоматизация схем управления;

-полная загрузка рабочей машины;

-уменьшение времени переходных процессов;

-своевременное техническое обслуживание двигателей и вентиляторных установок;

-улучшение условий пуска;

Также можно подсчитать экономию электроэнергии путем замены старых серий электродвигателей на новые в денежном выражении.

9.1 Расчет годовой экономии электроэнергии при замене электродвигателя серии 4А на серию АИР соответствующей мощности

Тип двигателя

Рн,,кВт

n,мин-1

Iн,, А

КПД, %

АИР71В6У3

0,55

915

1,74

0,65

4А71В6У3

0,55

930

2,1

0,71


9.2 Определяем расход электроэнергии электродвигателя серии 4А

Эi=РТ/ (39)

где Р=0,55 – номинальная мощность электродвигателя, кВт;

Т=8700 – киловато часов, ч/год;

 - КПД двигателя;

Э1=0,55*8700/0,71=6739 кВт/год;

9.3 Определяем расход электроэнергии двигателя серии АИР

Э2=0,55*8700/0,65=7361,5 кВт/год;

9.4 Определение экономии электроэнергии

Э=Э2+Э1 (40)

Э=7361,5-6739 =622,5 кВт/год;

9.5 Определяем экономию в денежном выражении, руб;

С=Э*а (41)

где а=1,2 – цена за 1 кВт*ч;

С=1,2*622,5=747 р;

11. Разработка мероприятий по электробезопасности, противопожарные мероприятия, охрана природы

11.1 Мероприятия по электробезопасности при эксплуатации вентиляционных установок

-всю работу производить только по наряду-допуску, распоряжению или в порядке текущей эксплуатации;

-работник осуществляющий ремонт электроустановки, должен быть ознакомлен с целевым инструктажем;

-при выполнении работ нужные для работы токоведущие части и принимают меры, препятствующие ошибочному включению выключателей или других коммутационных аппаратов;

-на приводах ручного и ключа дистанционного управления коммутационными аппаратами вывешивают плакаты безопасности. Запрещающие включение;

-проверяют отсутствие напряжения на токоведущих частях, которые должны быть заземлены на время работы;

-ограждают при необходимости рабочее место и оставшиеся под напряжением части и вывешивают предупреждающие плакаты;

-обязательно заземлять все электроустановки;

-обязательно отдельно выводить защитный нуль;

11.2 Мероприятия по пожарной безопасности

К мероприятиям по пожарной безопасности относится:

-организовывать на подведомственных объектах изучение и выполнение типовых правил пожарной безопасности для промышленных предприятий всеми рабочими и специалистами;

-организовывать на объектах проведение противопожарного инструктажа и занятия по пожарно-технологическому минимуму;

-устанавливать на объектах противопожарный режим и постоянно контролировать его строжайшее соблюдение всеми работниками и обслуживающим персоналом (на каждом объекте на видном месте должна быть вывешена инструкция по противопожарной безопасности);

-периодический проверять состояние пожарной безопасности объектов, наличие и исправность технических средств борьбы с пожарами.

11.3 Охрана природы

Охрана труда –это система законодательных актов, социальных экономических, гигиенических, профилактических мероприятий и средств обеспечения защиты и сохранения здоровья человека и его работоспособности.

При работе вентиляционных установок запрещается:

-пуск неисправной машины;

-работа неисправной машины;

-пуск машины без предварительного предупреждения сигнала;

-начинать разборку машины до полной ее остановки;

Заключение

Разрабатывая тему курсового проектирования, я систематизировал, расширил и углубил свои теоретические знания: ознакомился с достижениями в области проектирования, монтажа и эксплуатации электроустановок вентилирования птицеводческих помещений; приобрел опыт самостоятельного решения задач электрификации; получил навыки использования нормативной, справочной и учебной литературы, подготовил теоретическую базу для дипломного проекта.

Осознал важность создания должного микроклимата в птичниках для повышения продуктивности птиц, уменьшения падежа птиц, а так же увеличение срока службы зданий и установленного в них технологического оборудования.

Приложение

Критерии оценки и самооценки качества выполнения курсового проекта.

Исследуемая система

Показатели

Структура

Способности

Количество баллов

Всего

самооценка

Оценка руководителя

Электрооборудование вытяжной вентиляции

-свинарник на 1000 голов.

-электродвигатель

-светильники

-аппараты защиты

-электропроводка

Введение

Описательная часть

Расчетная часть

Организационно-экономическая часть

Заключение

Приложение

Практическая часть

Оформление проекта

Защита проекта

1. Определить актуальность и значимость темы проекта, формулировать цели.

2. Излагать текст с соблюдением правил оформления, кратность и логичность изложения в текстах.

3. Применять теоретические знания в практических расчетах по алгоритму.

4. Разрабатывать мероприятия по экономии электроэнергии по ТБ, ППБ, охране труда, нормам и правилам

5. Саморефлексия. Выводы и рекомендации по использованию материалов проекта.

6. Анализировать выбранное электрооборудование по техническим условиям и токам нагрузки, качество заполнения расчетно-монтажная таблица.

7. Разрабатывать и графический выполнить электрические схемы по ГОСТ.

8. Соблюдать требования ЕСКД и ЕСТД, сроки выполнения проекта.

9. Аргументировать принятое техническое решение.

3-5

6-10

12-15

6-10

3-5

6-10



12-20

6-10

6-10




Оценка : 60 – 75 баллов – оценка удовлетворительно

76 – 90 баллов – оценка хорошо

91 – 100 баллов – оценка отлично

Литература

1 Алиев И.И «Справочник по электротехнике и электрооборудованию» - М: Высшая школа, 2000.-255с.

2 Герасимович Л.С. «Электрооборудование и автоматизация сельскохозяйственных агрегатов и установок» -М: колос, 1980 – 391с.

3 Елисеев В.А. Справочник по автоматизированному электроприводу – М: Агропромизлат, 1990-315с.

4 Каганов И.Л. «Курсовое и дипломное проектирование»

5 Кудрявцев И.Ф. Электрооборудование животноводческих предприятий и автоматизация производственных процессов в животноводстве – М: Колос,1979-368с.

6 Новиков Ю.В. охрана окружающей среды – М: Высшая школа, 1987 – 287с

7 Таран В.П. Техническое обслуживание электрооборудования в сельском хозяйстве-М: Колос. 1975-304с.

8 Яницкий С.В. Электрооборудование сельскохозяйственных агрегатов и установок –СП: Упромиздат, 1993-101с

9. ГОСТ 21.614-88С.17 Изображение условное графическое электрооборудования на планах.

10 ГОСТ 2.710-81 Обозначение буквенное цифровые в схемах

11. ГОСТ 2.721-74 Обозначение условно графические в схемах.

12. Методические рекомендации по оформлению пояснительной записки и графические части курсового проекта.


Не нашли материал для своей работы?
Поможем написать уникальную работу
Без плагиата!
Без нейросетей!