Электроснабжение родильного отделения для коров на 72 места с профилакторием и вентпунктом

  • Вид работы:
    Курсовая работа (т)
  • Предмет:
    Физика
  • Язык:
    Русский
    ,
    Формат файла:
    MS Word
    677,75 kb
  • Опубликовано:
    2010-11-17
Вы можете узнать стоимость помощи в написании студенческой работы.
Помощь в написании работы, которую точно примут!

Электроснабжение родильного отделения для коров на 72 места с профилакторием и вентпунктом

Министерство сельского хозяйства и продовольствия

Республики Беларусь

Белорусский Государственный Аграрный Технический Университет

Кафедра электротехнологии

Расчетно-пояснительная записка к курсовому проекту

по дисциплине Проектирование электроустановок

на тему

Электроснабжение родильного отделения для коров на 72 места с профилакторием и вентпунктом





Выполнил:

Студент 5 курса 20ЭПТ группы

Алехно А.К.

Руководитель:

Лицкевич Е.И.

 





Минск - 2010

Содержание

1. Характеристика проектируемого объекта и описание технологического процесса

1.1 Технологический процесс

1.2 Архитектурно-планировочные и строительные решения

1.3 Характеристика помещений по условиям окружающей среды и по электробезопасности

2. Схемы электрических сетей здания

2.1 Характеристика электроприемников

2.2 Системы токоведущих проводников. Системы заземления

2.3 Определение места электрического ввода в здание. Предварительный выбор ВРУ

2.4 Выполнение структурной схемы электрических сетей здания

2.5 Принципиальная схема распределительной сети

2.6 Принципиальная схема питающей сети

3. Расчет электрических нагрузок

3.1 Цель расчета и обоснование принятого метода расчета

3.2 Определение основных расчетных параметров – расчетной мощности на вводе, коэффициента мощности, полной мощности

4. Выбор оборудования, аппаратов управления и защиты

4.1 Характеристика коммутационных аппаратов

4.2 Характеристика и расчет защитных аппаратов

4.3 Окончательный выбор ВРУ и РП

5. Расчет сечений кабелей и проводов

6. Выбор типов электропроводок здания. Обоснование конструктивного исполнения

7. Разработка схемы принципиальной электрической управления

7.1 Анализ технологического процесса и требования к управлению

7.2 Разработка схемы и выбор элементов схемы

7.3   Описание работы принципиальной схемы управления

Литература

1. Характеристика проектируемого объекта и описание технологического процесса

1.1 Технологический процесс

По заданию на проектирование объектом электрификации является родильное отделение. По правилам устройства и эксплуатации электрооборудования данный объект является объектом второй категории по надежности электроснабжения. Основные объекты электрификации – вакуумный насос, транспортер скребковый, вентиляторы приточный и вытяжные. Система отопления и вентиляции в здании представлена вентиляторами вытяжной и приточной системы вентиляции, отопительными приборами. Освещение предусмотрено осветительными щитками с указанной номинальной мощностью. Здание предназначенное для строительства в составе фермы по производству молока на 600 коров. Внутри имеются помещения родильное отделение и стационар, профилактория помещение для привода транспортера, тамбур, молочная родильной, манеж-приемная ветпункта, помещение для санобработки животных, помещение для персонала, вакуум насосная коридор венткамера и электрощитовая.

Коровы содержатся на привязи в стойлах, телята содержатся в профилактории в индивидуальных клетках. доение коров механическое в стойлах, кормление всеми видами кормов из стационарных кормушек. Раздача грубых, сочных и зеленых кормов производится мобильным кормораздатчиком. Конц. корма раздается с помощью ручных тележек. Уборка навоза осуществляется скребковым транспортерам ТСН-3,0Б.

1.2 Архитектурно-планировочные и строительные решения

Здание г-образной формы. Длина 41 м, ширина 10,5 м, и 12х18 пристройка. Общая площадь 646,5 м2 . Здание стоечно-блочной конструкции. Стены выполнены из железобетонных панелей. Покрытие – железобетонные плиты с утеплением. Высота помещения у наружных стен 3метра.

1.3 Характеристика помещений по условиям окружающей среды и по электробезопасности

Здание содержит 12 помещений. По условиям окружающей среды помещения делятся по влажности на:

- сухие;

- влажные;

- сырые;

- особо сырые.

Помещения для содержания по условиям окружающей среды относят к сырым с химически активной средой. Остальные помещения относятся к влажным или нормальным (сухие без нагрева свыше 350С, пыли и химически активных сред).

Помещения не относятся к пожаро- и взрывоопасным.

По опасности поражения электрическим током помещение относится к помещениям с повышенной опасностью.

2. Схемы электрических сетей здания

 

2.1 Характеристика электроприемников

Согласно правилам устройства электроустановок, объект относится к электроприемникам II категории по надежности электроснабжения, поэтому необходимо предусмотреть два независимых взаимно резервирующих источника питания. Перерыв в электроснабжении этих электроприемников от одного из источников допускается только на время включения резервного источника питания действиями оперативной бригады, наличие АВР не обязательно.

В помещении установлены 2 электродвигателя для привода скребковыми установками ТСН-3,0Б с мощностью Рн=4.0 кВт с синхронной частотой вращения 1500об/мин. Поддержание параметров микроклимата в помещении обеспечивается за счет вентиляции. Имеются приточный вентилятор с номинальной мощностью Рн=4 кВт, и 3 вытяжных вентилятора с Рн=0,55 кВт, а также имеется вакуумный насос с Рн=2,2 кВт, холодильник с Рн=0,25 кВт, водонагреватель с Рн=3,6 кВт и щиток освещения с Рн=4,5 кВт.

Для всех электродвигателей принимаем синхронную частоту вращения 1500об/мин.

Таблица 2.1 Технические данные имеющихся электроприводов.

Поз.

Наименование

Кол. .

Электродвигатель




%

cosφ

Кi

1

Вакуумный

насос

1

2,2

5,0

0,83

6,5

2

Холодильник

1

0,25

0,83

68

0,67

5,0

3

Титан

1

3,6

5,48




4,1

Транспортер скребковый

«горизонтальный»

1

4,0

8,5

88

0,84

7,0

4,2

Транспортер скребковый

«наклонный»

1

1,5

3,52

78

0,83

5,5

П1

Вентилятор центробежный

1

4,0

8,5

85

0,84

7,0

В1-В3

Вентиляционное оборудование

3

0,55

1,61

71

0,73

5,0


2.2 Система токоведущих проводников. Система заземления

Питание электроустановки здания предусматривается на напряжение 380/220 В переменного тока от трансформаторной подстанции. Система токоведущих проводников для электроприемников, относящихся к силовому электрооборудованию – трехфазная пятипроводная. Питающая линия от подстанции – кабельная.

Для проектируемого объекта принимается система заземления типа ТN, подсистема – TN-S, характеризующаяся тем, что от трансформаторной подстанции до ввода в здание предусматривается трехфазная пятипроводная система проводников (три фазы плюс PE и N-проводники). На вводе в здание во вводном щите ВУ предусматривается главная заземляющая шина.

2.3 Определение места расположения электрического ввода в здание. Предварительный выбор ВРУ

Место электрического ввода в здание показано на листе 1 графической части проекта.

Водно-распределительные устройства (ВРУ) предназначены для приема и распределения электрической энергии внутри помещения. ВРУ обеспечивают подключение, коммутацию и защиту силовых и осветительных электропроводок, а также групп или отдельных электроприемников. Исходя из опыта эксплуатации электроустановок сельскохозяйственных производственных зданий, ВРУ размещаем в имеющейся в здании электрощитовой. Такое размещение обеспечивает большую сохранность оборудования, ограничивает доступ постороннего персонала, повышает надежность электроустановки. Исходя из того, что электроприемники различных технологических линий находятся в разных частях здания и удалены друг от друга на достаточное расстояние, принимаем отдельные конструкции вводного устройства и распределительных пунктов. Предварительно выбираем к установке вводно-распределительное устройства ВРУ-Ин1 и распределительный пункт типа «ШР11» с предохранителями.

2.4 Выполнение структурной схемы электрических сетей здания

Структурная схема – это графический документ, дающий общее представление об электрической сети здания. Структурная схема определяет основные функциональные части сети и их взаимосвязь.

Для приема и распределения электроэнергии в родильной предусматриваем радиально-магистральную схему электрической сети, как наиболее полно удовлетворяющую требованиям надежности, простоты и дешевизны.

После анализа ЭП здания все электроприемники с учетом их расположения и принадлежности к технологическим линиям разбиты на группы. Принимаем, что электроприемники запитываются от узла питания (ПР), установленного в электрощитовой, управление электроприемниками осуществляется с использованием щитов управления, устанавливаемых в удобных местах, с точки зрения технологического процесса. Для управления вентиляторами предусмотрена шкаф управления (ШУВ), Ввод в здание осуществляется двумя линиями с возможностью перевода питания на одну линию при выходе из строя питающей линии.

Рисунок 2.4 Структурная схема электрических сетей здания

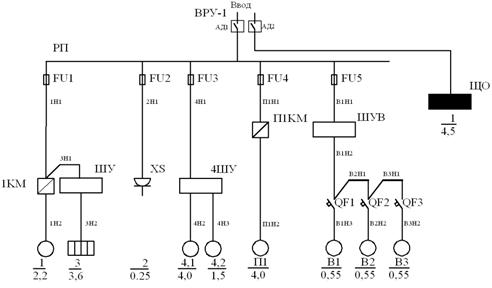
2.5 Принципиальная схема распределительной сети

Принципиальная схема электрической сети зданий – это графический документ, дающий полное представление об электрической сети здания, на котором приведена информация обо всех электрических цепях всех аппаратов, устройствах и изделиях, необходимых для исполнения сети. Принципиальные схемы предназначены для полного ознакомления с электроустановками здания, производства электромонтажных работ в электроустановках, разработки других схем. Принципиальная схема составляется на основании разработанной структурной схемы.

Принципиальные схемы разрабатываются на основании структурных схем, они выполняются в соответствии с ГОСТ21.613-88, по форме приведенной в графической части курсового проекта. Электрические сети подразделяют на питающую и распределительную.

Вначале выполняется схема распределительной сети, а затем питающей. Начинают работу принципиальной схемы с вычерчивания линий шин РП, записывается информация по данному РП. Все аппараты и устройства обозначаются отрезками прямых линий. Принципиальная схема распределительной сети для здания родильного отделения представлена на листе 2 графической части проекта.

2.6 Принципиальная схема питающей сети

При выполнении схемы питающей сети необходимо учитывать категорию потребления по надежности электроснабжения. Данный объект относится ко второй категории электроснабжения. Исходя из вышеуказанного, здание питается по двум кабельным линиям, поэтому на вводе в здание устанавливаем вводное распределительное устройство. Принципиальная схема питающей сети для здания свинарника представлена на листе 1 графической части проекта.

3. Расчет электрических нагрузок

3.1 Цель расчета и обоснование принятого метода расчета

Определение электрических нагрузок является важнейшим этапом проектирования, как отдельных зданий и сооружений, так и предприятия в целом.

Метод эффективного числа электроприемников (другое название –метод упорядоченных диаграмм) является одним из наиболее точных и широко применяемых методов определения расчетных электрических нагрузок зданий.

Этот метод применяется для объектов, где известны данные о мощностях всех единичных электроприемников (ЭП).

В данном методе используется понятие – «эффективного числа электроприемников» - nэ . Это такое число однородных по режиму работы ЭП одинаковой мощности, которая обуславливает то же значение расчетной нагрузки, что и группа различных по мощности реальных ЭП.

,

где  - суммарная мощность ЭП, кВт;

 - реальное количество ЭП, шт;

 - мощность одного ЭП, кВт.

3.2 Определение основных расчетных параметров – расчетной мощности на вводе, коэффициента мощности, полной мощности

Определение значений расчетных нагрузок (Pp , Qp , Sp , Ip) проектируемого объекта в основном сводится к нахождению числа nэ.

По известной величине nэ с использованием таблицы зависимости

Kp=f(nэ , Kи) находят величину коэффициента расчетной нагрузки Kp. Далее, применяя известные формулы, определяют искомые величины.

Расчетная мощность на вводе, кВт:

 

где  - коэффициент расчетной мощности;

 - коэффициент использования принимаем по [1], раздел 5.

Реактивная мощность, квар:

, при , или

, при

Полную мощность находим по формуле:

, кВА

Расчетный ток определяем по формуле:

, А

Решение:

Определяем величину ∑Рн .


Значение nэ округляем до ближайшего меньшего целого числа – nэ = 6.

Средневзвешенное значение коэффициента использования:

;

Одновременно определим средневзвешенное значение величины tqφ:


По таблице 3 для nэ = 6 и ки = 0,45 определяем величину расчетного коэффициента Кр=1,13

Расчетная активная нагрузка :


Расчетная реактивная нагрузка : так как n < 10:


Полная мощность расчетной нагрузки :


Расчетный ток в линии от ВУ к РП:


Результаты расчетов сводим в таблицу 3.2

4. Выбор оборудования, аппаратов управления и защиты

4.1 Характеристика коммутационных аппаратов

Аппараты управления предназначены для включения, отключения и переключения электрических сетей и электроприемников, регулирования частоты вращения и реверсирования электродвигателей, нагревательных и других электроустановок. Аппараты управления и защиты выбирают по ряду параметров: номинальный ток, напряжение и др.. Кроме того, аппараты выбирают по климатическому исполнению (ГОСТ 15543-70), по степени защиты от воздействия окружающей среды (ГОСТ 14254-69) и другим параметрам в зависимости от назначения аппарата. От правильного выбора пусковой аппаратуры в большой мере зависит надежность работы, численные, количественные и экономические показатели производственного процесса, электробезопасности людей и животных.

4.2 Характеристика и расчет защитных аппаратов

Для устойчивой работы оборудования, а также защиты при различных ненормальных режимах выбираем электрические аппараты управления и защиты.

Выбор предохранителей.

FU1: Рн=2,2 кВт, =0,81, =0,83, Кi=6,5 и Рн=3,6 кВт

Расчетный ток определяется по формуле:

,

Максимальный ток определяем

,

Ток плавкой вставки предохранителя выбираем из двух условий:

1. ;  

2. .

Выбираем предохранитель НПН2-60 с Iн=63А, Iвст=20А

Аналогичным образом выбираем остальные предохранители. Результаты выбора заносим в таблицу 4.2

Выбор электромагнитных пускателей:

Пускатели КМВ2, КМТ1 и КМТ2 выбираем серии ПМЛ в комплекте с кнопками управления (типа ПМЛ 112002). Пускатели установим на стене в электрощитовой, степень защиты пускателей IP54. Номинальный ток пускателя должен быть не менее номинального тока управляемого электродвигателя: для 1КМ − больше 5 А, для П1КМ − больше 8.5 А, для водонагревателя –больше 5,48 А. Номинальный ток пускателя ПМЛ 112002 – 10 А.

Таблица 4.2 Выбор предохранителей

Обозначение по

принципиальной схеме

Ток,А


a


Iм/a

Защитный аппарат

Обоз-начение

Тип

Iвст,А

1Н1

10,48

37,98

2,5

18,48

FU1

НПН2

63

20

2Н1

0,83

4,15

2,5

1,66

FU2

НПН2

63

2

4Н1

12,02

78,86

2,5

31,54

FU3

НПН2

63

40

П1Н1

8,5

59,5

2,5

23,8

FU4

НПН2

63

25

В1Н1

4,83

24,15

2,5

9,66

FU5

НПН2

63

16

4.3 Окончательный выбор ВРУ и РП

Водное устройство выбираем по условиям:

 

где номинальный ток вводного устройства, А;

расчетный ток на вводе в здание, А.

;

В качестве вводно-распределительного устройства будем использовать

ВРУ-Ин1-0500У3,и дифференциальные автоматы АД14/4/25/300 на отходящих линиях .

Учитывая пять отходящих линий выбираем один распределительный пункт типа ШР11-73701-22У3, Iн.шкафа=250А

5. Расчет сечений кабелей и проводов

Для питания электроприемников принимаем кабель с алюминиевыми жилами АВВГ.

Расчет сечений кабелей.

Задачи расчета электропроводок является выбор сечений проводников. При этом сечения проводников кабеля должны быть наименьшими и удовлетворять следующим требованиям:

а) допустимому нагреву;

б) электрической защиты отдельных участков сети;

в) допустимым потерям напряжения;

г) механической прочности.

В отношении механической прочности выбор сечений сводится к просто выполнению нормативных требований по ГОСТ 30331.1-85. В нем приведены минимальные сечения проводников, которые могут быть использованы при выборе электропроводок в здании.

Расчет по определению сечений внутренних электропроводок ведется в следующей последовательности:

1)   определяют номинальные токи плавких вставок предохранителей и токи вставок расцепителей автоматических выключателей;

2)   определяют допустимый ток проводника:

а) по условию нагревания длительным расчетным током:

 (5.1)

б) по условию соответствия сечения провода выбранному току срабатывания защитного аппарата:


где длительно-допустимый ток проводника, А;

длительный расчетный ток электроприемника или

рассматриваемого участка сети, А;

поправочный коэффициент, учитывающий условия прокладки

проводов и кабелей;

кратность допустимого тока проводника по отношению к

номинальному току или току срабатывания защитного аппарата;

номинальный ток или ток срабатывания защитного аппарата, А.

Выбранное сечение проводника проверяем по допустимой потере напряжения, которая в конце участка линии не должна превышать 5%:

 (5.3)

где расчетная мощность, передаваемая по линии, кВт;

длина линии, м;

коэффициент, зависящий от материала жилы, рода тока, значения напряжения и системы распределения электроэнергии (для трехфазной сети с нулевым проводником, напряжением 380/220В выполненной алюминиевым проводом С=46; медным С=77);

площадь сечения токопроводящих жил, .

Рассчитываем сечение кабеля для линии В1Н1

Определяем допустимый ток проводника:

а) по условию нагревания длительным расчетным током:


Принимаем нормальные условия прокладки проводника (температура среды для проводов равна +25 градусов, а для кабелей +15) численное значение Кп=1.

б) по условию соответствия сечения проводника выбранному току срабатывания защитного аппарата:

 


По приложению 8(2) принимаем сечение кабеля:


Сечение нулевого рабочего и нулевого защитного проводника выбираем равным сечению токопроводящих жил. Принимаем кабель АВВГ 5x2,5. Проверяем выбранное сечение проводника по допустимой потере напряжения, которое для внутренних электропроводок не должно быть больше 4%:

 

Следовательно, сечение кабеля выбрано правильно.

Аналогично производим выбор сечений кабелей для остальных участков электропроводок, а данные по выбору сводим в таблицу 5.1

Таблица 5.1 Выбор сечений проводов и кабелей

участка

По расчету

Iр.

По току защитного

аппарата,

Iз.а,А

Iд.табл.

Марка и сечение пр.

Длина, м

ΔU,%

1Н1

10,48

20

19

АВВГ 5 × 2.5

8

0,4

2Н1

0,83

2

19

АВВГ 5× 2.5

12,4

0,03

4Н1

12,02

40

27

АВВГ 5× 4

58

1,73

П1Н1

8,5

25

19

АВВГ 5 × 2.5

17,2

0,6

В1Н1

4,83

19

АВВГ 4 × 2.5

1,5

0,02


6. Выбор типов электропроводок здания. Обоснование конструктивного исполнения

В отношении опасности поражения людей электрическим током здания относятся к помещениям с повышенной опасностью, так как помещение является сырым с химически активной средой.

При проектировании сельскохозяйственных объектов следует применять следующие способы прокладки электропроводок:

- на тросе;

- на лотках;

- в коробах;

- в пластмассовых и стальных трубах;

- в металлических гибких рукавах;

- в каналах строительных конструкций.

Учитывая условия среды и строительные особенности нашего объекта, а также экономическую целесообразность будем выполнять электропроводку по строительным конструкциям на скобах и на тросах с высотой прокладки 2,7 м. Для силовой электропроводки применяем кабель АВВГ.

Трассы электропроводок выполняем параллельно или перпендикулярно стенам зданий или сооружений. Всю электропроводку до электромагнитных пускателей выполняем пятижильным кабелем типа РЕ, после них – четырехжильным кабелем.

7. Разработка схемы принципиальной электрической управления

7.1 Анализ технологического процесса и требования к управлению

Необходимо разработать схему управления водонагревателем. Нагреватель предусматривает два режима работы: ручной, кнопками управления и автоматический, включение при снижении температуры воды ниже 300С и отключение при нагреве воды до 600С, а также отключение нагревателей при снижении уровня воды ниже минимального.

7.2 Разработка схемы и выбор элементов схемы

Произведем выбор электромагнитного пускателя КМ для электронаревателя:

Электромагнитные пускатели выбирают в зависимости от:

- условий окружающей среды;

- номинальному току: ;

- по номинальному напряжению:

- по напряжению катушки пускателя:

Исходя из требований выбираем электромагнитный пускатель серии

ПМЛ 11-2002 на номинальный ток 10А, номинальное напряжение 380В.

Произведем выбор автоматического выключателя QF, выбор производим по условиям:

1)   номинальному напряжению (

2)   номинальному току (

3)   номинальному току теплового расцепителя ();

4)   по числу полюсов, конструктивному и климатическому исполнению, категории размещения и степени защиты.

Расчетный ток линии:

 


Определяем расчетный ток теплового расцепителя:

 

где коэффициент надежности, учитывающий разброс по току

срабатывания теплового расцепителя, принимается от 1.1 до 1.3;

 

Выбираем автоматический выключатель АЕ2023, Iн.выкл.=16А, Iн.т.р.=8 А.

Выбираем пусковые кнопки типа КЕ041, пакетный переключатель ППК16-11С23УХЛ3.

7.3 Описание работы принципиальной схемы управления

При включении автоматического выключателя QF,подаётся питание в цепь управления электронагревателя.

При положении рукоятки переключателя SA в положении «А» регулирование температуры происходит в автоматическом режиме, вода нагревается до температуры 600С после чего срабатывает датчик температуры SK2 и отключает нагреватели, когда вода остынет до температуры 300С сработает датчик температуры SK3 и включит нагреватели. При положении рукоятки переключателя SA в положении «Р» нагрев воды происходит в ручном режиме . При нажатии кнопки SB2 запитывается катушка магнитного пускателя KM, который своим блок контактом KМ шунтирует кнопку SB2, одновременно с этим, магнитный пускатель KM замыкает свои силовые контакты , тем самым включает нагреватели ЕК. Нагрев будет продолжаться до тех пор, пока вода не нагреется до 1000С, отключение обеспечит датчик температуры SK1. В схеме предусмотрен датчик уровня, который не позволит включить нагреватели если в нем нет воды.

Реферат

В проекте дана краткая характеристика объекта электрификации и описание технологических процессов: приведены краткие характеристики электрооборудования объекта; подсчитана мощность на вводе в здание, выбрано ВРУ, коммутационная и защитная аппаратура, рассчитаны сечения проводов и кабелей.

Литература

1.Правила устройства электроустановок (ПУЭ).

2.Основы проектирования энергооборудования. Методические рекомендации к курсовому проекту. А.А.Дацук, В.Е. Шестерень, И.Н.Шаукат. - Мн.: БГАТУ, 2005-51с.

3.Практикум по дисциплине «Основы проектирования энергооборудования.

А.К.Замберов, Е.И.Лицкевич. - Мн.: БГАТУ, 2004-82с.

4Проектирование электроустановок. Учебно-методическое пособие к курсовому и дипломному проектированию. Е.К. Лицкевич, П.В. Кардашов,. Мн.:БГАТУ,2008-53с.

Похожие работы на - Электроснабжение родильного отделения для коров на 72 места с профилакторием и вентпунктом

 

Не нашли материал для своей работы?
Поможем написать уникальную работу
Без плагиата!
Без нейросетей!