Аналого-цифровой преобразователь

  • Вид работы:
    Курсовая работа (т)
  • Предмет:
    Информатика, ВТ, телекоммуникации
  • Язык:
    Русский
    ,
    Формат файла:
    MS Word
    185,44 Кб
  • Опубликовано:
    2014-03-17
Вы можете узнать стоимость помощи в написании студенческой работы.
Помощь в написании работы, которую точно примут!

Аналого-цифровой преобразователь

МИНИСТЕРСТВО ОБРАЗОВАНИЯ И НАУКИ УКРАИНЫ

ХАРЬКОВСКИЙ НАЦИОНАЛЬНЫЙ УНИВЕРСИТЕТ РАДИОЭЛЕКТРОНИКИ

Кафедра БМЭ









Курсовая работа по дисциплине: ”Цифровая схемотехника”

Тема работы ”Аналого-цифровой преобразователь”










Харьков 2003

РЕФЕРАТ

Целью курсовой работы является практическое освоение методов проектирования и анализа цифровых устройств.

В данной курсовой работе представлена разработка структурной схемы, которая соответствует заданию и отражает последовательность работы устройства, электрической принципиальной схемы АЦП для ввода сигнала ЭКГ в цифровую систему.

ВВЕДЕНИЕ

В науке и технике, политике и искусстве, живых организмах и машинах - всюду непрерывно происходит передача информации, т.е. Сведений о состоянии материи, каких-либо событиях. Как правило, передача информации связана с ее преобразованием. Так, например, температура воздуха преобразуется с помощью термометра в определенный уровень столбика жидкости и в этой форме воспринимается людьми. Принято считать, что информация может быть представлена в непрерывной или дискретной форме. В непрерывном сигнале для любого момента времени имеется отличная от нуля информация; такой сигнал непрерывен во времени. Кроме того, такой сигнал непрерывен по уровню, так как его величина может иметь бесконечно большое число значений. У дискретного сигнала амплитуда может принимать определенное конечное число значений. Поэтому переход от непрерывного сигнала к дискретному приводит к его округлению. Такая замена точного значения величины сигнала приближенным дискретным значением, при котором два ближайших разрешенных дискретных значения различаются на элементарную величину (квант), называется квантованием по уровню или дискретизацией. По аналогии с квантованием по уровню употребляется термин квантование по времени, под которым следует понимать дискретизацию по времени, т. е. замену непрерывного во времени сигнала дискретным, при этом сведения о значении сигнала поступают не непрерывно, а только для определенных моментов времени.

В большинстве современных автоматизированных систем используется цифровые вычислительные машины (ЦВМ), у которых исходные, промежуточные и выходные величины представлены в цифровой дискретной форме, реализуемой в виде кода. Так как во всякой реальной системе всегда имеются объекты, выдающие или принимающие информацию в непрерывной форме, то при осуществлении таких систем возникает задача реализации связи между ЦВМ и такими объектами.

В связи с необходимостью создания устройств, связывающих ЦВМ с объектами, использующими информацию в непрерывной форме, потребовалось преобразование информации из непрерывной (аналоговой) формы в цифровую и из цифровой в непрерывную (аналоговую).

Первую группу преобразующих устройств называют аналого-цифровыми преобразователями (АЦП). Эти устройства служат для преобразования исходной величины в соответствующий ей цифровой эквивалент - код, являющийся выходным сигналом преобразователя, т. е. такие устройства по существу являются измерительными. Таким образом, АЦП обеспечивают квантование входной величины как по уровню, так по времени. Обязательность квантования по уровню вытекает из самой природы цифрового представления величин, так как, какое бы большое число градаций ни было принято для изображения всех возможных значений входной величины, неизбежно округление результатов в силу того, что аналоговый сигнал может принимать бесконечное число значений.

Необходимость квантования по времени в АЦП связана с рядом причин, одной из которых является то, что для выполнения заданного цикла вычислений необходимо определенное время, так как только после окончания заданного цикла вычислений следует вводить новые исходные данные.

Вторую группу преобразующих устройств называют цифро-аналоговыми преобразователями (ЦАП). Эти устройства необходимы для получения выходной аналоговой величины, соответствующей цифровой кодовой комбинации, поступившей на вход преобразователя. При этом аналоговая величина воспроизводится для дискретных моментов времени.

Аналого-цифровые преобразователи и ЦАП являются наиболее сложными частями устройств обмена информацией, в значительной степени определяют качество и функционирование системы в целом.

Аналого-цифровые и цифро-аналоговые преобразователи прошли ряд стадий развития от устройств, выполненных на лампах и электромеханических элементах, до преобразователей, выполненных в виде одной большой интегральной микросхемы.

ПАРАМЕТРЫ И МЕТОДЫ ПОСТРОЕНИЯ АЦП

Основные параметры АЦП можно разделить на две группы: характеризующие статическую точность и динамическую точность.

Параметры, характеризующие статическую точность, определяют работу АЦП при дискретизации квазипостоянных физических величин. К этим параметрам относятся: погрешность квантования, инструментальная погрешность (погрешность смещения нуля, погрешность коэффициента передачи, нелинейность), временная нестабильность, разрешающая способность, диапазон измеряемых величин, входное сопротивление.

Погрешность квантования (дискретности) Dk - методическая погрешность, вызванная конечным значением шага квантования h (единица младшего разряда ЕМР), максимальное значение которой

Dk = ± 0,5 h,

а среднеквадратическое отклонение

sk = Dk /» 0,3 h.

Инструментальная погрешность возникает из-за несовершенства средств измерения и содержит следующие составляющие: погрешность смещения нуля (аддитивная погрешность), погрешность коэффициента передачи (мультипликативная погрешность) и нелинейность. Погрешность смещения нуля (аддитивная) Dа - часть общей погрешности, характеризующая параллельный сдвиг всей передаточной характеристики реального АЦП по отношению к идеальному. Погрешность коэффициента передачи (мультипликативная) Dм - величина, характеризующая отклонение крутизны усредненной передаточной характеристики АЦП от крутизны идеальной характеристики. Нелинейность Dн - отклонение передаточной характеристики АЦП от идеальной во всем диапазоне изменения входного сигнала, при этом часто используют понятие дифференциальной нелинейности.

Временная нестабильность характеризует способность АЦП сохранять статическую точность в течение определенных интервалов времени. Различают кратковременную и долговременную стабильности.

Разрешающая способность - это способность АЦП различать два значения входного сигнала, характеризует потенциальные возможности АЦП с точки зрения достижимой точности.

Диапазон измеряемых величин - максимальные хmax и минимальные xmin для данного АЦП значения измеряемой величины.

Входное сопротивление характеризует степень влияния входа АЦП на измеряемую величину. Если входное сопротивление невелико и соизмеримо с сопротивлением источника сигнала и оно не постоянно, то это может привести к появлению дополнительных погрешностей. Поэтому к величине входного сопротивления предъявляют жесткие требования по постоянству в величине.

Возникновение динамических погрешностей связано с дискретизацией сигналов, изменяющихся во времени. К параметрам, характеризующим динамическую точность, относятся: частота дискретизации (шаг дискретизации), время преобразования, время выборки (стробирования).

Частота дискретизации - это частота о которой происходит образование дискретных значений сигнала.

д= 1/Tц

Время преобразования Тпр - это время, отсчитываемое от начала преобразования до появления на выходе кода, соответствующего данной выборке.

Время выборки Тв - это время, в течение которого происходит образование одного выбранного значения.

По принципу действия АЦП делятся на последовательные, параллельные и последовательно-параллельные. При этом последовательную процедуру можно реализовать с помощью как единичных (развертывающего или следящего уравновешивания), так и последовательных приближений (поразрядного уравновешивания).

В АЦП последовательного типа развертывающего уравновешивания (рис. 1.1,а), состоящего из компаратора К, генератора счетных импульсов ГСИ с периодом t0, счетчика Сч, схемы управления СУ и ЦАП, входной сигнал поступает на один вход компаратора, а на другой - сигнал обратной связи с ЦАП. Работа преобразователя начинается с прихода импульса запуска на СУ, который включает счетчик, выходной код которого подается на ЦАП, осуществляющий его преобразование в сигнале обратной связи. Компенсирующее напряжение UK обратной связи с ЦАП растет от начального значения UK = 0 до значения uk > > Ux. В момент достижения напряжением Uk величины Ux компаратор срабатывает, и его выходной сигнал заканчивает процесс преобразования аналогового сигнала Ux в цифровой эквивалент.


Время преобразования АЦП этого типа определяется величиной входного сигнала. Его максимальное значение Тпр mах = (2m - 1)t0, где m - число разрядов двоичного счетчика; t0 - период следования счетных импульсов.

Основные особенности АЦП последовательного типа - простота построения, небольшая частота дискретизации () малая статическая погрешность DU = Ux max/2m. Области применения - цифровые вольтметры постоянного тока и цифровые системы, предназначенные для работы с постоянными и медленно изменяющимися напряжениями.

В АЦП последовательного типа следящего уравновешивания (рис. 1.1,6) в отличие от АЦП развертывающего уравновешивания вместо суммирующего счетчика используется реверсивный РевСч. В момент достижения Uk величины Ux АЦП переходит в следящий режим и выходной код АЦП колеблется вокруг среднего значения с точностью до шага квантования. Если скорость изменения Ux(t) не превышает максимальной скорости изменения компенсирующего напряжения Uк, то в любой момент UK не отличается от измеряемого напряжения более чем на шаг квантования h £ Ux’(t)t0. Это соотношение определяет аппаратную погрешность АЦП, а период счетных импульсов t0 является апертурным времени. В следящем режиме работы АЦП цифровой код измеряемой величины можно снять в любом такте работы преобразователя.

В АЦП последовательного типа поразрядного уравновешивания (последовательных приближений) (pиc. 1.1, в) процесс уравновешивания происходит с помощью программного устройства ПУ в направлении от старших разрядов с весом 2m-1 к младшим с весом 2°. Это позволяет для m-разрядного АЦП выполнить вес процесс преобразования за m последовательных шагов приближений (итераций) вместо 2m-1 при развертывающем уравновешивании и получить выигрыш в быстродействии.

Алгоритм работы такого типа АЦП состоит в том, что ПУ и СУ задают направление перехода в зависимости выходного сигнала компаратора. В начальный момент по импульсу запуска ПУ устанавливается в состояние 10…0, при котором значение Uk определяется весом старшего разряда выходного двоичного числа. Затем в течении m тактов напряжения Uk последовательно приближается к значению входного сигнала Ux. При этом на каждом такте возможна одна из ситуаций: 1) если Uk < Ux, то производится установка следующего младшего разряда в «1» при сохранении состояния всех предшествующих старших разрядов; 2) если Uk > Ux, то установка младшего разряда в «1» сопровождается сбросом предыдущего старшего разряда в «0». В результате по истечении m тактов приближения компенсирующее напряжение Uk приблизится к Ux с точностью до шага квантования h=Umax/2m. При этом время преобразования Tпр=mt0. Таким образом, в АЦП поразрядного кодирования сокращение времени преобразования достигается усложнением ПУ и СУ процедурой последовательного изменения во времени компенсирующего напряжения с АЦП, формируемого цифровым способом.


АЦП с двухтактным интегрированием. Основным недостатком рассмотренных АЦП последовательного типа является их низкая помехоустойчивость от сетевых наводок. Этот недостаток можно устранить, если в процессе преобразования использовать операцию интегрирования за фиксированный интервал времени. К преобразователям такого типа относятся АЦП с двухтактным интегрированием (рис. 1.2, а), в котором полный цикл работы состоит из двух тактов.

В первом такте с помощью аналогового интегратора (АИ) на операционном усилителе ОУ входное напряжение интегрируется за фиксированный интервал времени

цифровой преобразователь компаратор напряжение

T=Nmaxt0,

где Nmax - емкость счетчика, определяющая разрешающую способность АЦП. При этом на интегрирующем конденсаторе АИ накапливается заряд

= `UхT/RC,

где `Ux - среднее входное напряжение за время Т. Во втором такте происходит разряд конденсатора от источника опорного напряжения U0.п, который имеет полярность, противоположную входному напряжению и подключается к АИ с помощью аналогового ключа АК. Этот процесс продолжается до возвращения конденсатора в начальные условия (рис. 1.2, б), что фиксируется компаратором К. При этом удаленный из конденсатора заряд

= Uont/RC,

где t=Nt0 - время разряда конденсатора. Так как q1= q2, то

=`UxT/U0.п, тогда N=`UxNmax/U0.п, а `Ux=DUkN,

где DUk=U0,п/Nmax - шаг квантования.

Таким образом, используя операцию интегрирования входного сигнала, можно получить усреднение и сглаживание всех быстрых по сравнению с временем интегрирования Т помех, наводок (сетевых) и шумов. В частности cсинхронизируя работу такого АЦП с напряжением сети и выбирая Т = i/50 Гц кратное периоду частоты питающей сети, можно полностью подавить наводки, проходящие по цепям питания.

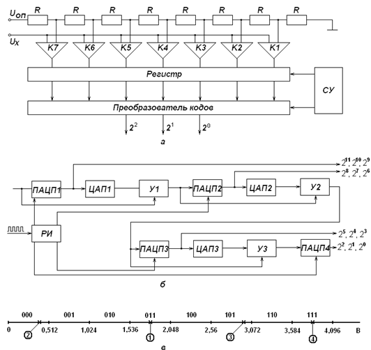
В параллельных АЦП выполняется одновременно квантование сигнала с помощью набора компараторов К, включенных параллельно источнику сигнала Uх (рис. 1.3, а). Пороговые уровни компараторов устанавливают с помощью резистивных делителей. Число m пороговых уровней зависит от количества дискретных значений преобразуемого сигнала в полном диапазоне преобразования m = Umax/h. Пороговые уровни компараторов Uni = hi для всех I = 1m. Таким образом, если Ux превышает значение Uni то срабатывают компараторы, пороговые уровни которых Uni < Uх. При этом выходные сигналы с компараторов устанавливают в единичное состояние соответствующие разряды m-разрядного регистра. В регистре образуется число, пропорциональное Uх, в виде кода Джонсона, который затем с помощью преобразователя кодов преобразуется в параллельный двоичный код.

Достоинство АЦП параллельного типа - высокое быстродействие, так как входной сигнал Ux за один шаг преобразования сравнивается с полным набором пороговых уровней. Длительность такой операции преобразования определяется временем срабатывания компараторов и быстродействием цифровых элементов, входящих в регистр и преобразователь кодов. Однако это достоинство достигается за счет аппаратных затрат, так как количество компараторов и элементов памяти равно 2m. Поэтому ЛЦП параллельного типа применяют только для построения быстродействующих АЦП малой разрядности.

Рисунок 1.3

В АЦП последовательно-параллельного типа m-разрядов разбиваются на несколько n групп. Внутри каждой группы применяется параллельное преобразование, но группа за группой работают последовательно во времени. При этом резко сокращаются аппаратные затраты по сравнению с АЦП параллельного типа, а быстродействие уменьшается незначительно, так как полное время преобразования

Тпр = ntпр,

где tпр - время преобразования одной группы.

Первый этап преобразования выполняется параллельным АЦП1 (ПАЦП1), имеющим n1 = 3 двоичных разряда. При этом после первого этапа преобразования образуется двоичное число, представляющее разряды первой группы 2m-1, 2m-2, 2m-3, и остаточное напряжение

DU1 = Ux - Un1,

где Un1 - результат обратного преобразования n1-разрядного ЦАП1. Остаток DU1 не превышающий шага квантования D1=U0.n/2n1, усиливается в 2n1 раз и подается на второй параллельный АЦП2 (ПАЦП2), имеющий n2=3 двоичных разрядов. После второго этапа преобразования получается двоичное число, представляющее разряды второй группы 2m-n1-1, 2m-n1-2, 2m-n1-3. При этом шаг квантования после второго этапа преобразования не превышает

DU2 = Uо.п/2n1+n2

Аналогично для третьей группы

DU3 = Uо.п/2n1+n2+n3 и для i-й группы Di = Uо.п/2n1+n2+n3+…+ni.

На рис. изображена структурная схема последовательно-параллельного АЦП на 12 разрядов, разбитого на четыре группы по три двоичных разряда в каждой. Пусть шаг квантования АЦП составляет D = 1 мВ, тогда при m = 12 диапазон входного сигнала Ux будет от 0 до 4,096 В. Рассмотрим процесс преобразования для Ux1= 1,5835 В. Диапазон значений Uх от 0 до 4,096 В разделен на восемь равных участков (рис. 1.3,в). Границами между ними служат значения опорных напряжений U01= 0,512 В; U02= 1,024 В; U03= 1,536 В; U04= 2,048 В; U05= 2,56 В; U06= 3,072 В; U07= 3,584 В. Крестиками обозначены точки, соответствующие напряжению, поступающему на очередной АЦП в каждом из четырех тактов. Трехразрядные двоичные коды, образующиеся при этом на выходах АЦП, соответствуют кодам, находящимся на рис. 1.3, в над участками с крестиками.


РАЗРАБОТКА СТРУКТУРНОЙ СХЕМЫ

Рисунок 2.1

Изучив принцип работы различных типов АЦП, было решено использовать АЦП последовательного типа поразрядного уравновешивания. Эти преобразователи имеют замкнутую структуру, их алгоритм, основанный на методе взвешивания, сводится к последовательному выполнению операций деления входного напряжения на эталонное напряжение старшего разряда, затем полученного остатка на эталонное напряжение следующего разряда и т.д.

Для двоичного кода i-й такт преобразования состоит в определении разрядного коэффициента кода ai, удовлетворяющего соотношению:

.

Реализация алгоритма последовательной аппроксимации (приближения) выполняется схемой, приведенной на рис. 2.1.

Более подробно работа данного АЦП рассматривалась в разделе 1.

ВЫБОР ЭЛЕМЕНТНОЙ БАЗЫ

В схеме представленной на рисунке 2.1 используется следующая элементная база.

Регистр последовательных приближений К155ИР17:

С помощью регистра последовательных приближений (РПП) К155ИР17 реализуются режимы: полного цикла преобразования, короткого цикла для малоразрядных АЦП, непрерывного преобразования, одноразового преобразования (так называемое старт-стопное). Варианты кодирования могут быть различными, а для расширения логических функций можно работать как с напряжением высокого, так и с напряжением низкого активного уровня. Регистр К155ИР17 можно использовать и не по прямому назначению, а как кольцевой счетчик или преобразователь последовательного кода в параллельный.

Назначение выводов: 1 - асинхронный вход разрешения; 2 - выход последовательных данных; 3 - выход завершения преобразования; 4 -9, 16 - 21 - цифровые выходы; 10, 22 - свободные; 11 - последовательный вход ввода информации; 12 - общий; 13 - вход тактовый; 14 - вход стартовый; 24 - напряжение питания (5В).

Компаратор напряжения К597СА2:

Этот компаратор предназначен для управлениями схемами ТТЛ или ТТЛШ и имеет парафазный выходной каскад и схему запоминания предыдущего состояния.

Цифро-аналоговый преобразователь К1108ПА2:

Рисунок 3.1

В состав схемы входят: восьмиразрядный преобразователь код - ток; входной регистр для хранения данных; выходной операционный усилитель; источник опорного напряжения; схема управления регистром; схемы согласования и режимов работы ЦАП.

Назначение выводов: 1 - выбор кристалла; 2 - цифровая земля; 4 - аналоговая земля; 5 - коррекция ОУ; 6 - смещение нуля; 7 - выход; 8 - источник напряжения Uп1 (5В); 9 - источник напряжения Uп2 (6В); 10 - 17 - цифровые входы; 18 - запись; 3 - не используется.

На базе выбранных элементов и функциональной схемы (рис. 2.1) разработана электрическая принципиальная схема представленная в приложении А.

Рисунок 3.2

Рисунок 3.3

Работает устройство следующим образом: когда на вход S DD1 (пуск) поступает напряжение низкого уровня, содержимое регистра сбрасывается на нуль за первый период тактовой последовательности, начинается цикл работы регистра. Когда преобразование завершено, на выходе QCC появляется напряжение низкого уровня. Как результат полного цикла работы регистра поданная на вход DI кодовая последовательность (снимаемая с компаратора), появляется в параллельном коде на выходах Q0 - Q7 DD1(этот байт теперь накоплен в регистре). Со сдвигом на один такт эту же последовательность в процессе заполнения регистра можно было наблюдать на выходе D0.

ЗАКЛЮЧЕНИЕ

В ходе данного курсового проектирования была разработана электрическая принципиальная схема аналого-цифрового преобразователя для ввода сигнала ЭКГ в цифровую систему. Были рассмотрены различные виды построения АЦП.

В итоге согласно заданным требованиям выбрано наиболее подходящая схема восьмиразрядного АЦП последовательного типа поразрядового уравновешивания. Устройство работает от двух источников питания 5В и -6В. Позволяет преобразовывать входное напряжение от 0 до 2.5В в цифровой параллельный и последовательный код. Число разрядов двоичного кода - 8. Уровни - ТТЛ.

СПИСОК ИСПОЛЬЗОВАННЫХ ИСТОЧНИКОВ

1.       В.Г. Чернов. Устройства ввода-вывода аналоговой информации для цифровых систем сбора и обработки данных. - М. Машиностроение, 1988. - 184. с.

.        В.Л. Шило. Популярные цифровые микросхемы: Справочник. 2-е изд., испр. - Челябинск: Металлургия, Челябинское отд., 1989. - 352 с.

.        Гитис Э.И., Пискулов Е.А. Аналого-цифровые преобразователи: Учеб. Пособие для вузов. - М.: Энергоиздат, 1981. - 360 с.

.        Гутников В. С. интегральная электроника в измерительных устройствах. - 2-е изд., перераб. и доп. - Л.: Энерготомиздат. Ленингр. отд-ние, 1988. - 304 с.

.        Изделия электронной техники. Цифровые микросхемы. Микросхемы памяти. Микросхемы ЦАП и АЦП: Справочник / Лебедев О.Н., Мирошниченко А.И., Телец В.А.; под ред. А.И. Ладика, А.И. Сташкевича. - М.: Радио и связь, 1994. - 248 с.

.        Справочник по цифровой схемотехнике / В.И. Зубчук, В.П. Сигорский, А.Н. Шкуро. - Киев: Техника, 1990. - 446 с.

ПРИЛОЖЕНИЕ

Поз. Обознач.

Наименование

Кол

Примечание

R1

ОМЛТ

1


C1

КМ

1


DD1

К155ИР17

1


DD2

К1108ПА2

1


DА1

К597СА2

1







































































































ГЮИК 7.090804.128

Лист 1








Изм

Лист

№ документа

Подпись

Дата




Похожие работы на - Аналого-цифровой преобразователь

 

Не нашли материал для своей работы?
Поможем написать уникальную работу
Без плагиата!
Без нейросетей!