Проектирование и расчет аналого-цифрового преобразователя (АЦП) с накоплением (АЦП счета)

  • Вид работы:
    Контрольная работа
  • Предмет:
    Информатика, ВТ, телекоммуникации
  • Язык:
    Русский
    ,
    Формат файла:
    MS Word
    323,51 Кб
  • Опубликовано:
    2015-04-23
Вы можете узнать стоимость помощи в написании студенческой работы.
Помощь в написании работы, которую точно примут!

Проектирование и расчет аналого-цифрового преобразователя (АЦП) с накоплением (АЦП счета)

Техническое задание


Таблица 1. Спроектировать и рассчитать аналого-цифровой преобразователь (АЦП) с накоплением (АЦП счета), имеющий следующие характеристики:

Вариант

Входной сигнал

Выходной сигнал

Кол-во разрядов

Максимальное время преобразования

Индикация

3-2

0+10ВДвоичный1020 мснет






1.     Рассчитать тактовую частоту.

2.      Определить ошибку преобразования.

.        Разработать полную принципиальную схему АЦП.

.        Построить графики.

Введение

Аналого-цифровые преобразователи (АЦП) - устройства, преобразующие входные аналоговые сигналы в соответствующие им цифровые сигналы.

АЦП делятся на последовательные, параллельные и последовательно-параллельные. Последовательные АЦП можно разделить на АЦП счета и АЦП сравнения (поразрядного кодирования). Спроектируем и рассчитаем АЦП счета

Принцип работы АЦП состоит в сравнении входного напряжения , подаваемого на один из входов компаратора, с последовательно нарастающим эталонным напряжением , представляющий собой сумму квантов , которые определяют погрешность преобразования. Ступенчатое напряжение формируется с помощью счетчика и ЦАП. Счетчик последовательно изменяет свое состояние, начиная с момента обнуления , соответствующего началу операции преобразования. Через k шагов в момент времени совпадения эталонного напряжения  с входным напряжением (с точностью до уровня квантования ) схема сравнения (компаратор) вырабатывает импульс, останавливающий счетчик путем подачи запирающего сигнала с триггера на схему совпадения, пропускающую на счетчик импульсы тактового генератора. Прохождение импульсов (а, следовательно, и счет) прекращаются. Этот момент времени  соответствует окончанию операции преобразования. Погрешность преобразования в такой схеме равна , Диапазон преобразований определяется разрядностью ЦАП, т.к максимально допустимое значение входного напряжения .

1. Расчетная часть

.1 Расчет тактовой частоты

Тактовую частоту можно найти из формулы

,

где  - время преобразования, т.е. интервал времени от момента заданного измерения сигнала на входе АЦП до появления соответствующего устойчивого (установившегося) кода на его выходе.

n - количество разрядов,

 - тактовая частота.

Таким образом

.2 Определение ошибки преобразования

Ошибку преобразования можно определить из отношения входного напряжения  к емкости счетчика :


.3 Расчет параметров электронной цепи

Для того чтобы выбрать стандартные резисторы необходимо кроме величины сопротивления знать еще и мощность, на которое рассчитано сопротивление. Ток возьмем максимально возможным



цифровой преобразователь триггер генератор

2. Разработка полной принципиальной схемы

.1 Выбор стандартных резисторов

В справочнике по резисторам выбираем стандартные резисторы. [1]

Рис. 2-1 Резистор МЛТ типа

Таблица 2

Номинальная мощность, Вт

Диапазон номинальных сопротивлений, Ом

Размеры, мм

Масса, г, не более



D

L

l

d


0,125

8,2 - 2,26,0200,60,15






0,25

8,2 - 3,07,0200,60,25







Резистор типа МЛТ - 0,125 Вт - 3 кОм 10% ГОСТ 7113-66

Резистор типа МЛТ - 0,25 Вт - 10 кОм 10% ГОСТ 7113-66

Резистор типа МЛТ - 0,125 Вт - 390 Ом 10% ГОСТ 7113-66

Резистор типа МЛТ - 0,125 Вт - 180 Ом 10% ГОСТ 7113-66

2.2 Выбор триггера

Микросхема представляет собой два независимых D-триггера, срабатывающих по положительному фронту тактового сигнала. [7]

Рис. 2-2 Микросхема К155ТМ2

.3 Выбор логического элемента И

Микросхема К155ЛИ1 представляет собой четыре логических элемента 2И. [7]

Рис. 2-3 Микросхема К155ЛИ1

.4 Выбор логического элемента И-НЕ

Микросхема К155ЛА3 представляет собой четыре логических элемента 2И-НЕ. [7]

Рис. 2-4 Микросхема К155ЛА3

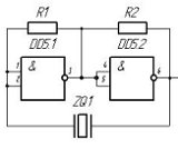
2.5 Выбор логического элемента НЕ

Микросхема К155ЛН1 представляет собой шесть логических элементов НЕ. [7]

Рис. 2-5 Микросхема К155ЛН1

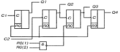
.6 Выбор счетчика

Микросхема К155ИЕ5 представляет собой двоичный счетчик. Каждая ИС состоит из четырех JK-триггеров, образуя счетчик делитель на 2 и 8. Установочные входы обеспечивают прекращение счета и одновременно возвращают все триггеры в состояние низкого уровня (на входы R0(1) и R0(2) подается высокий уровень). Выход Q1 не соединен с последующими триггерами. Если ИС используется как четырехразрядный двоичный счетчик, то счетные импульсы подаются на С1, а если как трехразрядный - то на вход С2. [4]

а)  б)

Рис. 2-6 Схема а) условно-графическое обозначение; б) двоичный счетчик К155ИЕ5

.7 Выбор генераторов

При построении генераторов импульсов (мультивибраторов) на основе логических ИС используются усилительные свойства инверторов. Чтобы обеспечить возникновение и существование устойчивых автоколебаний, следует исходно вывести инверторы мультивибратора по постоянному току на линейный участок передаточной характеристики (участок между уровнями “ноль” и единица). После этого остается ввести в устройство положительную обратную связь с помощью одного или двух конденсаторов. Чтобы автогенератор быстро возбуждался и работал устойчиво во всем диапазоне внешних воздействий, лежащая в его основе усилительная линейка должна быть неинвертирующей с большим коэффициентом усиления, который по возможности следует стабилизировать. На рис. 2-7.1 (б) приведена схема генератора импульсов на ЛЭ. [3,4]

а) б)

Рис. 2-7.1 а) схема генератора с кварцевой стабилизацией частоты; б) схемы генераторов импульсов

Частота генерируемых колебаний для рассмотренных схем может быть найдена из соотношения

,

где k - постоянный коэффициент, равный 1.

 

,

Мультивибраторы с кварцевой стабилизацией частоты колебаний выполняются обычно путем включения кварцевого резонатора на место времязадающей емкости мультивибратора. Удобны в этом смысле схемы с одной времязадающей емкостью. Однако стабилизация частоты возможна и при замене одной из двух емкостей мультивибратора (Рис. 2-7.1 (а)). [3,4]

Миниатюрный кварцевый резонатор широкого применения в удобном и привычном корпусном исполнении. Диапазон частот: 3200-100000 кГц. Применяется как в схемах тактовых генераторов, так и в достаточно сложной радиосвязной аппаратуре. [8]

Рис. 2-7.2 Кварцевый резонатор РК169 - МД

Кварцевый резонатор типа РК169 - МД - 10 мГц ОДО.338.017 ТУ

2.8 Выбор стандартных конденсаторов

В справочнике по конденсаторам выбираем стандартные конденсаторы. [2]

Рис. 2-8 Конденсатор типа К71-4

Таблица 3

Номинальная емкость, мкФ

Размеры, мм

Масса, г, не более


D

L

d


20

8,5

31

0,8

5


Конденсатор типа К71 - 4 (МП2) - 400 В - 19,5 мкФ ОЖО.461.061 ТУ

2.9 Выбор формирователя импульсов типа одновибратора

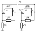
Формирователи импульсов типа одновибратора используются обычно для формирования либо коротких импульсов (т.е. в качестве “укоротителей” импульсов), либо в качестве формирователей относительно длительных импульсов при входных импульсных сигналах произвольной длительности.

На рис. 2-9 приведена схема одновибратора, построенного на основе двух ячеек И-НЕ. На входы второго инвертора формирователя поданы взаимно инверсные сигналы со входа и выхода первого инвертора, поэтому в статическом режиме сигнал на выходе устройства всегда равен единице. Нулевой сигнал на выходе второго инвертора появляется только в том случае, когда сигнал на входе первого инвертора переходит из нуля в единицу. При этом, пока происходит переключение первого инвертора, на оба входа второго будет подан сигнал “1”. Длительность выходного импульса формирователя можно увеличивать, увеличивая время переключения первого инвертора присоединением к его входу RC-цепи. [4]

Рис. 2-9 Схема формирователя коротких импульсов

.10 Выбор цифро-аналогового преобразователя (ЦАП)

Рассмотрим микросхему ЦАП К572ПА1. Это схема 10-разрядного ЦАП, выполненного по МОП-технологии на одном кристалле. В состав схемы входит прецизионная резисторная матрица R-2R, токовые ключи на МОП-транзисторах и входные усилители-инверторы, обеспечивающие управление ключами от стандартных уровней цифрового ТТЛ-сигнала. Микросхема работает с прямым параллельным двоичным кодом. Для ее работы необходимы внешние схемы опорного (эталонного) напряжения и выходного операционного усилителя (ОУ) К140УД7. [4]

Рис. 2-10 ЦАП К572ПА1: схема включения

.11 Выбор компаратора

Компаратор К544СА3 универсальный. Он может работать от любых источников питания, включая однополярные +5 или -30 В. Компаратор имеет два выхода: открытый коллектор (вывод 9) и эммитерный (вывод 2). Из-за этих особенностей он пригоден для обслуживания любых цифровых микросхем умеренного быстродействия (= 200 нс), а также индикаторов многих типов. Выходной ток микросхем достаточен для переключения реле. На рис. 2-11, показана схема компаратор К544СА3. [5]

Рис. 2-11 Компаратор К544СА3

2.12 Выбор регистра

Микросхема представляет собой 4 регистра на 4 разряда с открытым коллекторным выходом. [7]

Рис. 2-12 Регистр К155ИР32

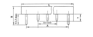
.13 Выбор разъема

Разъем типа МРН 22 - 1 ОЮ 0.364.003 ТУ. [6]

A = 31,5 мм, B = 18,8 мм, L = 38,5 мм

Рис. 2-13 Разъем типа МРН 22 - 1

3. Построение графиков


Построим график для

Рис. 3.1

Список используемой литературы и программного обеспечения


1.   «Справочник по резисторам» И.И. Четверткова, В.М. Терехова.

2.      «Справочник по конденсаторам» И.И. Четверткова, В.Ф. Смирнова.

.        «Популярные микросхемы ТТЛ» В.Л. Шило.

.        «Схемотехника цифровых устройств» В.Н. Митрошин.

.        «Справочник по цифровым и аналоговым интегральным микросхемам» С.В. Якубовский, Л.И. Ниссельсон, В.И. Кулешова, В.А. Ушибышев, М.Н. Топешкин.

.        «Справочник по разъемам» К.В. Кравченко

.        Microsoft Office Word 2007

.        АСКОН - КОМПАС-3D V10

Похожие работы на - Проектирование и расчет аналого-цифрового преобразователя (АЦП) с накоплением (АЦП счета)

 

Не нашли материал для своей работы?
Поможем написать уникальную работу
Без плагиата!
Без нейросетей!