Проектирование высокоэффективного магнитооптического датчика тока на основе магнитооптического эффекта Керра
Федеральное агентство по образованию
государственное образовательное
учреждение высшего
профессионального образования
Уфимский государственный университет
экономики и сервиса
Кафедра МАПТС
Курсовой проект по дисциплине
«Волоконно-оптические датчики»
Студент Абузаров И.Х.
Консультант Ураксеев М.А.
Принял Ураксеев М.А.
Уфа 2014 г.
Содержание:
Введение
1. Теоретическая часть
.1 Электрооптический эффект
1.2 Поляризация света
1.3 Электрооптический эффект
в кристаллах
.4 Распространение света в
анизотропной среде
.5 Электрооптический эффект
Керра
.6 Ячейка Керра
1.7 Эффект Поккельса
2. Расчетно-конструкторская
часть
.1 Структурная схема
.2 Оптические характеристики
.3 Расчет узлов электрической
принципиальной схемы
.3.1 Расчет элементов входного
усилителя
.3.2 Расчет полосового
фильтра
.3.3 Расчет элементов
аналого-цифрового преобразователя и его включение с индикаторами
3. Заключение
Список литературы
Введение
В настоящее время во всем мире интенсивно ведутся работы по созданию
оптических систем сбора, обработки и передачи информации. В таких системах
используются волоконно-оптические датчики-преобразователи различных физических
величин. Бурное развитие оптических систем сбора информации связано как с
особенностями различных отраслей науки и техники, так и с замечательными
свойствами этих систем. Они искро- и пожаро- безопасны, малогабаритны,
потребляют мало энергии. Они также позволяют создавать как локальные так и
распределённые на большом пространстве чувствительные элементы и системы непрерывного
контроля. Особенно перспективны оптические датчики во взрывоопасных
производствах, системах экологического мониторинга, предприятиях с вредными и
пожароопасными производствами.
По данным маркетингового агентства Frost&Sullivan, ежегодные мировые продажи оптических датчиков в последние годы составят
около $2.5 млрд с ежегодным приростом 11% по всем отраслям промышленности. По
оценкам Японской Ассоциации развития оптоэлектронной промышленности и
технологии, к 2010 году объемы продаж возрастут до $5 млрд.
За последние годы увеличилось число публикаций в патентной и
научно-технической литературе (см. патенты в приложении) по новым
высокоэффективным магнитооптическим датчикам (ВОД) физических величин. Работы в
этой области давно ведут многие компании: KDD (Германия), Toshiba(Япония), IBM,
Verbatim(США) и др. . В этих устройствах в качестве чувствительных используются
магнитооптические элементы, в основе которых лежит магнитооптический эффект
(МОЭ).
В данном курсовой работе мы спроектируем ВОД тока на основе
магнитооптического эффекта Керра, в котором для управления, обработки,
запоминания и хранения получаемой информации применяется микроконтроллер.
1.
Теоретическая часть
.1
Электрооптический эффект
Электрооптический эффект - это изменение коэффициента преломления
некоторых материалов под действием электрического поля. Материалы, обладающие
таким свойством, называют электрооптическими материалами. Электрооптические
эффекты бывают двух видов: 1) коэффициент преломления линейно зависит от силы
поля, приложенного к кристаллу, не имеющему внутренней симметрии (например,
пьезокристаллу); 2) коэффициент пропорционален квадрату силы поля в веществах с
внутренней симметрией. Первый называют эффектом Поккельса, а второй - эффектом
Керра. Эффект Поккельса проявляется на кристаллах KDP(KH2PO4), DKDP(KD2PO4), ODP(NH4H2P04), UNbO3
и подобных им, эффект Керра можно наблюдать в нитроглицерине, сероуглероде и
подобных им жидкостях. В технике, например в оптической связи, чаще используют
эффект Поккельса из-за хорошей линейности и низкого рабочего напряжения.
Электрическое поле создает в. электрооптическом веществе анизотропию,
порождающую двойное лучепреломление. Двойное лучепреломление изменяет
поляризацию волны. А изменение поляризации широко используют для модуляции света.
Под действием приложенного к кристаллу поля становятся различными коэффициенты
преломления по трем осям кристалла (в оптических кристаллах такие состояния
описываются эллипсоидом рефракции), Среди этих осей z - оптическая ось, а оси х и у образуют с плоскостью
поляризации углы в 45°. Неполяризованный свет лазера приобретает такую
поляризацию после прохождения входного поляризатора.
Линейно поляризованный свет можно представить в виде двух составляющих х
и у, имеющих одинаковые фазы. Когда поле отсутствует, направление поляризации
света после прохождения через кристалл сохраняется и анализатор, расположенный
перпендикулярно входному поляризатору, не дает свету выйти из прибора. Если к
кристаллу приложить электрическое поле, изменятся коэффициенты преломления по
осям х и у, что приведет к различию скорости-света вдоль этих осей, а это, в
свою очередь, к различию фаз проходящего света по составляющим х и у. Разность
фаз будет нарастать по мере прохождения через кристалл. На выходе из кристалла
результатом суммирования колебаний по составляющим будет эллиптически
поляризованный свет, При этом только часть энергии выйдет из прибора через
анализатор-это энергия колебаний, имеющих плоскость поляризации, параллельную
заданной анализатором.
При изменении напряжения, приложенного к кристаллу, будет, меняться форма
эллипса поляризации света. Таким образом, появляется возможность модулировать
амплитуду световых волн при помощи электрического напряжения. Если разность
хода по составляющим х и у станет в точности равной половине длины волны, свет
на выходе из кристалла станет линейно поляризованным в направлении,
перпендикулярном поляризации при входе, и интенсивность (квадрат амплитуды)
излучения станет максимальной. Напряжение, дающее этот эффект, называют
полуволновым, и ясно, что в модуляторах удобнее использовать материалы с малым
полуволновым напряжением,
Зависимость интенсивности излучения от напряжения, приложенного к
кристаллу, нелинейна, но можно придать ей линейность, поместив между кристаллом
и анализатором четвертьволновую пластинку.
Электрооптический эффект применяют не только для описанной выше модуляции
света, но и для изготовления быстродействующих оптических затворов (время
срабатывания порядка наносекунд), известных как затворы Керра, для изготовления
оптических отклоняющих систем, в оптической памяти, в трехмерных модуляторах, в
оптических бистабильных элементах.
Для активного управления рабочие тела должны изменять свои оптические
характеристики по заданному закону при достаточной частоте управляющего воздействия.
В соответствии со сказанным возможно рабочие тела должны обладать значительным
электрооптическим (линейным или квадратичным), магнитооптическим или
упругооптическим эффектом или высокой квадратичной поляризуемостью при наличии
направления синхронизма; для пассивного управления необходимо значительное
двупреломление или вращение плоскости поляризации.
В последнее десятилетие во всем мире интенсивно ведется исследование
влияния электрического поля на измерение оптических свойств материалов -
стекол, кристаллов, полимеров, в первую очередь на изменение их показателя
преломления, двойного лучепреломления, дисперсии, поляризации.
Наведенное электрическим полем двойное лучепреломление, называемое
электрооптическим эффектом Керра, обычно определяется для изотропного материала
выражением:
где
-длина волны в м., Е- напряженность электрического
поля в В/м,
-соответственно показатели преломления в направлениях
параллельно и перпендикулярно электрическому полю и В-константа Керра в м/В2
Ведутся
интенсивные поиски в нескольких направлениях, объединенных общей целью,
-созданием электрооптических (ЭО) стеклообразных, кристаллических и полимерных
материалов с высокой константой Керра, превышающей константу Керра кварцевого
стекла, для активных ЭО волоконных интегральных структур, а так же разработкой
технологий создания таких структур на базе этих материалов. ЭО волокно
представляет наибольший интерес с точки зрения его использования в системах
оптической связи и передачи информации, в модуляторах, переключателях и других
электрооптических устройствах.
.2 Поляризация света
Свет,
у которого направления колебаний вектора
упорядочены
каким-то образом, называется поляризованным.
Световая
волна - это электромагнитная волна, у которой вектор
всегда перпендикулярен направлению распространения .
Естественный свет- это смесь огромного числа цугов, каждый цуг поляризован, но
направления векторов этих цугов различное. Поэтому естественный свет не
поляризован, у него отсутствует какое-либо упорядочение направлений колебаний
вектора
.
Электромагнитная
волна, у которой вектор
колеблется в одной плоскости, называется плоско
поляризованной.
Принцип действия поляризатора электромагнитной волны
Пусть на пути электромагнитной волны расположена решетка из тонких,
длинных, расположенных на расстоянии a<λ друг к другу проводников.

Если
падающая на такую решетку электромагнитная волна поляризована так, что вектор
параллелен проводникам, то волна через решетку не
пройдет. Произойдет это по следующим причинам:
а)
вектор
падающей волны будет действовать на электроны
проводников с силой
Электроны под действием этой силы начнут совершать
вдоль проводников вынужденные колебания;
в)
колеблющиеся электроны будут излучать электромагнитные волны такой же частоты,
что и падающая волна и такой же амплитуды, но фаза будет отличаться от падающей
на π;
г)
складываясь, эти две волны за решеткой погасят друг друга ,а перед решеткой
возникнет отраженная волна.
Если
же падающая волна поляризована так, что вектор
перпендикулярен
проводникам, то заметных колебаний электронов в этом направлении возникнуть не
может, амплитуда вторичной волны будет ничтожна, и первичная волна пройдет
через решетку, не изменив свою интенсивность.
Поляроид
Для
света длина волны
λ=(0,4-0,76)10-6м и изготовить
решетку с периодом
a<λ не так просто. Но роль
решетки могут играть очень длинные углеводородные молекулы, растянутые в
определенном направлении. Электроны могут перемещаться вдоль таких молекул, как
вдоль проводников, и не могут - поперек. Таким образом, световая волна с
вектором
, направленным вдоль молекул поляроида, не пройдет
через него. Волна, с вектором
поперек
молекул, пройдет почти без изменения интенсивности. Такое направление в
поляроиде называется осью пропускания PP, она направлена перпендикулярно
длинным осям молекул.
Закон Малюса
Поставим на пути естественного света два поляроида, оси пропускания
которых развернуты друг относительно друга на угол
Вектор
световой волны после первого поляроида будет
параллелен PP. Этот поляроид называют поляризатором, т.к. после него
естественный свет стал поляризованным. После второго поляроида останется лишь
вектор
, параллельный P'P' его оси пропускания:
Рис. 5
Т.к. интенсивность света I~E2, то, после второго поляроида интенсивность
будет
.
Если
II выразить через I0, то закон Малюса примет вид:
.
Частично поляризованный свет. Степень поляризации
Закон Малюса строго выполняется лишь для идеальных поляроидов -
поляризатора и анализатора.
Если
эти поляроиды частично пропускают свет с вектором
, перпендикулярным осям пропускания, то после
поляризатора свет будет частично поляризован. Идеальный поляризатор при PP
параллельном P'P' пропустит свет интенсивностью Imax, а при PP перпендикулярной
P'P' - свет интенсивностью Imin.
Степенью
поляризации частичного поляризованного света называется величина
.
При
идеальном поляризаторе Imin =0 и P=1, свет плоскополяризован.
Модель. Закон Малюса
Эллиптическая и круговая поляризация
Пусть
вдоль оси x распространяются две плоскополяризованные когерентные световые
волны, у которых колебания вектора
происходят
вдоль осей y и z, соответственно (см. рисунок ниже).
Так
как колебания векторов
и
когерентны,
то при их сложении получится вектор
, конец
которого будет, в общем случае, описывать эллипс в плоскости y, z Такой свет
называют эллиптически поляризованным. Ориентировка эллипса и направление
вращения конца вектора
зависит от разности фаз α При α=0, α=±π эллипс вырождается в прямую: результирующая волна будет
плоскополяризована. При α=±π/2
и
конец
вектора
будет двигаться по кругу. В этом случае говорят, что
свет поляризован по кругу.
Поляризованный свет можно получить, используя отражение или преломление
света от обычных неизотопных сред (напpимеp, от стекла). Оказывается,
отраженный и пpеломленный свет частично поляpизован. Степень поляpизации того и
дpугого луча существенно зависит от угла падения луча.
Плоскости
колебаний отpаженного и пpеломленного лучей взаимно пеpпендикуляpны: у
отpаженного луча она совпадает с плоскостью падения, у преломленного - ей
пеpпендикуляpна. Существует угол падения (у каждой паpы пpозpачных сpед он
свой), пpи котоpом отpаженный свет становится полностью плоскополяpизованным
(степeнь поляpизации pавна единице), а пpеломленный луч остается частично
поляpизованным. Степень его поляpизации пpи этом углe максимальна. Этот угол
называется углом Бpюстеpа. Угол Бpюстеpа опpеделяется из условия
(закон Бpюстеpа).
Закон
Бpюстеpа может быть использован пpи изготовлении поляpизатоpа. В нем pабочим
лучом служит не отpаженный, а пpеломленный луч (хотя последний и не полностью
поляpизован). Чтобы получить высокую степень поляpизации пpеломленного луча,
его пpопускают чеpез стопу стеклянных пластинок: с пpохождением каждой
следующей пластинки стопы степень поляpизации пpеломленного луча увеличивается.
Пpи достаточной толщине стопы пластинок пpеломленный луч становится пpактически
полностью поляpизованным.
Пpибоp,
в котоpом с pазных концов тpубы вмонтиpованы поляpизатоp и анализатоp,
называется поляpиметpом. Анализатоp пpопускает свет полностью (не считая
поглощения), если его плоскость колебаний совмещена с плоскостью пpопускания
самого анализатоpа. Если повоpачивать анализатоp вокpуг оси поляpиметpа, то
интенсивность пpоходящего света будет меняться от нуля (в таком положении,
говоpят, поляpизатоp и анализатоp скpещены) до некотоpого максимального
значения.
Нетpудно
выявить закон изменения интенсивности света, пpошедшего чеpез анализатоp пpи
повоpоте последнего.
Пусть
угол между плоскостями пpопускания поляpизатоpа и анализатоpа pавен
(pис. 1.24
<#"803409.files/image027.gif">, pавная
. Интенсивность света пpопоpциональна квадpату
напpяженности. Значит, интенсивность пpошедшего света будет пpопоpциональна
.
Если
обозначить интенсивность пpошедшего чеpез поляpизатоp света чеpез
, то интенсивность света, пpошедшего чеpез анализатоp,
будет подчиняться закону
(закон
Малюса)
Помещая
между поляpизатоpом и анализатоpом в тpубе поляpиметpа pазличные сpеды
(pаствоpы, кpисталлы и дp.), можно наблюдать pазного pода явления поляpизации.
Напpимеp, у поляpизованного света, пpошедшего чеpез pаствоp сахаpа или глюкозы,
плоскость поляpизации повоpачивается. Угол такого повоpота пpямо пpопоpционален
концентpации pаствоpа. Поляpиметp позволяет измеpить угол повоpота плоскости
поляpизации и тем самым концентpацию pаствоpа сахаpа. Для этого сначала
поляpизатоp и анализатоp скpещиваются без кюветы с pаствоpом (их плоскости
пpопускания света pасполагаются пеpпендикуляpно дpуг к дpугу). Свет чеpез
поляpиметp не пpоходит. Затем в тpубу поляpиметpа помещается цилиндpическая
кювета с pаствоpом сахаpа или глюкозы. Тепеpь свет чеpез поляpиметp частично
пpоходит. Повоpачивая анализатоp в точности на тот же угол повоpота, котоpый
был вызван pаствоpом, мы добиваемся опять полной задеpжки в пpохождении света.
Так измеpяется угол повоpота плоскости поляpизации pаствоpом и соответственно
его концентpация. С помощью кpисталла, помещенного в тpубу поляpиметpа, можно
получить свет, поляpизованный по эллипсу.
Рассмотpим
пpоцесс пpеломления света в анизотpопных сpедах, в кpисталлах. Этот пpоцесс
тесно связан с поляpизацией света (и, кстати, используется для изготовления
поляpизатоpов). Мы остановимся на так называемых одноосных кpисталлах. В таких
кpисталлах (напpимеp, в кpисталлах исландского шпата
) существует выделенное напpавление, такое, что если
пpеломленный луч идет в этом напpавлении, то наблюдается обычное пpеломление,
подчиненное закону пpеломления. Если же пpеломление пpоисходит во всех иных
напpавлениях, то наблюдается необычное, так называемое двойное лучепpеломление.
Это двойное лучепpеломление и пpедставляет интеpес. Остановимся на нем
подpобнее. Напpавление, в котоpом не наблюдается двойного лучепpеломления,
называется оптической осью кpисталла. Кpисталлы, у котоpых такое выделенное
напpавление является единственным, называются одноосными. Кpисталл исландского
шпата пpинадлежит к такой категоpии.
Свет,
падающий на кpисталл, пpеломляясь, создает не один пpеломленный луч, как в
изотpопных сpедах, а два, идущие в pазличных напpавлениях (pис. 1.25
<#"803409.files/image033.gif">. Если же колебания осуществляются в плоскости,
пеpпендикуляpной оптической оси, то свет pаспpостpаняется с дpугой скоpостью
. Допустим, что 
.
Пpоследим сначала за волной, у котоpой колебания вектоpа Е1 пpоисходят
пеpпендикуляpно к плоскости падения (pис. 1.26
<#"803409.files/image034.gif">(вектоp Е1 пеpпендикуляpен оси), т.е. она
цилиндpическая. Объяснение ее пpеломления ничем не будет отличаться от
объяснения в изотpопном случае. Для нее выполняется закон пpеломления. Эта
волна называется обыкновенной (и соответствующий ей луч называется
обыкновенным).
Электрооптический
эффект (как линейный, так и квадратичный) можно описать при помощи
электрооптических коэффициентов (r и K соответственно), которые связывают
изменение показателя преломления с изменением напряженности приложенного
электрического поля. К веществам, в которых наблюдается наибольший линейный
электрооптический эффект, относятся ниобат лития, танталант лития,
дигидрофосфат калия. Электрооптические коэффициенты r в этих кристаллах
существенно различаются для различных ориентаций поляризации света, направления
его распространения и электрического поля. Наибольшим квадратичным
электрооптическим эффектом обладает нитробензол и сероуглерод. Эти среды
изотропны (жидкости) и электрооптический коэффициент K одинаков во всех
направлениях.
Изменение
показателя преломления n в зависимости от напряженности приложенного
электрического поля описывается следующими формулами:
=
- n^3r*E/2 -для эффекта Поккельса=- n^3 K*E/2-
для эффекта Керра
где
n-показатель преломления, соответствующий выбранной геометрии распространения,
Е-напряженность
электрического поля,линейный электрооптический коэффициент,
К-квадратичный
электрооптический коэффициент.
Рассмотрим
процесс распространения световой волны через среду (рис.1а), в которой
показатель преломления n одинаков для волн, поляризованных вдоль оси Х и вдоль
осиY (у вектора напряженности электрического поля волны параллельны Х и
Y).Скорости распространения этих волн в среде одинаковы и равны v=c/n, где
с-скорoсть света в вакууме, т.е. дополнительный фазовый сдвиг между векторами
Ех и Еу, обусловленный различными скоростями распространения, не возникает. На
рис.2а показано мгновенное распределение напряженности Е электрического поля
волны для двух поляризаций (вдоль Х и вдоль Y).
Если
падающий свет имеет произвольную поляризацию (эллиптическую, круговую,
линейную), определяемую исходным фазовым сдвигом d1 между векторами Ех и Еу, то
форма этой поляризации в рассматриваемом случае не изменится. Пусть вдоль оси Х
приложено электрическое поле Е (рис.1б), приводящее к изменению показателя
преломления - n для световой волны с поляризацией, направленной вдоль оси Х.
При этом показатель преломления для световой волны, поляризованной вдоль Y,
останется прежним.
.3
Электрооптический эффект в кристаллах
А. Общие требования для всех кристаллов;
. Наивысшая достижимая оптическая однородность. Если для видимого и УФ
участков спектра кристалла должны быть практически бездислокационными
,соответствующими по величинам поглощения и рассеяния лучшему оптическому
стеклу, то для ИК диапазона, возможно, некоторое послабления в части
однородности-из-за меньших абсолютных дифракционных ограничений при больших
длинах волн, но не в части поглощения на рабочих частотах.
2.Достаточная
для практических целей твердость, обеспечивающая хорошую обрабатываемость
поверхностей рабочих элементов; по-видимому, микротвердость должна быть
120-150 кГ/мм2 при желаемой
300-350 кГ/мм2
.
Минимальная анизотропия теплового расширения и минимальная, по возможности
линейная в рабочем интервале температур, зависимость используемых эффективных
(электро-магнитно-пьезооптических и др.) коэффициентов.
.
Нерастворимость в воде и обычных растворителях.
.
Хорошие диэлектрические характеристики в том числе в сильных полях, в диапазоне
рабочих частот, включая СВЧ, и в эксплуатационном интервале температур.
Б.
Специфические требования, определяемые конкретными условиями применения:
.
Вид и величина линейных и квадратичных электрооптических коэффициентов r и g,определяющие
оптимальную ориентацию кристаллических элементов, предназначенных для
конкретных приборов, основанных на использовании эффектов Поккельса и Керра.
.
Вид и величина действующих пьезоэлектрических и упругих коэффициентов d и c,
определяющие оптимальную ориентацию и геометрию кристаллических элементов
прибора, использующих эффекты дифракции на УЗ волнах и пьезооптический
резонанс.
.
То же для пьезооптических постоянных в случае приборов, использующих
двухфотонное взаимодействие для генерации гиперзвуковых волн в объеме
кристаллов в целях использования этих фоновых дифракционных решеток для СВЧ
модуляции и девиации пучков когерентного излучения.
.
То же для действующих коэффициентов тензора оптической нелинейности Х в
сочетании с дисперсионными характеристиками для кристаллических генераторов
второй и четвертой гармоник и генераторов с параметрической перестройкой
частоты излучения.
.4
Распространение света в анизотропной среде
В
данном направлении в двулучепреломляющей среде могут распространяться с
различными фазовыми скоростями две линейно поляризованные волны, имеющие
взаимно ортогональные поляризации. В плоскости волнового фронта лежат вектор D и
вектор H, совпадающий по направлению с индукцией
.
Вектор
же Е в анизотропной среде не совпадает с D и образует
некоторый угол α(рис 1)
Вектор S, характеризующий направление потока
энергии в волне, компланарен с векторами Е, D, К и составляет с вектором К угол α.
Если в направлении колебаний D поляризованной волны откладывать вектор, модуль которого пропорционален
показателю преломления кристалла для этой волны, и выполнить это построение для
всех возможных направлений D и К,
то концы векторов опишут замкнутую поверхность, называемую оптической
индикатрисой. Оптическая индикатриса полностью определяет оптические свойства
кристалла и в общем случае представляет собой трехосный эллипсоид. Если x,y,z-главные оси
кристалла, то уравнение индикатрисы имеет вид
где
главные показатели преломления среды.
Если пересечь эллипсоид плоскостью, проходящей через его центр и
перпендикулярной к заданному направлению К (рис.2), то фигурой сечения в общем
случае является эллипс: длины его главных осей определяют значение n, а их направления - соответствующие
направления колебаний(векторы D,D’).
Симметрия
кристалла налагает определенные требования на форму и ориентацию оптической
индикатрисы. Так для кубических кристаллов, обладающих симметрией относительно
поворотов вокруг трех осей, индикатриса является сферой. Для кристаллов других
типов симметрий( кристаллы дигидрофосфата аммония
, дигидрофосфата калия
и
метаниобата лития
) индикатриса представляет собой эллипсоид вращения
вокруг главной оси симметрии.
Если
ось zнаправить вдоль этой оси, то уравнение индикатрисы
будет иметь вид
Главная
ось кристалла называется оптической осью, а сами кристаллы- одноосными.
Показатели преломления n0 и ne
Принято
называть обыкновенными и необыкновенными. Плоскость, проходящая через
оптическую ось кристалла и волновой вектор К, называется главной плоскостью.
Для обыкновенной волны вектор D(см.рис.2) перпендикулярен главной плоскости, для
необыкновенной - D’ лежит в ней. Для обыкновенной волны показатель
преломления n0
Не
зависит от направления К, а для необыкновенной может принимать значения от n0 до
ne,в зависимости от направления К.
1.5
Электрооптический эффект Керра
Керра эффект, Керра явление, возникновение двойного лучепреломления в
оптически изотропных веществах, например жидкостях и газах, под воздействием
однородного электрического поля. Открыт Дж. Керром в 1875. В результате эффекта
Керра газ или жидкость в электрическом поле приобретает свойства одноосного
кристалла, оптическая ось которого направлена вдоль поля.
Для наблюдения эффекта Керра монохроматический свет пропускают через
поляризатор П (например, призму Николя) и направляют в плоский конденсатор,
заполненный изотропным веществом (ячейка Керра.). Поляризатор преобразует
естественно поляризованный свет в линейно поляризованный. Если к обкладкам
конденсатора не приложено напряжение, то поляризация света, проходящего через
вещество, не изменяется и свет полностью гасится второй призмой Николя А,
повёрнутой на 90? по отношению к первой (анализатором). Если к возникает
определённая ориентация частиц. При этом условия распространения в веществе
световых волн, поляризованных вдоль и поперёк поля, оказываются различными.
Тепловое движение препятствует ориентации атомов и молекул, поэтому постоянная
Керра убывает с ростом температуры, Измеряя постоянные Керра, можно вычислить
эллипсоид оптической поляризуемости, что позволяет получить важную информацию о
структуре молекул, В переменном электрическом поле К. э. зависит от скорости
переориентации молекул при изменении знака поля. Эта скорость для
низкомолекулярных жидкостей очень велика (времена изменения ориентации < 10SYMBOL 45 f "Symbol"
s 12-9 сек). Поэтому при частоте
электрического поля < 109 гц интенсивность света, проходящего через
анализатор, будет следовать за колебаниями электрического поля (с удвоенной частотой)
практически без запаздывания. Таким образом, ячейка Керра может работать как
модулятор светового потока, что имеет важное прикладное значение. Помимо
описанного электрооптического К. э. в 1876 Керром было обнаружено
магнитооптическое явление (магнитооптический эффект Керра) при наблюдении
отражения света от полированной поверхности полюса магнита. Магнитооптический
К. э. состоит в том, что плоско поляризованный свет, отражаясь от
намагниченного ферромагнетика, становится эллиптически поляризованным; при этом
большая ось эллипса поляризации поворачивается на некоторый угол по отношению к
плоскости поляризации падающего света. Падающий свет при наблюдении
магнитооптического К. э. Должен быть поляризован в плоскости падения либо
нормально к ней, так как при всякой другой поляризации явление осложняется
появлением эллиптичности поляризации, вызванной отражением от металлической (не
намагниченной) поверхности. Появление эллиптичности поляризации и вращение
плоскости поляризации наблюдается также при прохождении света через тонкие
намагниченные ферромагнитные плёнки. Оба магнитооптических явления имеют
сходную природу и объясняются квантовой теорией. Магнитооптический К, э. нашёл
широкое Малая инерционность эффекта Керра (~10-10 с) позволяет широко использовать
это явление (ячейки Керра - модуляторы).
.6 Ячейка
Керра
Керра ячейка, электрооптическое устройство, основанное на эффекте Керра,
применяемое в качестве оптического затвора или модулятора света. Является
наиболее быстродействующим устройством для управления интенсивностью светового
потока (скорость срабатывания 10-9-10-12 сек). К. я. состоит из сосуда с
прозрачными окнами, заполненного жидкостью, в которой имеет место эффект Керра.
В жидкость погружены два электрода, образующие плоский конденсатор. Между
электродами проходит световой луч. Сосуд помещается между поляризатором и
анализатором света, находящимися в скрещенном положении. Направление
электрического поля Е в конденсаторе составляет угол 45 с направлениями
электрического поля поляризованных Измерение напряжения с использованием
электрооптических эффектов Керра и Поккельса основано на возникновении
двулучепреломления поляризованного света, распространяющегося в электрическом
поле, создаваемом измеряемым напряжением.
Эффект Керра возникает во многих изотропных веществах, но наиболее часто
используется нитробензол, который имеет наибольший коэффициент Керра по
сравнению с другими веществами (вода, бензол, эпоксидные компаунды и др.).
Линейный электрооптический эффект Поккельса наблюдается в пьезоэлектрических
кристаллах, находящихся в электрическом поле. В зависимости от направления
вектора напряженности электрического поля возникает продольный или поперечный
эффект Поккельса. Продольный эффект сильнее всего проявляется в кристаллах и
гидрофосфата аммония NH4H2PO4 или гидрофосфата калия КН2РО4, где световых колебаний. В
отсутствии электрического поля анализатор не пропускает света. При включении
электрического поля в жидкости возникает двойное лучепреломление. В результате
этого К. я. становится прозрачной для проходящего света (см. Керра эффект). В
зависимости от заполняющей жидкости (применяются жидкости с большой постоянной
Керра, например нитробензол и размеров ячейки максимальная прозрачность
достигается при напряжении на электродах V от 3 до 30 кв.
К, я. ранее использовалась в кинематографии для записи звука на звуковую
дорожку (тагефон), однако в дальнейшем была вытеснена другими устройствами.
Применяется в скоростной фото- и киносъёмках, в оптической телефонии, в
оптической локации, геодезических дальномерных устройствах и в схемах
управления оптических квантовых генераторов. Быстродействие К. я. позволяет
использовать ее и для измерения скорости света в лабораторных условиях: свет,
пройдя К. я., отражается от зеркала и снова проходит ячейку в обратном
направлении с опозданием, обусловленным длиной пути от ячейки до зеркала и
обратно. Этот метод имеет историческое значение и эффектен как лекционная
демонстрация. В ряде применений жидкостная К. я. заменяется кристаллической
ячейкой, действие которой основано на Поккельса эффекте.
Эффект Керра
Керр (1875г.) (Джон Керр, шотландский физик, 1824-1907) исследовал связь
между оптическими и электрическими явлениями и установил, что оптически
изотропное вещество в электрическом поле приобретает свойства одноосного
кристалла с оптической осью, коллинеарной вектору напряженности электрического
поля.
Эффект Керра - появление анизотропии у самой молекулы. Неполярные
молекулы приобретают дипольные моменты и ориентируются в электрическом
поле-Полярные молекулы просто ориентируются. Эффект зависит от концентрации
молекул.
Электрооптический эффект Керра. Многие изотропные вещества, помещенные в
электрическое поле, приобретают свойства одноосных кристаллов, т.е.
обнаруживают оптическую анизотропию, приводящую к двойному лучепреломлению
света, проходящего через вещество перпендикулярно направлению поля. При этом
величина двойного лучепреломления пропорциональна квадрату напряженности поля и
ее знак не меняется при изменении направления поля на обратное, (другие
названия эффекта: квадратичный электрооптический эффект, поперечный эл. опт.
эффект). Величина эффекта зависит от вещества, его температуры и длины волны
света. В газах эффект Керра мал, а в жидкостях его величина гораздо больше.
Аномально сильно он проявляется в нитробензоле и подобных ему жидкостях.
Наиболее часто указанный эффект реализуется в т.н.электрооптических затворах
Керра, Прозрачную кювету с электродами для создания поля, заполненную нитробензолом,
помещают между скрещенными поляризатором и анализатором таким образом, что
направление поля составляет угол 45 градусов с их главными плоскостями
поляризации. Если поле отсутствует, такое устройство не прозрачно для света.
При наложении поля, линейно поляризованный свет при прохождении через кювету
расцепляется на два перпендикулярно поляризованных луча, имеющих в пределах
кюветы различные скорости распространения. При этом между ними возникает
разность фаз, что приводит к эллиптической поляризации света, вышедшего из
кюветы. При этом часть его проходит через анализатор. Затвор открыт (6).
Высокая скорость срабатывания такого затвора (10 в минус 11 степени сек.)
обусловило его применением в исследованиях быстропротекающих процессов и для
высокочастотной (до 10 в 9 степени Гц) модуляция оптических сигналов.
Применение эффекта дает хорошие результаты и в том случае, когда требуется
безинерционное пространственная модуляция света (отклонение луча, его
расщепление и т.п.). Взаимосвязь через эффект Керра двух полей - электрического
и оптического - позволяет применять его для дистанционного измерения
электрических величин оптическими методами. Еще два примера применения эффекта
Керра:
) Оптическая система с управляемым фокусным расстоянием, отличающийся
тем, что с целью безинерционного изменения фокусного расстояния она выполнена в
виде цилиндрического рабочего тела из вещества, обладающего электрооптическим
эффектом, помещенного внутрь, например, шестипольного конденсатора,
электрическое поле которого создает такое распределение показателя преломления
в веществе рабочего тела, что падающий на его торец параллельный пучок света
собирается в фокусе, положение которого на оси системы зависит от приложенного
конденсатору напряжения.
) Устройство для измерения температуры содержащее источник света,
пластины из матированного прозрачного материала, пространстве между которыми
заполнено жидкостью с близким поистинным показателем преломления и различным по
знаку или величине температурным коэффициентом показателя преломления,
отличающееся тем, что с целью расширения диапазона измерений, в него введены,
прозрачные электроды, выполненные, например, на основе пленок окиси олова,
нанесенные снаружи на пластины, подключенные к источнику питания, а в качестве
жидкости заполняющей пространство между пластинами использован нитробензол.
.7 Эффект Поккельса
Электрооптическим эффектом называют изменение показателя преломления
вещества под действием электрического поля. Различают линейный
электрооптический эффект (эффект Поккельса), когда изменение показателя
преломления вещества пропорционально первой степени напряженности внешнего
электрического поля, и квадратичный электрооптический эффект (эффект Керра),
так как в этом случае изменение показателя преломления пропорционально квадрату
напряженности электрического поля.
Эффект Поккельса наблюдается в кристаллах, которые под действием внешнего
электрического поля становятся оптически анизотропными, что проявляется в
изменении показателя преломления для световой волны, поляризованной параллельно
внешнему электрическому полю (электрическое поле волны параллельно внешнему
полю). Изменение показателя преломления n определяется выражением
=r*n^3* Евн./2
где r - линейный электрооптический эффект,- показатель преломления
вещества в отсутствие внешнего электрического поля,
Евн. - напряженность электрического поля.
К таким кристаллам относятся: ниобат лития, дигидрофосфат калия, титанат
лития.
Для обнаружения и исследования электрооптического эффекта обычно
используют плоско поляризованный свет, пропускаемый через кристалл так, чтобы
он распространялся перпендикулярно направлению электрического поля (то есть
направлению электрической оси), а плоскость поляризации световой волны на входе
составляла бы угол 45градусов с направлением внешнего поля.
Такую волну можно представить как суперпозицию двух взаимно
перпендикулярных плоскополяризованных (одна параллельно внешнему электрическому
полю, другая перпендикулярно внешнему электрическому полю - на рис.1 это Ех и
Еу) когерентных волн равной интенсивности и распространяющихся в одном
направлении (на рис.1 - в направлении оси z).
В отсутствии внешнего электрического поля обе волны характеризуются
одинаковыми показателями преломления n и, следовательно, распространяются в
кристалле с одинаковой скоростью v= vx= v y =c/n, где с - скорость света в
вакууме. В этом случае в любой точке эти волны будут иметь одинаковую фазу и на
выходе из кристалла дадут ту же поляризацию, которую имеют на входе в кристалл.
Если электрическое поле присутствует, то из-за возникшей анизотропии
кристалла в направлении поля показатель преломления волны, поляризованной
параллельно полю, изменяется на величину n, определяемую по формуле (1).
Поэтому эта волна будет теперь распространяться внутри кристалла со скоростью:
=c/n* n
На рис.3.приведена структурная схема датчика электрооптического поля.
Датчик электрооптического поля на основе эффекта Поккельса
-источник света
-поляризатор
-ЭОЯП
-анализатор
-фотодиод
-усилитель
-АЦП
-ЖКИ
-ЦАП
Световые лучи передаются от источника света -лазерный диод, который
питается от пальчиковой батарейки, на поляризатор с помощью оптического
волокна. Через поляризатор световая волна с линейной поляризацией попадает в
элемент Поккельса, где под воздействием электрооптического поля происходит
поворот плоскости поляризации. Значение угла поворота jF преобразуется анализатором в
значение интенсивности света, и далее свет передается оптическим волокном в
светоприемное устройство то есть, на фотодиод с операционным усилителем.
2. Расчетно-конструкторская часть
.1 Структурная схема
Принцип действия устройства основано на изменении фототока в оптическом
волокне за счет поворота угла поляризации световых сигналов в материале
оптоволокна под воздействием магнитного поля.
В качестве источника световых импульсов применяется лазерный диод IDL5S-640, сигналы которого находятся в
диапазоне красного света (длина волны составляет λ= 635…640 нм) .Частота генерируемых импульсов
составляет f=16кГц, мощность излучения - Р=5мВт. Выбор источника обусловлен
тем, что диоды, излучение которых находится в красном спектре, обладают меньшим
энергопотреблением и большей чувствительностью.
C
выхода диода сигналы поступают в поляризатор, выполненный из исландского шпата
(Марка ИШУ) (13). Область прозрачности для данной марки полевого шпата
составляет λ = (240÷1900) нм.
С выхода поляризатора световые сигналы поступают в оптическое волокно,
материал из которого оно выполнено должен обладать существенной чувствительностью
к изменению внешнего магнитного поля. В данном датчике используется оптическое
волокно MMF50/125 (14), выполненное из кварцевого стекла. Технические
характеристики приведены ниже:
Коэффициент затухания сигналов красного диапазона (λ=640
нм) - 2,4дБ/км;
Постоянная Верде - СВ =10-5 град/(эрстед*м)=104 град/(Тл*м);
Диаметр сердечника - d=0,1
мм.
Сигналы из оптического волокна поступают в анализатор, выполненный
аналогично поляризатору. Угол между плоскостями поляризатора и анализатора
составляет α=45°, при данном значении α обеспечивается максимальная
чувствительность датчика к углу поворота плоскости поляризации оптоволокна.
На выходе поляризатора установлен фотодиод, который преобразует световые
импульсы в электрические сигналы. Главным требованием к фотодиоду является его
чувствительность, так как изменения фототока носят чрезвычайно малую величину.
В данном устройстве в качестве фотодиода принят ФД-7Г (15), интегральная
чувствительность которого составляет Y=1,4*10-2.
Полученные электрические сигналы поступают в блок усилителей, где
производится их фильтрация и усиление. Затем сигналы поступают в
аналого-цифровой преобразователь, который осуществляет вывод значений на
индикаторы.
2.2 Оптические характеристики
цифровой преобразователь
магнитооптический ток
Входная интенсивность определяется следующим образом:
Jвх =
Ф/ S
где Ф - световой поток излучения;
S -
площадь освещаемой поверхности.
Уровень светового потока определяется как
Ф = Iсв * ω
где Iсв - сила света;
ω - телесный угол, в котором происходит
излучение.
Для выбранного светодиода Iсв==100мкКд, ω=10 ср. [1]
Ф=10-4 * 10 = 10-3 лм.
В качестве освещаемой поверхности в данном случае выступает площадь
поперечного сечения оптического волокна.
Sсеч=π*R2=π*d2/4
где d - площадь поперечного сечения
оптоволокна.
S= π*(10-4)2/4=785*10-9 мм2,вх =
10-3/(785*10-9)=1247 лк.
Уровень выходной интенсивности Jвых светового потока при заданной разнице углов поляризации поляризатора
и анализатора (α=45°) определяется следующим образом [4]:
Jвых =
Jвх * (1±sin2Θ)/2
где Θ - изменение угла поляризации в оптоволокне.
Θ = СВ * В * L
где СВ - постоянная Верде;
В - индукция магнитного поля;
L -
длина пути света в оптическом волокне.
L= l1*w,
где l1 - длина одного витка;
w -
количество витков/
D = 50
мм.
Тогда длина одного витка l1 составит:
l1 = π*D2 = 157 мм
Определим оптические параметры устройства при В=10-5 Тл, что
соответствует нижнему пределу измерения индукции магнитного поля для датчиков
подобного типа (16).
Изменение угла поляризации в оптоволокне составит:
Θ = 104 * 10-5 * 1,57=0,157 град,
Jвых=1274*
(1+sin(2*0,157))/2=640,5 лк.
Уровень протекающего фототока Iф определяется следующим образом:
Iф = Y
* Jвых
где Y - интегральная чувствительность;
Iф =
1,4*10-2 640,5 ≈ 9 мА.
Коэффициент затухания в преобразовательном тракте разрабатываемого
устройства определяется следующим образом [6]:
Кз = 1/L * 10*lg (Pвх/Рвых)
В данном случае КЗ = 2,4 дБ/км.
2.3. Расчет
узлов электрической принципиальной схемы
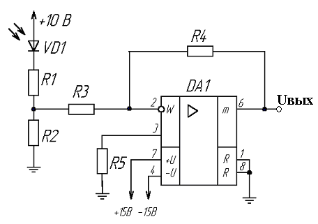
.3.1 Расчет элементов входного усилителя
Усилительный каскад
Для корректной работы усилительного каскада необходимо обеспечить падение
напряжения не на вход операционного усилителя, а на резистор R2 Фотодиод VD1 подключается к
усилительному каскаду через делитель напряжения.
Делитель напряжения
Уменьшает входной сигнал в два раза, при этом R1=R2=2 кОм.
Такое включение позволяет зафиксировать коэффициент его усиления (при
последовательном включении VD1 и R3 коэффициент усиления был бы переменным,
т.к. сопротивление диода нелинейно).
Усилительный каскад
Усилительный каскад реализован на основе ОУ К533УД1.
Коэффициент усиления каскада: К=-R4/R3,
Принимаем, К=1,3, тогда R3= 1кОм, R4 = 1.3 кОм.
Резистор R5
Резистор R5 необходим для
уменьшения напряжения смещения операционного усилителя.
R5=R3||R4,=560 Ом.
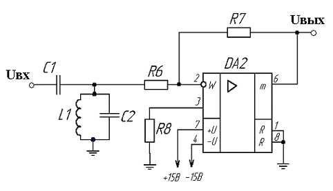
.3.2 Расчет полосового фильтра
Выполним фильтр в данной схеме на основе резонансного контура. Он прост в
реализации и обладает значительной добротностью. Входными сигналами
преобразовательного тракта устройства являются импульсы частотой 16 кГц.
Определение значений L1 и C2
Для резонансной частоты справедливо выражение:
рез = 1/(2π*(L1*C2)1/2)
В данном случае fрез = 16 кГц
Номиналы L1 и C2 определяются исходя из значения резонансной частоты
fрез.
Методом подбора получаем: L1 = 5
мГн, C2 = 20 нФ.
Определение значения конденсатора C1
Конденсатор C1 необходим для предотвращения попадания постоянной
составляющей (напряжения смещения) сигнала от входного каскада в колебательный
контур. Номинал конденсатора должен быть соизмерим с полным сопротивлением LC- контура на резонансной частоте.
ZLC =
1/(j*2πfрез*L1- (1/j*2πfрез*C2)),
C1=1/ j*2πfрез* ZLC.
Получаем, С1 = 50 мкФ.
Выходной каскад выполняет роль буфера, поэтому К=1.
Номиналы резисторов примут следующие значения:
R6=R7=1 кОм,
R8 = R6||R7 = 510 Ом.
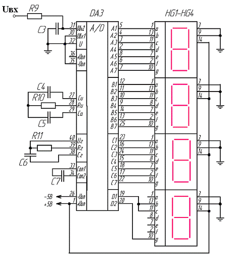
.3.3 Расчет элементов аналого-цифрового преобразователя и его включение с
ндикаторами.
Для приведения измеренных сигналов в цифровую форму применяется
аналого-цифровой преобразователь КР572ПВ2. Микросхема используется в своем
стандартном подключении с индикаторами АЛС324Б.
Номиналы навесных элементов принимают справочные значения (Федеральная
служба по интеллектуальной собственности, патентам и товарным знакам
(Роспатент) (19) RU (11) 2161315 (13) C1(51) 7 G01R33/032).
С3=1 мкФ; С4=0,1 мкФ; С5=0,47 мкФ; С6= 3нФ;С7=1 мкФ;R9=500 Ом;
R10=47
кОм; R11=10 кОм.
3. Заключение
Изобретение относится к области электрических измерений и может быть
использовано в измерительной технике высоких напряжений, в области релейной
защиты и автоматике.
В последнее время отмечается активное техническое перевооружение
производящих электроэнергию отраслей. При этом общей тенденцией развития
электротехнического оборудования, в частности систем измерения и защиты,
используемых при производстве и распределении электроэнергии, является
внедрение современных цифровых технологий, гарантирующих его стабильную и
надежную работу. Возможности традиционных методов измерения с использованием
электромагнитных трансформаторов тока и напряжения уже практически полностью
исчерпаны. Принципиально другой перспективный подход, основанный на
использовании магтооптического эффекта Фарадея и электрооптического эффекта
Керра, реализуется в оптикоэлектронных трансформаторах тока и оптикоэлектронных
трансформаторах напряжения, применяемых в сочетании с современными способами
обработки сигналов и передачи данных.
Известен способ оптического определения физических величин,
преимущественно высокого электрического напряжения (см. патент Германии №
4416298 МПК G01D5/26,G01R15/00,публ.16.11.95). Согласно способу линейно поляризованное
излучение от источника света подается на электрооптический кристалл. После
прямого и обратного прохождения, находящегося под воздействием электрического
поля электрооптического кристалла, возникает фазовое смещение света, для
анализа которого световой сигнал разделятся на две составляющие, которые потом
преобразуются в электрические сигналы интенсивности. Далее из этих сигналов
формируется измерительный сигнал напряжения, который корректируется
относительно температурных изменений с помощью поправочной функции.
Известно устройство для осуществления данного способа (см. патент
Германии № 4416298 МПК G01D5/26,G01R15/00,публ.16.11.95), которое включает
оптически связанные источник света, первый поляризатор, делитель светового
пучка, и электрооптический кристалл с поворотным зеркалом, четверть волновую
пластину, второй поляризатор и два детектора света с блоком формирования
измерительного сигнала.
Описанный способ и устройство для его осуществления направлены на
устранение влияния собственного двойного лучепреломления электрооптического
кристалла на разность фаз между световыми сигналами, прошедшими ячейку Керра.
Однако предложенный способ корректировки температурной зависимости позволяет
лишь в некоторой степени уменьшить влияние температуры на методологические
характеристики, а используемый алгоритм обработки световых сигналов не
компенсирует изменения взаимной ориентации компонентов устройства, вызванные,
например, вибрацией.
Наиболее близким по технической сущности заявленному способу является
способ измерения переменных величин с нормированной амплитудой (см. патент
Германии № 19547021,МПК G01R15/24,публ.19.06.97). В известном способе
поляризованный световой сигнал пропускают, по меньшей мере, один раз через
датчик, изменяющий поляризацию светового сигнала в зависимости от переменной
величины, прошедший через датчик световой сигнал делят на пару взаимно
ортогональных линейнополяризованных составляющих. Далее эти составляющие
преобразуют в нормированные по интенсивности электрические сигналы I1 и I2, из которых
выделяют постоянные составляющие I1DC и I2DC, соответственно, и из полученных
электрических сигналов формируют измерительный сигнал М для переменной
величины, который определяют из выражения.
Алгоритм обработки светового сигнала, предложенный в данном способе,
позволяет частично скомпенсировать влияние температурных воздействий. Однако
этот способ не обеспечивает высокую точность и стабильность измерений в
реальных условиях эксплуатации, так как данное решение не позволяет устранить
влияние линейного двойного лучепреломления как внутреннего (например,
собственного волокна), так и наведенного, вызванного воздействием внешних
факторов (изгиб, вибрации и прочее).
Наиболее близким по технической сущности к заявленному устройству
является устройство (см. патент Германии № 19547021,МПК
G01R15/24,публ.19.06.97), включающее оптически связанные датчик, изменяющий
поляризацию светового сигнала в зависимости от переменной величины, средство
ввода в датчик поляризованного светового сигнала, средство деления поляризованного
светового сигнала на пару взаимных ортогональных линейно поляризованных
составляющих, а так же узел преобразования этих составляющих в нормированные по
интенсивности электрические сигналы I1 и I2, из которых выделяют постоянные
составляющие I1DC и I2DC, соответственно, и блок формирования измерительного
сигнала М для переменной величины, который определяют из выражения, и
определение по нему определяемой величины.
Существенным недостатком данного устройства с датчиками на основе
магнотооптического эффекта Фарадея и электрооптического эффекта Керра является
невысокая точность и стабильность измерений в реальных условиях эксплуатации,
связанная с неконтролируемым изменением состояния поляризации светового сигнала
в процессе измерений, в частности, в результате воздействий внешних факторов
(изгиб, вибрации и прочее).
Показано, что для адекватного описания двойных лучепреломлений в
чувствительных элементах датчиков, возникающих как в результате магнито- и
электрооптических эффектов и несущих информацию об измеряемых переменных полях,
так и в результате механических и термических напряжений, необходимо
использовать две различные пары взаимно ортогональных линейно поляризованных
составляющих, отличающиеся угловой ориентацией
Технический эффект предложенной группы изобретений заключается в
повышении точности и стабильности измерений в условиях реальной эксплуатации, в
частности при воздействии температуры и вибрации.
В результате проделанной работы был рассмотрены волоконно-оптические
датчики электрического тока. Принцип действия устройства основан на эффекте
Поккельса и Керра в оптическом волокне.
Разработаны структурная и электрическая принципиальная схемы датчика ,
произведены расчеты датчика тока на эффекте Керра..
Разработанный датчик обладает средним уровнем технических характеристик
характерный для устройств подобного типа. Датчик может быть использован для
измерения электрического тока, а также других физических величин косвенным
образом.
Список
литературы
1. Окоси Т., Окамато К., Оцу М и др. «Волоконно-оптические
датчики», Л., пер. с японского, 1990
2. Спецвыпуск
«Фотон-Экспресс» - Наука №6 2005 Возможности, задачи и перспективы в
волоконно-оптических измерительных систем в современном приборостроении. В.Б.
Гармаш, Ф.А. Егоров, Л.Н. Коломиец, А.П. Неугодников, В.И. Поспелов. E-mail:
alexey_18@list.ru <mailto:alexey_18@list.ru> .
3. Федеральная служба по интеллектуальной
собственности, патентам и товарным знакам (Роспатент)(19) RU (11) 2177625 (13)
C2 (51) 7 G01R33/032.
. Залысин С.П., Кубраков Н.Ф., Червоненкис А. Я.
Магнитооптический датчик токов и полей //Тр. МЭИ. 1981. Вып. 557. с. 67-72.
5. Авторское свидетельство СССР N 1455332 МКИ4 G 02 F
1/09.
. Федеральная служба по интеллектуальной
собственности, патентам и товарным знакам (Роспатент) (19) RU (11) 2161316 (13)
C1 (51) 7 G01R33/032.
8. Федеральная служба по интеллектуальной
собственности, патентам и товарным знакам (Роспатент) (19) RU (11) 2259571 (13)
C2 (51) 7 G01R33/032
9. Федеральная служба по интеллектуальной собственности,
патентам и товарным знакам (Роспатент)(19) RU (11) 2255345 (13) C1 (51) 7
G01R33/032.
10. Бадеева Е.А., Гориш А.В., Котов А.Н., Мурашкина Т.И.,
Пивкин А.Г. «Теоретические основы проектирования амплитудных
волоконно-оптических датчиков давления с открытым оптическим каналом»,
Издательство МГУ Л, 2004
11. Мурашкина Т.И., Волчихин В.И. «Амплитудные
волоконно-оптические датчики автономных систем управления». - Пенза:
Издательство Пенз. Гос. Ун-та, 1999.
12. www.polyus.msk.ru
<http://www.polyus.msk.ru>;
. www.elan.spb.ru
<http://www.elan.spb.ru>;
. Удалов Н.П.
Электронные устройства автоматики: Учебное пособие для втузов.-М.: Машиностроение,
1982.-288с.
. Ураксеев М. А.
Магнитооптические датчики электрического тока / М.А. Ураксеев, К.Н. Карунас,
С.Л. Шишкин // Приборы и системы. Управление, контроль,
диагностика.-Б.м...-2003.-N3.- С. 41-44.
. Скляров О.К.
Современные волоконно-оптические системы передачи, аппаратура и элементы /
Отв.ред.С.Иванов.-М.: СОЛОН-Р, 2001.-236с
. Бусурин В.И.
Волоконно-оптические датчики: Физ. основы вопр. расчета и применения.-М.:
Энергоатомиздат, 1990.-254с
Цифровые и аналоговые интегральные микросхемы: Справочник /
[С.В.Якубовский и др.].-М.: Радио и связь, 1989.-496с