Времяимпульсный аналого-цифровой преобразователь
Государственное образовательное
учреждение
высшего профессионального образования
«Омский государственный технический
университет»
Кафедра «Автоматизированные системы
обработки
информации и управления»
КУРСОВОЙ ПРОЕКТ
по дисциплине “Электротехника, электроника
и схемотехника”
на тему «Времяимпульсный
аналого-цифровой преобразователь»
Профессор, д-р техн. наук,
А.В. Никонов
Студент
Н.А. Евгеньев
Омск 2015
Содержание
Введение
. Анализ современного состояния научно-технического уровня по тематике
проектирования
.1 Аналого-цифровые преобразователи
. Проектирование на структурном уровне
. Проектирование схем электрических принципиальных
.1 Делитель напряжения
.2 Интегратор
.3 Ключи
.4 Компаратор
.5 Источник опорного напряжения
.6 Источник квантующих импульсов
.7 Счетчик импульсов
.8 Формирователь сигнала «Упр.SW1».
.9 Формирователь сигналов «Сброс СИ», «Запись».
.10 Регистр
Заключение
Список использованных источников
Введение
Курсовое проектирование является составной частью процесса подготовки
инженеров и специалистов. Этот процесс позволяет приблизить теоретическое
обучение к последующей практической деятельности.
В период проектирования студенты приобретают навыки самостоятельной
работы по проектированию и анализу схем, по использованию справочной
литературой, а также имеют возможность проявить инициативу в решении
технических задач.
Идея время - импульсного метода преобразования состоит в преобразование
входного сигнала (обычно - в виде постоянного напряжения) в пропорциональный
отрезок времени, а затем в код. Данный метод применим для разработки и
построения различных устройств, в том числе и аналого-цифровых
преобразователей.
Особенностью современных устройств является возможность вывода информации
об измеряемых величинах в ЭВМ. Это достаточно удобно для дальнейшей их
обработки. Согласно требованиям технического задания проектируемое устройство
должно работать в автоматическом режиме.
Целью данного курсового проекта является проектирование аналого-цифрового
преобразователя двухтактного интегрирования.
1. Анализ современного состояния научно-технического уровня
по тематике проектирования
.1 Аналого-цифровые преобразователи
Аналого-цифровые преобразователи (АЦП) предназначены для преобразования
аналоговой величины (как правило - в виде напряжения) в код. Существует
достаточно большое число различных классификаций АЦП [1-4].
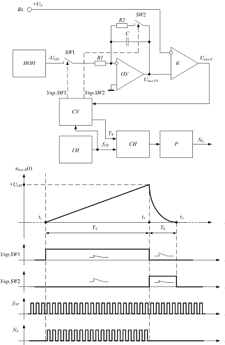
Более высокими метрологическими характеристиками обладают одноактные
интегрирующие АЦП. Схема однотактного интегрирующего АЦП (АЦП с модуляцией
длительности импульса) приведена на рисунке 1.1 [2].
Рисунок 1.1 - Структурная схема однотактного АЦП и временные диаграммы,
которые иллюстрируют его работу
В момент времени
по команде от устройства управления (УУ) замыкается ключ
(ключ
при этом разомкнут) и ко входу
интегрирующего усилителя подключается опорное напряжение
. Если предположить, что ОУ идеальный
(коэффициент усиления дифференциального напряжения
, входное сопротивление для
дифференциального напряжения
, выходное сопротивление
), то через конденсатор
протекает ток заряда:
; (1.3)
Во время переходного процесса выходное напряжение соответствует интегралу
от входного напряжения:
,(1.4)
где
- постоянная времени интегратора.
В момент времени
(когда выполняется условие
) срабатывает компаратор К. Интервал
времени
, в течении которого интегрируется
опорное напряжение
, определяется уравнением:
;(1.5)
Откуда
;(1.6)
В течение этого интервала времени на счетчик импульсов (СИ) поступают
импульсы от генератора импульсов (ГИ) с частотой
, число которых пропорционально
входному напряжению:
.(1.7)
Код
записывает в регистр (Р).
После срабатывания компаратора в момент времени
замыкается ключ
и размыкается ключ
. Происходит разряд конденсатора
до нуля через резистор
.
АЦП подобного типа могут обеспечить достаточно высокие метрологические
характеристики. К ним относятся малые значения аддитивной и мультипликативной
погрешностей, высокая разрешающая способность. Однако таким АЦП присущ
существенный недостаток - плохое подавление помех, которые присутствуют во
входном напряжении. Это обусловлено тем, что время интегрирования
не кратно периоду помехи (обычно под
периодом помехи полагают период сети питания, т.е. 20 мс). Указанного
недостатка лишены АЦП двухтактного интегрирования.
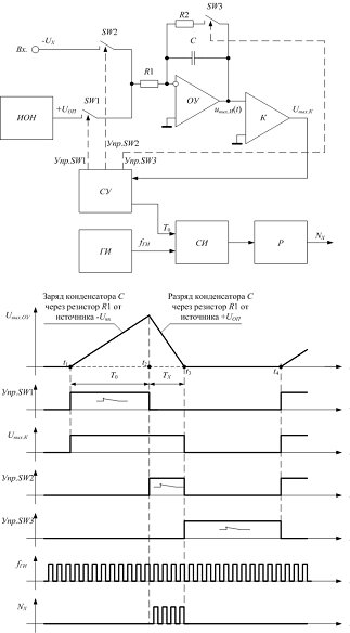
На рисунке 1.2 приведена упрощенная схема двухтактного интегрирующего АЦП
и временные диаграммы, которые иллюстрируют принцип его работы [2].
В момент времени
по команде от устройства управления (УУ) замыкается ключ
(ключи
и
при этом разомкнуты) и ко входу
интегрирующего усилителя подключается входное напряжение
. Если ОУ идеальный, то в течение
времени
происходит процесс заряда
конденсатора
через резистор
от источника входного напряжения
. Начиная с момента времени
замыкается ключ
(ключи
и
при этом разомкнуты), и в течение
времени
происходит процесс разряда
конденсатора
через резистор
от источника опорного напряжения
. После срабатывания компаратора (К)
в момент времени
по сигналу от УУ замыкается ключ
и размыкаются ключи
,
. На выходе ОУ устанавливается
нулевое выходное напряжение.
Рисунок 1.2 - Структурная схема двухтактного АЦП и временные диаграммы,
которые иллюстрируют его работу
Процессы заряда и разряда конденсатора
через резистор
от источника опорного напряжения
и источника входного напряжения
описываются формулой:
.(1.8)
Откуда
.(1.9)
В течение интервала времени
на счетчик импульсов СИ поступают
импульсы от генератора импульсов (ГИ) с частотой
, число которых пропорционально
входному напряжению:
.(1.10)
Код
записывает в регистр (Р).
Основным преимуществом двухтактного АЦП по сравнению с одноактным АЦП
является то, что интервал времени
, в течение которого происходит
интегрирование входного напряжения, может быть выбран кратным периоду помехи
промышленной частоты. Как следствие двухтактные АЦП могут обеспечить
существенно большее ослабление помехи.
-АЦП обеспечивают чрезвычайно высокие метрологические
характеристики. Однако они достигаются, как правило, при использовании
интегральной технологии.
2. Проектирование на структурном уровне
аналоговый цифровой преобразователь компаратор
Целью проектирования на структурном уровне является определение (задание)
номинальных коэффициентов преобразования определенных блоков, а также задание
значения определенных сигналов. На рисунке 2.1 приведена структурная схема
проектируемого АЦП двухтактного интегрирования.
Рисунок 2.1 - Структурная схема двухтактного АЦП
В состав АЦП входят два блока: блок аналого-цифровой (БАЦ) и блок
цифровой (БЦ). БАЦ обеспечивает преобразование постоянного напряжения
во временной интервал
. В состав БАЦ входят делитель
напряжения (ДН), источник опорного напряжения (ИОН), входной переключатель
(ВП), интегратор (И) с переключателем интегратора (ПИ) и компаратор (К).
Необходимость использования ДН обусловлена следующим. Согласно ТЗ
максимальное значение входного напряжения
-100 В. Предположим, что приведенное
значение является номинальным для максимального значения входного напряжения
АЦП:
В(2.1)
В качестве ВП предполагается использовать микросхему аналогового ключа,
коммутируемое напряжение у которого не должно превышать напряжение питания.
Задаемся номинальным значением коэффициента деления ДН
0,01. (2.2)
При этом номинальное значение входного напряжения интегратора
(номинальное значение выходного напряжения ДН) определяется формулой:
=-1 В.(2.3)
Номинальное значение коэффициента преобразования интегратора
определяется формулой (9):

с/В,(2.4)
где
- номинальные значения интервала времени интегрирования
и номинальное значение опорного
напряжения
.
Номинальное значение интервала интегрирования должно быть кратным периоду
помехи. При частоте помехи 50 Гц (т.е. при периоде помехи 20 мс) интервал
интегрирования
целесообразно выбирать 20 мс, 40 мс, 80 мс, 160 мс. Задаемся
значением
=160 мс.
Задаемся номинальным значением опорного напряжения
=2 В.
Тогда номинальное значение коэффициента преобразования интегратора
рассчитывается по формуле:
80 мс/В. (2.5)
Номинальное значение коэффициента преобразования блока АЦ в целом
определяется из (2.4):
.(2.6)
Номинальное значение кода
на выходе преобразователя целесообразно выбрать кратным
номинальному значению входного напряжения. Принимаем
=1000.
С учетом вышеизложенного номинальное значение интервала времени
. Для того чтобы в течение этого
интервала времени на СИ поступило 1000 импульсов, частота квантования должна
иметь значение
12,5 кГц.
Задаемся частотой на выходе ГИ
. Тогда коэффициент деления ДЧ должен
иметь значение
.
Для обеспечения времени интегрирования
необходимо сформировать частоту
, что можно обеспечить делением
частоты
на 2.
3. Проектирование схем электрических принципиальных
.1 Делитель напряжения
Необходимость использования ДН изложена выше.
Требования к ДН:
номинальное значение коэффициента деления
0,01;
входное сопротивление
500 кОм (согласно требованиям ТЗ).
Схема ДН приведена на рисунке 3.1.
Рисунок 3.1 - Схема делителя напряжения
Сопротивлением нагрузки для ДН является входное сопротивление интегратора
1 МОм. Коэффициент деления ДН
определяется формулой:
. (3.1)
Выбираем резистор
510 кОм типа С2-29В: С2-29В - 0,125 - 510 кОм ±1
Сопротивление резистора
рассчитывается по формуле:
5178 Ом. (3.2)
Выбираем резистор
5,1 кОм типа С2-29В:
С2-29В - 0,125 - 5,1 кОм ±1%
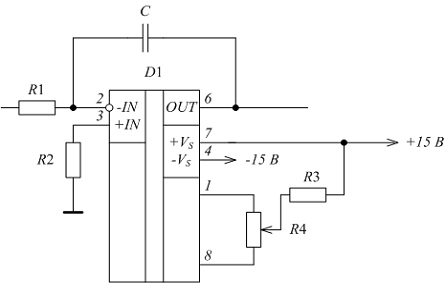
.2 Интегратор
Интегратор постоянного напряжения обычно реализуют на основе операционного
усилителя (рисунок 3.2) [5]
Рисунок 3.2 - Интегратор на основе ОУ
Если предположить, что ОУ идеальный (коэффициент усиления
дифференциального напряжения
, входное сопротивление для дифференциального напряжения
, выходное сопротивление
), то через конденсатор
протекает ток заряда:
. (3.3)
Во время переходного процесса выходное напряжение соответствует интегралу
от входного напряжения:
. (3.4)
При времени интегрирования
максимальное напряжение на выходе ОУ
равно:
. (3.6)
Множитель
представляет собой коэффициент преобразования интегратора.
Основные требования к ОУ в интеграторе:
как можно большее значение коэффициента усиления дифференциального
напряжения
;
как можно меньшее значение напряжения смещения
;
как можно меньшее значение температурного дрейфа напряжения смещения
;
как можно меньшее значение разности входных токов
.
В качестве ОУ в интеграторе выбираем усилитель типа AD707 корпорации IDA [5].
Основные параметры и характеристики ОУ типа AD707 приведены в таблице 1.
Таблица 1. Основные параметры и характеристики ОУ типа AD707
|
Минимальное значение
напряжения коэффициента усиления дифференциального напряжения , В/мкВ
|
8
|
|
Максимальное значение
напряжения смещения , мкВ
|
30
|
|
Максимальное значение
температурного дрейфа напряжения смещения , мкВ/ºС
|
0,1
|
|
Максимальное значение
входного тока смещения , нА
|
1
|
С помощью внешних компонентов (резисторов) в МС типа AD707 можно компенсировать напряженнее
смещения в диапазоне
мкВ.
Постоянная времени интегратора
должна быть кратной периоду помехи.
При частоте помехи 50 Гц (при периоде помехи 20 мс) постоянную времени
целесообразно выбирать 20 мс, 40 мс,
80 мс, 160 мс. Задаемся значением
=160 мс.
Схема интегратора на МС типа AD707 приведена на рисунке 3.4.
Рисунок 3.4. Схема интегратора на МС типа AD707
Выбираем резистор
1 МОм типа С2-29В [8]:
С2 - 29В - 0.125 - 1 МОм ±1%.
Емкость конденсатора
рассчитывается по формуле:
160 нФ.(3.7)
К71 - 7В -160,5 нФ ±1%-250 В.
Реальное значение постоянной времени интегратора рассчитывается по
формуле:
160 мс.(3.8)
Резистор
необходим для уменьшения влияния разности входных токов на
аддитивную погрешность ОУ. Выбираем резистор
1 МОм типа С2-29В:
С2-29В-0,125-1МОм ±1%.
Значения резисторов
как указано на рис3.4.
Выбираем резистор
типа С2-33Н [4]:
: С2-33Н-0,125-10 кОм±2.
Резистор
выбираем типа СП5-2В1:
: СП5-2В-1-10 кОм ±5.
3.3 Ключи
Основные требования к ключам:
как можно меньшее сопротивление в замкнутом состоянии;
как можно меньшее значение тока утечки в разомкнутом состоянии;
как можно меньшее значение времени переключения;
управление сигналами ТТЛ.
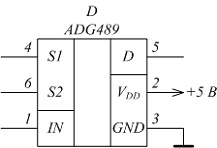
Из всего многообразия аналоговых ключей выбираем МС типа ADG849 корпорации IDA [8]. На рис.3.6 приведена структура
и нумерация выводов МС типа ADG849.
Основные параметры МС типа ADG849
приведены в таблица 2.
Таблица 2. Основные параметры МС типа ADG849
|
Сопротивление в замкнутом
состоянии , Ом
|
0,5
|
|
Ток утечки в разомкнутом
состоянии , нА
|
±0,01
|
|
Время переключения , нс
|
17
|
|
Максимальное значение
температурного дрейфа напряжения смещения , мкВ/ºС
|
0,1
|
На рисунке 3.5 приведено условное графическое обозначение МС типа ADG849.
Рисунок 3.5 - Условное графическое обозначение МС типа ADG849
3.4 Компаратор
Основные требования к компаратору:
минимально возможное напряжение смещения;
минимальная чувствительность ко входным шумам;
минимальное время задержки;
выходной сигнал в уровнях ТТЛ.
В качестве компаратора выбираем МС типа AD790 корпорации IDA.
Основные параметры МС типа AD790
приведены в таблице 3 [7].
Таблица 3. Основные параметры МС типа AD790
|
Напряжение смещения , мкВ
|
250
|
|
Напряжение гистерезиса , мкВ
|
500
|
|
Время переключения, нс
|
25
|
На рисунке 3.6 приведено условное графическое обозначение МС типа AD790.
Рисунок 3.6 - Условное графическое обозначение МС типа AD790
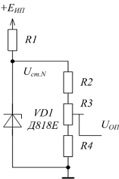
.5 Источник опорного напряжения
Источник опорного напряжения (ИОН) предназначен для разряда конденсатора
в интеграторе напряжением
, противоположным по полярности входному напряжению
.т.к. входное напряжение
отрицательной полярности, то ИОН должен создавать напряжение положительной
полярности. Номинальное значение опорного напряжения
=2 В. На рисунке 3.7 приведена схема
ИОН.
Рисунок 3.7 - Схема ИОН
В основе ИОН используется стабилитрон типа Д818Е. Стабилитрон
диффузионно-сплавной, прецизионный, кремниевый, малой мощности. Применяется в
основном для стабилизации номинального напряжения 9В [10].
Основные параметры стабилитрона типа Д81Е приведены в таблице 4.
Таблица 4. Основные параметры стабилитрона типа Д81Е
|
Номинальное напряжение
стабилизации, В
|
9
|
|
Ток стабилизации, мА
|
10
|
|
Температурный коэффициент
напряжения стабилизации, %/ºС
|
±0,001
|
Резистор
задает ток стабилизации:
600 Ом.(3.9)
Округляем полученное значение в меньшую сторону (увеличивается ток через
стабилитрон и увеличивается коэффициент стабилизации) до ближайшего
стандартного номинала из ряда Е24. Резистор
выбираем типа С2-33Н:
: С2-33Н-0,125-560 Ом±2%.
Резисторы
выполняют функцию делителя напряжения. Номинальное значение
коэффициента делителя напряжения
0,22. (3.10)
С учетом сопротивлений резисторов
. (3.11)
Выбираем резистор
типа С2-29В:
С2-29В-0,125-10 кОм ±1.
Значение резистора
рассчитывается по формуле:
2819 Ом. (3.12)
Округляем полученное значение в меньшую сторону до ближайшего
стандартного номинала из ряда Е24. Резистор
выбираем типа С2-29В:
: С2-29В-0.125-1,5 кОм ±1.
Рис.3.8. Схема регулируемого ИОН
Резистор
выбираем типа СП5-2В1:
: СП5-2В-1-1 кОм ±5%.
.6 Источник квантующих импульсов
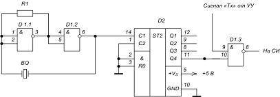
На рисунке 3.9 приведена схема источника импульсов квантования и
временного селектора.
Рисунок 3.9 - Схема источника импульсов квантования и временного
селектора
Генератор импульсов частотой
100 кГц реализован на МС D1.1, D1.2 типа К155ЛА3, резисторе
и кварцевом резонаторе
. В качестве BQ выбираем низкочастотный резонатор с частотой 100 кГц: BQ: РК206-N-100 кГц.
В качестве делителя частоты используются двоичный счетчик импульсов в
режиме деления частоты (МС D2
типа К155ИЕ5).
Временной селектор реализован на МС D1.3 типа К155ЛА3.
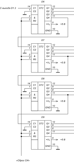
3.7 Счетчик импульсов
На рисунке 3.10 приведена схема счетчика импульсов.
Счетчик импульсов реализован на четырех последовательно включенных
микросхемах D6… D9 типа К155ИЕ2.
Рисунок 3.10 - Схема счетчика импульсов
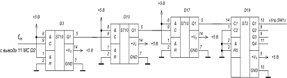
3.8 Формирователь сигнала «Упр.SW1».
На рисунке 3.11 приведена схема формирователя сигнала «Упр.SW1».
Рисунок 3.11 - Схема формирователя сигнала «Упр.SW1».
Сигнал «Упр.SW1» должен
замыкать ключ SW1 в течении интервала времени
=160 мс. Для этого частота
делится в 1000 раз с помощью
последовательно включенных МС D3, D10, D17 типа К155ИЕ, а затем еще на 2 с помощью МС D19 типа К155ИЕ2.
3.9 Формирователь сигналов «Сброс СИ», «Запись»
На рисунке 3.12 приведена схема формирователя сигналов «Сброс СИ»,
«Запись».
Рисунок 3.12 - Схема формирователя сигналов «Сброс СИ», «Запись».
По переднему фронту сигнала «Запись» происходит запись кода с выхода СИ в
регистр. Сигнал «Запись» дифференцируется дифференцирующей цепочкой С2, R13. Отрицательный импульс после
дифференцирования ограничивается диодом VD2.
Выбираем резистор R13=510
Ом. Задаемся постоянной времени дифференцирующей цепи
=R13·C2»15 нс. Тогда емкость конденсатора C2»27 пФ.
3.10 Регистр
На рисунке 3.13 приведена схема регистра
Рисунок 3.13 - Схема регистра
Регистр реализован на четырех микросхемах D13… D16
типа К1533ТМ8.
Заключение
В работе произведено проектирование АЦП двухтактного интегрирования.
Произведен обзор АЦП аналогичного принципа действия. Приведены
структурные схемы и временные диаграммы, которые иллюстрируют принцип работы
проектируемого АЦП.
Произведен расчет различных блоков различных боков принципиальной схемы
АЦП.
Проведен анализ метрологических характеристик АЦП.
Список использованных источников
. Никонов
А.В. Методические аспекты построения измерительных устройств: Учеб. пособие,
Омск Изд-во ОмГТУ, 2001.- 52 с.
. Приборы
времяимпульсного преобразования/ Метод указания по курсовому проектированию/
Сост. Г.С. Кривой.- Омск, 1987.- 16 с.
. Кончаловский
В.Ю. Цифровые измерительные устройства: Учеб. пособие для вузов по спец.
"Информ.-измерит. техн.".- M.; Энергоатощиздат, 1985.- 304 с.
. Орнатский
П.П. Автоматические измерения и приборы. - Киев: Высшая школа, 1980 - 543 с.
5. Никонов
А.В. Основные узлы цифровых измерительных устройств: Учеб. пособие. Омск;
Изд-во ОмГТУ, 2001.- 50 с.
6. 5.
Андреев Ю.Н., Антонин Д.М., Иванов Д.М. и др. Резисторы (справочник). - М.:
Энергоатомиздат, 1981. - 352 с.
Электронные
ресурсы:
. Analog Divces. Data sheet [Электронный
ресурс] URL: http://www.analog.com/media/en/technical-documentation/obsolete-data-sheets/2143387AD707.pdf
8. Analog Divces. Data sheet [Электронный
ресурс] URL:
http://www.analog.com/media/en/technical-documentation/data-sheets/ADG849.pdf
. Analog Divces. Data sheet [Электронный
ресурс] URL:
http://www.analog.com/media/en/technical-documentation/data-sheets/AD790.pdf