Акселерометр пьезоэлектрического типа

  • Вид работы:
    Курсовая работа (т)
  • Предмет:
    Информатика, ВТ, телекоммуникации
  • Язык:
    Русский
    ,
    Формат файла:
    MS Word
    23,78 Кб
  • Опубликовано:
    2014-03-29
Вы можете узнать стоимость помощи в написании студенческой работы.
Помощь в написании работы, которую точно примут!

Акселерометр пьезоэлектрического типа

Введение

По естественной входной величине прибора методы измерения параметров движения могут быть разбиты на две группы.

К первой группе относятся методы, основанные на осуществлении непосредственного контакта между движущимся объектом и системой, принятой за неподвижную. Приборы, основанные на этом методе, называются контактными. К этой группе относятся все устройства, предназначенные для измерения параметров относительного движения.

Ко второй группе относятся методы, не требующие осуществления непосредственного контакта с неподвижной системой отсчета. Приборы, реализующие этот метод, называются инерционными. Естественной входной величиной таких приборов может быть только сила инерции, воспринимаемая корпусом датчика, с которым связана собственная (подвижная) система отсчета.

Это свойство приборов для измерения параметров движения, т.е. способность реагировать или на взаимное перемещение, или на силу инерции, нашло свое отражение в их структуре. Так как основные параметры механического движения - перемещение, скорость и ускорение - связаны между собой простейшими дифференциальными зависимостями, то обычно прибор для измерения какого-либо параметра имеет предварительный преобразователь, реагирующий на другой параметр, легче поддающийся измерению, а искомая величина получается путем применения операционных звеньев в цепи дальнейшего преобразования (в датчике, измерительной цепи или указателе).

Выбор структурной схемы и элементов прибора для измерении параметров механического движения определяется не столько самим параметром, сколько диапазоном его изменения, как по амплитуде, так и по частоте. Величины параметров механического движения, с которыми приходится сталкиваться в науке и технике, можно примерно разбить на несколько диапазонов. Так, при измерении ускорений приходится иметь дело с весьма большими (1000-200 000 м/с2), средними (1-200 м/с2), малыми (ниже 1 м/с2) и весьма малыми (до 10-5 м/с2) значениями измеряемого параметра.

В курсовом проекте в качестве первичного преобразователя акселерометра применяется пьезоэлектрический преобразователь. Выбор пьезоэлектрического преобразователя обусловлен его доступностью, невысокой стоимостью, наличием у пьезоэлектрика хороших механических свойств. Акселерометры пьезоэлектрического типа компактны, конструктивно просты, имеют малые габариты, надежны в работе, пригодны для измерения быстроменяющихся величин. К недостаткам относятся необходимость обеспечения полной герметичности прибора, кабельный эффект, возможность отрыва инерционной массы при измерении больших импульсных ускорений знакопеременного характера при работе прибора на растяжение, малая выходная мощность пьезоэлектрического преобразователя.

Патентный обзор

В процессе разработки курсового проекта был произведен патентный поиск. В результате проделанной работы найдено несколько патентов за последние 10 лет.

- Пьезоэлектрический акселерометр, содержащий монтажное основание, чувствительный изгибный элемент и электрические выводы для подключения акселерометра. Отличающийся тем, что на монтажном основании сьемно закреплены герметичный полый защитный корпус и поперечно плоскости основания через диэлектрическую теплозащитную втулку осевая опора под чувствительный изгибный элемент, который введен, но внутреннюю полость корпуса и выполнен в виде нижней токосъемной панели и верхней одной или нескольких пар полиморфных пьсзоэлемснтов, насаженных на опоре в ее поперечной плоскости с верхним поджимным ограничителем положения пар, при этом каждая насаженная на опору пара полиморфных пьелоэлементов выполнена в виде дисков и установленной между ними клеммы, включающей концентрично установленные на опоре втулки, одну - внутреннюю диэлектрическую, и вторую - наружную, электросоединительную распорную, причем токосъемная панель электрически связана с клеммой каждой пары полиморфных пьезоэлементов и с выводами акселерометра, установленными в защитном экране, дополнительно закрепленном на основании.

-1. Универсальный вибродатчик линейного и углового ускорения правильных компонентов вибрации, содержащих кожух и размещенные в нем пьезоэлектрические элементы, отличающийся тем, что пьезоэлектрические элементы выполнены в виде пары одинаковых электрически последовательно соединенных продольно поляризованных пьезоэлектрических пластин с электродами имеющие контакты, расположенных симметрично по обе стороны оси чувствительности и линейных ускорению между опорой, переходящим в основание, и инерционным элементом или его частями, а контактные выводы из кожуха для коммутации последовательности соединения пакетов между собой.

. Виброметр по П.1 отличающийся тем, что введен электронный переключатель коммутации последовательного соединения пакетов между собой.

. Виброметр по П.1 отличается тем, что в кожухе дополнительно размешен инерционные элементы, опоры переходящие в основание и расположенные между соответствующей опорой и инерционными элементом или его частями симметричные по обе стороны соответствующей оси чувствительности к линейному ускорению пары одинаковых электрически последовательно соединенных пакетов продольно поляризованных пластин с электродами, имеющие контакты, выведенные их кожуха, а также введены электронные переключатели для коммутации последовательно соединенных пакетов между собой, при этом ось чувствительности каждой пары контактов пьезоэлектрических пластин перпендикулярна осям чувствительности каждой пары пакетов пьезоэлектрических пластин перпендикулярных осям чувствительности остальных пар, а электронные переключатели обобщены или синхронизированы.

. Виброметр по П.1 отличается тем, что пакеты пьезоэлектрических пластин соединены между собой стационарно.

- Пьезоэлектрический акселерометр, содержащий основание с устройством крепления на объекте, осевой резьбовой стержень, кольцевые пьезоэлементы, расположенные на стержне, упругий элемент, инерционную массу, металлический экран и антивибрационный кабель, соединенный электрически с основанием и пьезоэлементами, отличающийся тем, что, с целью повышения надежности работы в диапазоне ударных ускорений 103 - 2 • 105 м/с2, инерционная масса с упругим элементом выполнена в виде плоской гайки, осуществляющей поджатие кольцевых пьезоэлементов к основанию, а кольцевые пьезоэлементы и гайка покрыты слоем компаунда, поверх которого нанесено токопроводящее покрытие, имеющее электрический контакт с основанием и дополнительно с гайкой.

. Акселерометр по П.1, отличающийся тем, что сквозное горизонтальное отверстие для кабеля в основании выполнено двухступенчатым с радиальным скруглением наружного края отверстия большего диаметра, в отверстие большего диаметра встроена часть кабеля с наружной изоляционной оболочкой, предварительно покрытой компаундом, а в отверстие меньшего диаметра встроена часть кабеля только с экранирующей оплеткой, причем экранирующая оплетка имеет электрический контакт с основанием по поверхности отверстия меньшего диаметра.

. Акселерометр по П.1,отличающиися тем, что, с целью уменьшения поперечной чувствительности, кольцевые пьезоэлементы выполнены из монокристалла кварца Х-среза с взаимно перпендикулярной ориентацией их оптических осей.

- Пьезоэлектрический акселерометр, содержащий чувствительный элемент, упруго поджатый к основанию стержнем, один конец которого расположен в основании и кабель в металлической оболочке,, закрепленный в основании и соединенный с чувствительным эле« ментом, отличающийся тем, что, с целью повышения надежности за счет улучшения вибропрочности и технологичности, конец стержня, размещенный в основании, выполнен утолщенным, его диаметр равен 2-3 диаметрам основной части стержня, причем утолщенный конец стержня соединен с основанием сваркой, в основании и.утолщенном конце стержня выполнено сквозное отверстие, в котором размещен кабель в металлической оболочке, кабель со стороны ввода в отверстие закреплен .во введенной втулке, имеющей длину 0,3-0,4 длины кабеля в сквозном отверстии, размещенной в основании и соединенной с ним сваркой, причем втулка имеет на торце упор, который размещен в проточке, выполненной в.основании, а в месте ввода кабеля в основание размещен введенный кожух, соединенный с основанием и имеющий выступ, внутренняя поверхность которого, выполнена в виде части сферы.

- Пьезоэлектрический акселерометр, содержащий пьезоэлемент, инерционную массу, разъёмный соединительный узел, размещенный в основании, и шпильку крепления, отличающийся тем, что, с целью повышения точности и надежности при измерении импульсных ускорений, неподвижная часть разъемного соединительного узла выполнена в виде размещенного в осевом отверстии основания стержня со сферической головкой, на которой выполнена фаска, изолированного от основания и соединенного через инерционную массу с электродом пьезоэлемента, а разъемная часть соединительного узла выполнена с выемкой, в которой размещена торцовая часть шпильки крепления.

.Литературный обзор

Приборы, служащие для измерения ускорений, называются акселерометрами. Эти приборы применяются при исследовании движений или вибраций частей машин, в авиации, на транспорте и т.д.

Акселерометры могут быть в зависимости от вида движения линейные или угловые; по конструкции - механические, электромеханические, оптические и другие; по назначению - измеряющие ускорения как функцию времени или пути и максимальные, измеряющие только максимальное значение ускорения.

При измерении больших ускорений обычно используются механические акселерометры; при повышенном диапазоне частот - электромеханические; при измерении вибраций в звуковом и около звуковом диапазоне частот (10-20 000 Гц) наиболее распространены электрические акселерометры, основанные на пьезоэлектрическом эффекте.

Ускорение поступательного движения с погрешностью 1-5 % измеряется обычно при помощи датчиков прямого преобразования маятникового или пружинного типов [4]. В маятниковых акселерометрах сила, вызванная воздействием измеряемого ускорения на инерционную массу датчика, уравновешивается силой тяжести, в пружинных - силой деформируемой пружины. В качестве основного преобразователя как маятниковых, так и пружинных акселерометров используются реостатные, индуктивные, емкостные, фотоэлектрические или другие типы преобразователей в зависимости от величины рабочего перемещения инерционной массы и конструктивных соображений.

В ряде случаев отсутствует необходимость в знании текущего значения ускорения и важно лишь установить, не превышает ли оно заданного размера. Для этих целей используются акселерометры с контактными преобразователями, получившие название предельных или максимальных акселерометров или сигнализаторов перегрузок.

Весьма перспективны методы измерения малых ускорений, основанные на преобразовании в частоту и время. Достоинством частотной модуляции при измерении малых постоянных ускорений является легкость обнаружения очень малых изменений частоты путем сравнения частоты, пропорциональной измеряемой величине, со стабильной частотой кварцевого генератора. Этот принцип в струнных гравиметрах, позволяющих измерять изменения ускорения силы тяжести с погрешностью порядка (1 - 2)∙10-6 этого ускорения.

Для измерения угловых и линейных ускорений можно применять все виды электромагнитных преобразователей. Во многих используемых на практике конструкциях измеряемый параметр определяется по величине э.д.с., возникающих в катушке, расположенной в поле магнита, при перемещении последнего относительно катушки. Достоинством индукционного преобразователя является возможность получения большой мощности преобразователя (до 1-5 В∙А), что позволяет пользоваться сравнительно малочувствительным указателем на выходе измерительной цепи и регистрировать измеряемую переменную величину самописцем или вибратором осциллографа без предварительного усиления, чувствительность преобразователя достигает 140 В/(м/с), диапазон частот не превышает 50 Гц при амплитуде не более 1-5 мм.

Принцип действия реостатного акселерометра заключается в изменении активного сопротивления на выходе при перемещении движка, которое может быть угловым или линейным. Преимущества преобразователя реостатного типа: большой выходной сигнал, возможность питания, как от постоянного, так и переменного тока.

Линейный механический акселерометр (рис.1) представляет собой систему с одной степенью свободы, состоящую из груза, укрепленного на рычаге, удерживаемом в горизонтальном положении специальной пружиной [3]. Прибор крепится к исследуемому объекту, и при движении объекта (в частности при его вибрациях) груз также перемещается (или вибрирует). Величина и характер этих перемещений пропорциональны ускорению объекта, которое и измеряют, регистрируя перемещение груза. Чтобы при этом собственные колебания прибора не искажали измеряемых ускорений, в акселерометрах делают специальные устройства, которые глушат эти колебания.

Рисунок 1 - Механический акселерометр

В электромеханических акселерометрах перемещение груза измеряется электрическими способами с помощью датчиков (индуктивных, емкостных и т.д.). Примером является акселерометр с проволочным тензодатчиком (рис.2), в котором груз крепится на пружине и помещается в корпус, залитый демпфирующей жидкостью.

 

Рисунок 2 - Тензоакселерометр

Под действием горизонтального ускорения груз изгибает пружину. Величина деформации пропорциональна ускорению; она измеряется наклеенным на пружину четырьмя тензодатчиками, два из которых составляют два плеча измерительного моста, а другие два входят в конструкцию усилителя. Разбалансировка моста, вызванная изменением сопротивления тензодатчиков при изгибе пружины, после усиления регистрируется осциллографом как ускорение. Такие акселерометры успешно работают, если их собственная частота  100Гц.

Для измерения быстроменяющихся ускорений применяются акселерометры с высокой собственной частотой. Конструирование таких акселерометров сильно усложняется их малой чувствительностью. Поэтому в таких случаях применяют максимальные акселерометры, в которых ускорение объекта измеряется по величине силы инерции, действующей на груз при его движении вместе с объектом. Акселерометр определяет или момент времени, когда ускорение объекта достигает заданной величины, или величину максимального ускорения объекта. Максимальные акселерометры применяются также при больших и быстрорастущих ускорений, например, при ударах. В этих случая применяют максимальные акселерометры с пьезокерамикой из титаната бария. Высокая собственная частота пьезоэлектрических акселерометров позволяет измерять ускорения вибраций от 0.001g до 3000g при частоте от нескольких Гц до нескольких кГц.

.Основная часть

Расчет преобразователя

При проектировании пьезодатчиков одним из основных является вопрос о выборе пьезоэлектрического материала.

При выборе материала следует учитывать его характеристики: значения пьезоэлектрических коэффициентов d и g, диэлектрической проницаемости ε, модуля упругости Е и плотности δ.

Коэффициент d, называемый пьезомодулем, описывает основную чувствительность пьезоматериала и определяет величину электрического заряда, генерируемого при приложении определенной силы. Данное определение приводит к основному уравнению для пьезоэлектрических материалов:

, (1)

где Q - электрический заряд, Кл; - сила, Н; - напряжение, В;

С - емкость, Ф.

Важным параметром пьезоматериала является диэлектрическая проницаемость ε. Этот параметр влияет на собственную емкость преобразователя С0, который определяется по формуле:

, (2)

где s - площадь пьезоэлемента, м2; l - толщина пьезоэлемента, м.

ε - диэлектрическая проницаемость.

Также диэлектрическая проницаемость влияет на напряжение U на выходе датчика, определяемое выражением:

, (3)

где СΣ - суммарная емкость, Ф, которая находится как:

CΣ = С0+Ск+Свх,

где Ск - емкость кабеля, Ф; Свх - входная емкость усилителя, Ф.

Казалось бы необходимо выбирать материалы с возможно меньшим значением диэлектрической проницаемости ε. Но выбор материала с малым ε, т.е. с малой собственной емкостью, резко увеличивает внутреннее сопротивление преобразователя на низких частотах, что повышает требования к входной цепи измерительного усилителя. Поэтому, когда необходимо расширить частотный диапазон в области низких частот, лучше выбирать материалы с большим значением ε [1].

Коэффициент gij является постоянной для пьезоматериала в случае разомкнутой цепи. Эта постоянная описывает чувствительность по напряжению пьезоэлемента и определяется как:

 .            (4)

Коэффициент gij наиболее удобен для расчета выходного напряжения пьезоэлектрического преобразователя, если не рассматривается шунтирующая емкость.

Связь постоянной gij c пьезоэлектрической постоянной dij выражается следующим равенством:

, (5)

где ε0 - электрическая постоянная.

Так как в датчиках пьезоэлемент обычно действует как механическая пружина, то все механические характеристики будут зависеть от упругости пьезоэлемента, а значит будут определятся модулем упругости Е материала, а также в некоторой степени и плотностью материала δ. Поэтому предпочтительнее выбирать материалы с большим значением упругости и меньшей плотностью.

Наиболее полной характеристикой пьезоэлектриков как преобразователей механической энергии в электрическую является коэффициент полезного действия. Этот КПД зависит только от свойств материала:

 . (6)

С точки зрения полноты использования входной энергии, характеризуемой k2, наилучшим материалом является сегнетова соль, наихудшим - кварц.

Выбор конструктивных материалов

Учитывая вышеперечисленные условия, в качестве первичного преобразователя пьезоэлектрического акселерометра выберем пьезоэлемент из цирконата титаната свинца (ЦТС-19) [2]. Данный материал имеет высокую диэлектрическую проницаемость ε =1525, КПД равный 40℅, модуль упругости Е=70 Н/м2∙109, gij=14.8 мВ/Н∙10-3. Допустимая температура составляет 300оС.

В акселерометрах, как правило, применяются дисковые пьезоэлементы с большим отношением диаметра к толщине (2R/l = 6 ÷ 10). Примем диаметр пьезоэлемента 2R равным 20 мм, тогда толщина l этого элемента составит 2 мм.

По формуле (2) вычислим собственную емкость преобразователя:

С0 = εs/l = επR2/l = 239∙10-12, Ф.

Сила, действующая на пьезоэлемент при ускоренном движении, по второму закону Ньютона определится как:


где m - значение инерционной массы, кг; а - значение ускорения, м/с2.

Зададим максимальное значение силы 5,5 Н, а значение инерционной массы m=50 г. Тогда, согласно уравнению (7), максимальное ускорение определится как:

a = F/m,= 5.5/5∙10-3 = 110, м/с2.

Чувствительность акселерометра по заряду SQ определяется отношением

SQ = Q/a = d33m, (8)

т.е. SQ = 282∙10-12∙50∙10-3 = 14∙10-11, Кл/(м∙с2).

Определим заряд, возникающий на поверхности пьезоэлемента при действии ускорения. Так как при продольном пьезоэффекте заряд не зависит от размера пьезоэлемента, тогда = d33F,

где d33 - значение пьезомодуля, Кл/Н ∙10-12;- сила, Н.

Q = 282∙10-12∙ 5.5 = 1,5∙10-9, Кл.

Исходя из формул (4) и (5), вычислим выходное напряжение преобразователя:

= gijFl/s = dijFl/sεε0,

U = 282∙10-12∙5.5∙3∙10-3/165∙10-6∙1∙1525 = 1.8∙10-11, В.

Рассчитаем параметры инерционной массы.

Форма инерционной массы влияет на характеристики датчика. Уменьшение поперечной чувствительности требует уменьшения расстояния между центром массы инерционного элемента и центром массы пьезоэлемента. В связи с этим инерционную массу желательно выполнять с малой высотой.

Инерционную массу выполним из стали углеродистой качественной конструкционной ГОСТ 1050 - 74 марки 10.

Зададим значение инерционной массы m=50 г.

Масса представляет собой цилиндр (рис. 3). Так как известны диаметр основания, масса и плотность материала, вычислим высоту инерционной массы. Объем цилиндра находится по формуле:

V = πR2H, (9)

где R - радиус основания, м; H - высота цилиндра, м.

С другой стороны, объем равен:= m/ρ, (10)

где m - значение инерционной массы, кг; ρ - плотность, кг/м³.

Рисунок 3 - Форма инерционной массы

Подставляя (9) в (10), получим:

πR2H = m/ρ.

Из полученной формулы найдем значение высоты цилиндра:

H = m/(ρπR2).= 50/(36∙3.14∙7.252) = 0.016, м.

Основание пьезоэлектрического акселерометра изготавливают из относительно легких, но достаточно прочных материалов. В качестве материала для изготовления основания датчика, разрабатываемого в данной курсовой работе, выберем титан ВТ3-1 ГОСТ 19807-74 (ρ=4.5 г/см3), по механическим характеристикам не уступающий стали.

Для сочленения деталей акселерометра используют поджатие, пайку и склеивание. При поджатии с помощью винтового соединения невозможно избежать даже незначительных люфт [1], которые приводят к дополнительным погрешностям. При пайке необходимо предварительно проводить серебрение поверхностей путем вжигания серебра при температуре около 5000С, что значительно усложняет процесс изготовления. Наиболее широкое применение нашло склеивание. Оно обеспечивает надежное сочленение элементов, не приводя к дополнительным погрешностям.

Для склеивания применим клей БФ-4 ГОСТ 12172-74, используемый для цветных металлов, нержавеющей стали, для их склеивания с неметаллами (возможна замена на клей БФ-2 ГОСТ 12172-74).

Описание конструкции

Акселерометр пьезоэлектрического типа (рис.4) представляет собой прибор, состоящий из основания, к которому с помощью клея БФ-4 крепится преобразователь, состоящий из двух пьезопластин Х-среза, разделенных проводником. Пластины выполнены из керамики ЦТС-19 ОСТ 11 0444 - 87, проводник - из алюминиевой фольги ГОСТ 618-73 (СТС 76 4067-83). Фольга припаивается к пьезоэлементам посредством припоя ПОС 61М ГОСТ 21931-76. Инерционная масса выполнена из стали ГОСТ 5632-72. Акселерометр закрывается крышкой, навинчиваемой на основание. Основание имеет специальный хвостик с резьбой для крепления на объект. При воздействии на прибор измеряемого ускорения на гранях пьезоэлемента образуется заряд пропорциональный ускорению. Показания с преобразователя снимаются посредством медных выводов, припаянных к граням пьезоэлектрических пластин. Контакты соединены с антивибрационным кабелем. В крышке преобразователя предусмотрено отверстие под кабель, который подключается к входу усилителя для усиления, снимаемого сигнала.

Рисунок 4 - Пьезоэлектрический акселерометр

Крышка

Инерционная масса

Пьезоэлемент

Проводник

Основание

Выбор электрической схемы

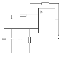
Так как выходная мощность пьезоэлектрических преобразователей очень мала, то на выходе преобразователя необходимо включить усилитель с возможно большим входным сопротивлением. Измерительная цепь пьезодатчика выполнена в виде усилителя напряжения с высокоомным входом (рис.5), где С0 - емкость преобразователя; Ск - емкость кабеля; С1 - дополнительная стабильная емкость; R1, R2 - сопротивления датчика и кабеля. В измерительной цепи используется неинвертирующий усилитель с входным каскадом на полевом транзисторе.

Рисунок 5 - Схема электрическая пьезоакселерометра

Выходное напряжение усилителя увеличивается за счет увеличения его коэффициента k=(1+R1R2), однако, лишь до известных пределов, так как с ростом коэффициента усиления усилителя и уменьшением глубины обратной связи возрастают погрешности.

Важной характеристикой измерительной цепи является постоянная времени τ = RC. Для измерительной цепи с усилителем напряжения сопротивление R определяется параллельно соединенными сопротивлениями изоляции датчика, кабеля, входным сопротивлением усилителя и сопротивлением R3. В качестве транзистора выберем полевой транзистор с p-n-переходом КП303Г, сопротивление которого составляет не менее 1011 Ом.

Сопротивление R3 стабилизирует уровень выходного напряжения усилителя, определяемый входным током усилителя. Так как входной ток усилителя Iвх не превышает 10-11 А, а напряжение на входе усилителя равно 1 В, то сопротивление R3 по закону Ома определится как: R3 = U/Iвх = 1/10-11 = 1011, Ом.

Анализ отдельных составляющих показывает, что определяющим сопротивлением является, как правило, сопротивление поверхностной утечки датчика, и значение R обычно не превышает 109 Ом. Таким образом, даже при больших значениях C постоянная времени

τ1 с.

Заключение

акселерометр пьезоэлектрический измерение датчик

В результате выполнения курсового проекта произвели литературный обзор; патентный поиск за последние 10 лет; так же были определены основные геометрические параметры преобразователя.

Технические характеристики прибора:

масса, г 140

предел измеряемых ускорений, м/с2 0- 110

габаритные размеры преобразователя:

высота, мм 29.5

диаметр, мм 23.5

частотный диапазон, кГц 0.1- 1.5

Похожие работы на - Акселерометр пьезоэлектрического типа

 

Не нашли материал для своей работы?
Поможем написать уникальную работу
Без плагиата!
Без нейросетей!